Design and Testing of an Intramedullary Nail Implant Enhanced with Active Feedback and Wireless Connectivity for Precise Limb Lengthening
Abstract
1. Introduction
- A microcontroller and an H-bridge for bi-directional driving of a DC motor.
- Bluetooth Low Energy module (BLE) for wireless communication.
- Surgeon-provided prescriptions/schedules for patient’s daily extension.
- Patient self-monitoring and management of their extension schedule.
- A web user interface for surgeons to update prescriptions/schedules.
- An emergency “stop” button in the mobile app, larger than the “start” button.
- Medical-grade batteries for reliable power supply.
- Directional control for the DC motor.
- Design dimensions within 60 mm length and 10 mm diameter.
- Batteries to support a minimum of 6 months (360 days) of operation.
- DC motor dimensions not exceeding 10 mm in diameter and 30 mm in length.
- All components must fit within the specified dimensions.
2. Literature Review
2.1. Limb-Lengthening Methods
- Precise lengthening control.
- Correction of complex deformities.
- Minimal infection risks.
- Prolonged usage may cause discomfort and inconvenience.
- Requires strict patient compliance with adjustments.
- Provides immediate stability post-surgery.
- Cost-effective compared to advanced system utilizing intramedullary nails.
- Larger incisions and tissue disruptions may lead to increased recovery times.
- Increased risks of complications.
- Adjustments require additional surgeries without external devices or remote controls.
- Less external hardware.
- Shorter treatment durations.
- Precise control.
- Earlier weight-bearing.
- Invasive surgery.
- Infection risks.
- Potential implant failures.
- Higher costs.
- May not match external methods’ ability to correct angular deformities.
2.2. Fitbone
2.3. Precice
2.4. Complications in Connectivity
2.5. Wireless Technology
- 1.
- Wi-Fi (802.11): Wi-Fi technology enables high-speed wireless data transmission over short to medium ranges. It is commonly used in hospital settings for connectivity between medical devices and hospital networks. However, Wi-Fi’s high power consumption and potential interference issues limit its suitability for implantable medical devices requiring long-term, low-power operation [14].
- 2.
- RFID (Radio-Frequency Identification): RFID technology utilizes electromagnetic fields to identify and track objects equipped with RFID tags. In the medical field, RFID is often employed for inventory management, patient tracking, and medication administration. While RFID offers benefits such as non-line-of-sight communication and passive operation, its limited range and data transfer rates may be inadequate for certain medical device applications [15].
- 3.
- NFC (Near-Field Communication): NFC technology enables short-range communication between devices, typically within a few centimeters. It is commonly used for contactless payments, access control, and data transfer between smartphones and wearable devices. NFC’s ease of use and security features make it suitable for applications requiring close-range communication, such as pairing medical devices with smartphones for data transfer [16].
- 4.
- Zigbee: Zigbee is a low-power wireless communication protocol designed for short-range, low-data-rate applications. It is commonly used in home automation, remote monitoring, and medical device connectivity. Zigbee’s mesh networking capability and low power consumption make it suitable for applications requiring long battery life and reliable communication in challenging environments [17].
- 5.
- Bluetooth Low Energy (BLE): BLE, also known as Bluetooth Smart, is a wireless communication technology designed for low-power, short-range applications. It offers benefits such as low power consumption, compatibility with smartphones and other consumer devices, and support for secure communication protocols. BLE is increasingly favored in the medical industry for its ability to enable seamless connectivity between medical devices and mobile applications, facilitating remote monitoring, data collection, and patient engagement [18,19].
3. Our Proposed Work
3.1. Osteogenesis
- 1.
- Pre-Surgery Assessment: Before surgery, a thorough assessment of the patient’s leg is conducted. This involves analyzing the geometry and alignment of the leg, along with X-ray imaging, to determine suitability for limb lengthening. Factors like body weight are also considered to decide the appropriate osteotomy height [23,24,25,26,27].
- 2.
- Osteotomy Procedure: This is the actual surgical phase where the femur bone is carefully cut into two parts to accommodate the implant. The implant is then securely fixed using screws, ensuring stability and precision in the lengthening process.
- 3.
- Latency Period: Post-implantation, there is a short latency period of about five days. This time allows the leg to recover and prepare for the lengthening phase [28].
- 4.
- Distraction Phase: Starting on the fifth day after surgery, this phase involves gradually separating the two bone segments created during osteotomy. The implant facilitates this controlled separation, creating space for new bone tissue at a rate of about 1mm per day. The length of this phase varies, typically lasting several months depending on the required extension [29].
- 5.
- Consolidation Phase: Running parallel to the distraction phase, the consolidation phase sees the newly formed bone within the distracted gap solidifying. This crucial phase involves a slow maturation process, generally spanning four to six months, though this can vary based on the extent of the lengthening [30].
- 6.
- Removal Phase: The final phase occurs once the extended limb has fully healed, and the new bone tissue has matured. The implant is then surgically removed, marking the completion of the limb-lengthening procedure.
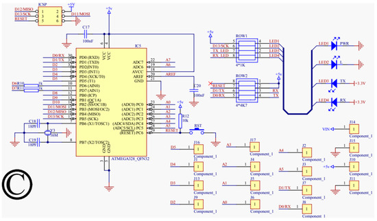
3.2. Implant Design
- 1.
- Microcontroller: This acts as the brain of the implant, managing the operations of all other components. It receives power from medical-grade batteries, which are connected to its voltage input. The microcontroller uses its digital input or output pins to control the various components, orchestrating their functions in a coordinated manner [31,32].
- 2.
- Bluetooth Low Energy (BLE) Module: This module is connected to the transmit and receive pins of the microcontroller. Its primary function is to facilitate wireless communication between the implant and the mobile device, enabling remote control and monitoring of the limb-lengthening process.
- 3.
- H-Bridge: This component is crucial for controlling the DC motor. It is linked to three digital input/output pins of the microcontroller. Two of these pins are equipped with pulse-width modulation functionality, which is essential for adjusting the direction and magnitude of the current flowing to the motor. The third pin is used to toggle the sleep mode of the H-bridge, an energy-saving feature that is important for the efficient operation of the system [33].
- 4.
- DC Motor: The motor, which is responsible for the physical movement required for limb extension, is controlled by the H-bridge. Given the need to maintain the extension position post-procedure and the constraints regarding size, the motor is custom-designed to meet the specific requirements of our proposed work [34,35].
- 5.
- Force Sensor: This sensor is connected to an analog input/output pin on the microcontroller. It plays a critical role in the system by measuring the force applied during the lengthening process. These data are vital for ensuring that the procedure is carried out safely and effectively, providing real-time feedback for necessary adjustments.
3.3. Proposed Wireless Integration
- Enhanced Patient Control and Autonomy: The key to this innovation is the use of a dedicated mobile application, which allows patients to independently initiate and manage the limb-lengthening process, marking a significant advancement in medical care.
- Significant Reduction in Clinic Visits: The introduction of the technology greatly reduces the need for frequent in-person clinic visits, a change that promises to alleviate the logistical and physical burdens typically associated with traditional limb-lengthening methods.
- Unprecedented Comfort and Flexibility: The mobile application introduces a new level of comfort and convenience, allowing patients to begin their treatment while accommodating their schedule.
- Potential Reduction in Healthcare Costs: With minimized requirements for frequent clinical visits, patients could notably lower the costs associated with limb lengthening, making the procedure more financially accessible to a wider patient demographic.
- Contribution to Sustainability: The use of energy-efficient Bluetooth technology can contribute to lower energy consumption, aligning with the increasing need for sustainable medical practices through reduced energy consumption.
- Support for Psychological Well-being: Remote management of the treatment process not only elevates the standard of care but also helps to bolster the psychological well-being of patients by providing them more control over their treatment journey, thereby minimizing disruptions in their daily lives.
3.4. Proposed Active Feedback Control
3.5. Proposed User Interface
4. Measurement Results
4.1. Prototype Design
4.2. Testing Phase
- Ease of Design Error Identification and Rectification: The breadboard allows for easy assembly and disassembly of components. This flexibility is crucial in quickly identifying and rectifying design errors, significantly reducing the time and effort needed compared to working directly with a prototype board.
- Facilitates Circuit Modifications: Given its non-permanent nature, a breadboard makes modifying the circuit straightforward. Changes can be made without the need for desoldering, which is especially useful during the iterative process of testing and refining the design.
- Clearer Implementation Design for Soldering: Working with a breadboard provides a clear and physical representation of the circuit. This visual aid is beneficial when it comes time to transfer the circuit onto a prototype board for soldering, as it offers a tried and tested template to follow.
- Minimizing Risk to Final Components: During the testing phase, the use of a breadboard minimizes potential damage to final and more expensive components. In our proposed work, substituting the Beetle BLE with the Arduino Bluno for breadboard testing is a prudent decision. This substitution prevents potential damage to the Beetle BLE, a crucial component of our proposed work. The Arduino Bluno offers similar functionality, allowing for accurate testing without risking the integrity of the final component.
4.3. Force Sensor and Actuator Setup
- 1.
- Motor Speed: The motor operates at a controlled pace of 0.1 mm per second. This specific speed was chosen to enable patients to visibly track the limb-lengthening progress, allowing them to observe and request adjustments if needed.
- 2.
- Lengthening Schedule: The lengthening procedure is designed to be flexible, with a prescribed schedule that can range from a minimum of three months to a maximum of six months. This adaptability caters to individual patient needs and variations in treatment plans.
- 3.
- Extension Parameters: The default extension length is set at 1 mm per extension, with the total permissible length of extension capped at 60 mm for the human body. Consequently, a complete and smooth extension process is expected to span approximately 60 days, ensuring gradual and controlled limb lengthening.
- 4.
- Power Consumption: A significant observation, as seen in Figure 8, is the noticeable increase in power consumption when the DC motor engages to apply the target force as detected by the force sensor. This surge contrasts sharply with the motor’s power usage in standby mode, emphasizing the need for efficient power management. Managing this power consumption is vital for the sustainability and functionality of the implant over the treatment duration.
- 1.
- Energy Efficiency: The increase in power consumption during the motor’s active phase underscores the importance of energy efficiency in the design. Since the device is battery-powered, optimizing power usage is crucial for the longevity and sustainability of the implant.
- 2.
- Operational Management: Understanding the different power requirements between active and standby modes is essential for managing the operational aspects of the implant. This includes planning for battery life, anticipating the need for battery replacement or recharging, and ensuring the device remains functional throughout the required treatment period.
- 3.
- Patient Safety and Comfort: The variance in power consumption also relates to patient safety and comfort. The motor’s activity must be balanced to provide effective limb lengthening without causing discomfort or harm to the patient, which requires careful calibration of the motor’s power output.
- 4.
- Design Implications: The observed power consumption patterns may influence future design improvements, such as implementing more energy-efficient motors, optimizing circuitry for lower power usage, or exploring alternative energy sources.
4.4. Mobile Application
- User Authentication and Navigation: At the forefront of the application is the Main Menu, designed for straightforward navigation. It emphasizes user security by incorporating features for account creation and login, ensuring only authorized access. The absence of a cloud-based backend presents limitations in user verification and data storage, necessitating alternative solutions for secure and efficient user management.
- Main_Menu Class: Utilizes an OnClickListener function, facilitating navigation to the MainActivity class for returning users, and to the Sign_Up class for new account setups. This design ensures ease of access to the application’s main functionalities.
- Sign_Up Class: Features a password validation function to maintain account security. It underscores the application’s commitment to protecting user data while simplifying the account creation process.
- Core Functionality and Connectivity: The MainActivity class acts as the central hub for the application, connecting users to their treatment protocols via Bluetooth communication with the Arduino boards. This setup guarantees high-fidelity data transfer and seamless operation between the mobile app and the implant.
- BlunoLibrary Class: Manages the scanning of nearby Bluetooth devices, enhancing user interaction by providing real-time feedback on connection statuses such as “Connected” and “Scanning”.
- Admin_Page Class: Offers an exclusive interface for medical professionals to adjust critical parameters like motor speed and torque, ensuring tailored treatment plans for each patient.
- User Interface Design: The application’s interface is meticulously crafted to support user engagement and interaction. It incorporates several UI elements designed to facilitate easy control over the limb-lengthening process, from initiation to adjustment.
- Main Page UI: Serves as the gateway for user interaction, offering options for login and account registration. This interface is streamlined to accommodate users with varying levels of tech proficiency.
- Device Scan List UI: Allows patients to select their implant device from a list of available Bluetooth connections, streamlining the pairing process to initiate or halt the limb lengthening as needed.
- Conclusion and Enhancement Strategy: This section has outlined the comprehensive design and functionality of the mobile application intended to complement the limb-lengthening implant. By dividing the development process into distinct segments, we have aimed to enhance clarity and readability, addressing the reviewer’s feedback effectively. Future iterations will explore integrating cloud-based solutions for improved data management and user verification, ensuring the application’s scalability and security.
4.5. Attenuation Testing
4.5.1. First Test Setup
4.5.2. Second Test Setup
4.6. Attenuation Test Results
- The open condition, with the prototype outside of the airtight container, served as a control for testing baseline signal strength.
- Subsequent tests involved encasing the prototype in an airtight container, with and without submersion in saline solution, to mimic the effect of body tissues on signal transmission.
- The prototype was then wrapped in aluminum foil while inside the container to simulate a Faraday cage scenario, highlighting the challenge of signal transmission through metal enclosures.
- The results indicated significant signal attenuation only in the aluminum foil-wrapped scenario, confirming the Faraday cage effect’s impact.
5. Discussion
Design Recommendations
- 1.
- Custom-Designed Battery: The implant’s efficient operation at a low power threshold necessitated a custom-designed battery. This battery needed to be capable of sustaining the implant’s components, including the motor, for approximately two months, posing a challenge in terms of power management and longevity.
- 2.
- Prototype Scale vs. Final Product: The prototype was larger than the intended final product, raising concerns about potential inaccuracies in readings from various modules and sensors due to size-based discrepancies. This discrepancy necessitated further refinement of the design to ensure accuracy and functionality at a reduced scale.
- 3.
- Custom-Sized Modules Requirement: The need for custom-sized modules, like the microcontroller and Bluetooth module, could potentially impact the precision of data acquisition and the overall functionality of the system.
- 4.
- Faraday Cage Effect: An unexpected challenge arose from the metal casing of the implant, which acted as a Faraday cage, obstructing signal transmission. To mitigate this, the implant’s design had to be revised to include an external antenna. However, this solution brought forth additional concerns regarding the risk of infection or allergic reactions among implant recipients.
6. Conclusions
Author Contributions
Funding
Institutional Review Board Statement
Data Availability Statement
Acknowledgments
Conflicts of Interest
References
- Rozbruch, S.R. Limb Lengthening—An Overview. HSS. Available online: https://www.hss.edu/conditions_limb-lengthening-overview.asp (accessed on 21 February 2023).
- Ho, S. Limb-Lengthening Cosmetic Surgery Gaining Popularity as Patients Aim to Be Taller. CTV News. Available online: https://www.ctvnews.ca/health/limb-lengthening-cosmetic-surgery-gaining-popularity-as-patients-aim-to-be-taller-1.5066666 (accessed on 25 February 2023).
- Bekos, A. The history of intramedullary nailing. Int. Orthop. 2021, 45, 1355–1361. Available online: https://pubmed.ncbi.nlm.nih.gov/33575858/ (accessed on 27 November 2023). [CrossRef] [PubMed]
- External Fixation Device. MedlinePlus. Available online: https://medlineplus.gov/ency/imagepages/18021.htm (accessed on 26 February 2023).
- Ilizarov Frame. Healthy WA. Available online: https://www.healthywa.wa.gov.au/Articles/F_I/Ilizarov-frame (accessed on 26 February 2023).
- Patient Information Leaflet: Taylor Spatial Frame Deformity Correction. RDE Hospital. Available online: https://www.rdehospital.nhs.uk/media/ayol0oi3/patient-information-leaflet-taylor-spatial-frame-deformity-correction-rde-19-141-001.pdf (accessed on 26 February 2023).
- Femur Fracture Open Reduction and Internal Fixation. Johns Hopkins Medicine. Available online: https://www.hopkinsmedicine.org/health/treatment-tests-and-therapies/femur-fracture-open-reduction-and-internal-fixation#:~:text=Internal%20fixation%20refers%20to%20the,your%20bones%20from%20healing%20abnormally (accessed on 27 February 2023).
- Uzun, B. Extendable Intramedullary Nail with Mechanical Loading. In Proceedings of the 14th National Biomedical Engineering Meeting, Izmir, Turkey, 20–22 May 2009; IEEE: Piscataway, NJ, USA, 2009; pp. 1–3. Available online: https://ieeexplore.ieee.org/document/5130323 (accessed on 27 November 2023).
- Leg Lengthening Surgery with The Fitbone Method. Medical Solutions Barcelona. Available online: https://www.medical-solutions-bcn.com/en/limb-lengthening-leg/ (accessed on 4 March 2023).
- Internal Fixation: Precice Nail. International Center for Limb Lengthening. Available online: https://www.limblength.org/treatments/lengthening-deformity-correction-devices/internal-fixation-precice/ (accessed on 27 February 2023).
- Thaller, P.H. Complications and Effectiveness of Intramedullary Limb Lengthening: A Matched Pair Analysis of Two Different Lengthening Nails. Strateg. Trauma Limb Reconstr. 2020, 15, 7–12. [Google Scholar] [CrossRef]
- Horn, J. Limb lengthening and deformity correction with externally controlled motorized intramedullary nails: Evaluation of 50 consecutive lengthenings. Acta Orthop. 2019, 90, 81–87. [Google Scholar] [CrossRef] [PubMed]
- Applications of IoT in Healthcare. Biz4Intellia. Available online: https://www.biz4intellia.com/blog/applications-of-iot-in-healthcare/#:~:text=Helps%20You%20Keep%20a%20Track,patient’s%20medical%20diagnostic%20status%20effectively (accessed on 4 March 2023).
- Cisco. What Is Wi-Fi. Available online: https://www.cisco.com/c/en/us/products/wireless/what-is-wifi.html (accessed on 4 March 2023).
- Radio Frequency Identification (RFID). U.S. Food & Drug Administration. Available online: https://www.fda.gov/radiation-emitting-products/electromagnetic-compatibility-emc/radio-frequency-identification-rfid#:~:text=Radio%20Frequency%20Identification%20(RFID)%20refers,back%20from%20the%20RFID%20tag (accessed on 15 October 2023).
- Android Developers. Near Field Communication (NFC) Overview. Available online: https://developer.android.com/develop/connectivity/nfc#:~:text=Near%20Field%20Communication%20(NFC)%20is,between%20two%20Android%2Dpowered%20devices (accessed on 4 November 2023).
- Definition of ZigBee. TechTarget IoT Agenda. Available online: https://www.techtarget.com/iotagenda/definition/ZigBee#:~:text=Zigbee%20is%20a%20standards%2Dbased,and%20is%20an%20open%20standard (accessed on 20 December 2023).
- Tech Overview of Bluetooth. Bluetooth. Available online: https://www.bluetooth.com/learn-about-bluetooth/tech-overview/ (accessed on 5 March 2023).
- Link Labs. Bluetooth vs Bluetooth Low Energy. Available online: https://www.link-labs.com/blog/bluetooth-vs-bluetooth-low-energy#:~:text=The%20difference%20lies%20in%20how,years%20at%20a%20cheaper%20cost (accessed on 5 March 2023).
- Sterling Medical Devices. What Are Implantable Medical Devices? Available online: https://sterlingmedicaldevices.com/thought-leadership/medical-device-design-industry-blog/what-are-implantable-medical-devices/#:~:text=An%20implantable%20medical%20device%20is,to%20serve%20a%20specific%20function (accessed on 5 March 2023).
- Insider Intelligence. The Technology, Devices, and Benefits of Remote Patient Monitoring in the Healthcare Industry. Available online: https://www.insiderintelligence.com/insights/remote-patient-monitoring-industry-explained/ (accessed on 6 March 2023).
- Seattle Children’s. What Is Distraction Osteogenesis? Available online: https://www.seattlechildrens.org/clinics/craniofacial/services/distraction/#:~:text=What%20is%20distraction%20osteogenesis%3F,of%20bone%20is%20not%20painful (accessed on 23 February 2023).
- Craniofacial Team Texas. Distraction Osteogenesis. Available online: https://www.craniofacialteamtexas.com/distraction-osteogenesis/ (accessed on 25 February 2023).
- Aalsma, A.M.M.; Hekman, E.E.G.; Stapert, J.; Grootenboer, H. A completely intramedullary leg lengthening device [using SMA actuator]. In Proceedings of the 20th Annual International Conference of the IEEE Engineering in Medicine and Biology Society. Vol.20 Biomedical Engineering Towards the Year 2000 and Beyond (Cat. No.98CH36286), Hong Kong, China, 1 November 1998; Volume 5, pp. 2710–2713. [Google Scholar] [CrossRef]
- Calder, P.R.; Laubscher, M.; Goodier, W.D. The role of the intramedullary implant in limb lengthening. Injury 2017, 48, S52–S58. [Google Scholar] [CrossRef] [PubMed]
- Xiao, D.; Zhang, J.; Zhang, C.; Barbieri, D.; Yuan, H.; Moroni, L.; Feng, G. The role of calcium phosphate surface structure in osteogenesis and the mechanisms involved. Acta Biomater. 2020, 106, 22–33. [Google Scholar] [CrossRef] [PubMed]
- Calder, P.R.; Wright, J.; Goodier, W.D. An Update on the Intramedullary Implant in Limb Lengthening: A Quinquennial Review Part 2: Extending Surgical Indications and Further Innovation. Injury 2022, 53, S88–S94. [Google Scholar] [CrossRef] [PubMed]
- Fischer Medical. FITBONE® TAA Surgical Technique. Available online: https://fischermedical.dk/wp-content/uploads/FITBONE-TAA-Surgical-technique.pdf (accessed on 28 November 2023).
- International Center for Limb Lengthening. Internal Fixation: Rods and Nails. Available online: https://www.limblength.org/treatments/lengthening-deformity-correction-devices/internal-fixation-rods-and-nails/ (accessed on 31 October 2023).
- Limb Lengthening: The Process. Limb Lengthening Center. Available online: https://www.limblength.org/treatments/limb-lengthening-the-process/ (accessed on 31 October 2023).
- Microcontroller. IoT Agenda, TechTarget. Available online: https://www.techtarget.com/iotagenda/definition/microcontroller#:~:text=A%20microcontroller%20is%20a%20compact,peripherals%20on%20a%20single%20chip (accessed on 31 October 2023).
- Liu, W.; Dai, J. Design of Attitude Sensor Acquisition System Based on STM32. In Proceedings of the 2015 Fifth International Conference on Instrumentation and Measurement, Computer, Communication and Control (IMCCC), Qinhuangdao, China, 18–20 September 2015; pp. 1850–1853. [Google Scholar] [CrossRef]
- What Is an H-Bridge? Digilent. Available online: https://digilent.com/blog/what-is-an-h-bridge/ (accessed on 20 April 2023).
- Brushless vs Brushed DC Motors: When and Why to Choose One Over the Other. Monolithic Power Systems. Available online: https://www.monolithicpower.com/en/brushless-vs-brushed-dc-motors (accessed on 6 March 2023).
- Zhao, C.; Hua, Z. Design of Motor Speed Control System Based on STM32 Microcontroller. In Proceedings of the 2022 International Conference on Computation, Big-Data and Engineering (ICCBE), Yunlin, Taiwan, 27–29 May 2022; pp. 274–276. [Google Scholar] [CrossRef]
- Christoe, M.J.; Yuan, J.; Michael, A.; Kalantar-Zadeh, K. Bluetooth Signal Attenuation Analysis in Human Body Tissue Analogues. IEEE Access 2021, 9, 85144–85150. [Google Scholar] [CrossRef]
- Kozlov, V.K.; Ivanov, D.A.; Kirzhatskikh, E.R. Voltage Measuring Sensor Based on Capacitive Voltage Divider. In Proceedings of the 2022 International Ural Conference on Electrical Power Engineering (UralCon), Magnitogorsk, Russia, 23–25 September 2022; pp. 250–254. [Google Scholar] [CrossRef]













| Stages/RSSI Test | RSSI Test 1 (dBm) | RSSI Test 2 (dBm) | RSSI Test 3 (dBm) | RSSI Test 4 (dBm) | RSSI Test 5 (dBm) | Mean RSSI (dBm) |
|---|---|---|---|---|---|---|
| Open (>30 cm) | −48 ± 1 | −51 ± 1 | −51 ± 1 | −51 ± 1 | −50 ± 1 | −50.2 |
| Open (~1 m) | −69 ± 1 | −70 ± 1 | −70 ± 1 | −71 ± 1 | −68 ± 1 | −69.6 |
| Open (~3 m) | −82 ± 1 | −80 ± 1 | −81 ± 1 | −80 ± 1 | −81 ± 1 | −80.8 |
| Open (~5 m) | −82 ± 1 | −83 ± 1 | −82 ± 1 | −82 ± 1 | −83 ± 1 | −82.4 |
| Airtight Container (>30 cm) | −63 ± 1 | −69 ± 1 | −66 ± 1 | −64 ± 1 | −67 ± 1 | −65.8 |
| Airtight Container (1 m) | −73 ± 1 | −69 ± 1 | −70 ± 1 | −69 ± 1 | −70 ± 1 | −70.2 |
| Airtight Container (3 m) | −80 ± 1 | −81 ± 1 | −80 ± 1 | −81 ± 1 | −80 ± 1 | −80.4 |
| Airtight Container (5 m) | −79 ± 1 | −83 ± 1 | −81 ± 1 | −80 ± 1 | −81 ± 1 | −80.8 |
| Airtight Container and Aluminium Foil (>30 cm) | −96 ± 1 | −91 ± 1 | −90 ± 1 | -89 ± 1 | −87 ± 1 | −90.6 |
| Airtight Container and Aluminium Foil (1 m) | −93 ± 1 | −94 ± 1 | −101 ± 1 | −101 ± 1 | −93 ± 1 | −96.4 |
| Airtight Container and Saline Solution (>30 cm) | −77 ± 1 | −78 ± 1 | −79 ± 1 | −76 ± 1 | −77 ± 1 | −77.4 |
| Airtight Container and Saline Solution (1 m) | −90 ± 1 | −91 ± 1 | −91 ± 1 | −91 ± 1 | −92 ± 1 | −91 |
| Without Aluminium Foil | With Aluminium Foil | |||||||
|---|---|---|---|---|---|---|---|---|
| Scenario/RSSI Distance Test | ~8 cm | ~1 m | ~3 m | ~5 m | ~8 cm | ~1 m | ~3 m | ~5 m |
| Standalone (dBm) | −40 ± 1 | −75 ± 1 | −80 ± 1 | −94 ± 1 | −42 ± 1 | −76 ± 1 | −81 ± 1 | −95 ± 1 |
| Medium Cylinder Only (dBm) | −42 ± 1 | −73 ± 1 | −76 ± 1 | −84 ± 1 | −42 ± 1 | −83 ± 1 | −93 ± 1 | D/C |
| Medium Cylinder in Large Jar in Saline Solution (dBm) | −59 ± 1 | −80 ± 1 | −87 ± 1 | −90 ± 1 | −78 ± 1 | −90 ± 1 | −94 ± 1 | D/C |
| Medium Cylinder in Large Jar in Saline Solution and Pork Belly (dBm) | −65 ± 1 | −81 ± 1 | −91 ± 1 | D/C | −76 ± 1 | −92 ± 1 | D/C | D/C |
Disclaimer/Publisher’s Note: The statements, opinions and data contained in all publications are solely those of the individual author(s) and contributor(s) and not of MDPI and/or the editor(s). MDPI and/or the editor(s) disclaim responsibility for any injury to people or property resulting from any ideas, methods, instructions or products referred to in the content. |
© 2024 by the authors. Licensee MDPI, Basel, Switzerland. This article is an open access article distributed under the terms and conditions of the Creative Commons Attribution (CC BY) license (https://creativecommons.org/licenses/by/4.0/).
Share and Cite
Kok, C.L.; Tan, T.C.; Koh, Y.Y.; Lee, T.K.; Chai, J.P. Design and Testing of an Intramedullary Nail Implant Enhanced with Active Feedback and Wireless Connectivity for Precise Limb Lengthening. Electronics 2024, 13, 1519. https://doi.org/10.3390/electronics13081519
Kok CL, Tan TC, Koh YY, Lee TK, Chai JP. Design and Testing of an Intramedullary Nail Implant Enhanced with Active Feedback and Wireless Connectivity for Precise Limb Lengthening. Electronics. 2024; 13(8):1519. https://doi.org/10.3390/electronics13081519
Chicago/Turabian StyleKok, Chiang Liang, Tat Chin Tan, Yit Yan Koh, Teck Kheng Lee, and Jian Ping Chai. 2024. "Design and Testing of an Intramedullary Nail Implant Enhanced with Active Feedback and Wireless Connectivity for Precise Limb Lengthening" Electronics 13, no. 8: 1519. https://doi.org/10.3390/electronics13081519
APA StyleKok, C. L., Tan, T. C., Koh, Y. Y., Lee, T. K., & Chai, J. P. (2024). Design and Testing of an Intramedullary Nail Implant Enhanced with Active Feedback and Wireless Connectivity for Precise Limb Lengthening. Electronics, 13(8), 1519. https://doi.org/10.3390/electronics13081519

