Energy Efficient CLB Design Based on Adiabatic Logic for IoT Applications
Abstract
1. Introduction
- We propose three adiabatic-logic-based memory cells, which are a 14T design, 16T design, and 12T design.
- We propose an adiabatic-logic-based LUT that can interface different memories such as SRAM cells and adiabatic-logic-based memory cells.
- We present case studies using an adiabatic-logic-based LUT and adiabatic-logic-based memory cells to build a CLB.
- We conduct a comparative analysis of the proposed designs against their CMOS counterpart.
- We also demonstrate that the proposed designs are significantly energy efficient.
- We finally conclude that designing a CLB with adiabatic logic is a viable solution for energy-constrained IoT applications.
2. Background
2.1. SRAM-Based Field-Programmable Gate Array (FPGA)
2.2. Adiabatic Logic
3. Proposed Adiabatic-Logic-Based Design
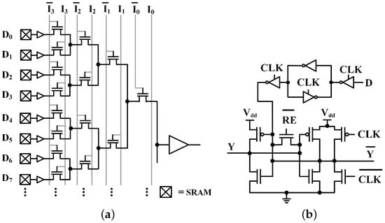
3.1. Adiabatic-Logic-Based Look-Up-Table (LUT) for Configurable Logic Block (CLB)
- Pre-evaluation: At time = , a sense enable () signal is applied to the access transistors ( and ) of the AL-SA. and connect the AL-SA with the logic trees F and . Since all inputs are valid, one of the logic trees is ON, which connects one of the output nodes of the AL-SA to the power clock.
- Evaluation: Between time and , the voltage of the power clock () begins rising, and remains at logic value ‘1’ until time = . Assuming the logic tree F is ON, the power clock pulls the node up as it rises. The increased voltage of the node turns ON, which results in the node at the . However, is below the threshold voltage of the PMOS (), and remains inactive.
- Amplifying: At time = , the signal is set to logic value ‘0’. and are OFF, disconnecting the output nodes of the AL-SA from the logic tree F and . After time = , is ON, which causes AL-SA to pull the node up to , while pulls the node down to .
- Recovering: At time = , falls from . Hence, is lower than the voltage of the node. Due to the potential difference, the current flows from the node to the power clock through .
- Idle: At time = , reaches ; this results in turning OFF . Therefore, the discharge process of the adiabatic-logic-based LUT is stopped, and the voltage of the node remains at . The AL-LUT ends the charge recovery process after falls below .
3.2. Proposed Adiabatic-Logic-Based Memory Cell
3.2.1. Proposed 14T Adiabatic-Logic-Based Memory Cell
3.2.2. Proposed 16T Adiabatic-Logic-Based Memory Cell
3.2.3. Proposed 12T Adiabatic-Logic-Based Memory Cell
4. Simulation Results and Discussion
4.1. Proposed Adiabatic-Logic-Based LUT
4.2. Proposed Adiabatic-Logic-Based Memory Cells
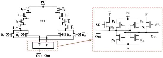
4.3. Case Study: Combining Proposed Adiabatic-Logic-Based LUT with SRAM Cell and Proposed Adiabatic-Logic-Based Memory Cells for Building CLB
4.3.1. Proposed Adiabatic-Logic-Based LUT with Different Memory Cells at Different Frequencies
4.3.2. Proposed Adiabatic-Logic-Based LUT with Memory Cells with Different Supply Voltage
5. Conclusions
Author Contributions
Funding
Data Availability Statement
Conflicts of Interest
Abbreviations
| AL-LUT | Adiabatic Logic-based Look-up Table |
| AL-SA | Adiabatic Logic-based Sense Amplifier |
| ASICs | Application-Specific Integrated Circuits |
| CLB | Configurable Logic Block |
| C-LUT | CMOS LUT |
| EN | Enable |
| ECRL | Efficient Charge Recovery Logic |
| FPGA | Field-Programmable Gate Array |
| Ground | |
| Full Voltage Swing | |
| LUT | Look-up Table |
| IoT | Internet of Things |
| Power Clock | |
| Power Clock 0 | |
| Power Clock 1 | |
| PFAL | Positive Feedback Adiabatic Logic |
| Sense Enable Signal | |
| Sense Enable Signal 0 | |
| Sense Enable Signal 1 | |
| SRAM cell | CMOS SRAM in FPGA |
| Voltage of the Power Clock | |
| Threshold Voltage of the PMOS |
References
- Selvaraj, S.; Sundaravaradhan, S. Challenges and opportunities in IoT healthcare systems: A systematic review. SN Appl. Sci. 2020, 2, 139. [Google Scholar] [CrossRef]
- Risteska Stojkoska, B.L.; Trivodaliev, K.V. A review of Internet of Things for smart home: Challenges and solutions. J. Clean. Prod. 2017, 140, 1454–1464. [Google Scholar] [CrossRef]
- Malche, T.; Maheshwary, P. Internet of Things (IoT) for building smart home system. In Proceedings of the 2017 International Conference on I-SMAC (IoT in Social, Mobile, Analytics and Cloud) (I-SMAC), Palladam, India, 10–11 February 2017; pp. 65–70. [Google Scholar] [CrossRef]
- Nasab, M.T.; Amirany, A.; Moaiyeri, M.H.; Jafari, K. Hybrid MTJ/CNTFET-Based Binary Synapse and Neuron for Process-in-Memory Architecture. IEEE Magn. Lett. 2023, 14, 4500105. [Google Scholar] [CrossRef]
- Elnawawy, M.; Farhan, A.; Nabulsi, A.A.; Al-Ali, A.; Sagahyroon, A. Role of FPGA in Internet of Things Applications. In Proceedings of the 2019 IEEE International Symposium on Signal Processing and Information Technology (ISSPIT), Ajman, United Arab Emirates, 10–12 December 2019; pp. 1–6. [Google Scholar] [CrossRef]
- Zhang, X.; Ramachandran, A.; Zhuge, C.; He, D.; Zuo, W.; Cheng, Z.; Rupnow, K.; Chen, D. Machine learning on FPGAs to face the IoT revolution. In Proceedings of the 2017 IEEE/ACM International Conference on Computer-Aided Design (ICCAD), Irvine, CA, USA, 13–16 November 2017; pp. 894–901. [Google Scholar] [CrossRef]
- Nasab, M.T.; Amirany, A.; Moaiyeri, M.H.; Jafari, K. Radiation Immune Spintronic Binary Synapse and Neuron for Process-in-Memory Architecture. IEEE Magn. Lett. 2024, 15, 4500105. [Google Scholar] [CrossRef]
- Liu, Y.; Briones, J.; Zhou, R.; Magotra, N. Study of secure boot with a FPGA-based IoT device. In Proceedings of the 2017 IEEE 60th International Midwest Symposium on Circuits and Systems (MWSCAS), Boston, MA, USA, 6–9 August 2017; pp. 1053–1056. [Google Scholar] [CrossRef]
- Garrido, M.J.; Pescador, F.; Chavarrías, M.; Lobo, P.J.; Sanz, C. A High Performance FPGA-Based Architecture for the Future Video Coding Adaptive Multiple Core Transform. IEEE Trans. Consum. Electron. 2018, 64, 53–60. [Google Scholar] [CrossRef]
- Charitopoulos, G.; Koidis, I.; Papadimitriou, K.; Pnevmatikatos, D. Hardware Task Scheduling for Partially Reconfigurable FPGAs. In Proceedings of the Applied Reconfigurable Computing, Bochum, Germany, 13–17 April 2015; pp. 487–498. [Google Scholar]
- Magyari, A.; Chen, Y. Review of State-of-the-Art FPGA Applications in IoT Networks. Sensors 2022, 22, 7496. [Google Scholar] [CrossRef] [PubMed]
- Umapathy, K.; Muthukumaran, D.; Chandramohan, S.; Sivakumar, M.; James, O. Low Power Methodologies for FPGA—An Overview. In Low Power Architectures for IoT Applications; Sharma, D.K., Sharma, R., Jeon, G., Polkowski, Z., Eds.; Springer Nature: Singapore, 2023; pp. 85–97. [Google Scholar]
- Qi, H.; Ayorinde, O.; Calhoun, B.H. An ultra-low-power FPGA for IoT applications. In Proceedings of the 2017 IEEE SOI-3D-Subthreshold Microelectronics Technology Unified Conference (S3S), Burlingame, CA, USA, 16–19 October 2017; pp. 1–3. [Google Scholar] [CrossRef]
- Salami, B.; Onural, E.B.; Yuksel, I.E.; Koc, F.; Ergin, O.; Cristal Kestelman, A.; Unsal, O.; Sarbazi-Azad, H.; Mutlu, O. An Experimental Study of Reduced-Voltage Operation in Modern FPGAs for Neural Network Acceleration. In Proceedings of the 2020 50th Annual IEEE/IFIP International Conference on Dependable Systems and Networks (DSN), Valencia, Spain, 29 June–2 July 2020; pp. 138–149. [Google Scholar] [CrossRef]
- Teichmann, P. Adiabatic Logic: Future Trend and System Level Perspective; Springer Science & Business Media: Berlin/Heidelberg, Germany, 2011; Volume 34. [Google Scholar]
- Kumar, S.D.; Thapliyal, H.; Mohammad, A. EE-SPFAL: A Novel Energy-Efficient Secure Positive Feedback Adiabatic Logic for DPA Resistant RFID and Smart Card. IEEE Trans. Emerg. Top. Comput. 2019, 7, 281–293. [Google Scholar] [CrossRef]
- Vetuli, A.; Di Pascoli, S.; Reyneri, L. Positive feedback in adiabatic logic. Electron. Lett. 1996, 32, 1867–1868. [Google Scholar] [CrossRef]
- Moon, Y.; Jeong, D.K. An efficient charge recovery logic circuit. IEICE Trans. Electron. 1996, 79, 925–933. [Google Scholar]
- Yang, W.; Thapliyal, H. Low-Power and Energy-Efficient Full Adders With Approximate Adiabatic Logic for Edge Computing. In Proceedings of the 2020 IEEE Computer Society Annual Symposium on VLSI (ISVLSI), Limassol, Cyprus, 6–8 July 2020; pp. 312–315. [Google Scholar] [CrossRef]
- Nasab, M.T.; Thapliyal, H. Low-Power Adiabatic/MTJ LIM-Based XNOR/XOR Synapse and Neuron for Binarized Neural Networks. In Proceedings of the 2023 IEEE 23rd International Conference on Nanotechnology (NANO), Jeju City, Republic of Korea, 2–5 July 2023; pp. 649–654. [Google Scholar] [CrossRef]
- Gandhare, S.; Karthikeyan, B. Survey on FPGA Architecture and Recent Applications. In Proceedings of the 2019 International Conference on Vision towards Emerging Trends in Communication and Networking (ViTECoN), Vellore, India, 30–31 March 2019; pp. 1–4. [Google Scholar] [CrossRef]
- Amirany, A.; Jafari, K.; Moaiyeri, M.H. A Task-Schedulable Nonvolatile Spintronic Field-Programmable Gate Array. IEEE Magn. Lett. 2021, 12, 4502304. [Google Scholar] [CrossRef]
- Rai, S.; Nath, P.; Rupani, A.; Vishvakarma, S.K.; Kumar, A. A Survey of FPGA Logic Cell Designs in the Light of Emerging Technologies. IEEE Access 2021, 9, 91564–91574. [Google Scholar] [CrossRef]
- Gaillardon, P.E.; Tang, X.; Sandrini, J.; Thammasack, M.; Omam, S.R.; Sacchetto, D.; Leblebici, Y.; De Micheli, G. A ultra-low-power FPGA based on monolithically integrated RRAMs. In Proceedings of the 2015 Design, Automation & Test in Europe Conference & Exhibition (DATE), Grenoble, France, 14–18 March 2015; pp. 1203–1208. [Google Scholar] [CrossRef][Green Version]
- Yang, W.; Degada, A.; Thapliyal, H. Adiabatic Logic-based STT-MRAM Design for IoT. In Proceedings of the 2022 IEEE Computer Society Annual Symposium on VLSI (ISVLSI), Paphos, Cyprus, 4–6 July 2022; pp. 235–240. [Google Scholar] [CrossRef]
- Chiasson, C.; Betz, V. COFFE: Fully-automated transistor sizing for FPGAs. In Proceedings of the 2013 International Conference on Field-Programmable Technology (FPT), Kyoto, Japan, 9–11 December 2013; pp. 34–41. [Google Scholar] [CrossRef]













| Frequency (Hz) | 1 M | 2.5 M | 5 M | 10 M | 12.5 M | 20 M | 40 M |
|---|---|---|---|---|---|---|---|
| CMOS LUT [23,26] | 196.9 | 84.03 | 46.44 | 27.69 | 23.94 | 18.25 | 13.18 |
| Proposed AL-LUT | 13.79 | 5.691 | 3.032 | 1.757 | 1.515 | 1.173 | 0.931 |
| Frequency (Hz) | 1 M | 2.5 M | 5 M | 10 M | 12.5 M | 20 M | 40 M |
|---|---|---|---|---|---|---|---|
| SRAM cell [24] | 435 | 175.6 | 89.13 | 45.9 | 37.25 | 24.28 | 13.47 |
| Proposed 14T Design | 41.9 | 17.25 | 8.905 | 4.715 | 3.872 | 2.595 | 1.587 |
| Proposed 16T Design | 51.4 | 21.01 | 10.87 | 5.826 | 4.823 | 3.296 | 2.122 |
| Proposed 12T Design | 43.48 | 17.79 | 9.193 | 4.901 | 4.041 | 2.741 | 1.720 |
| CLB Design | Look-Up Table | Memory Cell |
|---|---|---|
| C-LUT with SRAM | CMOS LUT [23,26] | SRAM cells [24] |
| AL-LUT with SRAM | Proposed Adiabatic-Logic-Based LUT | SRAM cells [24] |
| AL-LUT with 14T | Proposed Adiabatic-Logic-Based LUT | Proposed Adiabatic-Logic-Based 14T Memory Cell |
| AL-LUT with 16T | Proposed Adiabatic-Logic-Based LUT | Proposed Adiabatic-Logic-Based 16T Memory Cell |
| AL-LUT with 12T | Proposed Adiabatic-Logic-Based LUT | Proposed Adiabatic-Logic-Based 12T Memory Cell |
| Frequency (Hz) | 1 M | 2.5 M | 5 M | 10 M | 12.5 M | 20 M | 40 M |
|---|---|---|---|---|---|---|---|
| C-LUT with SRAM | 632 | 259.6 | 135.6 | 73.59 | 61.19 | 42.53 | 26.65 |
| AL-LUT with SRAM | 520.1 | 208.9 | 105 | 52.89 | 42.46 | 26.81 | 13.78 |
| AL-LUT with 14T | 53.03 | 21.85 | 11.34 | 6.092 | 5.04 | 3.451 | 2.196 |
| AL-LUT with 16T | 62.65 | 25.61 | 13.31 | 7.204 | 5.992 | 4.153 | 2.733 |
| AL-LUT with 12T | 54.71 | 22.39 | 11.63 | 6.279 | 5.21 | 3.597 | 2.331 |
| Voltage (V) | 1.2 | 1.1 | 1.0 | 0.9 | 0.8 | 0.7 |
|---|---|---|---|---|---|---|
| C-LUT with SRAM | 61.19 | 42.36 | 28.99 | 38.93 | 12.89 | 8.196 |
| AL-LUT with SRAM | 42.46 | 29.58 | 20.36 | 27.24 | 9.176 | 5.955 |
| AL-LUT with 14T | 5.04 | 3.712 | 2.702 | 3.421 | 1.418 | 1.018 |
| AL-LUT with 16T | 5.992 | 4.325 | 3.091 | 3.711 | 1.58 | 1.131 |
| AL-LUT with 12T | 5.21 | 3.761 | 2.686 | 3.26 | 1.369 | 0.973 |
| 16:1 Look-Up Table | |||||
|---|---|---|---|---|---|
| Design | CMOS LUT [23,26] | Proposed AL-LUT | |||
| Transistor Count | 34 | 68 | |||
| 16-bit Memory Cell | |||||
| Design | SRAM cells in FPGA [24] | 16T Memory Cell | 14T Memory Cell | 12T Memory Cell | |
| Transistor Count | 336 | 256 | 224 | 192 | |
| Configurable Logic Block | |||||
| CLB Design | C-LUT with SRAM | AL-LUT with SRAM | AL-LUT with 16T | AL-LUT with 14T | AL-LUT with 12T |
| Transistor Count | 402 | 468 | 324 | 292 | 260 |
Disclaimer/Publisher’s Note: The statements, opinions and data contained in all publications are solely those of the individual author(s) and contributor(s) and not of MDPI and/or the editor(s). MDPI and/or the editor(s) disclaim responsibility for any injury to people or property resulting from any ideas, methods, instructions or products referred to in the content. |
© 2024 by the authors. Licensee MDPI, Basel, Switzerland. This article is an open access article distributed under the terms and conditions of the Creative Commons Attribution (CC BY) license (https://creativecommons.org/licenses/by/4.0/).
Share and Cite
Yang, W.; Tanavardi Nasab, M.; Thapliyal, H. Energy Efficient CLB Design Based on Adiabatic Logic for IoT Applications. Electronics 2024, 13, 1309. https://doi.org/10.3390/electronics13071309
Yang W, Tanavardi Nasab M, Thapliyal H. Energy Efficient CLB Design Based on Adiabatic Logic for IoT Applications. Electronics. 2024; 13(7):1309. https://doi.org/10.3390/electronics13071309
Chicago/Turabian StyleYang, Wu, Milad Tanavardi Nasab, and Himanshu Thapliyal. 2024. "Energy Efficient CLB Design Based on Adiabatic Logic for IoT Applications" Electronics 13, no. 7: 1309. https://doi.org/10.3390/electronics13071309
APA StyleYang, W., Tanavardi Nasab, M., & Thapliyal, H. (2024). Energy Efficient CLB Design Based on Adiabatic Logic for IoT Applications. Electronics, 13(7), 1309. https://doi.org/10.3390/electronics13071309

