A Fully Programmable DAQ Board of Vibrational Signals from IEPE Sensors: Hardware and Software Design, Performance Analysis
Abstract
1. Introduction
- 14-bit resolution.
- Two independent acquisition channels, each with a single ADC and user-selectable input ranges.
- VGAs with gains ranging from 1 to 600 V/V.
- Antialiasing Sallen–Key low-pass filters for each channel
- Maximum sampling frequencies of 12.5 kHz for dual-channel operation and 22.2 kHz for single-channel operation.
- Onboard Fast Fourier Transform (FFT) capabilities.
- Micro-SD card support for data storage.
- Two user-configurable acquisition modes for each channel: “MODE 1” for generic vibrational signals and “MODE 2” for IEPE signals.
- Hardware and firmware development of a custom and fully reconfigurable DAQ for acquiring signals from IEPE sensors of generic signal sources for structure and machinery monitoring. The developed solution relies on commercial boards and ICs to ensure simplicity in assembly, reduced costs, and high flexibility.
- Firmware implementation of the batch acquisition strategy is based on a buffer flash memory for temporarily storing acquired samples from the ADC, which are iteratively poured into a mass memory, represented by a micro-SD card.
- Realization of the DAQ prototype to test the developed firmware strategy, demonstrating its effectiveness in acquiring generic signals.
1.1. Related Works
1.2. Analysis of Commercially Available DAQs for Vibration Analysis
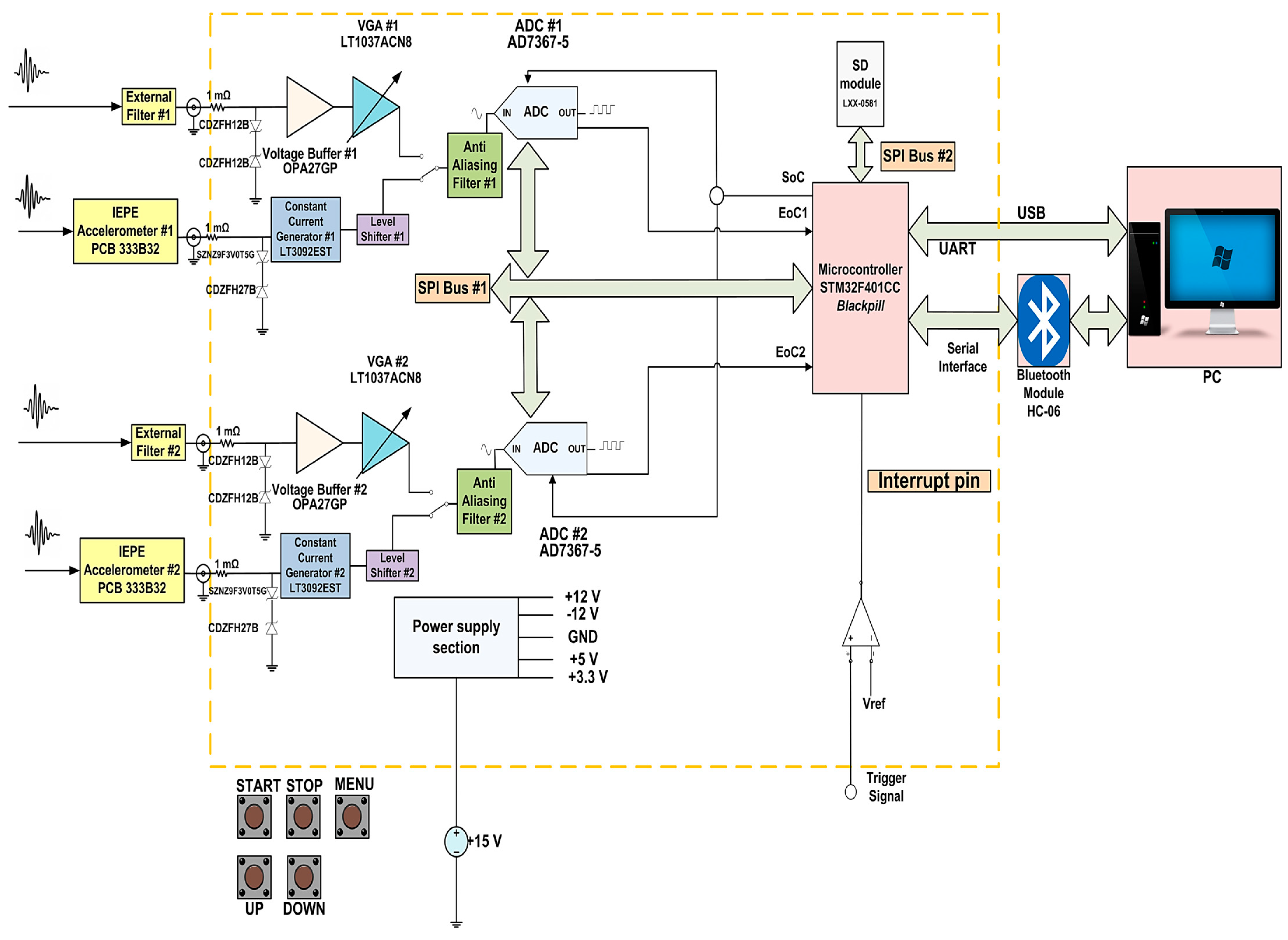
2. Architecture of the Proposed Acquisition Board
2.1. Design of the Signal Conditioning Chain for “MODE 1”
2.2. Design of the Signal Conditioning Chain for “MODE 2”
2.3. Antialiasing Filter Design
2.4. Acquisition and Processing Section of the Proposed DAQ for Vibration Analysis
2.5. PCB Design of the Proposed DAQ Board
3. DAQ Board Prototype to Test the Proposed Architecture
- Blackpill SMT32F401CC board.
- 2 × AD7606 ADC evaluation boards.
- W25Q64FV flash memory.
- LXX-0581 SD card reader.
Firmware Development of the Proposed DAQ Board
- The variables, the buffers to temporarily store the data bytes and the timestamp bytes, the GPIOs, and the communication interfaces are initialized.
- The DMA (Direct Memory Access) is initialized.
- The AD7606s are reset.
- The filesystem is mounted on the SD card; two CSV files are created afterward.
- The W25Q64FV is reset by performing a whole-chip erase.
- It waits until the “START” button is pressed.
- Subsequently, until the “STOP” button is pressed or the maximum allowed number of pages is reached, an inner “for” loop of 128 iterations is initialized to allow the data acquired from the two AD7606s and the corresponding timestamp to be stored into the respective buffers. This operation is performed because the pages of the W25Q64FV can be programmed in blocks of 256 bytes. Furthermore, each transfer requires 2 bytes per channel and 4 bytes per timestamp. The data from the two AD7606s is acquired using the DMA and stored byte by byte, whereas each timestamp is decomposed into 4 bytes. Hence, four uint8_t buffers store the data and the timestamps. Once the inner for loop is complete, the raw data bytes of the first channel are stored on the ith page of the external flash memory, whereas those of the second channel are on the (i + 1)th page. Moreover, the timestamps are stored in the (i + 2)th and (i + 3)th pages. Then, the page count is incremented by 4.
- Once the “STOP” button is pressed or the page count has reached the maximum number of pages, a “for” loop is initialized; this loop is iterated until the page counter reaches the page number used in the previous step. In this “for” loop:
- o
- If the current page counter modulo 4 equals 0, the data from the first AD7606 is read from the corresponding W25Q64FV page, is then composed into the respective buffer, and then the FFT is performed on the collected samples.
- o
- If the current page counter modulo 4 equals 1, the data from the second AD7606 is retrieved from the corresponding W25Q64FV page and is then composed into its respective buffer. Subsequently, the FFT is performed on the collected samples. The frequency axis and the results of the FFT of each channel are then written into the second CSV file on the SD card.
- o
- If the current page counter modulo 4 equals 2, timestamps #0 to #63 are read from the respective W25Q64FV page, recomposed, and stored into the first half of the timestamp buffer. The timestamps and the data from the two AD7606s are then written into the first CSV file on the SD card.
- o
- If the current page counter modulo 4 equals 2, timestamps #64 to #127 are read from the corresponding W25Q64FV page, recomposed, and stored into the second half of the timestamp buffer. The timestamps and the data from the two AD7606s are then written into the first CSV file on the SD card.
- Once the operations in the for loop are concluded, the two CSV files are closed, and two new CSV files are created on the SD.
- For each case, the kth page of the W25Q64FV is read, and its content is stored in the buffer by using the w25ReadPage() method.
- If m equals 0, the FFT is initialized, and its magnitude is computed on a 128-element buffer representing the samples of the first channel (Figure 20).
- If m equals 1, the FFT is initialized, and its magnitude is computed on a 128-element buffer representing the samples of the second channel. After the FFT computation, another for loop is initialized, in which the frequency axis and the results of the FFT computation on the first and second AD7606 ADCs are stored in a CSV file (Figure 20).
- If m equals 2, a loop is initialized to recover the timestamps of the first 64 samples (Figure 20).
- Lastly, if m equals 3, a loop constituted by 64 iterations (with z as index) is initialized to recover the timestamps of the last 64 samples of both channels. After the timestamp recomposition, the two 128-element buffers are multiplied for the ADC quantization step; the results are saved in a separate CSV file (Figure 20).
4. Tests Performed on the DAQ Prototype
5. Discussions
6. Conclusions
Supplementary Materials
Author Contributions
Funding
Informed Consent Statement
Data Availability Statement
Conflicts of Interest
References
- Jamil, I.A.; Abedin, M.I.; Sarker, D.K.; Islam, J. Vibration Data Acquisition and Visualization System Using MEMS Accelerometer. In Proceedings of the 2014 International Conference on Electrical Engineering and Information & Communication Technology, Dhaka, Bangladesh, 10–12 April 2014; IEEE: Dhaka, Bangladesh, 2014; pp. 1–6. [Google Scholar]
- Gürkan, K.; Gürkan, G.; Dindar, A.A. Design and Realization of Multi-Channel Wireless Data Acquisition System for Laboratory-Scale Experiments on Structural Health Monitoring. J. Meas. Eng. 2018, 6, 64–73. [Google Scholar] [CrossRef]
- Soto-Ocampo, C.R.; Mera, J.M.; Cano-Moreno, J.D.; Garcia-Bernardo, J.L. Low-Cost, High-Frequency, Data Acquisition System for Condition Monitoring of Rotating Machinery through Vibration Analysis-Case Study. Sensors 2020, 20, 3493. [Google Scholar] [CrossRef] [PubMed]
- Kaya, Y.; Safak, E. Real-Time Analysis and Interpretation of Continuous Data from Structural Health Monitoring (SHM) Systems. Bull. Earthq. Eng. 2015, 13, 917–934. [Google Scholar] [CrossRef]
- Chilakapati, S.; Mamidala, S.L.J. Study of Vibration Transmissibility of Operational Industrial Machines; Blekinge Institute of Technology: Karlskrona, Sweden, 2016. [Google Scholar]
- Sabato, A.; Feng, M.Q.; Fukuda, Y.; Carní, D.L.; Fortino, G. A Novel Wireless Accelerometer Board for Measuring Low-Frequency and Low-Amplitude Structural Vibration. IEEE Sens. J. 2016, 16, 2942–2949. [Google Scholar] [CrossRef]
- Shukla, A.; Mahmud, M.; Wang, W. A Smart Sensor-Based Monitoring System for Vibration Measurement and Bearing Fault Detection. Meas. Sci. Technol. 2020, 31, 105104. [Google Scholar] [CrossRef]
- Rossi, A.; Bocchetta, G.; Botta, F.; Scorza, A. Accuracy Characterization of a MEMS Accelerometer for Vibration Monitoring in a Rotating Framework. Appl. Sci. 2023, 13, 5070. [Google Scholar] [CrossRef]
- Zobel, O.M.; Maierhofer, J.; Rixen, D.J. OASIS: Open Acquisition System for IEPE Sensors: For Academic Research and Teaching Purposes. In Sensors & Instrumentation and Aircraft/Aerospace Testing Techniques; Walber, C., Stefanski, M., Seidlitz, S., Eds.; Springer Nature: Cham, Switzerland, 2024; Volume 8, pp. 79–86. [Google Scholar]
- Yang, G.; Zhao, X.; Tian, Y.; Li, L. Runway Pavement Structural Analysis Using Remote Laser Doppler Vibrometers. Appl. Sci. 2023, 13, 10539. [Google Scholar] [CrossRef]
- Gopalakrishna, G.K.; Padubidre, S.P. Development of Low Cost System for Condition Monitoring of Rolling Element Bearing Using MEMS Based Accelerometer. AIP Conf. Proc. 2019, 2080, 050003. [Google Scholar]
- Shyni, S.M.; Vasanth, K.; Bhuvaneswari, C. A Virtual Instrumentation-Based Data Acquisition System for Vibration Monitoring and Analysis. In Innovations in Electronics and Communication Engineering; Saini, H.S., Singh, R.K., Patel, V.M., Santhi, K., Ranganayakulu, S.V., Eds.; Lecture Notes in Networks and Systems; Springer: Singapore, 2019; Volume 33, pp. 159–165. ISBN 978-981-10-8203-0. [Google Scholar]
- Mathad, R.S.; Bhat, K. A Multipurpose Noise and Vibration Data Acquisition System Using OTA Amplifiers and Filters. In Proceedings of the 2021 2nd International Conference for Emerging Technology (INCET), Belagavi, India, 21–23 May 2021; IEEE: Belagavi, India, 2021; pp. 1–4. [Google Scholar]
- Villarroel, A.; Zurita, G.; Velarde, R. Development of a Low-Cost Vibration Measurement System for Industrial Applications. Machines 2019, 7, 12. [Google Scholar] [CrossRef]
- Guo, H.; Yu, H.; Sun, C.; Zhang, Z.; Zheng, E. Continuous and Real-Time Vibration Data Acquisition and Analysis System Based on S3C6410 and Linux. In Proceedings of the 2013 Fifth International Conference on Measuring Technology and Mechatronics Automation, Hong Kong SAR, China, 16–17 January 2013; IEEE: Hong Kong SAR, China, 2013; pp. 389–392. [Google Scholar]
- Hu, S.Q.; She, C.D.; Yao, H. A Vibration Data Acquisition System Based on ICP Sensor and Cortex-M3. Appl. Mech. Mater. 2013, 303–306, 1017–1020. [Google Scholar] [CrossRef]
- Toscani, A.; Immovilli, F.; Pinardi, D.; Cattani, L. A Novel Scalable Digital Data Acquisition System for Industrial Condition Monitoring. IEEE Trans. Ind. Electron. 2023, 1–11. [Google Scholar] [CrossRef]
- Gorbounov, Y.; Dzhikov, T. Low Cost Data Acquisition System for Condition Assessment of Electric Motors. IARJSET 2018, 5, 76–82. [Google Scholar] [CrossRef]
- NI 9234 Technical Specifications. Available online: https://www.ni.com/docs/en-US/bundle/ni-9234-specs/page/overview.html (accessed on 13 October 2023).
- Delphin Expert Vibro Description. Available online: https://www.delphin.com/products/measuring-and-testing-devices/expert-vibro.html (accessed on 13 October 2023).
- Adash A4900 Vibrio M Datasheet. Available online: https://adash.com/documents/A4900/Adash-A4900-Vibrio-M-data-sheet.pdf (accessed on 13 October 2023).
- WebDAQ-504 Technical Specifications. Available online: https://www.mccdaq.com/pdfs/specs/DS-WebDAQ-504.pdf (accessed on 13 October 2023).
- OPA27 Datasheet. Available online: https://www.ti.com/lit/ds/symlink/opa27.pdf (accessed on 14 October 2023).
- LT1007/LT1037 Datasheet. Available online: https://www.analog.com/media/en/technical-documentation/data-sheets/LT1007-LT1037.pdf (accessed on 26 October 2023).
- PCB 333B32 User Manual. Available online: https://www.pcb.com/contentStore/docs/pcb_corporate/vibration/products/manuals/333b32.pdf (accessed on 12 October 2023).
- Das, J.C. Harmonic Distortion Limits According to Standards. In Power System Harmonics and Passive Filter Designs; IEEE: Piscataway, NJ, USA, 2015; pp. 427–451. ISBN 978-1-119-03572-5. [Google Scholar]
- AD7366/AD7367 Datasheet. Available online: https://www.analog.com/media/en/technical-documentation/data-sheets/AD7366_7367.pdf (accessed on 26 October 2023).
- STM32F401-STMicroelectronics. Available online: https://www.st.com/en/microcontrollers-microprocessors/stm32f401.html (accessed on 4 December 2022).
- Micro SD Card Module SPI Interface Mini TF Card Reader for Arduino-Good Quality LED Down Light Fixtures. Available online: https://www.lxxtech.com/micro-sd-card-module-spi-interface-mini-tf-card-reader-for-arduino-p789.html (accessed on 4 December 2022).
- HC-06 Datasheet. Available online: https://www.olimex.com/Products/Components/RF/BLUETOOTH-SERIAL-HC-06/resources/hc06.pdf (accessed on 26 October 2023).
- W25Q64FV Description. Available online: www.winbond.com/hq/product/code-storage-flash-memory/serial-nor-flash/ (accessed on 26 October 2023).
- AD7606/AD7606-6/AD7606-4 Datasheet. Available online: https://www.analog.com/media/en/technical-documentation/data-sheets/ad7606_7606-6_7606-4.pdf (accessed on 26 October 2023).





























| Gain | THD | SINAD |
|---|---|---|
| 5 V/V | 0.001% (<−100 dB) | 92.612 dB |
| 10 V/V | 0.001% (<−100 dB) | 91.836 dB |
| 100 V/V | 0.001% (<−100 dB) | 91.884 dB |
| 600 V/V | 0.002% (−94.285 dB) | 90.15 dB |
| VIN | VSHIFT | THD | SINAD |
|---|---|---|---|
| 7 V | 5.6 V | 0.001% (<−100 dB) | 93.374 dB |
| 12 V | 7.1 V | 0.005 (−86.773 dB) | 85.778 dB |
| Mode of Operation | THD | SINAD |
|---|---|---|
| “MODE 1” | 0.005% (−86.47 dB) | 83.33 dB |
| “MODE 2” | 0.002% (−94.285 dB) | 85.787 dB |
| “RANGE0” | “RANGE1” | Resulting Input Range |
|---|---|---|
| LOW | LOW | ±10 V |
| LOW | HIGH | ±5 V |
| HIGH | LOW | 0 to +10 V |
| HIGH | HIGH | Do not program |
| SMT32F401CC Main Parameters | |
|---|---|
| Processor | 32-bit ARM® Cortex®-M4 equipped with an FPU |
| Flash Memory | 256 kB |
| Data Memory | 64 kB |
| Clock frequency | 16 MHz internal RC oscillator, external 4–26 MHz clock source (25 MHz integrated), PLL for clock frequency up to 84 MHz |
| I2C interfaces | 3 |
| USART interfaces | 3 |
| SPI interfaces | Up to 4 |
| SDIO interfaces | 1 |
| USB 2.0 interfaces | 1 |
| DMAs | 2 with 8 streams each |
| Power dissipation | 128 µA/MHz in run mode, 42 µA in stop mode, 10 µA in deep power mode, 2.4 µA in standby mode |
| Specification | Condition | Value |
|---|---|---|
| N° of channels | Two independent channels, each with a dedicated ADC with a user-selectable input range. | 2 |
| ADC input range | Selectable manually by jumpers | ± 5 V ± 10 V |
| ADC resolution | - | 14 bit |
| Sampling frequency | Selectable by firmware | Maximum values: 22.2 kHz (one channel), 12.5 kHz (both channels) |
| VGA gains | Selectable manually by jumpers | 1, 5, 10, 100, 600 |
| IEPE sensor operating range | - | ±50 g |
| IEPE sensor bandwidth | - | 3 kHz |
| Acceleration resolution | - | 6.1 mg |
| Conditioning section THD | MODE 1 MODE 2 | 0.012% (−76.83 dB) 0.008% (−85.05 dB) |
| Conditioning section SINAD | MODE 1 MODE 2 | 72.500 dB 75.288 dB |
| N° of point for onboard FFT computation | Selectable by firmware | 128, 256, 512, 1024 |
| Connectivity | - | Bluetooth |
| FFT Computation Time [µs] | ||
|---|---|---|
| FFT Lenght | Without Compiler Optimization | With Compiler Optimization |
| 128 | 215 | 198 |
| 256 | 454 | 417 |
| 512 | 1158 | 976 |
| 1024 | 2576 | 1924 |
| Work | ADC Bit Number | Sampling Frequency | Number of Channels | Input VGA Availability | Inertial Sensor Operating Range | Resolution |
|---|---|---|---|---|---|---|
| C. R. Soto-Ocampo et al. [3] | 16-bit | 35 kHz using all channels | 4 | No | ±20 g | 0.61 mg |
| S. M. Shyni et al. [12] | 8-bit | N.A. (*) | 1 | No | N.A. | N.A. |
| R. S. Mathad et al. [13] | N.A. (*) | N.A. (*) | N.A. (*) | Yes | N.A. | N.A. |
| A. Villarroel et al. [14] | 12-bit | 20 kHz | 1 | No | ±500 g | 0.24 g |
| H. Guo et al. [15] | 16-bit | 200 kHz | 8 | No | N.A. | N.A. |
| S. Hu et al. [16] | 16-bit | N.A. (*) | 1 | No | ±250 g | 7.6 mg |
| G. Gopalakrishna et al. [11] | 10-bit | 1 kHz | 1 | No | ±3 g | 5.8 mg |
| I.A. Jamil et al. [1] | 10-bit | N.A. (*) | 1 | No | ±3 g | 5.8 mg |
| K. Gürkan et al. [2]. | 12-bit | 100 Hz | 1 | No | ±8 g | 3.9 mg |
| Y.Gorbounov et al. [18] | 12-bit | Up to 1 MHz | Up to 17 | No | ±3 g | 1.4 mg |
| Proposed DAQ Board | 14-bit | 22.2 kHz (one channel), 12.5 kHz (both channels) | 2 | Yes | ±50 g | 6.1 mg |
| Work | Employed Sensor | Input Filtering | Support for External Memory | Dedicated ADC for Each Channel | Onboard FFT Computation |
|---|---|---|---|---|---|
| C. R. Soto-Ocampo et al. [3] | Generic piezoelectric accelerometer | No | Yes | No | No |
| S. M. Shyni et al. [12] | Generic piezoelectric accelerometer | Yes | No | Single channel | No |
| R. S. Mathad et al. [13] | Generic piezoelectric accelerometer | Yes | No | N.A. (*) | N.A. (*) |
| A. Villarroel et al. [14] | IEPE accelerometer | Yes | Yes | Single channel | No |
| H. Guo et al. [15] | IEPE accelerometer | Yes | Yes | No | No |
| S. Hu et al. [16] | IEPE accelerometer | Yes | No | Single channel | No |
| G. K. Gopalakrishna et al. [11] | MEMS accelerometer | No | No | Single channel | No |
| I.A. Jamil et al. [1] | MEMS accelerometer | No | No | Single channel | No |
| K. Gürkan et al. [2]. | MEMS accelerometer | No | No | Single channel | No |
| Y.Gorbounov et al. [18] | MEMS accelerometer | N.A. (*) | No | No | No |
| Proposed DAQ Board | IEPE accelerometer, compatible with other sensor types | Yes | Yes | Yes | Yes |
Disclaimer/Publisher’s Note: The statements, opinions and data contained in all publications are solely those of the individual author(s) and contributor(s) and not of MDPI and/or the editor(s). MDPI and/or the editor(s) disclaim responsibility for any injury to people or property resulting from any ideas, methods, instructions or products referred to in the content. |
© 2024 by the authors. Licensee MDPI, Basel, Switzerland. This article is an open access article distributed under the terms and conditions of the Creative Commons Attribution (CC BY) license (https://creativecommons.org/licenses/by/4.0/).
Share and Cite
De Fazio, R.; Spongano, L.; Messina, A.; Visconti, P. A Fully Programmable DAQ Board of Vibrational Signals from IEPE Sensors: Hardware and Software Design, Performance Analysis. Electronics 2024, 13, 1187. https://doi.org/10.3390/electronics13071187
De Fazio R, Spongano L, Messina A, Visconti P. A Fully Programmable DAQ Board of Vibrational Signals from IEPE Sensors: Hardware and Software Design, Performance Analysis. Electronics. 2024; 13(7):1187. https://doi.org/10.3390/electronics13071187
Chicago/Turabian StyleDe Fazio, Roberto, Lorenzo Spongano, Arcangelo Messina, and Paolo Visconti. 2024. "A Fully Programmable DAQ Board of Vibrational Signals from IEPE Sensors: Hardware and Software Design, Performance Analysis" Electronics 13, no. 7: 1187. https://doi.org/10.3390/electronics13071187
APA StyleDe Fazio, R., Spongano, L., Messina, A., & Visconti, P. (2024). A Fully Programmable DAQ Board of Vibrational Signals from IEPE Sensors: Hardware and Software Design, Performance Analysis. Electronics, 13(7), 1187. https://doi.org/10.3390/electronics13071187

