A Backup Protection Based on Compensated Voltage for Transmission Lines Connected to Wind Power Plants
Abstract
1. Introduction
2. Multiphase Compensated Distance Protection
2.1. The Criterion of Multiphase Compensated Distance Protection
2.2. The Principle of Multiphase Compensated Distance Protection
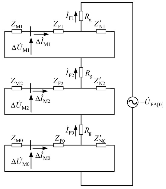
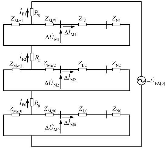
3. Distance Protection Based on Compensated Sequence Voltage
3.1. The Principle of Distance Protection
3.1.1. Single-Phase Grounding Fault
3.1.2. Two-Phase Short-Circuit Fault
3.1.3. Backward Fault
3.2. The Protection Criterion and Flow Chart
4. Simulation Tests
4.1. Tests for Different Fault Types
4.2. The Influence of Transition Resistance
4.3. The Influence of Fault Time
5. Conclusions
Author Contributions
Funding
Data Availability Statement
Conflicts of Interest
References
- Jia, K.; Gu, C.; Xuan, Z.; Li, L.; Lin, Y. Fault characteristics analysis and line protection design within a large-scale photovoltaic power plant. IEEE Trans. Smart Grid 2018, 9, 4099–4108. [Google Scholar] [CrossRef]
- Zheng, X.; Chao, C.; Weng, Y.; Ye, H.; Liu, Z.; Gao, P.; Tai, N. High-Frequency Fault Analysis-Based Pilot Protection Scheme for a Distribution Network with High Photovoltaic Penetration. IEEE Trans. Smart Grid 2023, 14, 302–314. [Google Scholar] [CrossRef]
- Singh, P.; Pradhan, A. A Local measurement-based protection technique for distribution system with photovoltaic plants. IET Renew. Power Gener. 2020, 14, 996–1003. [Google Scholar] [CrossRef]
- Huang, W.; Tai, N.; Zheng, X.; Fan, C.; Yang, X.; Kirby, B.J. An impedance protection scheme for feeders of active distribution networks. IEEE Trans. Power Deliv. 2014, 29, 1591–1602. [Google Scholar] [CrossRef]
- Chen, G.; Liu, Y.; Yang, Q. Impedance differential protection for active distribution network. IEEE Trans. Power Deliv. 2020, 35, 25–36. [Google Scholar] [CrossRef]
- Jia, K.; Xuan, Z.; Feng, T.; Wang, C.; Bi, T.; Thomas, D.W.P. Transient high-frequency impedance comparison-based protection for flexible DC distribution systems. IEEE Trans. Smart Grid 2020, 11, 323–333. [Google Scholar] [CrossRef]
- Jia, K.; Zheng, L.; Bi, T.; Yang, Z.; Li, Y.B.; Han, J.F. Pilot protection based on cosine similarity for transmission line connected to wind farms. Proc. CSEE 2019, 39, 6263–6274. (In Chinese) [Google Scholar]
- Li, Z.; Xiao, R.; Du, Y.; Ren, S.; Tang, P.; Yan, X.Q. Fault transient analysis and protection for transmission lines with integration of centralized photovoltaic. Autom. Electr. Power Syst. 2019, 43, 120–128. (In Chinese) [Google Scholar]
- Bi, T.; Li, Y.; Jia, K.; Yang, Q. Transient current waveform similarity based pilot protection for transmission lines connected to renewable energy power plants. Proc. CSEE 2018, 38, 2012–2019. (In Chinese) [Google Scholar]
- Jia, K.; Yang, Z.; Wei, C.; Zheng, L.; Li, Y.; Bi, T. Pilot protection based on spearman rank correlation coefficient for transmission line connected to renewable energy source. Autom. Electr. Power Syst. 2020, 44, 103–111. (In Chinese) [Google Scholar]
- Zheng, L.; Jia, K.; Bi, T.; Ren, L.; Yang, Z. Comprehensive criteria of pilot protection based on structural similarity and square error for outgoing line from renewable power plants. Power Syst. Technol. 2020, 44, 1788–1795. (In Chinese) [Google Scholar]
- Soleimanisardoo, A.; Karegar, H.; Zeineldin, H. Differential frequency protection scheme based on off-nominal frequency injections for inverter-based islanded microgrids. IEEE Trans. Smart Grid 2019, 10, 2107–2114. [Google Scholar] [CrossRef]
- EL-Sayed, W.; EL-Saadany, E.; Zeineldin, H. Inter-harmonic differential relay with a soft current limiter for the protection of inverter-based islanded microgrids. IEEE Trans. Power Deliv. 2021, 36, 1349–1359. [Google Scholar] [CrossRef]
- Zhu, S.; Cui, L.; Dong, X. Distance Protection That Insensitive to Power Swing. Proc. CSEE 2014, 34, 1175–1182. [Google Scholar]
- Shen, X.; Su, X.; Zhou, C. Influence of 750 kV Transmission Line on Protection. Electr. Equip. 2006, 7, 18–19. (In Chinese) [Google Scholar]






| Parameter | R (Ω/km) | L (mH/km) | C (μF/km) |
|---|---|---|---|
| Positive sequence | 0.0705 | 1.274 | 0.0086 |
| Negative sequence | 0.323 | 3.822 | 0.00605 |
| Fault Types | Fault Distance (km) | K2 | Result |
|---|---|---|---|
| AG | 20 | 6.97 | I.F. |
| 50 | 5.31 | I.F. | |
| 80 | 4.02 | I.F. | |
| 125 | 2.55 | I.F. | |
| 170 | 1.50 | I.F. | |
| 190 | 1.21 | I.F. | |
| 210 | 0.82 | E.F. | |
| 225 | 0.51 | E.F. | |
| 240 | 0.28 | E.F. | |
| Backward | 0.98 | E.F. | |
| BC | 20 | 7.08 | I.F. |
| 50 | 3.43 | I.F. | |
| 80 | 4.13 | I.F. | |
| 125 | 2.66 | I.F. | |
| 170 | 1.56 | I.F. | |
| 190 | 1.17 | I.F. | |
| 210 | 0.79 | E.F. | |
| 225 | 0.59 | E.F. | |
| 240 | 0.30 | E.F. | |
| Backward | 0.94 | E.F. | |
| CAG | 20 | 7.34 | I.F. |
| 50 | 5.72 | I.F. | |
| 80 | 4.42 | I.F. | |
| 125 | 2.89 | I.F. | |
| 170 | 1.71 | I.F. | |
| 190 | 1.27 | I.F. | |
| 210 | 0.86 | E.F. | |
| 225 | 0.58 | E.F. | |
| 240 | 0.32 | E.F. | |
| Backward | 0.88 | E.F. |
| Fault Types | Transition Resistance | K2 | Result |
|---|---|---|---|
| AG | 5 | 2.58 | I.F. |
| 25 | 2.63 | I.F. | |
| 50 | 2.65 | I.F. | |
| 75 | 2.65 | I.F. | |
| 100 | 2.68 | I.F. | |
| CAG | 5 | 2.92 | I.F. |
| 25 | 2.84 | I.F. | |
| 50 | 2.75 | I.F. | |
| 75 | 2.78 | I.F. | |
| 100 | 2.79 | I.F. |
| Fault Types | Fault Distance (km) | Fault Time (s) | K2 | Result |
|---|---|---|---|---|
| AG | 125 | 3.005 | 2.82 | I.F. |
| 3.010 | 2.56 | I.F. | ||
| 3.015 | 2.80 | I.F. | ||
| 225 | 3.005 | 0.58 | E.F. | |
| 3.010 | 0.51 | E.F. | ||
| 3.015 | 0.58 | E.F. |
Disclaimer/Publisher’s Note: The statements, opinions and data contained in all publications are solely those of the individual author(s) and contributor(s) and not of MDPI and/or the editor(s). MDPI and/or the editor(s) disclaim responsibility for any injury to people or property resulting from any ideas, methods, instructions or products referred to in the content. |
© 2024 by the authors. Licensee MDPI, Basel, Switzerland. This article is an open access article distributed under the terms and conditions of the Creative Commons Attribution (CC BY) license (https://creativecommons.org/licenses/by/4.0/).
Share and Cite
Wang, H.; Li, X.; Dong, X.; Jiang, X. A Backup Protection Based on Compensated Voltage for Transmission Lines Connected to Wind Power Plants. Electronics 2024, 13, 743. https://doi.org/10.3390/electronics13040743
Wang H, Li X, Dong X, Jiang X. A Backup Protection Based on Compensated Voltage for Transmission Lines Connected to Wind Power Plants. Electronics. 2024; 13(4):743. https://doi.org/10.3390/electronics13040743
Chicago/Turabian StyleWang, Hao, Xiaopeng Li, Xinzhou Dong, and Xiaofeng Jiang. 2024. "A Backup Protection Based on Compensated Voltage for Transmission Lines Connected to Wind Power Plants" Electronics 13, no. 4: 743. https://doi.org/10.3390/electronics13040743
APA StyleWang, H., Li, X., Dong, X., & Jiang, X. (2024). A Backup Protection Based on Compensated Voltage for Transmission Lines Connected to Wind Power Plants. Electronics, 13(4), 743. https://doi.org/10.3390/electronics13040743
