Control Strategy for Bus Voltage in a Wind–Solar DC Microgrid Incorporating Energy Storage
Abstract
1. Introduction
- The outer voltage loop controller based on LADRC is designed, and the ISM is used to replace the Linear State Error Feedback Law (LSEF), further improving the overall interference immunity of the system;
- An integrated ISMLADRC and MPC control strategy for energy storage converter is proposed, which combines the advantages of three different methods, makes up for the shortcomings of poor control effect when these methods are used alone, and can further enhance the system interference immunity performance;
- In view of the shortcomings of the basic Dung Beetle Optimization Algorithm (DBO) in global search ability and avoiding local optimum traps, this paper uses a variety of strategies to optimize the DBO algorithm to enhance its comprehensive performance;
- To reduce the difficulty of parameter tuning of the ISMLADRC controller and improve its control performance, the IDBO algorithm is used to optimize and adjust the relevant parameters so as to effectively improve response speed and control performance of the system.
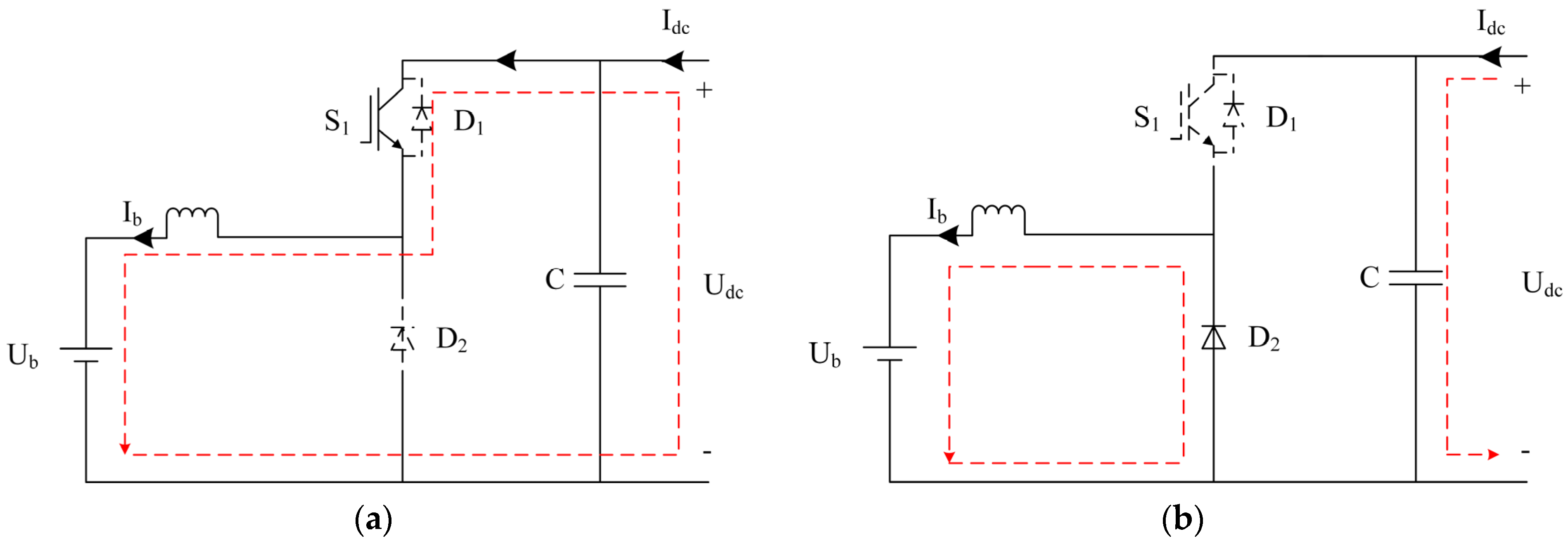
2. DC Microgrid System and Bidirectional DC–DC Converter
2.1. Wind–Solar-Storage DC Microgrid System
2.2. Bidirectional DC–DC Converter
3. Design of Control Strategy for Bidirectional DC–DC Converter of Energy Storage Unit
3.1. Outer Voltage Loop ISMLADRC
3.1.1. LADRC Controller Design
3.1.2. Design of LSEF Based on ISM Control
3.2. Inner Current Loop MPC
4. IDBO
4.1. DBO Algorithm
- (1)
- ball-rolling dung beetle behavior
- (2)
- spawning dung beetle behavior
- (3)
- foraging dung beetle behavior
- (4)
- stealing dung beetle behavior
4.2. DBO Algorithm Improvement Strategy
4.2.1. Fusion of Good Point Set and Elite Opposition-Based Learning to Initialize the Population
- (1)
- good point set
- (2)
- elite opposition-based learning
4.2.2. Adaptive Laplacian Crossover Operator
4.2.3. Double Strategy Random Walk
4.2.4. Adaptive Sine and Cosine Inertia Weighting Strategy
4.2.5. IDBO Algorithm Performance Testing
4.2.6. ISMLADRC Controller Parameters Based on IDBO Optimization
5. Simulation Results and Analysis
5.1. Simulation Analysis Under Load Variation
5.2. Simulation Analysis Under Wind Speed or Light Intensity Changes
5.3. Simulation Analysis Under Simultaneous Changes in Wind Speed, Light Intensity and Load
5.4. Simulation Analysis Under Random Fluctuation of Light Intensity and Wind Speed
6. Experimental Verification
7. Conclusions
Author Contributions
Funding
Data Availability Statement
Conflicts of Interest
Abbreviations
| ISMLADRC | Integral Sliding Mode Linear Active Disturbance Rejection Control |
| LADRC | Linear Active Disturbance Rejection Control |
| MPC | Model Predictive Control |
| IDBO | Improved Dung Beetle Optimization Algorithm |
| PV | Photovoltaic |
| ADRC | Active Disturbance Rejection Control |
| LSEF | Linear State Error Feedback Law |
| LESO | Linear Extended State Observer |
| ISM | Integral Sliding Mode |
| DBO | Dung Beetle Optimization Algorithm |
References
- Bogdanov, D.; Ram, M.; Aghahosseini, A.; Gulagi, A.; Oyewo, A.S.; Child, M.; Caldera, U.; Sadovskaia, K.; Farfan, J.; De Souza Noel Simas Barbosa, L.; et al. Low-cost renewable electricity as the key driver of the global energy transition towards sustainability. Energy 2021, 227, 120467. [Google Scholar] [CrossRef]
- Li, L.; Lin, J.; Wu, N.; Xie, S.; Meng, C.; Zheng, Y.; Wang, X.; Zhao, Y. Review and outlook on the international renewable energy development. Energy Built Environ. 2022, 3, 139–157. [Google Scholar] [CrossRef]
- Sayed, E.T.; Olabi, A.G.; Alami, A.H.; Radwan, A.; Mdallal, A.; Rezk, A.; Abdelkareem, M.A. Renewable Energy and Energy Storage Systems. Energies 2023, 16, 1415. [Google Scholar] [CrossRef]
- Vivas, F.; Segura, F.; Andújar, J.; Calderón, A.; Isorna, F. Battery-based storage systems in high voltage-DC bus microgrids. A real-time charging algorithm to improve the microgrid performance. J. Energy Storage 2022, 48, 103935. [Google Scholar] [CrossRef]
- Rajasekaran, R.; Usha Rani, P. Bidirectional DC-DC converter for microgrid in energy management system. Int. J. Electron. 2021, 108, 322–343. [Google Scholar] [CrossRef]
- Yin, Y.; Mao, J.; Liu, R. Multivariable-Feedback Sliding-Mode Control of Bidirectional DC/DC Converter in DC Microgrid for Improved Stability with Dynamic Constant Power Load. Electronics 2022, 11, 3455. [Google Scholar] [CrossRef]
- Sattianadan, D.; Kumar, G.; Sridhar, R.; Reddy, K.; Reddy, B.; Mamatha, P. Investigation of low voltage DC microgrid using sliding mode control. Int. J. Power Electron. Drive Syst. 2020, 11, 2030. [Google Scholar] [CrossRef]
- Amine, H.M.; Mouaz, A.K.; Messaoud, H.; Othmane, A.; Saad, M. The Impacts of Control Systems on Hybrid Energy Storage Systems in Remote DC-Microgrid System: A Comparative Study between PI and Super Twisting Sliding Mode Controllers. J. Energy Storage 2022, 47, 103586. [Google Scholar] [CrossRef]
- Boujoudar, Y.; Azeroual, M.; Eliysaouy, L.; Bassine, F.; Albarakati, A.; Aljarbouh, A.; Knyazkov, A.; Moussaoui, H.; Lamhamdi, T. Fuzzy logic-based controller of the bidirectional direct current to direct current converter in microgrid. Int. J. Elect. Computer Syst. Eng. 2023, 13, 4789–4797. [Google Scholar] [CrossRef]
- Tiwary, N.; Panda, A.K.; Narendra, A.; Lenka, R.K. A robust voltage control of DAB converter with super-twisting sliding mode approach. IEEE J. Emerg. Sel. Top. Ind. Electron. 2022, 4, 288–298. [Google Scholar] [CrossRef]
- Liu, X.; Suo, Y.; Zhang, Z.; Song, X.; Zhou, J. A New Model Predictive Current Control Strategy for Hybrid Energy Storage System Considering the SOC of the Supercapacitor. IEEE J. Emerg. Sel. Top. Power Electron. 2022, 11, 325–338. [Google Scholar] [CrossRef]
- Wei, L.; Zhou, Z.Y.; Wang, B.Y.; Fang, F. ADRC-based control strategy for DC-link voltage of flywheel energy storage system. Energy Sci. Eng. 2023, 11, 4141–4154. [Google Scholar] [CrossRef]
- Hadero, M.; Khan, B. Development of DC Microgrid Integrated Electric Vehicle Charging Station with Fuzzy Logic Controller. Front. Energy Res. 2022, 10, 922384. [Google Scholar] [CrossRef]
- Liu, S.; Liu, X.; Jiang, S.; Zhao, Z.; Wang, N.; Liang, X.; Zhang, M.; Wang, L. Application of an Improved STSMC Method to the Bidirectional DC–DC Converter in Photovoltaic DC Microgrid. Energies 2022, 15, 1636. [Google Scholar] [CrossRef]
- Alidrissi, Y.; Ouladsine, R.; Elmouatamid, A.; Errouissi, R.; Bakhouya, M. Constant Power Load Stabilization in DC Microgrids Using Continuous-Time Model Predictive Control. Electronics 2022, 11, 1481. [Google Scholar] [CrossRef]
- Zhou, L.; Preindl, M. Variable-switching constant-sampling frequency critical soft switching mpc for dc/dc converters. IEEE Trans. Energy Convers. 2021, 36, 1548–1561. [Google Scholar] [CrossRef]
- Zafari, A.; Azimi, E.; Mehrasa, M.; Hafezi, H.; Seddik, B.; Hosseinzadeh, N. Robust Control and Stable Performance of a Grid-Tied Dumbbell-Type Multilevel Converter Interfaced DG Unit Using Differential Flatness Theory. IEEE Access 2022, 10, 132696–132707. [Google Scholar] [CrossRef]
- Hu, X.; Shao, W.; Cheng, Y.; Zhang, C.; Han, Y. Research on ADRC controller of bidirectional DC–DC converter for MMC-BESS. Energy Rep. 2023, 9, 1627–1636. [Google Scholar] [CrossRef]
- Zhou, X.; Liu, Q.; Ma, Y.; Xie, B. DC-Link Voltage Research of Photovoltaic Grid-Connected Inverter Using Improved Active Disturbance Rejection Control. IEEE Access 2021, 9, 9884–9894. [Google Scholar] [CrossRef]
- Ai, S.; Song, J.; Cai, G. A real-time fault diagnosis method for hypersonic air vehicle with sensor fault based on the auto temporal convolutional network. Aerosp. Sci. Technol. 2021, 119, 107220. [Google Scholar] [CrossRef]
- Zhou, S.; Guo, X.; Zhang, R.; Wang, R.; Li, C. Research on Triple Interleaved Bidirectional DC/DC Converter Based on Second-Order Linear Active Disturbance Rejection. IEEE J. Emerg. Sel. Top. Ind. Electron. 2023, 4, 1074–1083. [Google Scholar] [CrossRef]
- Wang, Y.; Tao, L.; Wang, P.; Ma, X.Y.; Cheng, P.Y.; Zhao, D.F. Improved linear ADRC for hybrid energy storage microgrid output-side converter. IEEE Trans. Ind. Electron. 2021, 69, 9111–9120. [Google Scholar] [CrossRef]
- Zheng, H.; Du, G.; Lei, Y.; Wang, R. Hybrid energy storage bidirectional DC–DC converter based on Hermite interpolation and linear active disturbance rejection control. J. Power Electron. 2023, 23, 959–971. [Google Scholar] [CrossRef]
- Gao, Z.Q. Scaling and bandwidth-parameterization based controller tuning. Art Sci. Feedback Control. 2003, 6, 4989–4996. [Google Scholar]
- Zhang, L.; Li, H.; Shan, L.; Zhang, L.; Zhang, L. Double-Hierarchical Fuzzy Exponential Convergence Law Fractional-Order Sliding Mode Control for PMSM Drive Control in EV. Eng. Sci. Technol. Int. J. 2023, 47, 101536. [Google Scholar] [CrossRef]
- Xue, J.K.; Shen, B. Dung beetle optimizer: A new meta-heuristic algorithm for global optimization. J. Supercomput. 2023, 79, 7305–7336. [Google Scholar] [CrossRef]
- Li, Y.; Zhang, J.; Yan, Y.; Lei, Y.; Yin, C. Enhancing Network Intrusion Detection Through the Application of the Dung Beetle Optimized Fusion Model. IEEE Access 2024, 12, 9483–9496. [Google Scholar] [CrossRef]
- Lu, Z.H.; Zhang, J. An Enhanced Dung Beetle Optimization Algorithm for Global Optimization. Curr. J. Appl. Sci. Technol. 2023, 42, 9–22. [Google Scholar] [CrossRef]
- Zhang, D.; Wang, Z.; Zhao, Y.; Sun, F. Multi-Strategy Fusion Improved Dung Beetle Optimization Algorithm and Engineering Design Application. IEEE Access 2024, 12, 97771–97786. [Google Scholar] [CrossRef]
- Li, M.; Yu, X.; Fu, B.; Wang, X. A modified whale optimization algorithm with multi-strategy mechanism for global optimization problems. Neural Comput. Appl. 2023, 1–14. [Google Scholar] [CrossRef]
- Du, H.R.; Wang, J.X.; Qian, W.J.; Zhang, X.N. An Improved Sparrow Search Algorithm for the Optimization of Variational Modal Decomposition Parameters. Appl. Sci. 2024, 14, 2174. [Google Scholar] [CrossRef]
- Sun, C.J.; Gao, F. A Tent Marine Predators Algorithm with Estimation Distribution Algorithm and Gaussian Random Walk for Continuous Optimization Problems. Comput. Intell. Neurosci. 2021, 2021, 7695596. [Google Scholar] [CrossRef] [PubMed]
- Shi, J.; Mi, Q.; Cao, W.; Zhou, L. Optimizing BLDC motor drive performance using particle swarm algorithm-tuned fuzzy logic controller. SN Appl. Sci. 2022, 4, 293. [Google Scholar] [CrossRef]
- Dogruer, T.; Can, M.S. Design and Robustness Analysis of Fuzzy PID Controller for Automatic Voltage Regulator System Using Genetic Algorithm. Trans. Inst. Meas. Control 2022, 44, 1862–1873. [Google Scholar] [CrossRef]
















| Function | Performance | ITSO | TSO |
|---|---|---|---|
| 30 | [−10, 10] | 0 | |
| 30 | [−1.28, 1.28] | 0 | |
| 30 | [−5.12, 5.12] | 0 | |
| 30 | [−600, 600] | 0 | |
| 4 | [−5, 5] | 0.0003075 |
| Function | Performance | DBO | IDBO |
|---|---|---|---|
| F1 | Mean | 1.0448 × 10−55 | 2.7775 × 10−139 |
| Std | 5.6091 × 10−55 | 1.5056 × 10−139 | |
| Best | 1.6880 × 10−87 | 0 | |
| F2 | Mean | 1.5014 × 10−3 | 1.7409 × 10−4 |
| Std | 1.2216 × 10−3 | 1.4560 × 10−4 | |
| Best | 5.3936 × 10−5 | 6.8145 × 10−6 | |
| F3 | Mean | 0.4313 | 0 |
| Std | 2.3624 | 0 | |
| Best | 0 | 0 | |
| F4 | Mean | 2.8622 × 10−3 | 0 |
| Std | 1.5677 × 10−2 | 0 | |
| Best | 0 | 0 | |
| F5 | Mean | 7.2359 × 10−4 | 3.1171 × 10−4 |
| Std | 3.5491 × 10−4 | 1.2835 × 10−5 | |
| Best | 3.0771 × 10−4 | 3.0749 × 10−4 |
| Control Strategy | t = 1 s | t = 2 s | ||
|---|---|---|---|---|
| Amplitude of Fluctuation (V) | Settling Time (s) | Amplitude of Fluctuation (V) | Settling Time (s) | |
| PI | 9.1 | 0.16 | 1.75 | 0.04 |
| ISMLADRC+PI | 3 | 0.06 | 0.64 | 0.04 |
| IDBO-ISMLADRC+MPC | 0.4 | 0.04 | 0.15 | 0.03 |
| Condition of Operation | Control Strategy | t = 1 s | t = 2 s | ||
|---|---|---|---|---|---|
| Amplitude of Fluctuation (V) | Settling Time (s) | Amplitude of Fluctuation (V) | Settling Time (s) | ||
| Light intensity change | PI | 3.58 | 0.2 | 3.52 | 0.2 |
| ISMLADRC+PI | 2.07 | 0.11 | 2.08 | 0.1 | |
| IDBO-ISMLADRC+MPC | 0.22 | 0.03 | 0.1 | 0.03 | |
| Wind speed changes | PI | 4.56 | 0.16 | 4.52 | 0.12 |
| ISMLADRC+PI | 3.02 | 0.12 | 2.99 | 0.08 | |
| IDBO-ISMLADRC+MPC | 0.34 | 0.03 | 0.3 | 0.02 | |
| Control Strategy | t = 1 s | t = 2 s | ||
|---|---|---|---|---|
| Amplitude of Fluctuation (V) | Settling Time (s) | Amplitude of Fluctuation (V) | Settling Time (s) | |
| PI | 11.45 | 0.16 | 15.58 | 0.2 |
| ISMLADRC+PI | 7.84 | 0.12 | 10.08 | 0.13 |
| IDBO-ISMLADRC+MPC | 0.15 | 0.03 | 0.11 | 0.02 |
Disclaimer/Publisher’s Note: The statements, opinions and data contained in all publications are solely those of the individual author(s) and contributor(s) and not of MDPI and/or the editor(s). MDPI and/or the editor(s) disclaim responsibility for any injury to people or property resulting from any ideas, methods, instructions or products referred to in the content. |
© 2024 by the authors. Licensee MDPI, Basel, Switzerland. This article is an open access article distributed under the terms and conditions of the Creative Commons Attribution (CC BY) license (https://creativecommons.org/licenses/by/4.0/).
Share and Cite
Li, X.; He, Y.; Li, M. Control Strategy for Bus Voltage in a Wind–Solar DC Microgrid Incorporating Energy Storage. Electronics 2024, 13, 5018. https://doi.org/10.3390/electronics13245018
Li X, He Y, Li M. Control Strategy for Bus Voltage in a Wind–Solar DC Microgrid Incorporating Energy Storage. Electronics. 2024; 13(24):5018. https://doi.org/10.3390/electronics13245018
Chicago/Turabian StyleLi, Xianqi, Ye He, and Maojun Li. 2024. "Control Strategy for Bus Voltage in a Wind–Solar DC Microgrid Incorporating Energy Storage" Electronics 13, no. 24: 5018. https://doi.org/10.3390/electronics13245018
APA StyleLi, X., He, Y., & Li, M. (2024). Control Strategy for Bus Voltage in a Wind–Solar DC Microgrid Incorporating Energy Storage. Electronics, 13(24), 5018. https://doi.org/10.3390/electronics13245018
