You are currently viewing a new version of our website. To view the old version click .
Electronics
  • Article
  • Open Access

19 December 2024

An Isolated Modular Multilevel DC Converter with Unipolar-to-Bipolar Conversion

,
,
,
and
1
CSG Electric Power Research Institute, Guangzhou 510663, China
2
Electric Power Science Research Institute of Guangdong Power Grid Co., Ltd., Guangzhou 510530, China
*
Author to whom correspondence should be addressed.

Abstract

Deep-sea offshore wind power generation has gained increasing attention in the past decade. The low cost and high efficiency of the DC grid system make it more competitive when the transmission distance is over 100 km. As the key enabler of the DC grids, DC converters are necessitated to interconnect the DC lines with different voltage levels. Instead of using auxiliary circuits, this paper proposes a low-cost isolated modular multilevel DC converter (IMMDC) with unipolar-to-bipolar conversion topology to fit into the DC grids with different configurations. Moreover, the proposed DC-current-injection-based fault-tolerant scheme can maintain around 50% power transmission capability even under single pole open-circuit fault conditions for a certain period, enhancing the power supply continuity. The modularity and scalability of the proposed IMMDC topology can fit into different DC grid systems. The effectiveness and feasibility of the proposed topology and control strategy are verified using a 50 kV/±300 kV/100 MW MATLAB/Simulink 2022b simulation model.

1. Introduction

The deep-sea offshore wind power projects are gradually increasing to harvest more wind energy resources [1]. Compared to the traditional medium-voltage AC collection/high-voltage AC transmission (MVAC/HVAC) and MVAC collection/HVDC transmission configurations, the MVDC collection/HVDC transmission (MVDC/HVDC) system is more competitive and feasible in applications with a transmission distance above 80 km [2,3]. Since the MVDC/HVDC configuration does not need to consider the reactive power compensation, the corresponding bulky line-frequency transformers and compensation devices can be eliminated to save the system’s cost and volume.
Figure 1 illustrates the basic two-stage voltage step-up topology for the all-DC offshore wind farms. In this scheme, the HVDC transmission system generally adopts the bipolar configuration, effectively reducing the DC line’s insulation level and improving the power supply’s reliability [4,5]. The potential short-circuit fault may threaten the system’s reliable power supply. When a pole-to-ground fault occurs, the healthy pole can maintain half of the power transmission capability. However, it is difficult for DC wind turbines to form a bipolar symmetrical output voltage [6]. In this regard, the DC–DC converter is favoured for the interlinking of unipolar/bipolar systems. Furthermore, this device should have the features of high-voltage sustainability, high-power density, and flexible power-flow controllability to satisfy the demands of the MVDC/HVDC system [7,8,9]. Fault-tolerant operation and fault isolation capabilities are desirable in DC–DC converter to guarantee the continuity of large-scale renewable power transmission.
Figure 1. Future offshore wind DC transmission architecture.
Several solutions are generally considered in the unipolar/bipolar DC grid conversion, including (a) system configuration; (b) input-parallel-output-series (IPOS) topology; (c) integrated-balancing bipolar circuit; and (d) neutral point clamped (NPC) circuit, as shown in Figure 2. Although the power supply continuity can be guaranteed, the neutral point can be created by cascading two converters at the cost of high initial investment and bulky volume. The IPOS structure is another candidate solution for achieving power transmission between DC grids with unipolar and bipolar configurations. In [10,11], an IPOS converter structure was proposed based on the dual active bridge (DAB) modules. However, due to the large number of isolated transformers in this topology, the insulation design and heat dissipation requirements are more rigorous. A triple-active-bridge converter associated with a multi-winding transformer was introduced in [12] to create a bipolar port with less active components. Unlike the topology presented in [12], a BiSAB converter with a semiactive rectifier was proposed to save the system’s cost [13]. These two solutions are specially designed for low-voltage (LV) microgrids. Reference [14] presented another IPOS approach using two modular multilevel DC converters (MMDCs) to achieve unipolar-to-bipolar power conversion. Notably, current- and voltage-sharing issues always challenge the IPOS’s normal operation with either the DAB or the MMDC topologies [15]. To prevent current- and voltage-sharing issues, another method based on the isolated MMDC converter with a central-tap was proposed for unipolar-to-bipolar conversion [16]. However, the square-wave modulation will result in a large dv/dt and high-order harmonic content on its AC side.
Figure 2. Existing solutions for unipolar-to-bipolar power conversion. (a) system configuration with two sets of converters; (b) IPOS topology; (c) integrated-balancing bipolar circuit; (d) neutral point clamped (NPC) circuit.
The integrated-balancing bipolar circuit can also realize the unipolar/bipolar conversion and maintain the pole-to-ground voltage balance by adding an extra power electronic circuit [17,18]. So far, this type of circuit is generally utilized in microgrid applications. Additionally, the extra circuit increases the MVDC/HVDC system’s cost and size, which is unfavourable in offshore wind power scenarios. The NPC topology inherits a neutral point, which can be directly used for the unipolar/bipolar conversion [19]. Nonetheless, the NPC topology cannot sustain the voltage stress in the offshore wind collection system. In addition, the complicated mid-point voltage balance scheme hinders the NPC’s application.
This paper aims to propose an isolated modular multilevel DC converter (IMMDC) to interconnect the unipolar MVDC and bipolar HVDC grids. Compared to the solution with an integrated-balancing bipolar circuit, the proposed topology does not require extra DC–DC converters to transfer power between the unipolar and the bipolar DC grids. The control complexity of the proposed topology is not as complicated as those of the IPOS approaches. When a single-pole-open-circuit fault occurs on the bipolar side, the IMMDC with unipolar-to-bipolar conversion can still maintain 50% of the rated power transmission for a short period of time, enhancing the reliability of the power supply. The modular design facilitates the system’s redundancy and fault-tolerance capability, making it more prominent in the MVDC/HVDC unipolar/bipolar conversion application.
This paper is organized as follows: Section 2 demonstrates the normal operation principle and the system characteristic analysis of the IMMDC under different conditions; Section 3 describes the detailed basic control strategy and the proposed fault-tolerant scheme of the IMMDC; Section 4 verifies the feasibility and effectiveness of the IMMDC topology and the DC-current-injection-based fault-tolerant scheme through a 50 kV/±300 kV/100 MW MATLAB/Simulink model; and Section 5 summarizes this paper.

2. Topology and Operation Principle

2.1. Topology

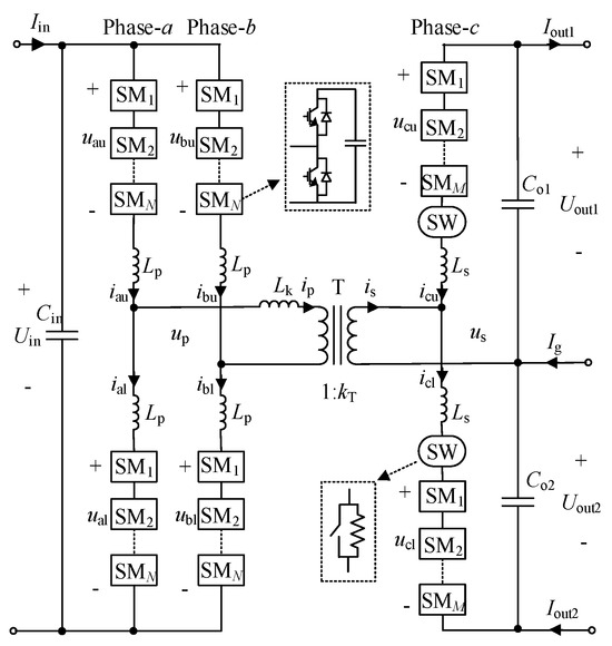
The proposed IMMDC topology is depicted in Figure 3, specially designed for the offshore wind power HVDC transmission system with different voltage levels and configurations. In this topology, an H-bridge MMC structure forms on its unipolar (primary) side, and the bipolar (secondary) side contains a half-bridge MMC structure. Each arm on the primary side comprises N full-bridge submodules (SMs) and an arm inductor. The counterpart of the secondary side consists of M half-bridge SMs, an arm inductor, and a SW valve connected in series. The valve is composed of a mechanical switch and a current-limiting resistor. When the bipolar side operates symmetrically, the mechanical switch is turned on, and the current limiting resistance is bypassed. The neutral line of the bipolar side is drawn from the point between the two output capacitors.
Figure 3. Topology of IMMDC with unipolar-to-bipolar conversion.

2.2. Symmetrical Operation Principle

Assuming power is transferred from the MVDC side (primary side) to the HVDC side (secondary side). According to the basic working principle of the MMC, the AC voltages of the primary and secondary sides of the IMMDC can be expressed as follows:
u p = 1 2 ( u al u au ) ( u bl u bu ) L p d i p d t u s = 1 2 ( u cl u cu ) 1 2 L s d i s d t
where ip and is are the primary and secondary ac currents; uxu and uxl (x = a, b, c) are the transient input upper and lower arm voltages of each phase unit; Lp and Ls are the primary- and secondary-side arm inductors.
Figure 4 shows the relevant waveforms of the IMMDC under symmetrical operation. In Figure 4a,b, the waveforms of Sau,j and Sal,j (j = 1, …, N) are the switching signals of Phase-a upper and lower arms j-th submodule. The upper and lower arm voltages of Phase-a are depicted in Figure 4c and d, respectively. Under this condition, the positive voltage Uout1 equals to the negative voltage Uout2. In the quasi-two-level modulation strategy, the upper and lower arms of the MMCs on both primary and secondary sides adopt complementary switching, and the AC voltage magnitudes are equal to that of the DC voltage. The primary- and secondary-side AC voltages, up and us, are shown in Figure 4e and f, respectively. Similar to the DAB converter, the ratio of the phase shift angle φ between the AC voltages of the primary and secondary sides to π is defined as the power-shift ratio dφ, and Th is half of an operation cycle. The transmission power P is controlled by adjusting the power-shift ratio dφ. Figure 4g illustrates the AC current of the transformer.
Figure 4. Key waveforms of the IMMDC with unipolar-to-bipolar conversion under symmetrical operation. (a) Switching signals of Phase-a upper arm submodules; (b) Switching signals of Phase-a lower arm submodules; (c) Phase-a upper arm voltage; (d) Phase-a lower arm voltage; (e) Primary-side AC voltage of the MFT; (f) Secondary-side AC voltage of the MFT; (g) Current of the MFT.

2.3. Asymmetrical Operation Principle

When the converter operates under a symmetrical state, the neutral line current Ig of the IMMDC is zero. If one pole fails on the bipolar side, Ig will rise above zero. Ig will flow through the secondary winding of the isolation transformer, and the excitation current will increase significantly. Under this condition, the DC bias current will flow through the isolated transformer, deteriorating the normal operation of the IMMDC. To compensate for the DC bias current, a DC current with a value of kTIg can be injected into the primary winding of the isolation transformer, where the unbalanced DC flux of the isolation transformer will be restored [20].
Based on the superposition principle, the arm voltage equals the sum of the DC and AC components, where the DC component is half of the arm voltage magnitude.
u xu = U xu , dc + u xu , ac = 1 2 U xu + u xu , ac u xl = U xl , dc + u xl , ac = 1 2 U xl + u xl , ac
Here, Uxu and Uxl are the magnitudes of the upper and lower arm voltages.
According to Equations (1) and (2), the DC component Up,dc of AC voltage on the primary side is
U p , dc = ( U al , dc U au , dc ) ( U bl , dc U bu , dc ) 2 = ( U al U au ) ( U bl U bu ) 4
From Equation (3), when (UalUau) is greater than (UblUbu), a positive DC voltage component can be added to up. Similarly, when (UalUau) is smaller than (UblUbu), a negative DC voltage component will be injected on up of the primary side. The arm inductances are used as an energy-storage element to inject AC current into the upper and lower arms, creating a power exchange path for the arm voltage amplitude adjustment.
Figure 5 shows the modulation method of the IMMDC under asymmetric operation. To simplify the analysis, the phase shifts between the SMs’ gating signals are not considered. Moreover, a single drive signal is applied to represent the switching operation of each arm. Here, γ denotes the phase shift angle between the gating signals of the upper and lower arms in the same phase. The inter-arm shift ratio dγ is defined as the ratio between γ and π. The exchanged power between the upper and lower arms is controlled by adjusting dγ. The gating signals of the upper and lower arms are denoted as Sxu and Sxl (x = a, b), respectively. Sau (Sbl) and Sal (Sbu) operate complementary. When Sau (Sbl) leads Sau (Sbl), dγ is defined as greater than zero. When Sau (Sbl) leads Sau (Sbl), dγ is defined as smaller than zero. In Figure 5, ica and icb are the AC currents between the arms induced by the shift angle γ.
Figure 5. Unipolar side modulation strategy under asymmetric operating conditions. (a) Injected forward DC current component. (b) Injected reverse DC current component.
When the negative pole of the HVDC bus fails, an offset positive DC current appears in the secondary-side AC current. A positive inter-arm shift ratio dγ will be injected to generate a positive DC component into the AC current on the primary side, such that the magnetic flux imbalance of the isolation transformer can be eliminated. In this regard, the power is transferred from the upper arm to the lower arm in Phase-a, where Ual is greater than Uau. Meanwhile, the power in Phase-b moves from the lower arm to the upper one, where Ubl is smaller than Ubu. The voltage and current waveforms of the upper arm of Phase-a and the lower arm of Phase-b are consistent with those of the lower arm of Phase-a and the upper arm of Phase-b. According to Equation (3), the DC component of the AC voltage on the primary side is
U p , dc = 1 2 ( U al U au )
Here, Phase-a is taken as an example for analysis simplification. Under asymmetric operation, the upper and lower arm voltages of Phase-a are
U au = U in + Δ U U al = U in Δ U
where Uin is the DC voltage of the unipolar side; ΔU is the increment of the magnitude of the Phase-a arm voltage caused by the phase shift angle γ.
According to Equations (4) and (5), the DC component of the primary AC voltage Up,dc of the isolation transformer equals to the change in the magnitude of the Phase-a arm voltage ΔU.
Considering the power transmission expressions of the DAB converter [21,22], the power transmitted between the upper and lower arms is
P arm = U au U al d γ ( 1 d γ ) 16 f L p
where f is the switching frequency.
Since the injected DC current should be kTIg, the DC component of the lower arm current of Phase-a is around zero, and the power exchanged between the arms approximates P/4. The following relationship can be obtained.
P 4 P arm P = U in I in = U in k T I g Δ U = U p , dc = k T I g R T
where RT is the leakage resistance of the isolation transformer, and Iin is the DC current on the unipolar side.
From Equations (4)–(7), the relationship between the inter-arm shift ratio dγ and the neutral line current Ig of the IMMDC under asymmetric operation can be gained.
d γ 1 2 1 4 4 k T U in I g f L p U in 2 k T 2 I g 2 R T 2
In addition, to prevent the overcurrent issue that happened in the upper arm of Phase-a (the lower arm of Phase-b) and restrict the power of the healthy pole within its rated value, the power-shift ratio dφ should be adjusted immediately to half of the transmission power P under symmetrical operation when a pole-to-ground short-circuit fault occurs on the secondary side of the isolation transformer.
As shown in Figure 3, the capacitances of the output capacitors Co1 and Co2 are both C. According to Kirchhoff’s current law and the state equation of the capacitor, the following equation can be attained.
i s I g = C d u co 1 d t C d u co 2 d t
where uco1 and uco2 are the voltages of the output capacitors Co1 and Co2, respectively.
During (t1~t2), Equation (10) can be derived according to the flux balance of the isolation transformer after the failure of the negative pole, where is does not contain a DC component.
u C o 1 u C o 2 = 1 C t 1 t 2 ( i s I g ) d t < 0
Since the output capacitor Co1 is always connected to the grid, uCo1 can be considered unchanged. As a result, the capacitor voltage uco2 of Co2 will rise. When the system enters the new steady state, the DC component of is equals Ig. Hence,
u C o 1 u C o 2 = 1 C t 2 ( i s I g ) d t = 0
In other words, the voltage over Co2 (uCo2) will no longer increase during the steady state. The average values of uCo1 and uCo2 are not equal as well, leading to the difference in voltage magnitude of the upper and lower arms of Phase-c. Moreover, the reactive circulation current will be introduced between the upper and lower arms, increasing the current stress of the arms [23]. Therefore, when the negative pole of the secondary side is disconnected, the Phase-c lower arm’s mechanical switch inside the SW valve will be turned off, and the current limiting resistor will be inserted to stop the capacitor Co2 from charging. Thus, the arm current can be effectively suppressed.

3. Control Strategy

Figure 6 depicts the control diagram of the IMMDC, containing four parts: (1) transmission power controller; (2) magnetic balance controller; (3) arm submodule capacitor voltage balance control; and (4) quasi two-level modulation. The transmission power controller tracks the transmission power reference value Pref. The power-shift ratio dφ is obtained from the PI controller, shifting the phase of the gating signals of the switching devices in the SMs of the Phase-c arms. is and ip are sampled and compared to calculate the magnetizing current im. The actual im will be compared with zero to obtain the input signal of another PI controller, such that the corresponding inter-arm shift ratio dγ of Phase-a and b can be obtained. The quasi-two-level modulation can add a small phase shift between the adjacent gating signals in the same arm to regulate the dv/dt on both the primary and secondary sides of the isolation transformer. The SM capacitor voltage balance control has been well developed in [24,25], which will be discussed in detail in this paper.
Figure 6. System-level control block diagram of the IMMDC with unipolar-to-bipolar conversion.

4. The Analysis of Simulation Results

The control strategy’s effectiveness and feasibility of the IMMDC are verified through a MATLAB/Simulink simulation model which considers symmetric and asymmetric operation conditions. The relevant simulation parameters are listed in Table 1.
Table 1. Simulation parameters of IMMDC with unipolar-to-bipolar conversion.
Two scenarios are considered to verify the effectiveness and feasibility of the proposed topology and corresponding control schemes: (1) normal condition with 100 MW transmission power and (2) negative pole open-circuit fault. Figure 7 illustrates the corresponding transmission power of the proposed IMMDC. The subfigures are labelled as (a)–(c), where Figure 7a presents the input port active power, and Figure 7b,c show the power transferred by the positive and negative poles, respectively. Before the fault is triggered, the power can be transferred normally from the unipolar side to the bipolar side. The fault is set at 0.8 s. After 0.8 s, the fault-tolerant control strategy is activated to generate the desirable injected DC current. Under this condition, the negative pole cannot maintain its power-transfer capability, where the curve drops from 50 MW to 0 MW, as shown in Figure 7c. Owing to the proposed fault-tolerant scheme, the power on the positive pole drops from 50 MW to 25 MW rapidly and then gradually restores to 50 MW, as illustrated in Figure 7b. Accordingly, the total transmission power P decreases from 100 MW to 50 MW, as depicted in Figure 7a.
Figure 7. Changes in the waveforms of transmission power.
Figure 8 illustrates the Phase-a arm voltages of the primary side. The arm voltages operate complimentarily before the fault is tripped, where Uau equals Ual. After the fault occurs at 0.8s, a phase shift dγTh between the upper and lower arm of Phase-a is introduced according to the proposed fault-tolerant scheme. In Figure 8, a slight distortion can be found in the upper arm voltage after the fault occurrence due to the unbalanced magnetic flux of the MFT. Under this condition, the upper arm voltage Uau is slightly larger than the counterpart Ual of the lower arm.
Figure 8. The waveform of the arm voltage changes in Phase-a.
Figure 9 and Figure 10 show the waveforms of the Phase-a and Phase-c arm currents before and after the negative pole open-circuit fault. In Figure 9, the subfigures (a) and (b) represent the upper and lower arm currents of Phase-a. Their corresponding zoomed-in details are depicted at the bottom of Figure 9. Before the disconnection, the rising and falling edges of the primary-side AC side voltage are (N + 1) level staircase waves, and the primary- and secondary-side AC currents do not contain DC components. The lower arm current of Phase-a drops to zero after the negative pole’s disconnection with certain spikes at the rising and falling edges of the upper arm current. The trapezoidal current waveform of the upper arm is slightly changed owing to the proposed fault-tolerant scheme. In Figure 10, the upper and lower arm currents of Phase-c are displayed with the zoomed-in waveforms. Before the fault is tripped, the currents of the upper and lower arms operate under a balanced condition. After the fault occurs, the current of the lower arm drops to zero owing to the negative pole open-circuit failure. Unlike the negative pole current, the counterpart of the positive pole is deteriorated after 0.8 s for a short period, and then it is restored back to a quasi-balanced condition due to the activation of the proposed fault-tolerant scheme. After the disconnection, the arm currents of Phase-c are limited within the tolerable range of the current limiting resistance.
Figure 9. The waveform of the arm current changes in Phase-a.
Figure 10. The waveform of the arm current changes in Phase-c.
Figure 11 illustrates the voltage and current waveforms of the isolation transformer’s AC side before and after the disconnection of the negative pole. Before the disconnection, the rising and falling edges of the primary-side AC side voltage are (N + 1) level staircase waves, and the primary and secondary-side AC currents do not contain DC components. After the negative pole disconnection, the rising and falling edges of the primary AC side voltage comprise (2N + 1) levels, where DC components appear in the primary and secondary AC side currents.
Figure 11. Waveforms of the AC voltage and current changes on the primary and secondary sides.
Generally, the volume and weight of the DC–DC step-up converter for offshore wind power generation should be carefully considered since these criteria play a critical role in the entire system cost. Compared to the other possible solutions, the simulation results indicate that the proposed IMMDC can realize the unipolar-to-bipolar power conversion under normal conditions by using a single-phase converter with a modular multilevel converter structure, significantly saving the system’s cost, volume, and weight. Moreover, the IMMDC can tolerate the single pole open-circuit and keep around 50% of its power-transfer capability without shutting down the whole system. On the contrary, the other existing approaches cannot maintain their power supply during fault conditions.

5. Conclusions

This paper proposes an IMMDC for interlinking DC grids with unipolar and bipolar configurations in large-scale offshore wind power transmission applications. The topology and control of the IMMDC are simpler than the traditional solution with two sets of converters. Although it shares almost the same circuit elements, the proposed device is more competitive than the IPOS topology regarding the total cost and volume while considering the insulation and breakdown issues. Moreover, the fault-tolerant strategy can maintain half of the power transmission capability for a certain period, improving the reliability and power supply continuity of the system. It should be noted that the proposed topology and fault-tolerant scheme are tested via simulation verification. To further explore the grid-side influence introduced by the device’s operation mode switching, future research will be conducted for the analysis of stability based on the methods presented in [26,27,28]. Moreover, a scale-down experimental prototype will be built and cooperates with the P-HIL platform to investigate the effectiveness and transient stability of the IMMDC and the proposed fault-tolerant scheme.

Author Contributions

Conceptualization, H.C., R.A. and J.Y.; methodology, H.C., J.Y. and H.G.; software, H.G. and Z.Z.; validation, H.G. and Z.Z.; investigation, H.C. and R.A.; resources, H.C.; data curation, Z.Z.; writing—original draft preparation, H.C. and H.G.; writing—review and editing, J.Y. and Z.Z.; supervision, H.C. and J.Y.; funding acquisition, R.A. All authors have read and agreed to the published version of the manuscript.

Funding

This work was supported by Science and Technology Project of China Southern Power Grid, grant number GDKJXM20222204. The APC was funded by Science and Technology Project of China Southern Power Grid, grant number GDKJXM20222204.

Data Availability Statement

Research data are unavailable due to privacy policy.

Acknowledgments

Thanks for the great support is given to Electric Power Science Research Institute of Guangdong Power Grid Co., Ltd. & CSG Electric Power Research Institute for providing funding and the hardware platform which is required for this research work.

Conflicts of Interest

Authors Haiqing Cai and Haohan Gu were employed by the company CSG Electric Power Research Institute, authors Jingpeng Yue, Ranran An and Zihan Zhang were employed by the company Electric Power Science Research Institute of Guangdong Power Grid Co., Ltd. The remaining authors declare that the research was conducted in the absence of any commercial or financial relationships that could be construed as a potential conflict of interest.

References

  1. Fu, Y.; Liu, Y.; Huang, L.; Ying, F.; Li, F. Collection System Topology for Deep-Sea Offshore Wind Farms Considering Wind Characteristics. IEEE Trans. Energy Convers. 2022, 37, 631–642. [Google Scholar] [CrossRef]
  2. Timmers, V.; Egea-Àlvarez, A.; Gkountaras, A.; Li, R.; Xu, L. All-DC offshore wind farms: When are they more cost-effective than AC designs? IET Renew. Power Gener. 2023, 17, 2458–2470. [Google Scholar] [CrossRef]
  3. Lakshmanan, P.; Sun, R.; Liang, J. Electrical collection systems for offshore wind farms: A review. CSEE J. Power Energy Syst. 2021, 7, 1078–1092. [Google Scholar] [CrossRef]
  4. MacIver, C.; Bell, K.R.W.; Nedić, D.P. A Reliability Evaluation of Offshore HVDC Grid Configuration Options. IEEE Trans. Power Deliv. 2016, 31, 810–819. [Google Scholar] [CrossRef]
  5. Liang, J.; Jing, T.; Gomis-Bellmunt, O.; Ekanayake, J.; Jenkins, N. Operation and Control of Multiterminal HVDC Transmission for Offshore Wind Farms. IEEE Trans. Power Deliv. 2011, 26, 2596–2604. [Google Scholar] [CrossRef]
  6. Alhurayyis, I.; Elkhateb, A.; Morrow, J. Isolated and Nonisolated DC-to-DC Converters for Medium-Voltage DC Networks: A Review. IEEE J. Emerg. Sel. Top. Power Electron. 2021, 9, 7486–7500. [Google Scholar] [CrossRef]
  7. Yang, W.; Ma, J.; Zhu, M.; Hu, C. Open-Circuit Fault Diagnosis and Tolerant Method of Multiport Triple Active-Bridge DC-DC Converter. IEEE Trans. Ind. Appl. 2023, 59, 5473–5487. [Google Scholar] [CrossRef]
  8. Hang, J.; Ge, C.; Ding, S.; Li, W.; Huang, Y.; Hua, W. A Global State Observer-Based Open-Switch Fault Diagnosis for Bidirectional DC–DC Converters in Hybrid Energy Source System. IEEE Trans. Power Electron. 2023, 38, 13085–13098. [Google Scholar] [CrossRef]
  9. Khan, S.S.; Wen, H.; Shi, H.; Hu, Y.; Jiang, L.; Chen, G. Multiple Open-Circuit Fault Detection and Isolation Using Universal Low-Cost Diagnosis Circuits for Reconfigurable Dual-Active-Bridge Converters. IEEE Trans. Power Electron. 2023, 38, 6504–6521. [Google Scholar] [CrossRef]
  10. Zhu, H.; Zhu, M.; Zhang, J.; Cai, X.; Dai, N. Topology and operation mechanism of monopolarto-bipolar DC-DC converter interface for DC grid. In Proceedings of the 2016 IEEE 8th International Power Electronics and Motion Control Conference (IPEMC-ECCE Asia), Hefei, China, 22–26 May 2016; pp. 3728–3733. [Google Scholar]
  11. Byun, H.-J.; Kim, S.-H.; Kim, S.-H.; Yi, J.; Won, C.-Y. Input-Series-Output-Parallel DAB Converter on Energy Storage System for Voltage Balancing Strategy in Bipolar DC Microgrid. In Proceedings of the 2021 24th International Conference on Electrical Machines and Systems (ICEMS), Gyeongju, Republic of Korea, 31 October–3 November 2021; pp. 818–823. [Google Scholar]
  12. Naseem, N.; Cha, H. Triple-Active-Bridge Converter With Automatic Voltage Balancing for Bipolar DC Distribution. IEEE Trans. Power Electron. 2022, 37, 8640–8648. [Google Scholar] [CrossRef]
  13. Chen, Y.; Ma, J.; Zhu, M.; Li, Y. Bipolar Semiactive Bridge Converter With Cross-Cycle Modulation for Resilience Enhancement in Bipolar DC Distribution Systems. IEEE J. Emerg. Sel. Top. Power Electron. 2024, 12, 2406–2418. [Google Scholar] [CrossRef]
  14. Wang, X.; Tang, G.; Wei, X.; Pang, H. Discussion on Isolation Requirement of High Voltage DC/DC Converter for MMC-HVDC Transmission Systems. Autom. Electr. Power Syst. 2017, 41, 172–178. [Google Scholar]
  15. Ma, D.; Chen, W.; Ruan, X. A Review of Voltage/Current Sharing Techniques for Series-Parallel-Connected Modular Power Conversion Systems. IEEE Trans. Power Electron. 2020, 35, 12383–12400. [Google Scholar] [CrossRef]
  16. Zhao, S.; Chen, Y.; Cui, S.; Hu, J. Modular Multilevel DC-DC Converter With Inherent Bipolar Operation Capability for Resilient Bipolar MVDC Grids. CPSS Trans. Power Electron. Appl. 2022, 7, 37–48. [Google Scholar] [CrossRef]
  17. Wang, F.; Lei, Z.; Xu, X.; Shu, X. Topology Deduction and Analysis of Voltage Balancers for DC Microgrid. IEEE J. Emerg. Sel. Top. Power Electron. 2017, 5, 672–680. [Google Scholar] [CrossRef]
  18. Pires, V.F.; Cordeiro, A.; Roncero-Clemente, C.; Rivera, S.; Dragičević, T. DC–DC Converters for Bipolar Microgrid Voltage Balancing: A Comprehensive Review of Architectures and Topologies. IEEE J. Emerg. Sel. Top. Power Electron. 2023, 11, 981–998. [Google Scholar] [CrossRef]
  19. Lee, J.-Y.; Cho, Y.-P.; Jung, J.-H. Single-Stage Voltage Balancer With High-Frequency Isolation for Bipolar LVDC Distribution System. IEEE Trans. Ind. Electron. 2020, 67, 3596–3606. [Google Scholar] [CrossRef]
  20. Kong, X.; Zhang, J.; Zhou, J.; Zang, J.; Wang, J.; Shi, G.; Cai, X. Power and Voltage Control Based on DC Offset Injection for Bipolar Low-voltage DC Distribution System. J. Mod. Power Syst. Clean Energy 2023, 11, 1529–1539. [Google Scholar] [CrossRef]
  21. Mu, S.; Guo, Z.; Luo, Y. Universal Modulation Scheme to Suppress Transient DC Bias Current in Dual Active Bridge Converters. IEEE Trans. Power Electron. 2022, 37, 1322–1333. [Google Scholar] [CrossRef]
  22. Hou, N.; Li, Y.W. Overview and Comparison of Modulation and Control Strategies for a Nonresonant Single-Phase Dual-Active-Bridge DC-DC Converter. IEEE Trans. Power Electron. 2020, 35, 3148–3172. [Google Scholar] [CrossRef]
  23. Sun, C.; Zhang, J.; Cai, X.; Shi, G. Analysis and Arm Voltage Control of Isolated Modular Multilevel DC–DC Converter with Asymmetric Branch Impedance. IEEE Trans. Power Electron. 2017, 32, 5978–5990. [Google Scholar] [CrossRef]
  24. Shao, S.; Jiang, M.; Zhang, J.; Wu, X. A Capacitor Voltage Balancing Method for a Modular Multilevel DC Transformer for DC Distribution System. IEEE Trans. Power Electron. 2018, 33, 3002–3011. [Google Scholar] [CrossRef]
  25. Sun, C.; Mou, Y.; Zhang, J.; Zhu, M.; Cai, X. Cell voltage balancing control of isolated modular multilevel using inter-submodule phase-shift modulation scheme. In Proceedings of the 2016 IEEE 11th Conference on Industrial Electronics and Applications (ICIEA), Hefei, China, 5–7 June 2016; pp. 1090–1094. [Google Scholar]
  26. Han, H.; Li, Q.; Li, Q. Frequency Support Control of Multi-Terminal Direct Current System Integrated Offshore Wind Farms Considering Direct Current Side Stability. Electronics 2023, 12, 3029. [Google Scholar] [CrossRef]
  27. Lin, C.; Ge, X.; Wang, H.; Meng, X.; Mu, J.; Liu, Z. Low-Frequency Stability Analysis of Train-Grid System: A Perspective From DAB Converter. IEEE Trans. Power Electron. 2024, 39, 9066–9071. [Google Scholar] [CrossRef]
  28. Meng, X.; Hu, G.; Liu, Z.; Wang, H.; Zhang, G.; Lin, H.; Sadabadi, M.S. Neural Network-Based Impedance Identification and Stability Analysis for Double-Sided Feeding Railway Systems. IEEE Trans. Transp. Electrif. 2024, peer-review. [Google Scholar] [CrossRef]
Disclaimer/Publisher’s Note: The statements, opinions and data contained in all publications are solely those of the individual author(s) and contributor(s) and not of MDPI and/or the editor(s). MDPI and/or the editor(s) disclaim responsibility for any injury to people or property resulting from any ideas, methods, instructions or products referred to in the content.

Article Metrics

Citations

Article Access Statistics

Multiple requests from the same IP address are counted as one view.