Digital Twin-Based Smart Feeding System Design for Machine Tools
Abstract
1. Introduction
2. Literature Review
2.1. Manufacturing Execution System
2.2. Digital Twin
3. Methodology
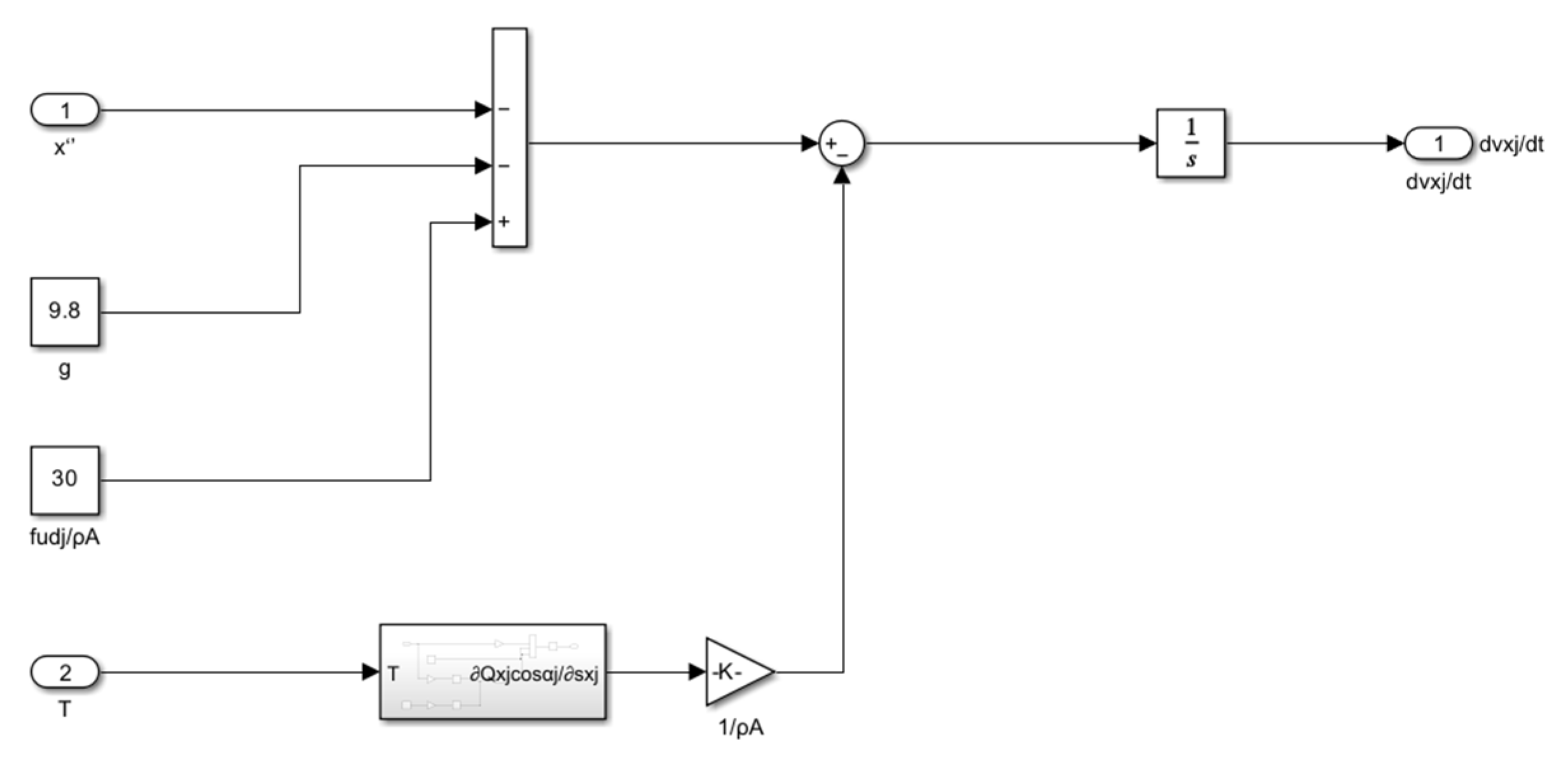
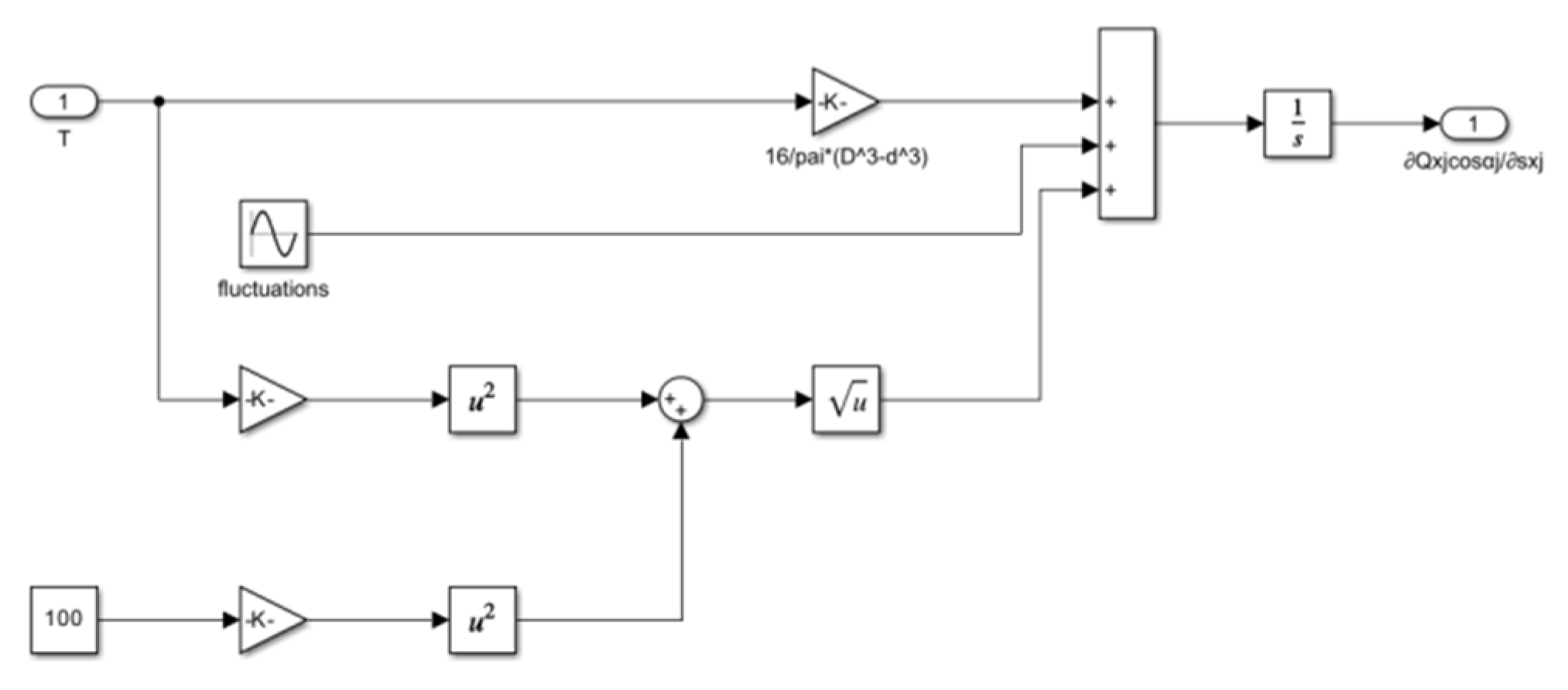
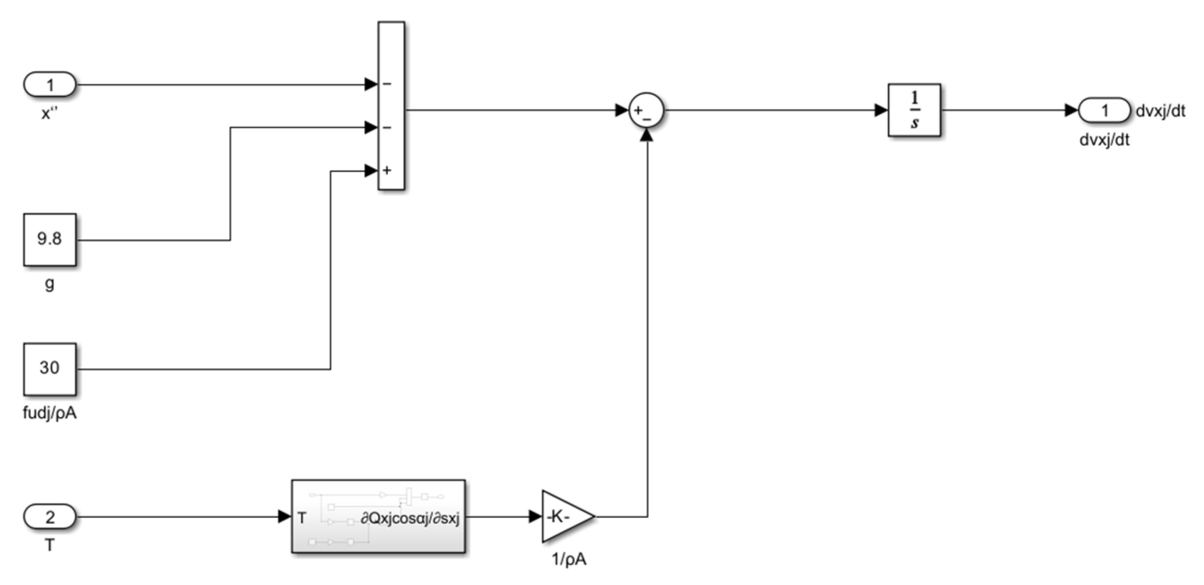
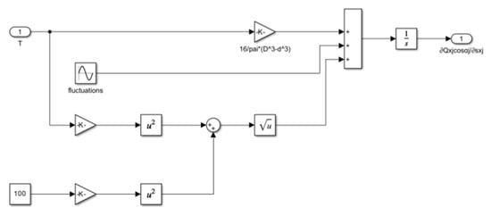
3.1. Mathematical Model Construction
3.2. System Workflow/Design
4. Validation
5. Conclusions
Author Contributions
Funding
Data Availability Statement
Acknowledgments
Conflicts of Interest
References
- Patel, D.R.; Oza, A.D.; Kumar, M. Integrating intelligent machine vision techniques to advance precision manufacturing: A comprehensive survey in the context of mechatronics and beyond. Int. J. Interact. Des. Manuf. 2024, 18, 3571–3582. [Google Scholar] [CrossRef]
- Tekinerdogan, B.; Verdouw, C. Systems Architecture Design Pattern Catalog for Developing Digital Twins. Sensors 2020, 20, 5103. [Google Scholar] [CrossRef] [PubMed]
- Porter, M.E.; Heppelmann, J.E. How Smart, Connected Products Are Transforming Competition. Harv. Bus. Rev. 2014, 92, 64–88. Available online: https://hbr.org/2014/11/how-smart-connected-products-are-transforming-competition (accessed on 2 October 2024).
- Kim, D.; Lee, J. A Review of Physics Informed Neural Networks for Multiscale Analysis and Inverse Problems. Multiscale Sci. Eng. 2024, 6, 1–11. [Google Scholar] [CrossRef]
- Ma, L.; Zhang, Q.; Wang, T.; Wu, X.; Liu, J.; Jiang, W. Mixture Basis Function Approximation and Neural Network Embedding Control for Nonlinear Uncertain Systems with Disturbances. Mathematics 2023, 11, 2823. [Google Scholar] [CrossRef]
- Singh, S.P.; Solanki, A. Modelling of Virtual Worlds Using the Internet of Things, 1st ed.; Singh, S.P., Solanki, A., Eds.; CRC Press: Boca Raton, FL, USA, 2024. [Google Scholar] [CrossRef]
- Potekhin, V.V.; Bahrami, A.; Katalinič, B. Developing manufacturing execution system with predictive analysis. IOP Conf. Ser. Mater. Sci. Eng. 2020, 966, 012117. [Google Scholar] [CrossRef]
- Li, R.; Wang, X.; Wang, Z.; Zhu, Z.; Liu, Z. Multistage Quality Prediction Using Neural Networks in Discrete Manufacturing Systems. Appl. Sci. 2023, 13, 8776. [Google Scholar] [CrossRef]
- Mumali, F. Artificial neural network-based decision support systems in manufacturing processes: A systematic literature review. Comput. Ind. Eng. 2022, 165, 107964. [Google Scholar] [CrossRef]
- Thelen, A.; Zhang, X.; Fink, O.; Lu, Y.; Ghosh, S.; Youn, B.D.; Todd, M.D.; Mahadevan, S.; Hu, C.; Hu, Z. A comprehensive review of digital twin—part 1: Modeling and twinning enabling technologies. Struct. Multidiscip. Optim. 2022, 65, 354. [Google Scholar] [CrossRef]
- Link, P.; Penter, L.; Rückert, U.; Klingel, L.; Verl, A.; Ihlenfeldt, S. Real-time quality prediction and local adjustment of friction with digital twin in sheet metal forming. Robot. Comput. Integr. Manuf. 2025, 91, 102848. [Google Scholar] [CrossRef]
- Wen-Hao, W.; Guo-Bing, C.; Zi-Chun, Y. The Application and challenge of Digital Twin technology in Ship equipment. J. Phys. Conf. Ser. 2021, 1939, 012068. [Google Scholar] [CrossRef]
- Gao, P.; Zhao, S.; Zheng, Y. Failure Prediction of Coal Mine Equipment Braking System Based on Digital Twin Models. Processes 2024, 12, 837. [Google Scholar] [CrossRef]
- Hassani, H.; Khodaygan, S. Reliability-based optimal tolerance design of mechanical systems including epistemic uncertainty. Int. J. Mech. Mater. Des. 2023, 19, 483–500. [Google Scholar] [CrossRef]
- Friction and Wear. In Smithells Metals Reference Book, 8th ed.; Elsevier: Amsterdam, The Netherlands, 2004; pp. 25–26. [CrossRef]
- Vinokur, A.I.; Kulikov, G.B.; Suslov, M.V.; Petrov, V.P.; Bykov, A.L.V.; Litunov, S.N.; Bezzateeva, E.G. Diagnostics of rolling bearings using artificial neural networks. J. Phys. Conf. Ser. 2021, 1901, 012027. [Google Scholar] [CrossRef]
- Wang, T.; Meng, H.; Qin, R.; Zhang, F.; Nandi, A.K. Real-Time Monitoring of Wind Turbine Bearing Using Simple Neural Network on Raspberry Pi. Appl. Sci. 2024, 14, 3129. [Google Scholar] [CrossRef]










| Train Time | 1 | 2 | 3 | 4 | 5 |
| Time | 31:40 | 32:10 | 11:14 | 12:48 | 12:56 |
| Performance | 9.74 × 10−10 | 1.23 × 10−9 | 1.76 × 10−9 | 1.71 × 10−9 | 1.23 × 10−9 |
| Gradient | 2.5 × 106 | 4.65 × 106 | 9.5× 106 | 6.88 × 106 | 1.27 × 106 |
| Mu | 1 × 1011 | ||||
| Train Time | 6 | 7 | 8 | 9 | 10 |
| Time | 12:15 | 11:10 | 06:52 | 13:00 | 11:59 |
| Performance | 1.23× 10−9 | 1.3 × 10−9 | 1.26 × 10−9 | 9.51 × 10−10 | 1.08 × 10−9 |
| Gradient | 2.31 × 106 | 7.64 × 106 | 4.11 × 106 | 2.33× 106 | 2.59× 106 |
| Mu | 1 × 1011 | ||||
Disclaimer/Publisher’s Note: The statements, opinions and data contained in all publications are solely those of the individual author(s) and contributor(s) and not of MDPI and/or the editor(s). MDPI and/or the editor(s) disclaim responsibility for any injury to people or property resulting from any ideas, methods, instructions or products referred to in the content. |
© 2024 by the authors. Licensee MDPI, Basel, Switzerland. This article is an open access article distributed under the terms and conditions of the Creative Commons Attribution (CC BY) license (https://creativecommons.org/licenses/by/4.0/).
Share and Cite
Yuce, B.; Li, H.; Wang, L.; Sucala, V.I. Digital Twin-Based Smart Feeding System Design for Machine Tools. Electronics 2024, 13, 4831. https://doi.org/10.3390/electronics13234831
Yuce B, Li H, Wang L, Sucala VI. Digital Twin-Based Smart Feeding System Design for Machine Tools. Electronics. 2024; 13(23):4831. https://doi.org/10.3390/electronics13234831
Chicago/Turabian StyleYuce, Baris, Haobing Li, Linlin Wang, and Voicu Ion Sucala. 2024. "Digital Twin-Based Smart Feeding System Design for Machine Tools" Electronics 13, no. 23: 4831. https://doi.org/10.3390/electronics13234831
APA StyleYuce, B., Li, H., Wang, L., & Sucala, V. I. (2024). Digital Twin-Based Smart Feeding System Design for Machine Tools. Electronics, 13(23), 4831. https://doi.org/10.3390/electronics13234831

