Study on the Characteristics of Turn-to-Turn Short Circuit Faults in the Primary Windings of the Generator Terminal Voltage Transformer
Abstract
1. Introduction
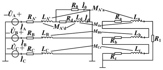
2. Theoretical Analysis of Turn-to-Turn Short Circuit in Generator Terminal Voltage Transformers
3. Verification of Voltage Transformer Simulation Model
3.1. Establishment of the Voltage Transformer Simulation Model
3.2. No-Load Experimental Verification
3.3. Load Experiment Verification
3.4. Short-Circuit Experiment Verification
4. Simulation of Turn-to-Turn Short Circuit on the Primary Side of Three-Phase Voltage Transformer
5. Magnetic Field Analysis
6. Conclusions
Author Contributions
Funding
Data Availability Statement
Conflicts of Interest
References
- Zhang, D.; Sia, S.A.; Solco, S.F.D.; Xu, J.; Suwardi, A. Energy harvesting through thermoelectrics: Topological designs and materials jetting technology. Soft Sci. 2023, 3, 1. [Google Scholar] [CrossRef]
- Wang, C.; Hu, H.; Peng, D.; Dong, L.; Zhu, D. Soft devices empowered by mechanoluminescent materials. Soft Sci. 2023, 3, 39. [Google Scholar] [CrossRef]
- Zhang, H.; Shao, H.; Wang, J. The research on additional errors of voltage transformer connected in series. IEEE Access 2020, 8, 29188–29195. [Google Scholar] [CrossRef]
- Machad, E.; Fernandes, D.; Neve, W. Tuning CCVT frequency response data for improvement of numerical distance protection. IEEE Trans. Power Deliv. 2017, 33, 1062–1070. [Google Scholar] [CrossRef]
- Karaagac, U.; Mahseredjian, J.; Cai, L. Ferroresonance conditions in wind parks. Electr. Power Syst. Res. 2016, 138, 41–49. [Google Scholar] [CrossRef]
- Li, P.; Guo, P. Diagnosis of interturn faults of voltage transformer using excitation current and phase difference. Eng. Fail. Anal. 2021, 134, 105979. [Google Scholar] [CrossRef]
- Xue, S.; Sun, W.; Yang, J.; Gao, F.; Li, Y.; Li, Z. Hidden failure identification and protection of multi-grounding fault in secondary circuit of potential transformer. IEEJ Trans. Electr. Electron. Eng. 2016, 11, 300–307. [Google Scholar] [CrossRef]
- Zhang, C.; Guo, P.; Cheng, C.; He, C.; Pan, L.; Li, H. Detecting breakdowns in capacitor voltage transformers: A knowledge-assisted online approach. Measurement 2024, 226, 114197. [Google Scholar] [CrossRef]
- Wu, H.; Li, Y.; Wang, Z. A novel low-voltage current-limiting control strategy with improved voltage compensation. Energy Rep. 2023, 9, 847–855. [Google Scholar] [CrossRef]
- Sun, Q.; Wu, J.; Gan, C.; Guo, J. Modular full-bridge converter for three-phase switched reluctance motors with integrated fault-tolerance capability. IEEE Trans. Power Electron. 2018, 34, 2622–2634. [Google Scholar] [CrossRef]
- Rovere, L.; Formentini, A.; Calzo, G.; Zanchetta, P.; Cox, T. Zero-sequence voltage elimination for dual-fed common DC-link open-end winding PMSM high-speed starter-generator—Part II: Deadtime hysteresis control of Zero-sequence current. IEEE Trans. Ind. Appl. 2019, 55, 7813–7821. [Google Scholar] [CrossRef]
- Li, J.; Zou, K.; Xing, L. Coarse-to-fine evolutionary search for large-scale multi-objective optimization: An application to ratio error estimation of voltage transformers. Front. Energy Res. 2022, 10, 988772. [Google Scholar] [CrossRef]
- Liu, P.; Huang, C. Detecting single-phase-to-ground fault event and identifying faulty feeder in neutral ineffectively grounded distribution system. IEEE Trans. Power Deliv. 2017, 33, 2265–2273. [Google Scholar] [CrossRef]
- Qi, Y.; Bostanci, E.; Gurusamy, V.; Akin, B. A comprehensive analysis of short-circuit current behavior in PMSM interturn short-circuit faults. IEEE Trans. Power Electron. 2018, 33, 10784–10793. [Google Scholar] [CrossRef]
- Moon, S.; Jeong, H.; Lee, H.; Kim, S. Detection and classification of demagnetization and interturn short faults of IPMSMs. IEEE Trans. Ind. Electron. 2017, 64, 9433–9441. [Google Scholar] [CrossRef]
- Wiszniewski, A.; Solak, K.; Rebizant, W.; Schiel, L. Calculation of the lowest currents caused by turn-to-turn short-circuits in power transformers. Int. J. Electr. Power Energy Syst. 2017, 95, 301–306. [Google Scholar] [CrossRef]
- Pietrowski, W.; Górny, K. Analysis of Torque Ripples of an Induction Motor Taking into Account a Inter-Turn Short-Circuit in a Stator Winding. Energies 2020, 13, 3626. [Google Scholar] [CrossRef]
- Chen, X.; Qin, P.; Chen, Y.; Zhao, J.; Li, W.; Mao, Y.; Zhao, T. Turn-to-turn short circuit fault diagnosis of PMSM. Electronics 2022, 11, 1576. [Google Scholar] [CrossRef]
- Yang, Z.; Chen, Y. Interturn short-circuit fault detection of a five-phase permanent magnet synchronous motor. Energies 2021, 14, 434. [Google Scholar] [CrossRef]
- Mazzoletti, M.; Bossio, G.; De, C.; Espinoza-Trejo, D. A model-based strategy for interturn short-circuit fault diagnosis in PMSM. IEEE Trans. Ind. Electron. 2017, 64, 7218–7228. [Google Scholar] [CrossRef]
- Yuan, Q.; Zafarani, M.; Gurusamy, V.; Akin, B. Advanced Severity Monitoring of Interturn Short Circuit Faults in PMSMs. IEEE Trans. Transp. Electrif. 2019, 5, 395–404. [Google Scholar] [CrossRef]
- Faiz, J.; Keravand, M.; Ghasemi, M.; Cruz, S.; Bandar-Abadi, M. Impacts of rotor turn-to-turn short circuit fault upon performance of wound rotor induction machines. Electr. Power Syst. Res. 2016, 135, 48–58. [Google Scholar] [CrossRef]
- Ramesh, K.; Sushama, M. Inter-turn fault detection in power transformer using fuzzy logic. In Proceedings of the 2014 International Conference on Science Engineering and Management Research (ICSEMR), Chennai, India, 27–29 November 2014; pp. 1–5. [Google Scholar] [CrossRef]
- Asadi, N.; Kelk, H. Modeling, analysis, and detection of internal winding faults in power transformers. IEEE Trans. Power Deliv. 2015, 30, 2419–2426. [Google Scholar] [CrossRef]
- Mohseni, B.; Hashemnia, N.; Islam, S.; Zhao, Z. Application of online impulse technique to diagnose inter-turn short circuit in transformer windings. In Proceedings of the 2016 Australasian Universities Power Engineering Conference (AUPEC), Brisbane, QLD, Australia, 25–28 September 2016; pp. 1–4. [Google Scholar] [CrossRef]
- Wang, G.; Liu, Y.; Chen, X.; Yan, Q.; Sui, H.; Ma, C.; Zhang, J. Power transformer fault diagnosis system based on Internet of Things. Eurasip J. Wirel. Commun. Netw. 2021, 2021, 21. [Google Scholar] [CrossRef]
- Rigatos, G.; Siano, P. Power transformers’ condition monitoring using neural modeling and the local statistical approach to fault diagnosis. Int. J. Electr. Power Energy Syst. 2016, 80, 150–159. [Google Scholar] [CrossRef]
- Elsisi, M.; Tran, M.; Mahmoud, K.; Mansour, D.; Lehtonen, M.; Darwish, M. Effective IoT-based deep learning platform for online fault diagnosis of power transformers against cyberattacks and data uncertainties. Measurement 2021, 190, 110686. [Google Scholar] [CrossRef]
- Zafarani, M.; Bostanci, E.; Qi, Y.; Goktas, T.; Akin, B. Interturn short-circuit faults in permanent magnet synchronous machines: An extended review and comprehensive analysis. IEEE J. Emerg. Sel. Top. Power Electron. 2018, 6, 2173–2191. [Google Scholar] [CrossRef]
- Fei, L.; Ma, Z.; Cai, L.; Zhou, D.; Shu, X.; Liao, Z.; Lin, C.; Li, X. Analysis of interturn short circuit in regulating winding of power transformer based on field-circuit coupling. Front. Energy Res. 2024, 12, 1393436. [Google Scholar] [CrossRef]
- Arumugam, P.; Dusek, J.; Arumugam, P.; Brunson, C.; Amankwah, E.; Hamiti, T.; Gerada, C. Impact of Slot/Pole Combination on Inter-Turn Short-Circuit Current in Fault-Tolerant Permanent Magnet Machines. IEEE Trans. Magn. 2016, 52, 8102709. [Google Scholar] [CrossRef]
- Tan, Z.; Chua, K.; Lim, Y.; Morris, S.; Wang, L.; Tang, J. Optimal operations of transformers in railway systems with different transformer operation modes and different headway intervals. Int. J. Electr. Power Energy Syst. 2021, 127, 106631. [Google Scholar] [CrossRef]
- Azam, A.; Schmidt, W.; Elford, K.; Knudstrup, C. Emergency Loading of a Transformer in a Coordinated Substation at Different Dynamic Loading Conditions. IEEE Open J. Ind. Appl. 2021, 2, 251–258. [Google Scholar] [CrossRef]
- Qian, H.; Guo, H.; Ding, X. Modeling and analysis of interturn short fault in permanent magnet synchronous motors with multistrands windings. IEEE Trans. Power Electron. 2015, 31, 2496–2509. [Google Scholar] [CrossRef]















| Geometric Parameters | Value |
|---|---|
| External height of the iron core | 217 mm |
| External width of the iron core | 152 mm |
| Iron core thickness | 56.2 mm |
| Height inside the iron core | 127 mm |
| Width inside the iron core | 62 mm |
| Height of primary winding | 32.4 mm |
| Primary winding spacing | 22 mm |
| Secondary winding height | 74.4 mm |
| Primary winding outer circle radius | 135.2 mm |
| Secondary winding outer circle radius | 66.6 mm |
| Inner circle radius of the primary winding | 100.6 mm |
| Inner circle radius of the secondary winding | 61 mm |
| Number of turns of primary winding coil | 17,470 |
| Number of turns of the secondary winding coil | 175 |
| Electrical Parameters | Value |
|---|---|
| Rated primary voltage | 10,000 V |
| Rated power | 20 kW |
| Rated secondary voltage | 100 V |
| Rated frequency | 50 Hz |
| Experimental Data | Error | ||
|---|---|---|---|
| U2 (V) | I2 Actual Measurement Value (mA) | I2 Simulation Value (mA) | I2 (%) |
| 10.51 | 4.5 | 4.89 | 8.67 |
| 20.45 | 14.8 | 13.81 | −6.69 |
| 30.61 | 19.9 | 21.57 | 8.39 |
| 40.37 | 24.3 | 26.32 | 8.31 |
| 50.33 | 29.1 | 30.97 | 6.43 |
| 61.07 | 34.2 | 36.29 | 6.11 |
| 70.58 | 45.8 | 42.45 | −7.31 |
| 79.9 | 45.8 | 47.10 | 2.84 |
| 90.33 | 53.6 | 54.69 | 2.03 |
| 100.36 | 65.7 | 64.20 | −2.28 |
| 110.72 | 82.1 | 78.67 | −4.18 |
| 120.08 | 113.1 | 103.01 | −8.92 |
| 130.98 | 185 | 174.89 | −5.46 |
| 141.21 | 309.4 | 333.59 | 7.82 |
| 150.02 | 860.8 | 844.31 | −1.92 |
| Load (Ω) | Experimental Data | Simulation Data | Error | |||||
|---|---|---|---|---|---|---|---|---|
| U1 (V) | U2 (V) | I2 (A) | U1 (V) | U2 (V) | I2 (A) | U2 (%) | I2 (%) | |
| 4.5 | 100 | 0.782 | 0.172 | 100 | 0.838 | 0.168 | 7.16 | −2.33 |
| 200 | 1.596 | 0.345 | 200 | 1.677 | 0.335 | 5.08 | −2.90 | |
| 11 | 100 | 0.9 | 0.082 | 100 | 0.936 | 0.078 | 4.00 | −4.88 |
| 200 | 1.798 | 0.162 | 200 | 1.874 | 0.156 | 4.23 | −3.70 | |
| Number of Turns in a Short Circuit | I2 Simulation Value (A) | I2 Actual Measurement Value (A) | Error (%) |
|---|---|---|---|
| 1 | 0.045 | 0.05 | −10.00 |
| 2 | 0.069 | 0.078 | −11.54 |
Disclaimer/Publisher’s Note: The statements, opinions and data contained in all publications are solely those of the individual author(s) and contributor(s) and not of MDPI and/or the editor(s). MDPI and/or the editor(s) disclaim responsibility for any injury to people or property resulting from any ideas, methods, instructions or products referred to in the content. |
© 2024 by the authors. Licensee MDPI, Basel, Switzerland. This article is an open access article distributed under the terms and conditions of the Creative Commons Attribution (CC BY) license (https://creativecommons.org/licenses/by/4.0/).
Share and Cite
Wei, Y.; Wu, L.; Li, G.; Li, C.; Sun, Y.; Qiu, P.; Qian, Y.; Chen, J. Study on the Characteristics of Turn-to-Turn Short Circuit Faults in the Primary Windings of the Generator Terminal Voltage Transformer. Electronics 2024, 13, 4772. https://doi.org/10.3390/electronics13234772
Wei Y, Wu L, Li G, Li C, Sun Y, Qiu P, Qian Y, Chen J. Study on the Characteristics of Turn-to-Turn Short Circuit Faults in the Primary Windings of the Generator Terminal Voltage Transformer. Electronics. 2024; 13(23):4772. https://doi.org/10.3390/electronics13234772
Chicago/Turabian StyleWei, Yang, Ligui Wu, Guangyao Li, Chen Li, Yue Sun, Pengyu Qiu, Yuzhe Qian, and Jun Chen. 2024. "Study on the Characteristics of Turn-to-Turn Short Circuit Faults in the Primary Windings of the Generator Terminal Voltage Transformer" Electronics 13, no. 23: 4772. https://doi.org/10.3390/electronics13234772
APA StyleWei, Y., Wu, L., Li, G., Li, C., Sun, Y., Qiu, P., Qian, Y., & Chen, J. (2024). Study on the Characteristics of Turn-to-Turn Short Circuit Faults in the Primary Windings of the Generator Terminal Voltage Transformer. Electronics, 13(23), 4772. https://doi.org/10.3390/electronics13234772
