Next Article in Journal
Research on High-Efficiency Routing Protocols for HWSNs Based on Deep Reinforcement Learning
Previous Article in Journal
Federated Learning: Navigating the Landscape of Collaborative Intelligence
Previous Article in Special Issue
Comparison of Advanced Flexible Alternating Current Transmission System (FACTS) Devices with Conventional Technologies for Power System Stability Enhancement: An Updated Review
 
 
Font Type:
Arial Georgia Verdana
Font Size:
Aa Aa Aa
Line Spacing:
Column Width:
Background:
Article

Accurate Evaluation of Commutations of 650 V GaN Power Switches Assisted by Electromagnetic Simulations in a 7 kW Dual Active Bridge Converter for Automotive Battery Charging Applications

1
Department of Electrical, Electronic and Information Engineering “Guglielmo Marconi”, University of Bologna, 40136 Bologna, Italy
2
Arca Tecnologie s.r.l., 40026 Imola, Italy
*
Author to whom correspondence should be addressed.
Electronics 2024, 13(23), 4745; https://doi.org/10.3390/electronics13234745
Submission received: 21 October 2024 / Revised: 21 November 2024 / Accepted: 26 November 2024 / Published: 30 November 2024

Abstract

The exploitation of high-voltage GaN power switches enables the development of power converters with superior characteristics with respect to components developed with heritage silicon-based technologies. One of the key advantages of GaN switches is their very fast commutation capability due to reduced parasitic capacitance and inductance with respect to silicon devices. The capability of an accurate evaluation of the switch commutations in the design phase is of crucial importance to maximize performance and avoid reliability or electromagnetic compatibility issues in the final converter. In this paper, an accurate evaluation of high-voltage GaN HEMT commutations is performed, exploiting detailed non-linear dynamic models of transistors and electromagnetic simulations of a PCB. A deep insight into the commutation waveforms in the intrinsic device (i.e., conductive drain current and intrinsic node voltages) is proposed to evaluate and explain the mechanisms of almost lossless turn-off and turn-on commutations in a 7 kW DAB converter. The influence on the performance of the PCB parasitics and the driver characteristics are accurately reproduced by simulations, suggesting important guidelines for the optimal design of power converters fully exploiting GaN HEMT’s potential. This detailed simulation/analysis approach for transistor commutation is typically adopted in Radio Frequency amplifier design but also becomes very valuable in power converter design when the very fast commutations of a GaN HEMT at a high switching frequency cannot be fully described and taken under control with conventional approaches used in power electronics design. The simulation results are confirmed by experimental data.

1. Introduction

Over the past decade, electric cars have experienced tremendous growth in sales, reaching over 250,000 new registrations per week worldwide in 2023, which exceeds the annual total recorded in 2013 [1]. Although the market is spreading globally, China (60%), Europe (25%) and the United States (10%) accounted for 95% of sales last year, indicating there is still a concentration in a few major areas. For the foreseeable future, the International Energy Agency (IEA) forecasts an average annual growth of 23% in the global electric vehicle fleet from 2023 to 2035 under the Stated Policies Scenario (STEPS) [2]. With passenger light-duty vehicles (PLDVs) still playing a major role, light commercial vehicles (LCVs), buses and trucks are also expected to contribute significantly to reducing the gap in the Net Zero Emission (NZE) scenario.
Such a rate of electrification combined with strict requirements in terms of efficiency, power density and EMI (Electromagnetic Interference) has put a lot of pressure on the semiconductor industry, passive components manufacturers and power electronics designers to obtain top-performing converters (AC/DC, DC/DC and DC/AC) at a competitive price [3,4,5].
With efficiency and power density targets imposed by the automotive players becoming more and more challenging to fulfill, the adoption of power switches in Wide Band Gap (WBG) technology—GaN and SiC—is almost a straightforward choice nowadays. With regard to the on-board charging system in the medium-power range, State-of-the-Art designs are represented by 4 kW/L, 98%-efficient bidirectional on-board chargers (OBCs) with integration of an auxiliary DC-DC converter for interconnection to a 12 V service battery [6,7]. These top-notch features are made possible by the exploitation of Gallium Nitride, which benefits from some exceptional properties with respect to heritage silicon-based technology, such as wider band gap, higher breakdown field and thermal conductivity, superior electron mobility and carrier drift velocity [8,9]. This implies that a better trade-off between efficiency and power density can be achieved due to the reduced losses at high switching frequency, also enabling the shrinking of passive components (transformers and LC/CL filters).
However, fast commutations of WBG devices with very high dv/dt and di/dt—up to hundreds of volts per nanosecond and ten amps per nanosecond—require to assess, minimize and compensate for any parasitics of the circuit at any level: PCB layout, the stray inductance of active/passive components, transistor-to-heatsink capacitance and transformer interwinding capacitance, as well as busbars and others mechanical connections. Otherwise, several issues may arise in terms of reliability (gate/drain overvoltage and current spikes), electromagnetic interference (ringing, oscillation and common-mode conductive paths) and performance degradation (higher losses, higher distortion and lower dynamics) [10,11,12]. A precise evaluation of device commutations is necessary for a correct estimation of losses and the corresponding thermal design. As a consequence, during the design phase, it is paramount to precisely analyze the device switching behavior combined with an accurate assessment of the passive components’ parasitics and electromagnetic simulations of the PCB layout.
In this study, a deep insight into the switching waveforms of a 7 kW DAB (Dual Active Bridge) DC-DC converter in GaN technology was conducted, explaining details of the ZVS turn-on and almost ZVS turn-off commutations in the intrinsic device by means of a non-linear dynamic model of the transistor, distinguishing between channel current and parasitic capacitance Cgs, Cgd and Cds currents. The influence of the driver characteristics and PCB parasitics on converter performance was accurately reproduced in Keysight Advanced Design System (ADS) through electrical and electromagnetic simulations, i.e., the post-layout simulation takes into account the S-parameter matrix, which is the result of the EM simulation of the PCB.
Hence, the design was validated prior to board production, saving costs and accelerating the product time to market and avoiding vicissitudes and redesign due to the lack of an analysis tool capable of the precise estimation of the design requirements in terms of parasitics. This approach is the modus operandi in RF (Radio Frequency) electronics but also becomes very valuable in power electronics, where very fast commutations at a high switching frequency occur when exploiting WBG semiconductors to their best potential. The DAB converter under examination is part of a high-power density 400 V GaN OBC, which also integrates an additional DC-DC low-voltage stage (in phase-shifted full-bridge topology) for interconnection to a 12 V battery.
In Section 2, the Pspice non-linear dynamic model of the GaN HEMT is exploited to extract the static and dynamic characteristics of the transistor; in Section 3, details of the device’s turn-on and turn-off commutations in a real DAB converter are discussed, taking into account the device and passive components’ parasitics; and in Section 4, the PCB’s role is also investigated by means of electromagnetic (EM) simulations.

2. Assessment of GaN HEMT GS-065-060-5-T-A Characteristics and Non-Linear Dynamic Model Validation

The selected power switch for this design is the automotive-qualified top-side cooled GaN HEMT GS-065-060-5-T-A from GaN Systems (now part of Infineon Technologies, Neubiberg, Bavaria, Germany). Its main datasheet parameters are listed in Table 1.
As it is clear from the values in Table 1, the GS-065-060-5-T-A embedded package [13] contributes to ensuring ultra-low stray inductances and parasitic capacitances compared to the traditional wire-bonded QFNL (Quad Flat No-Lead) or TO (Transistor Outline) packages.
Figure 1 reports the basic structure of a GaN Enhancement mode HEMT, along with typical OFF/ON-state gate-source and drain-source biasing [14].
The Pspice non-linear dynamic model was provided by the manufacturer and imported into ADS to be used for our detailed study of commutation behavior. Several simulations were performed to assess the capability of the model to properly reproduce the measured static and dynamic electrical quantities reported in the device datasheet. The adopted device model is also a fully electrothermal model that internally computes dissipated power and calculates the channel temperature exploiting the thermal impedance of the device and the ambient temperature [13,15,16]. Moreover, the model’s characteristics (e.g., RDS,on and VGS(th)) are temperature-dependent, and their values are continuously updated during the time domain simulation, exploiting the information of the computed channel temperature. Thus, self-heating simulations can be performed by simply fixing the ambient temperature as an input.
Figure 2, Figure 3, Figure 4, Figure 5 and Figure 6 report the transcharacteristic, transconductance and output characteristics of the device at different channel temperatures Tj, obtained through DC (i.e., static) ADS simulations.
GaN devices exhibit a stable gate-source threshold voltage VGS(th) over temperature and a negative temperature coefficient of the transconductance (Figure 2, Figure 3, Figure 4, Figure 5 and Figure 6), in addition to a positive temperature coefficient of the RDS,on (as depicted in the simulation result shown in Figure 7). This implies easier thermal balance and superior paralleling capability compared to SiC and Si devices [17], making GaN particularly suitable in applications where multiple devices in parallel are required, e.g., high-frequency and high-current multilevel topologies [7,18,19], in which GaN is used to overcome the reduced blocking voltage (up to 650 V for commercial devices) compared to SiC and Si. At the same time, GaN can benefit from its excellent transconductance, ensuring low rise/fall times during switching transitions and enabling exceptional dynamic performances due to the combination of reduced parasitics and a high switching frequency regime.
Another notable feature of GaN HEMTs is the absence of a parasitic body diode. Since the two-dimensional electron gas (2DEG) channel can conduct in the third quadrant, they are inherently capable of reverse conduction [14]. The lack of reverse recovery loss (Qrr = 0) and uncontrolled high dIrr/dt enables higher efficiency (lower Eon) and cleaner waveforms (lower EMI). Hence, in a GaN phase-leg hard-switching transition, the voltage commutation immediately follows the current commutation.
The output non-linear capacitance Coss is charged/discharged during voltage commutations, leading to Eqoss (for high-side device) and Eoss (for low-side device) energy dissipations, which can be quantified according to [20] as:
E qoss = 0 V DC V DC     V DS ·   C oss   ( V DS )   d V DS
E oss = 0 V DC V DS ·   C oss   ( V DS )   d V DS
These loss contributions are inevitable in hard-switching applications and are particularly relevant under light-load operating conditions. Instead, in soft switching regimes with ZVS turn-on, these energies are recycled back to the circuit and do not contribute to power dissipation (unless second-order non-idealities are considered [21,22]).
As observed in [20,23,24], the turn-on and turn-off losses reported in the datasheet are the external measurable quantities, i.e., they take into consideration the total drain-source current IDS:
Eon_external = EVI_on + Eqoss
Eoff_external = EVI_off + Eoss
while the intrinsic energies taking into account the channel current (Ichannel) are equal to:
Eon_intrinsic = EVI_on + Eqoss + Eoss
Eoff_intrinsic = EVI_off
where EVI is the switching energy related to the overlap of drain-source voltage and channel current during commutations.
Typically Eqoss is not listed in the datasheet; instead, it is part of Eon_external. Eqoss and Eoss of the GS-065-060-5-T-A GaN HEMT device were calculated from (1) and (2) through a MATLAB script by making use of the Coss(VDS) curve in the datasheet. As observed in [20], this information can be conveniently displayed in a plot of Eqoss/Eoss energies vs. the actual VDS swing across the device. Figure 8 reports this plot for the GS-065-060-5-T-A GaN HEMT. For Eqoss, each value of the rail voltage VDC identifies a different curve. The following results are obtained from the plot for the case VDC = 400 V:
Eqoss (@400 V) = 37.52 μJ
Eoss (@400 V) = 17.30 μJ
A Double Pulse Test (DPT) simulation (i.e., the time domain dynamic simulation in Figure 9) was performed in Advanced Design System under the same conditions at which the switching losses are reported in the datasheet: VDC = 400 V, IDS = 20 A, RG = 10/2 Ω, VGS = 6/−3 V, and Tj = 25 °C. As suggested by GaN Systems [25], a gate inductance of 3 nH due to the driver component was considered in addition to the level 3 model of the GaN HEMT, and the rise/fall times of driver switches were set to 1 ns. Under these conditions, the impact of the overall gate inductance (7 nH) is quite significant. In Figure 9, the extrinsic VGS at the device terminals (in green) and the intrinsic VGS devoid of device stray inductances (in red) are displayed. The package drain and source inductances are so extremely low (hundreds of pH) that there is practically no difference between the intrinsic and extrinsic VDS voltages.
Eqoss can be conveniently obtained from the turn-on of the first pulse, with EVI_on = 0. The computed value of Eqoss from the simulation waveforms in Figure 9a is consistent with the previously calculated value (7). The Eoss energy resulting from the waveforms at the first turn-off of the DPT is shown in Figure 9b. This parameter is in good agreement with the previous calculation (8) and the datasheet value in Table 1. EVI_off can be derived from the datasheet through Equation (4) as
EVI_off = Eoff_intrinsic = Eoff_external − Eoss = 17.2 μJ − 17 μJ = 0.2 μJ
This value is consistent with 250 nJ that was calculated from the DPT turn-off waveforms in Figure 9b.
It is noteworthy that GaN devices exhibit extremely low EVI_off losses, i.e., negligible power is dissipated through the channel at turn-off. In fact, as seen from the waveforms in Figure 9b, the 2DEG channel (Ichannel) is switched off when the drain-source voltage is low since it is at the beginning of its transition; thus, an almost ZVS turn-off is achieved. This is the reason why the turn-off of GaN devices can be classified as natural soft-switching [26]. This is particularly true when a strong driver is implemented at turn-off by means of a low value of gate resistance and even more if a negative gate-source voltage is used, as in our case (RG,off = 2 Ω, VGS,off = −3 V).
It is noteworthy that the implementation of the Pspice model in ADS allows the decomposition of the different contributions of IDS current. As depicted in Figure 10, applying Kirchhoff’s Current Law (KCL), the total IDS at the drain node is composed of three contributions: Ichannel, the Cds current and the Cdg current. By convention, the Cdg current is the current through the Miller capacitance Cgd, with the positive direction of the current probe from the drain to the gate.
Figure 11 displays the equivalent circuit of an e-GaN HEMT, highlighting the channel current and the currents of parasitic capacitances.
With the proposed ADS simulations that were performed exploiting the device’s non-linear dynamic model, it was verified that the model is capable of precisely reproducing the measured static and dynamic parameters of the transistor while giving total insight into the loss mechanism involved. This is essential to pursue loss minimization during the design stage. This simulation tool is used in the next sections for detailed analyses of commutations in a real converter.

3. DAB DC-DC Converter

In this section, we discuss in more detail the turn-on and turn-off transitions of GaN HEMTs in a 7 kW Dual Active Bridge DC-DC converter. In particular, the positive consequence of a strong turn-off on the Miller voltage will be shown.
The DAB converter under exam is part of a two-stage OBC design with an AC/DC PFC (Power Factor Correction) in a 2-ph interleaved bridgeless totem-pole topology, followed by a DC-DC converter to regulate the battery voltage and current.
Additional requests include bidirectional power flow (for V2G or V2L capability) and galvanic isolation. The DC-DC converter requirements in Table 2 can be typically satisfied by exploiting resonant CLLC or DAB topologies in GaN technology. A Dual Active Bridge was preferred due to the much lower design and control complexity [27,28]. In fact, the gains of CLLC converters are in a non-linear relationship with the loads, and the operating switching frequency at small Q (quality factor) values can be very high. Instead, in DAB circuits, the gains are linearly proportional to the loads: the two full bridges (FBs) typically operate at a fixed switching frequency and 50% duty cycle, and, in the case of a single phase-shift modulation (SPS), the power flow is controlled by regulating the voltage applied to the series inductor by simply adjusting the time displacement (phase shift) among the gate signals of the two FBs [29].
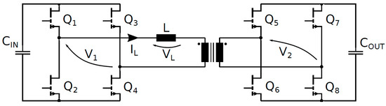
With reference to the schematic in Figure 12, the relationship between the output power and the phase shift ϕ is equal to [29]:
P = n V 1 V 2 2 π 2 f s w L   ϕ   π     ϕ
where n = N2/N1 is the transformer turns ratio and π / 2 < ϕ < π / 2 . The absolute maximum power is obtained for ϕ = π/2:
P m a x = n V 1 V 2 8 f s w L
The designed DAB converter is composed of two full bridges of GS-065-060-5-T-A GaN HEMTs, driven by the Allegro single-channel isolated driver AHV85110, which features a Power-Thru Integrated Isolated Bias Supply. The ADS simulations reported in this section take into consideration the parasitics of the involved passive components (in Table 3). In Section 4, the role of PCB parasitics is also investigated by means of electromagnetic simulations, aiming to demonstrate that the PCB layout was designed and optimized to have no significant detrimental impact on converter performances.
The selected switching frequency is 300 kHz, which allows the development of a very compact custom transformer. The series inductance (L = 6 μH) required by the DAB topology is represented by the leakage inductance of the custom-designed DAB transformer (n = 1) without the need for an external shim inductor. This is crucial to minimize the dimensions of the converter. Regarding the mixed-type capacitor bank formed by the electrolytic low-frequency capacitor CLF and ceramic high-frequency capacitor CHF, it is paramount in WBG applications to minimize the involved parasitic inductance, especially the ESL of the LF capacitor and inductance of the connection structure; otherwise, antiresonance issues at high frequencies may arise. A maximum overall inductance of two digits of nH should be met.
DAB waveforms (400 V/400 V, 6.6 kW, 300 kHz, 25 °C, VGS = 6/−3 V, and RG = 10/2 Ω) simulated through ADS are displayed in Figure 13. The Allegro driver AHV85110 rise/fall times (0–100%) are quantified in 30 ns. Dead time is equal to 100 ns. The names of the electrical quantities in the waveforms of Figure 13 correspond to the labels in Figure 12. In the SPS modulation, the switches on the same diagonal (Q1–Q4, Q2–Q3, Q5–Q8 and Q6–Q7 in Figure 12) are ON/OFF for half a period and share the same gate signal. Figure 13 shows that when the pair Q2–Q3 is turned off, the negative inductive current IL charges the Coss of Q2–Q3 to 400 V + Vf and discharges the Coss of Q1–Q4 to −Vf, where Vf = VGS(th) + |VGS,off| and is the diode-equivalent forward voltage of GaN in reverse conduction [14]. In our case, −Vf ≈ −4.6 V. Then, V1 commutes to 400 V + 2Vf and VL to 800 V + 2Vf, and the series inductor is charged. Similarly, when Q6–Q7 pair is turned off, V2 commutes to 400 V + 2Vf and VL to −2Vf (since, in the meantime, Q1–Q4 pair has stopped reverse conduction), and the series inductor is slowly discharged. In the second half of the period, Q1–Q4 pair is turned off (V1 toggles to −400 V −2Vf and VL to −800 V −2Vf), followed by Q5–Q8 (V2 toggles to −400 V −2Vf and VL to +2Vf).
Let us now look in detail at the DAB ZVS turn-on, for instance for the pair Q2–Q3. ZVS boundaries depend on the total energy stored in the series inductor and can be calculated as reported in [27,29,30,31]. At nominal full power, as in our case, the ZVS condition is assured by design (the selection of a suitable series inductance with respect to VDC voltage, device Coss, switching frequency and dead time). Figure 14 shows that when Q1–Q4 pair is switched off, during dead time, the positive inductive current IL charges the Coss of Q1–Q4 to 400V + Vf and discharges the Coss of Q2–Q3 to −Vf. Hence, Q2–Q3 pair is in reverse conduction in the third quadrant, acting as equivalent free-wheeling diodes (the gate is OFF). Then, when the gate-source voltage of Q2–Q3 goes above the threshold (which is equal to 1.6 V in the Pspice model), they are forward-biased with an almost null drain-source voltage, which further decreases in absolute terms from −Vf to −VDS,ON. The negative sign of VDS is due to the fact that Q2–Q3 pair has opposite polarity when IL is positive (see Figure 12). As is clear from Figure 14, the switching transient of the drain-source voltage (400 V swing) exhibits a very short time duration (17 ns): the high commutation speed of GaN devices enables the implementation of a very short dead time (typically between 50 and 100 ns), minimizing the third-quadrant losses.
The absence of a Miller plateau is noteworthy. For the turn-on, the reason is two-fold: typically GaN devices do not exhibit a Miller plateau when relatively low gate resistance is used (Rg,on = 10 Ω in our case) because of the small parasitic capacitances (Cgs and Cgd) to be charged [32] and, secondly, in a ZVS turn-on, when the gate goes ON, there is no drain-source voltage to commute since Coss has already been discharged during dead time.
Figure 15 depicts a schematic view of the Q2–Q3 ZVS turn-on mechanism.
A deep insight into the strong (VGS,off = −3 V, RG,off = 2 Ω) and very low-loss turn-off of a GaN HEMT is provided hereafter. In particular, Q1 of the DAB converter is under exam, but similar conclusions can be reached through a DPT simulation as well. Looking at Figure 16, the first part of a turn-off is characterized by a Cgs discharge (the Cgs current is the green line in the second plot), with VGS of Q1 decreasing from 6 V to 1.26 V. At this point, Cgd (in cyan color) also starts to be deeply discharged, and voltage/current commutations begin. Hence, the strong driver has enough current to discharge Cgd and Cgs at the same time during this second phase. This also implies the absence of a Miller plateau at the turn-off for GaN HEMTs [32]. Channel current (in magenta in the third plot) rapidly goes to 0 A (in 5 ns), while VDS is at the beginning of its transition, reaching only 50 V on a total 400 V swing. Therefore, an almost ZVS turn-off is achieved, and power dissipation through the channel can almost be neglected.
The Cgd deep discharge begins at VGS = 1.26 V, causing device voltage/current transitions, meaning that a strong driver and low values of Cgd can pull the Miller voltage below the threshold [33]. In fact, this latter is equal to 1.6 V. This denotes that the voltage transient is not controlled by the gate driver but rather by the Coss and the load current [23,34]. The 2DEG channel is pinched off during voltage commutation [33], which starts when VGD = 0 V.
When the channel current of Q1 is equal to 0 A, its drain-source current IDS at the drain node becomes equal to the Coss current (=I_Cdg_Q1 + I_Cds_Q1, in red in the third plot). At the same time, applying Kirchhoff’s Current Law (KCL) at the source node of Q1, the series inductor current IL (brown color in the second plot) becomes equal to I_Cgs_Q1 + I_Cds_Q1 + I_Cgd_Q2 − I_Cds_Q2 − Igate_Q1 (purple line in the second plot). Finally, the latter starts to decrease when the transient of VDS_Q1 is over, and Q2 begins reverse conduction in the third quadrant (the Q2 channel current is the black line in the second plot), equaling the inductor current in the end.
For a full and intuitive picture of the device commutation behavior within an entire switching period, it is useful to plot IDS and Ichannel currents versus VDS and VGS voltages. Figure 17 reports these waveforms for Q1. Also, VDS versus VGS is displayed. Plots in Figure 17a are clockwise, while plots in Figure 17b are counter-clockwise. The ZVS turn-on and almost ZVS turn-off are highlighted. Also, the beginning of voltage and current transitions in correspondence with VGS = 1.26 V < VGS(th) = 1.6 V at turn-off is clearly shown. VDS overvoltage and VGS dip at commutations are visible. Moreover, the full voltage across the device in the third-quadrant operation (−VGS(th) − |VGS,off| − Rds,rev · ISD ≈ −5 V) [14] is marked in the first plot of Figure 17b.
Figure 18 displays the turn-off trajectories of the channel current (in magenta) and drain-source current (in orange) with respect to the drain-source voltage, mapped on the output characteristic of the device (@Tj = 25 °C, in black). The X-axis is on a log scale. This plot clearly shows the very low-loss nature of these turn-off commutations. In particular, the channel current trajectory is almost the one of an ideal switch, indicating almost null power dissipation of this event in the channel.
A detailed description of the device voltages and currents during commutations can be suitably exploited for the calculation of power dissipation in the DAB converter and the identification of different contributions. The following operating conditions are assumed: Vin = 400 V, Vout = 400 V, Pout = 6.6 kW, fsw = 300 kHz, VGS = 6/−3 V, RG = 10/2 Ω, dead time = 100 ns, and Tj = 120 °C. The latter can be considered the maximum acceptable junction temperature of GaN HEMTs under a full-power working regime to have a sufficient safety margin with respect to the component maximum rating of Tj = 150 °C.
Figure 19 shows the waveforms for the calculation of power dissipation for Q1. Three phases can be clearly detected. The first contribution is due to the diode-equivalent conduction in the third quadrant, which starts when the drain-source voltage of Q1 reaches -Vf, following Q2 turn-off. Then, Q1 is set ON when Vgs ≥ VGS(th). Finally, after a half-switching period, the Q1 channel is switched off. Leakage current losses in the OFF state are negligible.
Power losses shown in the table of Figure 19 have been computed through the integration of the instantaneous dissipated power waveform (the third plot of Figure 19). It is also useful to calculate the device’s RMS current (from its integral definition) and RDS,on, which were computed as
R D S , o n = G a t e ˗ o n   c o n d u c t i o n   l o s s e s I r m s 2
The resulting RDS,on for the GS-065-060-5-T-A device in these operating conditions (i.e., Tj = 120 °C, and the described driving conditions) is 51.40 mΩ, whereas its nominal RDS,on at 25 °C is 25 mΩ. As indicated in Figure 19, the overall device losses are equal to 12.081 W. The pie chart in Figure 20 shows the weights of the different contributions to Q1 losses.
It is evident that the conduction losses are dominant. These losses can be maintained at their minimum possible level by minimizing RDS,on. This is achieved by maximizing VGS,on and optimizing the thermal management of the device using a proper TIM (thermal interface material) and the best possible heatsink or liquid cooling system. Diode-equivalent losses (i.e., third-quadrant conduction losses) can be reduced by implementing 3 V < Vgs,off ≤ 0 V (with a compromise between dead time and turn-off losses [31,33]) or decreasing the duration of dead time. The latter is pursued by selecting a strong driver (i.e., a high gate commutating current is available) and minimizing the gate and power loop parasitics so that the minimum commutation time is obtained. It is then very interesting to highlight that under the conditions described for this design, the commutation losses are practically negligible. In the end, when exploiting GaN devices to their best potential and even more if soft switching conditions are attained, the upper bound on the switching frequency of the power converter is not determined by semiconductor devices but rather by the magnetics design in terms of a cost-effective solution, since the trade-off between power density and losses can be very critical at a high switching frequency.
The total losses for Q1–Q8 are reported in Table 4.
The other main losses are related to the DAB transformer. Primary/secondary DC resistances are equal to 9.4 mΩ, leading to about (3.85 + 3.85) W of copper losses. Core losses (PQ60-42Z Ferrite—DMR95—with a gap of 0.1 mm) can be estimated at 10 W.
Taking into consideration only the OBC DC-DC stage under exam, DAB contributions to the rms current of electrolytic capacitors are quantified as 3.785 Arms for the DC-link section and 2.021 Arms for the output section. The ESR of electrolytic capacitors decreases with temperature. For ALA7DA391CF500, it can be estimated as 250 mΩ at 70 °C. Then, losses of the electrolytic capacitors can be calculated as:
P D C l i n k   c a p   b a n k = E S R 3 · I C , D C L I N K 2 = 250   m 3 · 3.785 2 A r m s 2 = 1.19   W
P o u t p u t   c a p = E S R · I C , o u t 2 = 250   m · 2.021 2 A r m s 2 = 1.02   W
Taking all these loss contributions into account, total dissipated power is quantified as 131.70 W, and the DAB efficiency turns out to be 98.04%. A pie chart of the DAB converter losses is shown in Figure 21.
All the DAB converter simulations hitherto reported in Section 3 exploit the GaN HEMT Pspice level 1 model, i.e., without considering the device stray inductances. Beforehand, it was verified that under the described driving conditions, these parasitics have no significant impact on converter performances or device commutations (as depicted in Figure 22), demonstrating that the GS-065-060-5-T-A embedded package is highly optimized for fast switching behavior in a real converter. The very low value of the package gate inductance (4 nH) ensures that the ringing caused by the resonance between the package inductance and the device input capacitance is so small that the extrinsic VGS remains safely far from the values that would cause a false turn-on. In fact, in Figure 22, it can be seen that the maximum peak of VGS due to ringing is −2 V, which is far from the threshold voltage of 1.6 V.
Nonetheless, the ADS computational time is five times larger when the Pspice level 3 model is used.
The described performances—achieved by means of very low-loss commutations, enabling switching with high efficiency at a high switching frequency and reducing the converter volumetric dimensions—can be obtained in the actual implementation of the converter only through detailed optimization of the PCB layout. A tool and a design procedure for the accurate assessment of layout parasitics and their influence on converter performances are then needed. This is the topic discussed in Section 4.

4. EM Simulation of the DAB PCB Layout

Several electromagnetic simulations of the PCB layout of the Dual Active Bridge converter have been performed, aiming to optimize the PCB design in a step-by-step process avoiding vicissitudes and rework following board production. In fact, the described fast switching behavior of GaN devices imposes very high slew rates of voltage and current at commutations. Therefore, it is fundamental to precisely evaluate, minimize and compensate for any inductive or capacitive parasitics of the circuit. One of the major concerns is related to driver and power loops, i.e., gate-source and drain-source loops of the device. The GS-065-060-5-T-A embedded package ensures greatly reduced stray inductances with respect to the traditional wire-bonded QFNL (Quad Flat No-Lead) or TO (Transistor Outline) packages at the expense of higher cost. Furthermore, an optimal PCB layout—with a wise driver loop and power/ground plane arrangement (e.g., exploiting flux cancellation technique), along with the accurate selection of passive components and mechanical connectors—plays a crucial role.
In order to investigate these parasitics loops, the electromagnetic simulator called Momentum Microwave [35] was used in Advanced Design System. This simulator is based on a numerical discretization technique named Method of Moments (MoMs), which is employed to solve Maxwell’s equations for planar structures embedded in a multilayered dielectric substrate. By means of full-wave Green functions, the substrate is fully characterized without introducing any simplification to Maxwell’s equations. The result is a multi-port S-parameter matrix, which represents the complex and frequency-dependent L and C parasitics of the board.
In particular, the final EM simulation of the optimized PCB is reported and discussed hereafter. The OBC layout substrate (with eight layers) is defined in ADS, as shown in Figure 23. The total layer thickness is equal to 2060 µm.
The EM simulator settings are reported in Table 5.
Figure 24 shows the on-board charger PCB layout with the DAB bridges and magnetic positioning highlighted, while Figure 25 displays the ports that have been placed for gate-source and drain-source PCB loops in order to execute the EM simulation, in particular with reference to the primary GaN bridge. Top-side cooled GaN HEMTs are placed on the bottom layer of the board, while drivers and capacitors are placed on the top layer. The layout was designed to exploit the flux cancellation technique to minimize parasitic inductance. The board of the OBC prototype is illustrated in Figure 26.
The ADS schematic used for the post-layout simulation, i.e., taking into consideration the S-parameter matrix, which represents the result of Momentum Microwave EM simulation, is reported in Figure 27. As a result, in this simulation, the board connections are not assumed ideal anymore but considered on the basis of the involved R, L and C parasitics, whose values can also be extracted from the S-parameter matrix [36].
Figure 28 provides details of the S-parameter matrix element.
The parasitics of gate-source and drain-source loops for the first GaN leg Q1–Q2 are reported in Table 6.
Figure 29, Figure 30, Figure 31 and Figure 32 display the results of the post-layout simulation of the DAB converter. The following operating conditions are assumed: Vin = 400 V, Vout = 400 V, Pout = 6.6 kW, fsw = 300 kHz, VGS = 6/−1 V, RG = 10/2 Ω, dead time = 100 ns, and Tj = 25 °C (except for Figure 32, where Tj = 120 °C). As depicted in Figure 29 and Figure 30, the parasitics of the designed PCB layout have no significant detrimental impact in terms of over/undervoltages, ringing or oscillations related to the gate-source and drain-source voltages of the GaN HEMTs.
The success of the design efforts is further evidenced by the details of the Q2 ZVS turn-on and Q1 almost ZVS turn-off in Figure 31. In fact, only minor differences can be appreciated with respect to the electrical simulations discussed in Section 3.
For the final implementation of the DAB converter, it was decided to exploit VGS,off = −1 V, which enables a better trade-off between dead time (i.e., third quadrant) and turn-off losses for this design case, as is clear from Figure 32 and Figure 33. In fact, when Vgs,off = −1 V, the full drain-source voltage across the device in the third-quadrant operation (@25 °C) is equal to
VDS = −VGS(th) − |VGS,off| − Rds,rev · ISD ≈ −3.02 V
Thus, the diode-equivalent losses show a reduction. On the other hand, the turn-off strength is lowered, leading to increased turn-off losses, but still, a Miller voltage (1.44 V) below the threshold can be seen in Figure 31b.
The overall losses of Q1 GaN HEMT are reduced by about 0.51 W with respect to the electrical simulation reported in Section 3 (Figure 19 and Figure 20), which exploits Vgs,off = −3 V. The pie chart in Figure 33 displays the weights of the different contributions to Q1 losses.
The total losses for Q1–Q8 are reported in Table 7.
The total losses of the DAB converter can be then quantified as 123.97 W with a reduction of about 8 W with respect to the electrical simulation reported in Section 3 (Figure 21), and its efficiency turns out to be 98.16%. A pie chart of the DAB converter losses is shown in Figure 34.
This discussion on the need for layout optimization ends by simulating a worse PCB design. Extra inductances were added on the gate (15 nH) and the source (30 nH) of the GaN devices between the GaN devices and ceramic capacitors (20 nH) and between the ceramic and electrolytic capacitors (20 nH). As a comparison, it is interesting to highlight that 10–15 nH can be a typical range value of the package inductances of a TO-247 transistor. Figure 35 reports the simulation results of the mentioned non-optimized layout. High-frequency ringing and oscillations due to the resonance effect of the parasitics can be noted both on the VGS and VDS voltages. The latter also exhibits an overvoltage of 100 V. The consequences are worse reliability and EMI performance, which can prevent certification of the product according to the strict requirements of the CISPR 32/EN 55022/32 [37,38] Class B regulation. On the other hand, under the described operating conditions, there is not a major impact on the switching losses since the device experiences, in any case, a ZVS turn-on and an almost ZVS turn-off.
At present, the developed DAB converter prototype has been tested up to 3.3 kW. Since it is not possible to probe the current of the individual GaN device, the simulation results can only be verified on the basis of the global performances of the converter and by comparing the measurable waveforms. The temperature of the components acquired through the thermal camera and the global efficiency of the DAB converter are consistent with the simulation results. Moreover, as reported in Figure 36, the comparison between simulated and measured waveforms (series inductor current IL and VDS and VGS of Q2 at a 3.3 kW power level) exhibits optimal fitting and the absence of the typical ringing effect due to excessive parasitics. It is worth noticing that measurements have been performed exploiting wideband sensors (a 20 MHz Rogoski current probe and 100 MHz active differential voltage probe) and a digital oscilloscope (500 MHz MSO-56 Tektronix at 6.25 GS/s) that can capture without filtering/attenuating any eventual high-frequency component (e.g., ringing) of waveforms.

5. Conclusions

Exploiting the Pspice non-linear dynamic model of the transistor, accurate evaluations of the static and dynamic performance of 650 V GaN power switches (GS-065-060-5-T-A) were conducted along with deep insights into their commutation behavior in a real 7 kW Dual Active Bridge DC-DC converter for on-board charging applications, explaining the details of the ZVS turn-on and almost ZVS turn-off mechanisms through the distinction between the channel current and the parasitic capacitance Cgs, Cgd and Cds currents. A Miller voltage below the threshold in the case of a strong driver at turn-off was reported. A design procedure for the accurate assessment of layout parasitics and their influence on converter performances was discussed. The PCB optimization process has led to the development of a high-efficiency (>98%) DAB converter, which also exhibits high reliability and EMI performance.

Author Contributions

Conceptualization, A.R., A.A. and C.F.; methodology, A.R., A.A. and C.F.; software, A.R. and C.F.; validation, A.R., A.A. and C.F.; formal analysis, A.R. and C.F.; investigation, A.R., A.A. and C.F.; resources, C.R. and C.F.; data curation, A.R.; writing—original draft preparation, A.R. and C.F.; writing—review and editing, A.R., A.A., C.R. and C.F.; visualization, A.R.; supervision, C.R. and C.F.; project administration, C.F.; funding acquisition, C.R. and C.F. All authors have read and agreed to the published version of the manuscript.

Funding

This research received no external funding.

Data Availability Statement

The data presented in this study are available in the article.

Conflicts of Interest

Authors Alessio Alemanno was employed by the company Arca Tecnologie s.r.l. Author Carlo Rossi is a shareholder of the Company Arca Tecnologie s.r.l. The remaining authors declare that the research was conducted in the absence of any commercial or financial relationships that could be construed as a potential conflict of interest.

References

  1. Trends in Electric Cars. Available online: https://www.iea.org/reports/global-ev-outlook-2024/trends-in-electric-cars (accessed on 20 November 2024).
  2. Outlook for Electric Mobility. Available online: https://www.iea.org/reports/global-ev-outlook-2024/outlook-for-electric-mobility (accessed on 20 November 2024).
  3. Keshmiri, N.; Wang, D.; Agrawal, B.; Hou, R.; Emadi, A. Current Status and Future Trends of GaN HEMTs in Electrified Transportation. IEEE Access 2020, 8, 70553–70571. [Google Scholar] [CrossRef]
  4. Reimers, J.; Dorn-Gomba, L.; Mak, C.; Emadi, A. Automotive Traction Inverters: Current Status and Future Trends. IEEE Trans. Veh. Technol. 2019, 68, 3337–3350. [Google Scholar] [CrossRef]
  5. Husain, I.; Ozpineci, B.; Islam, M.S.; Gurpinar, E.; Su, G.-J.; Yu, W.; Chowdhury, S.; Xue, L.; Rahman, D.; Sahu, R. Electric Drive Technology Trends, Challenges, and Opportunities for Future Electric Vehicles. Proc. IEEE 2021, 109, 1039–1059. [Google Scholar] [CrossRef]
  6. Jia, M.; Sun, H. GaN-Based High Frequency High Power Density 2-in-1 Bidirectional OBCM Design for EV Application. In Proceedings of the PCIM Europe 2023; International Exhibition and Conference for Power Electronics, Intelligent Motion, Renewable Energy and Energy Management, Nuremberg, Germany, 9–11 May 2023; pp. 1–10. [Google Scholar]
  7. Pradhan, R.; Keshmiri, N.; Emadi, A. On-Board Chargers for High-Voltage Electric Vehicle Powertrains: Future Trends and Challenges. IEEE Open J. Power Electron. 2023, 4, 189–207. [Google Scholar] [CrossRef]
  8. Morya, A.; Moosavi, M.; Gardner, M.C.; Toliyat, H.A. Applications of Wide Bandgap (WBG) Devices in AC Electric Drives: A Technology Status Review. In Proceedings of the 2017 IEEE International Electric Machines and Drives Conference (IEMDC), Miami, FL, USA, 21–24 May 2017; IEEE: Piscataway, NJ, USA, 2017; pp. 1–8. [Google Scholar]
  9. Li, S.; Lu, S.; Mi, C.C. Revolution of Electric Vehicle Charging Technologies Accelerated by Wide Bandgap Devices. Proc. IEEE 2021, 109, 985–1003. [Google Scholar] [CrossRef]
  10. Reusch, D.; Strydom, J. Understanding the Effect of PCB Layout on Circuit Performance in a High-Frequency Gallium-Nitride-Based Point of Load Converter. IEEE Trans. Power Electron. 2014, 29, 2008–2015. [Google Scholar] [CrossRef]
  11. Meng, W.; Zhang, F.; Dong, G.; Wu, J.; Li, L. Research on Losses of PCB Parasitic Capacitance for GaN-Based Full Bridge Converters. IEEE Trans. Power Electron. 2021, 36, 4287–4299. [Google Scholar] [CrossRef]
  12. Ott, H.W. Electromagnetic Compatibility Engineering, 1st ed.; Wiley: Hoboken, NJ, USA, 2009. [Google Scholar]
  13. GN002 Application Note: Thermal Design for GaNPX® Packaged Devices; GaN Systems: Richardson, TX, USA, 2021; Available online: https://gansystems.com/wp-content/uploads/2021/10/GN002_Thermal-Design-Guide-for-Top-Side-Cooled-GaNpx-T-Devices_Rev-210720.pdf (accessed on 20 November 2024).
  14. GN001 Application Note: An Introduction to GaN Enhancement-Mode HEMTs; GaN Systems: Richardson, TX, USA, 2022; Available online: https://gansystems.com/wp-content/uploads/2022/03/GN001_An-Introduction-to-GaN-E-HEMTs_220308.pdf (accessed on 20 November 2024).
  15. GN006 Application Note: SPICE Model for GaN HEMT-Usage Guidelines and Example; GaN Systems: Richardson, TX, USA, 2016; Available online: https://gansystems.com/wp-content/uploads/2018/01/GN006_SPICE-model-for-GaN-HEMT-usage-guidelines-and-example-v10.pdf (accessed on 20 November 2024).
  16. GN007 Application Note: Modeling the Thermal Behavior of GaNPX® and PDFN Packages Using RC Thermal SPICE Models; GaN Systems: Richardson, TX, USA, 2022; Available online: https://gansystems.com/wp-content/uploads/2022/03/GN007-%E2%80%93-Modelling-Thermal-Behavior-of-GaNPX-packages-Using-RC-Thermal-SPICE-Models-Rev-220308.pdf (accessed on 20 November 2024).
  17. GN004 Application Note: Design Considerations of Paralleled GaN HEMTs; GaN Systems: Richardson, TX, USA, 2022; Available online: https://gansystems.com/wp-content/uploads/2022/03/GN004-Design-Considerations-of-Paralleled-GaN-HEMTs_220308.pdf (accessed on 20 November 2024).
  18. Satpathy, S.; Das, P.P.; Bhattacharya, S.; Veliadis, V. Design Considerations of a GaN-Based Three-Level Traction Inverter for Electric Vehicles. In Proceedings of the 2022 IEEE 9th Workshop on Wide Bandgap Power Devices & Applications (WiPDA), Redondo Beach, CA, USA, 7–9 November 2022; IEEE: Piscataway, NJ, USA, 2022; pp. 192–197. [Google Scholar]
  19. Poorfakhraei, A.; Narimani, M.; Emadi, A. A Review of Multilevel Inverter Topologies in Electric Vehicles: Current Status and Future Trends. IEEE Open J. Power Electron. 2021, 2, 155–170. [Google Scholar] [CrossRef]
  20. Hou, R.; Lu, J.; Chen, D. Parasitic Capacitance Eqoss Loss Mechanism, Calculation, and Measurement in Hard-Switching for GaN HEMTs. In Proceedings of the 2018 IEEE Applied Power Electronics Conference and Exposition (APEC), San Antonio, TX, USA, 4–8 March 2018; IEEE: Piscataway, NJ, USA, 2018; pp. 919–924. [Google Scholar]
  21. Fedison, J.B.; Fornage, M.; Harrison, M.J.; Zimmanck, D.R. Coss Related Energy Loss in Power MOSFETs Used in Zero-Voltage-Switched Applications. In Proceedings of the 2014 IEEE Applied Power Electronics Conference and Exposition—APEC 2014, Fort Worth, TX, USA, 16–20 March 2014; IEEE: Piscataway, NJ, USA, 2014; pp. 150–156. [Google Scholar]
  22. Kasper, M.; Burkat, R.; Deboy, F.; Kolar, J. ZVS of Power MOSFETs Revisited. IEEE Trans. Power Electron. 2016, 31, 8063–8067. [Google Scholar] [CrossRef]
  23. GN003 Application note: Measurement Techniques for High-Speed GaN E-HEMTs; GaN Systems: Richardson, TX, USA, 2022; Available online: https://gansystems.com/wp-content/uploads/2022/03/GN003-Measurement-Techniques-for-High-Speed-GaN-E-HEMTs_220308.pdf (accessed on 20 November 2024).
  24. Hou, R.; Xu, J.; Chen, D. A Multivariable Turn-on/Turn-off Switching Loss Scaling Approach for High-Voltage GaN HEMTs in a Hard-Switching Half-Bridge Configuration. In Proceedings of the 2017 IEEE 5th Workshop on Wide Bandgap Power Devices and Applications (WiPDA), Albuquerque, NM, USA, 30 October–1 November 2017; IEEE: Piscataway, NJ, USA, 2017; pp. 171–176. [Google Scholar]
  25. GN008 Application Note: GaN Switching Loss Simulation Using LTSpice; GaN Systems: Richardson, TX, USA, 2023; Available online: https://gansystems.com/wp-content/uploads/2023/03/GN008-ENG-GaN-Switching-Loss-Simulation-LTspice-Rev.230313.pdf (accessed on 20 November 2024).
  26. Bahl, S.R.; Ruiz, D.; Lee, D.S. Product-Level Reliability of GaN Devices. In Proceedings of the 2016 IEEE International Reliability Physics Symposium (IRPS), Pasadena, CA, USA, 17–21 April 2016; IEEE: Piscataway, NJ, USA, 2016; pp. 4A-3-1–4A-3-6. [Google Scholar]
  27. He, P.; Khaligh, A. Comprehensive Analyses and Comparison of 1 kW Isolated DC–DC Converters for Bidirectional EV Charging Systems. IEEE Trans. Transp. Electrific. 2017, 3, 147–156. [Google Scholar] [CrossRef]
  28. Siebke, K.; Mallwitz, R. Comparison of a Dual Active Bridge and CLLC Converter for On-Board Vehicle Chargers Using GaN and Time Domain Modeling Method. In Proceedings of the 2020 IEEE Energy Conversion Congress and Exposition (ECCE), Detroit, MI, USA, 11–15 October 2020; IEEE: Piscataway, NJ, USA, 2020; pp. 1210–1216. [Google Scholar]
  29. Alemanno, A.; Morici, R.; Pretelli, M.; Florian, C. Design of a 7.5 kW Dual Active Bridge Converter in 650 V GaN Technology for Charging Applications. Electronics 2023, 12, 1280. [Google Scholar] [CrossRef]
  30. Mi, C.; Bai, H.; Wang, C.; Gargies, S. Operation, Design and Control of Dual H-Bridge-Based Isolated Bidirectional DC–DC Converter. IET Pwr. Electr. 2008, 1, 507. [Google Scholar] [CrossRef]
  31. GN0012 Application Note: Gate Driver Circuit Design with GaN E-HEMTs; GaN Systems: Richardson, TX, USA, 2022; Available online: https://gansystems.com/wp-content/uploads/2022/03/GN012_Gate-Driver-Design-with-GaN-E-HEMTs_220308.pdf (accessed on 20 November 2024).
  32. Lidow, A.; Rooij, M.; Strydom, J.; Reusch, D.; Glaser, J. GaN Transistors for Efficient Power Conversion, 1st ed.; Wiley: Hoboken, NJ, USA, 2019; pp. 132–135. [Google Scholar]
  33. Lu, J.L.; Hou, R.; Chen, D. Opportunities and Design Considerations of GaN HEMTs in ZVS Applications. In Proceedings of the 2018 IEEE Applied Power Electronics Conference and Exposition (APEC), San Antonio, TX, USA, 4–8 March 2018; IEEE: Piscataway, NJ, USA, 2018; pp. 880–885. [Google Scholar]
  34. Dymond, H.C.P.; Wang, J.; Liu, D.; Dalton, J.J.O.; McNeill, N.; Pamunuwa, D.; Hollis, S.J.; Stark, B.H. A 6.7-GHz Active Gate Driver for GaN FETs to Combat Overshoot, Ringing, and EMI. IEEE Trans. Power Electron. 2018, 33, 581–594. [Google Scholar] [CrossRef]
  35. Momentum Theory of Operation; Keysight Technologies: Santa Rosa, CA, USA; Available online: https://docs.keysight.com/display/genesys2009/Momentum+Theory+of+Operation (accessed on 20 November 2024).
  36. Simulating the Effects of Layout Parasitics on a Power Inverter; Keysight Technologies: Santa Rosa, CA, USA, 2023; Available online: https://www.keysight.com/us/en/assets/3123-1047/application-notes/Simulating-the-Effects-of-Layout-Parasitics-on-a-Power-Inverter.pdf (accessed on 20 November 2024).
  37. CISPR 32. Available online: https://webstore.iec.ch/en/publication/22046 (accessed on 20 November 2024).
  38. EN 55022 and EN55032. Available online: https://www.cencenelec.eu/ (accessed on 20 November 2024).
Figure 1. Basic structure of an e-GaN HEMT: (a) OFF-state biased (VGS = 0 V); (b) ON-state (VGS ≥ VGS(th)) forward conduction. From [14].
Figure 1. Basic structure of an e-GaN HEMT: (a) OFF-state biased (VGS = 0 V); (b) ON-state (VGS ≥ VGS(th)) forward conduction. From [14].
Electronics 13 04745 g001
Figure 2. GS-065-060-5-T-A transcharacteristic, @VDS = 10 V.
Figure 2. GS-065-060-5-T-A transcharacteristic, @VDS = 10 V.
Electronics 13 04745 g002
Figure 3. GS-065-060-5-T-A transconductance vs. VGS, @VDS = 10 V.
Figure 3. GS-065-060-5-T-A transconductance vs. VGS, @VDS = 10 V.
Electronics 13 04745 g003
Figure 4. GS-065-060-5-T-A transconductance vs. IDS, @VDS = 10 V.
Figure 4. GS-065-060-5-T-A transconductance vs. IDS, @VDS = 10 V.
Electronics 13 04745 g004
Figure 5. GS-065-060-5-T-A average transconductance vs. junction temperature, @VDS = 10 V.
Figure 5. GS-065-060-5-T-A average transconductance vs. junction temperature, @VDS = 10 V.
Electronics 13 04745 g005
Figure 6. GS-065-060-5-T-A. (a) Output characteristic @25 °C; (b) output characteristic @120 °C.
Figure 6. GS-065-060-5-T-A. (a) Output characteristic @25 °C; (b) output characteristic @120 °C.
Electronics 13 04745 g006
Figure 7. GS-065-060-5-T-A RDS,on vs. junction temperature (@VGS = 6 V, IDS = 18 A).
Figure 7. GS-065-060-5-T-A RDS,on vs. junction temperature (@VGS = 6 V, IDS = 18 A).
Electronics 13 04745 g007
Figure 8. Eoss and Eqoss loss of GS-065-060-5-T-A at different operating voltages.
Figure 8. Eoss and Eqoss loss of GS-065-060-5-T-A at different operating voltages.
Electronics 13 04745 g008
Figure 9. DPT of GS-065-060-5-T-A: (a) At turn-on of the first pulse: extrinsic VGS (in green) and intrinsic VGS (in red), VDS and IDS, the product of VDS and IDS (the instantaneous dissipated power) and the corresponding calculated Eqoss; (b) At first turn-off: extrinsic VGS (in green) and intrinsic VGS (in red), VDS, IDS and Ichannel, the instantaneous dissipated power through the channel and the corresponding calculated EVI_off, the instantaneous dissipated power and the corresponding calculated Eoss.
Figure 9. DPT of GS-065-060-5-T-A: (a) At turn-on of the first pulse: extrinsic VGS (in green) and intrinsic VGS (in red), VDS and IDS, the product of VDS and IDS (the instantaneous dissipated power) and the corresponding calculated Eqoss; (b) At first turn-off: extrinsic VGS (in green) and intrinsic VGS (in red), VDS, IDS and Ichannel, the instantaneous dissipated power through the channel and the corresponding calculated EVI_off, the instantaneous dissipated power and the corresponding calculated Eoss.
Electronics 13 04745 g009
Figure 10. DPT of GS-065-060-5-T-A at first turn-off: contributions of the IDS current at the drain node. In the third plot, the IDS waveform (in orange) has twice the thickness of the sum of its contributions (in black).
Figure 10. DPT of GS-065-060-5-T-A at first turn-off: contributions of the IDS current at the drain node. In the third plot, the IDS waveform (in orange) has twice the thickness of the sum of its contributions (in black).
Electronics 13 04745 g010
Figure 11. Equivalent circuit of an e-GaN HEMT.
Figure 11. Equivalent circuit of an e-GaN HEMT.
Electronics 13 04745 g011
Figure 12. DAB DC-DC converter schematic.
Figure 12. DAB DC-DC converter schematic.
Electronics 13 04745 g012
Figure 13. DAB waveforms: (a) VGS of Q1 and Q2, VGS of Q5 and Q6, primary (V1) and secondary (V2) voltages, series inductor voltage VL and series inductor current IL; (b) VDS and Ichannel of Q2, VDS and Ichannel of Q1, VDS and Ichannel of Q6 and VDS and Ichannel of Q5.
Figure 13. DAB waveforms: (a) VGS of Q1 and Q2, VGS of Q5 and Q6, primary (V1) and secondary (V2) voltages, series inductor voltage VL and series inductor current IL; (b) VDS and Ichannel of Q2, VDS and Ichannel of Q1, VDS and Ichannel of Q6 and VDS and Ichannel of Q5.
Electronics 13 04745 g013
Figure 14. Detail of DAB Q2 ZVS turn-on, from top to bottom: VGS of Q1 and Q2, series inductor current IL, VDS and Ichannel of Q1 and VDS and Ichannel of Q2. Time grid in the plot is 50 ns.
Figure 14. Detail of DAB Q2 ZVS turn-on, from top to bottom: VGS of Q1 and Q2, series inductor current IL, VDS and Ichannel of Q1 and VDS and Ichannel of Q2. Time grid in the plot is 50 ns.
Electronics 13 04745 g014
Figure 15. DAB schematic view of Q2–Q3 ZVS turn-on mechanism. Brown arrows indicate capacitive displacement currents, and green arrows indicate reverse conductive currents in third-quadrant operation.
Figure 15. DAB schematic view of Q2–Q3 ZVS turn-on mechanism. Brown arrows indicate capacitive displacement currents, and green arrows indicate reverse conductive currents in third-quadrant operation.
Electronics 13 04745 g015
Figure 16. Q1 strong turn-off, from top to bottom: VGS and VGD of Q1; Cgs, Cgd and gate current of Q1 (on the left) and I_Cgs_Q1 + I_Cds_Q1 + I_Cgd_Q2 − I_Cds_Q2 − Igate_Q1, IL and Ichannel of Q2 (on the right); VDS of Q1 (on the left) and Ichannel, IDS and Coss current of Q1 (on the right). Major time grid in the plots is 5 ns; minor time grid is 1 ns.
Figure 16. Q1 strong turn-off, from top to bottom: VGS and VGD of Q1; Cgs, Cgd and gate current of Q1 (on the left) and I_Cgs_Q1 + I_Cds_Q1 + I_Cgd_Q2 − I_Cds_Q2 − Igate_Q1, IL and Ichannel of Q2 (on the right); VDS of Q1 (on the left) and Ichannel, IDS and Coss current of Q1 (on the right). Major time grid in the plots is 5 ns; minor time grid is 1 ns.
Electronics 13 04745 g016
Figure 17. Q1 waveforms over an entire switching period: (a) IDS vs. VDS and Ichannel vs. VDS; (b) VDS vs. VGS, IDS vs. VGS and Ichannel vs. VGS.
Figure 17. Q1 waveforms over an entire switching period: (a) IDS vs. VDS and Ichannel vs. VDS; (b) VDS vs. VGS, IDS vs. VGS and Ichannel vs. VGS.
Electronics 13 04745 g017
Figure 18. Turn-off trajectories of Ichannel and IDS mapped on the output characteristic.
Figure 18. Turn-off trajectories of Ichannel and IDS mapped on the output characteristic.
Electronics 13 04745 g018
Figure 19. Power dissipation of Q1 over an entire switching period, from top to bottom: VGS of Q1 and Q2, VDS and Ichannel of Q1, the instantaneous dissipated power through the channel and calculation of losses (in W), rms current (in Arms) and equivalent RDS,on (in mΩ).
Figure 19. Power dissipation of Q1 over an entire switching period, from top to bottom: VGS of Q1 and Q2, VDS and Ichannel of Q1, the instantaneous dissipated power through the channel and calculation of losses (in W), rms current (in Arms) and equivalent RDS,on (in mΩ).
Electronics 13 04745 g019
Figure 20. Contributions of Q1 power losses. Turn-on losses are null since device experiences a ZVS turn-on under nominal power converter regime.
Figure 20. Contributions of Q1 power losses. Turn-on losses are null since device experiences a ZVS turn-on under nominal power converter regime.
Electronics 13 04745 g020
Figure 21. Contributions of DAB converter losses.
Figure 21. Contributions of DAB converter losses.
Electronics 13 04745 g021
Figure 22. Simulation results using the Pspice level 3 model: (a) DAB waveforms; (b) Q1 almost ZVS turn-off.
Figure 22. Simulation results using the Pspice level 3 model: (a) DAB waveforms; (b) Q1 almost ZVS turn-off.
Electronics 13 04745 g022
Figure 23. OBC layout model: (a) substrate layer stackup; (b) substrate illustration.
Figure 23. OBC layout model: (a) substrate layer stackup; (b) substrate illustration.
Electronics 13 04745 g023
Figure 24. Designed OBC layout.
Figure 24. Designed OBC layout.
Electronics 13 04745 g024
Figure 25. Port placement (PXX) in the primary GaN bridge: (a) for drivers, ceramic and electrolytic capacitors on top layer; (b) for GaN HEMTs on bottom layer.
Figure 25. Port placement (PXX) in the primary GaN bridge: (a) for drivers, ceramic and electrolytic capacitors on top layer; (b) for GaN HEMTs on bottom layer.
Electronics 13 04745 g025
Figure 26. OBC prototype: (a) top view; (b) bottom view. EMI filter card and magnetics are not shown.
Figure 26. OBC prototype: (a) top view; (b) bottom view. EMI filter card and magnetics are not shown.
Electronics 13 04745 g026
Figure 27. ADS schematic for post-layout simulation.
Figure 27. ADS schematic for post-layout simulation.
Electronics 13 04745 g027
Figure 28. Detail of the 46-port S-parameter matrix.
Figure 28. Detail of the 46-port S-parameter matrix.
Electronics 13 04745 g028
Figure 29. Post-layout simulation results: (a) VGS and VDS of Q1–Q2; (b) VGS and VDS of Q3–Q4.
Figure 29. Post-layout simulation results: (a) VGS and VDS of Q1–Q2; (b) VGS and VDS of Q3–Q4.
Electronics 13 04745 g029
Figure 30. Post-layout simulation results: (a) VGS and VDS of Q5–Q6; (b) VGS and VDS of Q7–Q8.
Figure 30. Post-layout simulation results: (a) VGS and VDS of Q5–Q6; (b) VGS and VDS of Q7–Q8.
Electronics 13 04745 g030
Figure 31. Post-layout simulation results: (a) Q2 ZVS turn-on; (b) Q1 almost ZVS turn-off.
Figure 31. Post-layout simulation results: (a) Q2 ZVS turn-on; (b) Q1 almost ZVS turn-off.
Electronics 13 04745 g031
Figure 32. Post-layout simulation results: Q1 power losses (@Tj = 120 °C, VGS,off = −1 V).
Figure 32. Post-layout simulation results: Q1 power losses (@Tj = 120 °C, VGS,off = −1 V).
Electronics 13 04745 g032
Figure 33. Post-layout simulation: contributions of Q1 power losses (@VGS,off = −1 V).
Figure 33. Post-layout simulation: contributions of Q1 power losses (@VGS,off = −1 V).
Electronics 13 04745 g033
Figure 34. Post-layout simulation: contributions of DAB converter losses (@VGS,off = −1 V).
Figure 34. Post-layout simulation: contributions of DAB converter losses (@VGS,off = −1 V).
Electronics 13 04745 g034
Figure 35. Worse design simulation results: (a) VGS of Q1 and Q2 and VDS of Q1 and Q2; (b) Q1 almost ZVS turn-off.
Figure 35. Worse design simulation results: (a) VGS of Q1 and Q2 and VDS of Q1 and Q2; (b) Q1 almost ZVS turn-off.
Electronics 13 04745 g035
Figure 36. Series inductor current IL and VDS and VGS of Q2 at 3.3 kW power level from post-layout simulation and scope (MSO-56 Tektronix) acquisition.
Figure 36. Series inductor current IL and VDS and VGS of Q2 at 3.3 kW power level from post-layout simulation and scope (MSO-56 Tektronix) acquisition.
Electronics 13 04745 g036
Table 1. Datasheet parameters of GaN HEMT GS-065-060-5-T-A.
Table 1. Datasheet parameters of GaN HEMT GS-065-060-5-T-A.
VDSIDS (@Tc = 25 °C)IDS (@Tc = 100 °C)RDS,on (@Tj = 25 °C)RDS,on (@Tj = 150 °C)
650 V60 A41 A25 mΩ65 mΩ
Ciss (@400 V)Coss (@400 V)Cgd (@400 V)Qgd (@400 V)Qg (@400 V)
516 pF127 pF2.4 pF4.1 nC14 nC
Eon, Eoff, Eoss (@400 V, 20 A, RG = 10/2 Ω, VGS = 6/−3 V, Tj = 25 °C)
117 µJ 17.2 µJ17 µJ
Package inductances Lg, Ld, Ls (from Pspice level 3 model)
4 nH0.2 nH0.3 nH
Table 2. DC-DC converter specifications.
Table 2. DC-DC converter specifications.
Vin Vout,range Vout,nominal Iout,nominal Pout,nominal Pout,max fsw
400 V200–450 V400 V16.5 A6.6 kW7 kW300 kHz
Table 3. DAB passive components.
Table 3. DAB passive components.
Passive ComponentPNQuantityParameters
DAB XFMRBourns custom design1Cp,s = 27.2 pF
Cww = 43.3 pF
RDCp,s = 9.4 mΩ
Llk = 6 μH
Lmag = 301.6 μH
Turns ratio = 10:10
3× in the DC-link section
1× in the output section
VDC = 500 V
C = 390 μF
Electrolytic capacitorKemet ALA7DA391CF500ESR = 481.2 mΩ (@20 °C, 10 kHz)
ESL = 20 nH
Icrms = 4.12 Arms (@85 °C, 10 kHz)
VDC = 500 V
C = 1 μF
Ceramic capacitorTDK B58031U5105M0622× for each GaN legESR = 12 mΩ
(@0 VDC, 0.5 Vrms, 25 °C, 1 MHz)
ESL = 3 nH
Icrms = 11 Arms (@85 °C, 100 kHz)
Table 4. DAB GaN HEMTs’ losses (@Vin = 400 V, Vout = 400 V, Pout = 6.6 kW, fsw = 300 kHz, VGS = 6/−3 V, RG = 10/2 Ω, dead time = 100 ns, and Tj = 120 °C).
Table 4. DAB GaN HEMTs’ losses (@Vin = 400 V, Vout = 400 V, Pout = 6.6 kW, fsw = 300 kHz, VGS = 6/−3 V, RG = 10/2 Ω, dead time = 100 ns, and Tj = 120 °C).
Q1 Q2 Q3 Q4 Q5 Q6 Q7Q8Total
12.08 W13.77 W13.82 W12.13 W17.11 W12.83 W12.89 W17.16 W111.79 W
Table 5. EM simulator settings.
Table 5. EM simulator settings.
Simulator EngineFrequency PlanfswMesh DensityThick Conductor ModelVia Conductor Model
Momentum MicrowaveSMPS300 kHz20 cpwSheetLumped
Table 6. Parasitics values of gate-source and drain-source loops for the first GaN leg Q1–Q2.
Table 6. Parasitics values of gate-source and drain-source loops for the first GaN leg Q1–Q2.
PinsPortsLRC
D_Q1-Vcc_cer_AP1–P180.6 nH0.5 mΩ
Vg1-G_Q1P10–P22 nH2 mΩ
Vcc_cer_A-Vcc_elP18–P2212 nH0.5 mΩ
R_driver1-SW_AP11–P310 nH47 mΩ
Vg2-G_Q2P12–P41.8 nH1.8 mΩ
S_Q2_Q4-GND_cer_AP5–P1914 nH0.6 mΩ
GND_cer_A-GND_elP19–P2310.5 nH1.7 mΩ
R_driver2-S_Q2_Q4P13–P50.3 nH0.2 mΩ
D_Q1-SW_AP1–P3 0.39 pF
G_Q1-SW_AP2–P3 0.38 pF
G_Q1-D_Q1P2–P1 0.40 pF
SW_A-S_Q2_Q4P3–P5 3.70 pF
G_Q2-S_Q2_Q4P4–P5 0.60 pF
G_Q2-SW_AP4–P3 0.50 pF
Table 7. Post-layout simulation: GaN HEMTs’ losses (@Vin = 400 V, Vout = 400 V, Pout = 6.6 kW, fsw = 300 kHz, VGS = 6/−1 V, RG = 10/2 Ω, dead time = 100 ns, and Tj = 120 °C).
Table 7. Post-layout simulation: GaN HEMTs’ losses (@Vin = 400 V, Vout = 400 V, Pout = 6.6 kW, fsw = 300 kHz, VGS = 6/−1 V, RG = 10/2 Ω, dead time = 100 ns, and Tj = 120 °C).
Q1 Q2 Q3 Q4 Q5 Q6 Q7Q8Total
11.57 W13.14 W13.27 W11.44 W15.54 W11.76 W11.92 W15.42 W104.06 W
Disclaimer/Publisher’s Note: The statements, opinions and data contained in all publications are solely those of the individual author(s) and contributor(s) and not of MDPI and/or the editor(s). MDPI and/or the editor(s) disclaim responsibility for any injury to people or property resulting from any ideas, methods, instructions or products referred to in the content.

Share and Cite

MDPI and ACS Style

Reali, A.; Alemanno, A.; Rossi, C.; Florian, C. Accurate Evaluation of Commutations of 650 V GaN Power Switches Assisted by Electromagnetic Simulations in a 7 kW Dual Active Bridge Converter for Automotive Battery Charging Applications. Electronics 2024, 13, 4745. https://doi.org/10.3390/electronics13234745

AMA Style

Reali A, Alemanno A, Rossi C, Florian C. Accurate Evaluation of Commutations of 650 V GaN Power Switches Assisted by Electromagnetic Simulations in a 7 kW Dual Active Bridge Converter for Automotive Battery Charging Applications. Electronics. 2024; 13(23):4745. https://doi.org/10.3390/electronics13234745

Chicago/Turabian Style

Reali, Alessandro, Alessio Alemanno, Carlo Rossi, and Corrado Florian. 2024. "Accurate Evaluation of Commutations of 650 V GaN Power Switches Assisted by Electromagnetic Simulations in a 7 kW Dual Active Bridge Converter for Automotive Battery Charging Applications" Electronics 13, no. 23: 4745. https://doi.org/10.3390/electronics13234745

APA Style

Reali, A., Alemanno, A., Rossi, C., & Florian, C. (2024). Accurate Evaluation of Commutations of 650 V GaN Power Switches Assisted by Electromagnetic Simulations in a 7 kW Dual Active Bridge Converter for Automotive Battery Charging Applications. Electronics, 13(23), 4745. https://doi.org/10.3390/electronics13234745

Note that from the first issue of 2016, this journal uses article numbers instead of page numbers. See further details here.

Article Metrics

Back to TopTop