Next Article in Journal
Research on Non-Intrusive Load Disaggregation Technology Based on VMD–Nyströmformer–BiTCN
Previous Article in Journal
Optimization of SM2 Algorithm Based on Polynomial Segmentation and Parallel Computing
Previous Article in Special Issue
Challenges in Ground-Penetrating Radar Application in Structural Elements: Determination of the Dielectric Constant of Glued Laminated Timber Case Study
 
 
Font Type:
Arial Georgia Verdana
Font Size:
Aa Aa Aa
Line Spacing:
Column Width:
Background:
Article

Radio Front-End for Frequency Agile Microwave Photonic Radars

Faculty of Electrical Engineering, University of Ljubljana, 1000 Ljubljana, Slovenia
*
Author to whom correspondence should be addressed.
Electronics 2024, 13(23), 4662; https://doi.org/10.3390/electronics13234662
Submission received: 18 October 2024 / Revised: 15 November 2024 / Accepted: 24 November 2024 / Published: 26 November 2024
(This article belongs to the Special Issue Radar System and Radar Signal Processing)

Abstract

Recent advancements in photonic integrated circuits (PICs) have paved the way for a new era of frequency-agile coherent radar systems. Unlike traditional all-electronic RF radar techniques, fully photonic systems offer superior performance, overcoming bandwidth limitations and noise degradation when operating across S (2–4 GHz), X (8–12 GHz), and K-band (12–40 GHz) frequencies. They also exhibit excellent phase noise performance, even at frequencies exceeding 20 GHz. However, current state-of-the-art PICs still suffer from high processing losses in the optical domain, necessitating careful design of the electrical RF domain. This study delves into the critical challenges of designing RF front-ends for microwave photonic radars, including stability, noise minimization, and intermodulation distortion reduction. To demonstrate the feasibility of the proposed design, a functional prototype is constructed, achieving a total power gain of 107 dB (radar system at 10 GHz) while minimizing signal noise degradation. Furthermore, a comprehensive demonstration of the RF front-end, encompassing both optical RF signal generation and experimental measurements of a rotor blade’s Doppler fingerprint with 0.5 Hz resolution, validates the proposed system’s performance.

1. Introduction

As the popularity of driver aid systems using radar technology reached its peak in recent years, the automotive industry stepped in, pushing demand for low-cost yet high-performance radar systems on a single integrated circuit even higher [1,2]. It is not surprising that traditional all-electric technology has reached its limits after a few decades of intense research and is now shifting more toward complex radiofrequency (RF) signal analysis using advanced digital modulation schemes to mitigate interference from co-existing systems in an already polluted RF spectrum [3]. Any significant boost in the performance of an analog design entails an even larger price tag since many additional components are required, particularly when coherent multi-band systems with high operational bandwidth are needed for an improvement in the range and resolution of radar detection [4,5]. Searching for a solution to overcome the problems of an all-electric design, researchers saw an opportunity in the emerging opto-electronic field.
It was previously demonstrated that microwave photonics is an excellent replacement for an RF signal generator in terms of phase noise and frequency scalability [6]. Even more, a complete radar system can be built with the addition of optical modulators, beam splitters, photodiodes, lasers, and band-pass filters [7,8,9]. Merging all building blocks into a single photonic integrated circuit (PIC) minimizes the complexity, cost, and power consumption of an entire radar system [10,11].
Microwave photonics technology opens the possibility of coherent signal generation in the optical as well as radio-frequency domains. Utilizing the silicon-on-insulator technique, a single core can be used to produce the required signals for radar as well as lidar detection systems [5,10,12]. Frequency agile radar transceivers can be built, usually limited only by the bandwidth of the front-end design [13]. As the optical comb generator can produce many harmonics (multiplication factor beyond 50), the achievable upper-frequency band is primarily determined by the output photodiode [14]. When band-pass filters are employed in the RF front-end, dual-band radar systems can be designed, as shown in [15].
Given the high purity of the output signal, the fundamental constraint of such systems is a much lower output power at the transmitter stage compared to conventional all-electric microwave oscillators. Researchers report this to be typically around -60 dBm for the silicon-on-insulator manufacturing process and can reach as low as -80 dBm in other designs [10,13,15,16,17]. When the receiving side requires a reasonably high input power of roughly −20 dBm to be processed in the optical domain, the overall gain of the RF front-end surpasses 100 dB for any practical result [17]. Creating such an amplifier chain may be difficult, particularly since low-noise amplifiers (LNAs) are needed to increase the radar range and resolution [18]. The transmitter stage is primarily hampered by phase noise degradation and intermodulation distortion (IMD), whereas the reception stage is limited by noise figure (NF) and stability issues [2,19]. Unfortunately, these limitations have a significant impact on radar performance and are often disregarded by researchers.

1.1. Research Contributions

This paper addresses critical design challenges in RF front-ends for photonic-based frequency-agile radar systems. To address these challenges, three key areas are explored. First, a cascaded RF amplifier design is presented. This design achieves high gain while mitigating phase noise degradation. Experimental validation demonstrates a power gain of 107 dB and phase noise degradation below −149 dBc/Hz at 10 kHz offset. Second, a specialized narrowband antenna design is introduced, achieving 18.18 dBi horizontal and 8.71 dBi vertical directivity. Experimental verification and measurements validate the antenna’s performance. Third, to assess the practical feasibility of integrated photonic signal generation, a functional prototype is implemented. Measurements of rotor blade Doppler fingerprints confirm micro-Doppler resolution down to 0.5 Hz.
These results underscore the potential of RF front-ends to enable high-performance, optically generated RF signals for radar systems. The proposed design and experimental validation provide valuable insights for the development of future-generation radar systems with enhanced capabilities.

1.2. Manuscript Structure

The paper is structured as follows. The second chapter briefly describes the photonic integrated circuit needed in a fully photonic-based coherent radar/lidar system; the third chapter describes the RF front-end requirements and limitations; the fourth presents the reference design of transmitter and receiver stages along with associated measurements; and the final chapter adds a discussion and conclusion, highlights the key limitations in the RF front-end design, and presents key research topics for future work.

2. Photonics Radar System

2.1. Principle of Operation

There are various methods to produce desired RF signals in photonic radar systems, but the most prevalent one is depicted in Figure 1, showing a dual-band radar implementation [15]. As an optical source, a mode-locked laser (MLL) is commonly utilized [20]. Its output is made up of a series of phase-locked modes that create a comb-like spectrum with signals spaced by the laser repetition rate, f M L L , as illustrated in Figure 1b(A). Direct digital synthesis (DDS) is applied to generate two desirable radar waveforms at different intermediate frequencies, I F 1 and I F 2 . This signal then modulates a Mach–Zehnder modulator (MZM), resulting in the radar waveforms being mixed with an optical signal and appearing as lower- and upper-sidebands around each mode of the MLL (Figure 1b(B)). When the modulated optical signal reaches the photodiode (PD), all of its spectral components are heterodyned together, resulting in a replicated IF signal separated precisely by the difference between the laser modes, up to the photodiode bandwidth (Figure 1b(C)). Except for the DDS block, which is generally made using commercially available silicon chips, all components up to this point may be fabricated on a single photonic integrated circuit.
A narrow band-pass filter then extracts a single carrier frequency from the diode output. In a multi-band radar system, the signal is divided into two parts, and a separate filter is implemented at each designated frequency. After filtering, the signals are routed to two separate RF front-ends with amplifiers and transmitting antennas. A single RF front-end in multi-band systems is typically not viable due to the difficulty of designing wideband amplifiers and antenna systems [9,21,22].
Echoes from radar scattering are detected using narrowband antennas that are tuned to a certain frequency range and amplified by a frequency-selective low-noise amplifier. The signal from each stage is then filtered further with the optional narrow band-pass filter before being fed into the photonic receiver and linked together to generate a single line that modulates the MLL through another MZM. As a result, we perform direct optical sampling of the high-frequency signal without using any down-conversion stages and with the MLL’s incredibly low jitter [23]. The analog-to-digital converter (ADC) transforms the signal into the digital domain, where it is further processed. A more in-depth explanation of a photonic technique may be found in [24].

2.2. Coherent Radar and Lidar System on a Single PIC

Although radars have become quite versatile while moving to complex digital processing, they are still severely limited by their spatial resolution [25,26,27,28]. Only frequencies above 50 GHz enable precise radar detection that is usable in automotive collision-avoidance systems [1]. However, this limitation can be completely circumvented with lidar. While it offers superior angular resolution, its effectiveness is limited to favorable weather conditions, and it cannot penetrate opaque objects [26]. When combined with radar, this system becomes incredibly precise in estimating object location and velocity while being resilient to external effects [5,29]. It has been previously demonstrated that it is possible to build radar and lidar cores on a single PIC, thus significantly reducing the required space, power consumption, and transmission coherence issues since both units operate under the same laser source [10]. Figure 2 depicts a block diagram of the integrated system, in which the radar’s RF circuit (responsible for up- and down-conversion) has been replaced by an optical structure, a portion of which is shared with the lidar transceiver. They can be controlled with two individual DACs and sampled with another two ADCs simultaneously, avoiding the need for a synchronization process and resulting in more precise imaging. A heterogeneous mix of lidar and radar may be employed in a novel photonics-based surveillance system to harness their complementary qualities and offer data collection under uniform detection conditions, which is critical for accurate data fusion implementation [5,12,29]. A separate RF front-end, such as the one shown in Figure 1, is, however, still required.

3. RF Front-End Requirements

Due to the PIC’s low output power, designing the radio front-end is more difficult than in traditional radar implementations. Normally, the output power of a high-frequency oscillator is around 0 dBm, but in microwave photonics, it is about 60 dB lower due to the losses in optical processing, as reported in recent studies [9,13,15,16,17,30]. Similarly, the Mach–Zehnder modulator on the receiving side requires a suitably high input power [14]. To detect a target with certainty at a distance of a few hundred meters, the entire amplification in the RF part, both on the receiving and transmitting sides, amounts to around 100 dB [19]. A radio engineer faces a difficult task when attempting to achieve 100 dB of gain. Commercial designs, such as the N4985A, Keysight Technologies, Santa Rosa, USA used in [30], are expensive, and creating amplifiers from scratch is both time-consuming as well as inconvenient. We do not want to damage the signal’s good phase noise and spectral purity by introducing excessive intermodulation distortion while pushing the amplifiers toward their saturation point. Another concern is the amplification of already weak radar scattering, which must not be exacerbated by the receiver’s inherent noise.
Above all, a low-noise amplifier is a component that aims for a low noise figure, high amplification, and perfect input/output match to achieve the unconditional stability of an active device. Unfortunately, the requirements are mutually exclusive, which means that one of the parameters, generally the input match, must be sacrificed [18]. Connecting several LNAs in series quickly results in an unstable amplifier chain that self-oscillates and renders the radar inoperable. The problem is further aggravated when we want to maintain stability across a wide frequency range and need more than two amplifiers connected in series due to the necessity for high amplification.
Figure 3 illustrates the output and input power requirements of the most recent optical radar structures. The inclusion of a trans-impedance amplifier straight after the photodiode in the transmitter (TX) stage produces a 40 dB greater output signal, considerably simplifying the design of the subsequent stage [31,32]. To obtain the desired +10 dBm output level, an extra 30 dB of gain is required, which may be obtained with the two amplifiers following the band-pass filter. A good safety margin would be to choose these components such that the compression point is greater than +15 dBm and the IP3 value is 10 dB higher, indicating that we are operating in a safe (linear) region [18].
Because the PIC structure has no extra amplifiers, the receiving side (RX) needs around 60 dB of additional amplification compared to an all-electric radar design. The gain of an LNA amplifier in this frequency range (X-band) is often less than 20 dB, necessitating at least three stages or mixing the signal down to a lower IF. As the input match of those devices is usually poor, additional circuitry is required, limiting the frequency response to a narrow band. It is extremely unlikely to reach saturation point in normal operating conditions, hence greatly reducing any significant intermodulation distortion possibility, and only the noise figure is of particular concern. This should be kept as low as feasible, preferably less than 1.5 dB [33].

4. RF Front-End Design and Results

To validate the proposed radar architecture and concentrate on the subsequent RF front-end’s performance, the signal path was divided into signal generation, amplification, transmission, reception, conversion, and data analysis. Initially, X-band signal generation using optical heterodyne mixing was demonstrated to assess achievable output power, phase noise, and long-term stability. Subsequently, a complete X-band RF front-end was constructed and evaluated. Received signals were then digitized and processed to showcase the capability of generating Doppler fingerprints of rotor blades during a power-up sequence.

4.1. Optically Generated RF Signal

Figure 4 illustrates the measurement setup employed to evaluate the stable optical generation of X-band signals. Two laser sources (HP 8168F, Hewlett-Packard, Santa Clara, CA, USA) were utilized to simulate the optical spectrum after an MZM (following the configuration depicted in Figure 1). Prior to coupling the two signals into a single fiber optic cable, manual polarization controllers were incorporated to exert additional control over the polarization at the photodiode surface. Optical power levels were then adjusted to optimize the photodiode current (around 600 µA), thereby achieving the optimal phase noise performance of the RF signal produced at the photodiode output. This signal was subsequently observed and measured using the E4445A, Keysight Technologies, Santa Rosa, CA, USA spectrum analyzer.
Although it is entirely feasible to use such a generated signal directly in the subsequent RF output stage, the signal parameters were reconstructed using a specially designed X-band RF synthesizer to circumvent the lengthy warm-up time of the HP8168F laser sources and polarization fluctuations encountered when handling the optical cables of the measurement setup (which would not be a concern when using a PIC structure) [34].

4.2. RF Front-End

Given the relatively low signal output from the PIC, amplification was necessary prior to transmission. To achieve this, two AVA-183A+, Mini-Circuits, Brooklyn, New York, USA amplifiers were employed, as depicted in Figure 5. Renowned for their minimal phase noise contribution, typically −151 dBc/Hz at a 10 kHz offset [35], these amplifiers possess high linearity and low phase noise degradation, making them ideal candidates for radar applications. The amplifiers’ ability to minimize signal degradation and distortion is crucial for maintaining optimal system performance.
Following amplification, the signal was routed through a directional coupler. While radar systems typically employ two antennas, a single antenna can suffice for both transmission and reception by incorporating a circulator. This approach minimizes costs. The scattered signal was subsequently routed to the SIM-153+, Mini-Circuits, Brooklyn, New York, NY, USA mixer alongside a reference signal sourced from the directional coupler. A −10 dB coupling was selected to ensure adequate LO levels while complying with industrial, scientific, and medical (ISM) region limitations, considering the signal levels and achievable antenna gain (effective radiated power). Although band-pass filters are commonly used in PIC systems to eliminate unwanted frequency components, their inclusion can be avoided by utilizing a highly narrowband antenna and a suitable circulator. In our specific setup, both components effectively suppress harmonic components by over 70 dB, rendering a dedicated band-pass filter unnecessary.
X-band was selected due to its widespread use in recent radar research literature. As Figure 6a illustrates, the amplifier exhibits optimal performance within this band, both in terms of gain (S21) and impedance matching (S11, S22). Notably, the amplifier remains unconditionally stable throughout this frequency range. The coupler’s directivity, as shown in Figure 6b, is most favorable within the selected operating band. The coupled power remains consistent, and there is no significant attenuation in the main signal path, ensuring that frequency modulation of the carrier does not adversely affect the radar response. The circulator, depicted in Figure 6c, exhibits the best performance around 8.8 GHz, where isolation is maximized. However, its performance at 10 GHz is still acceptable for Doppler measurement applications. Figure 6d presents the saturation point (P1dB) of the entire amplifier chain.
The resulting mixing product was subsequently amplified using a low-noise, low-frequency two-stage amplifier, elevating the signal levels to a range suitable for the signal digitalization and fast Fourier transform (FFT) analysis. Each amplification stage was built around an LF353 J-FET, Texas Instruments, Dallas, Texas, USA wideband dual operational amplifier, each providing approximately 20 dB of voltage gain (40 dB of power gain) while remaining stable even in the absence of an input signal (self-oscillation) or excessive scattering from the object (saturation). The final output signal was then digitized and analyzed using the integrated functions of a DHO1102, Rigol Technologies, Beijing, China oscilloscope. Figure 7 illustrates the final measurement setup, with the antenna located at the front of the desk.
The amplifier chain, a crucial component of the transmitter system, plays a pivotal role in determining overall radar system performance. A comprehensive technical description of its design, impedance matching, and construction is provided in Appendix A.

4.3. Antenna Design

To validate the proposed RF front-end design and assess its performance, a specialized narrowband antenna array was designed and fabricated on a lightweight high-frequency laminate. While narrowband antenna design offers cost advantages by eliminating the need for a band-pass filter, it inherently limits radar resolution for precise range measurements and complex wideband waveform generation.
To balance the competing demands of detection range, angular resolution, and physical size, a 1 × 6 element patch antenna array was selected for this Doppler radar application, specifically targeting propeller detection in drone scenarios. A narrow main lobe was prioritized to extend the detection range and reduce transmitter power consumption.
Three key trade-offs were considered in the proposed antenna design:
  • Directivity and Beamwidth: A higher antenna directivity can improve sensitivity and detection range. However, it typically results in a narrower beamwidth, which can limit angular resolution. In this design, a compromise was sought to achieve adequate gain for practical detection ranges while maintaining a suitable beamwidth to resolve targets of interest.
  • Physical Size and Performance: A larger antenna aperture can provide higher directivity and narrower beamwidth. However, physical constraints, such as weight and volume limitations, often restrict the achievable antenna size. In this case, a compact 1 × 6 element array was chosen to balance performance and practical considerations.
  • Bandwidth and Directivity: Narrowband antennas, while cost-effective, can limit the system’s operational bandwidth. This trade-off was carefully considered, and the antenna design was optimized to achieve sufficient bandwidth for the intended Doppler radar application.
A horizontal directivity of approximately 18 dBi was targeted to provide sufficient spatial resolution, while a vertical directivity of around 8 dBi was considered adequate for practical target detection. The antenna array was configured as two parallel-connected groups of three serially connected elements, balancing horizontal and vertical directivity while minimizing beam steering issues. The simulated and fabricated antenna are shown in Figure 8.
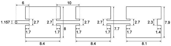
Patch elements were designed based on the operating frequency and substrate material. A coaxial probe-feeding technique was employed, with microstrip lines feeding each group. One feed line was extended to ensure constructive beam summation. To optimize radiation efficiency, careful consideration was given to the substrate material. A low dielectric constant and appropriate substrate thickness are critical factors in antenna performance [36]. The RO4350B, Rogers Corporation, Chandler, Arizona, USA laminate was chosen due to its dielectric constant of 3.48 and thickness of 0.51 mm, striking a balance between performance and the physical constraints imposed on the final antenna [37]. Figure 9 depicts one-half of the final prototype antenna structure, with all dimensions provided in mm.
Both simulated and measured results were obtained to verify performance. S11 parameter measurements, conducted on a ZVA-67, Rohde & Schwarz, Munich, Germany vector network analyzer, confirmed optimal performance around 10 GHz (Figure 10). Input matching remains below −6 dB within approximately Δ400 MHz around the center frequency and below −10 dB for Δ180 MHz. The antenna design and usage of the narrowband circulator significantly enhance the rejection of higher harmonics generated by the PIC structure in conjunction with the MLL and MZ modulator.
Figure 11 presents the radiation pattern, which exhibits minimal back lobe radiation, as expected for patch antennas. While some side lobes are present, they remain within acceptable limits for continuous wave (CW) radar operation. Notably, the overlapping beams from the two parallel halves of the patch antenna array focus the majority of radiated power at θ = 0°. The Half-Power Beamwidth (HPBW), indicated by the red lines in Figure 11, marks a 3 dB drop in the main lobe amplitude at the designed 10 GHz frequency.
The measured antenna efficiency of 76.5% aligns with the typical performance of patch antennas. This results in a horizontal plane gain of 13.9 dBi and a vertical plane gain of 6.66 dBi, corresponding to horizontal and vertical plane directivities of 18.18 dBi and 8.71 dBi, respectively. As shown in Figure 11, the measured values closely match the simulated performance.

4.4. Performance Analysis

To assess the performance of the demonstrated radar system, a controlled moving target with known characteristics was required to measure the Doppler response. A servo motor equipped with a rectangular blade was selected due to its precise control over both rotational speed and blade dimensions. The experimental setup for the rotor is depicted in Figure 12, along with the FFT analysis of the scattered signal received by the proposed RF front-end system shown in Figure 7.
A flat metal plate, oriented perpendicular to the wave propagation direction, is a simple, well-defined radar target with an analytically tractable response. As the plate rotates (in a propeller-like motion), each point exhibits varying radial velocity relative to the radar position, influenced by the rotational angular velocity. This Doppler shift, induced by the rotational motion, modulates the target’s radar cross-section (RCS) and introduces additional spectral components into the radar return signal. A detailed mathematical derivation of this radar response, while beyond the scope of this paper, can be found in [38].
FFT analysis, depicted in Figure 12, therefore, reveals distinct frequency peaks corresponding to reflections from various sections of the blade, each rotating at a unique angular velocity. The differential Doppler shifts observed across the blade’s radial extent, from the rotor shaft to the tip, are a direct consequence of varying velocity. As the rotor speed increases, the frequency response undergoes a corresponding dilation, as illustrated in Figure 13a, where the rotational velocity is elevated from 16 to 26 revolutions per second. This distinctive frequency signature, a result of the Doppler effect, can serve as a unique identifier for rotor blades during maneuvers like takeoff or ascent. It can be considered a signature characteristic of unmanned aerial vehicles (UAVs), although to develop a robust classification system, it is essential to analyze drone propellers under a variety of operating conditions, including different rotational speeds and angular orientations [38].
The usability of the proposed system can be verified through precise micro-Doppler measurements. To integrate with lidar, optically generated RF signals must induce a sufficiently strong radar response for accurate classification and detection. A crucial indicator is the micro-Doppler radar fingerprint. Table 1 compares this work with recent studies that employ similar metrics. To our knowledge, no existing studies evaluate the micro-Doppler radar fingerprint using optically generated signals; all prior research has been conducted solely in the electrical domain.
The frequency resolution of radar target recognition was selected as a detection success parameter, as it reflects the degradation of signal purity. It is important to note that not all studies explicitly state the frequency resolution of their proposed systems. In some cases, the data in Table 1 were derived from the published results through appropriate processing. As evident from Table 1, this work achieves a frequency resolution equal to or superior to that of the latest research. This implies that the proposed solution can potentially replace the radar system in all summarized studies.

5. Discussion

As shown in Figure 13, the system can detect a moving propeller and measure FFT bins with a resolution as low as Δ0.5 Hz. While further research is needed to classify all moving parts of a UAV (all rotor blades), our results indicate that this is achievable with a PIC-based RF signal generation, which requires additional amplification stages compared to traditional electronic radar systems. Excessive signal degradation in the amplification stage would result in a Doppler’s fingerprint diagram that is indistinguishable from other moving objects, such as those that do not generate multiple Doppler-shifted frequencies (moving car, glider plane). As depicted in Figure 13b, the system is sensitive enough to detect both Doppler shifts of the rotating blade—the upper part moving toward the radar and the lower part moving away. The system’s lack of a quadrature mixer with I and Q paths prevents the differentiation of individual scattered frequencies. Consequently, the is also a summation of both, with the highest magnitude resulting from their combined effect.
The use of PICs to generate high-frequency signals, followed by amplification, stabilization, and radiation, seems somewhat unnecessary when direct electronic generation of the desired signal is feasible. While PICs offer advantages like coherent multi-band transmission, these can be adequately achieved electronically using phase-locked loops and phase shifters. However, coherent lidar implementation remains challenging without complex signal processing.
The presented amplifier chain delivers approximately +10 dBm output power after two stages of amplification. The AVA-183A+ amplifiers, though broadband and low-noise, require careful impedance matching for unconditional stability across the X-band. For higher power, additional power amplifiers can be incorporated, although GaAs HEMTs, sensitive to power-on sequences, were not used in this demonstration.
The receiving side has different requirements. For Doppler radar applications with near-zero IF signals, low-noise amplifiers can be replaced by operational amplifiers, simplifying the design. For more complex modulations, amplifiers like the PMA-183PLN+, Mini-Circuits, Brooklyn, New York, NY, USA offer better stability and lower noise. The antenna also plays a crucial role in radar performance. The chosen design balances beamwidth, space, and efficiency, mimicking modern electronically steered antennas. Despite the relatively low transmission power, satisfactory detection of slow targets at a few meters and beyond 400 m for an average drone-shaped target was achieved in laboratory tests. A wider beam would reduce range but increase the field of view.
Radars struggle to detect small, static objects like hovering drones. Drone propellers, often made of radar-reflective composite materials and rotating rapidly, are easier to detect. While a flat metal plate does not perfectly mimic a propeller, it allows for precise micro-Doppler image analysis. The presented RF front-end enables radar reflection measurements at very low rotational speeds, approximately 200 times slower than drone propellers during ascent.

Future Research

This work establishes a foundation for further integration of photonic components into RF systems, particularly for frequency-agile radar designs where traditional electronic systems may be inadequate. The validation of the RF front-end chain opens up new possibilities for the development of fully integrated photonic radar systems (with synchronous radar and lidar transmission), potentially leading to more compact, efficient, and cost-effective solutions in advanced radar applications.
There are a few steps for future research, the first being complete RF front-end miniaturization, ideally with construction on a single PCB. The second step will focus on system integration with the working PIC alongside an additional RF front-end for the S-band and the addition of lidar. The third step will be the production of a working prototype system mounted onto a UAV drone as part of in-flight hostile object detection and classification.

6. Conclusions

The integration of an RF front-end into systems employing photon-generated chips poses a significant engineering challenge. The relatively low power output of photodiodes, coupled with the high input power demands of receivers, necessitates an amplifier chain with approximately 60 dB more gain compared to purely electronic systems. Designing a radio frequency section with such substantial gain presents a complex engineering problem, requiring careful consideration to ensure system stability and minimal signal degradation. This work outlines the key requirements for such a front-end, details the implementation of a functional prototype, and validates its performance by measuring the micro-Doppler signature of a simple propeller. The design achieves a link budget gain exceeding 100 dB without substantial signal degradation, enabling the reception of micro-Doppler radar scatter from distances of several hundred meters at a resolution better than 0.5 Hz.

Author Contributions

Conceptualization, A.B. and B.B.; Methodology, A.B.; Validation, A.B.; Investigation, A.B. and L.Z.; Data curation, L.Z.; Writing—original draft preparation, A.B.; Writing—review and editing, L.Z.; Visualization, A.B. and L.Z.; Supervision, B.B. All authors have read and agreed to the published version of the manuscript.

Funding

This research is supported by the NATO multiyear project CLARIFIER—SPS.MYP G5888 and by the Slovenian Research and Innovation Agency (ARIS), grant numbers V2-24005 and J2-50072 and research core funding No. P2-0246.

Data Availability Statement

Data is contained within the article.

Conflicts of Interest

The authors declare no conflicts of interest.

Appendix A

Several amplifiers were built and tested to demonstrate the concept of a stable RF front-end stage. In this section, we discuss the amplification chain of the transmitter side that meets the requirements and constraints of microwave photonic radar applications.
The physical realization of the RF front-end involves fabricating amplifiers on the substrate, assembling electrical components, and interconnecting network elements. To minimize losses and maintain impedance matching, careful design and implementation are essential. Practical considerations, such as component layout, connector selection, and overall system size and weight, should be carefully addressed. Proper grounding and shielding techniques are crucial to mitigate electromagnetic interference and ensure reliable system operation.
The block diagram of the amplifier chain and matching impedance networks utilized to get the best results is shown in Figure A1. Table A1 lists the values derived for use in a 50 Ω system. They are purposefully presented in a complex format to ensure that the findings are independent of how the microstrip circuits are implemented.
Figure A1. RF front-end amplifier block diagram. The complex impedance is denoted in the figure by Z x (Table A1).
Figure A1. RF front-end amplifier block diagram. The complex impedance is denoted in the figure by Z x (Table A1).
Electronics 13 04662 g0a1
Table A1. Impedance values in a complex format.
Table A1. Impedance values in a complex format.
Parameter 1Magnitude [ ]Angle [°]
Z10.2381
Z20.3872
Z30.1563
1 50 Ω system.
The transmitter stage has a gain of roughly +27 dB (within the intended frequency range) and a compression point of more than +15 dBm. The design objective, in this case, was adequate input and output matching (parameters S11 and S22) to minimize impedance mismatch with the PIC’s trans-impedance amplifier as well as the transmitting antenna. As shown in Figure 6a, we can achieve an excellent input match and an output match better than −10 dB. Together with the S12 parameter, which is not shown, the stability factor is well above 1, indicating that the design is, as expected, unconditionally stable.
All printed circuit boards (PCBs) for amplifier stages were created with the low-cost 1 mm FR4 material and a two-layer board design to enable even higher reproducibility, then housed in brass enclosures to reduce any potential effects from the surrounding equipment. For shorter testing cycles, each stage was constructed as a standalone module, interconnected by high-quality SMA connectors, forming the amplification chain. One of the AVA-183A+ prototypes and its PCB layout can be seen in Figure A2. As suggested by the manufacturer’s reference design, the amplifier (seen as a black square in the center) was surrounded by decoupling capacitors, inductors, and feed-through capacitors. No voltage regulation was added in order to prevent the additional temperature drift of an active device from the heat buildup. Instead, an external laboratory power supply was used during testing.
Figure A2. (a) Manufactured circuit board without enclosure. (b) PCB layout.
Figure A2. (a) Manufactured circuit board without enclosure. (b) PCB layout.
Electronics 13 04662 g0a2

References

  1. Waldschmidt, C.; Hasch, J.; Menzel, W. Automotive Radar—From First Efforts to Future Systems. IEEE J. Microw. 2021, 1, 135–148. [Google Scholar] [CrossRef]
  2. Principles of Modern Radar; Richards, M.A., Scheer, J., Holm, W.A., Melvin, W.L., Eds.; SciTech Pub: Raleigh, NC, USA, 2010; ISBN 978-1-891121-52-4. [Google Scholar]
  3. Hakobyan, G.; Yang, B. High-Performance Automotive Radar: A Review of Signal Processing Algorithms and Modulation Schemes. IEEE Signal Process. Mag. 2019, 36, 32–44. [Google Scholar] [CrossRef]
  4. Ghelfi, P.; Laghezza, F.; Scotti, F.; Serafino, G.; Capria, A.; Pinna, S.; Onori, D.; Porzi, C.; Scaffardi, M.; Malacarne, A.; et al. A Fully Photonics-Based Coherent Radar System. Nature 2014, 507, 341–345. [Google Scholar] [CrossRef] [PubMed]
  5. Onori, D.; Laghezza, F.; Scotti, F.; Scaffardi, M.; Bogoni, A. Coherent Radar/Lidar Integrated Architecture. In Proceedings of the 2015 European Radar Conference (EuRAD), Paris, France, 9–11 September 2015; IEEE: Piscataway, NJ, USA, 2015; pp. 241–244. [Google Scholar]
  6. Batagelj, B.; Bogataj, L.; Vidmar, M. Key Properties and Design Issues for an Opto-Electronic Oscillator. In Proceedings of the 2015 17th International Conference on Transparent Optical Networks (ICTON), Budapest, Hungary, 5–9 July 2015; IEEE: Piscataway, NJ, USA, 2015; pp. 1–4. [Google Scholar]
  7. Serafino, G.; Scotti, F.; Lembo, L.; Hussain, B.; Porzi, C.; Malacarne, A.; Maresca, S.; Onori, D.; Ghelfi, P.; Bogoni, A. Toward a New Generation of Radar Systems Based on Microwave Photonic Technologies. J. Lightwave Technol. 2019, 37, 643–650. [Google Scholar] [CrossRef]
  8. Tang, Z.; Li, Y.; Yao, J.; Pan, S. Photonics-Based Microwave Frequency Mixing: Methodology and Applications. Laser Photonics Rev. 2020, 14, 1800350. [Google Scholar] [CrossRef]
  9. Wang, X.; Cao, F.; Ma, C.; Yang, Y.; Zhang, F.; Pan, S. Dual-Band Coherent Microwave Photonic Radar Using Linear Frequency Modulated Signals With Arbitrary Chirp Rates. IEEE J. Select. Topics Quantum Electron. 2023, 29, 7700609. [Google Scholar] [CrossRef]
  10. Falconi, F.; Melo, S.; Scotti, F.; Malik, M.N.; Scaffardi, M.; Porzi, C.; Ansalone, L.; Ghelfi, P.; Bogoni, A. A Combined Radar & Lidar System Based on Integrated Photonics in Silicon-on-Insulator. J. Lightwave Technol. 2021, 39, 17–23. [Google Scholar] [CrossRef]
  11. Scotti, F.; Porzi, C.; Ghelfi, P.; Falconi, F.; Amir, M.M.H.; Maresca, S.; Borgarino, M.; Bogoni, A. Indoor Field-Trial in X Band of a Photonics-Based Multiband Radar on a Packaged Silicon Chip. In Proceedings of the 2021 International Topical Meeting on Microwave Photonics (MWP), Pisa, Italy, 15–17 November 2021; IEEE: Piscataway, NJ, USA, 2021; pp. 1–4. [Google Scholar]
  12. Vercesi, V.; Onori, D.; Laghezza, F.; Scotti, F.; Bogoni, A.; Scaffardi, M. Frequency-Agile Dual-Frequency Lidar for Integrated Coherent Radar-Lidar Architectures. Opt. Lett. 2015, 40, 1358. [Google Scholar] [CrossRef]
  13. Zhu, D.; Chen, W.; Chen, Z.; Du, T.; Tang, Z.; Pan, S. RF Front-End Based on Microwave Photonics. In Proceedings of the 2017 Opto-Electronics and Communications Conference (OECC) and Photonics Global Conference (PGC), Singapore, 31 July–4 August 2017; IEEE: Piscataway, NJ, USA, 2017; pp. 1–3. [Google Scholar]
  14. Bae, Y.; Yi, M.; Shin, J.; Lee, S.-G. X-Band Photonic-Based Pulsed Radar Architecture with a High Range Resolution. Appl. Sci. 2020, 10, 6558. [Google Scholar] [CrossRef]
  15. Scotti, F.; Onori, D.; Laghezza, F. Fully Coherent S- and X-Band Photonics-Aided Radar System Demonstration. IEEE Microw. Wireless Compon. Lett. 2015, 25, 757–759. [Google Scholar] [CrossRef]
  16. Yoo, S.; Bae, Y.; Jang, S. Design of Wideband FMCW Radar Transceiver System Using Photonic Elements. Micromachines 2023, 14, 1296. [Google Scholar] [CrossRef] [PubMed]
  17. Laghezza, F.; Scotti, F.; Ghelfi, P.; Bogoni, A.; Banchi, L.; Malaspina, V.; Serafino, G. Photonic Based Marine Radar Demonstrator. In Proceedings of the 2015 IEEE Radar Conference (RadarCon), Arlington, VA, USA, 10–15 May 2015; IEEE: Piscataway, NJ, USA, 2015; pp. 0226–0230. [Google Scholar]
  18. Rohde, U.L.; Newkirk, D.P. RF/Microwave Circuit Design for Wireless Applications; John Wiley & Sons: New York, NY, USA, 2000; ISBN 978-0-471-29818-2. [Google Scholar]
  19. Radar Handbook, 3rd ed.; Skolnik, M.I., Ed.; McGraw-Hill: New York, NY, USA, 2008; ISBN 978-0-07-148547-0. [Google Scholar]
  20. Ghelfi, P.; Laghezza, F.; Scotti, F.; Serafino, G.; Pinna, S.; Onori, D.; Lazzeri, E.; Bogoni, A. Photonics in Radar Systems: RF Integration for State-of-the-Art Functionality. IEEE Microw. 2015, 16, 74–83. [Google Scholar] [CrossRef]
  21. Serafino, G.; Maresca, S.; Porzi, C.; Scotti, F.; Malacarne, A.; Amir, M.M.H.; Ghelfi, P.; Bogoni, A. Maritime Field Trial of a Dual-Band Silicon Integrated Photonics-Based Radar. IEEE J. Select. Topics Quantum Electron. 2022, 28, 8300610. [Google Scholar] [CrossRef]
  22. Fan, B.; Zhang, F.; Ma, C.; Yang, Y.; Pan, S.; Wang, X. Microwave Photonic Bistatic Radar for Real-Time and High-Resolution Imaging. IEEE Photon. Technol. Lett. 2020, 32, 1397–1400. [Google Scholar] [CrossRef]
  23. Laghezza, F.; Scotti, F.; Ghelfi, P.; Bogoni, A.; Pinna, S. Jitter-Limited Photonic Analog-to-Digital Converter with 7 Effective Bits for Wideband Radar Applications. In Proceedings of the 2013 IEEE Radar Conference (RadarCon13), Ottawa, ON, Canada, 29 April–3 May 2013; IEEE: Piscataway, NJ, USA, 2013; pp. 1–5. [Google Scholar]
  24. Scotti, F.; Laghezza, F.; Ghelfi, P.; Bogoni, A. Multi-Band Software-Defined Coherent Radar Based on a Single Photonic Transceiver. IEEE Trans. Microw. Theory Techn. 2015, 63, 546–552. [Google Scholar] [CrossRef]
  25. Cui, S.L.Z.; Ye, X.; Feng, J.; Yang, Y.; He, Z.; Cong, R.; Zhu, D.; Zhang, F.; Pan, S. Chip-Based Photonic Radar for High-Resolution Imaging. arXiv 2019, arXiv:1905.12802. [Google Scholar]
  26. McManamon, P.F. LiDAR Technologies and Systems; SPIE: Bellingham, WA, USA, 2019; ISBN 978-1-5106-2539-6. [Google Scholar]
  27. Reza, M.; Maresca, S.; Scotti, F.; Pandey, G.; Imran, M.; Serafino, G.; Amir, M.H.; Camponeschi, F.; Ghelfi, P.; Bogoni, A.; et al. Multi-Static Multi-Band Synthetic Aperture Radar (SAR) Constellation Based on Photonic Processing. In Proceedings of the 2022 IEEE International Topical Meeting on Microwave Photonics (MWP), Orlando, FL, USA, 3–7 October 2022; IEEE: Piscataway, NJ, USA, 2022; pp. 1–4. [Google Scholar]
  28. Borowski, T.; Pasternak, M.; Pietrasinski, J. The Photonic Radar: The Situation Today and the Prospects for the Future. In Proceedings of the Radioelectronic Systems Conference 2019, Jachranka, Poland, 11 February 2020; Kaniewski, P., Matuszewski, J., Eds.; SPIE: Bellingham, WA, USA, 2020; p. 52. [Google Scholar]
  29. Scotti, F.; Onori, D.; Scaffardi, M.; Lazzeri, E.; Bogoni, A.; Laghezza, F. Multi-Frequency Lidar/Radar Integrated System for Robust and Flexible Doppler Measurements. IEEE Photon. Technol. Lett. 2015, 27, 2268–2271. [Google Scholar] [CrossRef]
  30. Wang, A.; Zheng, D.; Du, S.; Zhang, J.; Du, P.; Zhu, Y.; Cong, W.; Luo, X.; Wang, Y.; Dai, Y. Microwave Photonic Radar System with Ultra-Flexible Frequency-Domain Tunability. Opt. Express 2021, 29, 13887. [Google Scholar] [CrossRef]
  31. Zólomy, A.; Berceli, T.; Járó, G.; Hilt, A.; Marozsák, T. Low Noise Optical Receiver with Multi-Octave Bandwidth. Opt. Quantum Electron. 1998, 30, 969–983. [Google Scholar] [CrossRef]
  32. Jaro, G.; Berceli, T.; Hilt, A.; Zólomy, A. Gain and Noise Optimization of an Optical Receiver Utilizing a Distributed Amplifier; European Citcuit Society: Budapest, Hungary, 1997; Volume 3, pp. 1356–1359. [Google Scholar]
  33. Skolnik, M.I. Introduction to Radar Systems, 3rd ed.; McGraw-Hill Electrical Engineering Series; McGraw Hill: Boston, MA, USA; Burr Ridge, IL, USA; Dubuque, IA, USA, 2001; ISBN 978-0-07-288138-7. [Google Scholar]
  34. Blatnik, A.; Batagelj, B. Wideband Low Phase-Noise Signal Generation Using Coaxial Resonator in Cascaded Phase Locked Loop. Electronics 2024, 13, 1934. [Google Scholar] [CrossRef]
  35. Mini-Circuits; Mini-Circuits Monolithic Amplifier AVA-183A+. Available online: https://www.minicircuits.com/pdfs/AVA-183A+.pdf (accessed on 14 November 2024).
  36. Antenna Engineering Handbook, 4th ed.; Volakis, J.L., Johnson, R.C., Jasik, H., Eibert, T.F., Yo, D.M.K.A., Emrick, R., Sahalos, J.N., Tai, C.-T., Long, S.A., Smith, G.S., et al., Eds.; McGraw-Hill’s Access Engineering; McGraw-Hill: New York, NY, USA, 2007; ISBN 978-0-07-147574-7. [Google Scholar]
  37. Balanis, A.C. Antenna. In Antenna Theory: Analysis and Design; Wiley: Hoboken, NJ, USA, 2016; p. 782. ISBN 978-1-118-64206-1. [Google Scholar]
  38. Leonardi, M.; Ligresti, G.; Piracci, E. Drones Classification by the Use of a Multifunctional Radar and Micro-Doppler Analysis. Drones 2022, 6, 124. [Google Scholar] [CrossRef]
  39. Yan, J.; Hu, H.; Gong, J.; Kong, D.; Li, D. Exploring Radar Micro-Doppler Signatures for Recognition of Drone Types. Drones 2023, 7, 280. [Google Scholar] [CrossRef]
  40. Fuhrmann, L.; Biallawons, O.; Klare, J.; Panhuber, R.; Klenke, R.; Ender, J. Micro-Doppler Analysis and Classification of UAVs at Ka Band. In Proceedings of the 2017 18th International Radar Symposium (IRS), Prague, Czech Republic, 28–30 June 2017; IEEE: Piscataway, NJ, USA, 2017; pp. 1–9. [Google Scholar]
  41. Zhao, C.; Luo, G.; Wang, Y.; Chen, C.; Wu, Z. UAV Recognition Based on Micro-Doppler Dynamic Attribute-Guided Augmentation Algorithm. Remote Sens. 2021, 13, 1205. [Google Scholar] [CrossRef]
  42. Harmanny, R.I.A.; De Wit, J.J.M.; Premel-Cabic, G. Radar Micro-Doppler Mini-UAV Classification Using Spectrograms and Cepstrograms. Int. J. Microw. Wireless Technol. 2015, 7, 469–477. [Google Scholar] [CrossRef]
  43. Gong, J.; Yan, J.; Li, D.; Kong, D. Detection of Micro-Doppler Signals of Drones Using Radar Systems with Different Radar Dwell Times. Drones 2022, 6, 262. [Google Scholar] [CrossRef]
  44. Zhang, P.; Yang, L.; Chen, G.; Li, G. Classification of Drones Based on Micro-Doppler Signatures with Dual-Band Radar Sensors. In Proceedings of the 2017 Progress in Electromagnetics Research Symposium-Fall (PIERS-FALL), Singapore, 19–22 November 2017; IEEE: Piscataway, NJ, USA, 2017; pp. 638–643. [Google Scholar]
Figure 1. (a) The optical and electrical domains in signal production in a simplified dual-band radar configuration [15]; DDS: Direct digital synthesis, MLL: Mode-locked laser, ADC: Analog-to-digital converter, MZM: Mach–Zehnder modulator. (b) Signal generation in different stages: (A)—MLL spectrum, (B)—modulated optical spectrum, (C)—PD output RF spectrum.
Figure 1. (a) The optical and electrical domains in signal production in a simplified dual-band radar configuration [15]; DDS: Direct digital synthesis, MLL: Mode-locked laser, ADC: Analog-to-digital converter, MZM: Mach–Zehnder modulator. (b) Signal generation in different stages: (A)—MLL spectrum, (B)—modulated optical spectrum, (C)—PD output RF spectrum.
Electronics 13 04662 g001
Figure 2. Radar and lidar architecture on a single integrated photonic circuit; DAC: Digital-to-analog converter, TX: Transmitter, RX: Receiver, ADC: Analog-to-digital converter.
Figure 2. Radar and lidar architecture on a single integrated photonic circuit; DAC: Digital-to-analog converter, TX: Transmitter, RX: Receiver, ADC: Analog-to-digital converter.
Electronics 13 04662 g002
Figure 3. Schematic diagram of the output and input RF chains. The values indicated on the transmitting and receiving stages represent worst-case scenarios. The transmitter power is set to enable measurements within a range of several hundred meters, adhering to ISM band limitations. The receiver power is the maximum input power that the amplifier chain can tolerate without incurring significant intermodulation distortion, which would degrade radar measurement performance.
Figure 3. Schematic diagram of the output and input RF chains. The values indicated on the transmitting and receiving stages represent worst-case scenarios. The transmitter power is set to enable measurements within a range of several hundred meters, adhering to ISM band limitations. The receiver power is the maximum input power that the amplifier chain can tolerate without incurring significant intermodulation distortion, which would degrade radar measurement performance.
Electronics 13 04662 g003
Figure 4. Experimental setup for generating stable X-band RF signals using optical heterodyne mixing.
Figure 4. Experimental setup for generating stable X-band RF signals using optical heterodyne mixing.
Electronics 13 04662 g004
Figure 5. Schematic diagram of the RF front-end architecture.
Figure 5. Schematic diagram of the RF front-end architecture.
Electronics 13 04662 g005
Figure 6. (a) S-parameters of a transmitter amplifier chain; (b) S-parameters of the directional couples; (c) S-parameters of the circulator; (d) 1-dB compression point of output amplifiers.
Figure 6. (a) S-parameters of a transmitter amplifier chain; (b) S-parameters of the directional couples; (c) S-parameters of the circulator; (d) 1-dB compression point of output amplifiers.
Electronics 13 04662 g006
Figure 7. Experimental setup for RF front-end evaluation.
Figure 7. Experimental setup for RF front-end evaluation.
Electronics 13 04662 g007
Figure 8. Antenna visualization: (a) simulated model; (b) experimental prototype.
Figure 8. Antenna visualization: (a) simulated model; (b) experimental prototype.
Electronics 13 04662 g008
Figure 9. Schematic of a half-patch antenna group, with dimensions in millimeters.
Figure 9. Schematic of a half-patch antenna group, with dimensions in millimeters.
Electronics 13 04662 g009
Figure 10. Comparison of simulated and measured antenna reflection coefficient (S11 parameter).
Figure 10. Comparison of simulated and measured antenna reflection coefficient (S11 parameter).
Electronics 13 04662 g010
Figure 11. Comparison of simulated and measured radiation patterns. (a) Horizontal plane, Directivity: 18.18 dBi; (b) Vertical plane, Directivity: 8.71 dBi.
Figure 11. Comparison of simulated and measured radiation patterns. (a) Horizontal plane, Directivity: 18.18 dBi; (b) Vertical plane, Directivity: 8.71 dBi.
Electronics 13 04662 g011
Figure 12. (a) Servo motor with a rectangular rotor blade attached to its shaft, serving as a known radar cross-section target. (b) Frequency domain reflection of the target at a constant speed of 26 revolutions per second.
Figure 12. (a) Servo motor with a rectangular rotor blade attached to its shaft, serving as a known radar cross-section target. (b) Frequency domain reflection of the target at a constant speed of 26 revolutions per second.
Electronics 13 04662 g012
Figure 13. (a) FFT waterfall illustrating the response as rotor speed increases; (b) A detailed view of the primary frequency response used for UAV classification.
Figure 13. (a) FFT waterfall illustrating the response as rotor speed increases; (b) A detailed view of the primary frequency response used for UAV classification.
Electronics 13 04662 g013
Table 1. Evaluating the capabilities of different radars in resolving fine-scale Doppler shifts associated with micro-motion.
Table 1. Evaluating the capabilities of different radars in resolving fine-scale Doppler shifts associated with micro-motion.
Radar
Type
Frequency
Band
Resolution
Δ [Hz]
RF Signal
Generation
[39]PulsedX-band19.5Electrical
[40]CWK-band~0.4Electrical
[41]CWK-band31.25Electrical
[42]CWX-band11.7Electrical
[43]PulsedX-band11–19Electrical
[44]CWX- and K-band4Electrical
This workCWX-band0.5Optical
Disclaimer/Publisher’s Note: The statements, opinions and data contained in all publications are solely those of the individual author(s) and contributor(s) and not of MDPI and/or the editor(s). MDPI and/or the editor(s) disclaim responsibility for any injury to people or property resulting from any ideas, methods, instructions or products referred to in the content.

Share and Cite

MDPI and ACS Style

Blatnik, A.; Zmrzlak, L.; Batagelj, B. Radio Front-End for Frequency Agile Microwave Photonic Radars. Electronics 2024, 13, 4662. https://doi.org/10.3390/electronics13234662

AMA Style

Blatnik A, Zmrzlak L, Batagelj B. Radio Front-End for Frequency Agile Microwave Photonic Radars. Electronics. 2024; 13(23):4662. https://doi.org/10.3390/electronics13234662

Chicago/Turabian Style

Blatnik, Aljaž, Luka Zmrzlak, and Boštjan Batagelj. 2024. "Radio Front-End for Frequency Agile Microwave Photonic Radars" Electronics 13, no. 23: 4662. https://doi.org/10.3390/electronics13234662

APA Style

Blatnik, A., Zmrzlak, L., & Batagelj, B. (2024). Radio Front-End for Frequency Agile Microwave Photonic Radars. Electronics, 13(23), 4662. https://doi.org/10.3390/electronics13234662

Note that from the first issue of 2016, this journal uses article numbers instead of page numbers. See further details here.

Article Metrics

Back to TopTop