Abstract
It has become a typical scenario in power systems that renewable energy power supply is connected to an AC system through flexible DC transmission. However, since both sides of the AC line are power electronic converters, the negative sequence suppression strategy will be put into the converters at both ends during the asymmetric fault, which causes fundamental changes in the fault characteristics of the system, which is reflected in the two-terminal weak-feed characteristics, leading to the decline of traditional protection performance and affecting the safe operation of the system. Therefore, this paper presents a directional element of a double-ended weakly fed AC system with a negative sequence control strategy. Firstly, the characteristics of the negative sequence impedance under the negative sequence suppression strategy are analyzed when the AC line has asymmetric faults. Secondly, the difference in negative sequence impedance amplitude is analyzed. Finally, the direction element is constructed by the method of de-wave trend analysis The proposed scheme can realize the rapid identification of fault directions at both ends. The simulation results show that the proposed scheme is suitable for a two-terminal weak-feed AC system and can operate reliably under 300 Ω transition resistance and 20 dB noise interference.
1. Introduction
To implement the goal of carbon neutrality, China must further accelerate its energy transformation, gradually increase the proportion of renewable energy sources, such as wind and solar energy, and build a clean, safe and efficient energy structure. Our country is vigorously developing renewable energy and speeding up the planning and construction of large wind power photovoltaic base projects in desert areas and the Gobi desert []. At the same time, global offshore wind power is booming at an average annual growth rate of 21%, and the installed capacity of offshore wind power in 32 regional markets worldwide is expected to increase by more than 380 GW in the next 10 years. With the exception of Antarctica, there are plans for large-scale development of offshore wind power on every continent in the world. In 2023, the cumulative global offshore wind capacity will reach 75.2 GW, with new installations representing a 24% increase over the previous year. Therefore, long-distance power transmission poses a serious challenge. With the maturity of flexible HVDC technology, flexible HVDC (High-Voltage Direct Current) has the advantages of independent control of active and reactive power, no commutation failures, and dynamic reactive power support. Therefore, large-scale photovoltaic development from deserts, the Gobi desert and other important technical means under the “dual-carbon” goal through flexible direct current transmission and remote transmission through offshore wind power [,,]. The directional elements based on power frequency, which are widely used in traditional AC power networks, have definite directivity when faults occur. However, different from the original new energy station, which is directly connected to the power grid through the AC transmission line, the new energy station, which is connected to the grid through the flexible DC transmission, sends out both ends of the line as power electronic power supplies with weak overcurrent resistance. When the outgoing line fails, the current at both ends of the line presents amplitude limitation and certain phase angle differences, which are significantly different from the fault characteristics of the traditional system []. This is reflected in the double-ended weak-feed characteristics. This exposes traditional directional elements to the risk of misjudgment of direction. Therefore, it is necessary to propose a new directional element protection method for the outgoing circuit with both ends of the power electronic controlled devices.
There have been some research achievements on directional relays. However, most of the existing research mainly focuses on the AC lines of the new energy direct grid-connected system, and there is little research on the AC lines of the flexible DC transmission system of the new energy station with both ends of the power electronic devices. Ref. [] takes advantage of the difference in the time domain between the AC line current and the AC boundary element current waveform distance coefficient in the case of forward and reverse direction faults, and proposes a new direction discrimination principle based on the waveform distance coefficient; however, the protection performance of the area near the DC drop point will be affected. Ref. [] adaptively adjusts the maximum sensitive angle according to DFIG parameters and the running state, and changes the traditional operating conditions of the negative sequence directional element, but the improved negative sequence directional element is still based on the typical control strategy. According to the characteristics of positive sequence impedance fluctuation on the back side of a doubly fed fan, ref. [] proposes a new parameter identification direction element based on the difference of amplitude fluctuations of positive sequence impedance. Based on the difference in fault current characteristics between PV and synchronous generators, refs. [,] proposed the principle of direction discrimination based on the distortion characteristics of fault current waveform. Ref. [] puts forward the comprehensive criterion of voltages and currents, and identifies the fault direction according to the difference of the amplitude of positive and negative sequence current when the fault is in the forward and reverse directions. Ref. [] uses the magnitude and phase of superimposed negative sequence impedance and positive sequence impedance to judge the fault direction of asymmetric and symmetric faults. Refs. [,] derive analytical expressions of fault currents of new energy stations under different control objectives and point out that the traditional directional components based on sequence components and phasor fault components may not operate correctly under the fault control strategies of new energy stations According to [], faults in the forward and reverse directions can be identified according to the size of short-circuit current after faults. However, this method is based on the premise that PV capacity is determined and the amplitude of short-circuit current is small. Ref. [] uses the average value of the superimposed components of voltage and current in the fault phase to identify the fault direction. Ref. [] uses a time domain voltage waveform similarity element to construct the direction, but this method is easily affected by abnormal data. Ref. [] proposes a directional element that uses the correlation between the two “voltage drop” waveforms of the impedance behind the protection installation. However, this element requires the internal potential of the equivalent power supply to have inertia in a short time, which does not apply to the double-ended weakly fed power supply. Ref. [] proposes a fault direction discrimination principle based on the correlation of reactive current waveform. A method for coordinating circuit breaker protection and crossing settings is proposed in reference [,] to maximize the recoverability of AC microgrid failures in isolated island configurations. However, the adaptability of the proposed method in double-ended weak-feed systems is doubtful. This has been corrected in the introduction part of the paper. In [], the expression of voltage traveling wave is derived, the frequency distribution law of traveling wave when faults occur at different locations is clarified, and the ratio of high and low-frequency energy is proposed to distinguish faults inside and outside the de-region. In [], based on the difference between the positive and negative directions of traveling waves, an amplitude comparison directional longitudinal protection principle based on power frequency fault traveling waves is proposed.
To sum up, in view of the particularity of the power electronic devices at both ends of the double-ended weak-feed AC system, the adaptability of the protection principle applied to the new energy direct grid-connected system in the double-ended weak-feed AC system still needs to be further studied. Additionally, the influence of the converter control strategy is not fully considered. Therefore, it is urgent to propose a directional element of a double-ended weakly fed AC system that takes into account the influence of the control strategy.
In this paper, a directional element with a negative sequence control strategy is proposed for a double-terminal weak-feed-forward AC system with the background of a large-scale photovoltaic soft direct transmission project. Firstly, the negative sequence impedance characteristics of the photovoltaic side and the flexible straight side under the negative sequence suppression control strategy are analyzed when the AC line of the photovoltaic power station sent by flexible DC transmission causes an asymmetric fault. Based on this, the amplitude difference of the negative sequence impedance under different fault positions is studied, and the defluctuation trend analysis method is introduced. A new method based on negative sequence impedance amplitude for the directional element of the AC output line is proposed. The proposed principle can be reliably identified under various types of asymmetrical faults to solve the problem of misjudgment of traditional directional elements. In PSCAD/EMTDC, the electromagnetic transient model of a photovoltaic power field with converged-boost flexible access to DC transmission is established. The proposed protection method is simulated for different types of asymmetric faults, transition resistance, noise, and photovoltaic output inside and outside the region. The feasibility and effectiveness of the method are verified by MATLAB.
2. Research on the Negative Sequence Impedance of Two-Terminal Weakly Fed Systems
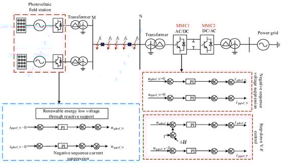
The photovoltaic power station together with the booster access soft straight system topology structure and the double control strategy diagram are shown in Figure 1. The photovoltaic station is connected to the flexible and direct converter station MMC1 by the AC line after the voltage boost and then connected to the flexible and direct converter station MMC2 by the DC line before being integrated into the receiving power grid. The power of the photovoltaic station is 2000 MW. The research object of this paper is the 500 kV AC line MN between the photovoltaic side transformer and the flexible and straight side transformer, in which f1 and f5 are all faults outside the zone and f2, f3 and f4 are faults inside the AC line.

Figure 1.
Topology of large-scale renewable energy station through flexible and straight grid connection system.
2.1. Negative Sequence Impedance Characteristics of Photovoltaic Side
The control mode of the grid-connected inverter determines the characteristics of the photovoltaic fault current. At present, the grid-connected photovoltaic side adopts the double vector control method. In order to achieve low voltage crossing, it is usually necessary to regulate and control the positive and negative sequence current components in the inner loop of the current [], and the control strategy of negative sequence current suppression is adopted on the photovoltaic side.
When the AC transmission line MN faults asymmetrically, the three-phase phasor at the PV power station side (M side) can be expressed as
where U represents voltage amplitude; δ represents the initial phase angle of voltage; the subscripts “1”, “2” and “0” are positive, negative and zero sequence components, respectively; η = a, b, c representing the difference, φa = 0°, φb = −120°, φc = 120°; and k0 indicates the grounding coefficient. If k0 = 1, the fault type is a ground fault. If k0 = 0, the fault type is a non-ground fault.
By using the dual-vector control method commonly used in engineering, the transient time of the fault current is only about a few milliseconds, and it can be considered that the fault current quickly keeps up with its current reference value. Based on the derivation and analysis of Equation (1) and the basic formula in [,], the phasor expression of fault current on the photovoltaic power station side (M side) of the sending line is
where
where kχ indicates the control target in the control strategy; P* and Q* represent active and reactive power reference values in the photovoltaic array; kρ = U2/U1, indicating voltage unbalance; IMm is the amplitude of the positive sequence current component in the fault current; and I0 and φ0 represent the zero sequence current amplitude and the initial phase angle, respectively. The zero sequence voltage and the impedance in the zero sequence network jointly determine the magnitude of its amplitude.
By combining Formulas (1)–(3) and [], the equivalent negative sequence impedance on the photovoltaic side can be obtained as
where
When kχ = 0, the control strategy of negative sequence current suppression is adopted in the photovoltaic power station, so the negative sequence current in the output line is close to 0, and φPV2 has a random error, whose amplitude fluctuates under the influence of control strategy, voltage unbalance degree and other factors. Its equivalent negative sequence impedance amplitude |ZPV2| is:
At the same time, in order to suppress the non-faulty phase overvoltage and make the system run stably, the soft straight side control strategy is negative sequence voltage suppression and step-down V-F cooperative control, and its control block diagram is shown in Figure 1.
After a fault occurs in line MN, the voltage phasor at the N-end of the line can be expressed as:
where subscripts “1” and “2” represent positive and negative sequence components, respectively; U1 and δ1 are, respectively, positive sequence voltage amplitude and the initial phase angle; U2 and δ2 are negative sequence voltage amplitude and the initial phase angle, respectively; and x = a, b, c, respectively, represent the three phases of a, b, c, φa = 0°, φb = −120°, φc = 120°.
The general expression of the reference value of the MMC-HVDC output current is:
In the formula, the subscripts “α” and “β”, respectively, represent the α component and β component obtained by Clarke transformation; P* and Q* represent the reference values of active and reactive power, respectively; ku = U2/U1, indicating voltage unbalance; and kpq is the adjustment coefficient. When kpq = −1, the control strategy is to suppress active power fluctuations; when kpq = 0, the control strategy is to suppress negative sequence current; and kpq = 1, the control strategy is to suppress reactive power fluctuations [].
The double vector control strategy commonly used in engineering MMC-HVDC can make the actual current coincide with the reference current in a short time. Therefore, it can be considered that the actual current after the fault is equal to the reference current by ignoring the short transient process. Then, the positive and negative sequence components of the N-side current after the fault can be expressed as follows:
In the formula, INm1 and INm2, respectively, represent positive and negative sequence current amplitudes; and φx1 and φx1 represent positive and negative sequence current phasor phase angles, respectively.
According to Equations (6) and (8), the equivalent negative sequence impedance at the MMC side is:
where
Combined with [], the stable negative sequence current can be output when the control goal of inhibiting active power fluctuation or reactive power fluctuation is adopted. Therefore, the negative sequence voltage suppression effect can be analogous to the suppression of active and reactive power fluctuations.
It can be seen from Equation (11) that the amplitude and phase angle of the negative sequence impedance are related to active and reactive power reference values and the power grid voltage unbalance. Assume that ku varies in the range of 0.3–0.9, P* varies in the range of −0.8–0.8 pu, and Q*, U2 = 0.2 pu. Figure 2 and Figure 3 show the changes in the negative sequence impedance angle and amplitude under different control strategies based on the above conditions.

Figure 2.
The negative sequence impedance angle change rule under different control objectives. (a) Suppress reactive power fluctuations (kpq = 1); (b) Suppression of active power fluctuations (kpq = −1).


Figure 3.
The negative sequence impedance amplitude under different control objectives. (a) Suppress reactive power fluctuations (kpq = 1); (b) Suppression of active power fluctuations (kpq = −1).
It can be seen from the above description that the effect of suppressing the active and reactive power fluctuations is similar to that of suppressing the negative sequence voltage. According to Figure 2 and Figure 3, the phase angle of the negative sequence impedance will fluctuate randomly between −140° and 180° due to the inhibition of negative sequence voltage. The negative sequence impedance amplitude has a minimum value and fluctuates between 0–0.12 pu.
The directional element is the core element of longitudinal directional protection. Traditionally, the best operating condition for positive fault determination based on negative sequence fault components is a 90° phase angle of the negative sequence impedance on the back side. Therefore, when the properties of the negative sequence impedance on the back of both sides of the system change in the double-ended weak-feed AC system, combined with the analysis of the characteristics of the negative sequence impedance on both sides in this chapter, it can be seen that under the control strategy of negative sequence current suppression on the photovoltaic side and negative sequence voltage suppression on the MMC side, the phase angle of the negative sequence impedance at both ends fluctuates to a certain degree. The directional element of the negative sequence fault component based on the phase angle will deviate from the operating region and cause direction misjudgment.
In summary, when a fault occurs on the AC line of the large-scale photovoltaic direct transmission system, the phase angle of the negative sequence impedance on the dorsal side of the photovoltaic side protection installation fluctuates randomly and its amplitude shows infinite value. The phase angle of the negative sequence impedance at the MMC side protection installation also fluctuates randomly, but its amplitude is the minimum value, and the amplitude of the negative sequence impedance at both ends fluctuates under the influence of various factors. The traditional negative sequence directional element causes a misoperation due to the characteristics of negative sequence impedance on both sides. Therefore, it is urgent to study the directional elements suitable for double-ended weak-feed AC systems.
2.2. Negative Sequence Impedance Characteristics of Faults Inside and Outside the Zone
Combined with 2.1 analysis of the characteristics of the dorsal negative sequence impedance at both ends, the characteristics of the dorsal negative sequence impedance at the protection installation of the photovoltaic side and MMC side when faults occur at different positions on the output line are further studied.
In Figure 1, the topology on a line set, respectively, at f1, f3, and f5 fault is analyzed. The actual direction of the current in the fault additional network is from the fault point to the protection installation at both ends, and the reference direction is defined as the positive direction of the bus pointing to the line. Since both sides of the system contain nonlinear power electronic devices, its internal potential cannot be maintained constantly before and after the fault, and the specific form of impedance at both ends in the fault additional network diagram in the following analysis is not clear, so the negative sequence impedance at the protection installation on both sides is calculated according to the traditional fault component extraction algorithm [].
Figure 4 shows the additional network diagram of the negative sequence fault component when the fault occurs at f1. In this case, the fault is outside the area, the fault is in the reverse direction compared to the optical voltage side protection installation, and the MMC side protection installation is in the positive direction. In the figure, the black arrow indicates the reference direction, and the red arrow indicates the actual direction. The meaning of the arrow in the following analysis is the same as here.

Figure 4.
Additional network diagram of the fault negative sequence fault at f1 (a) PV; (b) MMC.
As can be seen from Figure 4, the expression of the amplitude of the negative sequence impedance on the back side of the protection installation at both ends is as follows:
Figure 5 shows the additional network diagram of the negative sequence fault component when the fault occurs at f3. In this case, the fault is in the local area, and the fault is in the positive direction compared to the protection installation place on the photovoltaic side and the MMC side.

Figure 5.
Additional network diagram of the fault negative sequence fault at f3 (a) PV; (b) MMC.
As can be seen from Figure 5, the expression of the amplitude of the negative sequence impedance on the back side of the protection installation at both ends is as follows:
Figure 5 shows the additional network diagram of the negative sequence fault component when the fault occurs at f5. In this case, the fault is outside the area, the fault is in the positive direction compared to the optical voltage side protection installation place, and the fault is in the opposite direction compared to the MMC side protection installation place.
As can be seen from Figure 6, the expression of the amplitude of the negative sequence impedance on the back side of the protection installation at both ends is as follows:

Figure 6.
Additional network diagram of the fault negative sequence fault at f3 (a) PV; (b) MMC.
When the fault occurs at different positions of the PV transmission line, the negative sequence mutation impedance amplitude extracted from the protection installation on both sides can be summarized as shown in Table 1.

Table 1.
Negative sequence impedance values of protection installation points on both sides at different fault locations.
3. Characteristic Analysis of Negative Sequence Impedance Inside and Outside the Region
3.1. Characteristic Analysis of Negative Sequence Impedance Inside and Outside the Region
Combined with the negative sequence impedance characteristics of both sides when the fault occurs on the flexible straight grid-connected PV output line in Section 1 and Table 1, the following analysis can be performed.
When the zone fault occurs, combined with Equation (13), it can be obtained that the dorsal negative sequence impedance measured at the protection installation on the M side is the negative sequence impedance of the photovoltaic system. Its amplitude is infinite, while the dorsal negative sequence impedance measured at the protection installation on the N side is the negative sequence impedance of the MMC system. Its amplitude is much smaller than the amplitude of the negative sequence impedance of the photovoltaic system. Moreover, according to Equations (4) and (11), it can be seen that |ZPV2| and |ZMMC2| are both affected by various factors after failure, which makes them fluctuate. When a fault occurs outside the reverse zone on the photovoltaic side, the negative sequence impedance measured at the M-side protection installation is the sum of the negative sequence impedance of the MMC system and the line, the negative sequence impedance measured at the N-side protection installation is the negative sequence impedance of the MMC system, and the amplitude-to-end values are much smaller than the negative sequence impedance amplitude of the photovoltaic system. Combined with Equation (11), it can be seen that the amplitude of the negative sequence impedance of the MMC system will fluctuate under the influence of various factors, resulting in the fluctuation of the amplitude of the negative sequence impedance measured at the protection installation at both ends when the photovoltaic side is faulty outside the reverse zone. When a fault occurs outside the reverse zone on the MMC side, the negative sequence impedance measured at the M-side protection installation is the amplitude of the negative sequence impedance of the photovoltaic system, while the negative sequence impedance measured at the N-side protection installation is the sum of the negative sequence impedance of the photovoltaic system and the line. Combined with Formulas (4) and (5), it can be obtained that the amplitude of the negative sequence impedance measured at both ends has a maximum value and fluctuates due to various factors.
Based on the above analysis, AG, AB and ABG faults are set, respectively, at f1 (PV side reverse), f3 (PV side forward) and f5 (MMC side forward) outside the PV side area on the topology line in Figure 1. Figure 7, Figure 8 and Figure 9 shows the measured negative sequence impedance amplitude at the protection installation on the photovoltaic side and the MMC side.

Figure 7.
Negative sequence impedance amplitude measurements at the protection installation during fault at f1. (a) PV; (b) MMC.

Figure 8.
Negative sequence impedance amplitude measurements at the protection installation during fault at f3. (a) PV; (b) MMC.

Figure 9.
Negative sequence impedance amplitude measurements at the protection installation during fault at f5. (a) PV; (b) MMC.
As shown in Figure 7, Figure 8 and Figure 9, when faults occur at different positions of the PV transmission line through a soft and direct connection to the grid, the amplitude of negative sequence impedance at the protection installation points on both sides is consistent with the conclusion obtained from the above analysis, and both have fluctuations.
3.2. Negative Sequence Impedance Feature Extraction
As analyzed above, the amplitudes of negative sequence impedances on both sides are different and have fluctuations. Defluctuation trend analysis can analyze non-stationary time series and remove the influence of abnormal data to eliminate the influence of fluctuation on traditional protection. In combination with the above analysis, the amplitude of the negative sequence impedance of the back side when the fault occurs at different positions is related to the amplitude of the negative sequence impedance of the photovoltaic system and the negative sequence impedance of the MMC. At this meeting to |ZPV2| and |ZMMC2| characteristics were extracted.
In practical engineering, the processing is generally a discrete form of data. For the non-stationary time series {ym, m = 1, 2, ··, N} with fluctuation for |ZPV2| and |ZMMC2|, the following method can be used for analysis.
The cumulative deviation of the original non-stationary sequence {ym, m = 1, 2, ···, N} is calculated to obtain a new sequence Y(n).
The new sequences Y(n1) and Y(n2), |ZPV2| and |ZMMC2|, are presented with a set of h discrete points and divided into non-overlapping equal intervals Nh, where Nh is taken as an integer, that is, Nh = [N/h]. However, Y(n1) and Y(n2) are not always multiples of h, and a few points are not in the Nh subinterval. In order to make full use of the of Y(n1) and Y(n2), the above division of Y(n1) and Y(n2) is performed in reverse order, and a total of 2 Nh equal primogenitals v1 and v2 are obtained.
The v1 (v1 = 1, 2, ···, Nh) and v2 (v2 = 1, 2, ···, Nh) of each equal firstborn interval were fitted by the least square method, respectively, and the local trend functions yv1(n) and yv2(n) of the subinterval were obtained.
The local detrenching of |ZPV2| and |ZMMC2| was performed by using Y(n1) and yv1(n), Y(n2) and yv2(n).
The local detrending result of the forward partition subinterval is
The local detrending result of the reversely divided subinterval is
The fluctuation function calculated after removing the fluctuation trend is
The are compared before and after the defluctuation trend processing with |ZPV2| and |ZMMC2| according to the above steps, as shown in Figure 10. The A ground contact fault in the region is an example.

Figure 10.
To deal with the fluctuation trend before and after contrast. (a) PV; (b) MMC.
It can be seen from Figure 10 that after removing the fluctuation trend, it is still consistent with the conclusions obtained in the analysis in Section 1. Combined with the analysis conclusion of Section 1, the amplitude of the negative sequence impedance of photovoltaic system is much larger than that of MMC system. Combined with the calculation steps of the de-wave trend, it can be seen that the larger the base number is, the larger the calculated de-wave trend function is. Therefore, the following conclusions can be drawn:
Based on the difference of the amplitude of the negative sequence impedance measured at both ends under different fault locations in Table 1, the wave function under different fault locations can be calculated.
When the PV side is faulty in the reverse direction, the amplitude of the negative sequence impedance of the PV side measured at the installation site of the PV side protection is |ZMMC2 + ZL2|. The influence of the fixed constant on the wave function is analyzed here. The fluctuation sequences |ZMMC2 + ZL2| and |ZMMC2|, and |ZL2| are taken as the amplitude of the negative sequence impedance.
The average numbers of |ZMMC2 + ZL2| and |ZMMC2| are, respectively,
The cumulative difference between |ZMMC2 + ZL2| and |ZMMC2| can be obtained as follows:
The wave function calculated according to the above steps is as follows:
When calculating the wave function according to the above steps, it can be seen that the fluctuation state of the non-stationary series determines the size of the wave function, while the fixed constant in the non-stationary series does not affect the size of the wave function. In the next section, the directional element will be constructed by utilizing the difference of the wave function at the two ends of the protection installation when the fault occurs at different positions.
4. Directional Element Construction
The fault direction criterion can be constructed according to the difference of the amplitude of the back negative sequence impedance at the protection installation points at both ends of the internal and external faults analyzed in Section 2 and the calculated difference of the wave functions |ZPV2| and |ZMMC2|, so as to improve the adaptability of the existing directional elements to the grid-connected system with flexible direct entry of renewable energy.
4.1. Criterion of Initiation
Photovoltaic grid-connected by flexible DC transmission has poor ability to provide a short-circuit current due to the influence of weak power characteristics at both ends. When a fault occurs, the traditional starting element is not applicable on both sides. Combined with no negative sequence current generated during the non-fault period and the negative sequence control strategy at both ends during the fault period, we can judge whether the fault is started by judging the magnitude of the negative sequence current at both sides.
The control strategy of negative sequence current suppression is adopted on the M-side, that is, the photovoltaic side, during the fault, and the collaborative control strategy of negative sequence voltage suppression and depressurized VF is adopted on the N-side, that is, the MMC side []. Since negative sequence current suppression and negative sequence voltage suppression cannot be completely suppressed to 0, the following starting element criteria can be set as follows:
Considering the reliability of the criterion and retaining a certain margin, Iset = 0.05 kA was set in this paper. When the data of four consecutive sampling points meet the above formula, the protection starts.
4.2. Protection Criterion Construction
Combined with the analysis of the amplitude characteristics of the negative sequence impedance at both ends in Section 1, the minimum value of FΣPV2(h) and the maximum value of FΣMMC2(h) are obtained.
According to Formula (29) and Table 1, the differences in the amplitude of the measured back impedance at the protection installation at both ends when faults occur at different positions can be seen. When the fault occurs at f2, f3, f4, and f5 as in Figure 1, it is in the positive direction of the M-side fault, and the amplitude of the negative sequence impedance measured at the M-side protection installation is |ZPV2|, the wave function FM2(h) can be calculated as >1. When the fault occurs at f1 as in Figure 1, it is in the reverse direction of the M-side fault, and the amplitude of the negative sequence impedance measured at the M-side protection installation is |ZMMC2 + ZL2|. |ZL2|, a constant value. From the foregoing analysis, it can be seen that the size of the fluctuation function of |ZMMC2 + ZL2| is determined by the fluctuation of |ZMMC2|, in which case the fluctuation function FM2(h)~0 can be calculated. The n-side analysis is similar and will not be further described here. The calculated results of the wave function are the opposite, FN2(h) is ~0 in the case of the forward fault, and FN2(h) is >1 in the case of the reverse fault.
When a positive fault occurs on the M side, the negative sequence impedance component on the back of the M side is mainly ZPV2, and the criterion for determining the positive fault on the M side can be obtained by combining with Equation (29)
The N-side protection criterion is the opposite and is not described here.
Based on the above analysis, the criterion for the direction of protection installation on both sides can be summarized as follows:
4.3. Protection Scheme
Based on the above analysis, the proposed longitudinal protection scheme flow is shown in Figure 11.

Figure 11.
Flow chart of the directional element scheme.
Before calculation, the low-pass filter is used to filter out the data above 200 Hz. The three-phase voltage and current at both sides of the protection installation are extracted by the Fourier algorithm, and the impedance amplitude of the equivalent negative sequence mutation is calculated. Then the fluctuation function is calculated through the analysis of the fluctuation trend and is substituted into Equation (30). The sampling frequency was 4 kHz, and the first 10 ms data of |ZM2| and |ZN2| were taken as non-stationary time series for fault identification, according to Figure 11. The judging conditions for positive and reverse direction faults are as follows: In the case of positive direction faults, PM/nh ratio is 100% under ideal condition, taking into account the influence of measurement error and operation sensitivity, etc., PM/nh is set as the positive direction fault when PM/nh ≥ 90%; otherwise, it is the reverse direction fault.
5. Simulation Verification
In order to verify the operational performance of the protection scheme proposed in this paper, a simulation model of the PV power station directly connected to the grid through flexibility was built in PSCAD/ETMDC with reference to the actual engineering parameters in China, as shown in Figure 1. The sampling frequency is 4 kHz. The total length of the 500 kV line is 300 km, and the line parameters per unit length are r1 = 0.035 Ω/km, l1 = 0.507 Ω/km, r0 = 0.363 Ω/km, l0 = 1.323 Ω/km.
5.1. The Influence of Fault Location and Fault Type on Directional Element
In order to verify the influence of different fault locations and fault types on the directional element scheme, different types of asymmetric faults are set in the topology of f1, f3 and f5 in Figure 1. h is selected in 4–24 intervals with the integer 4. This principle is used to select h in the following simulation. The result of the wave function F(h) is shown in Figure 12, Figure 13 and Figure 14. The calculation result of the wave function F(h) is substituted into Equation (30) for calculation. According to the calculation result and Equation (31), the fault area is identified.

Figure 12.
Fault F(h) results at f1. (a) PV; (b) MMC.

Figure 13.
Fault F(h) results at f3. (a) PV; (b) MMC.

Figure 14.
Fault F(h) results at f5. (a) PV; (b) MMC.
It can be seen from Table 2 that when different types of asymmetrical faults occur at different fault locations, the PM/nh and PN/nh calculated at the protection installation points at both ends can correctly identify the fault direction, indicating that the operation performance is good under different types of asymmetrical faults.

Table 2.
Performance of directional elements under different fault types.
5.2. Effect of Transition Resistance on Directional Element
In order to verify the influence of different transition resistances on the directional element scheme, a ground fault is set at the fault points of f1, f3 and f5 in the topology of Figure 1, and the transition resistances are 0.01 Ω, 50 Ω, 100 Ω and 300 Ω, respectively. The calculation results of wave function F(h) are shown in Figure 15, Figure 16 and Figure 17.

Figure 15.
Fault F(h) results at f1. (a) PV; (b) MMC.

Figure 16.
Fault F(h) results at f3. (a) PV; (b) MMC.

Figure 17.
Fault F(h) results at f5. (a) PV; (b) MMC.
The wave function F(h) is substituted into Equation (30) for calculation, and the fault area is identified according to the calculation results combined with Equation (31). The discrimination results are shown in Table 3. The calculation results of αM and αN simulation in 0.01~300 Ω of A-phase ground fault under different fault locations are shown in Figure 18 and Figure 19.

Table 3.
The performance of directional elements is affected by different transition resistors.

Figure 18.
Calculation results of αM at different fault locations.

Figure 19.
Calculation results of αN at different fault locations.
As can be seen from Table 3 and Figure 18 and Figure 19, when AG is grounded by different transition resistors, the calculated PM/nh and PN/nh on the photovoltaic side and MMC side are consistent with the criteria. They can reliably identify faults in the forward and reverse direction, are not affected by the transition resistance, and have good performance under high-resistance conditions.
5.3. Effect of Photovoltaic Output on Directional Element
In order to verify the influence of different outputs of photovoltaic stations on the operational performance of the directional element scheme, a ground fault was set at the fault points of f1, f3 and f5 in the topology of Figure 1, and the output of photovoltaic stations was 0%, 20%, 50% and 75%, respectively. The calculation results of the wave function F(h) are shown in Figure 20, Figure 21 and Figure 22.

Figure 20.
Fault F(h) results at f1. (a) PV; (b) MMC.

Figure 21.
Fault F(h) results at f3. (a) PV; (b) MMC.

Figure 22.
Fault F(h) result at f3. (a) PV; (b) MMC.
It can be seen from Table 4 that under the influence of different outputs of photovoltaic sites, the protection of the photovoltaic side and the MMC side can correctly identify the fault direction, the action performance of directional components is not affected by the change of photovoltaic output, and the fault area can be correctly identified.

Table 4.
Performance of directional element under different PV output.
5.4. Effect of Noise on Directional Element
The wave function F(h) was substituted into Equation (30) for calculation, and the discrimination results were shown in Table 5. The A-phase ground fault simulation was carried out at different fault locations and 20 dB–45 dB white noise was added. The calculation results of the wave function F(h) are shown in Figure 23, Figure 24 and Figure 25. The results of αM and αN calculation were shown in Figure 26 and Figure 27.

Table 5.
Performance of directional element under different noise interference.

Figure 23.
Fault F(h) results at f1. (a) PV; (b) MMC.

Figure 24.
Fault F(h) results at f3. (a) PV; (b) MMC.

Figure 25.
Fault F(h) results at f5. (a) PV; (b) MMC.

Figure 26.
Calculation results of αM at different fault locations.

Figure 27.
Calculation results of αM at different fault locations.
It can be seen from Table 5 and Figure 26 and Figure 27 that under the influence of noise, the wave functions PM/nh and PN/nh calculated at the protection installation point of the photovoltaic side and the MMC side are consistent with the criterion, which can reliably identify the fault direction and its operating performance is not affected by noise.
5.5. Comparison with Existing Methods
A control test has been added to the paper, and the results compared with the results of directional elements mentioned in the existing literature are shown in the Table 6 below.

Table 6.
Performance of directional element under different noise interference.
It can be seen from the table that the method proposed in this paper has strong resistance to transition resistance on the basis of considering the control strategy.
6. Conclusions
For the AC lines connected to the grid by the flexible DC in large-scale photovoltaic plants, the fault characteristics of the two sides of the power supply are controlled by a power electronic converter, which is different from that of the traditional AC system, causing severe challenges to the traditional directional components. Based on this study, the following conclusions can be drawn as follows:
- (1)
- Under the negative sequence current suppression control strategy, the amplitude of the negative sequence impedance of the photovoltaic system is infinite and fluctuates, while the amplitude of the negative sequence impedance of the MMC system under the negative sequence voltage suppression control strategy is much smaller than that of the photovoltaic system;
- (2)
- The protection scheme proposed in this paper is suitable for the photovoltaic station with the power electronic power supply on both sides to send out the grid-connected line through the flexible DC. Considering the two-terminal control strategy, it can realize the rapid identification of the fault direction at both ends, which is not affected by the fault location, and has strong resistance to transition resistance and noise.
- (3)
- The protection scheme proposed in this paper can be applied to any type of asymmetric fault, and the protection scheme under all fault types will be further studied in the future.
Author Contributions
Conceptualization, Y.L. and J.H.; methodology, W.Y.; validation, W.Y. and R.C.; formal analysis, W.Y.; investigation, F.P.; resources, J.H.; data curation, X.W.; writing—original draft preparation, W.Y.; writing—review and editing, J.H.; visualization, X.W.; supervision, W.H.; project administration, J.H.; funding acquisition, J.H. All authors have read and agreed to the published version of the manuscript.
Funding
This work has been supported by the Science and technology project of South Network Research Institute under SEPRI-K22B055, the National Key Research and Development Program under 2021YFB1507000, the Natural Science Fund project of Xinjiang Uygur Autonomous Region under 2022D01C662, the ‘Tianshan Talent Cultivation’ program under 2022TSYCLJ0019, and the ‘Tianchi Talent Introduction’ program.
Data Availability Statement
The original contributions presented in the study are included in the article, further inquiries can be directed to the corresponding authors.
Conflicts of Interest
Author Xiaofang Wu was employed by the company Electric Power Research Institute of State Grid Xinjiang Electric Power Co., Ltd. The remaining authors declare that the research was conducted in the absence of any commercial or financial relationships that could be construed as a potential conflict of interest.
References
- Ding, M.; Wang, W.S.; Wang, X.L.; Song, Y.T.; Chen, D.Z.; Sun, M. A review on the effect of large-scale PV generation on power systems. Proc. CSEE 2014, 34, 1–14. [Google Scholar]
- Zou, C.Y.; Wei, R.H.; Feng, J.J.; Zhou, Y.B. Development status and application prospect of VSC-HVDC. South. Power Syst. Technol. 2022, 16, 1–7. [Google Scholar]
- Li, Y.; Luo, Y.; Xu, S.K.; Zhou, Y.B.; Yuan, Z.C. VSC-HVDC transmission technology: Application, advancement and expectation. South. Power Syst. Technol. 2015, 9, 7–13. [Google Scholar]
- Feng, J.J.; Xin, Q.M.; Zhao, X.B.; Fu, C.; Yuan, Z.Y.; Huang, B.Y.; Zhou, Y.B.; Zhou, C.Y.; Hou, T. Integrated design scheme of VSC-HVDC system for large-scale renewable energy ultra-long-distance transmission. South. Power Syst. Technol. 2023, 18, 34–44. [Google Scholar]
- Song, G.B.; Tao, R.; Li, B.; Hu, J.B.; Wang, C.Q. Waveform Distance Coefficient Based Directional Element for AC Transmission Line Protection Near Inverter Station. Autom. Electr. Power Syst. 2017, 41, 2–12. [Google Scholar]
- Ji, X.T.; Liu, D.; Xiong, P.; Chen, Y.; Yang, L.; Wen, M.H. Survey of fault analysis and protection for power system with large scale power electronic equipments. Autom. Electr. Power Syst. 2024, 48, 140–149. [Google Scholar]
- Yang, Q.F.; Liu, Y.Q.; Zhu, Y.M.; Chen, G.B. Improved Negative Sequence Directional Element for Transmission Line Connecting DFIG. Autom. Electr. Power Syst. 2019, 43, 118–126. [Google Scholar]
- Niu, W.M.; Fan, Y.F.; Zhang, X.Y.; Ma, J. Novel parameter identification directional element based on impedance amplitude fluctuation difference. Power Syst. Prot. Control. 2023, 51, 117–125. [Google Scholar]
- He, J.H.; Wang, Y.R.; Li, M.; Du, X.T.; Yu, T.W. New Fault Direction Identification Based on Current Distortion Characteristics in High Proportion PV Distribution System. Power Syst. Technol. 2023, 47, 4856–4865. [Google Scholar]
- Liu, W.; Lai, Q.H.; Liu, H.Y.; Zhang, Z.; Tan, Z.L. Novel method of fault direction identification for inverter-interfaced power supply access. Electr. Power Autom. Equip. 2020, 40, 205–212. [Google Scholar]
- Ali, H.; Reza, I. A new directional element for microgrid protection. IEEE Trans. Smart Grid 2018, 9, 6862–6876. [Google Scholar]
- Xu, G.J.; Liang, Y.Y.; Zha, W.T.; Huo, Y.T.; Qin, X.T.; Wang, C. Adaptability analysis of directional relay for transmission line out-sending from photovoltaic power plant. Power Syst. Technol. 2019, 43, 1632–1639. [Google Scholar]
- Li, Y.B.; Jia, K.; Bi, T.S.; Yan, R.G.; Chen, R.; Yang, Q.X. Influence Mechanism of Inverter-Interfaced Renewable Energy Generators on Fault Component Based Directional Relay. Power Syst. Technol. 2017, 41, 3230–3236. [Google Scholar]
- Zhu, Y.F.; Zhao, H.C.; Chen, Z.G.; Xu, C.J.; Sun, X.J.; Sun, J.J.; Wu, H.; Wang, X.G.; Wang, X.G.; Wang, W.H.; et al. Fault direction discriminating element used for the distribution network with IIG integration. Electr. Power 2019, 52, 76–82. [Google Scholar]
- Hashemi, S.M.; Hagh, M.T.; Seyedi, H. Transmission-line protection: A directional comparison scheme using the average of superimposed components. IEEE Trans. Power Deliv. 2013, 28, 955–964. [Google Scholar] [CrossRef]
- Chen, Y.; Wen, M.H.; Hu, L.X.; Qi, X.W.; Wang, Z.; Sun, Z.C. Fault direction identification for outgoing line of DFIG-based wind farm. Proc. CSU-EPSA 2020, 32, 1–6. [Google Scholar]
- Chen, Y.; Wen, M.; Yin, X. Distance protection for transmission lines of DFIG-based wind power integration system. Int. J. Electr. Power Energy Syst. 2018, 100, 438–448. [Google Scholar] [CrossRef]
- Ji, X.T.; Liu, D.; Xiao, F.; Chen, Y.; Xiong, P.; Wen, M.H. Principle of Fault Direction Identification for the Outgoing Line of Inverter Power Station Based on the Correlation of Reactive Current Waveforms. High Volt. Eng. 2023, 49, 4816–4826. [Google Scholar]
- Vygoder, M.; Banihashemi, F.; Gudex, J.; Eggebeen, A.; Oriti, G.; Cuzner, R.M. A Novel Protection Design Process to Increase Microgrid Resilience. IEEE Trans. Onindustryapplications 2024, 60, 5372–5387. [Google Scholar] [CrossRef]
- Nahas, E.W.; Abd el-Ghany, H.A.; Mansour, D.E.A.; Eissa, M.M. Extensive analysis of fault response and extracting fault features for DC microgrids. Alex. Eng. J. 2021, 60, 2405–2420. [Google Scholar] [CrossRef]
- Zheng, T.; Song, X.Y. Fast protection scheme for ac transmission line based on the ratio of high and low frequency energy of transient traveling wave. Power Syst. Technol. 2022, 46, 4616–4629. [Google Scholar]
- Yang, M.Y.; Chen, H.J.; Qin, T.X. Pilot Protection for Half-wavelength AC Transmission Line Based on Power Frequency Fault Traveling Wave. J. North China Electr. Power Univ. 2022, 49, 52–61+70. [Google Scholar]
- Kong, L.G.; Cai, G.W. Research on control method of inverters for large-scale grid-connected photovoltaic power system. Power Syst. Prot. Control 2013, 41, 57–63. [Google Scholar]
- Jia, K.; Gu, C.J.; Bi, T.S.; Wei, H.S.; Yang, Q.X. Fault characteristics and line protection within the collection system of a large-scale photovoltaic power plant. Trans. China Electrotech. Soc. 2017, 32, 189–198. [Google Scholar]
- Liang, Y.Y.; Yang, Q.X.; Liu, J.Z.; Zhang, T. Deadbeat direct power control for MMC-HVDC under unbalanced grid voltages. Trans. China Electrotech. Soc. 2015, 30, 15–25. [Google Scholar]
- Huang, T. Study on Impact Mechanism of Wind Power Integration on Protective Relaying and New Sufficient Criterion Protection Schemes. Ph.D. Thesis, Southeast University, Nanjing, China, 2017. [Google Scholar]
- Wang, F.; Duarte, J.L.; Hendrix, M.A.M. Pliant active and reactive power control for grid-interactive converters under unbalanced voltage dips. IEEE Trans. Power Electron. 2011, 26, 1511–1521. [Google Scholar] [CrossRef]
- Wu, L.P.; Wang, X.H.; Yan, D.; Ma, W.C.; Zhou, N.; Yu, H. Control Strategy for Fault Component Impedance Reconstruction of Flexible DC Converter Considering Relay Protection Requirement. Autom. Electr. Power Syst. 2023, 47, 110–119. [Google Scholar]
- Huang, T.; Lu, Y.P.; Cai, C. Analysis of phase angle characteristics of DFIG equivalent sequence superimposed impedances and its impact on fault components based direction relay. Proc. CSEE 2016, 36, 3929–3940. [Google Scholar]
- Roozbeh, K.; Donald, G.H.; Brebdan, P.M. Control of Active and Reactive Power Ripple to Mitigate Unbalanced Grid Voltages. IEEE Trans. Ind. Appl. 2016, 52, 1660–1668. [Google Scholar]
Disclaimer/Publisher’s Note: The statements, opinions and data contained in all publications are solely those of the individual author(s) and contributor(s) and not of MDPI and/or the editor(s). MDPI and/or the editor(s) disclaim responsibility for any injury to people or property resulting from any ideas, methods, instructions or products referred to in the content. |
© 2024 by the authors. Licensee MDPI, Basel, Switzerland. This article is an open access article distributed under the terms and conditions of the Creative Commons Attribution (CC BY) license (https://creativecommons.org/licenses/by/4.0/).