A 23–29 GHz GaN Low-Noise Amplifier with Drain-to-Source Coupling Feedback
Abstract
1. Introduction
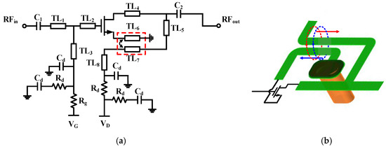
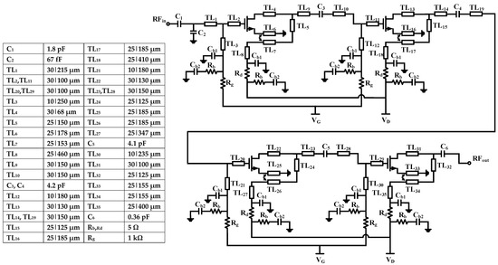
2. Circuit Design
2.1. Drain-to-Source Coupled-Line Feedback Analysis
2.2. Wide Bandpass Interstage Matching Network
3. Measurement Results
4. Conclusions
Author Contributions
Funding
Data Availability Statement
Conflicts of Interest
References
- Li, D.; Xia, Q.; Huang, J.; Li, J.; Chang, H.; Sun, B.; Liu, H. A 4-mW Temperature-Stable 28 GHz LNA with Resistive Bias Circuit for 5G Applications. Electronics 2020, 9, 1225. [Google Scholar] [CrossRef]
- Wan, J.; Li, X.; Han, F.; Qi, Q.; Liu, X.; Chen, Z. A 19.6–39.4 GHz Broadband Low Noise Amplifier Based on Triple-Coupled Technique and T-Coil Network in 65-nm CMOS. Electronics 2022, 11, 1833. [Google Scholar] [CrossRef]
- Qin, P.; Xue, Q. Compact Wideband LNA with Gain and Input Matching Bandwidth Extensions by Transformer. IEEE Microw. Wirel. Compon. Lett. 2017, 27, 657–659. [Google Scholar] [CrossRef]
- Gurol, E.; Ozboz, S.S.; Ozkan, T.A.; Kalyoncu, İ.; Gurbuz, Y. Highly Linear Low-Noise Amplifier with Novel Two-Mode Feedback Control Method. IEEE Microw. Wirel. Technol. Lett. 2024, 34, 310–313. [Google Scholar] [CrossRef]
- Wang, Z.; Hou, D.; Li, Z.; Zhou, P.; Chen, Z.; Chen, J.; Hong, W. A Linearity-Enhanced 18.7–36.5-GHz LNA with 1.5–2.1-dB NF for Radar Applications. IEEE Microw. Wirel. Compon. Lett. 2022, 32, 972–975. [Google Scholar] [CrossRef]
- Thome, F.; Schwantuschke, D.; Brückner, P.; Wang, X.; Hwang, J.C.; Quay, R. A <5 dB NF, >17 dBm OP1dB F-Band GaN-on-SiC HEMT LNA with a Monolithic Substrate-Integrated Waveguide Filter. In Proceedings of the 2024 IEEE/MTT-S International Microwave Symposium (IMS), Washington, DC, USA, 16–21 June 2024. [Google Scholar]
- Tong, X.; Zhang, S.; Zheng, P.; Huang, Y.; Xu, J.; Shi, X.; Wang, R. A 22–30-GHz GaN Low-Noise Amplifier with 0.4–1.1-dB Noise Figure. IEEE Microw. Wirel. Compon. Lett. 2019, 29, 134–136. [Google Scholar] [CrossRef]
- Ahn, H.; Ji, H.; Kang, D.; Son, S.-M.; Lee, S.; Han, J. A 26–30 GHz GaN HEMT Low-Noise Amplifier Employing a Series Inductor-Based Stability Enhancement Technique. Electronics 2022, 11, 2716. [Google Scholar] [CrossRef]
- Pace, L.; Longhi, P.E.; Ciccognani, W.; Colangeli, S.; Vitulli, F.; Deborgies, F.; Limiti, E. DC Power-Optimized Ka-Band GaN-on-Si Low-Noise Amplifier with 1.5 dB Noise Figure. IEEE Microw. Wirel. Compon. Lett. 2022, 32, 555–558. [Google Scholar] [CrossRef]
- Liu, H.; Zhang, Z.; Yang, X.; Zhang, G. A 23–31 GHz high-gain GaN low-noise amplifier using T-type matching networks and multiple feedback techniques for broadband 5G millimeter-wave applications. Microw. Opt. Technol. Lett. 2023, 65, 507–512. [Google Scholar] [CrossRef]
- Dai, Z.; Li, C.; Yan, J.; Zhang, T.; Bao, H. A Low-power, High-gain and Excellent Noise Figure GaN-on-SiC LNA Monolithic Microwave Integrated Circuit (MMIC) operating at Ka-band for 5G/6G Application. Appl. Comput. Electromagn. Soc. J. 2023, 38, 822–828. [Google Scholar] [CrossRef]
- Thome, F.; Neininger, P.; Krause, S.; Peter, B.; Quay, R. Broadband Low-Noise Ka-Band Front-End MMIC in a 0.15-µm GaN-on-SiC HEMT Technology. In Proceedings of the 2024 IEEE/MTT-S International Microwave Symposium (IMS), Washington, DC, USA, 16–21 June 2024. [Google Scholar]
- Cassan, D.; Long, J. A 1-V Transformer-Feedback Low-Noise Amplifier for 5-GHz Wireless LAN in 0.18-μm CMOS. IEEE J. Solid-State Circuits 2003, 38, 427–435. [Google Scholar] [CrossRef]
- Li, X.; Shekhar, S.; Allstot, D. Gm-boosted Common-Gate LNA and Differential Colpitts VCO/QVCO in 0.18-μm CMOS. IEEE J. Solid-State Circuits 2005, 40, 2609–2619. [Google Scholar]
- Amer, A.; Hegazi, E.; Ragai, H. A Low-Power Wideband CMOS LNA for WiMAX. IEEE Trans. Circuits Syst. II Express Briefs 2007, 54, 4–8. [Google Scholar] [CrossRef]
- Wu, L.; Leung, H.; Luong, H. Design and Analysis of CMOS LNAs with Transformer Feedback for Wideband Input Matching and Noise Cancellation. IEEE Trans. Circuits Syst. I Regul. Pap. 2017, 64, 1626–1635. [Google Scholar] [CrossRef]
- Liang, W.; Hong, W.; Chen, J. Analysis and Design of a Voltage–Current Transformer Feedback Neutralization Network with an Arbitrarily Chosen Coupling-Factor. IEEE Trans. Microw. Theory Tech. 2013, 61, 3892–3904. [Google Scholar] [CrossRef]
- Kim, J.; Hoyos, S.; Silva-Martinez, J. Wideband Common-Gate CMOS LNA Employing Dual Negative Feedback with Simultaneous Noise, Gain, and Bandwidth Optimization. IEEE Trans. Microw. Theory Tech. 2010, 58, 2340–2351. [Google Scholar] [CrossRef]
- Nguyen, T.; Kim, C.; Ihm, G.; Yang, M.; Lee, S. CMOS Low-Noise Amplifier Design Optimization Techniques. IEEE Trans. Microw. Theory Tech. 2004, 52, 1433–1442. [Google Scholar] [CrossRef]
- Rudolph, M.; Chaturvedi, N.; Hirche, K.; Wurfl, J.; Heinrich, W.; Trankle, G. Highly rugged 30 GHz GaN low-noise amplifiers. IEEE Microw. Wirel. Compon. Lett. 2009, 19, 251–253. [Google Scholar] [CrossRef]
- Sato, M.; Niida, Y.; Kamada, Y.; Ozaki, S.; Ohki, T.; Makiyama, K.; Okamoto, N.; Joshin, K. Q-band InAlGaN/GaN LNA using current reuse topology. In Proceedings of the 2016 IEEE MTT-S International Microwave Symposium (IMS), San Francisco, CA, USA, 22–27 May 2016. [Google Scholar]
- Tong, X.; Zhang, L.; Zheng, P.; Zhang, S.; Xu, J.; Wang, R. An 18–56-GHz Wideband GaN Low-Noise Amplifier with 2.2–4.4-dB Noise Figure. IEEE Microw. Wirel. Compon. Lett. 2020, 30, 1153–1156. [Google Scholar] [CrossRef]















| Stage | Width | Effective Coupling Length | Space | Odd/Even Mode Impedance |
|---|---|---|---|---|
| stage 1 | 25 μm | 68 μm | 10 μm | 57.3/121.8 Ω |
| stage 2 | 25 μm | 100 μm | 10 μm | 54.7/127.7 Ω |
| stage 3 | 25 μm | 100 μm | 10 μm | 54.7/127.7 Ω |
| stage 4 | 25 μm | 75 μm | 10 μm | 56.4/123.8 Ω |
| Reference | This Work | [3] | [4] | [5] | [8] | [9] | [20] | [21] | [22] |
|---|---|---|---|---|---|---|---|---|---|
| Technology | 0.15-μm GaN-on-SiC | 65-nm CMOS | 0.13-μm CMOS SOI | 0.1-μm GaAs | 0.15-μm GaN-on-SiC | 0.1-μm GaN-on-Si | 0.15-μm GaN-on-SiC | 0.12-μm GaN-on-SiC | 0.1-μm GaN-on-Si |
| Frequency (GHz) | 23.6–29.8 | 15.8–30.3 | 22–28 | 18.7–36.5 | 26–30 | 27–31 | 27–31 | 33–41 | 18–56 |
| Gain (dB) | 23.7 | 10.2 | 13.2 | 15.9 | 20.2 | 20 | 19.6 | 15 | 21.5 |
| NF (dB) | 2.2–3.0 | 3.3–5.7 | 3.07 | 1.5–2.1 | 2.42–2.56 | 1.5 | 3.7–3.9 | 3–4 | 2.2–4.4 |
| OP1dB (dBm) | 13 | N.A. | 3 | 15 | 17.2 | 16 | N.A. | 13 | 10 |
| Area (mm2) | 4.44 | 0.18 | 1.7 | 0.96 | 2.66 | 3 | 4.08 | 0.7 | 4.8 |
| Power (mW) | 200 | 12.4 | 32.67 | 66 | 320 | 150 | 430 | 280 | 1400 |
| FoM * | 11.02 | 10.76 | 3.73 | 25.43 | 1.75 | 6.46 | 0.63 | 0.91 | 5.81 |
Disclaimer/Publisher’s Note: The statements, opinions and data contained in all publications are solely those of the individual author(s) and contributor(s) and not of MDPI and/or the editor(s). MDPI and/or the editor(s) disclaim responsibility for any injury to people or property resulting from any ideas, methods, instructions or products referred to in the content. |
© 2024 by the authors. Licensee MDPI, Basel, Switzerland. This article is an open access article distributed under the terms and conditions of the Creative Commons Attribution (CC BY) license (https://creativecommons.org/licenses/by/4.0/).
Share and Cite
Mao, F.; Chen, Z.; Li, B.; Wu, Z.; Chen, X.; Guan, Q. A 23–29 GHz GaN Low-Noise Amplifier with Drain-to-Source Coupling Feedback. Electronics 2024, 13, 4154. https://doi.org/10.3390/electronics13214154
Mao F, Chen Z, Li B, Wu Z, Chen X, Guan Q. A 23–29 GHz GaN Low-Noise Amplifier with Drain-to-Source Coupling Feedback. Electronics. 2024; 13(21):4154. https://doi.org/10.3390/electronics13214154
Chicago/Turabian StyleMao, Fengyuan, Zhijian Chen, Bin Li, Zhaohui Wu, Xinhuang Chen, and Quansheng Guan. 2024. "A 23–29 GHz GaN Low-Noise Amplifier with Drain-to-Source Coupling Feedback" Electronics 13, no. 21: 4154. https://doi.org/10.3390/electronics13214154
APA StyleMao, F., Chen, Z., Li, B., Wu, Z., Chen, X., & Guan, Q. (2024). A 23–29 GHz GaN Low-Noise Amplifier with Drain-to-Source Coupling Feedback. Electronics, 13(21), 4154. https://doi.org/10.3390/electronics13214154

