Abstract
Pre-synchronization control is needed when the microgrid changes from an off-grid state to a grid-connected state. Aiming to resolve the problems of frequency overstep and voltage fluctuation in traditional pre-synchronous grid-connection schemes, a micro-grid pre-synchronous grid-connection scheme is proposed that can solve both frequency overstep and voltage fluctuation at the same time. Firstly, the feedforward disturbance compensation V/f control strategy of the load voltage and current is introduced to the energy storage system to suppress voltage fluctuations caused by power changes. Then, the V/f control strategy of the energy storage system is improved to suppress voltage fluctuations caused by frequency fluctuations when the starting phase of pre-synchronization is enacted. Finally, PI parameters are optimized based on the golden jackal optimization algorithm to meet the requirements of frequency fluctuation and grid-connection speed in the pre-synchronization process. A large number of simulation experiments demonstrate the effectiveness of the proposed method.
1. Introduction
The urgency of energy crises and environmental pollution issues has propelled the rapid development of microgrids [1,2]. A microgrid is a new type of network structure that is composed of distributed energy sources, loads, energy storage systems, and control devices [3]. The development and expansion of a microgrid can fully promote large-scale access to distributed power and renewable energy and realize a highly reliable supply of various forms of energy, which is an effective way to accomplish the transition from traditional power grids to smart grids [4]. Existing distribution networks typically consist of multiple microgrids composed of components such as distributed generation (DG), energy storage systems, and loads [5,6,7]. These microgrids can switch between off-grid and grid-connected modes, thus requiring pre-synchronization control for islanded microgrids before grid connection [8,9,10,11,12,13].
During the transition of a microgrid from islanded to grid-connected operations, it is essential to smoothly adjust the electrical quantities on both sides of the grid connection switch [14,15,16,17]. Parameters related to this process need attention and control, with voltage and frequency being focal points. Droop control is generally suitable for the stable operation of isolated microgrids; it is a proportional adjustment method but may face challenges during the transition to grid-connected states [18,19]. Currently, energy storage systems controlled through V/f control are commonly used to stabilize the voltage and frequency of islanded microgrids [20,21,22,23]. Improvements are made to this control structure to achieve pre-synchronization adjustments of the voltage, frequency, and phase. However, fluctuations in wind and solar output in the islanded scenarios can cause voltage fluctuations. The improper selection of proportional–integral (PI) parameters during phase adjustment can lead to the inability of the microgrid to operate stably within the specified frequency range, resulting in excessive voltage fluctuations. This is a technical challenge that needs to be addressed during the microgrid’s transition from the islanded to grid-connected states [24,25].
In the grid pre-synchronization process, voltage fluctuations are related to changes in the photovoltaic (PV) output and frequency fluctuations. To address this, voltage fluctuations caused by changes in PV output are generally controlled. In the study of [26], fluctuations in wind and solar power are adaptively decomposed and a hybrid energy storage system is used to suppress the power fluctuations. In the study of [27], the output power of hybrid energy storage is adaptively optimized based on the charged state of the supercapacitor and the power that it bears, and a fuzzy algorithm is utilized to suppress voltage fluctuations. In the study of [28], improved V/f control with feedforward disturbance compensation of the load voltage and current is employed to mitigate voltage fluctuations. However, these methods do not consider the impact of the frequency fluctuations on the voltage and may lead to current surges, thereby affecting the safe and stable operation of equipment. To date, the issue of voltage fluctuations in the pre-synchronization and grid connection process of the islanded microgrids has not been effectively resolved.
Regarding the frequency control during pre-synchronization, the existing frequency control schemes are primarily improvements upon the traditional dual-loop control. They incorporate the phase difference into the frequency control loop by introducing a proportional–integral (PI) controller, thus achieving a phase difference adjustment that reaches zero. In the study of [28], based on the traditional pre-synchronization control, the simplex algorithm is employed to optimize the PI parameters of the phase difference loop. Through this approach, the rapidity of pre-synchronization can be suppressed and frequency excursions are prevented during the adjustment process. In the study of [22], the discretized nonlinear phase-difference system is transformed into a compact local linearized data model, thus achieving the pre-synchronization phase in the ship microgrid pre-synchronization process through intelligent self-learning control. However, these solutions do not take into account voltage fluctuations in the microgrid caused by frequency fluctuations during the pre-synchronization process, and the algorithms are relatively complex. Therefore, further research is needed on the frequency exceedance issue in the pre-synchronization process of islanded microgrids.
To address voltage fluctuations and frequency exceedance issues during the pre-synchronization process of islanded microgrids, this paper proposes a grid-connected pre-synchronization scheme capable of suppressing voltage fluctuations and avoiding frequency exceedance simultaneously. Firstly, the improved V/f control is built to mitigate fluctuations in wind and solar power within the energy storage system, and a new reference value is introduced during the pre-synchronization phase process by taking the difference between the q-axis components of the grid and islanded microgrid voltages. This helps to suppress voltage fluctuations caused by frequency variations. Secondly, as the phase difference integrates into frequency control through a PI loop, a differential component with a coefficient is introduced to enhance the damping of the frequency control, thereby suppressing frequency fluctuations during pre-synchronization and improving the ability of the microgrid system to avoid frequency exceedance. Lastly, the golden jackal optimization (GJO) algorithm is applied to optimize the PI parameters of the phase difference adjustment to address issues related to grid connection speed and frequency fluctuations. To validate the effectiveness of the proposed scheme, a simulation platform for the islanded microgrid pre-synchronization and grid connection is built, and a high number of simulation experiments confirm the efficacy of the proposed scheme.
2. Microgrid Structure and Control System
In this paper, the AC microgrid structure utilized is shown in Figure 1. It mainly consists of a point of common coupling (PCC), a main control unit (energy storage system and main inverter), a secondary control unit (photovoltaic and secondary inverter), and loads. When the PCC is closed, the system operates in grid-connected mode; when the PCC is open, the system transits to the islanded mode. In the islanded mode, disconnected from the main grid, the energy storage system employs V/f control to provide stable voltage and frequency support to the microgrid. The photovoltaic system utilizes a PQ control strategy to maintain power balance in the microgrid.
Figure 1.
Schematic diagram of microgrid structure.
3. Improved Pre-Synchronization Control Strategy Based on V/f Control
When an islanded microgrid is to be connected to the grid, pre-synchronization control is essential. Pre-synchronization control means adjusting the voltage amplitude, phase difference, and frequency at both ends of the point of common coupling (PCC) to the required range before grid connection. This is implemented to suppress the power impact on both sides of the PCC during the grid connection. The main control unit carries out the pre-synchronization process using an energy storage system with V/f control. Both references [28,29,30] employ a traditional pre-synchronization grid-connection structure, as shown in Figure 2, in which represents the main grid voltage; represents main grid frequency; represents main grid phase; represents microgrid voltage; represents microgrid frequency; and represents microgrid phase.
Figure 2.
Diagram of traditional pre-synchronization control structure.
Traditional pre-synchronization schemes for islanded microgrids are ineffective in addressing voltage fluctuations and frequency excursions, leading to power impacts during the pre-synchronization grid connection process, which is unfavorable for the safe and stable operation of the power grid.
3.1. Optimization Scheme for Suppressing Voltage Fluctuations
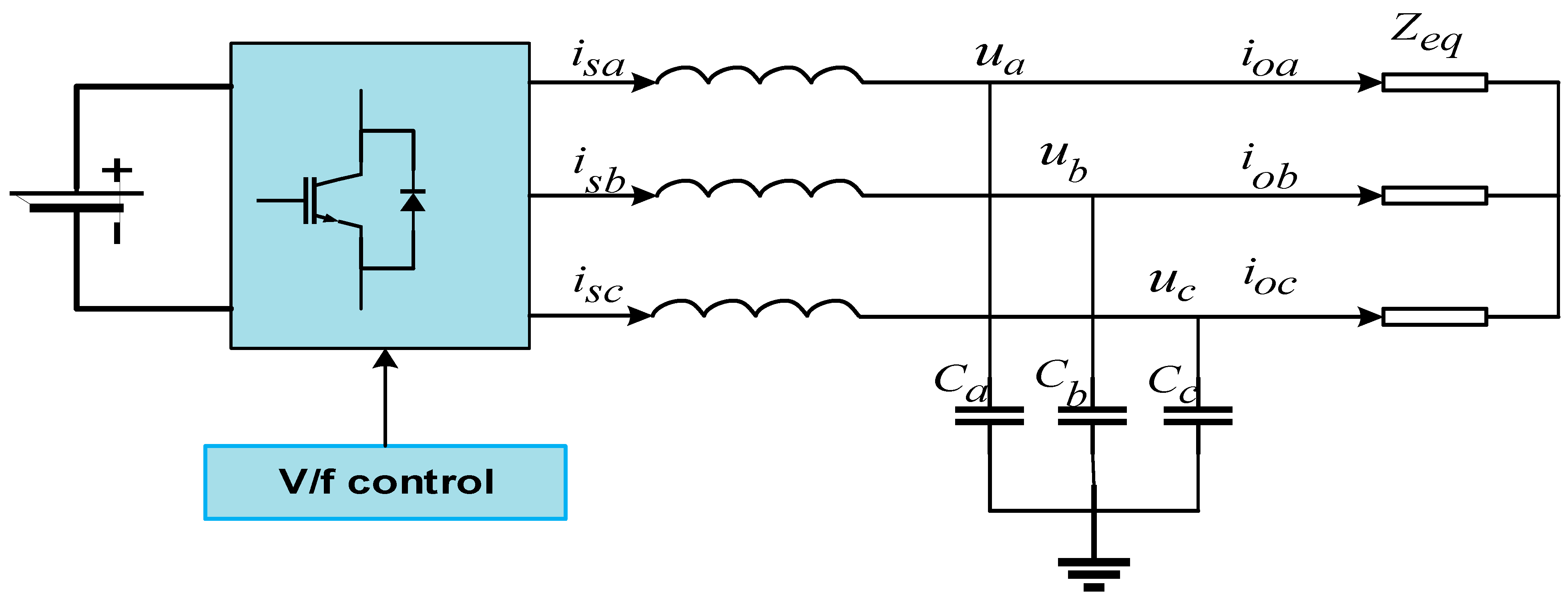
When the microgrid operates in islanded mode, in the energy storage inverter, V/f control is adopted for voltage and frequency regulation. The external simplified circuit of the energy storage system is shown in Figure 3, in which , represent the three-phase currents of the energy storage system; and are the three-phase voltages at the point of common coupling (PCC); are the three-phase currents flowing toward the PCC; are three-phase filter capacitors; and is the external equivalent reactance of the energy storage. For simplicity, it is assumed that the three-phase system remains symmetrical.
Figure 3.
Schematic diagram of traditional pre-synchronization control structure.
Voltage fluctuations occur in the independently operating islanded microgrids, mainly for the following two reasons.
Firstly, the internal generation and load power are balanced when a microgrid operates in the islanded mode. Based on Figure 3, the differential equation for the AC time-varying current of the filtering capacitor can be written as follows:
Because there is no zero-sequence component in a three-phase symmetrical AC system, implementing the dq transformation to Equation (1) yields:
From Equation (2), it can be understood that due to the influence of the equivalent load currents and as well as the filtering capacitor C, and at the point of common coupling (PCC) will be affected. Moreover, there is cross-coupling between them. Therefore, the fluctuations in the output power of the photovoltaic system can easily cause voltage oscillations at the PCC by affecting and .
Secondly, the power flow within the microgrid can be expressed by the following equation [28]:
In (3), represent the total active power and total reactive power of the photovoltaic and energy storage; represent the fluctuation values of the active and reactive power; represent the power of the load; represents the equivalent resistance of the load; is the quality factor of the load; is the resonance frequency of the load; represents the voltage of the islanded microgrid; and represents the frequency of the islanded microgrid.
During the pre-synchronization adjustment process, when the phase difference is incorporated into the frequency control loop through the proportional–integral (PI) loop, the selected PI parameters must meet the speed requirements for grid connection. The chosen parameters will also be relatively large. As indicated by Equation (3), it is known that the rapid changes in frequency can also cause oscillatory fluctuations in voltage. However, the traditional pre-synchronization grid-connection schemes cannot address this issue.
To accelerate the energy storage system’s response speed and voltage stability capability, the feedforward disturbance compensation for load voltage and current is introduced into the V/f control. Additionally, the difference between the q-axis components of the grid-side voltage and the microgrid voltage, which is fed through a PI controller, is taken as the q-axis voltage reference component, as illustrated in Figure 4. This is implemented to mitigate the impact of the phase pre-synchronization process on voltage stability.
Figure 4.
Enhanced V/f control structure.
According to the improved V/f control depicted in Figure 4 and Equation (2), the simplified control block diagram of the energy storage system can be derived, as illustrated in Figure 5. It can be observed that, with the introduction of feedforward disturbance compensation, the voltages and at the point of common coupling (PCC) are independently decoupled. They are not affected by the equivalent load current and filter capacitance. Therefore, it is possible to reduce the impact of the photovoltaic output variations on microgrid voltage stability through internal feedforward compensation. Additionally, introducing the difference between the q-axis component of the voltage in the main grid side and the q-axis component of the microgrid voltage as a new q-axis voltage reference component through a proportional–integral (PI) controller allows for the early introduction of a stable q-axis value into V/f control. This enhances the robustness of the system, effectively mitigates voltage fluctuations caused by rapid frequency changes during the phase adjustment process, and strengthens the microgrid’s ability to maintain a stable voltage level.
Figure 5.
Equivalent control block diagram of the energy storage system.
3.2. Optimization and Improvement of Frequency and Phase Control Loops
Traditional frequency and phase pre-synchronization control requires compliance with grid connection speed and frequency deviation constraints. Based on the structure of the traditional frequency and phase pre-synchronization control, a difference function can be constructed as:
In (4), represent the real-time frequency and phase values of the microgrid, while represent the main grid’s frequency and phase values.
From Equation (4), it can be inferred that at time , the frequency and phase pre-synchronization adjustment is initiated, and at time , the pre-synchronization adjustment is completed. At this point, the microgrid’s frequency is consistent before and after the pre-synchronization startup, i.e., the value of at the endpoints of the interval [, ] are 0. According to the mean value theorem for derivatives (Rolle’s theorem), there must exist a point [, ] such that = 0. Therefore, within the interval [, ], there exists a point satisfying the following equation.
Therefore, the deviation of frequency and phase during the microgrid pre-synchronization process is related to the and in the PI controller. The frequency difference function graph is illustrated in Figure 6 based on Equation (5).
Figure 6.
Frequency deviation function.
From Figure 6, it is evident that selecting too large and during the pre-synchronization process can result in frequency deviation, thus affecting the safe and stable operation of the isolated microgrid. Conversely, choosing overly conservative values for and can lead to too small an adjustment in the phase angle, causing prolonged delays in completing the pre-synchronization control and hindering grid connection and closure operations.
The existing empirical and heuristic approaches for selecting PI controller parameters provide a reference for the traditional pre-synchronization grid connection control design. However, this approach is unable to meet the constraints of grid connection speed and frequency deviation.
Therefore, to address the issue of frequency deviation in the system, phase adjustment is implemented by incorporating the phase difference control loop into the frequency control loop, as shown in Figure 7. The improved phase difference control achieves early suppression of frequency fluctuations by controlling the slope changes of the phase difference, enhancing the system’s ability to avoid frequency deviation. This modification also provides a broader range for selecting appropriate PI parameters, thereby reducing the adjustment time for phase under the same conditions.
Figure 7.
Improved phase angle deviation control loop.
In addition, to ensure compliance with the grid connection speed and mitigate frequency deviation constraints, appropriate PI parameters for the phase difference loop need to be selected for different phase differences at both ends of the point of common coupling (PCC). Existing approaches include the Internal Model Control, Pole Placement, Neural Network, and Genetic Algorithm, among others. However, these methods often require specific transfer functions to be obtained. Since the expression for the phase difference is challenging to determine, it is necessary to find a suitable optimization algorithm to optimize the parameters. The golden jackal optimization (GJO) algorithm mentioned in reference [31] provides a framework for optimizing PI parameters in this paper. GJO is an optimization algorithm inspired by the behavior of jackals in the natural world. Its principles are as follows:
Firstly, individual “jackals” are randomly distributed within the parameter space of the optimization problem. The fitness of each individual is calculated, and the jackal population is divided into two parts: the male jackal, which is the best individual among all, and the female jackal, which is the second-best individual among all. Each individual adopts different behavioral strategies during the search process to find the optimal solution. These behaviors include hunting, exploring, and cooperating. After each iteration, the algorithm evaluates the objective function value for each individual to determine their performance in the problem space. Based on the evaluation of the objective function, the positions of individuals are updated until the iteration is completed, and the optimal values are output. After t iterations, the positions of jackals are updated using Equation (6).
In (6), represents the prey avoidance energy; is a random number; denotes the prey’s position; and is the updated position based on the male and female jackals.
Through the above process, the GJO algorithm allows individuals to collaborate in the search space while employing diverse strategies to explore the global optimum.
The control objective of the microgrid frequency and phase control loops is to rapidly adjust the phase difference at the point of common coupling (PCC) to a permissible range for the grid connection. During this process, it is essential to ensure that the frequency does not exceed the specified range. According to the standard GB/T 33589-2017 [32], for the microgrids connected at the 380 V voltage level, the grid connection point frequency should be within the range of 49.5 Hz~50.2 Hz. To meet the requirements of grid connection speed and avoid frequency deviation during the microgrid pre-synchronization process, this paper proposes the following pre-synchronization optimization control strategy:
To address the constraint issue of phase difference adjustment in Equation (7) during pre-synchronization, the PI parameters of the phase difference PI loop are optimized using the GJO algorithm.
3.3. Islanded Microgrid Pre-Synchronization and Grid Connection Optimization Plan
With the lengthy computation time of the GJO optimization algorithm considered, the PI parameters of the phase difference control loop are unsuitable for online optimization. Meanwhile, due to the cost of conducting the actual microgrid system experiments, constructing an equivalent simulated experimental scenario for parameter optimization calculations is a reasonable and effective alternative.
For the voltage fluctuations and frequency deviation issues during the microgrid pre-synchronization process, the optimized control strategy outlined in Figure 8 is presented in this paper. The specific steps are as follows:
Figure 8.
Pre-synchronization and grid connection optimization strategy flowchart.
(1) Based on the actual microgrid, the simulation environment for the solar and storage microgrid is constructed in Simulink, and the GJO algorithm is employed to optimize the PI control parameters of the phase difference control loop during the pre-synchronization process under different phase differences. This optimization is conducted to meet the grid connection speed requirements and avoid exceeding frequency limits, thus generating an optimized parameter table.
(2) When the grid pre-synchronization command is issued, an energy storage V/f control structure with feedforward disturbance compensation is introduced. This structure can internally suppress the voltage fluctuations caused by photovoltaic output while zeroing the voltage difference and frequency difference at both ends of the point of common coupling (PCC).
(3) The appropriate PI parameters are selected based on the actual operating conditions for the phase pre-synchronization adjustment so that the grid connection speed and frequency exceeding issues are dealt with. At this point, a new q-axis voltage is introduced as the q-axis reference voltage to mitigate the voltage fluctuations caused by the frequency changes during the phase adjustment process.
(4) During the pre-synchronization process, if it is determined that the grid connection conditions at both ends of the PCC are satisfied, the grid connection operations can proceed.
4. Simulation Verification
To further validate the effectiveness of the proposed solution, a solar and storage microgrid model based on the Simulink simulation platform is constructed, as shown in Figure 1. Simulation verification is conducted for the control strategy proposed in this paper, and the main parameters of the system are listed in Table 1.
Table 1.
System key parameters table.
The timing sequence for the islanded microgrid pre-synchronization control is as follows: (1) initiate pre-synchronization adjustment at 0 s, (2) zero the voltage difference and frequency difference at both ends of the point of common coupling (PCC) from 0 to 0.45 s, and the zeroing of the phase difference starts from 0.45 s.
4.1. Generation of Optimized PI Parameter Table
Assuming that the microgrid can stably track the grid frequency before and after the pre-synchronization process, it can be inferred from Equation (3) that the optimization of PI parameters is primarily related to the phase difference ∆θ at both ends of the point of common coupling (PCC). The GJO algorithm optimizes the PI parameters for the different phase differences, with each ∆θ interval set at 10 degrees. Some data from the PI parameter optimization table are shown in Table 2.
Table 2.
Optimized PI parameter table.
In practical applications, if the corresponding PI parameters cannot be found in the phase difference table, it is necessary to select PI parameters associated with nearby phase differences. Additionally, the absolute value of the chosen PI parameters should be greater than the actual total value of the phase difference. This ensures that during the pre-synchronization process, the frequency remains within the specified range. For example, when the phase difference −73.5°, the corresponding PI parameters should be chosen from the table with −80°, ensuring that the frequency fluctuation during pre-synchronization does not fall below 49.5 Hz, thus guaranteeing the stability of the microgrid system’s frequency.
4.2. Improved Simulation Analysis of Voltage Pre-Synchronization Control
Figure 9 gives a comparative analysis of the voltage adjustment process between the traditional V/f pre-synchronization structure and the improved V/f pre-synchronization structure proposed in this paper.
Figure 9.
The voltage waveforms under different V/f control structures: (a) the variation in the voltage waveforms with the phase differences for only the feedforward compensation in V/f control; (b) the voltage waveforms with the new q-axis voltage reference control on the top of the feedforward compensation introduced.
Figure 9 shows that under the same parameters, as the phase difference increases, the voltage fluctuation during the phase pre-synchronization adjustment process becomes more significant. In comparison to the V/f control with only the feedforward compensation, the microgrid voltage, under the improved V/f control strategy, exhibits a smoother transition in the voltage adjustment for varying phase differences. Now, an analysis of the magnitude of voltage fluctuations before and after the pre-synchronization in the two schemes is presented.
When the phase difference is −90°, calculated from the Equation (8), the voltage fluctuation with only the feedforward compensation V/f control is = 17.363. However, when the improved V/f control strategy controls the system, the voltage fluctuation is reduced to 2.574. Therefore, the improved V/f control strategy can better suppress the voltage fluctuations throughout the pre-synchronization process, thus ensuring that the voltage remains stable within the specified range.
4.3. Simulation Analysis Based on Improved Phase-Frequency Loop Control
In the traditional frequency and phase difference regulation stages, a set of fixed values for PI parameters is chosen based on the empirical values. After analysis and consulting relevant works in the literature, is selected as 5.5 and as 80. When the fixed parameters no longer suit the current phase difference value, the phase adjustment process may cause frequency fluctuations beyond the specified limit. To address this, a differential component is added to the traditional phase difference loop, effectively enhancing the ability of the system to avoid frequency exceedance during the process of accelerating the phase adjustment and improving the speed of the grid connection, as shown in Figure 10.
Figure 10.
The voltage waveforms under different V/f control structures.
On this basis, the PI parameters in the phase difference loop are determined according to the GJO optimized parameters in Table 1 for phase pre-synchronization. Taking phase differences of −110°, −70°, and −30° at both ends of the PCC as examples, the phase adjustment process and frequency variation from 0.3 s to 1.3 s are illustrated in Figure 11.

Figure 11.
The phase pre-synchronization process under different PI parameters.
Figure 10 and Figure 11 show that the improved phase pre-synchronization stage ensures the rapid achievement of phase pre-synchronization at both ends of the PCC within the allowable frequency range. Compared to the traditional pre-synchronization approaches, fixed PI parameters are only effective for specific phase differences, making them challenging for applications in engineering. The addition of a differential component effectively enhances the ability of the system to avoid the frequency exceedance and shortens the phase adjustment time, but it still falls short when the phase difference does not align with the current PI parameter values, failing to meet the frequency requirements during the grid connection pre-synchronization process. As shown in Figure 11a–c, when the phase difference is too large, the fixed PI parameters for the phase pre-synchronization lead to the microgrid’s frequency exceeding the allowable range due to the coupling relationship between frequency and phase angle. Conversely, when the phase difference is small, the fixed PI parameters fail to achieve the phase pre-synchronization rapidly, resulting in a slower grid connection speed. Therefore, PI parameters optimized based on the GJO algorithm ensure the rapidity of the microgrid grid connection process.
To demonstrate the effectiveness of the frequency constraint in Equation (7) and the optimization achieved by the GJO algorithm, the frequency nadir corresponding to a phase difference of −60° is taken as the lower limit under the constraint with the untuned conventional PI parameter with a value of 49.56 utilized, and all the other simulation conditions remain unchanged after optimization through the GJO algorithm; the corresponding frequency adjustment curve is depicted by the blue line in Figure 11d. It is evident that the untuned value is underestimated, similar to the curve associated with the conventional PI parameters. However, after optimizing the PI parameters, the phase difference adjustment occurs more rapidly. Therefore, this validates the effectiveness of the frequency constraint range specified in Equation (7), and at the same time the optimized PI parameters ensure their optimality.
5. Conclusions
In this paper, an improved pre-synchronization scheme is proposed to address the issues of voltage fluctuations and frequency exceedance during the grid connection pre-synchronization process of microgrids and its effectiveness is verified through simulations.
An enhanced voltage pre-synchronization adjustment method is introduced. The V/f control of energy storage units is utilized to undertake the traditional pre-synchronization stage of the system, with the introduction of feedforward compensation to mitigate the impact of the photovoltaic output on the microgrid voltage stability. Additionally, a new q-axis voltage reference component is introduced to address the voltage fluctuations during the pre-synchronization phase.
An improved frequency and phase difference control structure is proposed. Before incorporating the traditional phase difference loop into the frequency loop, a differential component with a coefficient is added to enhance the ability of the system to avoid the frequency exceedance and shorten the phase adjustment process. Furthermore, a method is designed to optimize the PI parameters of the phase loop based on the GJO algorithm. Compared to the traditional phase pre-synchronization process, the improved control structure ensures the rapidity of the phase pre-synchronization process under the different phase differences and meets the frequency allowance range.
A microgrid pre-synchronization and grid connection scheme that simultaneously suppresses voltage fluctuations and avoids frequency exceedance is designed and verified through simulations. The results indicate that the proposed improved pre-synchronization and grid connection scheme can effectively suppress the voltage fluctuations during the pre-synchronization and grid connection process and achieve rapid phase pre-synchronization within the frequency operating range.
Author Contributions
Conceptualization, Y.Q. and R.G.; methodology, Y.Q.; validation, Y.Q., Z.W. and T.L.; writing—original draft preparation, Y.Q.; writing—review and editing, Y.Q., R.G. and J.X.; project administration, R.G.; funding acquisition, R.G. All authors have read and agreed to the published version of the manuscript.
Funding
This research was funded by the National Natural Science Foundation of China, grant number 61561007, and the Natural Science Foundation of Guangxi Province, China, grant number 2017GXNSFAA198168.
Data Availability Statement
The data used to support the findings of the study are available within the article.
Conflicts of Interest
The authors declare no conflicts of interest.
References
- Li, Z.; Zhu, W.; Wang, G. Charging Dispatching Strategy for Islanded Microgrid Battery-Swapping Stations. Electronics 2024, 13, 49. [Google Scholar] [CrossRef]
- Shang, L.; Hu, R.; Wei, T.; Ci, H.; Zhang, W.; Chen, H. Multiobjective Optimization for Hybrid AC/DC Distribution Network Structure Considering Reliability. In Proceedings of the 2021 IEEE Sustainable Power and Energy Conference (iSPEC), Nanjing, China, 23–25 December 2021; pp. 3034–3041. [Google Scholar]
- Souza, M.E., Jr.; Freitas, L.C. Power Electronics for Modern Sustainable Power Systems: Distributed Generation, Microgrids and Smart Grids—A Review. Sustainability 2022, 14, 3597. [Google Scholar] [CrossRef]
- Swibki, T.; Ben Salem, I.; Kraiem, Y.; Abbes, D.; El Amraoui, L. Imitation Learning-Based Energy Management Algorithm: Lille Catholic University Smart Grid Demonstrator Case Study. Electronics 2023, 12, 5048. [Google Scholar] [CrossRef]
- Azeredo, L.F.S.; Yahyaoui, I.; Fiorotti, R.; Fardin, J.F.; Garcia-Pereira, H.; Rocha, H.R.O. Study of Reducing Losses, Short-Circuit Currents and Harmonics by Allocation of Distributed Generation, Capacitor Banks and Fault Current Limiters in Distribution Grids. Appl. Energy 2023, 350, 121760. [Google Scholar] [CrossRef]
- Amirkhan, S.; Radmehr, M.; Rezanejad, M.; Khormali, S. A Robust Control Technique for Stable Operation of a DC/AC Hybrid Microgrid under Parameters and Loads Variations. Int. J. Electr. Power Energy Syst. 2020, 117, 105659. [Google Scholar] [CrossRef]
- Liu, X.; Zhang, Y.; Suo, Y.; Song, X.; Zhou, J. Large-Signal Stability Analysis for Islanded DC Microgrids with N+1 Parallel Energy-Storage Converters. Electronics 2023, 12, 4032. [Google Scholar] [CrossRef]
- Ansari, S.; Chandel, A.; Tariq, M. Seamless Plug-in Plug-out Enabled Fully Distributed Peer-to-Peer Control of Prosumer-Based Islanded AC Microgrid. Sustain. Energy Technol. Assess. 2023, 55, 102958. [Google Scholar] [CrossRef]
- Li, H.; Meng, K.; Peng, Y.; Li, X. Control Strategy for Seamless Switching of Virtual Synchronous Generators Based on Secondary Frequency and Voltage Regulation. Alex. Eng. J. 2022, 61, 10477–10484. [Google Scholar] [CrossRef]
- Gao, S.; Zhang, Z.; Hu, Y.; Tang, X.; Zhang, Z. Seamless Switching of Three-Phase Inverters Grid-Connected and Off-Grid Based on Virtual Synchronous Generator Technology. In Proceedings of the 2021 33rd Chinese Control and Decision Conference (CCDC), Kunming, China, 22–24 May 2021; pp. 962–966. [Google Scholar]
- Wang, P.; Yang, X.; Wang, W.; Liu, G.; Xu, D. A Seamless Switching Control Strategy of Photovoltaic Units in Droop-Controlled DC Microgrids. In Proceedings of the 2015 IEEE Energy Conversion Congress and Exposition (ECCE), Montreal, QC, Canada, 20–24 September 2015; pp. 6206–6211. [Google Scholar]
- Fang, T.; Jiang, W.; Hu, W. A Seamless Switching Technology Based on VSG Applied to Microgrid. In Proceedings of the 2022 International Conference on Artificial Intelligence and Computer Information Technology (AICIT), Yichang, China, 16–18 September 2022; pp. 1–5. [Google Scholar]
- Awad, H.; Bayoumi, E.H.E.; Soliman, H.M.; De Santis, M. Robust Tracker of Hybrid Microgrids by the Invariant-Ellipsoid Set. Electronics 2021, 10, 1794. [Google Scholar] [CrossRef]
- Ma, M.; Jiang, W.; Hu, W. Pre-Synchronization Method of Virtual Synchronous Generator Applied to Microgrid. In Proceedings of the 2023 2nd International Conference on Artificial Intelligence and Computer Information Technology (AICIT), Yichang, China, 15–17 September 2023; pp. 1–4. [Google Scholar]
- Wang, G.; Wang, X.; Gao, X. Improved Seamless Switching Control Strategy for AC/DC Hybrid Microgrid. IEEE Access 2021, 9, 55790–55801. [Google Scholar] [CrossRef]
- Buduma, P.; Das, M.K.; Naayagi, R.T.; Mishra, S.; Panda, G. Seamless Operation of Master–Slave Organized AC Microgrid with Robust Control, Islanding Detection, and Grid Synchronization. IEEE Trans. Ind. Appl. 2022, 58, 6724–6738. [Google Scholar] [CrossRef]
- Wang, H.; Wang, M.; Cheng, Q.; Lv, S.; Ji, X. Modeling Simulation and Inverter Control Strategy Research of Microgrid in Grid-Connected and Island Mode. Energy Rep. 2022, 8, 206–218. [Google Scholar] [CrossRef]
- Gomes, A.C.; de Campos, A.S.C.; Lopes, L.A.C.; de Morais, A.S.; Tofoli, F.L.; da Silva, F.V.R. Analysis of a Static Model for DC Microgrids Based on Droop and MPPT Control. Int. Trans. Electr. Energy Syst. 2019, 29, e2778. [Google Scholar] [CrossRef]
- Tayab, U.B.; Roslan, M.A.B.; Hwai, L.J.; Kashif, M. A Review of Droop Control Techniques for Microgrid. Renew. Sustain. Energy Rev. 2017, 76, 717–727. [Google Scholar] [CrossRef]
- Liu, W.; Xu, Y.; Feng, X.; Wang, Y. Optimal Fuzzy Logic Control of Energy Storage Systems for V/f Support in Distribution Networks Considering Battery Degradation. Int. J. Electr. Power Energy Syst. 2022, 139, 107867. [Google Scholar] [CrossRef]
- Zhu, X.; Wang, K.; Yang, J.; Huang, L.; Shen, B.; Sun, M. Research on the Control Strategy of Grid Connection between Shore Power Supply and Ship Power Grid. Energy Rep. 2022, 8, 638–647. [Google Scholar] [CrossRef]
- Ghasemi, N.; Ghanbari, M.; Ebrahimi, R. Intelligent and Optimal Energy Management Strategy to Control the Micro-Grid Voltage and Frequency by Considering the Load Dynamics and Transient Stability. Int. J. Electr. Power Energy Syst. 2023, 145, 108618. [Google Scholar] [CrossRef]
- Toularoud, M.S.; Rudposhti, M.K.; Bagheri, S.; Salemi, A.H. A Hierarchical Control Approach to Improve the Voltage and Frequency Stability for Hybrid Microgrids-Based Distributed Energy Resources. Energy Rep. 2023, 10, 2693–2709. [Google Scholar] [CrossRef]
- Chen, L.; Huang, Q.; Jia, M.; Yuan, X. Modeling and Simulation Analysis of Hybrid AC/DC Distribution Network Based on Flexible DC Interconnection. Power Syst. Technol. 2018, 42, 1410–1416. [Google Scholar]
- Liang, J.; Zang, Q.; Jiang, Y.; Zhou, W.; Wang, Z.; Yi, H.; Bai, Y. Research on Multi-Mode Control and Seamless Transfer Strategy between Grid-Connected and Islanding Operation of PV Inverter without Energy Storage. Adv. Technol. Electr. Eng. Energy 2023, 42, 39–47. [Google Scholar]
- Syed, M.A.; Khalid, M. Neural Network Predictive Control for Smoothing of Solar Power Fluctuations with Battery Energy Storage. J. Energy Storage 2021, 42, 103014. [Google Scholar] [CrossRef]
- Zhang, L.; Zhang, T.; Zhang, K.; Hu, W. Research on Power Fluctuation Strategy of Hybrid Energy Storage to Suppress Wind-Photovoltaic Hybrid Power System. Energy Rep. 2023, 10, 3166–3173. [Google Scholar] [CrossRef]
- Wu, Y.; Ye, Y.; Ma, X. Pre-Synchronization Scheme with Voltage Fluctuation Suppression and Frequency Out-of-Limit Avoidance for Grid Connection of Islanded Microgrid. Autom. Electr. Power Syst. 2021, 45, 56–64. [Google Scholar]
- Zhang, C.; Xu, J.; Qing, H. Seamless Transferring Control Strategy for Master-Slave Microgrid Inverter in Whole Off-Grid Process. Autom. Electr. Power Syst. 2022, 46, 125–133. [Google Scholar]
- Yao, W.; Pei, C.; Chi, R.; Li, B.; Guo, Y. Pre-Synchronization Control Strategy for a Microgrid of Merchant Marine with Intelligent Self-Learning Control. Power Syst. Prot. Control 2023, 51, 82–93. [Google Scholar]
- Chopra, N.; Ansari, M.M. Golden Jackal Optimization: A Novel Nature-Inspired Optimizer for Engineering Applications. Expert Syst. Appl. 2022, 198, 116924. [Google Scholar] [CrossRef]
- GB/T 33589-2017; Technical Requirements for Connecting Microgrid to Power System. Standardization Administration of the People’s Republic of China: Beijing, China, 2017; pp. 1–9.
Disclaimer/Publisher’s Note: The statements, opinions and data contained in all publications are solely those of the individual author(s) and contributor(s) and not of MDPI and/or the editor(s). MDPI and/or the editor(s) disclaim responsibility for any injury to people or property resulting from any ideas, methods, instructions or products referred to in the content. |
© 2024 by the authors. Licensee MDPI, Basel, Switzerland. This article is an open access article distributed under the terms and conditions of the Creative Commons Attribution (CC BY) license (https://creativecommons.org/licenses/by/4.0/).











