Next Article in Journal
Parameter Estimation of Power System Oscillation Signals under Power Swing Based on Clarke–Discrete Fourier Transform
Next Article in Special Issue
Development of an On-Shaft Vibration Sensing Module for Machine Wearable Rotor Imbalance Monitoring
Previous Article in Journal
Power Allocation Based on Multi-Agent Deep Deterministic Policy Gradient for Underwater Acoustic Communication Networks
Previous Article in Special Issue
Integrating Lorenz Hyperchaotic Encryption with Ring Oscillator Physically Unclonable Functions (RO-PUFs) for High-Throughput Internet of Things (IoT) Applications
 
 
Font Type:
Arial Georgia Verdana
Font Size:
Aa Aa Aa
Line Spacing:
Column Width:
Background:
Article

Scalable and Multi-Channel Real-Time Low Cost Monitoring System for PEM Electrolyzers Based on IoT Applications

by
Ana Belén Paredes-Baños
1,
Angel Molina-Garcia
1,*,
Antonio Mateo-Aroca
1 and
José Javier López-Cascales
2
1
Department of Automatics, Electrical Engineering and Electronic Technology, Universidad Politécnica de Cartagena, 30202 Cartagena, Spain
2
Department of Chemical and Environmental Engineering, Universidad Politécnica de Cartagena, 30203 Cartagena, Spain
*
Author to whom correspondence should be addressed.
Electronics 2024, 13(2), 296; https://doi.org/10.3390/electronics13020296
Submission received: 9 November 2023 / Revised: 23 December 2023 / Accepted: 28 December 2023 / Published: 9 January 2024

Abstract

This paper discusses and evaluates a novel multi-channel real-time architecture aimed at monitoring a Proton Exchange Membrane (PEM) electrolyzer, both at the individual cell and stack levels. The proposed solution includes two primary subsystems: a hardware subsystem dedicated to data acquisition (DAQ) and a software subsystem focused on monitoring purposes. The DAQ subsystem utilizes an Arduino platform, being an affordable and open-source solution. The real-time monitoring data can be encoded in JSON format, widely used as a light-weight inter-exchange data format between a variety of IoT applications. They are also available to be transferred to Excel. Indeed, and to enhance convenience, the proposed system integrates graphs displaying a template based on Excel spreadsheets, which are commonly used in industrial environments. The current, voltage, temperature, and pressure data of both individual cells and stacks were monitored and collected, being configurable under a variety of ranges. As a case study, the validation of the system involved static and dynamic operational modes using a 1.2 kW PEM electrolyzer prototype (100 A, 1 A/cm 2 ). The results successfully provided the monitored variables across individual cells and within the stack. The proposed approach exhibits relevant key characteristics such as scalability, flexibility, user-friendliness, versatility, and affordability and are suitable to monitor PEM electrolyzers in real-time at both the cell and stack levels.

1. Introduction

The use of hydrogen as a clean energy carrier, free from environmental pollutants, has become a pivotal alternative for future advancements in global power systems [1]. The integration of hydrogen technology is expected to reduce dependence on fossil fuels and the associated carbon emissions [2]. Moreover, the adoption of hydrogen technologies is in line with the pursuit of the United Nation’s Sustainable Development Goals, with a particular emphasis on goal 7, ensuring access to affordable and clean energy [3]. Indeed, hydrogen applications are strategically aligned with the advancement of this goal. Hydrogen production technologies are typically classified based on their fundamental operational principles, specifically Polymer Electrolyte Membrane (PEM), alkaline, and solid-state approaches. In recent years, there has been a growing research focus on membrane-based electrolysis [4]. This approach presents several advantages, including the absence of net carbon emissions during operation, as it generates only hydrogen, oxygen, and water, as well as the ability to replicate and integrate multiple single-unit membrane electrodes into a stack. Furthermore, the coupling of PEM electrolyzers with renewable energy sources is encouraged due to their rapid response to changes in operating conditions [5]. As noted by Kumar et al. [6], PEM water electrolysis is among the preferred methods for converting renewable energy into high-purity hydrogen. In fact, the application of membrane-based electrolysis to facilitate the use of hydrogen in transportation and industrial applications is expected to gain significant traction in the next 5 to 10 years. In this way, Fragiacomo et al. [7] emphasized the significance of monitoring parameters within the hydrogen fueling infrastructure. This practice can yield substantial advantages, including improved energy efficiency by increasing percentages and achieving high-performance benchmarks, which are indicative of a high degree of flexibility, reduced H 2 consumption, and cost-effective operations for both hydrogen advanced mobility and hydrogen fueling infrastructure systems. In addition, the utilization of the Internet of Things (IoT) in the pursuit of sustainable development is focused on the creation of engineered systems [8], promoting environmental protection and preservation of natural ecosystems [9]. By interconnecting various systems through sensor and communication technologies, IoT for sustainability strives to establish a paradigm that harmonizes the community’s objectives of ecological and environmental conservation while ensuring economic stability and security [10]. The profound synergy between the Internet of Things and sustainability is paramount and cannot be overstated [11].
The domain of hydrogen facilities also necessitates further empirical investigations; while simulation-based approaches offer value, they cannot faithfully replicate real-world conditions, rendering experimental research indispensable for the comprehensive study and assessment of hydrogen-related equipment operation. Considerable literature exists on PEM electrolyzers based on emulators [12], hardware-in-the-loop [13], and software simulation methodologies [14]. Nonetheless, there is a noticeable scarcity of research papers presenting experimental measurements, practical operation under real-world conditions, as well as the handling of data (acquisition, storage, and transmission) over an extended duration. Within this context, experimental tests and demonstrative projects assume a critical role in devising new methods and tools to tackle the forthcoming challenges in the energy grid [15]. In this way, Lebbal et al. [16] affirmed that this need has arisen to develop an effective supervisory system enabling users to assess the operational status of the hydrogen production station, as well as identify potential risks to themselves and the surrounding environment. In this context, there is a growing demand for automated DAQ, data logging and visualization tools to facilitate continuous monitoring and process surveillance [17]. The recent literature underscores the significance of DAQ and monitoring, particularly in the realm of energy-related infrastructure [18]. Monitoring systems are considered fundamental components in the shift toward decentralized energy generation frameworks [19]. Clarke et al. [20] described a stand-alone PEM water electrolysis system equipped with a comprehensive monitoring, control, and safety framework that encompasses all critical process parameters essential for ensuring its secure operation, including pressures, temperatures, flow rates, and water levels at multiple points, stack voltages, and stack currents, as well as hydrogen gas leak detection. In this case, the Oreion Alpha was designed to accommodate data logging instrumentation as required. In the context of advanced power grids, such as smart grids and microgrids, monitoring assumes paramount importance [21]. When considering microgrids incorporating hydrogen generation, the DAQ and monitoring system becomes an essential element of the energy management system [22], crucial for the efficient operation of the microgrid. According to the specific literature, there is a relevant number of contributions focused on microscopic PEM monitoring [23], real-time microscopic monitoring [24], or microsensor embedded in a PEM electrolyzer for real-time microscopic monitoring [25]. However, and in line with Folgado et al. [26] and as was previously pointed out, there is a lack of contributions focused on monitoring and DAQ activities specific to hydrogen generators. Pérez-Herranz et al. [27] also affirmed that it is imperative to incorporate and propose suitable components and implement a designed control system to attain autonomous operation and proficient energy management within the system.
To address this research gap, this paper describes and assesses a scalable and multi-channel real-time low-cost monitoring system for PEM electrolyzers based on IoT applications. Key parameters of the PEM electrolyzer are measured and collected by using an Arduino platform-based. The collected data are gathered through a middle-ware layer via a communication network and stores in a database. Real-time access to these data is facilitated through an Excel file, being able to exchange with other interfaces using IoT software. The main contributions of this work encompass (i) real-time monitoring of hydrogen generation parameters such as current, voltage, pressure, and hydrogen flow; (ii) provision of configuration and customization features, encompassing details about hardware and software components; (iii) establishment of access via an Excel file interface; and (iv) successful integration into IoT technology-based applications. The proposed monitored system has been assessed by using a laboratory fuel cell prototype, providing the validation of the developed system through experimental results. This work is in line with Calderón et al. [28], where a cost-effective and scalable multi-channel monitoring system based on an Arduino board was described. However, in that case, the authors proposed a NI LabVIEW program responsible for data logging and real-time monitoring. Monitoring systems based on commercial NI LabVIEW solutions can also be found in [29]. In the proposed methodology, Excel communication is introduced as well as an IoT interface, avoiding the LabVIEW intervention widely proposed in the specific literature for this kind of application [17].
The rest of the paper is structured as follows. Section 2 describes materials and methods proposed in this low-cost monitoring system. Section 3 presents a detailed discussion of visualization and results of the corresponding case study. Finally, a conclusion is provided in Section 4.

2. Materials and Methods

2.1. General Overview

Figure 1 illustrates an integrated hydrogen production process, where the main components are included and following discussed. Firstly, the water tank is used as the source of raw material for the electrolysis process. Within the tank, water undergoes decomposition through the application of an electric current within the stack. The stack is the core of the system, denoting the water electrolysis cell previously mentioned. In this cell, electrolysis splits water into hydrogen and oxygen. The stack comprises two electrodes submerged in water and separated by an electrolytic membrane. The electrode connected to the negative pole of the power source serves as the cathode, where water reduction occurs, resulting in the generation of hydrogen gas (H 2 ). The electrode linked to the positive pole acts as the anode, where water oxidation takes place, liberating gaseous oxygen (O 2 ). Both gases are subsequently collected and stored in the hydrogen storage vessel [30].
Open solutions refer to software tools, technologies, and systems that are created and distributed under open-source licenses. This implies that the source code of these solutions is openly accessible for anyone to alter, share, and utilize without proprietary constraints. Open solutions are grounded in the principles of collaboration and transparency, enabling a collective community of developers to participate in their evolution and ongoing enhancement. Consequently, open solutions tend to offer greater adaptability and personalization compared to commercial alternatives, enabling organizations to tailor them to their specific monitoring requirements. Furthermore, open solutions are often more cost-effective than commercial counterparts since they do not involve licensing fees, and upgrades are freely accessible to an entire user community. Hence, open solutions can be highly appealing for research initiatives demanding tailored and adaptable monitoring tools [31]. Under this framework, Arduino plays a crucial role in the proposed monitoring process of the hydrogen storage vessel. Indeed, Arduino serves as the central controller and is responsible for collecting data from sensors associated with each element in the system. The selected sensors are linked to Arduino, which receives signals from the sensors and processes the corresponding data. Through Arduino programming, sensor readings can be acquired and logged in real-time. The data obtained can be displayed on a screen or in Excel, which can be incorporated into the diagram to illustrate various reading parameters, such as temperature, pressure, current, voltage, and level. This enables effective monitoring of the status and performance of the hydrogen production process. Figure 2 shows a preliminary monitoring scheme of the proposed solution.
By considering the monitoring general scheme depicted in Figure 2, the aim of this solution is to address the monitoring and control of a PEM electrolyzer process in a five-stack operating at DC currents up to 200 A. To carry out this task, it is necessary to use several sensors and key components to collect accurate data and ensure a safe and efficient operation of the monitoring system. With regard to the selected sensors, firstly, a Hall effect-based current sensor is considered to measure and collect the electrical DC current of the PEM electrolyzer. This DC-current sensor is crucial to monitor and control the amount of electrical energy supplied to the electrolysis process, thus ensuring operation within the established limits. Another critical sensor in this system is the temperature sensor, in charge of measuring accurate data regarding the electrolyzer’s temperature. Indeed, monitoring temperature is crucial for maintaining and ensuring optimal performance and preventing damage to system components. Furthermore, data from this sensor empowers the system to take corrective actions in case of overheating or inadequate cooling. In addition, pressure monitoring is also vital for safe and efficient hydrogen production. An appropriately selected pressure sensor continuously oversees the pressure within the storage tank, promptly detecting fluctuations and ensuring they remain within the required operational parameters. This is pivotal in averting situations of excessive pressure, which could otherwise lead to equipment damage or pose safety risks. In terms of electrical parameters, a DC-voltage sensor is incorporated to measure and monitor the voltage applied to the electrolyzer. This sensor accurately collects input DC-voltage data, allowing for the verification of the system’s proper operational levels. Significant voltage variations could signal potential issues with the power supply or electrolyzer components. In addition to these sensors, two relays are selected and included as well in order to ensure precise control over the current flowing to the electrolyzer, with a range capacity of up to 200 A. These relays are integral for safeguarding the system, enabling the interruption or redirection of current in response to the detection of abnormal or hazardous pressure or current conditions. As was previosuly introduced, an Arduino board is selected as the interface for the sensors. This development platform facilitates seamless interconnection between the sensors and the monitoring system. Additionally, a 200 A fuse is included as an extra layer of protection against overloads or short circuits. This integrated system enables real-time data collection, the prompt identification of anomalies, and the timely implementation of corrective measures, thereby ensuring a safe, efficient, and reliable system operation.

2.2. Hardware: Sensoring Selection

The proper selection of components and sensors is crucial in monitoring projects, especially in those involving complex chemical processes, such as hydrogen production by water electrolysis carried out in the stack. The correct selection of components and sensors ensures accuracy and reliability of measurements, which is essential for the control and optimization of the hydrogen production process. Some of the most important reasons for choosing appropriate components and sensors are the following: (i) Functionality and compatibility: both components and sensors selected must meet the functional requirements of the monitoring system. They must be compatible with the technology used in the hydrogen production process and capable of measuring or monitoring critical parameters accurately and reliably. In addition, it is important to ensure that the components and sensors are compatible with the control and monitoring systems used in the process. (ii) Measurement range: sensors should provide a suitable measurement range to cover the expected values of the parameters to be collected. (iii) Accuracy and resolution: both properties have became more and more relevant for reliable measurements and accurate detection of parameter changes. (iv) Ruggedness and robustness: components and sensors used in a hydrogen procurement environment must be robust and able to withstand harsh conditions such as high temperatures, humidity, pressures, or corrosive chemicals. Consideration should be given to the ruggedness and classification of components and sensors in terms of resistance to the environment to be used. (v) Reliability and durability: selection of reliable and durable components and sensors to ensure and provide a long service life and minimize maintenance. In addition, the reliability and durability of components and sensors are critical for continuous and trouble-free monitoring of the hydrogen production process. Therefore, the selection of both sensors and components was carried out by considering the previous reasons and the price–performance ratio.
  • DS18B20 temperature sensors are employed for precise temperature monitoring in storage tank water and electrolyzer stacks. These sensors are distinguished by their exceptional accuracy and an extensive temperature measurement span. They can be strategically positioned in proximity to the electrolyzer stacks, facilitating real-time temperature supervision to sustain operation within the optimal temperature range. Furthermore, the sensors are instrumental in overseeing the water temperature within the tank, a critical facet to preclude scenarios of overheating or inadequate cooling for the electrolyzer system. Previous IoT/big data platform examples can be found in [32], where three temperature sensors (DS18B20), an Arduino Nano board, and Raspberry pi, were developed and deployed for the aim of measuring the temperature of the air trapped in the box for capturing the released heat by the fuel cell.
  • 300 PSI Pressure Sensor (5V DC Supply). This pressure sensor is deployed to facilitate the continuous monitoring of hydrogen storage pressure, with a capability to cover pressures up to 20 bars, thus ensuring adherence to safe operational parameters. Precise pressure regulation is of relevant importance to prevent situations where excessively high pressures may pose safety hazards or compromise system integrity. The data garnered from the pressure sensor enables the prompt implementation of corrective measures in the event of unexpected pressure fluctuations or deviations from the anticipated pressure thresholds. It is noteworthy that the potential for hydrogen ignition is comparably lower than that of gasoline vapors, with a range between 18.3% and 59%, as opposed to the 1% concentration of gasoline. Advanced IoT pressure-monitoring system for real-time examples can be found in [33].
  • The Voltage Sensor (FZ0430) is designated for the measurement and surveillance of the voltage applied to the electrolyzer. This sensor is able to measure voltages within the scope of this proposal. The voltage sensor is integrated into the electrical circuit to give accurate data regarding the voltage input to the electrolyzer. This solution enables the validation of system operation within specified voltage parameters. In addition, it facilitates the prompt identification of substantial fluctuations, indicative of potential issues or failures in the power supply or the electrolyzer components. Previous applications of this voltage sensors were focused on a low-cost power-smart meter prototype for PV installations [34].
  • Hall Effect Intensity Sensor (ACS722ECB-200B-PFF-T). This current sensor assumes a pivotal role in estimating the electrical current through the electrolyzer. This sensor is based on the Hall effect, being a voltage generated in direct proportion to the current coursing through a conductor. Note the bidirectional current-sensing capability, affording measurement of both positive and negative currents. Engineered to gauge currents up to 200 A, it aligns seamlessly with a diverse array of current monitoring and control applications. The sensor facilitates continuous surveillance of the current influx into the electrolyzer, ensuring strict adherence to the pre-established safety and operational thresholds. Hall-effect sensors were previously proposed to monitor the state of health of the fuel cell through the isolation of the individual voltage losses [35].
  • An Ultrasonic Sensor (HC-SR04) is used for accurate measurement of water levels within the tank. This sensor utilizes ultrasonic waves to ascertain the separation between the sensor and the water’s surface. Through emission of an ultrasonic signal and precise measurement of the time, the signal to reflect off the water surface is estimated and then, the sensor determines an accurate calculation of the distance thereby determining the water level in the tank. According to the specific literature, ultrasonic level measurement is one of the best technique used for continuous level measurement [36]. Indeed, the HC-SR04 ultrasonic sensor has relevant sensitivity, high penetrating power, and high frequency [37]. It is an example of a popular and versatile low-cost ultrasonic sensor, comprised of a transmitter and a receiver capable of transmitting and receiving 40 kHz signals, respectively (10 μs pulse is used to start the ranging) [38]. The results affirm that the HC-SR04 ultrasonic sensor, along with the measurement system implemented in Proteus, possesses the capability to deliver precise and optimal measurements of water levels within the tank. Furthermore, the incorporation of a potentiometer to simulate alterations at a distance proved to be a valuable method for verifying the proper functionality of the measurement system across various scenarios.
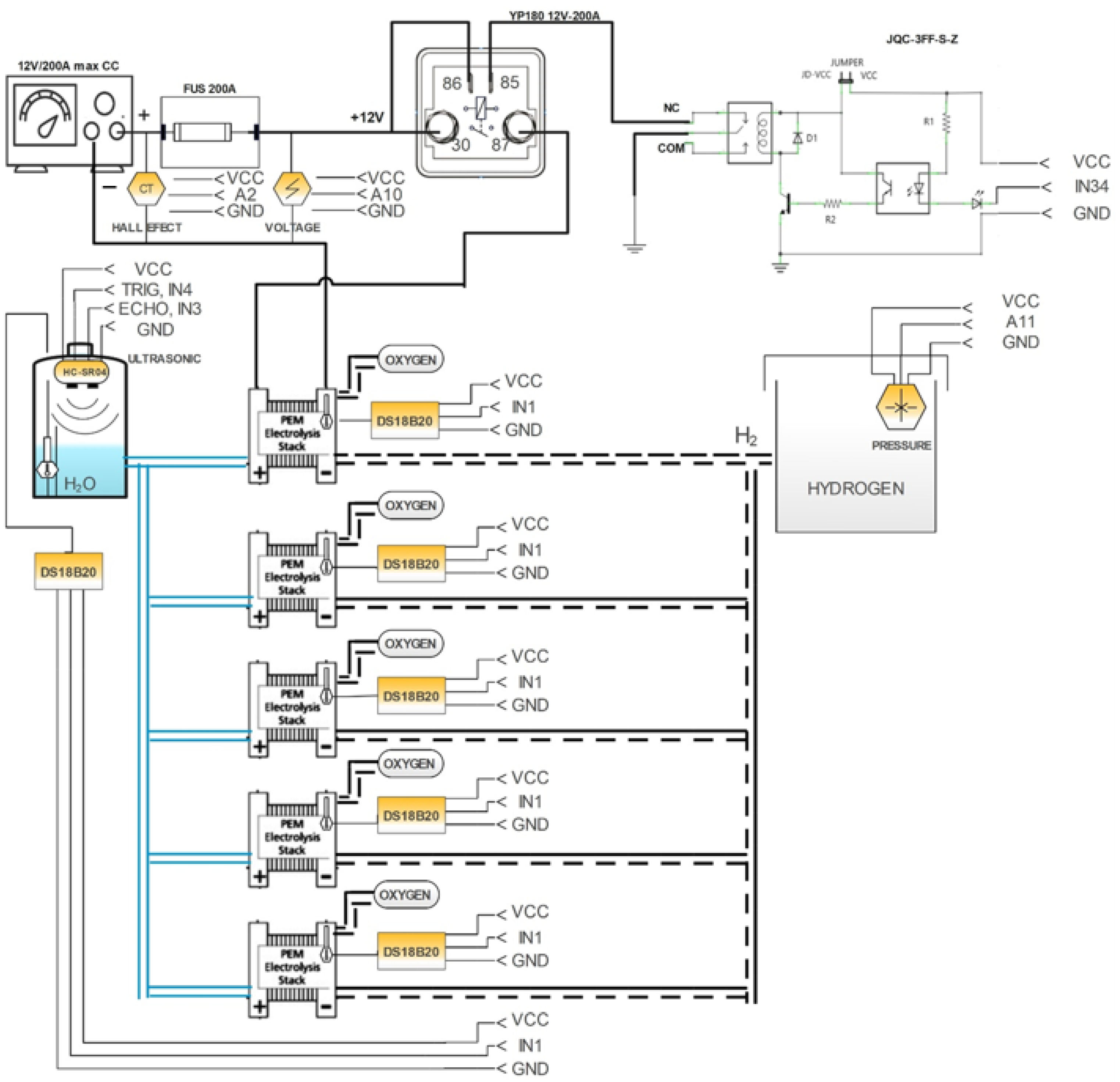
Figure 3 summarizes a general sensoring scheme by considering the selected sensor within a general overview. The significance of the selected components and the selected sensorization is crucial for understanding both functionality and effectiveness. Relays and fuses are also included for protection purposes. With this aim, a 200 A fuse is an active safeguard against potentially damaging overloads or short circuits. This critical component instantaneously interrupts the current flow, shielding other components from harm and preventing system failure. Complementing the fuse’s protective role are relays, controlling current flow and ensuring system stability. The YP180 12V-200A relay and the Arduino relay module JQC-3FF-S-Z are in charge of monitoring and controlling the electrolyzer for hydrogen production. The YP180 relay, configured as a normally open (NO) relay, functions as a switch that regulates the current flow within the system. The Arduino relay module JQC-3FF-S-Z interfaces with the NO relay and is responsible for detecting overload conditions. The NO relay is strategically positioned in series with the current pathway of the electrolyzer system. Under normal operating conditions, when the Arduino relay does not detect a current exceeding 200 A or a pressure surpassing 20 bars, the NO relay remains closed, enabling uninterrupted current flow to the electrolyzer. This configuration ensures that the electrolyzer operates safely and efficiently, preventing damage caused by excessive current or pressure. The Arduino relay module’s ability to detect anomalies and trigger protective measures safeguards the electrolyzer from potential hazards. The 200 A relay, when integrated with the Arduino relay module, becomes an indispensable element in detecting overload conditions and promptly implementing preventive measures. Figure 4 gives detailed information on the component connection.

2.3. Proposed Monitoring System: Connections, Software Code and Calibration

In line with other contributions, the proposed monitoring system hardware is developed following the simulation design using Fritzing, Proteus, and Arduino IDE software tools [39,40]. As was discussed in Section 2.2, the selected sensors fulfill measurement ranges and suitable accuracy levels from their technical characteristics as well as the corresponding testing and calibration procedures to guarantee the reliability and integrity of the acquired data. This sensorization enables the system to monitor critical aspects such as temperature, pressure, and current flow, providing valuable feedback for control algorithms and anomaly detection mechanisms. This real-time data acquisition empowers the system to adapt to changing conditions and proactively address potential issues. The Arduino relay serves as a critical component in the electrolyzer system, continuously monitoring the current flow and pressure levels. When it detects excessive currents or high pressure, it promptly sends a signal to open the 200 A relay switch. This action interrupts the current flow to the electrolyzer, effectively safeguarding the system against overload situations or abnormal conditions that could compromise its integrity. To ensure that the normally open relay remains in a closed state, it is connected to a 12 V power supply. This configuration maintains the relay in a predetermined state, ready to respond swiftly to any potential hazards. This setup enables active and efficient protection of the electrolyzer system, fostering safe and reliable operation at all times. The Arduino relay functions as a vigilant monitoring and control element, ensuring that the current flow adheres to pre-established safety limits and taking immediate action in the event of any potentially dangerous condition. To mitigate potential fluctuations in sensor measurements, a low-pass filter is often employed to remove low frequencies. Alternatively, a software-based low-pass filter can be implemented to average acquired values. The accuracy of this technique depends on the number of samples used; a larger sample size yields a more accurate average. In our setup, a set of 100 samples is utilized. The programming code is similar to the previous one, with the addition of calculating the average after every 100 measured values.
Figure 5 gives an example of the serial monitor simulation and the ultrasonic HC-SR04 sensor connection. The Trigger pin emits an ultrasonic pulse, while the Echo pin is responsible for receiving it. By measuring the time it takes for the echo to travel and return, it is then possible to determine the distance using the speed of sound. It is important to note that the measured time must be divided by two to obtain the actual distance, accounting for both the outward and return journeys. This formula is also provided in the sensor’s datasheet. In order to test this sensor, a code was developed for the Arduino IDE to test that the Echo and Trigger connections were correct. This script can be found in Appendix A.1. Once sensor functionality is confirmed, it is positioned atop a cylindrical container. For level measurements, cylindrical vessels are preferred due to the sensor’s emission of waves that bounce off objects and return to the sensor. In a cylindrical vessel, the returning signal is more uniform due to the even and smooth walls. This enhances measurement accuracy and safety. Additionally, the cylindrical shape maintains a consistent angle of wave contact with the surface, further contributing to consistent and accurate measurements. The code developed for the Arduino IDE to estimate the tank level status can be found in Appendix A.2. Therefore, effective utilization of the ultrasonic sensor as a water level indicator implies an accurate calibration procedures using the Arduino micro-controller. The calibration process involves employing a water-measuring vessel to establish a precise correlation between specific ultrasonic sensor measurements and corresponding water volumes. Due to the ultrasonic sensor’s ability to measure the empty space within the vessel, determining the vessel’s total capacity is paramount for accurately calculating the present water volume. This calculation involves subtracting the measured empty space from the total vessel capacity. These measurements establish a calibration curve that maps ultrasonic sensor distance readings to corresponding water volumes. This calibrated relationship enables the sensor to accurately determine the water level within the vessel.
DS18B20 sensors are designed to measure temperature with a resolution of 9 to 12 bits, providing an accuracy of up to ±0.5 °C. This high accuracy makes them suitable for a wide range of applications, including medical devices, environmental monitoring systems, and industrial automation. To work properly with OneWire communication, the DS18B20 sensor requires a pull-up resistor. The pull-up resistor is essential to provide the correct polarity and stabilize the data line (DQ) during communication with the sensor. It must have an appropriate value to ensure that the data line remains in a stable high state. In general, a pull-up resistor of about 4.7 k Ω is typically used for most applications with the DS18B20 sensor. This resistor withstands distances up to 5 m without significant loss of accuracy or reliability. Figure 6 provides an example of the DS18B20 sensor connection and simulation. In order to establish OneWire communication, it is essential to employ a ’sketch’ or code within the Arduino Integrated Development Environment (IDE) to retrieve the hexadecimal identification codes of the DS18B20 sensors connected to the OneWire bus, see Appendix A.3. When multiple DS18B20 sensors are connected to the same bus, each sensor possesses a unique hexadecimal identifier code, which sets it apart from the others. These codes are indispensable for initiating communication with each sensor individually and for independently requesting temperature readings. The primary objective of the hexadecimal code extraction sketch is to identify and store these codes for every DS18B20 sensor present on the OneWire bus. Subsequently, employing an additional sketch containing the stored hexadecimal codes, a sequential temperature reading is conducted for each sensor. This process yields the respective temperature values for each sensor individually. Figure 7 shows the monitor series output data corresponding to the temperature data calibration.
Simulation of a pressure 300PSI DC–5V sensor using Proteus is a valuable tool for gaining insights into the performance characteristics of these devices under varying conditions. With Proteus simulation, a virtual representation of a pressure transducer is proposed and we assess how it reacts to different pressure levels. In this context, the MPX4115 library is conducts an approximate simulation, which involves integrating our pre-programmed Arduino code to model the behavior of the pressure sensor. This approach enables us to examine and analyze the sensor’s response to pressure variations within the simulated environment. Figure 8 gives an example of the pressure sensor simulation and connection. As can be seen, the sensor gives a reading parameter of 100 bars, while in the virtual terminal there is a margin of error of ±0.02 bars. This margin of error is negligible, and it can be assumed that the sensor shares accurately. Throughout the experimentation, pressure measurements were systematically documented within the hydrogen storage tank at distinct intervals throughout the hydrogen production cycle. The procedure involved interfacing the pressure sensor with the analog pin of the Arduino to acquire and register pressure values in units of bars. Sketch Arduino code can be found in Appendix A.4.
Regarding electrical variables, and as was previously described, the ACS772ECB-200B-PFF-T Hall effect current sensor emerges as a relevant solution for monitoring high electric currents such as that of the electrolyzer case study. To enhance robustness, the circuit configuration incorporated two capacitors and a resistor to mitigate potential noise interference. The results, monitored through the Arduino Serial Monitor, were coherent and consistent. The sensor demonstrated its capability to precisely capture fluctuations in the current within the system. Nevertheless, minor deviations in sensor measurements were observed during sudden increases in electrical current. These fluctuations, occasionally appearing as spikes, could be attributed to potential electromagnetic interference in the laboratory setting. It is noteworthy that, in most instances, these variations were of minimal magnitude and did not compromise the sensor’s accuracy in delivering precise measurements under standard conditions. In terms of voltage values, laboratory tests were carried out by using the FZ0430 sensor. The purpose of these tests was to verify whether the sensor provided optimum and reliable results in the voltage-collecting data. The stability and repeatability of the sensor was evaluated. A constant voltage was applied over a period of time and the sensor readings were recorded to verify the accuracy of the measurements over time. The results showed that the sensor maintained a stable response and high repeatability in its measurements. Sketch current and voltage sensors can be found in Appendix A.5 and Appendix A.6, respectively. To assess the current and voltage sensor’s performance, a series of laboratory tests were conducted to characterize their behavior and stability. Enhancements to robustness were achieved through the integration of two capacitors and a resistor in the current circuit configuration, aimed at mitigating potential noise sources. The outcomes, as monitored via the Arduino Serial Monitor, exhibited coherence and consistency. The current sensor proved adept at precisely detecting variations in the current within the system. Nevertheless, minor fluctuations in current sensor measurements were observed during abrupt increases in electrical current. These deviations, occasionally manifesting as spikes, could be ascribed to potential electromagnetic interference within the laboratory environment. It is noteworthy that, in the majority of instances, these variations were of nominal magnitude and did not compromise the sensor’s capacity to furnish accurate measurements under standard operating conditions. Figure 9 shows an example of these data.

2.4. The Printed Circuit Board (PCB) Design

The printed circuit board (PCB) design is centered on the development of a shield board, which serves as an add-on module directly affixed to the Arduino. This shield board offers a streamlined and compact interface for connecting the various sensors essential for the project. A Fritzing user-friendly visual interface is used to design the board, ensuring an optimal arrangement of components. The significance of consolidating all components onto a shield board is rooted in the enhancement of electronic system organization, efficiency, and reliability. By housing all the components on a singular board, the necessity for loose wires is obviated, mitigating the risk of disconnections and the potential for circuit assembly errors, thereby fostering a tidier and more orderly setup. Figure 10 shows the PCB design and the proposed layout.
In the design of the shield board, a noteworthy consideration involves the deliberate grouping of temperature sensors on one side and voltage, pressure, current, and ultrasonic sensors on the other. This strategic arrangement offers several advantages in terms of circuit organization and optimization. The consolidation of temperature sensors in a dedicated section, separate from the other sensors, facilitates the identification and comprehension of electrical connections. This separation mitigates the likelihood of connection errors, simplifying the assembly and maintenance processes. Additionally, the shield design incorporates a reset button and a surface-mount device (SMD) capacitor positioned between VCC (supply voltage) and GND (ground). The inclusion of a conveniently located reset button streamlines the Arduino reset process, eliminating the need for direct access to the microcontroller board during prototype development and testing. Furthermore, the incorporation of a capacitor between VCC and GND serves to enhance circuit stability and reduce electrical noise. Functioning as a filter, the capacitor effectively eliminates undesirable voltage fluctuations, contributing to the maintenance of a stable power supply for each circuit component. The PCB was configured employing a dual-layer methodology, denoted as the “top board” and “bottom board”. The “top board” houses electronic components, including sensors, resistors, capacitors, and the Arduino reset button. Additionally, copper tracks, delineated in yellow in this layer, were routed to establish connections among the components and to the connection pins. Conversely, the “bottom plate” accommodates components and tracks, albeit with a lower density in comparison to the “top plate”. This layer proves particularly advantageous for routing connection paths that traverse beneath components or for establishing connections that necessitate placement on the underside of the board.
PCB design in Fritzing provides several noteworthy advantages: (i) visual interface: Fritzing features an intuitive graphical interface that simplifies the creation and design of schematics and PCBs. Its visual approach enables the drag-and-drop placement of components, streamlining the design process and enhancing accessibility. (ii) Validation and verification: Fritzing offers the capability to verify the connectivity and validity of the design through its automatic routing function. This ensures correct configuration of electrical connections, aiding in error prevention before PCB fabrication. (iii) Easy schematic-to-PCB transition: Fritzing facilitates a seamless transition from schematic design to PCB design by automating the conversion process, resulting in a design ready for fabrication. (iv) Gerber file generation: Fritzing can generate Gerber files, a crucial component for PCB fabrication. These files are essential for transmitting the design to a manufacturing company, thereby facilitating the production process. Finally, Figure 11 shows the experimental case study in the laboratory environment.

3. Results and Discussion

To efficiently tackle the monitoring requirements, Microsoft Excel was chosen as the predominant tool for processing and visualizing the data acquired from the system’s sensors. Leveraging Excel’s robust capabilities as a spreadsheet and data analysis software, it provides a versatile and familiar platform for managing and graphically presenting the information gathered via the utilization of DataStream technology. This technology offers an efficient and dynamic interface for real-time acquisition and storage of voltage, current, temperature, and ultrasonic distance values. Its integration ensures swift and dependable communication with the Arduino hardware, resulting in the precise and consistent capture of data crucial for system analysis. Microsoft Excel is instrumental in creating tailored graphs that depict the evolution and trends of the sensor-measured quantities. These graphical representations greatly assist in identifying patterns and behaviors within the system, which is imperative for making well-informed decisions and optimizing project performance. To effectively use the data gathered via DataStream in Excel for in-depth analysis, a data manipulation and organization process was executed. Since DataStream presents the data in a format that amalgamates textual information and numerical values, several steps were necessary to segregate the numeric variable and convert it into a distinct column. Figure 12 schematically shows the Arduino–Excel communication and the potential data visualization in real-time. Recent contributions also propose DataStream [41] and a Microsoft Excel environment for fuel cell-monitoring system purposes [42].
The results obtained from individual and collective testing of each of the sensors utilized provided substantial alignment with both their specifications and performance. The HC-SR04 ultrasonic sensor consistently delivered precise measurements, closely aligning with the manufacturer’s stated values, thus affirming its accuracy across the operational range. Similarly, the DS18B20 temperature sensor provided coherent and reliable measurements in line with the expected values, thereby validating both its reliability and the correct implementation of the OneWire communication protocol. The ACS772ECB-200B-PFF-T current sensor showcased its proficiency in accurately measuring electrical current within the electrolyzer system during testing via the Arduino Serial Monitor. Although minor fluctuations were observed, they did not compromise the core functionality of the sensor. Furthermore, the FZ0430 voltage sensor demonstrated highly accurate measurements and closely matched reference measurements, thus confirming the precision of analog value conversion. The pressure measurements obtained through the 300PSI pressure sensor were verified by comparing the serial monitor readings with those of a reference barometer, which substantiated the sensor’s accuracy and reliability when applied within the context of the electrolyzer system. Figure 13 shows an example of real-time data provided by the Excel DataStream. As can be seen, voltage, current, and temperature data are graphically represented in Excel using bar graphs to depict their temporal changes. However, modeling the water level behavior in the tank necessitated a distinct approach within Excel. To achieve this, a specialized implementation involving a 3D graph with stacked columns was employed to simulate the variation in liquid level within the tank. In this graphical representation, multiple cells were created to facilitate the data visualization, including the height of the top of the tank, as well as the fixed measurement of 12.6 cm corresponding to an empty tank’s level. The adjustment of this measurement is accomplished by utilizing real-time readings obtained from the ultrasonic sensor. This task involves calculating the disparity between 12.60 cm (the reference measurement for an empty tank) and the value stored in the cell containing the current ultrasonic sensor data. The height of the tank’s bottom completes this representation, generating a visual depiction in varying shades of blue to illustrate the current water level within the tank. Note that the use of Excel for pressure monitoring is both practical and advantageous in the presence of hydrogen storage.
The proposed monitoring system also provides additional graphs for temperature, voltage, or current values. Moreover, expanding this solution to incorporate data from five stacks within Excel would be a straightforward process, enabling the monitoring of both water tank temperatures and individual stacks. The results obtained from our sensor-based measurements, the incorporation of relays and Arduino shields, and the application of Microsoft Excel as a visualization tool substantiate the success of our electrolyzer monitoring project. The accuracy and consistency of measurements, coupled with the efficient data structuring and real-time representation, collectively affirm the viability and efficacy of the system. Figure 14 shows an example of temperature data monitoring for both stack and water tank. In addition, Figure 15 depicts current and voltage stack data for the monitoring case study.

4. Conclusions

This paper describes a scalable and multi-channel real-time monitoring system for PEM electrolyzers. This solution also includes relays as pivotal control and safety components within the monitoring system, alongside the selected sensors. The key attributes that distinguish the proposed DAQ system for cell and stack monitoring from existing commercial counterparts are its enhanced resolution, reduced wire count, minimized weight, and self-sufficiency in power supply. The proposed system includes temperature, pressure, tank water level, voltage, and current for the electrlyzer. The Arduino Mega is used as the platform due to its relevant capacity within the Arduino family, making the inclusion of all requisite sensors easier. The systematic layout of the shield further ensured an orderly and efficient distribution of components, thereby fostering a more dependable assembly, particularly in a laboratory setting. The decision to integrate Microsoft Excel for visualization purposes is based on its widespread user familiarity, ensuring accessibility and ease of use for most industrial and research sectors. The versatility of the monitoring system allows for the integration of additional sensors for enhanced performance monitoring. The straightforward use of Excel removes the need for users to familiarize themselves with more complex software packages. Excel user-configurable options enhance the data representation, allowing the manipulation of parameters such as the number of samples for average value calculation, sampling time, and the specific cell characteristics to be visualized. The real-time monitoring data can be encoded in JSON format, widely used as a light-weight inter-exchange data format between a variety of IoT applications, and they are also available to be transferred to Excel files. This development offers several advantages, including low cost, ease of construction and maintenance, scalability, versatility, and flexible design. Real-time monitoring holds paramount importance as it facilitates the timely identification and rectification of errors by providing precise timestamps (hour, minute, and second). As a case study, the validation of the system involved static and dynamic operational modes using a 1.2 kW PEM electrolyzer prototype (100 A, 1 A/cm 2 ). The results successfully provided the monitored variables across individual cells and within the stack. The proposed solution provides valuable information for informed decision-making in electrolyzer process control. Moreover, it gives a solution for future monitoring implementations, being able to extend towards other electrolyzer technologies. In addition, a cloud computing-based IoT framework and online monitoring data acquisition system are currently fields of interest of the authors for further research.

Author Contributions

Conceptualization, A.M.-G. and A.M.-A.; methodology, A.M.-G. and J.J.L.-C.; software, A.B.P.-B.; validation, A.B.P.-B. and J.J.L.-C.; formal analysis, A.B.P.-B.; resources, J.J.L.-C.; data curation, A.B.P.-B.; writing—original draft preparation, A.B.P.-B. and J.J.L.-C.; writing—review and editing, A.M.-G. and A.M.-A. All authors have read and agreed to the published version of the manuscript.

Funding

This research received no external funding.

Data Availability Statement

The data presented in this study are available on request from the corresponding author.

Acknowledgments

This research was partially supported by Soltec Foundation. We thank our colleagues from Soltec who provided insight and expertise that greatly assisted the research.

Conflicts of Interest

The authors declare no conflict of interest.

Abbreviations

    The following abbreviations are used in this manuscript:
DAQData acquisition
IDEIntegrated Development Environment
IoTInternet of Things
PCBPrinted circuit board
PEMPolymer Electrolyte Membrane

Appendix A. Sketchs Arduino IDE Codes

Appendix A.1. Sketch Ultrasonic Sensor HCRS04. Testing Code

const int TriggerPin = 51;
const int EchoPin = 49;
const float SpeedOfSound = 34000.0;
float distance;
void setup()
{
  Serial.begin(9600);
  pinMode(TriggerPin, OUTPUT);
  pinMode(EchoPin, INPUT);
}
  
void loop()
{
  initiateTrigger();
  unsigned long time = pulseIn(EchoPin, HIGH);
  
distance = time * 0.000001 * SpeedOfSound / 2.0;
  Serial.print(distance);
  Serial.print("cm");
  Serial.println();
  delay(500);
}
void initiateTrigger()
{
  digitalWrite(TriggerPin, LOW);
  delayMicroseconds(2);
  digitalWrite(TriggerPin, HIGH);
  delayMicroseconds(10);
  digitalWrite(TriggerPin, LOW);
}

Appendix A.2. Sketch Ultrasonic Sensor HCRS04. Tank Level Status Code

const int TriggerPin = 51;
const int EchoPin = 49;
const float SpeedOfSound = 34000.0;
const int numReadings = 100;
float readings[numReadings]; // Array to store data
int currentReading = 0; // Index
float total = 0;
float average = 0; // Averaged measurement
bool isFirstAverage = false; // Flag
 
void setup()
{
  Serial.begin(9600);
  pinMode(TriggerPin, OUTPUT);
  pinMode(EchoPin, INPUT);
  for (int i = 0; i < numReadings; i++)
  {
    readings[i] = 0;
  }
}
void loop()
{
  total = total - readings[currentReading];
  initiateTrigger();
  unsigned long time = pulseIn(EchoPin, HIGH);
  float distance = time * 0.000001 * SpeedOfSound / 2.0;
  readings[currentReading] = distance;
  total = total + readings[currentReading];
  currentReading = currentReading + 1;
 
  if (currentReading >= numReadings)
  {
    isFirstAverage = true;
    currentReading = 0;
  }
  average = total / numReadings;
 
  if (isFirstAverage)
  {
    Serial.print(average);
    Serial.println("cm");
  }
  delay(500);
}
 
void initiateTrigger()
{
  digitalWrite(TriggerPin, LOW);
  delayMicroseconds(2);
  digitalWrite(TriggerPin, HIGH);
  delayMicroseconds(10);
  digitalWrite(TriggerPin, LOW);
}

Appendix A.3. Sketch Temperature Sensor DS18B20 Code

#include <OneWire.h>
 
const int oneWirePin = 13;
OneWire oneWireBus(oneWirePin);
 
void initializeSystem(void) {
  Serial.begin(9600);
  discoverDevices();
}
 
void discoverDevices(void) {
  byte index;
  byte found = 0;
  byte deviceData[12];
  byte deviceAddress[8];
 
  Serial.println("Explorando componentes 1-Wire");
  while(oneWireBus.search(deviceAddress)) {
    Serial.println("Detectado dispositivo 1-Wire direccion");
    for(index = 0; index < 8; index++) {
      Serial.print("0x");
      if (deviceAddress[index] < 16) {
        Serial.print('0');
      }
      Serial.print(deviceAddress[index], HEX);
      if (index < 7) {
        Serial.print(", ");
      }
    }
    if ( OneWire::crc8( deviceAddress, 7) != deviceAddress[7]) {
        Serial.print("Error: CRC no valido!\n");
        return;
    }
  }
  Serial.println("Exploracion finalizada");
  oneWireBus.reset_search();
  return;
}
 
void continuousOperation(void) {
 
}
 
void setup(void) {
  initializeSystem();
}
 
void loop(void) {
  continuousOperation();
}

Appendix A.4. Sketch Pressure Sensor 300PSI–DC5 Code

const int presionPin = A1;
void setup() {
  Serial.begin(9600);
}
void loop() {
  int valor = analogRead(presionPin);
  float presion = (((float)valor*4.5/1023-0.5)*(5/4)+0.1)*1.049;
 
  Serial.print("Presion: ");
  Serial.print(presion);
  Serial.println(" bar");
 
  delay(1000);
}

Appendix A.5. Sketch Current Sensor ACS722ECB-200B-PFF-T Code

const int SensorCurrent=A8;
const float vcc=5.00;
const float sensibility=0.2;
 
float voltage1;
 
void setup(){
  Serial.begin(9600);
}
 
void loop(){
voltage1=(5.0/1023.0)*analogRead(SensorCurrent);
voltage1= voltage1-(vcc*0.5)+0.9;
float current=voltage1/sensibility;
 
  Serial.print("CURRENT: ");
  Serial.println(current,2);
  delay(500);
}

Appendix A.6. Sketch Voltage Sensor FZ0430 Code

const int VoltajeMax = 25000;
int lecturaDigital;
float voltaje;
 
void setup() {
  Serial.begin(115200);
}
 
void loop() {
  lecturaDigital = analogRead(A10);
  voltaje = (lecturaDigital / 1024) * 25;
  imprimirVoltaje(voltaje);
  delay(1000);
}
 
void imprimirVoltaje(float v){
  Serial.print("Voltaje =   ");
  Serial.print(v);
  Serial.println("V");

References

  1. Yue, M.; Lambert, H.; Pahon, E.; Roche, R.; Jemei, S.; Hissel, D. Hydrogen energy systems: A critical review of technologies, applications, trends and challenges. Renew. Sustain. Energy Rev. 2021, 146, 111180. [Google Scholar] [CrossRef]
  2. Neuwirth, M.; Fleiter, T.; Manz, P.; Hofmann, R. The future potential hydrogen demand in energy-intensive industries—A site-specific approach applied to Germany. Energy Convers. Manag. 2022, 252, 115052. [Google Scholar] [CrossRef]
  3. Sánchez, A.; Zhang, Q.; Martín, M.; Vega, P. Towards a new renewable power system using energy storage: An economic and social analysis. Energy Convers. Manag. 2022, 252, 115056. [Google Scholar] [CrossRef]
  4. Ahmad Kamaroddin, M.F.; Sabli, N.; Tuan Abdullah, T.A.; Siajam, S.I.; Abdullah, L.C.; Abdul Jalil, A.; Ahmad, A. Membrane-Based Electrolysis for Hydrogen Production: A Review. Membranes 2021, 11, 810. [Google Scholar] [CrossRef] [PubMed]
  5. Feng, Q.; Yuan, X.; Liu, G.; Wei, B.; Zhang, Z.; Li, H.; Wang, H. A review of proton exchange membrane water electrolysis on degradation mechanisms and mitigation strategies. J. Power Sources 2017, 366, 33–55. [Google Scholar] [CrossRef]
  6. Shiva Kumar, S.; Himabindu, V. Hydrogen production by PEM water electrolysis—A review. Mater. Sci. Energy Technol. 2019, 2, 442–454. [Google Scholar] [CrossRef]
  7. Fragiacomo, P.; Piraino, F.; Genovese, M. Insights for Industry 4.0 Applications into a Hydrogen Advanced Mobility. Procedia Manuf. 2020, 42, 239–245. [Google Scholar] [CrossRef]
  8. Baktyan, A.; Zahary, A. A Review on Cloud and Fog Computing Integration for IoT: Platforms Perspective. Eai Endorsed Trans. Internet Things 2018, 4, 156084. [Google Scholar] [CrossRef]
  9. Xu, L.D.; He, W.; Li, S. Internet of Things in Industries: A Survey. IEEE Trans. Ind. Inform. 2014, 10, 2233–2243. [Google Scholar] [CrossRef]
  10. Mikhaylov, K.; Petrov, V.; Gupta, R.; Lema, M.A.; Galinina, O.; Andreev, S.; Koucheryavy, Y.; Valkama, M.; Pouttu, A.; Dohler, M. Energy Efficiency of Multi-Radio Massive Machine-Type Communication (MR-MMTC): Applications, Challenges, and Solutions. IEEE Commun. Mag. 2019, 57, 100–106. [Google Scholar] [CrossRef]
  11. Schneider, S. The Impacts of Digital Technologies on Innovating for Sustainability. In Innovation for Sustainability; Bocken, N., Ritala, P., Albareda, L., Verburg, R., Eds.; Palgrave Studies in Sustainable Business in Association with Future Earth; Palgrave Macmillan: Cham, Switzerland, 2019; pp. 415–433. [Google Scholar] [CrossRef]
  12. Yodwong, B.; Guilbert, D.; Kaewmanee, W.; Phattanasak, M. Energy Efficiency Based Control Strategy of a Three-Level Interleaved DC-DC Buck Converter Supplying a Proton Exchange Membrane Electrolyzer. Electronics 2019, 8, 933. [Google Scholar] [CrossRef]
  13. Ruuskanen, V.; Koponen, J.; Huoman, K.; Kosonen, A.; Niemelä, M.; Ahola, J. PEM water electrolyzer model for a power-hardware-in-loop simulator. Int. J. Hydrogen Energy 2017, 42, 10775–10784. [Google Scholar] [CrossRef]
  14. AL-bonsrulah, H.A.; Alshukri, M.J.; Mikhaeel, L.M.; AL-sawaf, N.N.; Nesrine, K.; Reddy, M.; Zaghib, K. Design and Simulation Studies of Hybrid Power Systems Based on Photovoltaic, Wind, Electrolyzer, and PEM Fuel Cells. Energies 2021, 14, 2643. [Google Scholar] [CrossRef]
  15. Bracco, S.; Delfino, F.; Pampararo, F.; Robba, M.; Rossi, M. A dynamic optimization-based architecture for polygeneration microgrids with tri-generation, renewables, storage systems and electrical vehicles. Energy Convers. Manag. 2015, 96, 511–520. [Google Scholar] [CrossRef]
  16. Lebbal, M.; Lecœuche, S. Identification and monitoring of a PEM electrolyser based on dynamical modelling. Int. J. Hydrogen Energy 2009, 34, 5992–5999. [Google Scholar] [CrossRef]
  17. González, I.; Calderón, A.; Andújar, J. Novel remote monitoring platform for RES-hydrogen based smart microgrid. Energy Convers. Manag. 2017, 148, 489–505. [Google Scholar] [CrossRef]
  18. González, I.; Calderón, A.J.; Folgado, F.J. IoT real time system for monitoring lithium-ion battery long-term operation in microgrids. J. Energy Storage 2022, 51, 104596. [Google Scholar] [CrossRef]
  19. Vale, Z.; Morais, H.; Faria, P.; Ramos, C. Distribution system operation supported by contextual energy resource management based on intelligent SCADA. Renew. Energy 2013, 52, 143–153. [Google Scholar] [CrossRef]
  20. Clarke, R.; Giddey, S.; Badwal, S. Stand-alone PEM water electrolysis system for fail safe operation with a renewable energy source. Int. J. Hydrogen Energy 2010, 35, 928–935. [Google Scholar] [CrossRef]
  21. Vargas-Salgado, C.; Aguila-Leon, J.; Chiñas-Palacios, C.; Hurtado-Perez, E. Low-cost web-based Supervisory Control and Data Acquisition system for a microgrid testbed: A case study in design and implementation for academic and research applications. Heliyon 2019, 5, e02474. [Google Scholar] [CrossRef]
  22. García Vera, Y.E.; Dufo-López, R.; Bernal-Agustín, J.L. Energy Management in Microgrids with Renewable Energy Sources: A Literature Review. Appl. Sci. 2019, 9, 3854. [Google Scholar] [CrossRef]
  23. Lee, C.Y.; Li, S.C.; Chen, C.H.; Huang, Y.T.; Wang, Y.S. Real-Time Microscopic Monitoring of Flow, Voltage and Current in the Proton Exchange Membrane Water Electrolyzer. Sensors 2018, 18, 867. [Google Scholar] [CrossRef] [PubMed]
  24. Lee, C.Y.; Chen, C.H.; Chuang, H.C.; Hsieh, H.T.; Chiu, Y.C. Long-Acting Real-Time Microscopic Monitoring Inside the Proton Exchange Membrane Water Electrolyzer. Sensors 2023, 23, 5595. [Google Scholar] [CrossRef]
  25. Lee, C.Y.; Chen, C.H.; Chuang, H.C.; Chen, S.Y.; Chiang, Y.C. Flexible Seven-in-One Microsensor Embedded in High-Pressure Proton Exchange Membrane Water Electrolyzer for Real-Time Microscopic Monitoring. Sensors 2023, 23, 5489. [Google Scholar] [CrossRef]
  26. Folgado, F.J.; González, I.; Calderón, A.J. Data acquisition and monitoring system framed in Industrial Internet of Things for PEM hydrogen generators. Internet Things 2023, 22, 100795. [Google Scholar] [CrossRef]
  27. Pérez-Herranz, V.; Pérez-Page, M.; Beneito, R. Monitoring and control of a hydrogen production and storage system consisting of water electrolysis and metal hydrides. Int. J. Hydrogen Energy 2010, 35, 912–919. [Google Scholar] [CrossRef]
  28. Calderón, A.; González, I.; Calderón, M.; Segura, F.; Andújar, J. A New, Scalable and Low Cost Multi-Channel Monitoring System for Polymer Electrolyte Fuel Cells. Sensors 2016, 16, 349. [Google Scholar] [CrossRef] [PubMed]
  29. Segura, F.; Bartolucci, V.; Andújar, J. Hardware/Software Data Acquisition System for Real Time Cell Temperature Monitoring in Air-Cooled Polymer Electrolyte Fuel Cells. Sensors 2017, 17, 1600. [Google Scholar] [CrossRef]
  30. Wang, Y.; Pang, Y.; Xu, H.; Martinez, A.; Chen, K.S. PEM Fuel cell and electrolysis cell technologies and hydrogen infrastructure development—A review. Energy Environ. Sci. 2022, 15, 2288–2328. [Google Scholar] [CrossRef]
  31. González, I.; Calderón, A.; Barragán, A.; Andújar, J. Integration of Sensors, Controllers and Instruments Using a Novel OPC Architecture. Sensors 2017, 17, 1512. [Google Scholar] [CrossRef]
  32. Boulmrharj, S.; Khaidar, M.; Bakhouya, M.; Ouladsine, R.; Siniti, M.; Zine-dine, K. Performance Assessment of a Hybrid System with Hydrogen Storage and Fuel Cell for Cogeneration in Buildings. Sustainability 2020, 12, 4832. [Google Scholar] [CrossRef]
  33. Fay, C.D.; Healy, J.P.; Diamond, D. Advanced IoT Pressure Monitoring System for Real-Time Landfill Gas Management. Sensors 2023, 23, 7574. [Google Scholar] [CrossRef] [PubMed]
  34. Sanchez-Sutil, F.; Cano-Ortega, A.; Hernandez, J.C.; Rus-Casas, C. Development and Calibration of an Open Source, Low-Cost Power Smart Meter Prototype for PV Household-Prosumers. Electronics 2019, 8, 878. [Google Scholar] [CrossRef]
  35. Husar, A.; Strahl, S.; Riera, J. Experimental characterization methodology for the identification of voltage losses of PEMFC: Applied to an open cathode stack. Int. J. Hydrogen Energy 2012, 37, 7309–7315. [Google Scholar] [CrossRef]
  36. Jeswin, C.J.; Marimuthu, B.; Chithra, K. Ultrasonic water level indicator and controller using AVR microcontroller. In Proceedings of the 2017 International Conference on Information Communication and Embedded Systems (ICICES), Chennai, India, 23–24 February 2017; pp. 1–6. [Google Scholar] [CrossRef]
  37. Unni, R.; Pati, U. PC Based Ultrasonic Intrusion Detection System. In Proceedings of the 2018 International Conference on Communication and Signal Processing (ICCSP), Chennai, India, 3–5 April 2018; pp. 942–947. [Google Scholar] [CrossRef]
  38. Vukonic, L.; Tomic, M. Ultrasonic Sensors in IoT Applications. In Proceedings of the 2022 45th Jubilee International Convention on Information, Communication and Electronic Technology (MIPRO), Opatija, Croatia, 23–27 May 2022; pp. 415–420. [Google Scholar] [CrossRef]
  39. Ahmed, M.M.; Qays, M.O.; Abu-Siada, A.; Muyeen, S.M.; Hossain, M.L. Cost-Effective Design of IoT-Based Smart Household Distribution System. Designs 2021, 5, 55. [Google Scholar] [CrossRef]
  40. Jabbar, W.A.; Subramaniam, T.; Ong, A.E.; Shu’Ib, M.I.; Wu, W.; de Oliveira, M.A. LoRaWAN-Based IoT System Implementation for Long-Range Outdoor Air Quality Monitoring. Internet Things 2022, 19, 100540. [Google Scholar] [CrossRef]
  41. Sharma, G.; Vidalis, S.; Menon, C.; Anand, N.; Kumar, S. Analysis and Implementation of Threat Agents Profiles in Semi-Automated Manner for a Network Traffic in Real-Time Information Environment. Electronics 2021, 10, 1849. [Google Scholar] [CrossRef]
  42. Zambrano H, M.L.; Calderón, A.J.; Calderón, M.; González, J.F.; Pinzón, R.; Fábrega Duque, J.R. Design, Development and Testing of a Monitoring System for the Study of Proton Exchange Fuel Cells and Stacks. Sensors 2023, 23, 5221. [Google Scholar] [CrossRef]
Figure 1. Electrolyzer. General scheme.
Figure 1. Electrolyzer. General scheme.
Electronics 13 00296 g001
Figure 2. Electrolyzer. Monitoring general scheme.
Figure 2. Electrolyzer. Monitoring general scheme.
Electronics 13 00296 g002
Figure 3. Sensoring connection scheme.
Figure 3. Sensoring connection scheme.
Electronics 13 00296 g003
Figure 4. Detailed connection of components.
Figure 4. Detailed connection of components.
Electronics 13 00296 g004
Figure 5. Ultrasonic HC-SR04 sensor connection and simulation example.
Figure 5. Ultrasonic HC-SR04 sensor connection and simulation example.
Electronics 13 00296 g005
Figure 6. Temperature DS18B20 sensor connection and simulation example.
Figure 6. Temperature DS18B20 sensor connection and simulation example.
Electronics 13 00296 g006
Figure 7. Temperature DS18B20 sensor calibration output data.
Figure 7. Temperature DS18B20 sensor calibration output data.
Electronics 13 00296 g007
Figure 8. Pressure 300PSI DC–5V sensor connection and simulation example.
Figure 8. Pressure 300PSI DC–5V sensor connection and simulation example.
Electronics 13 00296 g008
Figure 9. Current and voltage calibration data example.
Figure 9. Current and voltage calibration data example.
Electronics 13 00296 g009
Figure 10. PCB design and layout.
Figure 10. PCB design and layout.
Electronics 13 00296 g010
Figure 11. Case study: laboratory implementation.
Figure 11. Case study: laboratory implementation.
Electronics 13 00296 g011
Figure 12. Arduino—Excel communication.
Figure 12. Arduino—Excel communication.
Electronics 13 00296 g012
Figure 13. Example of data input to Excel DataStream values.
Figure 13. Example of data input to Excel DataStream values.
Electronics 13 00296 g013
Figure 14. Temperature data monitoring. Example of results.
Figure 14. Temperature data monitoring. Example of results.
Electronics 13 00296 g014
Figure 15. Current and voltage data monitoring. Example of results.
Figure 15. Current and voltage data monitoring. Example of results.
Electronics 13 00296 g015
Disclaimer/Publisher’s Note: The statements, opinions and data contained in all publications are solely those of the individual author(s) and contributor(s) and not of MDPI and/or the editor(s). MDPI and/or the editor(s) disclaim responsibility for any injury to people or property resulting from any ideas, methods, instructions or products referred to in the content.

Share and Cite

MDPI and ACS Style

Paredes-Baños, A.B.; Molina-Garcia, A.; Mateo-Aroca, A.; López-Cascales, J.J. Scalable and Multi-Channel Real-Time Low Cost Monitoring System for PEM Electrolyzers Based on IoT Applications. Electronics 2024, 13, 296. https://doi.org/10.3390/electronics13020296

AMA Style

Paredes-Baños AB, Molina-Garcia A, Mateo-Aroca A, López-Cascales JJ. Scalable and Multi-Channel Real-Time Low Cost Monitoring System for PEM Electrolyzers Based on IoT Applications. Electronics. 2024; 13(2):296. https://doi.org/10.3390/electronics13020296

Chicago/Turabian Style

Paredes-Baños, Ana Belén, Angel Molina-Garcia, Antonio Mateo-Aroca, and José Javier López-Cascales. 2024. "Scalable and Multi-Channel Real-Time Low Cost Monitoring System for PEM Electrolyzers Based on IoT Applications" Electronics 13, no. 2: 296. https://doi.org/10.3390/electronics13020296

APA Style

Paredes-Baños, A. B., Molina-Garcia, A., Mateo-Aroca, A., & López-Cascales, J. J. (2024). Scalable and Multi-Channel Real-Time Low Cost Monitoring System for PEM Electrolyzers Based on IoT Applications. Electronics, 13(2), 296. https://doi.org/10.3390/electronics13020296

Note that from the first issue of 2016, this journal uses article numbers instead of page numbers. See further details here.

Article Metrics

Back to TopTop