Hardware Testing Methodologies for Wide Bandgap High-Power Converters
Abstract
1. Introduction
2. Switching Characteristics Evaluation
2.1. Double Pulse Test Using the Two-Level Phase Leg Switching Cell
2.2. Understanding a Double Pulse Test Waveform
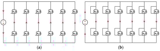
2.3. Multicycle Test
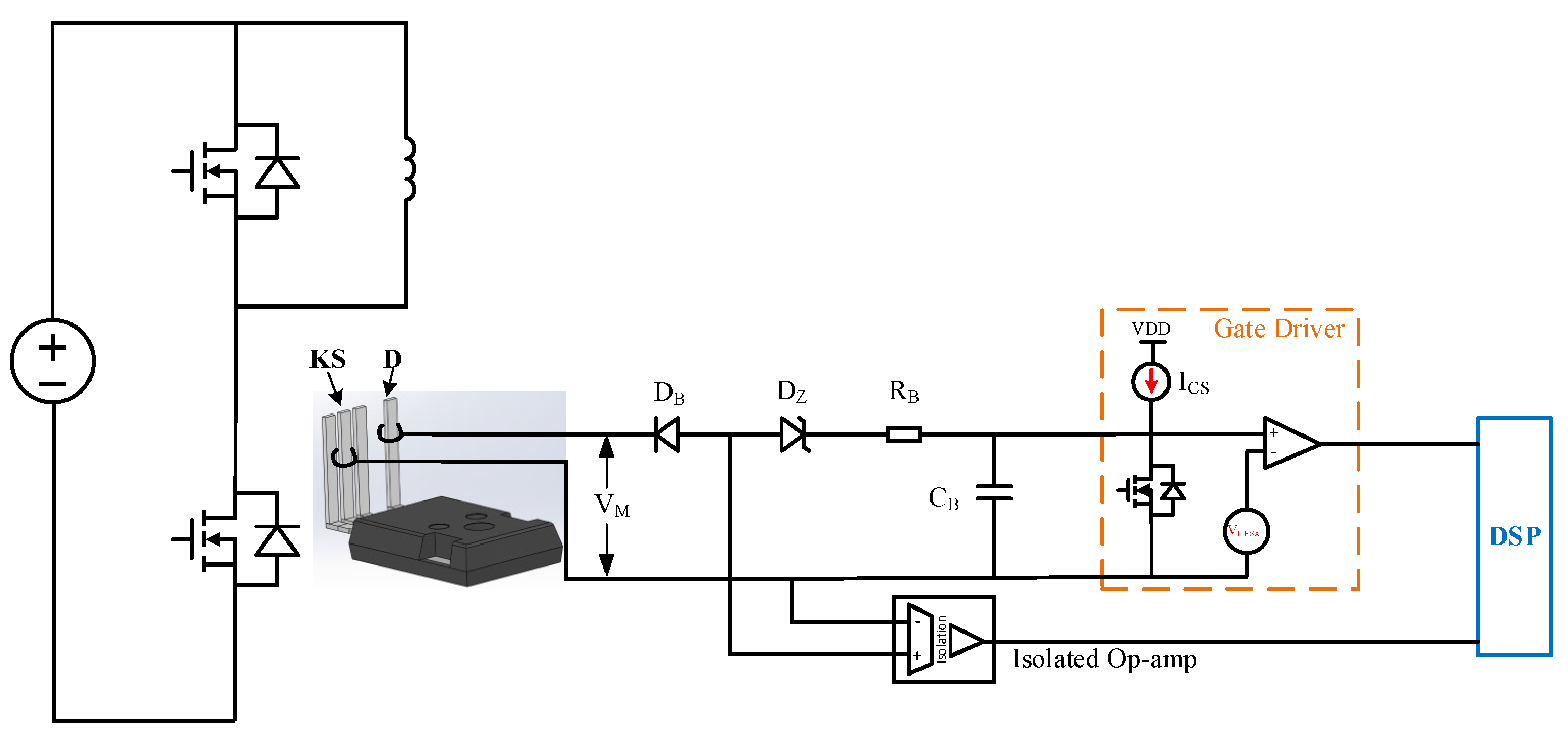
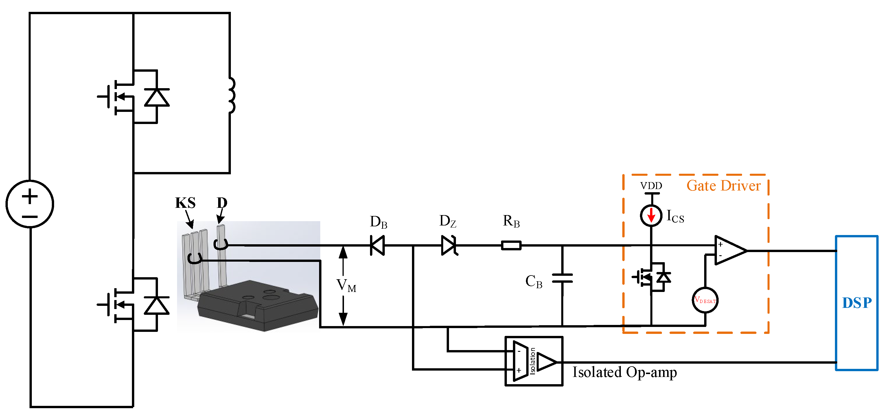
2.4. Functionality Validation
3. Thermal Management Evaluation
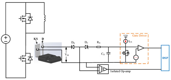
3.1. Heat Injection for Thermal Management Evaluation
3.2. Dynamic Thermal Impedance Extraction
4. Insulation Evaluation
4.1. DC Dielectric Withstand Test
4.2. 60 Hz Sinusoidal Partial Discharge Measurement
4.3. High-Frequency PWM Partial Discharge Measurement
5. Full Power Validation
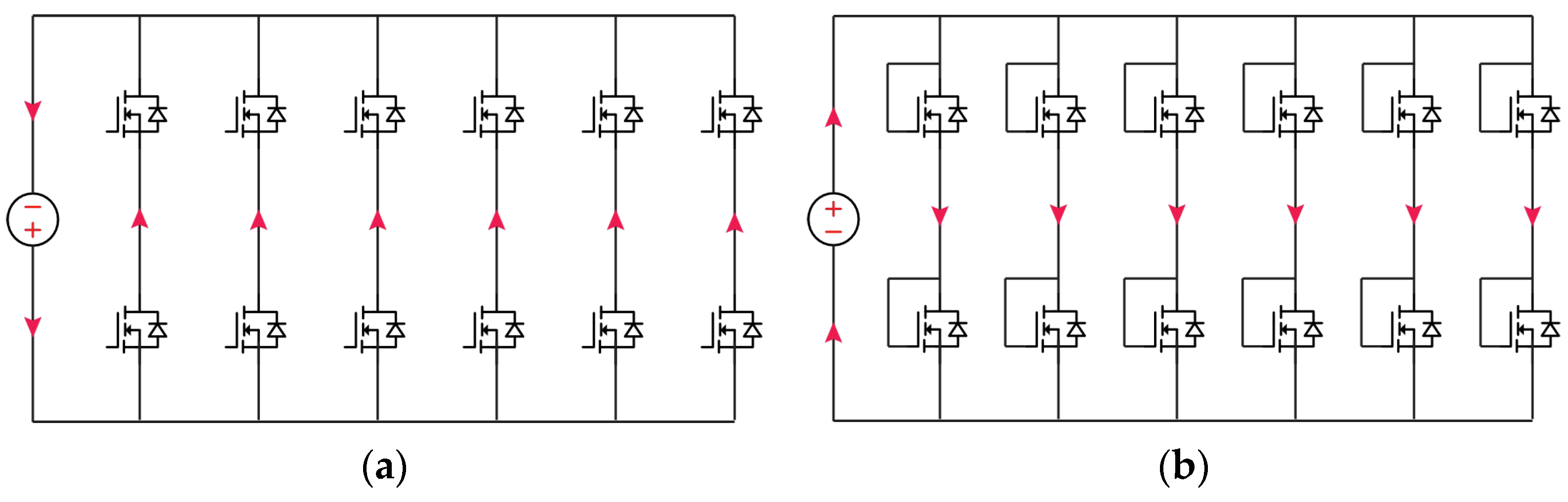
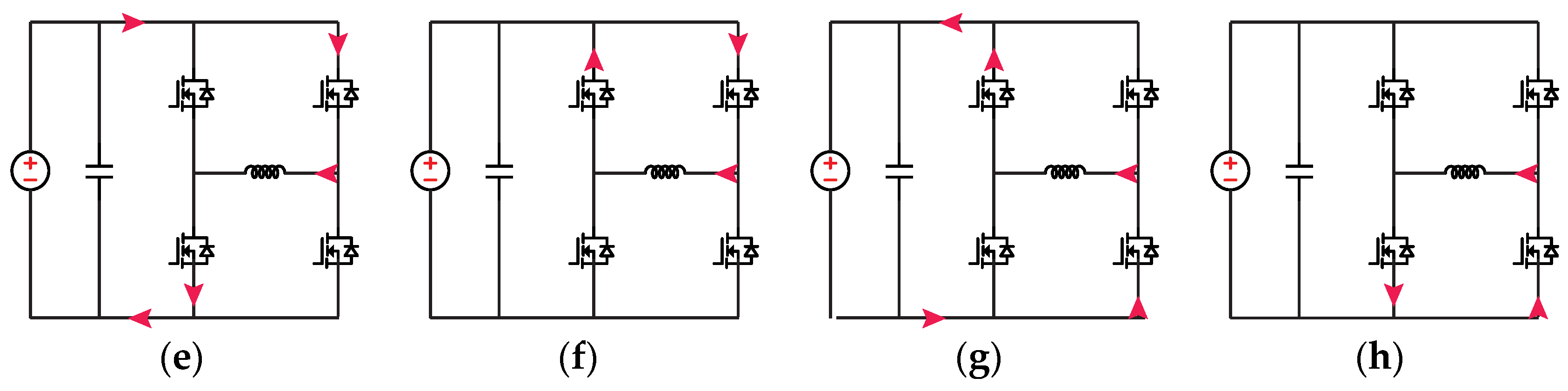
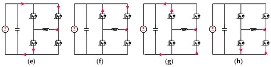
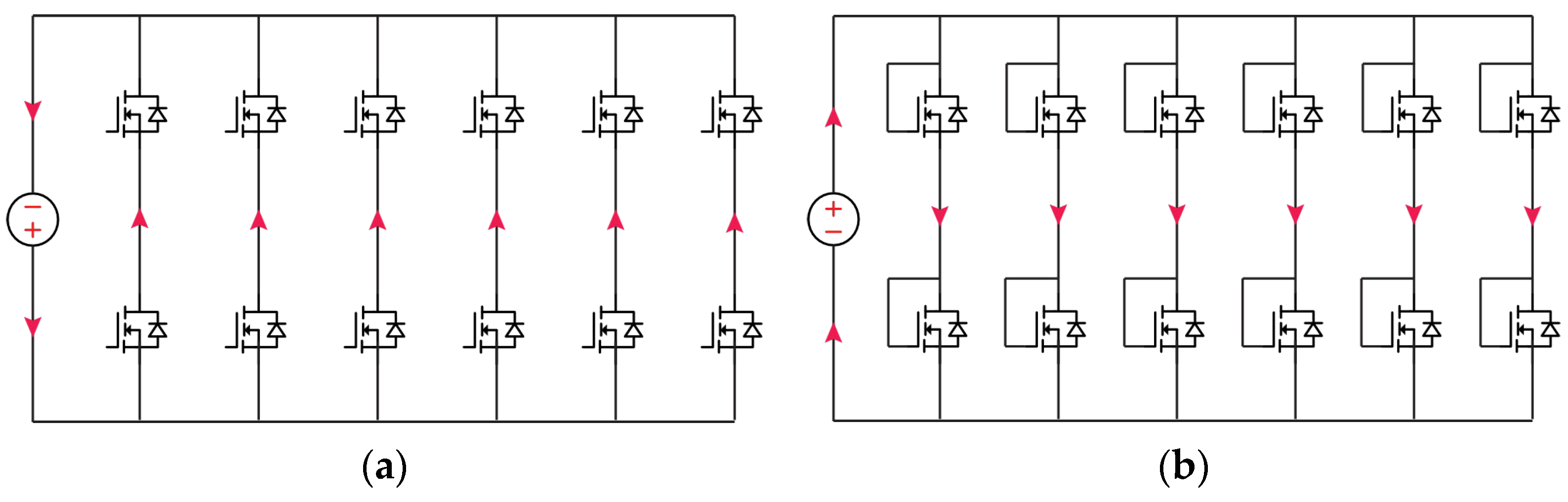
5.1. Circulating Test for Three-Phase Inverter
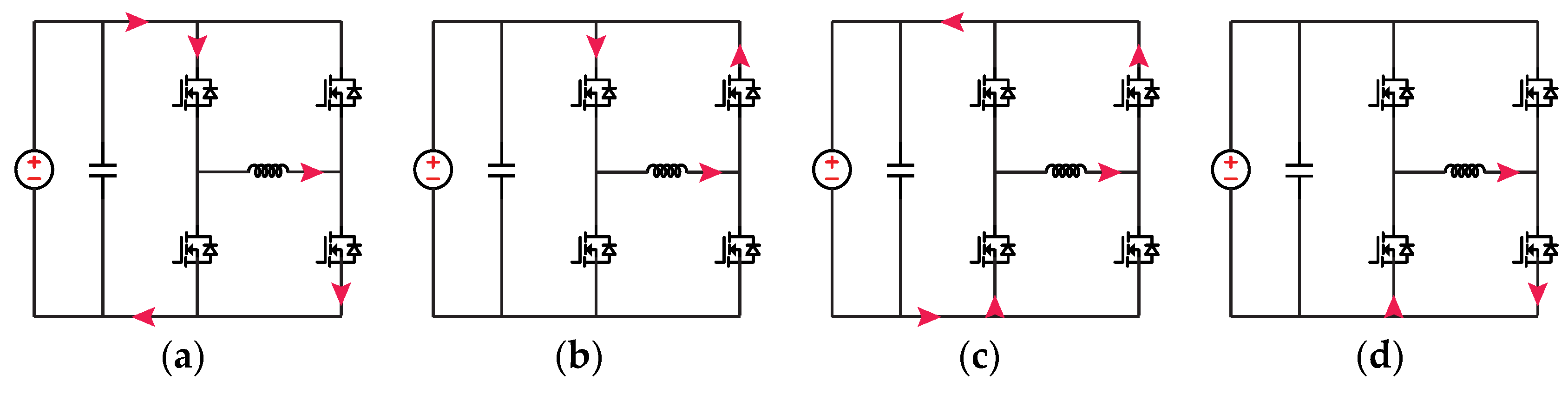
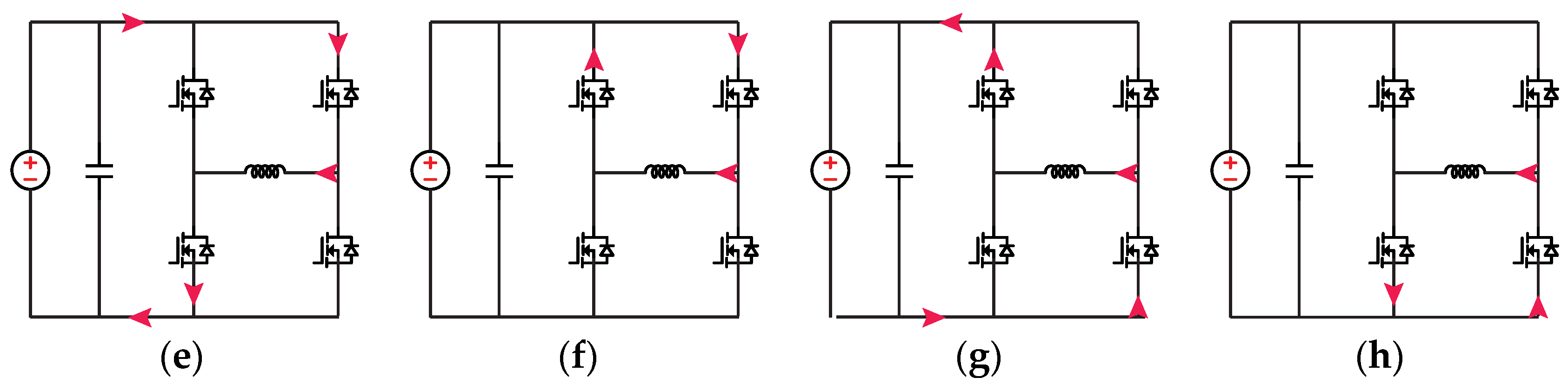
5.2. Circulating Test for Isolated Converter
6. Conclusions
Author Contributions
Funding
Data Availability Statement
Conflicts of Interest
References
- Bhatnagar, M.; Baliga, B. Comparison of 6H-SiC, 3C-SiC, and Si for power devices. IEEE Trans. Electron. Devices 1993, 40, 645–655. [Google Scholar] [CrossRef]
- Millan, J.; Godignon, P.; Perpina, X.; Perez-Tomas, A.; Rebollo, J. A Survey of Wide Bandgap Power Semiconductor Devices. IEEE Trans. Power Electron. 2014, 29, 2155–2163. [Google Scholar] [CrossRef]
- Tolbert, L.M.; Ozpineci, B.; Islam., S.K.; Chinthavali, M.S. Wide bandgap semiconductors for utility applications. Semiconductors 2003, 1, 3. [Google Scholar]
- Biela, J.; Schweizer, M.; Waffler, S.; Kolar, J.W. SiC versus Si—Evaluation of Potentials for Performance Improvement of Inverter and DC–DC Converter Systems by SiC Power Semiconductors. IEEE Trans. Ind. Electron. 2011, 58, 2872–2882. [Google Scholar] [CrossRef]
- Chen, Z.; Huang, A.Q. Extreme high efficiency enabled by silicon carbide (SiC) power devices. Mater. Sci. Semicond. Process. 2024, 172, 108052. [Google Scholar] [CrossRef]
- Barater, D.; Concari, C.; Buticchi, G.; Gurpinar, E.; De, D.; Castellazzi, A. Performance Evaluation of a Three-Level ANPC Photovoltaic Grid-Connected Inverter With 650-V SiC Devices and Optimized PWM. IEEE Trans. Ind. Appl. 2016, 52, 2475–2485. [Google Scholar] [CrossRef]
- Zhang, H.; Tolbert, L.M. Efficiency Impact of Silicon Carbide Power Electronics for Modern Wind Turbine Full Scale Frequency Converter. IEEE Trans. Ind. Electron. 2011, 58, 21–28. [Google Scholar] [CrossRef]
- Zhang, Z.; Tu, H.; She, X.; Sadilek, T.; Ramabhadran, R.; Hu, H.; Earls, W. High-Efficiency Silicon Carbide-Based Buck-Boost Converter in an Energy Storage System: Minimizing Complexity and Maximizing Efficiency. IEEE Ind. Appl. Mag. 2021, 27, 51–62. [Google Scholar] [CrossRef]
- Huber, J.E.; Kolar, J.W. Applicability of Solid-State Transformers in Today’s and Future Distribution Grids. IEEE Trans. Smart Grid 2019, 10, 317–326. [Google Scholar] [CrossRef]
- Reimers, J.; Dorn-Gomba, L.; Mak, C.; Emadi, A. Automotive Traction Inverters: Current Status and Future Trends. IEEE Trans. Veh. Technol. 2019, 68, 3337–3350. [Google Scholar] [CrossRef]
- Liu, Z.; Li, B.; Lee, F.C.; Li, Q. High-Efficiency High-Density Critical Mode Rectifier/Inverter for WBG-Device-Based On-Board Charger. IEEE Trans. Ind. Electron. 2017, 64, 9114–9123. [Google Scholar] [CrossRef]
- Iyer, V.M.; Gulur, S.; Gohil, G.; Bhattacharya, S. An Approach Towards Extreme Fast Charging Station Power Delivery for Electric Vehicles with Partial Power Processing. IEEE Trans. Ind. Electron. 2020, 67, 8076–8087. [Google Scholar] [CrossRef]
- Rothmund, D.; Guillod, T.; Bortis, D.; Kolar, J.W. 99% Efficient 10 kV SiC-Based 7 kV/400 V DC Transformer for Future Data Centers. IEEE J. Emerg. Sel. Top. Power Electron. 2019, 7, 753–767. [Google Scholar] [CrossRef]
- Kumar, A.; Parashar, S.; Bhtattacharya, S. Continuous Heat Run Test of Latest Generation Power Modules for 10 kV 4H-SiC MOSFETs in Medium Voltage Power Converters. In Proceedings of the 2018 IEEE Energy Conversion Congress and Exposition (ECCE), Portland, OR, USA, 23–27 September 2018; pp. 1949–1955. [Google Scholar] [CrossRef]
- Lin, M.; Chen, R.; Li, D.; Tolbert, L.M.; Wang, F.; Bai, H. Design and Testing of a 6.5 kV Submodule Based on a 10 kV SiC Power Module. In Proceedings of the 2023 IEEE Energy Conversion Congress and Exposition (ECCE), Nashville, TN, USA, 29 October–2 November 2023; pp. 5794–5800. [Google Scholar] [CrossRef]
- Mocevic, S.; Yu, J.; Xu, Y.; Stewart, J.; Wang, J.; Cvetkovic, I.; Dong, D.; Burgos, R.; Boroyevich, D. Power Cell Design and Assessment Methodology Based on a High-Current 10-kV SiC MOSFET Half-Bridge Module. IEEE J. Emerg. Sel. Top. Power Electron. 2021, 9, 3916–3935. [Google Scholar] [CrossRef]
- Lin, X.; Ravi, L.; Burgos, R.; Dong, D. Hybrid Voltage Balancing Approach for Series-Connected SiC MOSFETs for DC–AC Medium-Voltage Power Conversion Applications. IEEE Trans. Power Electron. 2022, 37, 8104–8117. [Google Scholar] [CrossRef]
- Choi, U.-M.; Jørgensen, S.; Blaabjerg, F. Advanced Accelerated Power Cycling Test for Reliability Investigation of Power Device Modules. IEEE Trans. Power Electron. 2016, 31, 8371–8386. [Google Scholar] [CrossRef]
- Pu, S.; Yang, F.; Vankayalapati, B.T.; Akin, B. Aging Mechanisms and Accelerated Lifetime Tests for SiC MOSFETs: An Overview. IEEE J. Emerg. Sel. Top. Power Electron. 2022, 10, 1232–1254. [Google Scholar] [CrossRef]
- Chen, Z.; Chen, C.; Huang, A.Q. Testing Methodology for Wide Bandgap High Power Converter with Limited Lab Resources. In Proceedings of the 2023 IEEE Energy Conversion Congress and Exposition (ECCE), Nashville, TN, USA, 29 October–2 November 2023; pp. 6170–6175. [Google Scholar] [CrossRef]
- Sen, S. Medium Voltage Extreme Fast Charger based on Novel Medium Voltage SiC Power Devices. Ph.D. Thesis, Department of Electrical and Computer Engineering, the University of Texas at Austin, Austin, TX, USA, 2021. [Google Scholar]
- Chen, Z.; Rizi, H.S.; Xu, W.; Yu, R.; Huang, A.Q. Hardware Design of a 150kW/1500V All-SiC Grid-forming Photovoltaic Synchronous Generator (PVSG). In Proceedings of the 2022 IEEE Applied Power Electronics Conference and Exposition (APEC), Houston, TX, USA, 20–24 March 2022; pp. 1977–1984. [Google Scholar]
- Chen, Z.; Chen, C.; Rizi, H.S.; Huang, A.Q. A High Power Density 75kVA Air-Cooled SiC Intelligent Power Stage (IPS) As A Universal Building Block for Grid Applications. In Proceedings of the 2023 IEEE Applied Power Electronics Conference and Exposition (APEC), Orlando, FL, USA, 19–23 March 2023; pp. 2299–2306. [Google Scholar]
- Chen, Z.; Boroyevich, D.; Mattavelli, P.; Ngo, K. A frequency-domain study on the effect of DC-link decoupling capacitors. In Proceedings of the 2013 IEEE Energy Conversion Congress and Exposition, Denver, CO, USA, 15–19 September 2013; pp. 1886–1893. [Google Scholar] [CrossRef]
- Zhang, Z.; Guo, B.; Wang, F.F.; Jones, E.A.; Tolbert, L.M.; Blalock, B.J. Methodology for Wide Band-Gap Device Dynamic Characterization. IEEE Trans. Power Electron. 2017, 32, 9307–9318. [Google Scholar] [CrossRef]
- Zhang, W.; Zhang, Z.; Wang, F. Review and Bandwidth Measurement of Coaxial Shunt Resistors for Wide-Bandgap Devices Dynamic Characterization. In Proceedings of the 2019 IEEE Energy Conversion Congress and Exposition (ECCE), Baltimore, MD, USA, 29 September–3 October 2019; pp. 3259–3264. [Google Scholar] [CrossRef]
- Zhang, W.; Zhang, Z.; Wang, F.; Brush, E.V.; Forcier, N. High-Bandwidth Low-Inductance Current Shunt for Wide-Bandgap Devices Dynamic Characterization. IEEE Trans. Power Electron. 2021, 36, 4522–4531. [Google Scholar] [CrossRef]
- Wang, K.; Yang, X.; Li, H.; Wang, L.; Jain, P. A High-Bandwidth Integrated Current Measurement for Detecting Switching Current of Fast GaN Devices. IEEE Trans. Power Electron. 2018, 33, 6199–6210. [Google Scholar] [CrossRef]
- Zhang, W.; Sohid, S.B.; Wang, F.; Cui, H.; Holzinger, B. High-Bandwidth Combinational Rogowski Coil for SiC MOSFET Power Module. IEEE Trans. Power Electron. 2022, 37, 4397–4405. [Google Scholar] [CrossRef]
- Shi, Y.; Xin, Z.; Loh, P.C.; Blaabjerg, F. A Review of Traditional Helical to Recent Miniaturized Printed Circuit Board Rogowski Coils for Power-Electronic Applications. IEEE Trans. Power Electron. 2020, 35, 12207–12222. [Google Scholar] [CrossRef]
- Jones, E.A.; Wang, F.; Costinett, D.; Zhang, Z.; Guo, B.; Liu, B.; Ren, R. Characterization of an enhancement-mode 650-V GaN HFET. In Proceedings of the 2015 IEEE Energy Conversion Congress and Exposition (ECCE), Montreal, QC, Canada, 20–24 September 2015; pp. 400–407. [Google Scholar] [CrossRef]
- Infineon Technologies. IMZA120R007M1H: 1200V, 7 mΩ CoolSiC™ MOSFET Datasheet. Rev. 2.1, 2022. Available online: https://www.infineon.com/dgdl/Infineon-IMZA120R007M1H-DataSheet-v01_20-EN.pdf?fileId=8ac78c8c7f2a768a017f878c94d831d0 (accessed on 26 September 2024).
- Liu, T.; Feng, Y.; Ning, R.; Wang, W.; Wong, T.T.Y.; Shen, Z.J. Extraction of parasitic inductances of SiC MOSFET power modules based on two-port S-parameters measurement. In Proceedings of the 2017 IEEE Energy Conversion Congress and Exposition (ECCE), Cincinnati, OH, USA, 1–5 October 2017; pp. 5475–5482. [Google Scholar] [CrossRef]
- Chen, J.; Peng, H.; Cheng, Z.; Liu, X.; Xin, Q.; Kang, Y.; Wu, J.; Chu, X. A Novel Power Loop Parasitic Extraction Approach for Paralleled Discrete SiC MOSFETs on Multilayer PCB. IEEE J. Emerg. Sel. Top. Power Electron. 2021, 9, 6370–6384. [Google Scholar] [CrossRef]
- DeBoi, B.T.; Lemmon, A.N.; Nelson, B.W.; New, C.D.; Hudson, D.M. Improved Methodology for Parasitic Characterization of High-Performance Power Modules. IEEE Trans. Power Electron. 2020, 35, 13400–13408. [Google Scholar] [CrossRef]
- Cao, Y.S.; Makharashvili, T.; Cho, J.; Bai, S.; Connor, S.; Archambeault, B.; Jiang, L.; Ruehli, A.E.; Fan, J.; Drewniak, J.L. Inductance Extraction for PCB Prelayout Power Integrity Using PMSR Method. IEEE Trans. Electromagn. Compat. 2017, 59, 1339–1346. [Google Scholar] [CrossRef]
- Gui, H.; Chen, R.; Zhang, Z.; Niu, J.; Ren, R.; Liu, B.; Tolbert, L.M.; Wang, F.F.; Costinett, D.; Blalock, B.J.; et al. Modeling and Mitigation of Multiloops Related Device Overvoltage in Three-Level Active Neutral Point Clamped Converter. IEEE Trans. Power Electron. 2020, 35, 7947–7959. [Google Scholar] [CrossRef]
- Gui, H.; Zhang, Z.; Chen, R.; Ren, R.; Niu, J.; Li, H.; Dong, Z.; Timms, C.; Wang, F.; Tolbert, L.M.; et al. Development of High-Power High Switching Frequency Cryogenically Cooled Inverter for Aircraft Applications. IEEE Trans. Power Electron. 2020, 35, 5670–5682. [Google Scholar] [CrossRef]
- Chen, Z.; Huang, A.Q. High Performance SiC Power Module Based on Repackaging of Discrete SiC Devices. IEEE Trans. Power Electron. 2023, 38, 9306–9310. [Google Scholar] [CrossRef]
- Ni, Z.; Lyu, X.; Yadav, O.P.; Singh, B.N.; Zheng, S.; Cao, D. Overview of Real-Time Lifetime Prediction and Extension for SiC Power Converters. IEEE Trans. Power Electron. 2020, 35, 7765–7794. [Google Scholar] [CrossRef]
- Chen, C.; Luo, F.; Kang, Y. A Review of SiC Power Module Packaging: Layout, Material System and Integration. CPSS Trans. Power Electron. Appl. 2017, 2, 170–186. [Google Scholar] [CrossRef]
- Baliga, B. The future of power semiconductor device technology. Proc. IEEE 2001, 89, 822–832. [Google Scholar] [CrossRef]
- Chen, Z.; Chen, C.; Huang, A.Q. Driver Integrated Online Rds-on Monitoring Method for SiC Power Converters. In Proceedings of the 2022 IEEE Energy Conversion Congress and Exposition (ECCE), Detroit, MI, USA, 9–13 October 2022; pp. 1–7. [Google Scholar] [CrossRef]
- UnitedSiC. UF3SC120009K4S: 1200V, 9 mΩ SiC FET Datasheet. Rev. 4, 2022. Available online: https://www.qorvo.com/products/p/UF3SC120009K4S (accessed on 26 September 2024).
- Bahman, A.S.; Ma, K.; Blaabjerg, F. Thermal impedance model of high power IGBT modules considering heat coupling effects. In Proceedings of the 2014 International Power Electronics and Application Conference and Exposition, Shanghai, China, 5–9 November 2014; pp. 1382–1387. [Google Scholar] [CrossRef]
- Infineon. Transient Thermal Measurements and Thermal Equivalent Circuit Models; Appl. Note AN2015-10 V 1.2; Infineon: Neubiberg, Germany, 2020. [Google Scholar]
- Guo, Z.; Huang, A.Q. Characterizations of Partial Discharge in Modern Power Electronics. IEEE J. Emerg. Sel. Top. Power Electron. 2024. early access. [Google Scholar] [CrossRef]
- You, H.; Wei, Z.; Hu, B.; Zhao, Z.; Na, R.; Wang, J. Partial Discharge Behaviors in Power Modules Under Square Pulses with Ultrafast dv/dt. IEEE Trans. Power Electron. 2021, 36, 2611–2620. [Google Scholar] [CrossRef]
- Wang, H.; Xiao, G.; Wang, L.; Yan, F.; Ma, Z.; Yang, Q. Characteristics and Mechanism of Partial Discharge Behavior of Power Module Under Unipolar Square Voltage. IEEE Trans. Ind. Electron. 2024, 71, 9789–9799. [Google Scholar] [CrossRef]
- Li, Z.; Han, Y.; Xie, Z.; Ren, H.; Li, Q.; Wang, Z. High-Frequency Partial Discharge Characteristics of Solid-State Transformer Interturn Multilayer Insulation Under Repetitive Electrical Stress. IEEE Trans. Ind. Electron. 2024, 71, 13331–13340. [Google Scholar] [CrossRef]
- Guo, Z.; Huang, A.Q.; Feng, X. Comparison of Partial Discharge Characterizations under 60 Hz Sinusoidal Waveform and High-frequency PWM Waveform. In Proceedings of the 2022 IEEE Energy Conversion Congress and Exposition (ECCE), Detroit, MI, USA, 9–13 October 2022; pp. 1–6. [Google Scholar] [CrossRef]
- IEC 60270:2000; High-Voltage Test Techniques—Partial Discharge Measurements. IEC: Geneva, Switzerland, 2000.
- Guo, Z.; Li, H.; Cheetham, P.; Guvvala, N. Partial Discharge Characterization of Solid-Dielectric-Based Transformer Under High Frequency High dv/dt PWM Voltage for MV Applications. In Proceedings of the 2023 IEEE Applied Power Electronics Conference and Exposition (APEC), Orlando, FL, USA, 19–23 March 2023; pp. 301–305. [Google Scholar] [CrossRef]
- Tu, H.; Feng, H.; Srdic, S.; Lukic, S. Extreme Fast Charging of Electric Vehicles: A Technology Overview. IEEE Trans. Transp. Electrif. 2019, 5, 861–878. [Google Scholar] [CrossRef]
- Xu, W. Medium Voltage Utility Scale PV plus Storage Solid State Transformer. Ph.D. Thesis, Department of Electrical and Computer Engineering, the University of Texas at Austin, Austin, TX, USA, 2023. [Google Scholar]
- Dong, D.; Agamy, M.; Bebic, J.Z.; Chen, Q.; Mandrusiak, G. A Modular SiC High-Frequency Solid-State Transformer for Medium-Voltage Applications: Design, Implementation, and Testing. IEEE J. Emerg. Sel. Top. Power Electron. 2019, 7, 768–778. [Google Scholar] [CrossRef]































Disclaimer/Publisher’s Note: The statements, opinions and data contained in all publications are solely those of the individual author(s) and contributor(s) and not of MDPI and/or the editor(s). MDPI and/or the editor(s) disclaim responsibility for any injury to people or property resulting from any ideas, methods, instructions or products referred to in the content. |
© 2024 by the authors. Licensee MDPI, Basel, Switzerland. This article is an open access article distributed under the terms and conditions of the Creative Commons Attribution (CC BY) license (https://creativecommons.org/licenses/by/4.0/).
Share and Cite
Chen, Z.; Guo, Z.; Chen, C.; Huang, A.Q. Hardware Testing Methodologies for Wide Bandgap High-Power Converters. Electronics 2024, 13, 3918. https://doi.org/10.3390/electronics13193918
Chen Z, Guo Z, Chen C, Huang AQ. Hardware Testing Methodologies for Wide Bandgap High-Power Converters. Electronics. 2024; 13(19):3918. https://doi.org/10.3390/electronics13193918
Chicago/Turabian StyleChen, Zibo, Zhicheng Guo, Chen Chen, and Alex Q. Huang. 2024. "Hardware Testing Methodologies for Wide Bandgap High-Power Converters" Electronics 13, no. 19: 3918. https://doi.org/10.3390/electronics13193918
APA StyleChen, Z., Guo, Z., Chen, C., & Huang, A. Q. (2024). Hardware Testing Methodologies for Wide Bandgap High-Power Converters. Electronics, 13(19), 3918. https://doi.org/10.3390/electronics13193918

