Data-Driven Modeling of DC–DC Power Converters
Abstract
1. Introduction
- First generation: Classic converters;
- Second generation: Converters of multiple quadrants;
- Third generation: Switched component converters;
- Fourth generation: Soft switching converters;
- Fifth generation: Synchronous rectification converters;
- Sixth generation: Multi-element power resonant converters.
- We propose a state–space model representation based on a data-driven methodology, eliminating the need for prior knowledge of all converter parameters.
- We provide a methodology capable of addressing the analysis of power electronics converters and determining state matrices.
2. DC–DC Converter Modeling Methods
2.1. State–Space Average Modeling
2.2. Extended Harmonic Domain Modeling
2.3. Dynamic Phasor Modeling
2.4. Harmonic State–Space Modeling
3. Metodology
Data-Based System Modeling
4. DC–DC Power Converter Model Identification
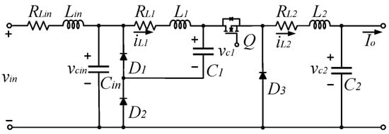
4.1. LC Input Boost Converter
4.2. LCL SEPIC Converter
4.3. LC Input Quadratic Buck Converter
5. Model Validation
5.1. LC Input Boost Converter
5.2. LCL SEPIC Converter
5.3. LC Input Quadratic Buck Converter
6. Conclusions
Author Contributions
Funding
Data Availability Statement
Acknowledgments
Conflicts of Interest
Nomenclature
| Duty cycle variation | |
| d | Duty cycle |
| Inductor current | |
| Coefficient Matrix | |
| Resistive Load | |
| Inductor parasitic resistance | |
| Root Mean Squared Error | |
| Capacitor voltage | |
| Input voltage | |
| Output voltage |
References
- Singh, A.K.; Mishra, A.K.; Gupta, K.K.; Siwakoti, Y.P. High voltage gain bidirectional DC-DC converters for supercapacitor assisted electric vehicles: A review. CPSS Trans. Power Electron. Appl. 2022, 7, 386–398. [Google Scholar] [CrossRef]
- Aravind, R.; Bharatiraja, C.; Verma, R.; Aruchamy, S.; Mihet-Popa, L. Multi-Port Non-Isolated DC-DC Converters and their Control Techniques for the Applications of Renewable Energy. IEEE Access 2024, 12, 88458–88491. [Google Scholar] [CrossRef]
- Kazimierczuk, M.K. Pulse-Width Modulated DC-DC Power Converters; John Wiley & Sons: Hoboken, NJ, USA, 2015. [Google Scholar]
- Luo, F.L.; Ye, H. Advanced DC-DC Converters; CRC Press: Boca Raton, FL, USA, 2016. [Google Scholar]
- Mostaan, A.; Gorji, S.A.; Soltani, M.; Ektesabi, M. A novel quadratic buck-boost DC-DC converter without floating gate-driver. In Proceedings of the 2016 IEEE 2nd Annual Southern Power Electronics Conference (SPEC), Auckland, New Zealand, 5–8 December 2016; pp. 1–5. [Google Scholar] [CrossRef]
- Carstensen, C.; Biela, J. A Three-Level Buck Converter with a Wide Voltage Operation Range for Hardware-in-the-Loop Test Systems. IEEE Trans. Power Electron. 2016, 31, 6176–6191. [Google Scholar] [CrossRef]
- Cervero, D.; Fotopoulou, M.; Muñoz-Cruzado, J.; Rakopoulos, D.; Stergiopoulos, F.; Nikolopoulos, N.; Voutetakis, S.; Sanz, J.F. Solid state transformers: A critical review of projects with relevant prototypes and demonstrators. Electronics 2023, 12, 931. [Google Scholar] [CrossRef]
- Haro-Larrode, M.; Bayod-Rújula, Á.A. A coordinated control hybrid MPPT algorithm for a grid-tied PV system considering a VDCIQ control structure. Electr. Power Syst. Res. 2023, 221, 109426. [Google Scholar] [CrossRef]
- Rosas-Caro, J.C.; Valdez-Resendiz, J.E.; Escobar, G.; Beltran-Carbajal, F. A Multilevel Boost Converter with Reduced Inductor Current. Electronics 2023, 12, 4585. [Google Scholar] [CrossRef]
- Zhang, J.; Yang, X.; Chen, W.; Zhou, H.; Luo, J. A multifrequency small-signal model for the MLCL-filtered grid-connected inverter considering the FCE of nonlinear inductors. IEEE Trans. Ind. Electron. 2022, 70, 4901–4911. [Google Scholar] [CrossRef]
- Long, B.; Hu, C.; Chen, Z.; Hu, J.; Rodríguez, J.; Zang, X. Fractional-Order Sequential Model Predictive Control of Three-Phase Fractional-Order T-Type Converters. IEEE J. Emerg. Sel. Top. Power Electron. 2023, 11, 5820–5832. [Google Scholar] [CrossRef]
- Pacheco-Cherrez, D.S.; Guillen, D.; Mayo-Maldonado, J.C.; Escobar, G. Data-Driven Optimal Voltage Performance Index Tracking in Active Distribution Networks. IEEE Trans. Smart Grid 2024, 15, 4804–4818. [Google Scholar] [CrossRef]
- Rahman, A.U.; Syed, I.; Ullah, M. Small-signal stability criteria in AC distribution systems—A review. Electronics 2019, 8, 216. [Google Scholar] [CrossRef]
- Behjati, H.; Niu, L.; Davoudi, A.; Chapman, P.L. Alternative time-invariant multi-frequency modeling of PWM DC-DC converters. IEEE Trans. Circuits Syst. I Regul. Pap. 2013, 60, 3069–3079. [Google Scholar] [CrossRef]
- Yue, X.; Wang, X.; Blaabjerg, F. Review of small-signal modeling methods including frequency-coupling dynamics of power converters. IEEE Trans. Power Electron. 2018, 34, 3313–3328. [Google Scholar] [CrossRef]
- Wang, L.; Deng, X.; Han, P.; Qi, X.; Wu, X.; Li, M.; Xu, H. Electromagnetic transient modeling and simulation of power converters based on a piecewise generalized state space averaging method. IEEE Access 2019, 7, 12241–12251. [Google Scholar] [CrossRef]
- Azer, P.; Emadi, A. Generalized state space average model for multi-phase interleaved buck, boost and buck-boost DC-DC converters: Transient, steady-state and switching dynamics. IEEE Access 2020, 8, 77735–77745. [Google Scholar] [CrossRef]
- Lei, J.; Xiang, X.; Li, W.; He, X. The analysis and calculation of power angle dynamics in grid forming converter under large disturbances based on KBM asymptotic method. IEEE Trans. Power Electron. 2022, 38, 1494–1508. [Google Scholar] [CrossRef]
- Bernal, C.; Oyarbide, E.; Gaudo, P.M.; Mediano, A. Dynamic model of class-E inverter with multifrequency averaged analysis. IEEE Trans. Ind. Electron. 2012, 59, 3737–3744. [Google Scholar] [CrossRef]
- Leng, M.; Zhou, G.; Tian, Q.; Xu, G.; Zhang, X. Improved small-signal model for switching converter with ripple-based control. IEEE Trans. Ind. Electron. 2020, 68, 222–235. [Google Scholar] [CrossRef]
- Tian, S.; Lee, F.C.; Li, Q.; Yan, Y. Unified equivalent circuit model and optimal design of v2 controlled buck converters. IEEE Trans. Power Electron. 2015, 31, 1734–1744. [Google Scholar] [CrossRef]
- Lv, Z.; Zhou, M.; Wang, Q.; Hu, W. Small-signal stability analysis for multi-terminal LVDC distribution network based on distributed secondary control strategy. Electronics 2021, 10, 1575. [Google Scholar] [CrossRef]
- Deraz, S.A.; Zaky, M.S.; Tawfiq, K.B.; Mansour, A.S. State Space Average Modeling, Small Signal Analysis, and Control Implementation of an Efficient Single-Switch High-Gain Multicell Boost DC-DC Converter with Low Voltage Stress. Electronics 2024, 13, 3264. [Google Scholar] [CrossRef]
- Meng, X.; Hu, G.; Liu, Z.; Wang, H.; Zhang, G.; Lin, H.; Sadabadi, M.S. Neural Network-Based Impedance Identification and Stability Analysis for Double-Sided Feeding Railway Systems. IEEE Trans. Transp. Electrif. 2024, 1. [Google Scholar] [CrossRef]
- Shafaei, R.; Ordonez, M.; Saket, M.A. Three-dimensional frequency-dependent thermal model for planar transformers in LLC resonant converters. IEEE Trans. Power Electron. 2018, 34, 4641–4655. [Google Scholar] [CrossRef]
- Nabinejad, A.; Rajaei, A.; Mardaneh, M. A systematic approach to extract state-space averaged equations and small-signal model of partial-power converters. IEEE J. Emerg. Sel. Top. Power Electron. 2019, 8, 2475–2483. [Google Scholar] [CrossRef]
- Shankaran, G.V.; Dogruoz, M.B.; Abarham, M. Thermal Analysis and Design of Electronics Systems across Scales Using State-Space Modeling Technique. IEEE Trans. Compon. Packag. Manuf. Technol. 2021, 11, 1223–1234. [Google Scholar] [CrossRef]
- Vargas, U.; Ramirez, A. Reformulating extended harmonic domain models for accurate representation of harmonics dynamics. IEEE Trans. Power Deliv. 2016, 31, 2562–2564. [Google Scholar] [CrossRef]
- Wang, K.; Wu, F.; Su, J. Harmonic State-Space Modeling and Closed-Loop Control of Single-Stage High-Frequency Isolated DC–AC Converter. IEEE Trans. Ind. Electron. 2023, 71, 4576–4585. [Google Scholar] [CrossRef]
- Daryabak, M.; Filizadeh, S.; Jatskevich, J.; Davoudi, A.; Saeedifard, M.; Sood, V.; Martinez, J.; Aliprantis, D.; Cano, J.; Mehrizi-Sani, A. Modeling of LCC-HVDC systems using dynamic phasors. IEEE Trans. Power Deliv. 2014, 29, 1989–1998. [Google Scholar] [CrossRef]
- Bi, T.; Liu, H.; Feng, Q.; Qian, C.; Liu, Y. Dynamic phasor model-based synchrophasor estimation algorithm for M-class PMU. IEEE Trans. Power Deliv. 2015, 30, 1162–1171. [Google Scholar] [CrossRef]
- Almozayen, M.A.; Knight, A.M. Dynamic phasor finite element modeling of grid-connected DFIG considering winding space harmonics. IEEE Access 2022, 10, 65913–65924. [Google Scholar] [CrossRef]
- Motwani, J.K.; Xue, Y.; Nazari, A.; Dong, D.; Cvetkovic, I.; Boroyevich, D. Modeling of power electronics systems and PWM modulators in harmonic-state space. IEEE Open J. Power Electron. 2022, 3, 689–704. [Google Scholar] [CrossRef]
- Xu, Z.; Li, B.; Wang, S.; Zhang, S.; Xu, D. Generalized single-phase harmonic state space modeling of the modular multilevel converter with zero-sequence voltage compensation. IEEE Trans. Ind. Electron. 2018, 66, 6416–6426. [Google Scholar] [CrossRef]
- Li, Y.; Sun, Y.; Li, K.J.; Lou, J.; Sun, K.; An, P. Harmonic Power Flow Calculation Based on Unified Harmonic State-Space Model of Converter. In Proceedings of the 2022 IEEE Industry Applications Society Annual Meeting (IAS), Detroit, MI, USA, 9–14 October 2022; IEEE: Piscataway, NJ, USA, 2022; pp. 1–7. [Google Scholar]
- Escobar, G.; Mayo-Maldonado, J.C.; del Puerto-Flores, D.; Valdez-Resendiz, J.E.; Micheloud, O.M. A Single-Phase Globally Stable Frequency-Locked Loop Based on the Second-Order Harmonic Oscillator Model. Electronics 2021, 10, 525. [Google Scholar] [CrossRef]
- Wang, L.; Zhang, J. Methodology for Improving High-Power Harmonic Measurement Accuracy and Stability. Electronics 2022, 11, 3808. [Google Scholar] [CrossRef]
- Zhu, S.; Liu, J.; Cao, Y.; Guan, B.; Du, X. Vienna Rectifier Modeling and Harmonic Coupling Analysis Based on Harmonic State-Space. Electronics 2024, 13, 1447. [Google Scholar] [CrossRef]
- Meng, X.; Liu, Z.; Liu, Y.; Zhou, H.; Tasiu, I.A.; Lu, B.; Gou, J.; Liu, J. Conversion and SISO equivalence of impedance model of single-phase converter in electric multiple units. IEEE Trans. Transp. Electrif. 2022, 9, 1363–1378. [Google Scholar] [CrossRef]
- Rapisarda, P.; Willems, J.C. State maps for linear systems. SIAM J. Control Optim. 1997, 35, 1053–1091. [Google Scholar] [CrossRef]
- Balakrishnan, V. System Identification: Theory for the User: Lennart Ljung; Prentice-Hall: Englewood Cliffs, NJ, USA, 1999; ISBN 0-13-656695-2. [Google Scholar]
- Rivera, D.; Guillen, D.; Mayo-Maldonado, J.C.; Valdez-Resendiz, J.E.; Escobar, G. Power grid dynamic performance enhancement via statcom data-driven control. Mathematics 2021, 9, 2361. [Google Scholar] [CrossRef]
- Willems, J.C.; Rapisarda, P.; Markovsky, I.; De Moor, B.L. A note on persistency of excitation. Syst. Control Lett. 2005, 54, 325–329. [Google Scholar] [CrossRef]
- Warren, J.R.; Rosowski, K.A.; Perreault, D.J. Transistor selection and design of a VHF DC-DC power converter. IEEE Trans. Power Electron. 2008, 23, 27–37. [Google Scholar] [CrossRef]
- Zhang, J.; Chung, C.; Guan, L. Noise effect and noise-assisted ensemble regression in power system online sensitivity identification. IEEE Trans. Ind. Inform. 2017, 13, 2302–2310. [Google Scholar] [CrossRef]
- Tan, A.H.; Godfrey, K.R.; Barker, H.A. Design of ternary signals for MIMO identification in the presence of noise and nonlinear distortion. IEEE Trans. Control Syst. Technol. 2009, 17, 926–933. [Google Scholar] [CrossRef]
- Sosa, J.M.; Escobar, G.; Martínez-Rodríguez, P.R.; Vázquez, G.; Juárez, M.A.; Nava-Cruz, J.C. A model-based controller for a DC-DC boost converter with an LCL input filter. In Proceedings of the IECON 2015-41st Annual Conference of the IEEE Industrial Electronics Society, Yokohama, Japan, 9–12 November 2015; IEEE: Piscataway, NJ, USA, 2015; pp. 619–624. [Google Scholar]

















| Modeling Method | Advantages | Limitations |
|---|---|---|
| State–Space Average Modeling [17,26,27] | Simplicity and ease of implementation. Suitable for stability and control analysis of converters. Requires fewer computational resources compared to more complex methods. | Does not adequately capture high-frequency effects. Limited to steady-state operation conditions or small perturbations around a fixed operating point. |
| Extended Harmonic Domain Modeling [28,29] | Provides a detailed view of harmonic generation and propagation. Allows for the study of interactions between different harmonics and the grid. | Large number of differential equations involved. Not suitable for modeling systems with rapid state changes, such as in fault conditions or severe disturbances. |
| Dynamic Phasor Modeling [30,31,32] | Enables the analysis of multi-frequency systems and rapid changes in the network. Offers good accuracy in representing the dynamics of converters. | Higher mathematical and computational complexity compared to average models. Requires a deep understanding of system behavior in the frequency domain. |
| Harmonic State–Space (HSS) Modeling [10,33,34,35,36] | Accurate frequency-domain description for power converters. Predicts frequency coupling interactions. Flexible for analyzing a selected range of harmonics. | Increased modeling complexity due to its higher order. Application may be limited by the lack of standardization in the development of HSS models for multi-converter systems. |
| LC Boost Converter | LC SEPIC Converter | Quadratic Buck Converter | |
|---|---|---|---|
| H | H | 1 mH | |
| H | H | 1 mH | |
| - | H | H | |
| F | F | F | |
| F | F | F | |
| - | F | F |
| Boost Converter | SEPIC Converter | Quadratic Buck Converter | ||||
|---|---|---|---|---|---|---|
| Physical Model | Data-Driven Model | Physical Model | Data-Driven Model | Physical Model | Data-Driven Model | |
| - | ||||||
| - | - | |||||
| s | s | s | s | s | s | |
| s | - | s | s | s | s | |
Disclaimer/Publisher’s Note: The statements, opinions and data contained in all publications are solely those of the individual author(s) and contributor(s) and not of MDPI and/or the editor(s). MDPI and/or the editor(s) disclaim responsibility for any injury to people or property resulting from any ideas, methods, instructions or products referred to in the content. |
© 2024 by the authors. Licensee MDPI, Basel, Switzerland. This article is an open access article distributed under the terms and conditions of the Creative Commons Attribution (CC BY) license (https://creativecommons.org/licenses/by/4.0/).
Share and Cite
Silva-Vera, E.D.; Valdez-Resendiz, J.E.; Escobar, G.; Guillen, D.; Rosas-Caro, J.C.; Sosa, J.M. Data-Driven Modeling of DC–DC Power Converters. Electronics 2024, 13, 3890. https://doi.org/10.3390/electronics13193890
Silva-Vera ED, Valdez-Resendiz JE, Escobar G, Guillen D, Rosas-Caro JC, Sosa JM. Data-Driven Modeling of DC–DC Power Converters. Electronics. 2024; 13(19):3890. https://doi.org/10.3390/electronics13193890
Chicago/Turabian StyleSilva-Vera, Edgar D., Jesus E. Valdez-Resendiz, Gerardo Escobar, Daniel Guillen, Julio C. Rosas-Caro, and Jose M. Sosa. 2024. "Data-Driven Modeling of DC–DC Power Converters" Electronics 13, no. 19: 3890. https://doi.org/10.3390/electronics13193890
APA StyleSilva-Vera, E. D., Valdez-Resendiz, J. E., Escobar, G., Guillen, D., Rosas-Caro, J. C., & Sosa, J. M. (2024). Data-Driven Modeling of DC–DC Power Converters. Electronics, 13(19), 3890. https://doi.org/10.3390/electronics13193890

