Next Article in Journal
Regional Load Forecasting Scheme for Security Outsourcing Computation
Previous Article in Journal
A Novel Wind Power Prediction Model That Considers Multi-Scale Variable Relationships and Temporal Dependencies
 
 
Font Type:
Arial Georgia Verdana
Font Size:
Aa Aa Aa
Line Spacing:
Column Width:
Background:
Article

Coordinated Control of Differential Drive-Assist Steering and Direct Yaw Moment Control for Distributed-Drive Electric Vehicles

1
Power Machinery & Vehicular Engineering Institute, College of Energy Engineering, Zhejiang University, 866 Yuhangtang Rd, Hangzhou 310058, China
2
Polytechnic Institute, Zhejiang University, Hangzhou 310058, China
3
ZEEKER Intelligent Technology Holding Limited, Ningbo 315800, China
4
School of Mechanical Engineering, Hangzhou Dianzi University, 1158 The Second Ave., Qiantang Dist., Hangzhou 310018, China
5
Jiaxing Research Institute, Zhejiang University, Jiaxing 314031, China
6
Fujian Provincial Key Laboratory of Intelligent Identification and Control of Complex Dynamic System, Quanzhou 362216, China
*
Author to whom correspondence should be addressed.
Electronics 2024, 13(18), 3711; https://doi.org/10.3390/electronics13183711
Submission received: 26 August 2024 / Revised: 17 September 2024 / Accepted: 18 September 2024 / Published: 19 September 2024

Abstract

Direct yaw moment control (DYC) and differential drive-assist steering (DDAS) for distributed-drive vehicles are both realized by allocating the in-wheel motor torque. To address the interference caused by overlapping control objectives, this paper proposes a multilayer control strategy that integrates DYC and DDAS, consisting of an upper controller, a coordinated decision layer, and a torque distribution layer. The upper controller, designed based on the vehicle’s dynamic characteristics, incorporates an adaptive fuzzy control DYC system and a dual PID control DDAS system. The coordinated decision layer is developed utilizing a phase-plane dynamic weighting method, delineating region boundaries by applying the double-line and limit cycle methods. The torque distribution strategy is formulated considering motor peak torque and road adhesion conditions. Multi-condition joint simulation experiments indicate that the proposed multilayer control strategy, integrating the advantages of DYC and DDAS, reduces peak steering wheel torque by approximately 10%, peak yaw rate by around 25%, peak sideslip angle by roughly 29%, and peak sideslip angle rate by about 19%, significantly improving driving stability and maneuvering flexibility.

1. Introduction

Compared to traditional internal combustion engine vehicles, electric vehicles (EVs) offer superior economic efficiency and higher intelligence, providing a more robust platform for automotive control research [1,2,3]. In contrast to centralized-drive EVs, distributed-drive EVs are propelled by multiple independently controlled motors, offering precise torque control, shorter transmission chains, higher transmission efficiency, and the ability to allocate torque to each wheel in arbitrary proportions, including the capability for one-side driving and one-side braking [4,5,6]. In-wheel motor distributed-drive EVs combine the flexibility of distributed-drive systems with the rapid and precise torque response of in-wheel motors, thereby enhancing driving stability and vehicle active safety [7,8,9,10,11].
Ensuring driving stability and maneuvering flexibility is of paramount importance in vehicle control research. Liang et al. [12] proposed a control framework integrating torque vectoring (TV) and active front steering (AFS) systems for distributed-drive EVs, with experimental results demonstrating that this approach effectively enhances the lateral stability of the vehicle. Geng et al. [13] introduced a joint sliding mode control algorithm with a fuzzy adaptive gain coupled with an unscented Kalman filter-based state observer, which improved the driving stability of the vehicle. Zhang et al. [14] investigated four-wheel steering (4WS) based on a composite model-free observer, effectively leveraging 4WS to enhance vehicle maneuvering flexibility. Tarhini et al. [15] developed a multi-layer global chassis control (GCC) architecture to achieve multi-objective control of in-wheel motor torque, significantly improving vehicle maneuvering flexibility. This paper proposes a coordinated strategy integrating differential drive-assist steering (DDAS) and direct yaw moment control (DYC) to simultaneously ensure the driving stability and maneuvering flexibility of distributed-drive EVs.
The DDAS system leverages the ability to independently control the torque of each wheel in distributed-drive EVs, using the torque differences between the front in-wheel motors to achieve power-assist steering [16]. Wang et al. [17] improved DDAS control performance with an active disturbance rejection control (ADRC) method. Wang et al. [18] designed a robust DDAS controller capable of suppressing steering-wheel torque pulsations, taking into account the effects of road surface roughness and other factors on steering-wheel torque. Lin et al. [19], considering the interaction between the driver and the vehicle, as well as the driver’s neuromuscular dynamics, designed a full-order dynamic output feedback shared controller to realize DDAS functionality. Wang et al. [20] utilized DDAS to implement obstacle avoidance, proposing an obstacle avoidance assistance framework for distributed heavy vehicles.
Benefiting from the independently controllable wheel torques in distributed-drive EVs, DYC can be readily achieved, significantly improving vehicle lateral stability. Patil et al. [21] designed a DYC system that integrates sliding mode control and inertial delay control, incorporating vehicle parameter estimation, and validated its performance. Ma et al. [22], employing sliding mode theory and adaptive control, proposed a DYC system consisting of upper and lower controllers, enhancing vehicle driving stability. Lee et al. [23] proposed a nonsingular fast terminal sliding mode control (NFTSMC) method to generate yaw moment, employing a torque distribution approach based on vertical load ratio to enhance yaw rate tracking accuracy. Sawaqed et al. [24] introduced a DYC strategy that simultaneously considers the yaw rate, sideslip angle, and longitudinal speed, aiming to improve the handling and stability of electric vehicles. Sun et al. [25] designed a switching logic that alternates between energy-efficient DYC and stability-enhancing DYC based on stability criteria, thereby broadening the operational scope of DYC to enhance energy efficiency. Ueno et al. [26] introduced a variable-rate slip ratio limiter, leveraging differences between tire friction limit circles, to enhance DYC control precision. Liang et al. [27] developed a dual linear-time-varying MPC (LTV-MPC)-based hierarchical control framework and introduced a phase-plane-based soft constraint to achieve vehicle-handling stability control through DYC.
Most of the aforementioned research on DDAS and DYC considers the two control modules independently, despite significant coupling effects between them. Refs. [28,29] explored collaborative control strategies between DDAS and AFS. Similarly, studies such as [30,31,32,33] examined the cooperative strategies between DYC and AFS, active rear steering (ARS), and adaptive model predictive control (AMPC) for path tracking. However, these studies generally focus on either vehicle-handling agility or driving stability, with limited consideration of the coordination and trade-offs between these two aspects. As key control systems in distributed-drive EVs, DDAS and DYC have overlapping control objectives and effects. The left and right front-wheel motors used by DDAS are also typically the actuators for DYC. Furthermore, DDAS inevitably generates additional yaw moments during operation, affecting vehicle stability under certain conditions. Consequently, DYC and DDAS can sometimes interfere with each other. Integrating these two systems is crucial to enhance vehicle handling and stability simultaneously.
To address the coupling issues between DYC and DDAS, this paper proposes a coordinated control strategy that integrates both systems to enhance driving stability and maneuvering flexibility. The strategy comprises three parts, namely (1) the upper controller, (2) the coordinated decision layer, and (3) the torque distribution layer. The upper controller incorporates two subsystems, namely the DYC and the DDAS. Given the differences in vehicle states during the operation of DDAS and DYC, this paper introduces a dynamic weighting coordination method based on phase-plane theory. This method aims to ensure vehicle stability while optimizing the power-assist steering function of DDAS. Using techniques such as limit cycles, the phase plane is divided into stable, unstable, and coordinated regions. A cosine-based function is employed to adjust the weighting coefficients for DDAS and DYC, allowing for smooth transitions between different stability regions and ensuring seamless coordination between DDAS and DYC.
Compared to existing methods, the primary contributions of this paper are:
(1)
This paper explores the coupling between DDAS and DYC and emphasizes the importance of coordinated control. The proposed strategy integrates the advantages of both DDAS and DYC, mitigating the shortcomings of isolated control methods. It extends the reliable operating range of DDAS and ensures vehicle stability under all conditions;
(2)
A more precise phase-plane partitioning method is introduced, which refines the boundaries of stability regions beyond the traditional dual-line approach. This reduces errors from simplistic boundary definitions and improves stability assessment accuracy. Within the coordinated region, a cosine-based dynamic weighting function is utilized to facilitate smooth transitions between DDAS and DYC controls across different stability regions, thereby minimizing fluctuations in actuator output.
This paper is organized as follows. In Section 2, a seven-degree-of-freedom dynamic model of the vehicle is established, and the phase-plane theory and partitioning methods are analyzed. Section 3 designs the DDAS and DYC coordinated controller, comprising the upper controller, coordinated decision layer, and torque distribution layer. Simulation experiments for typical scenarios are performed in Section 4, and their results are analyzed simultaneously. Finally, Section 5 summarizes the conclusions of the paper.

2. Vehicle-Dynamics Modeling and Phase-Plane Plotting

2.1. Vehicle-Dynamics Reference Model

The dynamic model is fundamental to vehicle control research. A seven-degree-of-freedom vehicle-dynamics reference model is developed, incorporating the longitudinal, lateral, and yaw motions of the body, as well as the rotational motions of each wheel. As shown in Figure 1, XOY is the ground coordinate system, and xoy is the vehicle coordinate system.
The longitudinal motion of the vehicle can be written as:
m ( v x ˙ v y ω ) = ( F x f l + F x f r ) c o s δ f ( F y f l + F y f r ) s i n δ f + F x r l + F x r r
The lateral motion is:
m ( v y ˙ + v x ω ) = F x f l + F x f r s i n δ f + ( F y f l + F y f r ) c o s δ f + F y r l + F y r r
The yaw motion is:
I z ω ˙ = a ( ( F y f l + F y f r ) c o s δ f + ( F x f l + F x f r ) s i n δ f b ( F y r l + F y r r ) + ( ( F x f r F x f l ) c o s δ f + ( F y f l F y f r ) s i n δ f ) B 2 + ( F y r r F y r l ) B 2
where b is the distance from the center of gravity to the rear axle, L is the wheelbase, I z is the inertia moment about the vertical axis, δ f is the front-wheel steering angle, B is the track width, v x is the longitudinal velocity, v y is the lateral velocity, and ω is the yaw rate. F x i j ( i = f , r ; j = l , r ) are the longitudinal forces on each wheel, and F y i j ( i = f , r ; j = l , r ) are the lateral forces on each wheel.
The rotational motion of the wheels is:
I ω ˙ = T i j T f F x i j r
T f = f F z i j r
where I is the wheel inertia moment, T f is the rolling resistance torque, r is the scroll radius, f is the rolling resistance coefficient, and F z i j is the vertical load on each wheel.

2.2. β β ˙ Phase-Plane Plotting

The application of phase planes greatly facilitates the intuitive analysis of vehicle-stability characteristics [34]. The vehicle’s state space is projected onto the phase plane by plotting phase-plane trajectories, where each point corresponds to a specific dynamic state of the vehicle system. This paper utilizes the vehicle sideslip angle and sideslip angle rate ( β β ˙ ) phase plane as the basis for the coordinated control strategy.
The vehicle parameters used are listed in Table 1, and the obtained vehicle phase plane is shown in Figure 2. It can be observed that the vehicle phase plane is composed of a series of phase trajectories. The outer layer of the phase plane is divided using the double-line method [35]. This method employs two lines that are symmetric about the origin to partition the phase plane. These lines pass through the saddle point of the phase plane and are tangent to the critical converging phase trajectories. The region within these lines is considered the generalized stable region, while the region outside is defined as the unstable region. Based on these characteristics of the double-line method, the outer boundary of the phase plane can be derived, and its boundary function can be expressed as:
β ˙ k β = c
The real-time state of the vehicle directly influences its phase plane. Figure 3 and Figure 4 illustrate the effects of vehicle speed v x and road adhesion coefficient μ on the β β ˙ phase plane. As the vehicle speed increases, the stable region of the phase plane shrinks. Conversely, as the road adhesion coefficient increases, the stable region expands. These observations are consistent with vehicle-dynamics characteristics.
The inner layer is partitioned using the limit cycle method [36] to further refine the stability regions defined by the double-line method. The limit cycle method uses an elliptical boundary to delineate the stable region, as shown in Figure 5. In this figure, lines A B and A B are the boundaries determined by the double-line method. Compared to other linear boundary division methods, the limit cycle method uses elliptical curve boundaries, which minimize errors caused by single linear boundaries and enhance the reliability of stability assessment. Moreover, the limit cycle method’s boundary effectively complements the boundary defined by the double-line method, allowing for a more precise and detailed subdivision of the generalized stable region established by the double-line method. This lays a robust foundation for further research on coordinated control.
The boundary function of the limit cycle method can be expressed as:
β a 2 + β ˙ b 2 = 1
It is tangent to lines A B and A B :
β a 2 + β ˙ b 2 = 1 β ˙ k β + c = 0
β a 2 + β ˙ b 2 = 1 β ˙ k β c = 0
The equations yield:
k 2 a 2 c 2 + b 2 c 2 = 1

3. Design of DDAS and DYC Coordinated Control Strategy

To address the coupling interference between DDAS and DYC in practical applications and to coordinate their control logic while maximizing the reliable operational range of DDAS, this paper proposes an integrated control strategy for DDAS and DYC. This strategy minimizes the additional steering torque imposed by the DYC system, reduces the potential stability risks associated with the DDAS system, and enhances both vehicle maneuverability and driving stability.
The structure of the proposed coordinated control strategy is shown in Figure 6 and comprises three main components, namely the upper controller, the coordinated decision layer, and the torque distribution layer. The upper controller consists of the DDAS and DYC sub-control systems, each calculating the respective output torques based on real-time vehicle states. The coordinated decision layer applies the limit cycle and double-line partitioning method described in Section 2 to divide the phase plane into three stability regions, namely the stable, unstable, and coordinated regions. A cosine-based function is used as the weighting function, enabling smooth transitions between the two sub-control systems across the regions. The torque distribution layer first determines the total drive torque from the speed controller. This total torque is then distributed among the in-wheel motors, incorporating the yaw-control torque and power-steering torque determined by the coordinated decision layer. Finally, the output torque is constrained by the motor’s peak torque and road adhesion conditions to yield the final feasible torque values for each motor.

3.1. Upper Controller

3.1.1. DYC Subsystem Design

The vehicle’s sideslip angle and yaw rate are selected as the stability evaluation criteria. A two-degree-of-freedom vehicle model, including lateral and yaw motions, is established as follows:
( k f + k r ) β + 1 v x ( a k f b k r ) ω k f δ f = m ( v y ˙ + v x ω ) ( a k f b k r ) β + 1 v x ( a 2 k f + b 2 k r ) ω a k f δ f = I z ω ˙
where a is the distance from the center of gravity to the front axle, and k f , and k r are the cornering stiffnesses of the front and rear wheels.
Under steady-state steering conditions, the yaw rate is a constant:
ω = v x / L 1 + K v x 2 δ f
where K = m L 2 ( a k r b k f ) . Additionally, the lateral acceleration a y should not exceed the maximum value allowed by the road adhesion conditions:
a y μ · g = ω · v x
This yields:
ω m a x = μ g / v x
To ensure that the vehicle attains the optimal desired yaw rate on roads with varying adhesion coefficients, the following condition should be satisfied:
ω d = m i n { ω , ω m a x } s g n ( δ f )
Similarly:
β = δ f b L ( 1 + K v x 2 ) + m a v x 2 k r L 2 ( 1 + K v x 2 )
β m a x = μ g ( b ν x 2 + m a C r L )
The desired sideslip angle should satisfy:
β d = m i n { β , β m a x } s g n ( β )
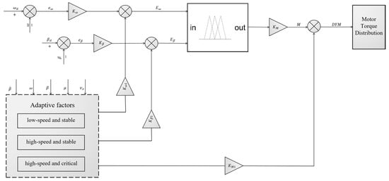
To dynamically adjust the vehicle’s yaw moment and enhance driving stability, an adaptive fuzzy controller is designed. This controller modifies the control weights of the sideslip angle and yaw rate based on different driving conditions and state parameters. It dynamically adjusts the controller’s adaptive factors to determine the optimal desired yaw moment, thereby formulating the most appropriate control scheme for the current conditions. The DYC system based on adaptive fuzzy control is illustrated in Figure 7.
As shown in Figure 7:
E ( ω ) = K ω K ω 1 e ( ω ) E ( β ) = K β K β 1 e ( β )
M = F ( E ( ω ) , E ( β ) )
D Y M = M K M K M 1 = K M K M 1 F ( E ( ω ) , E ( β ) )
where F represents the functional relationship between the inputs and outputs of the control system as determined by the parameters of the adaptive fuzzy outer control module. Equations (19) and (21) show that the adaptive factors K ω 1 ,   K β 1 , and K M 1 , output by the inner control module, allow for dynamic adjustments of the system’s inputs and outputs based on the vehicle’s real-time state. This ensures that the vehicle maintains optimal stability during driving. Considering the requirements for control response speed and reliability in a real vehicle, the logical design of the inner adaptive control module is illustrated in Figure 8.
The inputs to the adaptive control module include vehicle speed, yaw rate, and road adhesion coefficient. Based on the vehicle’s actual driving state and stability parameters, the module employs fuzzy control to generate additional adaptive factors K ω 1 and K β 1 , thereby ensuring effective real-time control. When the vehicle is in a low-speed and stable state, it is assumed that controlling the yaw rate is sufficient to meet stability requirements. In this case, the adaptive control module will disregard deviations in the sideslip angle and increase the yaw rate control to improve the system’s response speed, resulting in K ω 1 > 1 ,   K β 1 = 0 . When the vehicle is in a high-speed and stable state, the sideslip angle and sideslip angle rate should remain within the range | C 1 β + C 2 β ˙ | 1 [37]. In this case, both the vehicle stability and the steering response need to be managed, with the adaptive factors set to K ω 1   = K β 1 . In a high-speed and critical state, the primary control objective is to ensure vehicle stability. It is assumed that controlling the yaw rate has minimal effect on stability. Consequently, control is focused solely on the sideslip angle to maintain stability, with K ω 1 = 0 ,   K β 1 > 1 . Simultaneously, based on the input vehicle speed and road adhesion coefficient, the adaptive module adjusts the adaptive scaling factor K M 1 in real-time. This adjustment ensures stability during high-speed driving and reduces the risk of skidding on low-adhesion surfaces.
In the system’s outer control module, the output variable is precisely divided into nine fuzzy sets, namely negative very big (NVB), negative big (NB), negative medium (NM), negative small (NS), zero (ZO), positive small (PS), positive medium (PM), positive big (PB), and positive very big (PVB). These fuzzy rules allow for a refined calculation of the yaw moment, ensuring accurate adaptation to varying vehicle conditions. The resulting fuzzy control rules for the outer control module are illustrated in Figure 9.
The designed rules for the inner adaptive control module are presented in Table 2. The input variables, namely the sideslip angle deviation e ( β ) and the yaw rate deviation e ( ω ) , are categorized into seven fuzzy sets, namely negative big (NB), negative medium (NM), negative small (NS), zero (ZO), positive small (PS), positive medium (PM), and positive big (PB). The corresponding output adaptive factors are classified into four fuzzy sets, namely enlarge high (EH), enlarge low (EL), reduce high (RH), and reduce low (RL). By implementing these rules, the adaptive factor can be adjusted to a large or small extent, dynamically modifying the sensitivity of the yaw moment to deviations in the outer control module. This allows for precise adaptation to the current driving conditions, thereby enhancing the real-time control performance of the DYC system and improving vehicle stability across all operating scenarios.

3.1.2. DDAS Subsystem Design

Distributed-drive EVs eliminate the traditional mechanical transmission system. When the vehicle turns, differential control of the left and right front in-wheel motors can generate a combined drive steering torque that forces the steering wheels to follow the steering geometry. Thus, in distributed-drive EVs, applying differential control to the steering wheels based on real-time demands can effectively use drive torque to assist the driver’s steering effort, achieving the desired steering operation. This innovative steering-assistance system, referred to as DDAS, is depicted in Figure 10.
Let C l and C r be the points where the extended kingpin axes of the left and right front wheels intersect the ground. The distance between these points and the tire centerline is defined as the kingpin lateral offset e . Denoting the driving torques of the left and right steering wheels as T l and T r , the longitudinal forces of the tires can be written as:
F l = T l I ω ˙ l r F r = T r I ω ˙ r r
where ω ˙ l and ω ˙ r represent the angular accelerations of the left and right front wheels. The longitudinal forces of the front wheels produce the following torques about the kingpin:
T s l = F l e T s r = F r e
Let the kingpin inclination angle be α . The drive steering torques, generated by the longitudinal forces of the left and right front wheels around the kingpin axis, are expressed as:
T D S l = F l e c o s α T D S r = F r e c o s α
Due to the effects of steering geometry, the differential steering torque generated by the left and right front wheels is given by:
T d = ( F r F l ) e c o s α
The aforementioned analysis elucidates the principle of generating the steering torque through the differential control. Based on this, the DDAS control system is designed, as shown in Figure 11.
The speed PID controller determines the total drive torque T q based on the deviation E v between the real-time vehicle speed v x and the target speed v d and distributes this total drive torque evenly among the four in-wheel motors. When the vehicle steers, the DDAS controller uses sensor data, including vehicle speed v x and steering-wheel torque T s w , to match the differential power-steering characteristics for the corresponding driving condition, thereby calculating the ideal differential power-steering torque T s w r . To address errors from tire nonlinearity and other vehicle-dynamics factors, a PID-based correction controller for the power-steering torque is also implemented. This correction controller compares the actual differential torque T d with the ideal differential power-steering torque T s w r and provides an additional correction torque T s w d . This correction torque is then added to T s w r to form the final differential power-steering torque T s w applied to the steering wheels. Under the influence of the differential power-steering torque T s w , the left and right steering wheels generate the corresponding drive torque difference, thus achieving differential control for steering assistance. To ensure balanced forces on each tire and minimize the risk of loss of control, T s w is evenly distributed between the left and right steering wheels.
The differential power-steering characteristics are a critical parameter of the DDAS system, quantifying the relationship between steering-wheel torque, vehicle speed, and ideal differential power-steering torque. These characteristics must balance steering manageability, steering agility, and road feedback while also providing timely and reliable responses. Considering these factors, based on the research data related to the electric power-steering system (EPS) [38] and the subsequent experimental adjustments, this study has designed the differential power-steering characteristics shown in Figure 12.
The differential steering-assist characteristics are defined according to the following principles:
(a)
The assist torque T s w d is positively correlated with the steering-wheel torque T s w and negatively correlated with vehicle speed;
(b)
To prevent excessive sensitivity of the steering wheel at small steering angles, which could adversely affect driver comfort, the steering-wheel torque at which the assist torque is first applied is set to T s w = 1 N · m ;
(c)
Considering the average maximum physical effort of drivers, the steering-wheel torque required to achieve the maximum assist torque is set to T s w = 7 N · m .
These characteristics exhibit strong regularity and smoothness, which effectively enhances the reliability and real-time performance of the coordinated control strategy while reducing the coupling issues with other control strategies.

3.2. Coordinated Decision Layer

In Section 2, this study presented a scheme for partitioning the β β ˙ phase plane into stable, coordinated, and unstable regions using the limit cycle and double-line methods. This section will build upon this scheme to implement coordinated decision control for the DDAS and DYC systems.
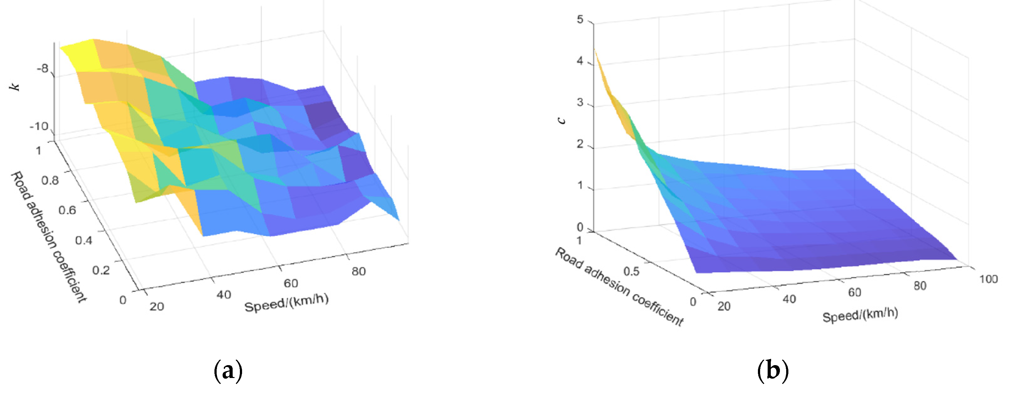
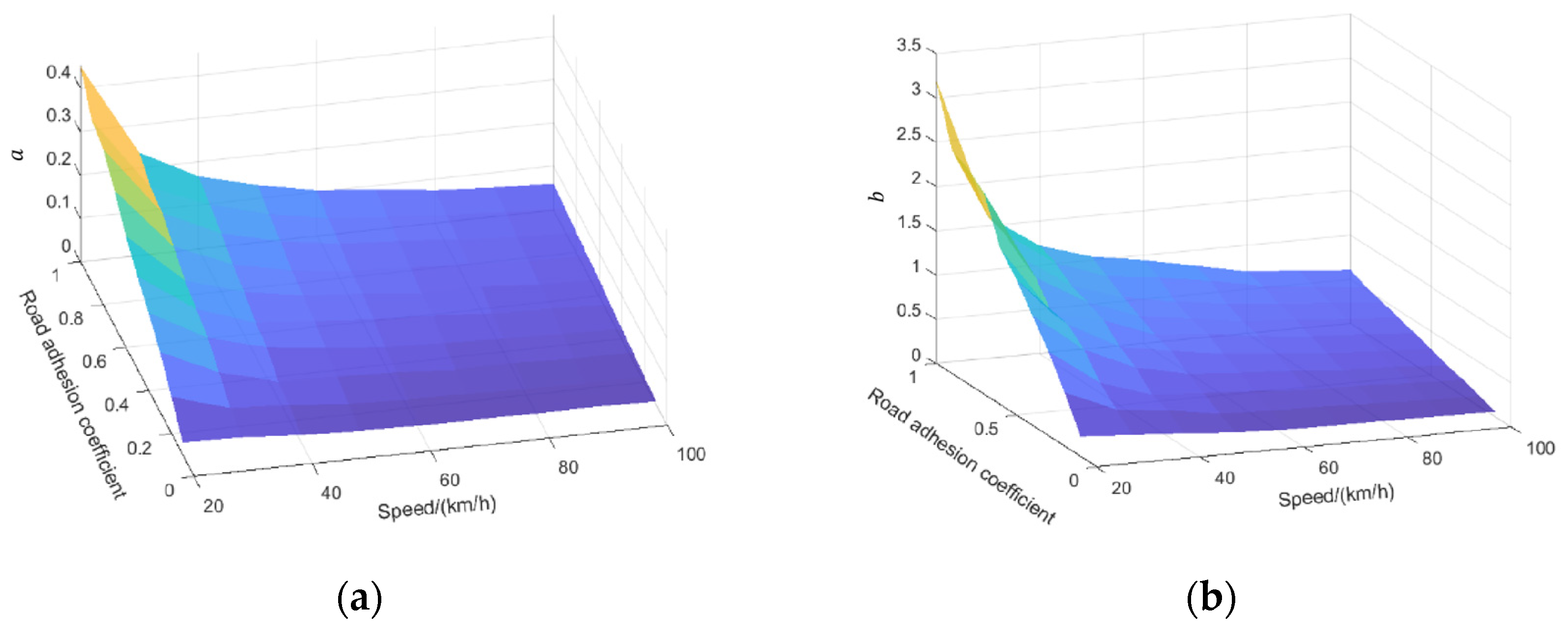
First, MATLAB 2022a is used to generate the vehicle’s phase plane, where the phase plane is segmented using the double-line method to determine the slope k and intercept c of the outer linear boundary. Next, the phase plane is segmented using the limit cycle method to obtain the short-axis a and long axis b of the inner elliptical boundary. By varying the vehicle speed and road adhesion coefficient and repeating these steps, the variations in the outer linear boundary, with respect to vehicle speed and road adhesion coefficient, are shown in Figure 13, and the variations in the inner elliptical boundary are shown in Figure 14.
The boundaries of the stable, coordinated, and unstable regions on the phase plane are calibrated as depicted above. Subsequently, by utilizing real-time data on vehicle speed, road adhesion coefficient, and sideslip angle, the current stability state of the vehicle can be quickly and reliably assessed.
The closer the vehicle state is to the unstable region, the higher the risk of losing control and the greater the need for a yaw moment to restore stability. Therefore, in such situations, the operation of the DDAS system should be gradually suspended, with the DYC taking priority. Conversely, as the vehicle approaches the stable region, the priority of DYC control decreases, and the weight of the DDAS system should increase. Based on this logic, the variations in the weighting coefficients for DDAS ( K S ) and DYC ( K C ) are depicted in Figure 15.
It can be observed that the weighting coefficients K S and K C are determined based on the vehicle’s position within different stability regions of the phase plane. When the vehicle is within the stable region, the DYC’s weight is set to zero, and the DDAS’s weight is set to one. Conversely, when the vehicle enters the unstable region, the DYC’s weight becomes one, and the DDAS’s weight becomes zero. If the vehicle is located within the coordinated region, between the inner and outer boundaries, an additional weighting function must be designed. This study employs a cosine function to design the weighting function within the coordinated region. This function adheres to the required range of weighting coefficients [0, 1], and its smooth variation meets the control system’s requirement for gradual engagement and smooth disengagement, effectively preventing torque shocks caused by the sudden intervention or withdrawal of the DDAS and DYC subsystems. The expression for the weighting function within the coordinated region is as follows:
K S = cos ( S π / 2 ) K C = 1 cos ( S π / 2 ) ) S = d 1 / ( d 1 + τ d 2 )
where S represents the vehicle stability margin, indicating the current stability level of the vehicle, d 1 denotes the distance of the vehicle’s state point from the inner boundary, d 2 denotes the distance from the outer boundary, and τ is the relative adjustment factor used to modulate the influence of d 1 and d 2 on the stability margin. The above analysis demonstrates that the proposed coordinated control strategy assesses the vehicle’s current state to determine its position in the phase plane, thereby evaluating the vehicle’s real-time stability. When the vehicle’s state point lies outside the double-line boundary, the vehicle is considered stable, and the DYC subsystem does not need to operate, allowing the DDAS subsystem to function fully. Conversely, when the vehicle is within the limit cycle boundary, the vehicle is considered unstable, and the DDAS subsystem should cease operation while the DYC subsystem becomes fully active. When the vehicle is positioned between these two boundaries, the strategy calculates the vehicle’s stability margin based on the distance of the state point from both boundaries and dynamically allocates subsystem weights using a designed weighting function. This approach allows for a rapid and dynamic adjustment of the DDAS and DYC subsystems’ weights according to the vehicle’s real-time state, ensuring that the DDAS subsystem is fully utilized when the vehicle is stable, the DYC subsystem is fully engaged when the vehicle is unstable, and smooth coordination of both subsystems is maintained at other times. The proposed coordinated strategy integrates the advantages of both DDAS and DYC, enhancing the vehicle’s driving stability and maneuvering flexibility while also preventing torque spikes during subsystem transitions.

3.3. Torque Distribution Layer

As previously discussed, the vehicle’s phase plane is divided into three regions, namely stable, unstable, and coordinated. Different control strategies are applied depending on the vehicle’s position within different regions. This section introduces the torque distribution methods for the four in-wheel motors under different control strategies.
(1) Torque Distribution in the Stable Region
At this time, the DYC subsystem ceases operation, and the DDAS subsystem works normally. As shown in Figure 11, the speed controller determines the total drive torque T q based on the vehicle’s acceleration and deceleration requirements, while the DDAS controller outputs the differential torque T s w between the steering wheels. The output torques for each in-wheel motor are calculated using an average distribution method:
T f l 1 = T f r 1 = T r l s = T r r s = T q 4
T f l 2 = T s w 2                      
T f r 2 = T s w 2          
T f l s = T f l 1 + T f l 2                  
T f r s = T f r 1 + T f r 2      
where T i j s ( i = f , r ; j = l , r ) represents the output torques of the in-wheel motors for the left front wheel, right front wheel, left rear wheel, and right rear wheel in the stable region.
(2) Torque Distribution in the Unstable Region
At this stage, restoring vehicle stability is of paramount importance. The DDAS subsystem is deactivated, and the DYC subsystem operates with a weighting coefficient of one. To maximize the effective use of each tire, a distribution method based on vertical load is employed:
        T f l c + T f r c + T r l c + T r r c = T q    
                          ( T f r c T f l c + T r r c T r l c ) d 2 r = D Y M
    K = F z f l + F z f r F z r l + F z r r                          
T f l c = K T r l c              
T f r c = K T r r c      
where F z i j ( i = f , r ; j = l , r ) represents the vertical load on the left front, right front, left rear, and right rear wheels. T i j c ( i = f , r ; j = l , r ) denotes the output torque of the in-wheel motors for these wheels in the unstable region.
(3) Torque Distribution in the Coordinated Region
When the vehicle operates within the coordinated region, it is necessary to adjust the weights of DDAS and DYC to ensure both vehicle stability and steering agility. Based on the weight coefficients K S and K C obtained in the previous section, the torque distribution method in the coordinated region can be formulated as follows:
        T f l x = K S T f l s + K C T f l c        
  T f r x = K S T f r s + K C T f r c
  T r l x = K S T r l s + K C T r l c      
    T r r x = K S T r r s + K C T r r c    
where T i j x ( i = f , r ; j = l , r ) represents the output torque of the in-wheel motors for the left front, right front, left rear, and right rear wheels within the coordinated region, and where K S and K C satisfy:
    K S + K C = 1
Therefore:
j = l , r i = f , r T i j x = T q
At this time, the output torque distribution strategy of the in-wheel motors meets the total driving requirements. Additionally, it can dynamically adjust the weight coefficients K S of the DDAS subsystem and K C of the DYC subsystem based on the stability margin, thereby real-time adjusting the priorities of DDAS and DYC to ensure real-time vehicle-handling performance.
(4) Constraint Conditions Revision
To prevent the distributed motor output torque from exceeding the motor’s characteristic capabilities and road adhesion conditions, constraints must be imposed. The upper limit of the output drive torque of the in-wheel motor should not surpass the peak torque T q m of the motor:
K q = 1 , T i j k T q m T q m T i j k , T i j k > T q m
where T i j k ( i = f , r ; j = l , r ; k = s , c , x ) represents the output torque of the in-wheel motor allocated according to different control strategies. Furthermore, the upper limit of the output drive torque of the in-wheel motor should not exceed the maximum torque T r m that can be provided by the road adhesion conditions:
K r = 1 , T i j k T r m T r m T i j k , T i j k > T r m
T r m = μ F z i j r              
So, the final output drive torque T i j of the in-wheel motor should be:
T i j = K q K r T i j k                

4. Simulation Verification

To evaluate the performance of the designed controller, simulation experiments are conducted under typical cases [39]. In these simulations, “Without Control” indicates that the total drive torque is evenly distributed among the four in-wheel motors. “DDAS” refers to the operation of only the DDAS subsystem, while “DYC” denotes the operation of only the DYC subsystem. “Coordinated Control” refers to the integrated coordination of the DDAS and DYC subsystems according to the method described in this paper. The simulation experiment platform is jointly constructed based on MATLAB/Simulink and CarSim 2019.

4.1. DDAS under Different Steering-Angle Inputs

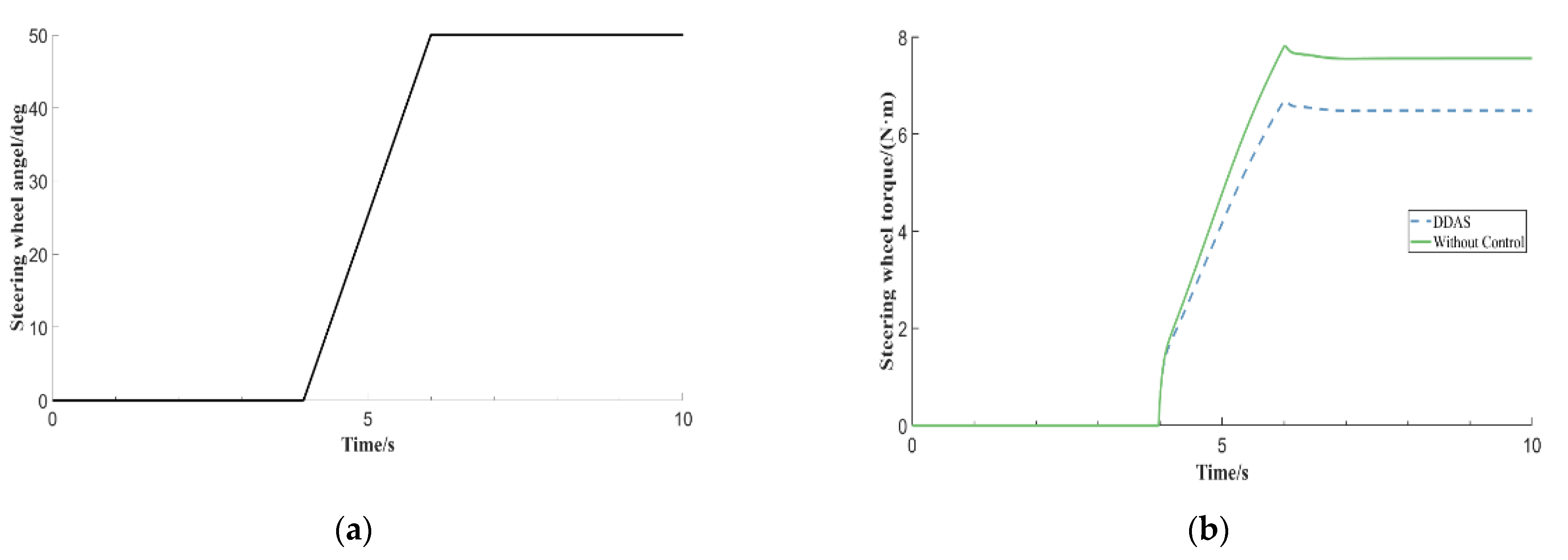
To assess the steering-assistance performance of the DDAS subsystem, simulation experiments are conducted with steering-wheel angles subjected to ramp and sinusoidal inputs. The experiments are carried out at a vehicle speed of 50 km/h and a road adhesion coefficient of 0.6. The results are depicted in Figure 16 and Figure 17.
As illustrated in Figure 16a and Figure 17a, steering-wheel angles were subjected to a ramp signal with a slope of 25°/s and an amplitude of 50°, followed by a sinusoidal signal with an amplitude of 100°. Figure 16b and Figure 17b reveal that, when the steering-wheel angle is small, the driver’s steering intent is minimal, resulting in a correspondingly weak assistance effect from the DDAS. As the steering-wheel angle increases, the driver’s steering intent becomes stronger, leading to a more pronounced assistance effect from the DDAS, thus demonstrating the system’s effective tracking of the driver’s intentions. Moreover, compared to the no-control baseline, the steering-wheel torque is significantly reduced under the influence of the DDAS system. For the ramp input, the maximum torque decreased from 7.8 N·m to 6.7 N·m, and for the sinusoidal input, the maximum torque decreased from 10.8 N·m to 9.6 N·m, reflecting enhanced vehicle-handling agility and reduced steering burden.

4.2. DDAS under Lemniscate Condition

To further validate the power-steering performance of the DDAS subsystem, a simulation experiment under the lemniscate condition is conducted. The vehicle speeds are set at 10 km/h, with a road adhesion coefficient of 0.5. The experimental results are shown in Figure 18 and Figure 19:
The vehicle trajectory under the lemniscate condition is shown in Figure 18. As illustrated in Figure 19a, compared to the uncontrolled scenario, DDAS reduces the peak steering-wheel torque from 9.3 N·m to 7.1 N·m, a reduction of approximately 22%. Figure 19b presents the wheel torques under the simulation conditions [40]. The results show that the sum of the torques on the front left and front right wheels is equal to the sum on the rear left and rear right wheels, thereby validating the torque distribution strategy outlined in the “Torque Distribution in the Stable Region” section.

4.3. DYC under Double-Line Change Condition

To evaluate the performance of the DYC subsystem, a simulation experiment is conducted under the double-line change condition, with a vehicle speed of 50 km/h and a road adhesion coefficient of 0.3. The results of the experiment are presented in Figure 20 and Figure 21.
The vehicle trajectories, as shown in Figure 20, accurately follow the target double-line change path. As illustrated in Figure 21a–c, compared to the uncontrolled case, the vehicle under DYC control consistently maintains a stable state, exhibiting a reduced yaw rate, sideslip angle, and sideslip angle rate. Specifically, the peak yaw rate is reduced by approximately 7%, the peak sideslip angle by about 35%, and the peak sideslip angle rate by roughly 18%. Figure 21d,e presents the vertical loads and torques at each wheel under the simulation conditions, demonstrating that the torque ratio between the front and rear axles aligns with the ratio of their vertical loads, effectively validating the torque distribution strategy proposed in the previous section, “Torque Distribution in the Unstable Region”.

4.4. Coordinated Control under Lemniscate Condition

A typical condition for assessing the steering manageability of the vehicle is chosen, with the lemniscate condition used as the experimental path. The vehicle speed is set to 20 km/h, and the road adhesion coefficient is 1.0.
Figure 22a demonstrates a significant reduction in the steering-wheel torque under the coordinated control strategy. Compared to the uncontrolled group, the peak torque in the coordinated control group decreases by approximately 10%, achieving a similar result to that of the DDAS-only control. In contrast, the steering-wheel torque in the DYC-only control group remains the same as, or slightly higher than, the uncontrolled group. The coordinated control effectively compensates for the shortcomings of the DYC-only control, leveraging the advantages of DDAS control to achieve superior vehicle-handling performance. Figure 22b, taking the front left wheel as an example, shows the distribution of wheel torque under coordinated control, which remains consistently within the boundary formed by the combination of DDAS and DYC, validating the torque distribution strategy proposed in the “Torque Distribution in the Coordinated Region” section. To visually present the impact of different control methods on vehicle-handling performance, Figure 22c provides a bar chart comparison of the peak steering-wheel torque across the various control methods.

4.5. Coordinated Control under Double-Line Change Condition

A typical condition for assessing the vehicle’s driving stability is selected, with the double-line change condition used as the simulation path. The vehicle speed was set to 90 km/h, and the road adhesion coefficient was 0.6.
As shown in Figure 23a–d, under the DDAS-only control during the double-line change maneuver, the vehicle’s lateral acceleration, yaw rate, sideslip angle, and sideslip angle rate are comparable to those without control, indicating that the driving stability has not been significantly improved. In contrast, the coordinated control slightly reduces the lateral acceleration, with the peak yaw rate reduced by approximately 25%, the peak sideslip angle by around 29%, and the peak sideslip angle rate by about 19%, achieving similar control effects to the DYC system. The coordinated control significantly enhances the vehicle’s driving stability, leveraging the advantages of DYC while compensating for the limitations of the DDAS-only control. Figure 23e illustrates the distribution of torque on the front left wheel under coordinated control, which further verifies the torque distribution strategy proposed in the “Torque Distribution in the Coordinated Region” section. Figure 23f provides a bar chart [41] for a visual comparison of the control effectiveness under different methods.

5. Conclusions

To address the coupling issues between the DYC and DDAS systems, this study proposes a hierarchical multi-region coordinated control strategy integrating both systems and grounded in vehicle dynamics and phase-plane theory.

5.1. Discussion and Analysis

The proposed control strategy consists of three main components, namely an upper controller, a coordinated decision layer, and a torque distribution layer. The upper controller incorporates a DYC subsystem based on adaptive fuzzy control and a DDAS subsystem based on dual PID control. Phase-plane characteristics are utilized to partition the phase plane into stable, unstable, and coordinated regions through the double-line method and the limit cycle method, enabling a real-time assessment of vehicle stability. In the coordinated decision layer, the boundary parameters for the inner and outer layers of the phase plane are calibrated based on the vehicle speed and the road adhesion coefficient. Different control logics are then implemented according to the vehicle’s stability state. When the vehicle is within the stable region, the DYC system is deactivated while the DDAS system operates normally. Conversely, when the vehicle is in an unstable region, the DDAS system is deactivated, and the DYC system is activated. When the vehicle is in the coordinated region, a cosine-based weighting function is employed to determine the real-time weights of the DYC and DDAS systems, thereby coordinating their outputs. The torque distribution layer calculates the output torques for the four in-wheel motors based on different control strategies and adjusts these calculations according to motor constraints and road adhesion conditions to yield the final, practically applicable, output torques for each in-wheel motor.
Subsequently, joint simulation experiments are conducted with various steering-wheel angles, the low-adhesion lemniscate condition, and the low-speed double-line change condition to validate the performance of the designed DYC and DDAS controllers. The results demonstrate that both controllers exhibit excellent control performance, significantly reducing parameters such as steering-wheel torque and sideslip angle. Finally, simulations are performed under the high-adhesion lemniscate and high-speed double-line change conditions. The experiments confirm that, compared to standalone DYC and DDAS controls, the proposed coordinated control strategy integrates the advantages of both systems while compensating for their respective shortcomings, enhancing vehicle stability and handling agility.

5.2. Future Research Prospects

The analysis of the simulation results indicates that the proposed control strategy effectively enhances the driving stability and maneuvering flexibility of distributed-drive EVs. However, there are areas for further improvement, particularly in terms of multi-objective control for vehicles with varying parameters. Future work should focus on updating and expanding the phase-plane dataset to better accommodate different vehicle configurations. Additionally, due to safety concerns, real-vehicle testing has not been performed. Consequently, future work should include adapting test conditions to real-world requirements and safety standards to comprehensively validate the effectiveness of the control algorithm on actual vehicles.

Author Contributions

Conceptualization, S.Z.; Methodology, H.C.; Software, J.G.; Formal analysis, L.Z.; Writing—original draft, J.L.; Writing—review & editing, W.X. All authors have read and agreed to the published version of the manuscript.

Funding

The Open Project Program of Fujian Provincial Key Laboratory of Intelligent Identification and Control of Complex Dynamic System (2022A0006).

Data Availability Statement

Dataset available on request from the authors.

Conflicts of Interest

Author Ling Zhu was employed by the company ZEEKER Intelligent Technology Holding Limited. The remaining authors declare that the research was conducted in the absence of any commercial or financial relationships that could be construed as a potential conflict of interest.

References

  1. Zhang, L.; Zhang, Z.; Wang, Z.; Deng, J.; Dorrell, D.G. Chassis Coordinated Control for Full X-by-Wire Vehicles-A Review. Chin. J. Mech. Eng. 2021, 34, 42. [Google Scholar] [CrossRef]
  2. Qiao, B.; Liu, J.; Huan, J. Multi-Objective Economic Emission Dispatch of Thermal Power-Electric Vehicles Considering User’s Revenue. Soft Comput. 2022, 26, 12833–12849. [Google Scholar] [CrossRef]
  3. Zhang, L.; Ai, W.; Liu, Z.; Zhang, L.; Teng, X. Stability Control of Energy Saving Electric Vehicle Using Dynamic Nonlinear System State Estimation. Fractals-Complex Geom. Patterns Scaling Nat. Soc. 2021, 30, 2240096. [Google Scholar] [CrossRef]
  4. Tan, A.; Gao, L.; Chen, Y. Model-Predictive-Control-Based Centralized Disturbance Suppression Strategy for Distributed Drive Electric Vehicle. Energies 2024, 17, 2268. [Google Scholar] [CrossRef]
  5. Liang, J.; Wang, F.; Feng, J.; Zhao, M.; Fang, R.; Pi, D.; Yin, G. A Hierarchical Control of Independently Driven Electric Vehicles Considering Handling Stability and Energy Conservation. IEEE Trans. Intell. Veh. 2024, 9, 738–751. [Google Scholar] [CrossRef]
  6. Wang, F.; Shen, T.; Zhao, M.; Ren, Y.; Lu, Y.; Feng, B.; Yin, G. Lane-Change Trajectory Planning and Control Based on Stability Region for Distributed Drive Electric Vehicle. IEEE Trans. Veh. Technol. 2024, 73, 504–521. [Google Scholar] [CrossRef]
  7. Fan, R.; Li, G.; Wu, Y. State Estimation of Distributed Drive Electric Vehicle Based on Adaptive Kalman Filter. Sustainability 2023, 15, 13446. [Google Scholar] [CrossRef]
  8. Li, G.; Ge, P.; Liu, J.; Zhang, T.; Chu, Y.; Lu, X. Fault Tolerant Control for Distributed Drive Electric Vehicle Based on Co-simulation of Carsim and Matlab. IFAC-Pap. 2021, 54, 514–519. [Google Scholar] [CrossRef]
  9. Wang, W.; Liu, Z.; Yang, S.; Song, X.; Qiu, Y.; Li, F. Decoupling Control of Yaw Stability of Distributed Drive Electric Vehicles. World Electr. Veh. J. 2024, 15, 65. [Google Scholar] [CrossRef]
  10. Yue, M.; Shangguan, J.; Guo, L.; Zhao, J. All-in-One Control Framework for Distributed Drive Electric Buses Path Tracking Subject to Uncertain Crosswind and Varied Passenger Mass. IEEE Trans. Veh. Technol. 2023, 72, 8342–8353. [Google Scholar] [CrossRef]
  11. Ruan, J.; Pi, D.; Jiang, K.; Wang, H.; Xie, B. Stability Control Based on Three-Dimensional Portraits for Four-Wheel-Independent-Drive EV. Proc. Inst. Mech. Eng. Part D-J. Automob. Eng. 2022, 236, 1336–1352. [Google Scholar] [CrossRef]
  12. Liang, J.; Lu, Y.; Wang, F.; Yin, G.; Zhu, X.; Li, Y. A Robust Dynamic Game-Based Control Framework for Integrated Torque Vectoring and Active Front-Wheel Steering System. IEEE Trans. Intell. Transp. Syst. 2023, 24, 7328–7341. [Google Scholar] [CrossRef]
  13. Geng, G.; Cheng, P.; Sun, L.; Xu, X.; Shen, F. A Study on Lateral Stability Control of Distributed Drive Electric Vehicle Based on Fuzzy Adaptive Sliding Mode Control. Int. J. Automot. Technol. 2024. [Google Scholar] [CrossRef]
  14. Zhang, G.; Wang, X.; Li, L. Control of Four-Wheel Steering Vehicles Based on Composite Model Free Observer. Proc. Inst. Mech. Eng. Part D-J. Automob. Eng. 2023. [Google Scholar] [CrossRef]
  15. Tarhini, F.; Talj, R.; Doumiati, M. Multi-Objective Control Architecture for an Autonomous In-wheel Driven Electric Vehicle. IFAC-Pap. 2023, 56, 11470–11476. [Google Scholar] [CrossRef]
  16. Chen, W.; Zhao, L.; Hu, J.; Tan, D.; Sun, X. Torque Allocation Strategy for Four In-Wheel-Motor Drive Electric Vehicle Based on Layered Control. Proc. Inst. Mech. Eng. Part D-J. Automob. Eng. 2022, 236, 2879–2893. [Google Scholar] [CrossRef]
  17. Wang, J.; Wang, X.; Luo, Z.; Assadian, F. Active Disturbance Rejection Control of Differential Drive Assist Steering for Electric Vehicles. Energies 2020, 13, 2647. [Google Scholar] [CrossRef]
  18. Wang, J.; Yan, T.; Bai, Y.; Luo, Z.; Li, X.; Yang, B. Assistance Quality Analysis and Robust Control of Electric Vehicle with Differential Drive Assisted Steering System. IEEE Access 2020, 8, 136327–136339. [Google Scholar] [CrossRef]
  19. Lin, Z.; Wang, J.; Fang, Z.; Han, D.; Yan, Y.; Yin, G. Robust Human-Machine Shared Control with Differential Drive Assist Steering for Different Driver. In Proceedings of the 2021 IEEE International Intelligent Transportation Systems Conference (ITSC), Indianapolis, IN, USA, 19–22 September 2021; pp. 1559–1564. [Google Scholar]
  20. Wang, W.; Li, J.; Sun, F. The Obstacle Avoidance Assistance Control of Multi-Axle Distributed Heavy Vehicles. Proc. Inst. Mech. Eng. Part D-J. Automob. Eng. 2023, 237, 2190–2204. [Google Scholar] [CrossRef]
  21. Patil, S.S.; Wanaskar, V.; Shendge, P.D.; Phadke, S.B. Sliding Mode and Inertial Delay Based Direct Yaw Moment Control for AGVs. In Proceedings of the 2021 6th International Conference for Convergence in Technology (I2CT), Maharashtra, India, 2–4 April 2021; pp. 1–6. [Google Scholar]
  22. Ma, L.; Cheng, C.; Guo, J.; Shi, B.; Ding, S.; Mei, K. Direct Yaw-Moment Control of Electric Vehicles Based on Adaptive Sliding Mode. Math. Biosci. Eng. 2023, 20, 13334–13355. [Google Scholar] [CrossRef]
  23. Lee, J.E.; Kim, B.W. Improving Direct Yaw-Moment Control via Neural-Network-Based Non-Singular Fast Terminal Sliding Mode Control for Electric Vehicles. Sensors 2024, 24, 4079. [Google Scholar] [CrossRef]
  24. Sawaqed, L.S.; Rabbaa, I.H. Fuzzy Yaw Rate and Sideslip Angle Direct Yaw Moment Control for Student Electric Racing Vehicle with Independent Motors. World Electr. Veh. J. 2022, 13, 109. [Google Scholar] [CrossRef]
  25. Sun, P.; Trigell, A.S.; Drugge, L.; Jerrelind, J. Energy Efficiency and Stability of Electric Vehicles Utilising Direct Yaw Moment Control. Veh. Syst. Dyn. 2022, 60, 930–950. [Google Scholar] [CrossRef]
  26. Ueno, T.; Nguyen, B.M.; Fujimoto, H. Direct Yaw Moment Control for Electric Vehicles with Variable-Rate-Slip-Ratio-Limiter Based Driving Force Control. In Proceedings of the 2023 IEEE International Conference on Mechatronics (ICM), Loughborough, UK, 15–17 March 2023; pp. 1–6. [Google Scholar]
  27. Liang, J.; Feng, J.; Fang, Z.; Lu, Y.; Yin, G.; Mao, X.; Wu, J.; Wang, F. An Energy-oriented Torque-vector Control Framework for Distributed Drive Electric Vehicles. IEEE Trans. Transp. Electrif. 2023, 9, 1. [Google Scholar] [CrossRef]
  28. Dang, M.; Zhang, C.; Yang, Z.; Chang, B.; Wang, J. Research on Steering Coordination Control Strategy for Distributed Drive Electric Vehicles. AIP Adv. 2023, 13, 025261. [Google Scholar] [CrossRef]
  29. Zhou, Z.; Ding, X.; Shi, Z. Research on Collaborative Control of Differential Drive Assisted Steering and Active Front Steering for Distributed Drive Electric Vehicles. World Electr. Veh. J. 2023, 14, 292. [Google Scholar] [CrossRef]
  30. Zhang, L.; Ma, L.; Chen, S. Design of the Integrated AFS and DYC Scheme for Vehicles via FTSM and SOSM Techniques. Discret. Contin. Dyn. Syst.-Ser. S 2022, 15, 3331–3350. [Google Scholar] [CrossRef]
  31. Zhang, Y.; Wong, P.K.; Li, W.; Cao, Y.; Xie, Z.; Zhao, J. Fault Diagnosis and Fault Tolerant Control for Distributed Drive Electric Vehicles through Integration of Active Front Steering and Direct Yaw Moment Control. Mechatronics 2024, 97, 103116. [Google Scholar] [CrossRef]
  32. Wang, Q.; Zhao, Y.; Deng, Y.; Xu, H.; Deng, H.; Lin, F. Optimal Coordinated Control of ARS and DYC for Four-Wheel Steer and In-Wheel Motor Driven Electric Vehicle with Unknown Tire Model. IEEE Trans. Veh. Technol. 2020, 69, 10809–10819. [Google Scholar] [CrossRef]
  33. Wu, D.; Guan, Y.; Xia, X.; Du, C.; Yan, F.; Li, Y.; Hua, M.; Liu, W. Coordinated Control of Path Tracking and Yaw Stability for Distributed Drive Electric Vehicle Based on AMPC and DYC. Proc. Inst. Mech. Eng. Part D-J. Automob. Eng. 2024. [Google Scholar] [CrossRef]
  34. Lin, F.; Hao, M.; Sun, M.; Chen, Y.; Wu, J.; Qian, C. Path Tracking of Autonomous Vehicle with Consideration of Vehicle Stability in Sideslip Angle Phase Plane. Proc. Inst. Mech. Eng. Part D-J. Automob. Eng. 2022, 237, 737–753. [Google Scholar] [CrossRef]
  35. Tang, H.; Bei, S.; Li, B.; Sun, X.; Huang, C.; Tian, J.; Hu, H. Mechanism Analysis and Control of Lateral Instability of 4WID Vehicle Based on Phase Plane Analysis Considering Front Wheel Angle. Actuators 2023, 12, 121. [Google Scholar] [CrossRef]
  36. Wang, X. Research on Integrated Control of Lateral Stability of Distributed Drive Electric Vehicles. Master’s Thesis, Hefei University of Technology, Hefei, China, 2018. [Google Scholar] [CrossRef]
  37. Liao, Z.; Cai, L.; Yang, Q.; Zhang, Y. Design of Lateral Dynamic Control Objectives for Multi-Wheeled Distributed Drive Electric Vehicles. Eng. Sci. Technol. 2024, 50, 101629. [Google Scholar] [CrossRef]
  38. Li, Y.; Wu, G.; Wu, L.; Chen, S. Electric Power Steering Nonlinear Problem Based on Proportional–Integral–Derivative Parameter Self-Tuning of Back Propagation Neural Network. Proc. Inst. Mech. Eng. Part C-J. Eng. Mech. Eng. Sci. 2020, 234, 4725–4736. [Google Scholar] [CrossRef]
  39. Li, Q.; Zhang, J.; Li, L.; Wang, X.; Zhang, B.; Ping, X. Coordination Control of Maneuverability and Stability for Four-Wheel-Independent-Drive EV Considering Tire Sideslip. Ieee Trans. Transp. Electrif. 2022, 8, 3111–3126. [Google Scholar] [CrossRef]
  40. Chen, T.; Chen, L.; Xu, X.; Cai, Y.; Jiang, H.; Sun, X. Passive Fault-Tolerant Path Following Control of Autonomous Distributed Drive Electric Vehicle Considering Steering System Fault. Mech. Syst. Signal Proc. 2019, 123, 298–315. [Google Scholar] [CrossRef]
  41. Chen, T.; Cai, Y.; Chen, L.; Xu, X. Trajectory and Velocity Planning Method of Emergency Rescue Vehicle Based on Segmented Three-Dimensional Quartic Bezier Curve. IEEE Trans. Intell. Transp. Syst. 2023, 24, 3461–3475. [Google Scholar] [CrossRef]
Figure 1. Vehicle plane dynamics reference model.
Figure 1. Vehicle plane dynamics reference model.
Electronics 13 03711 g001
Figure 2. Vehicle β β ˙ phase plane.
Figure 2. Vehicle β β ˙ phase plane.
Electronics 13 03711 g002
Figure 3. Effect of vehicle speed on the β β ˙ phase plane. (a) μ = 0.4 , v x = 40   k m / h , (b) μ = 0.4 , v x = 60   k m / h , (c) μ = 0.4 , v x = 80   k m / h , (d) μ = 0.4 , v x = 100   k m / h .
Figure 3. Effect of vehicle speed on the β β ˙ phase plane. (a) μ = 0.4 , v x = 40   k m / h , (b) μ = 0.4 , v x = 60   k m / h , (c) μ = 0.4 , v x = 80   k m / h , (d) μ = 0.4 , v x = 100   k m / h .
Electronics 13 03711 g003
Figure 4. Effect of road adhesion coefficient on the β β ˙ phase plane. (a) μ = 0.2 , v x = 70   k m / h , (b) μ = 0.4 , v x = 70   k m / h , (c) μ = 0.6 , v x = 70   k m / h , (d) μ = 0.8 , v x = 70   k m / h .
Figure 4. Effect of road adhesion coefficient on the β β ˙ phase plane. (a) μ = 0.2 , v x = 70   k m / h , (b) μ = 0.4 , v x = 70   k m / h , (c) μ = 0.6 , v x = 70   k m / h , (d) μ = 0.8 , v x = 70   k m / h .
Electronics 13 03711 g004
Figure 5. Schematic of limit cycle method.
Figure 5. Schematic of limit cycle method.
Electronics 13 03711 g005
Figure 6. Structure of the coordinated control strategy for DDAS and DYC.
Figure 6. Structure of the coordinated control strategy for DDAS and DYC.
Electronics 13 03711 g006
Figure 7. DYC system based on adaptive fuzzy control.
Figure 7. DYC system based on adaptive fuzzy control.
Electronics 13 03711 g007
Figure 8. Adaptive control module.
Figure 8. Adaptive control module.
Electronics 13 03711 g008
Figure 9. Outer control module rules.
Figure 9. Outer control module rules.
Electronics 13 03711 g009
Figure 10. The structure of DDAS.
Figure 10. The structure of DDAS.
Electronics 13 03711 g010
Figure 11. DDAS control system.
Figure 11. DDAS control system.
Electronics 13 03711 g011
Figure 12. Differential power-steering characteristics.
Figure 12. Differential power-steering characteristics.
Electronics 13 03711 g012
Figure 13. Variations of outer boundary parameters with vehicle speed and road adhesion coefficient. (a) Slope k and (b) intercept c .
Figure 13. Variations of outer boundary parameters with vehicle speed and road adhesion coefficient. (a) Slope k and (b) intercept c .
Electronics 13 03711 g013
Figure 14. Variations of inner boundary parameters with vehicle speed and road adhesion coefficient. (a) Short axis a and (b) long axis b .
Figure 14. Variations of inner boundary parameters with vehicle speed and road adhesion coefficient. (a) Short axis a and (b) long axis b .
Electronics 13 03711 g014
Figure 15. Weighting coefficients for DDAS and DYC.
Figure 15. Weighting coefficients for DDAS and DYC.
Electronics 13 03711 g015
Figure 16. Performance of DDAS under ramp input. (a) Steering-wheel angle input, (b) steering-wheel torque.
Figure 16. Performance of DDAS under ramp input. (a) Steering-wheel angle input, (b) steering-wheel torque.
Electronics 13 03711 g016
Figure 17. Performance of DDAS under sinusoidal input. (a) Steering-wheel angle input, (b) steering-wheel torque.
Figure 17. Performance of DDAS under sinusoidal input. (a) Steering-wheel angle input, (b) steering-wheel torque.
Electronics 13 03711 g017
Figure 18. Lemniscate trajectory.
Figure 18. Lemniscate trajectory.
Electronics 13 03711 g018
Figure 19. DDAS control under lemniscate condition. (a) Steering wheel torque and (b) the wheel torques of DDAS.
Figure 19. DDAS control under lemniscate condition. (a) Steering wheel torque and (b) the wheel torques of DDAS.
Electronics 13 03711 g019
Figure 20. Vehicle trajectories under double-line change condition.
Figure 20. Vehicle trajectories under double-line change condition.
Electronics 13 03711 g020
Figure 21. Performance of DYC under double-line change condition. (a) Yaw rate, (b) sideslip angle, (c) sideslip angle rate, (d) vertical forces, and (e) the wheel torques of DYC.
Figure 21. Performance of DYC under double-line change condition. (a) Yaw rate, (b) sideslip angle, (c) sideslip angle rate, (d) vertical forces, and (e) the wheel torques of DYC.
Electronics 13 03711 g021
Figure 22. Coordinated control under lemniscate condition. (a) Steering wheel torque, (b) the torque of the front left wheel, and (c) comparison of peak steering-wheel torque.
Figure 22. Coordinated control under lemniscate condition. (a) Steering wheel torque, (b) the torque of the front left wheel, and (c) comparison of peak steering-wheel torque.
Electronics 13 03711 g022
Figure 23. Performance of coordinated control under double-line change condition. (a) Lateral acceleration, (b) yaw rate, (c) sideslip angle, (d) sideslip angle rate, (e) the torque of the front left wheel, and (f) comparison of control performance.
Figure 23. Performance of coordinated control under double-line change condition. (a) Lateral acceleration, (b) yaw rate, (c) sideslip angle, (d) sideslip angle rate, (e) the torque of the front left wheel, and (f) comparison of control performance.
Electronics 13 03711 g023
Table 1. Vehicle parameters.
Table 1. Vehicle parameters.
ParameterValue
Vehicle mass (m/kg)1761
Wheelbase (L/m)2.9
Scroll radius for wheel (r/m)0.355
Wheel track (B/m)1.677
Height of center of mass (h/m)0.65
Table 2. Rules for the adaptive factor module.
Table 2. Rules for the adaptive factor module.
e(ω)\e(β)NBNMNSZOPSPMPB
NBRHRHRLELRLRHRH
NMRHRHELEHELRHRH
NSRHRLELEHELRLRH
ZORHRLELEHELRLRH
PSRHRLELEHELRLRH
PMRHRHELEHELRHRH
PBRHRHRLELRLRHRH
Disclaimer/Publisher’s Note: The statements, opinions and data contained in all publications are solely those of the individual author(s) and contributor(s) and not of MDPI and/or the editor(s). MDPI and/or the editor(s) disclaim responsibility for any injury to people or property resulting from any ideas, methods, instructions or products referred to in the content.

Share and Cite

MDPI and ACS Style

Zhu, S.; Lu, J.; Zhu, L.; Chen, H.; Gao, J.; Xie, W. Coordinated Control of Differential Drive-Assist Steering and Direct Yaw Moment Control for Distributed-Drive Electric Vehicles. Electronics 2024, 13, 3711. https://doi.org/10.3390/electronics13183711

AMA Style

Zhu S, Lu J, Zhu L, Chen H, Gao J, Xie W. Coordinated Control of Differential Drive-Assist Steering and Direct Yaw Moment Control for Distributed-Drive Electric Vehicles. Electronics. 2024; 13(18):3711. https://doi.org/10.3390/electronics13183711

Chicago/Turabian Style

Zhu, Shaopeng, Junfei Lu, Ling Zhu, Huipeng Chen, Jian Gao, and Wei Xie. 2024. "Coordinated Control of Differential Drive-Assist Steering and Direct Yaw Moment Control for Distributed-Drive Electric Vehicles" Electronics 13, no. 18: 3711. https://doi.org/10.3390/electronics13183711

APA Style

Zhu, S., Lu, J., Zhu, L., Chen, H., Gao, J., & Xie, W. (2024). Coordinated Control of Differential Drive-Assist Steering and Direct Yaw Moment Control for Distributed-Drive Electric Vehicles. Electronics, 13(18), 3711. https://doi.org/10.3390/electronics13183711

Note that from the first issue of 2016, this journal uses article numbers instead of page numbers. See further details here.

Article Metrics

Back to TopTop