A Low-Power, High-Resolution Analog Front-End Circuit for Carbon-Based SWIR Photodetector
Abstract
1. Introduction
2. Analog Front End Circuit Design
2.1. CNT-FET Structure and Integration
2.2. AFE Components and Their Roles
- CTIA: The CTIA stage converts the photocurrent from the CNT-FETs into a voltage signal with minimal noise.
- CDS: The CDS circuit further reduces noise by eliminating fixed-pattern noise (FPN) and suppressing the offset voltage, critical for maintaining signal integrity.
- SAR ADC: Finally, the SAR ADC digitizes the analog signals with high resolution, ensuring that the output data accurately represent the original photodetector signal.
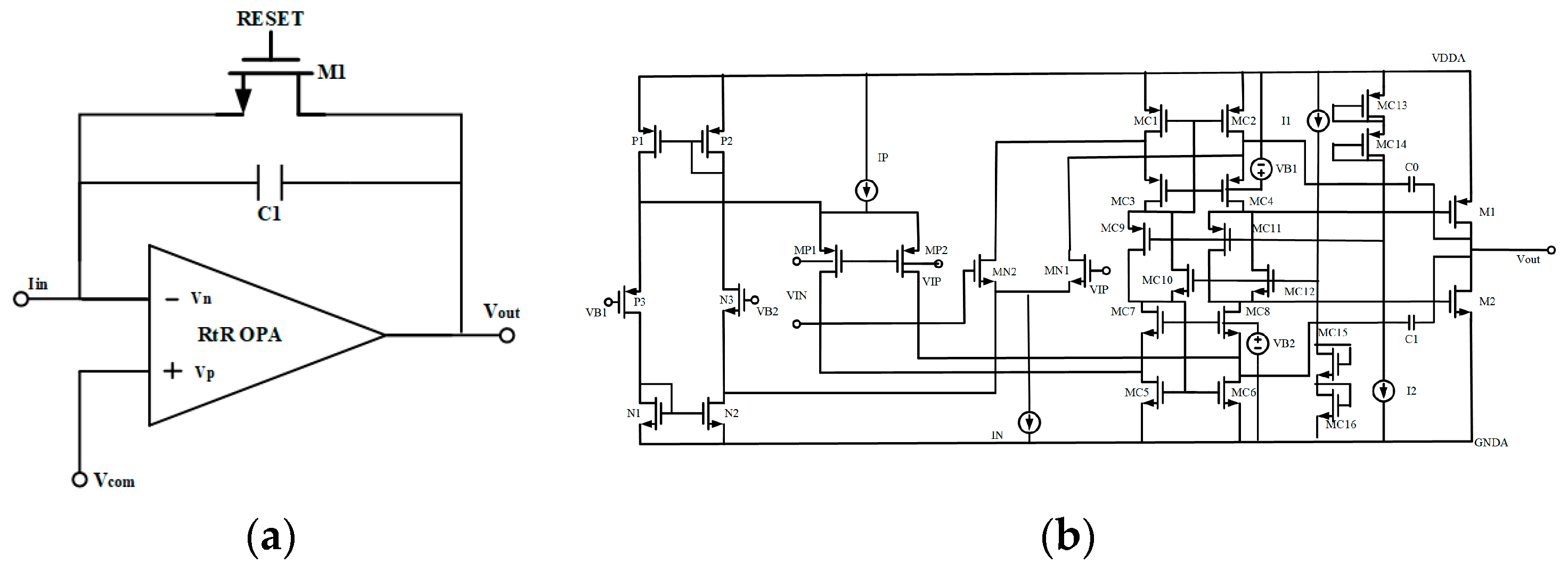
2.2.1. Capacitor Trans-Impedance Amplifier (CTIA) Design
2.2.2. Correlated Double Sampling (CDS) Circuit Design
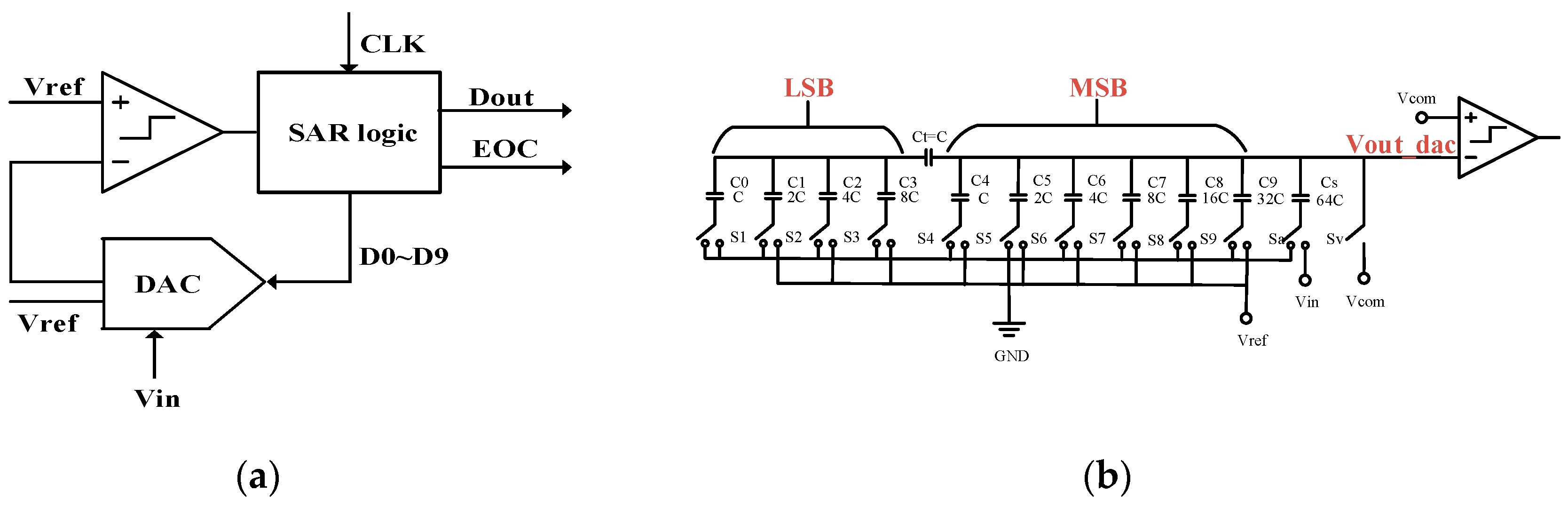
2.2.3. Successive Approximation Register (SAR) ADC Design
3. Simulation Result and Discussion
4. Conclusions
Author Contributions
Funding
Data Availability Statement
Conflicts of Interest
References
- Lv, J.; Que, L.; Wei, L.; Zhou, Y.; Liao, B.; Jiang, Y. Uncooled microbolometer infrared focal plane array without substrate temperature stabilization. IEEE Sens. J. 2014, 14, 1533–1544. [Google Scholar] [CrossRef]
- Yin, X.; Zhang, C.; Guo, Y.; Yang, Y.; Xing, Y.; Quea, W. PbS QD-based photodetectors: Future-oriented near-infrared detection technology. J. Mater. Chem. C 2021, 9, 417–438. [Google Scholar] [CrossRef]
- Tang, X.; Ackerman, M.M.; Chen, M.; Guyot-Sionnest, P. Dual-band infrared imaging using stacked colloidal quantum dot photodiodes. Nat. Photonics 2019, 13, 277–282. [Google Scholar] [CrossRef]
- Tao, Y.; Song, R.; Muller, J.-P. Towards streamlined single-image super-resolution: Demonstration with 10 m sentinel-2 colour and 10–60 m multi-spectral VNIR and SWIR bands. Remote Sens. 2021, 13, 2614. [Google Scholar] [CrossRef]
- Fan, J.Z.; Andersen, N.T.; Biondi, M.; Todorović, P.; Sun, B.; Ouellette, O.; Abed, J.; Sagar, L.K.; Choi, M.-J.; Hoogland, S. Mixed lead halide passivation of quantum dots. Adv. Mater. 2019, 31, 1904304. [Google Scholar] [CrossRef] [PubMed]
- Shi, C.; Fang, X.; Zhao, H.-B.; Wang, D.-K.; Chen, X.; Fang, D.; Wang, D.-B.; Wang, X.-H.; Li, J.-H. Long-wave infrared emission properties of strain-balanced InAs/InxGa1−xAsySb1−y type-II superlattice on different substrates. Rare Met. 2024, 43, 3194–3204. [Google Scholar] [CrossRef]
- Zhao, C.; Wang, D.; Cao, J.; Zeng, Z.; Zhang, B.; Pan, J.; Liu, D.; Liu, S.; Jiao, S.; Chen, T.; et al. Highly efficient 1D p-Te/2D n-Bi2Te3 heterojunction self-driven broadband photodetector. Nano Res. 2024, 17, 1864–1874. [Google Scholar] [CrossRef]
- Zhou, S.; Wang, Y.; Deng, C.; Liu, P.; Zhang, J.; Wei, N.; Zhang, Z. Highly sensitive SWIR photodetector using carbon nanotube thin film transistor gated by quantum dots heterojunction. Appl. Phys. Lett. 2022, 120, 193103. [Google Scholar] [CrossRef]
- Sinha, S.K.; Chaudhury, S. Advantage of CNTFET Characteristics Over MOSFET to Reduce Leakage Power. In Proceedings of the 2014 2nd International Conference on Devices, Circuits and Systems (ICDCS), Coimbatore, India, 6–8 March 2014. [Google Scholar]
- Liu, Y.; Zhang, Z. Carbon-based electronic technology in the post-Moore era: Progress, applications and challenges. Acta Phys. Sin. 2022, 71, 7–42. [Google Scholar] [CrossRef]
- Liu, L.; Han, J.; Xu, L.; Zhou, J.; Zhao, C.; Ding, S.; Shi, H.; Xiao, M.; Ding, L.; Ma, Z.; et al. Aligned, high-density semiconducting carbon nanotube arrays for high-performance electronics. Science 2020, 368, 850–856. [Google Scholar] [CrossRef] [PubMed]
- Chen, H.; Xi, N.; Chen, L.; Lai, K.W.C. Carbon Nanotube Based Multi-Spectrum Infrared Detector Array. In Proceedings of the 2011 16th International Solid-State Sensors, Actuators and Microsystems Conference, Beijing, China, 5–9 June 2011; pp. 2566–2569. [Google Scholar]
- Sun, T.-P.; Li, J.-H.; Lu, Y.-C. Readout circuit with dual switching mode design for infrared focal plane arrays. Infrared Phys. Technol. 2014, 65, 9–16. [Google Scholar] [CrossRef]
- Li, H.; Hu, A.; Nie, Z.; Liu, D.; Niu, G.; Gao, L.; Tang, J. A 640 × 512 ROIC with optimized BDI input stage and low power output buffer for CQDs-based infrared image sensor. J. Infrared Technol. 2022, 49, 123–130. [Google Scholar] [CrossRef]
- Chang, Z.Y.; Sansen, W.M.C. Low-Noise Wide-Band Amplifier in Bipolar and CMOS Technologies; Kluwer Academic Publishers: Norwell, MA, USA, 1991. [Google Scholar]
- Fowler, B.A.; Balicki, J.; How, D.; Godfrey, M.D. Low FPN High Gain Capacitive Transimpedance Amplifier for Low Noise CMOS Image Sensors. In Proceedings of the SPIE 2001, San Jose, CA, USA, 20 January 2001; Volume 4306, pp. 68–77. [Google Scholar]
- Fujimori, T.; Imamoto, H.; Kurata, H.; Goto, Y.; Ito, T.; Maeda, R. Low Power Analog to Digital Convertor with Digital Calibration for Sensor Network. In Proceedings of the 2011 Symposium Design Test Integration and Packaging of MEMS/MOEMS (DTIP), Aix-en-Provence, France, 11–13 May 2011; pp. 237–240. [Google Scholar]
- Kim, H.; Bakkaloglu, B. A CMOS Analog Front-End Interface IC for Gas Sensors. In Proceedings of the 2010 2nd Circuits and Systhesis for Medical and Environmental Applications Workshop (CASME), Merida, Mexico, 13–15 December 2010; pp. 1–4. [Google Scholar]
- Kim, S.; Na, S.-I.; Kim, T.-H.; Lee, H.; Kim, S.; Rhee, J.; Kim, S. Neural Recording System with Low-Noise Analog Front-End and Comparator-Based Cyclic ADC. In Proceedings of the SOC Conference (SOCC) 2012 IEEE International, Niagara Falls, NY, USA, 12–14 September 2012; pp. 110–114. [Google Scholar]
- Scott, M.D.; Boser, B.E.; Pister, K.S.J. An ultralow-energy ADC for Smart Dust. IEEE J. Solid-State Circuits 2003, 38, 1123–1129. [Google Scholar] [CrossRef]
- Verma, N.; Chandrakasan, A.P. An Ultra Low Energy 12-bit Rate-Resolution Scalable SAR ADC for Wireless Sensor Nodes. IEEE J. Solid-State Circuits 2007, 42, 1196–1205. [Google Scholar] [CrossRef]
- Hurrell, C.P. “An 18 b 12.5 ms/s adc with 93 db snr” deemed best 2010 jssc paper [people]. IEEE Solid-State Circuits Mag. 2012, 4, 56–59. [Google Scholar]
- Qiu, T.; Xia, X.; Liu, Q.; Yu, G. 1280 × 1024 DI Multi-Functional IRFPA Readout Circuit. Aviat. Weapons 2021, 28, 114–118. [Google Scholar]
- Yazici, M.; Ceylan, O.; Shafique, A.; Abbasi, S.; Galioglu, A.; Gurbuz, Y. A new high dynamic range ROIC with smart light intensity control unit. Infrared Phys. Technol. 2017, 82, 161–169. [Google Scholar] [CrossRef]
- Zhou, T.; Dong, T.; Su, Y.; He, Y. A CMOS readout with high-precision and low-temperature-coefficient background current skimming for infrared focal plane array. IEEE Trans. Circuits Syst. Video Technol. 2014, 25, 1447–1455. [Google Scholar] [CrossRef]
- Gupta, H.S.; Kumar, A.S.K.; Baghini, M.S.; Chakrabarti, S.; Sharma, D.K. Design of High-Precision ROIC for Quantum Dot Infrared Photodetector. IEEE Photonics Technol. Lett. 2016, 28, 1673–1676. [Google Scholar] [CrossRef]











| Parameter | [13] | [14] | [23] | [25] | [24] | [26] | This Work |
|---|---|---|---|---|---|---|---|
| Technology (nm) | 350 | 180 | 350 | 180 | 180 | 180 | 180 |
| Array Format | 128 × 128 | 640 × 512 | 1280 × 1024 | NA | 32 × 32 | 4 × 4 | 8 × 8 |
| Pixel Input | DI.CTIA | BDI | DI | CTIA | SFD/CTIA | CTIA | CTIA |
| Voltage Swing | 2 V | 0.98 | 3.2 V | 2 V | NA | / | 2.8 V |
| Detectable current range | 0.11 pA–50 nA | fA–100 pA | 0–3.1 nA | 470 nA–5 uA | 15 pA–3 nA | 2 pA–10 nA | 500 pA–100.5 nA |
| Linearity | >99% | 99.95% | 97.76% | 99% | NA | 99.5% | 99.92% |
| Consumption | <50 mw | 57.5 mW | / | 60 uW/pixel | 2.8 uW/pixel | 800 nW | 7.5 mW |
Disclaimer/Publisher’s Note: The statements, opinions and data contained in all publications are solely those of the individual author(s) and contributor(s) and not of MDPI and/or the editor(s). MDPI and/or the editor(s) disclaim responsibility for any injury to people or property resulting from any ideas, methods, instructions or products referred to in the content. |
© 2024 by the authors. Licensee MDPI, Basel, Switzerland. This article is an open access article distributed under the terms and conditions of the Creative Commons Attribution (CC BY) license (https://creativecommons.org/licenses/by/4.0/).
Share and Cite
Zhang, Y.; Chen, Z.; Liao, W.; Xi, W.; Chen, C.; Jiang, J. A Low-Power, High-Resolution Analog Front-End Circuit for Carbon-Based SWIR Photodetector. Electronics 2024, 13, 3708. https://doi.org/10.3390/electronics13183708
Zhang Y, Chen Z, Liao W, Xi W, Chen C, Jiang J. A Low-Power, High-Resolution Analog Front-End Circuit for Carbon-Based SWIR Photodetector. Electronics. 2024; 13(18):3708. https://doi.org/10.3390/electronics13183708
Chicago/Turabian StyleZhang, Yuyan, Zhifeng Chen, Wenli Liao, Weirong Xi, Chengying Chen, and Jianhua Jiang. 2024. "A Low-Power, High-Resolution Analog Front-End Circuit for Carbon-Based SWIR Photodetector" Electronics 13, no. 18: 3708. https://doi.org/10.3390/electronics13183708
APA StyleZhang, Y., Chen, Z., Liao, W., Xi, W., Chen, C., & Jiang, J. (2024). A Low-Power, High-Resolution Analog Front-End Circuit for Carbon-Based SWIR Photodetector. Electronics, 13(18), 3708. https://doi.org/10.3390/electronics13183708

