Next Article in Journal
Two-Stage Distributed Robust Optimization Scheduling Considering Demand Response and Direct Purchase of Electricity by Large Consumers
Previous Article in Journal
From Bottom-Up Towards a Completely Decentralized Autonomous Electric Grid Based on the Concept of a Decentralized Autonomous Substation
 
 
Font Type:
Arial Georgia Verdana
Font Size:
Aa Aa Aa
Line Spacing:
Column Width:
Background:
Article

A Novel Impedance-Based Parallel Cooperative Control Method for Front and Rear Landing Gear Hydraulic Systems of UAVs

1
School of Mechanical Engineering, Yanshan University, Qinhuangdao 066004, China
2
AVIC Xinxiang Aviation Industry (Group) Company Limited, Xinxiang 453000, China
3
State Key Laboratory of Crane Technology, Yanshan University, Qinhuangdao 066004, China
*
Authors to whom correspondence should be addressed.
Electronics 2024, 13(18), 3684; https://doi.org/10.3390/electronics13183684
Submission received: 29 July 2024 / Revised: 11 September 2024 / Accepted: 15 September 2024 / Published: 17 September 2024

Abstract

Cargo handling issues affect the ability of large heavy-duty Unmanned Aerial Vehicles (UAVs) to transport cargo and limit the development of large UAVs. Compared to conventional landing gear, hydraulically controlled landing gear can tilt the drone within a specified angle, facilitating smoother loading and unloading of goods. Therefore, it is important to study the hydraulic landing gear control system for a UAV to make the UAV’s tilt possible. In this paper, an impedance-based parallel cooperative control method for front and rear landing gear hydraulic systems of large heavy-duty UAVs is presented, which can achieve UAV tilting within a reasonable angle during the loading and unloading of cargoes by large, heavy-duty UAVs. This paper establishes the physical model of the UAV’s landing gear, the mathematical model of the hydraulic system, and the kinematic model of the airframe. Through kinematic analysis, the correlation between each hydraulic dive unit’s (HDU’s) extension length in the landing gear and the UAV’s tilt angle is established. This paper introduces a two-fold based-loop parallel control technique, featuring angle based-loop control for the UAV’s front and position based-loop control for its rear landing gear. It aims to enable the UAV to freely tilt for loading and unloading cargo at a predetermined angle, by measuring the UAV’s tilting angle, the HDU’s force exerted on the landing gear, and its positional parameters. Ultimately, the practicality of this technique is confirmed through simulations and experiments.

1. Introduction

With the development of economy and the improvement in people’s living standards, large heavy-duty Unmanned Aerial Vehicles (UAVs) have received more attention due to their good range and transport capacity [1,2,3]. Due to the large structure size and high load mass of large heavy-duty UAVs, there are high requirements on the support capacity, structure layout and buffer performance of the landing gear [4].
The existing landing gear for large heavy-duty UAVs usually adopts the traditional three-point landing gear and multi-wheel multi-column landing gear. Multi-wheel and multi-column landing gears are capable of taking on greater loads due to the large number of support points while at the same time being able to effectively mitigate the impact of the large heavy-duty UAVs on an airport runway, reduce the aircraft’s runway-related needs, and improve the form of ground load transfer to the airframe. Therefore, multi-wheel and multi-column landing gears are more widely used in large heavy-duty UAVs [5,6,7].
Multi-wheel and multi-column landing gear has the advantages of strong loading capacity, good ground stability, high safety and reliability; at the same time, its complex structure, large space requirements, manufacturing and maintenance costs, and other shortcomings limit its scope of application. A number of studies have explored the simulation study of multi-wheeled multi-strut landing gear dynamics models. In the 1970s, Boeing considered the damping of the rim in the vertical direction and derived the formula for the landing motion of the multi-wheel and multi-column landing gear under the drop shock dynamics to establish the mathematical models of the cushioning system of the multi-wheel and multi-column landing gear. Wahi-M-K discussed the factors affecting the shrinkage holes and the shrinkage coefficients of the flow measurement holes, such as the Reynolds number and the direction of the holes, etc., and added the calculation of the damping force generated by the side oil holes in the conventional cushioning system formulae to calculate the oil-hydraulic damping force [8]. Black-R-J pointed out that the dynamic performance of multi-wheel and multi-pillar landing gears is related to the dynamics of rim in his research and carried out a detailed analysis of it [9]. Wang developed a landing and taxiing response analysis system for a multi-wheel, multi-strut landing gear aircraft based on a modular concept [10].
Large heavy-duty UAVs have wide-ranging applications in military reconnaissance, disaster rescue and other fields. Conventional landing gears with rigid wheel–leg structures are unable to fulfil the demands of fuselage tilting when loading and unloading cargo for heavy-duty UAVs. Meanwhile, when the road environment is relatively uneven or the material loading is not balanced, the UAVs will be tilted, and it is not possible to actively adjust the angle of the UAV’s attitude, which restricts its application in complex environmental tasks. In the research on landing gear, most scholars have achieved stable landing by changing the structure of the landing gear. Wang [11] used a cable countermeasure mechanism combined with WBC and contact force optimization to tailor the control framework for effective landing of landing gear on sloping ground. Tang [12] developed a control system for adaptive landing of UAVs in unstructured environments through multi-sensor data fusion. NI [13] designed a UAV quadrupedal landing gear with passive buffer structure that can land stably under different road surfaces. Cabuk [14] designed a passive adaptive landing gear for rotary-wing airplanes, which enables UAVs to land on inclined road surfaces. Kang [15] proposed a new magnetorheological aircraft main landing gear system and a model force-tracking-based controller that can improve the landing efficiency of aircraft. Such studies have focused on the adaptation of the landing gear during aircraft landing and have not considered the landing gear state when the UAVs is loading and unloading cargo on the ground.
Compared with electric drives, hydraulic drives are characterized by high power density and load capacity, but they also have high nonlinearity, time-varying and uncertain characteristics, which has led to an emphasis on precise trajectory tracking control. In contrast, less research has been conducted on impedance control of hydraulic landing gear for large heavy-duty UAVs. Phuc et al. [16,17,18,19] carried out a position and force-based impedance control method to improve the tracking performance of a hydraulic excavator. Boaventura et al. [20,21] proposed an impedance control model based on a hydraulic legged robot. Lee et al. [22,23,24] conducted a position-based impedance control study for the leg joints of a hydraulic quadruped robot. Ding [25] proposed an adaptive impedance control method based on manipulator. BA K et al. [26,27,28] designed a virtual-constraints-based end-effector pose compensator for a three-degree of freedom serial robot, which improved the posture accuracy of the leg end effector. They developed the integrated bionic perception and transmission nerve device using the power frequency electric field and friction electricity, enhancing the sensor capabilities of the robot, and successfully applied the sensors to the hydraulic quadruped robot they designed. To date, no scholars have used hydraulic drive to achieve the corresponding control function in the research of large heavy-duty UAVs. Meanwhile, the existing research on large heavy-duty UAVs’ landing gear, aimed at improving its load strength and cushioning performance [29,30,31], lacks studies on the hydraulic system of large heavy-duty UAVs landing gear and the active control of UAVs’ landing gear.
Aiming at this problem, this paper designs an impedance-based parallel cooperative control method for the front and rear landing gear hydraulic system of UAVs. The rear landing gear adopts the position based-loop impedance control to realize the basic movement of the hydraulic cylinders of each leg of the rear landing gear. The front landing gear adopts the angle based-loop control method, with the position based-loop impedance control of the rear landing gear to make the fuselage move precisely to the required angle, and at the same time improving environmental adaptability.

2. Modeling of UAV’s Landing Gear Systems

2.1. Landing Gear Structure Analysis

The UAVs mentioned in this paper are mainly large heavy-duty UAVs, which, due to the large mass of the load and the complexity of the cargo, require more flexible landing gear that allows the UAV to tilt forward and backward for more flexible loading and unloading of the cargo. The UAV’s landing gear structure in this paper adopts the multi-wheel and multi-column structure commonly used in large heavy-duty UAVs, and three rows of landing gears are placed at the rear to ensure that the UAV can be tilted to a certain angle under heavy-duty conditions and be stable and safe. The specific structure of the design is shown in Figure 1.
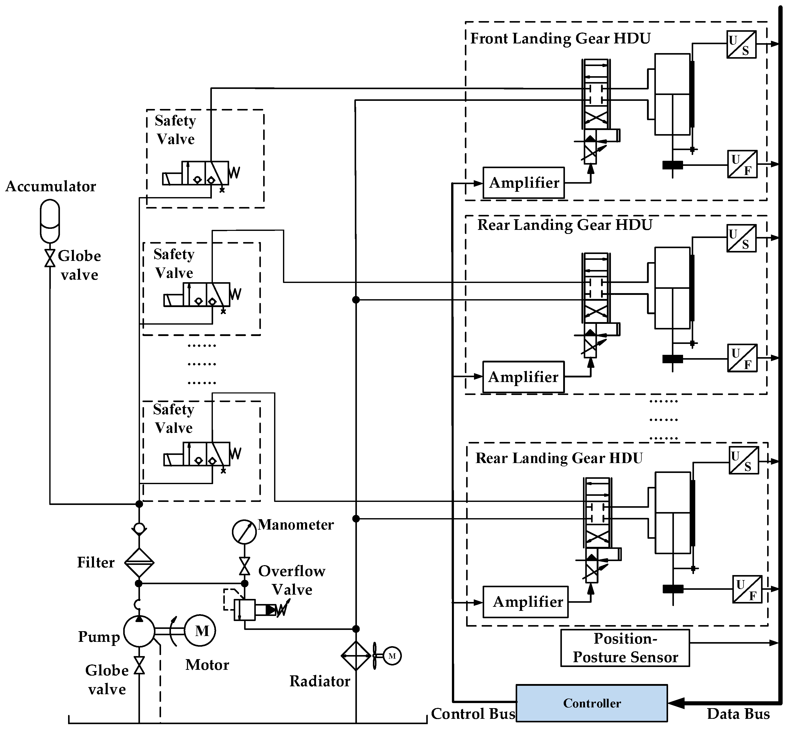
According to the structure of the UAV’s landing gear, the hydraulic system schematic diagram of the UAV’s landing gear was built. There is one set of front landing gear valve-control cylinder unit and six sets of the rear landing gear valve-control cylinder unit, corresponding to the landing gear structure, as shown in Figure 2.

2.2. Analysis of Landing Gear Control Methods

The UAV’s landing gear hydraulic system in this paper uses a hydraulic drive unit (HDU) as the driver, which consists of hydraulic cylinders, servo valves, amplifiers, and sensors. In general, HDUs typically use position or force control methods to achieve control of the extension length or output force of the HDU. Position based-loop control is mainly carried out through the position sensor to collect real-time position signals, and the target position for the difference, to achieve the position precision control; the position based-loop control method is the HDU application of more internal loop control methods.
This article presents a method for achieving the effect of tilt in the landing gear, whereby the rear three rows of landing gear can be accurately supported on the ground at any tilt angle. Combined with the landing gear structure of this paper, the rear landing gear adopts the position based-loop control method. The method entails deriving the mapping relationship between the angle of the fuselage and the rows of the landing gear, which are then transferred to the rear of each row of the landing gear drive unit servo valves. This is achieved through the controller, which employs a proportional–integral–derivative (PID) control algorithm. The real-time position signal from the position sensor of the HDU is acquired and a difference is made between the real-time position signal and the target position in order to achieve the position based-loop control of the rear landing gear position. This will enable the purpose of controlling the fuselage angle through the position to be achieved. However, the exclusive utilization of position based-loop control will result in suboptimal overall adaptation of the aircraft to the ground. Furthermore, in the event of an uneven road surface, one of the HDUs in the rear landing gear is susceptible to vacating, thereby leading to the generation of overloaded or unloaded forces. To improve the UAV’s adaptive performance to the ground, the rear landing gear introduces the impedance control method in the position based-loop inner-loop control idea. Through the second-order mass-spring-damping control system with desired stiffness, damping and mass, each HDU of the rear landing gear is provided with compliance performance, and the extension length can be adjusted according to the force of the HDU on the basis of position control.
A kinematic computational mapping relationship and position based-loop control method is employed to regulate the position of the front landing gear. Nevertheless, this control method may result in an inaccurate aircraft tilt angle when the ground slope is extremely slight. Consequently, for the front landing gear, angle based-loop control is employed in order to achieve precise control of the UAV tilt angle. When the target forward tilt angle of the UAV has been specified, the signal is transmitted to the servo valve of the front landing gear drive unit via the PID controller. Then, the operation of the HDU of the front landing gear and is overseen the forward tilt angle of the UAV is adjusted accordingly. The real-time forward tilt angle of the UAV is captured by the position–posture sensor, and the real-time angle signal is compared with the value of the target signal in order to implement angle based-loop control. While the front landing gear undergoes a change in angle, the rear landing gear is sufficiently compliant to ensure that the UAV’s rear landing gear is supported on the ground and that the angle is adjusted accordingly. By adopting the angle based-loop control of front landing gear and position based-loop impedance control of rear landing gear, any angle of tilt within the specified angle can quickly and accurately be achieved, and the UAV is always in a stable state. Compared with the angle based-loop control only, this method has simpler control logic for the rear landing gear and stronger robustness. Compared with the position based-loop control, this method is more adaptable to the ground and can make the angle tilt more accurate. The specific control scheme is illustrated in Figure 3.

2.3. Landing Gear HDU Control System Modeling

The control method employed in this paper comprises the front landing gear, through the position sensor, with the PID controller to form an angle based-loop. The control idea is relatively simple; therefore, this paper will not describe it in detail. This paper will instead focus on the impedance control system for the rear landing gear based on the position based-loop modeling. The specific process is as follows.

2.3.1. Modeling the HDU Control System

The landing gear hydraulic cylinders control system modeling and landing gear position control model are established. The schematic diagram of the valve-controlled cylinder position control system is shown in Figure 4.
According to fluid mechanics, the servo valve flow equation is established as follows.
q L = K q x v K c p L
where K q is the flow gain; K c is the flow pressure coefficient; q L is the load flow rate, defined as q 1 + n q 2 1 + n 2 ; x v is the spool displacement; p L is the load pressure, defined as F A 1 .
According to fluid mechanics, the flow rate into the left chamber of the hydraulic cylinder q 1 is as follows:
q 1 = c d w x v 2 ρ ( p s p 1 )
The flow rate into the right chamber of the hydraulic cylinder q 2 is as follows:
q 2 = c d w x v 2 ρ p 2
where c d is the servo valve port flow coefficient; w is the servo valve throttle port area gradient; p s is the fluid supply pressure; ρ is the fluid density; n is the effective area ratio of the left and right chambers of the hydraulic cylinder.
When the piston rod moves at a constant speed, the following is observed:
q 1 = A 1 x ˙ p
q 2 = A 2 x ˙ p
Equations (2)–(5) are associated, and the flow continuity equation is obtained:
q 2 q 1 = A 2 x ˙ p A 1 x ˙ p = p 2 p s p 1 = n
p s = 1 n 2 p 2 p 1
where n is the effective area ratio of the left and right chambers of the hydraulic cylinder.
Equation (7) is combined with the definition of p L :
p 1 = p L + n 3 p s 1 + n 3
p 2 = n 2 ( p s p L ) 1 + n 3
Equations (8) and (9) are substituted into (2) and (3) and combined it with the definition of q L , leading to the following expressions:
K q = q L x v = { c d w 2 ρ p s p L 1 + n 3    x v > 0 c d w 2 ρ n p s + p L 1 + n 3    x v < 0
K c = p L x v = { c d w x v 2 ρ p s p L 1 + n 3 2 ( p s p L )     x v > 0 c d w x v 2 ρ n p s + p L 1 + n 3 2 ( n p s + p L )    x v < 0
When x v > 0, the spool moves to the right, and when x v < 0, the spool moves to the left.
Flow continuity equations for the rodless cylinder and rodded cylinder are established as follows:
q 1 = d V 1 d t + V 1 β e d p 1 d t + C e c p 1 + C i c ( p 1 p 2 ) = A 1 d x p d t + V 0 β e d p 1 d t + ( C e c + C i c ) p 1 C i c p 2
q 2 = d V 2 d t V 2 β e d p 2 d t C e c p 2 + C i c ( p 1 p 2 ) = A 2 d x p d t V 0 β e d p 2 d t + ( C e c + C i c ) p 2 + C i c p 1
where V 1 is the volume of the rodless cylinder; V 2 is the volume of the rodded cylinder; x p is the piston rod displacement; A 1 is effective area of the rodless cylinder piston; A 2 is effective area of the rod cylinder piston; V 0 is the initial volume of the two chambers; β e is the modulus of elasticity of the hydraulic fluid; C e c is the external leakage coefficient of the hydraulic cylinder; C i c is the internal leakage coefficient of the hydraulic cylinder.
Equation (12) is combined with (13) with the definition of q L , and the flow continuity equation is obtained as follows:
q L = A 1 d x p d t + V t 2 ( 1 + n 2 ) β e d p L d t + C t c p L + C t c 1 p s
where
C t c = n 2 ( n 2 1 ) ( 1 + n 2 ) ( 1 + n 3 )
C t c 1 = { 1 + n ( 1 + n 3 ) C i c + C c e 1 + n 2    x v > 0 n 2 1 ( 1 + n 2 ) ( 1 + n 3 ) C i c    x v < 0
The valve-controlled cylinder force balance equation is established as follows:
A 1 p 1 A 2 p 2 = m d 2 x p d t 2 + B e d x p d t + K x p + F f
Laplace transform of Equation (1), (14) and (17) leads to the following expressions:
Q L = K q X v K c P L
Q L = A 1 X p s + V t 2 ( 1 + n 2 ) β e p L s + C t c p L + C t c 1 p s
A 1 p 1 A 2 p 2 = ( m s 2 + B e s + K ) X p + F L + F f
To simplify the calculation, let the Coulomb friction F f = 0 , and the hydraulic cylinder external leakage coefficient C e c = 0 .
According to the derivation process of the formula, it can be seen that the transfer function of the hydraulic cylinder moves in both directions, in the form of the same, but due to K q , K c and C t c 1 are related to the direction of movement of the hydraulic cylinder piston; so, in the hydraulic cylinder piston in the two directions of movement, there is a dynamic asymmetry.
The block diagram of the front landing gear angle based-loop control is established from the block diagram of the valve-controlled asymmetric cylinder power mechanism, as illustrated in Figure 5. In this, G c ( s ) is the relationship between the extension length of the hydraulic cylinder and the tilt angle of the landing gear, which is related to the structure of the landing gear.

2.3.2. Landing Gear Kinematics Modeling

When the UAV is in the landing state and there are changes in the tilt angle of ±4°, it is need to ensure that each landing gear wheel is on the ground and under force. The kinematic model of the UAV’s landing gear is established, and the extension lengths of the hydraulic cylinders at any tilt angle are deduced.
  • Derivation of rear landing gear kinematics.
The rear landing gear mechanism is divided into three groups (closer to the front landing gear is the 1st group). Each group is composed of a landing gear mechanism on the left and right, fixedly connected to the load platform at point O. Rod AB is connected to the hydraulic cylinder barrel at point A, while rod BD is connected to the landing gear hydraulic cylinder rod at point C. The purpose of rods AB and BD is to prevent deflection of the drone wheel. To simplify the calculations, it is assumed that each set of hydraulic cylinders in the rear extends the same length.
When the platform is tilted, it is assumed that the expansion and contraction of the hydraulic cylinders of the 2nd group remain constant to ensure the stability of the platform and the reliability of the control. When tilting forward, the 1st group of hydraulic cylinders retracts and the 3rd group of hydraulic cylinders extends; when tilting backward, the 1st group of hydraulic cylinders extends and the 3rd group of hydraulic cylinders retracts. The specific structure is shown in Figure 6.
The cosine theorem is used to describe the positional relationship of the rear landing gear four-link mechanism ABDC during tilting, like in Equation (21).
{ A C = O A 2 + O C 2 2 O A O C cos A O C 1 = arccos A C 2 + O C 2 O A 2 2 O A O C 2 = arccos B C 2 + A C 2 A B 2 2 B C A C 3 = 90 α 1 2 4 = 3 + C B D + C D B
Group 1’s hydraulic cylinder retraction X 1 :
X 1 = L 2 sin α O 2 E 2 ( 1 cos α ) C 1 D 1 sin 4 + C E 0
Group 3’s hydraulic cylinder retraction X 3 :
X 3 = L 2 sin α O 2 E 2 ( 1 cos α ) C 1 D 1 sin 4 + C E 0
Equations (21)–(23) are associated, establishing the relationship between the displacement of each hydraulic cylinder of the rear landing gear and the angle mapping as follows:
[ X 1 X 2 X 3 ] = [ X 0 L 2 sin α O 2 E 2 ( 1 cos α ) C 1 D 1 sin 4 + C E 0 X 0 X 0 + L 2 sin α O 2 E 2 ( 1 cos α ) C 3 D 3 sin 4 + C E 0 ]
where X 0 is the initial extension length of the hydraulic cylinder, and α is the angle of inclination of the platform, while the remaining angles and lengths are indicated in Figure 5.
2.
Hydrostatic derivation.
In order to enhance the UAV’s adaptability to the ground and ensure uniform force on all wheels, an impedance control method based on position control is introduced for each hydraulic cylinder of the rear landing gear. It is necessary to calculate the magnitude of the force exerted by the hydraulic cylinders during the tilting process. In order to ensure the safety of the UAV, the speed of the tilting process should be limited. Therefore, only the statics need to be considered. This section focuses on calculating the force changes in the rear landing gear during tilt. The overall center of mass position of the UAV and the rear landing gear forces are shown in Figure 7. The center of mass position in the diagram refers to the overall center of mass containing the landing gear platform and other parts of the UAV.
According to the relationship between the landing gear positions in the previous section, let l = L 2 = L 3 . In the initial state, the rear three rows of hydraulic cylinders force size are as follows: F 1 0 , F 2 0 , F 3 0 . The overall weight of the UAV to G is set through the mathematical relationship of equal proportions; the force on each cylinder of the rear landing gear in the original state can be obtained as follows:
F ˙ 0 = [ F 1 0 F 2 0 F 3 0 ] = G 6 l 3 l + 2 ( 1 + l 3 l + l 3 + l 3 2 l + l 3 ) [ 1 l 3 l + l 3 l 3 2 l + l 3 ]
During the movement, as the platform inclination angle changes, the force on each cylinder of the rear landing gear hydraulic cylinder is as follows:
F ˙ = [ F 1 F 2 F 3 ] = F ˙ 0 cos α = [ F 1 0 cos α F 2 0 cos α F 3 0 cos α ]

2.3.3. Rear Landing Gear Impedance Control Modeling

The uneven ground will affect the UAV’s rear landing gear during the actual movement. If pure position based-loop control is used, the landing gear may be overstressed or unstressed. To ensure the various landing gears are uniformly loaded with force and can adapt to different terrains, active compliance control is introduced for the rear landing gear. Active compliance control is an outer-loop control method based on the inner-loop control of the system; the second-order dynamic flexibility control method is used in this paper, and the frequency-domain expression is shown in Equation (27).
Δ X = Δ F M s 2 + B s + K
where Δ F is the disturbance force, M is the mass of the system, B is the system damping, K is the system stiffness coefficient, and Δ X is the resulting displacement deviation.
The mass M in the impedance model is determined by determining the mass of each part of the fuselage; the stiffness K and damping B of different rows of hydraulic cylinders are determined by the kinematics of the fuselage and the simulation experimental situation, and the end displacement deviation is used as the output quantity to make the end position satisfy the ideal relationship. In this paper, according to the relationship between the force on each HDU of the rear landing gear and the tilt angle of the fuselage under the influence of the self-weight of the UAV in Section 2.3, and the real-time force collected by the force sensor of the UAV’s landing gear, the real-time magnitude of the external interference force on HDU of the UAV’s rear landing gear is derived, and the signals are introduced into a based-loop after passing through the impedance control model to fulfil the compliance control of the landing gear. The block diagram of the position based-loop impedance control loop for the rear landing gear is shown in Figure 8.
As the three rear rows of the landing gear structure’s parameters are the same, the control block diagram is basically the same; the block diagram only represents one rear landing gear control, and the rest of the landing gear can be derived according to Equations (24) and (26) to modify G g ( s ) and G K 1 ( s ) .

3. Simulation Verification of UAV’s Landing Gear Control Based on Simulink

3.1. Simulation Modeling of the System

In order to validate the control performance of the UAV’s landing gear control algorithm proposed in this paper, the controller performance is evaluated in this study using the SolidWorks-MATLAB R2022b/Simulink co-simulation method. The excellent 3D modeling efficiency of SolidWorks is combined with the powerful dynamic system simulation capabilities of MATLAB R2022b /Simulink. Co-simulation takes advantage of the strengths of both software and avoids the reconstruction of complex models between different platforms. In this paper, the initial step was to use the Computer-Aided Design (CAD) software, SolidWorks 2022, to construct a 3D model of the drone’s landing gear. Then, using the Simscape Multibody Link SolidWorks plug-in, the 3D model was exported from SolidWorks to SimMechanics as shown in Figure 9a, including the properties of its individual parts or components (moment of inertia, dimensions, etc.), as well as the correct connection relationship between the parts or components.
For the seven sets of hydraulic systems of the UAV’s landing gear, according to the state space equations of the hydraulic drive unit position system [14], the corresponding Simulink model was established as shown in Figure 9b, the main model parameters of which are shown in Table 1.

3.2. Simulation Results and Analysis

To verify the control performance of the UAV’s landing gear control algorithm proposed in this paper, this paper carries out the simulation of loading and unloading processes in the nose compartment and the tail compartment of the UAV’s landing gear for different terrains under different working conditions from a forward tilt of 4° to a backward tilt of 4°.
Figure 10 shows the trajectory tracking curve of the landing gear angle of the UAV; it can be seen that regardless of whether the fuselage is tilted forward or tilted backward, the fuselage angle always follows the desired curve well, and it can also be seen from the error curves that the landing gear control algorithm of the UAV in this paper can realize the accurate control of the fuselage angle. As can be seen from the angle following curves and errors in Figure 9, the UAV’s landing gear angles are fast in addition to being highly accurate.

4. Experimental Validation of Angular Kinematics-Based Landing Gear Control Algorithm for UAV

4.1. Experimental Platform System Composition

The UAV’s landing gear test platform is mainly composed of two parts: the landing gear platform and the control platform, in which the UAV’s landing gear platform mainly includes the landing gear scaling model, hydraulic cylinders, electro-hydraulic servo valves, sensors, etc., and the control platform mainly includes the hydraulic pumping station, the industrial control machine, and the drive board, etc., and the relationship between each part is shown in Figure 11.

4.2. UAV’s Landing Gear Experiment

The UAV’s landing gear test bench, shown in Figure 12, is mainly controlled by the control platform’s industrial computer and driver board; the control program is compiled in the industrial computer through Python language, and the driver board collects the signals to the industrial computer, then transforming them into output signals through the control program, which are then outputted to the hydraulic actuators by the driver board. The control program can be operated through the human–computer interactive interface to start, stop, modify parameters, and so on.
To simulate the loading and unloading process of the UAV in the nose compartment and the tail compartment for different terrains, the UAV was tested in a 4° forward tilt to a 4° backward tilt conditions; four modes were set up: mode 1 is the 4° forward tilt of the landing gear; mode 2 is the levelling after the forward tilt of the UAV; mode 3 is the 4° backward tilt of the UAV; and mode 4 is the levelling. The test results are shown in Figure 13.
The specific parameters of the test rig are shown in Table 2.
It can be seen through Figure 13 that when the UAV is given a target angle, the rear landing gear receives the outstretched displacement through kinematic solving, the front landing gear adjusts the angle of the UAV through the angle based-loop, the rear landing gear carries out the follow-on fine-tuning under the effect of the compliance control to finally reach the target angle, the landing gears of the rear rows are all supported on the ground, and the error value of the angle is less than 0.2°.
In order to ascertain the working condition of the UAV when tilted at any angle, an experiment is conducted in which the landing gear angle is varied at random. In this test, the angle is used to descend from 0° to −4° and then ascend from −4° to 0°. Each time the angle is changed by 1°, it is held to test the stability performance of the UAV. The results of the aforementioned test are presented in Figure 14.
As can be seen in Figure 14, the UAV’s landing gear is able to ensure that the UAV can be tilted at any angle within the specified angle and stably maintained, which proves the feasibility of the control method.
For the working condition of the UAV tilted at any angle, the arbitrary change in the landing gear angle test is performed. In this test, the angle is used to descend from 0° to −4° and then to ascend from −4° to 0°, and each time the angle is changed by 1°, it is held to test the stability performance of the UAV. The results of this test are shown in Figure 15.
According to Figure 14, the UAV’s landing gear is able to ensure that the UAV can be tilted at any angle within the specified angle and stably maintained, which proves the feasibility of the control method. From the simulation and experiment, the phenomenon of the trend of angular forward tilt and angular backward tilt curves being different can be observed, which is analyzed because of the asymmetric hydraulic cylinders used in the experiments and simulations of the landing gears, and in the process of forward tilt and backward tilt, there is a nonlinear movement of the hydraulic cylinders of the landing gears, which results in the difference in the forward tilt and the backward tilt curves.

5. Conclusions

The objective of this paper is to propose a control method for the hydraulic system of the UAV’s landing gear that can enable the UAV to tilt within a reasonable angle during loading and unloading of large heavy-duty UAVs. This will facilitate the increased application of large heavy-duty UAVs and address the issue of loading and unloading cargoes by large heavy-duty UAVs. Concurrently, the rear landing gear compliance control model enables the UAV to adapt to a wider range of ground conditions.
This paper presents a physical model and a kinematic model of the hydraulic landing gear of large heavy-duty UAVs. The multi-wheel and multi-column structure is adopted to ensure the normal operation of the UAV under heavy-duty conditions. A correlation is established between the UAV tilt angle and the length of each support column of the landing gear under this structure. Then, an impedance-based parallel cooperative control strategy is proposed for the front and rear landing gear hydraulic systems of the UAV. This comprises angle based-loop control for the front landing gear and kinematics-based position based-loop control for the rear landing gear. This enables the UAV to be tilted to any desired angle while ensuring uniform force across the various landing gears through the compliance control of the rear landing gear. Finally, the feasibility of the front and rear double based-loop control method of the UAV’s landing gear is verified through a simulation and an experiment. Through simulation and experimental verification, the feasibility of the forward and backward dual closed-loop control method is proven, and it is confirmed that the method can effectively control the tilt of the aircraft within a reasonable angle during the loading and unloading of heavy-duty transport UAVs, which is of significant practical application value. The response speed and control accuracy of the hydraulic system will be further optimized in the future to adapt to more complex flight tasks.

Author Contributions

Methodology, H.Q., B.Y. and X.L.; validation, X.W. and S.Z.; investigation, K.B. and H.Q.; writing—original draft preparation, X.W., and G.S.; writing—review and editing, H.Q., X.W., B.Y., K.B. and X.K. All authors have read and agreed to the published version of the manuscript.

Funding

This research was funded by the National Excellent Natural Science Foundation of China (52122503), the Yanzhao’s Young Scientist Project (E2023203258), the Hebei Natural Science Foundation (E2022203002), the Shijiazhuang Science and Technology Planning Project (241790727A).

Data Availability Statement

Data are contained within this article.

Acknowledgments

The authors would like to thank all reviewers for their helpful comments and suggestions regarding this paper.

Conflicts of Interest

Author Hua Qiu was employed by the AVIC Xinxiang Aviation Industry (Group) Company Limited. The remaining authors declare that this research was conducted in the absence of any commercial or financial relationships that could be construed as potential conflicts of interest.

Abbreviations

SymbolQuantity
xvSpool displacement
qLLoad flow rate
pLLoad pressure
KqFlow gain
cdServo valve port flow coefficient
w Servo valve throttle port area gradient
psFluid supply pressure
ρ Fluid density
nEffective area ratio of the left and right chambers of the hydraulic cylinder
q1Rodded cylinder flow
q2Rodless cylinder flow
xpPiston rod displacement
V1The volume of rodless cylinder
V2The volume of hydraulic cylinder with rod
A1Effective area of rodless cylinder piston
A2Effective area of rod cylinder piston
V0Initial volume of the two chambers
β e Modulus of elasticity of the hydraulic fluid
CecExternal leakage coefficient of the hydraulic cylinder
CicInternal leakage coefficient of the hydraulic cylinder
X0Initial extension length of the hydraulic cylinder
α Angle of inclination of the platform
FfCoulomb friction
Δ FDisturbance force
MMass of the system
BSystem damping
KSystem stiffness coefficient
Δ XResulting displacement deviation
Xi (i = 1, 2, 3)Bulk modulus

References

  1. Otto, A.; Agatz, N.A.H.; Campbell, J.F.; Golden, B.; Pesch, E. Optimization approaches for civil applications of unmanned aerial vehicles (UAVs) or aerial drones: A survey. Networks 2018, 72, 411–458. [Google Scholar] [CrossRef]
  2. Birch, N.T. 2020 vision: The prospects for large civil aircraft propulsion. Aeronaut. J. 2000, 104, 347–352. [Google Scholar] [CrossRef]
  3. Shi, C.; Wang, X.J.; Wang, S.P.; Wang, J.; Tomovic, M.M. Adaptive decoupling synchronous control of dissimilar redundant actuation system for large civil aircraft. Aerosp. Sci. Technol. 2015, 47, 114–124. [Google Scholar] [CrossRef]
  4. Kruger, W.; Besselink, I.; Cowling, D.; Doan, D.B.; Kortum, W.; Krabacher, W. Aircraft Landing Gear Dynamics: Simulation and Control. Veh. Syst. Dyn. 1997, 28, 119–158. [Google Scholar] [CrossRef]
  5. Robert Schmidt. Advances in Aircraft Landing Gear, in Advances in Aircraft Landing Gear; SAE: Warrendale, PA, USA, 2015. [Google Scholar]
  6. Platz, R.; Gotz, B.; Melz, T. Approach to Evaluate and to Compare Basic Structural Design Concepts of Landing Gears in Early Stage of Development Under Uncertainty. Model Valid. Uncertain. Quantif. 2016, 3, 167–175. [Google Scholar]
  7. Besch, H.M. Large aircraft landing gears—A brief overview. In 6th International Munich Chassis Symposium 2015; Springer Vieweg: Wiesbaden, Germany, 2015; pp. 685–715. [Google Scholar]
  8. Wahi, M.K. Oil compressibility and polytropic air compression analysis for oleopneumatic shock struts. J. Aircr. 1976, 13, 527–530. [Google Scholar] [CrossRef]
  9. Black, R.J. Application of Tire Dynamics to Aircraft Landing Gear Design Analysis. NASA Conf. Publ. 1983, 15, 71–93. [Google Scholar]
  10. Wang, H.; Wang, L. Development of Landing and Taxiing Response Analysis System for Aircraft with Multi-Wheels and Multi-Landing Gears. AMM 2013, 459, 511–516. [Google Scholar] [CrossRef]
  11. Wang, H.T.; Xing, J.T.; Price, W.G.; Li, W.J. An investigation of an active landing gear system to reduce aircraft vibrations caused by landing impacts and runway excitations. J. Sound Vib. 2008, 317, 50–66. [Google Scholar] [CrossRef]
  12. Tang, H.; Zhang, D.; Gan, Z. Control System for Vertical Take-Off and Landing Vehicle’s Adaptive Landing Based on Multi-Sensor Data Fusion. Sensors 2020, 20, 4411. [Google Scholar] [CrossRef]
  13. Ni, X.; Yin, Q.; Wei, X.; Zhong, P.; Nie, H. Research on Landing Stability of Four-Legged Adaptive Landing Gear for Multirotor UAVs. Aerospace 2022, 9, 776. [Google Scholar] [CrossRef]
  14. Cabuk, N. Design and Experimental Validation of an Adaptive Landing Gear for Safe Landing on Uneven Grounds of VTOL UAVs in the Context of Lightweight and Fast Adaptations. Arab. J. Sci. Eng. 2023, 48, 12331–12344. [Google Scholar] [CrossRef]
  15. Li, Y.; Jiang, J.Z.; Sartor, P.; Neild, S.A.; Wang, H. Including Inerters in Aircraft Landing Gear Shock Strut to Improve the Touch-down Performance. Procedia Eng. 2017, 199, 1689–1694. [Google Scholar] [CrossRef]
  16. Ha, Q.P.; Nguyen, Q.H.; Rye, D.C.; Durrant-Whyte, H.F. Impedance control of a hydraulically actuated robotic excavator. Autom. Constr. 2000, 9, 421–435. [Google Scholar] [CrossRef]
  17. Nguyen, Q.H.; Ha, Q.P.; Rye, D.C.; Durrant-Whyte, H.F. Force/position tracking for electrohydraulic systems of a robotic excavator. In Proceedings of the 39th IEEE Conference on Decision and Control, Sydney, Australia, 12–15 December 2000; Volume 5, pp. 5224–5229. [Google Scholar]
  18. Tafazoli, S.; Salcudean, S.E.; Hashtrudi-Zaad, K.; Lawrence, P.D. Impedance control of a teleoperated excavator. IEEE Trans. Control Syst. Technol. 2002, 10, 355–363. [Google Scholar] [CrossRef]
  19. Zulu, S.L.; Saad, A.M.; Gledson, B. Exploring Leaders’ Perceptions of the Business Case for Digitalisation in the Construction Industry. Buildings 2023, 13, 701. [Google Scholar] [CrossRef]
  20. Boaventura, T.; Buchli, J.; Semini, C.; Caldwell, D.G. Model-based hydraulic impedance control for dynamic robots. IEEE Trans. Robot. 2017, 31, 1324–1336. [Google Scholar] [CrossRef]
  21. Ba, K.X.; Ma, G.L.; Yu, B.; Jin, Z.G.; Huang, Z.P.; Zhang, J.X.; Kong, X.D. A nonlinear model-based variable impedance parameters control for position-based impedance control system of hydraulic drive unit. Int. J. Control Autom. Syst. 2020, 18, 1806–1817. [Google Scholar] [CrossRef]
  22. Ohta, M.; Mitsuoka, N.; Inoue, Y.; Kai, Y. The flexible control of the Quadruped Walking Robot by Position-Based Impedance Control : Correspondence to a collision and contact. Proc. Conf. Chugoku-Shikoku Branch 2003, 41, 393–394. [Google Scholar] [CrossRef]
  23. Sang-Ryu, L.; Cho, J.; Park, S. Position-based impedance control of a hydraulic actuator for a walking robot. Adapt. Mob. Robot. 2012, 781–788. [Google Scholar] [CrossRef]
  24. Gao, B.W.; Wang, Y.K.; Han, W.L.; Xue, S.L. Research on force/position switching control of servo actuator for hydraulically driven joint robot. Trans. Inst. Meas. Control 2024, 46, 2024–2034. [Google Scholar] [CrossRef]
  25. Ding, R.Q.; Wang, J.H.; Cheng, M.; Sun, M.K.; Xu, B.; Wang, Z. Adaptive impedance control for the hydraulic manipulator under the uncertain environment. J. Braz. Soc. Mech. Sci. Eng. 2023, 45, 437. [Google Scholar] [CrossRef]
  26. Ba, K.; Chen, C.; Ma, G.; Song, Y.; Wang, Y.; Yu, B.; Kong, X. A compensation strategy of end-effector pose precision based on the virtual constraints for serial robots with RDOFs. Fundam. Res. 2024, in press. [CrossRef]
  27. Ba, K.; Liu, G.; Ma, G.; Chen, C.; Pu, L.; He, X.; Chen, X.; Wang, Y.; Zhu, Q.; Wang, D.; et al. Bionic perception and transmission neural device based on a self-powered concept. Cell Rep. Phys. Sci. 2024, 5, 102048. [Google Scholar] [CrossRef]
  28. Ma, G.; Zhang, M.; Gao, F.; Wang, Y.; Pu, L.; Song, Y.; She, J.; Wang, D.; Yu, B.; Ba, K.; et al. Bioinspired, fiber-based, flexible self-powered sensor for wearable applications. Device 2024, 2, 100508. [Google Scholar] [CrossRef]
  29. Arık, A.E.; Bilgiç, B. Fuzzy control of a landing gear system with oleo-pneumatic shock absorber to reduce aircraft vibrations by landing impacts. Aircr. Eng. Aerosp. Technol. 2022, 95, 284–291. [Google Scholar] [CrossRef]
  30. Liu, W.; Wang, Y.; Ji, Y. Landing Impact Load Analysis and Validation of a Civil Aircraft Nose Landing Gear. Aerospace 2023, 10, 953. [Google Scholar] [CrossRef]
  31. Liu, G.G.; Pei, L.Y.; Feng, L.; Wu, Z.W. A Mathematical Model for Dynamic Vibration Analysis of a Landing Aircraft. J. Vib. Eng. Technol. 2024, 12, 4149–4162. [Google Scholar] [CrossRef]
Figure 1. Schematic diagram of UAV’s landing gear platform structure.
Figure 1. Schematic diagram of UAV’s landing gear platform structure.
Electronics 13 03684 g001
Figure 2. Schematic diagram of UAV’s landing gear hydraulic system.
Figure 2. Schematic diagram of UAV’s landing gear hydraulic system.
Electronics 13 03684 g002
Figure 3. Block diagram of the whole machine control method.
Figure 3. Block diagram of the whole machine control method.
Electronics 13 03684 g003
Figure 4. Valve-controlled cylinder system schematic diagram.
Figure 4. Valve-controlled cylinder system schematic diagram.
Electronics 13 03684 g004
Figure 5. Front landing gear angle based-loop control block diagram.
Figure 5. Front landing gear angle based-loop control block diagram.
Electronics 13 03684 g005
Figure 6. Rear landing gear kinematic structure.
Figure 6. Rear landing gear kinematic structure.
Electronics 13 03684 g006
Figure 7. Overall center of mass position and force diagrams.
Figure 7. Overall center of mass position and force diagrams.
Electronics 13 03684 g007
Figure 8. Rear landing gear control diagram.
Figure 8. Rear landing gear control diagram.
Electronics 13 03684 g008
Figure 9. UAV’s landing gear simulation model. (a) Three-dimensional model of the UAV; (b) Simulink modeling of the UAV.
Figure 9. UAV’s landing gear simulation model. (a) Three-dimensional model of the UAV; (b) Simulink modeling of the UAV.
Electronics 13 03684 g009
Figure 10. Trajectory tracking curve for UAV’s landing gear angle. (a) Angle following at 0° to 4° tilt conditions; (b) angle error following at 0° to 4° tilt conditions; (c) angle following at 0° to −4° tilt conditions; (d) angle error following at 0° to −4° tilt conditions; (e) UAV tilt at any angle curve within 0° to −4°; (f) UAV tilt error curve at any angle within 0° to −4°; (g) UAV tilt at any angle curve within −4°to 0°; (h) UAV tilt error curve at any angle within −4°to 0°.
Figure 10. Trajectory tracking curve for UAV’s landing gear angle. (a) Angle following at 0° to 4° tilt conditions; (b) angle error following at 0° to 4° tilt conditions; (c) angle following at 0° to −4° tilt conditions; (d) angle error following at 0° to −4° tilt conditions; (e) UAV tilt at any angle curve within 0° to −4°; (f) UAV tilt error curve at any angle within 0° to −4°; (g) UAV tilt at any angle curve within −4°to 0°; (h) UAV tilt error curve at any angle within −4°to 0°.
Electronics 13 03684 g010aElectronics 13 03684 g010b
Figure 11. UAV’s landing gear test platform structure.
Figure 11. UAV’s landing gear test platform structure.
Electronics 13 03684 g011
Figure 12. UAV’s landing gear test stand.
Figure 12. UAV’s landing gear test stand.
Electronics 13 03684 g012
Figure 13. Tilt mode experiment of UAV. (a) Angle following at 0° to 4° tilt conditions; (b) angle following at 0°to −4° tilt conditions.
Figure 13. Tilt mode experiment of UAV. (a) Angle following at 0° to 4° tilt conditions; (b) angle following at 0°to −4° tilt conditions.
Electronics 13 03684 g013
Figure 14. Arbitrary tilt mode experiment of UAV. (a) Angle following at 0° to −4° tilt conditions; (b) angle following at −4° to 0° tilt conditions.
Figure 14. Arbitrary tilt mode experiment of UAV. (a) Angle following at 0° to −4° tilt conditions; (b) angle following at −4° to 0° tilt conditions.
Electronics 13 03684 g014
Figure 15. Experimental results of UAV tilting at any angle.
Figure 15. Experimental results of UAV tilting at any angle.
Electronics 13 03684 g015
Table 1. Hydraulic parameters.
Table 1. Hydraulic parameters.
SymbolQuantityValue
DBore diameter0.014 m
dRod diameter0.01 m
A1Stroke0.05 m
A2Initial volume of chamber 13.85 × 10−6 m3
V01Initial volume of chamber 13.14 × 10−7 m3
V02Nominal internal leakage coefficient1.47 × 10−15
KaxvServo valve gain0.45
βeBulk modulus800 MPa
PsSupply pressure7 MPa
PrReturn pressure0.5 MPa
Table 2. Test stand parameters.
Table 2. Test stand parameters.
SymbolQuantityValue
PSystem pressure10 MPa
ATest Stand Size1.8 × 1.8 × 0.53 m
FmaxMaximum load capacity209 kg
θ m a x Maximum tilt angle±6°
Disclaimer/Publisher’s Note: The statements, opinions and data contained in all publications are solely those of the individual author(s) and contributor(s) and not of MDPI and/or the editor(s). MDPI and/or the editor(s) disclaim responsibility for any injury to people or property resulting from any ideas, methods, instructions or products referred to in the content.

Share and Cite

MDPI and ACS Style

Qiu, H.; Wang, X.; Shi, G.; Li, X.; Zhang, S.; Kong, X.; Ba, K.; Yu, B. A Novel Impedance-Based Parallel Cooperative Control Method for Front and Rear Landing Gear Hydraulic Systems of UAVs. Electronics 2024, 13, 3684. https://doi.org/10.3390/electronics13183684

AMA Style

Qiu H, Wang X, Shi G, Li X, Zhang S, Kong X, Ba K, Yu B. A Novel Impedance-Based Parallel Cooperative Control Method for Front and Rear Landing Gear Hydraulic Systems of UAVs. Electronics. 2024; 13(18):3684. https://doi.org/10.3390/electronics13183684

Chicago/Turabian Style

Qiu, Hua, Xinyu Wang, Guozhao Shi, Xinrong Li, Shuai Zhang, Xiangdong Kong, Kaixian Ba, and Bin Yu. 2024. "A Novel Impedance-Based Parallel Cooperative Control Method for Front and Rear Landing Gear Hydraulic Systems of UAVs" Electronics 13, no. 18: 3684. https://doi.org/10.3390/electronics13183684

APA Style

Qiu, H., Wang, X., Shi, G., Li, X., Zhang, S., Kong, X., Ba, K., & Yu, B. (2024). A Novel Impedance-Based Parallel Cooperative Control Method for Front and Rear Landing Gear Hydraulic Systems of UAVs. Electronics, 13(18), 3684. https://doi.org/10.3390/electronics13183684

Note that from the first issue of 2016, this journal uses article numbers instead of page numbers. See further details here.

Article Metrics

Back to TopTop