A Low-Power Continuous-Time Delta-Sigma Analogue-to-Digital Converter for the Neural Network Architecture of Battery State Estimation
Abstract
1. Introduction
2. Delta-Sigma ADC Architecture
3. System Simulation and Circuit Implementation of CTDSM
3.1. Specification Planning of Delta-Sigma Modulator
3.2. Simulink Model Development and Simulation
3.3. CTDSM System Circuit
3.3.1. Operational Amplifier with Current Reuse
3.3.2. First Stage Common-Mode Feedback Circuit
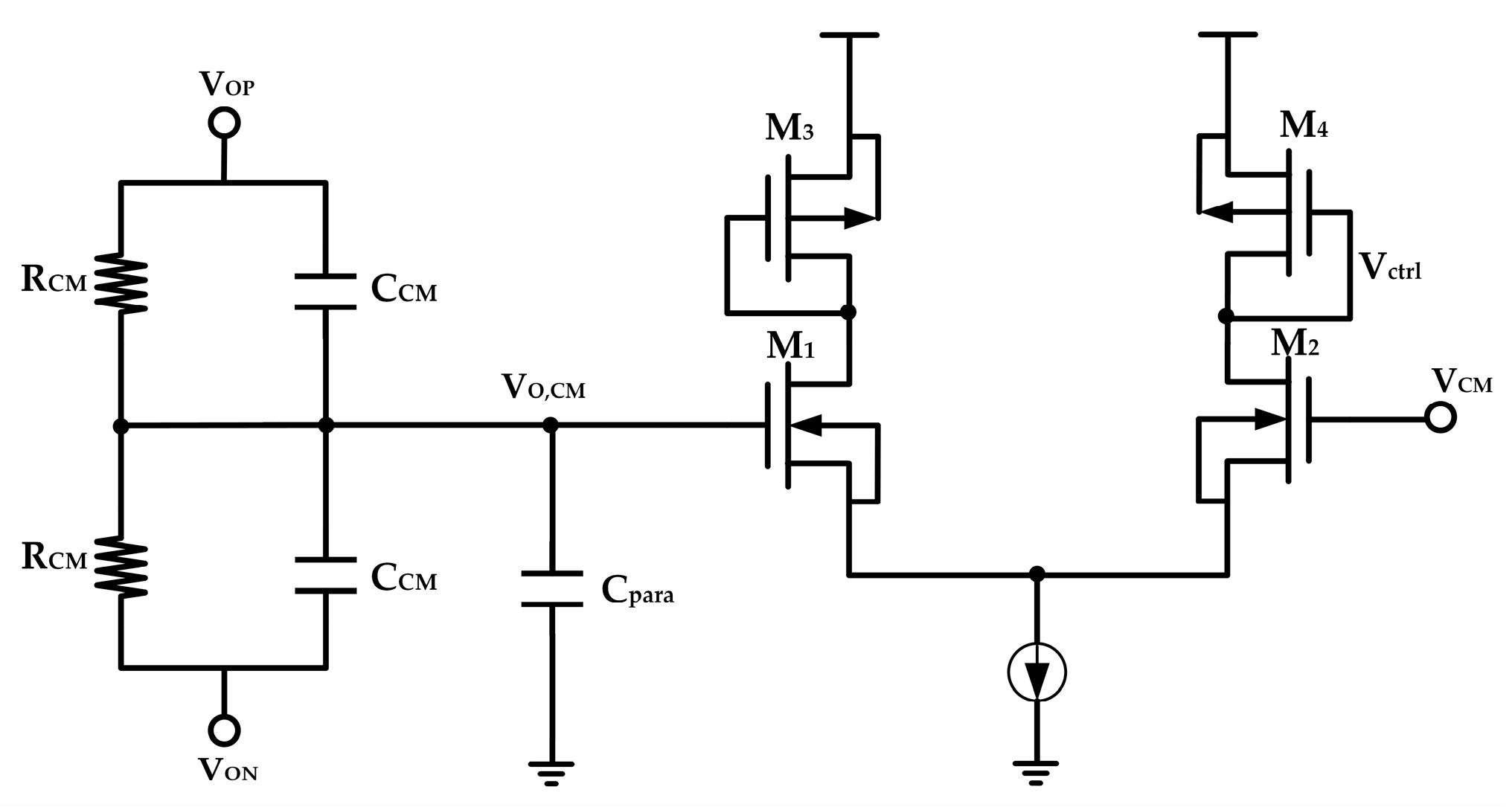
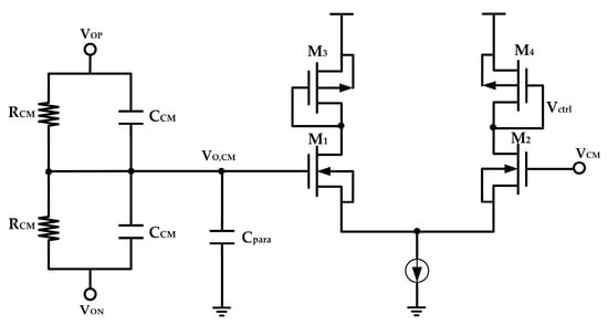
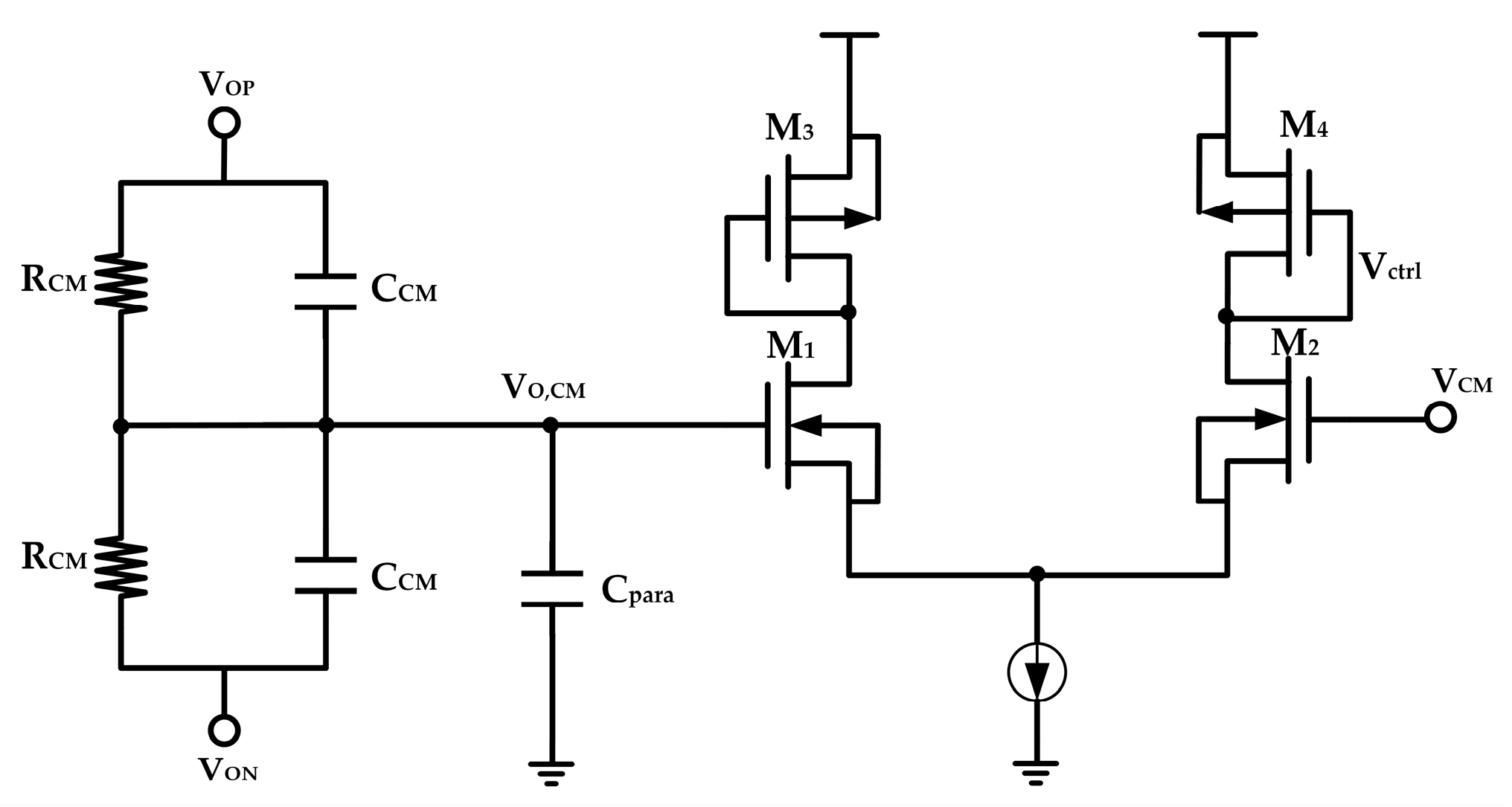
3.3.3. Second Stage Common-Mode Feedback Circuit
3.3.4. Simulation Results of the Operational Amplifier
3.3.5. Quantiser and 1-Bit NRZ DAC
4. System Simulation and Layout
4.1. System Simulation
4.2. Layout
4.3. Measurement Results
4.4. Literature Comparison
5. Conclusions
Author Contributions
Funding
Data Availability Statement
Acknowledgments
Conflicts of Interest
References
- Xiong, R.; Cao, J.; Yu, Q.; He, H.; Sun, F. Critical review on the battery state of charge estimation methods for electric vehicles. IEEE Access 2017, 6, 1832–1843. [Google Scholar] [CrossRef]
- Barreras, J.V.; de Castro, R.; Wan, Y.; Dragicevic, T. A consensus algorithm for multi-objective battery balancing. Energies 2021, 14, 4279. [Google Scholar] [CrossRef]
- Abronzini, U.; Attaianese, C.; Di Monaco, M.; Porpora, F.; Tomasso, G.; Granato, M.; Frattini, G. Optimal modular BMS for high performances NMC battery pack. In Proceedings of the IEEE International Conference on Electrical Systems for Aircraft, Railway, Ship Propulsion and Road Vehicles & International Transportation Electrification Conference (ESARS-ITEC), Nottingham, UK, 7–9 November 2018; pp. 1–6. [Google Scholar]
- Canilang, H.M.O.; Caliwag, A.C.; Lim, W. Design of modular bms and real-time practical implementation for electric motorcycle application. IEEE Trans. Circuits Syst. II Express Briefs 2021, 69, 519–523. [Google Scholar] [CrossRef]
- Canilang, H.M.O.; Caliwag, A.C.; Lim, W. Design, Implementation, and Deployment of Modular Battery Management System for IIoT-Based Applications. IEEE Access 2022, 10, 109008–109028. [Google Scholar] [CrossRef]
- Zhang, F.; Rehman, M.M.U.; Zane, R.; Maksimović, D. Hybrid balancing in a modular battery management system for electric-drive vehicles. In Proceedings of the IEEE Energy Conversion Congress and Exposition (ECCE), Cincinnati, OH, USA, 1–5 October 2017; pp. 578–583. [Google Scholar]
- Farjah, A.; Ghanbari, T. Early ageing detection of battery cells in battery management system. Electron. Lett. 2020, 56, 616–619. [Google Scholar] [CrossRef]
- Yuanwen, L.; Da, Q.; Yifeng, D.; Jun, X.; Junyan, R. A 0.9-V 60-μW 1-Bit Fourth-Order Delta-Sigma Modulator with 83-dB Dynamic Range. IEEE J. Solid-State Circuits 2008, 43, 361–370. [Google Scholar]
- Barreras, J.V. Practical Methods in Li-ion Batteries: For Simplified Modeling, Battery Electric Vehicle Design, Battery Management System Testing and Balancing System Control. Ph.D. Thesis, The Faculty of Engineering and Science, Aalborg University, Aalborg, Denmark, 2017. [Google Scholar]
- Zhao, X.; Xuan, D.; Zhao, K.; Li, Z. Elman neural network using ant colony optimization algorithm for estimating of state of charge of lithium-ion battery. J. Energy Storage 2020, 32, 101789. [Google Scholar] [CrossRef]
- Zhang, Z.; Shen, Y.; Zhang, G.; Song, Y.; Zhu, Y. Short-term prediction for opening price of stock market based on self-adapting variant PSO-Elman neural network. In Proceedings of the 8th IEEE International Conference on Software Engineering and Service Science (ICSESS), Beijing, China, 24–26 November 2017; pp. 225–228. [Google Scholar]
- Shi, Q.; Zhang, C.; Cui, N.; Zhang, X. Battery state-of-charge estimation in electric vehicle using elman neural network method. In Proceedings of the 29th Chinese Control Conference, Beijing, China, 29–31 July 2010; pp. 5999–6003. [Google Scholar]
- Qiu, G.Q.; Zhao, W.M.; Xiong, G.Y. Estimation of power battery SOC based on PSO-Elman neural network. In Proceedings of the Chinese Automation Congress (CAC), Xi’an, China, 30 November–2 December 2018. [Google Scholar]
- How, D.N.; Hannan, M.A.; Lipu, M.S.H.; Sahari, K.S.; Ker, P.J.; Muttaqi, K.M. State-of-charge estimation of li-ion battery in electric vehicles: A deep neural network approach. IEEE Trans. Ind. Appl. 2020, 56, 5565–5574. [Google Scholar] [CrossRef]
- Shiue, M.T.; Ou, Y.C.; Liu, B.J.; Wang, Y.F.; Liu, P.H. The Battery Measurement Approach of Lithium Battery in Real Driving Data based on Deep Learning Algorithms. In Proceedings of the 11th Asian Conference on Electrochemical Power Sources (ACEPS11), Singapore, 11–14 December 2022; p. 350. [Google Scholar]
- Shiue, M.T.; Wang, Y.F.; Ou, Y.C.; Liu, B.J.; Liu, P.H. A Deep Neural Network Structure for Li-Ion Battery State of Charge Estimation and Hardware Implementation in Electric Vehicles. Int. J. Ind. Electron. Electr. Eng. (IJIEEE) 2023, 11, 1–5. [Google Scholar]
- Ou, Y.C.; Shiue, M.T.; Liu, B.J.; Wang, Y.F.; Kuo, C.S.; Wu, C.F. State of Charge Estimation and Circuit Implementation for Lithium Battery Based on the Elman Neural Network Algorithm. In Proceedings of the 6th Global Power, Energy and Communication Conference (GPECOM), Budapest, Hungary, 4–7 June 2024; pp. 98–102. [Google Scholar]
- Gerfers, F.; Ortmanns, M. Continuous-Time Sigma-Delta A/D Conversion: Fundamentals, Performance Limits and Robust Implementations; Springer Science & Business Media: Berlin, Germany, 2006; Volume 21. [Google Scholar]
- Kuo, C.H.; Shi, D.Y.; Chang, K.S. A Low-Voltage Fourth-Order Cascade Delta–Sigma Modulator in 0.18-μm CMOS. IEEE Trans. Circuits Syst. I Regul. Pap. 2010, 57, 2450–2461. [Google Scholar] [CrossRef]
- Sung, G.M.; Yu, C.P.; Hung, T.W.; Hsieh, H.Y. Mixed-Mode Chip Implementation of Digital Space SVPWM with Simplified-CPU and 12-Bit 2.56 Ms/s Switched-Current Delta-Sigma ADC in Motor Drive. IEEE Trans. Power Electron. 2012, 27, 916–930. [Google Scholar] [CrossRef]
- Garcia, J.; Rodriguez, S.; Rusu, A. A Low-Power CT Incremental 3rd Order Sigma-Delta ADC for Biosensor Applications. IEEE Trans. Circuits Syst. I Regul. Pap. 2013, 60, 25–36. [Google Scholar] [CrossRef]
- Yoon, Y.; Duan, Q.; Yeo, J.; Roh, J.; Kim, J.; Kim, D. A Delta–Sigma Modulator for Low-Power Analog Front Ends in Biomedical Instrumentation. IEEE Trans. Instrum. Meas. 2016, 65, 1530–1539. [Google Scholar] [CrossRef]
- Leow, Y.H.; Tang, H.; Sun, Z.C.; Siek, L. A 1 V 103 dB 3rd-Order Audio Continuous-Time ΔΣ ADC with Enhanced Noise Shaping in 65 nm CMOS. IEEE J. Solid-State Circuits 2016, 51, 2625–2638. [Google Scholar] [CrossRef]
- Xu, L.; Huijsing, J.H.; Makinwa, K.A. A 10 kHz-BW 93.7 dB-SNR chopped ΔΣ ADC with 30 V input CM range and 115 dB CMRR at 10 kHz. In Proceedings of the IEEE Asian Solid-State Circuits Conference (A-SSCC), Seoul, Republic of Korea, 6–8 November 2017; pp. 49–52. [Google Scholar]
- Aymerich, J.; Márquez, A.; Muñoz-Berbel, X.; Del Campo, F.J.; Guirado, G.; Terés, L.; Serra-Graells, F.; Dei, M. A 15-μW 105-dB 1.8-Vpp Potentiostatic Delta-Sigma Modulator for Wearable Electrochemical Transducers in 65-nm CMOS Technology. IEEE Access 2020, 8, 62127–62136. [Google Scholar] [CrossRef]
- Kledrowetz, V.; Fujcik, L.; Prokop, R.; Háze, J. A 1 V 92 dB SNDR 10 kHz Bandwidth Second-Order Asynchronous Delta-Sigma Modulator for Biomedical Signal Processing. Sensors 2020, 20, 4137. [Google Scholar] [CrossRef] [PubMed]





















| Delta-Sigma Modulator | Specification |
|---|---|
| ENOB [bits] | >12 bits |
| SNDR [dB] | >74 dB |
| Power Consumption [μW] | <50 μW |
| VDD [V] | 1.2 V |
| Input Signal [V] | 0.6 ÷ 0.3 V |
| Signal Bandwidth [kHz] | 10 kHz |
| Order | 2 |
| OSR | 128 |
| Quantiser bit | 1 |
| Technology | UMC 0.18 um |
| ] | Value | C [μF] | Value |
|---|---|---|---|
| 1348.22 | 3.09 | ||
| 94.8 | 3.09 | ||
| 674.11 |
| Specification. | Pre-Simulation | Post-Simulation | Measurement | |
|---|---|---|---|---|
| Process Technology | UMC 0.18 um | |||
| Supply Voltage MI | 1.2 | |||
| Bandwidth [Hz] | 10 k | |||
| Input Amplitude [V] | 0.3 | |||
| SNDR [dB] | 74 @TT-Corner | 82.75 | 81.15 | 78.42 |
| Resolution [bits] | 12 @TT-Corner | 13.45 | 13.18 | 12.73 |
| Dynamic Range [dB] | As large as possible | 86 | 84 | 84 |
| Power [μW] | <50 @2.56MHz | 22.24 | 22.76 | 15.97 |
| FOM 1 [pJ/conv.] | As small as possible | 0.0994 | 0.1226 | 0.1175 |
| FOM 2 [dB] | As large as possible | 172.53 | 170.43 | 171.97 |
| Ref. | [19] | [20] | [21] | [22] | [23] | [24] | [25] | [26] | This Work |
|---|---|---|---|---|---|---|---|---|---|
| Type | DT | SI-DT | CT | DI-DT | CT | DT | CT | ADSM | CT |
| OSR | 100 | 128 | 80 | 64 | 128 | 256 | 256 | 128 | 128 |
| SNDR [dB] | 84 | 71.9 | 64 | 80.4 | 95.2 | 89 | 80 | 92 | 78.42 |
| ENOB [bits] | 13.66 | 11.65 | 10.34 | 13.06 | 15.52 | 12.73 | 10 | 15 | 12.73 |
| BW [HZ] | 20k | 10k | 2k | 10k | 25k | 10k | 1 | 10k | 10k |
| Power [μW] | 860 | 12,100 | 96 | 24.8 | 800 | 670 | 15 | 290 | 15.97 |
| VDD | 1 | 3.3 | 1.6 | 1.0 | 1.0 | 1.8-5 | 1.2 | 1 | 1.2 |
| Process [um] | 0.18 | 0.35 | 0.15 | 0.065 | 0.065 | 0.18 | 0.065 | 0.18 | 0.18 |
| FOM 1 [pJ/conv.] | 1.66 | 188.26 | 18.53 | 0.145 | 0.34 | 4.93 | 1155.26 | 0.45 | 0.1175 |
| FOM 2 [dB] | 157.67 | 141.17 | 137.19 | 167.56 | 177.9 | 165.54 | 153.24 | 187 | 171.97 |
| Publication | IEDE Trans. Circuit sys. | IEEE Trans. On Power Electronics | IEEE Trans. Circuit sys. | IEEE Trans. Instrum. Meas. | IEDE JSSC | IEEE ASSCC | IEEE Access | MDP Sensors | Measurement |
Disclaimer/Publisher’s Note: The statements, opinions and data contained in all publications are solely those of the individual author(s) and contributor(s) and not of MDPI and/or the editor(s). MDPI and/or the editor(s) disclaim responsibility for any injury to people or property resulting from any ideas, methods, instructions or products referred to in the content. |
© 2024 by the authors. Licensee MDPI, Basel, Switzerland. This article is an open access article distributed under the terms and conditions of the Creative Commons Attribution (CC BY) license (https://creativecommons.org/licenses/by/4.0/).
Share and Cite
Shiue, M.-T.; Ou, Y.-C.; Li, G.-S. A Low-Power Continuous-Time Delta-Sigma Analogue-to-Digital Converter for the Neural Network Architecture of Battery State Estimation. Electronics 2024, 13, 3459. https://doi.org/10.3390/electronics13173459
Shiue M-T, Ou Y-C, Li G-S. A Low-Power Continuous-Time Delta-Sigma Analogue-to-Digital Converter for the Neural Network Architecture of Battery State Estimation. Electronics. 2024; 13(17):3459. https://doi.org/10.3390/electronics13173459
Chicago/Turabian StyleShiue, Muh-Tian, Yang-Chieh Ou, and Guan-Shum Li. 2024. "A Low-Power Continuous-Time Delta-Sigma Analogue-to-Digital Converter for the Neural Network Architecture of Battery State Estimation" Electronics 13, no. 17: 3459. https://doi.org/10.3390/electronics13173459
APA StyleShiue, M.-T., Ou, Y.-C., & Li, G.-S. (2024). A Low-Power Continuous-Time Delta-Sigma Analogue-to-Digital Converter for the Neural Network Architecture of Battery State Estimation. Electronics, 13(17), 3459. https://doi.org/10.3390/electronics13173459

