Next Article in Journal
A Method for Predicting Transformer Oil-Dissolved Gas Concentration Based on Multi-Window Stepwise Decomposition with HP-SSA-VMD-LSTM
Next Article in Special Issue
Intelligent Control Algorithms for Enhanced Frequency Stability in Single and Interconnected Power Systems
Previous Article in Journal
SL: Stable Learning in Source-Free Domain Adaptation for Medical Image Segmentation
Previous Article in Special Issue
Digitally Controlled Hybrid Switching Step-Up Converter
 
 
Font Type:
Arial Georgia Verdana
Font Size:
Aa Aa Aa
Line Spacing:
Column Width:
Background:
Article

Distributed Model Predictive Control Based on Bus Voltage Derivative and SoC Dynamic Model for Shipboard DC Microgrids

1
School of Electrical Engineering, Chongqing University, Chongqing 400044, China
2
Department of Electrical and Electronic Engineering, The Hong Kong Polytechnic University, Hong Kong 999077, China
3
State Key Laboratory of Disaster Prevention & Reduction for Power Grid, Changsha University of Science & Technology, Changsha 410114, China
4
School of Mechatronic Engineering and Automation, Shanghai University, Shanghai 200444, China
5
State Grid Henan Electric Power Company Economic Research Institute, Zhengzhou 450000, China
*
Authors to whom correspondence should be addressed.
Electronics 2024, 13(14), 2880; https://doi.org/10.3390/electronics13142880
Submission received: 4 June 2024 / Revised: 14 July 2024 / Accepted: 17 July 2024 / Published: 22 July 2024

Abstract

State-of-charge (SoC) consistency and bus voltage regulation are two major control objectives of shipboard DC microgrids. To achieve these objectives, this paper presents a novel distributed model predictive control (DMPC) strategy with multiple cost functions. Firstly, based on the bus voltage derivative and SoC dynamic model, the voltage and SoC control equations in discrete form are established. Subsequently, considering the safe operation of battery energy storage systems (BESSs), a DMPC taking the energy storage current as the control set is designed. Finally, the average voltage compensation is taken to achieve precise control of the average voltage. The proposed method can avoid the complex process of adjusting weight coefficients, thereby simplifying controller design. Furthermore, the robustness and practicality of the proposed DMPC method are verified through MATLAB/Simulink 2021a simulations and hardware-in-the-loop (HiL) experiments.

1. Introduction

In order to realize the goal of “carbon peaking and carbon neutrality”, renewable energy generation is rapidly emerging as an area of intense research interest, fostering the application of shipboard microgrids [1,2]. Compared with shipboard AC microgrids and shipboard AC/DC microgrids, shipboard DC microgrids have superior power quality because they do not need to surmount frequency stability issues, and do not suffer from harmonics and skin effects. In addition, the problems of synchronization between distributed generators do not need to be taken into account, and cooperative operation is more convenient [3,4].
Due to the strong stochasticity and high uncertainty of renewable energy, the power balance between distributed power sources and loads is difficult to realize. Therefore, battery energy storage systems (BESSs) are usually installed in microgrids to meet this power balance [5,6,7]. Droop control is typically employed for the primary control of microgrids, leading to the state of charge (SoC) imbalance of the BESSs. Under primary control, if the SoC or capacity of BESSs is unequal, during discharge, a BESS with a smaller SoC or capacity is prone to excessive discharge. Similarly, during charging, BESSs with a larger SoC or capacity are susceptible to overcharging, posing a significant threat to the lifespan of BESSs [8]. Therefore, it is necessary and significant to explore safe, reliable, and effective cooperative control methods to assure the balance of SoC among different BESSs and the stability of DC bus voltage [9].
Compared with centralized control and decentralized control, distributed control is better adapted to meet the requirements of microgrids and has received extensive scientific attention and in-depth research [10,11,12]. Focusing on achieving SoC equalization and voltage restoration in DC microgrids, a distributed finite-time control scheme that takes into account communication delays is introduced in [13]. A distributed optimal control method based on SoC-weighted adjustment is presented in [14] and a fixed-time secondary controller is presented in [15] to achieve both rapid SoC balancing and bus voltage management. An SoC-based droop control is proposed in [16] and an adaptive frequency droop based on the virtual power method is presented in [17] to avoid the over-charging and over-discharging of BESSs. Although these methods can achieve voltage restoration and SoC equalization, the control input is positively correlated with the degree of state discrepancy. As a result, the current of the BESS is always larger in the early stage and smaller in the late stage of the convergence process, which affects the system’s safety and convergence speed. Furthermore, a consensus-based SoC-balancing algorithm is proposed in [18] and a distributed unified controller without a droop primary controller is designed in [19] for the BESSs in DC shipboard microgrid. However, under these control methods, the SoCs that are closer to the mean converge earlier than those farther from the mean, making the overall SoC convergence trend undesirable.
Model predictive control (MPC) has superior steady-state and transient characteristics. Hence, combining MPC with distributed control can effectively solve the multi-objective optimization problem in microgrids. The authors of [20] propose a dual MPC scheme for shipboard DC microgrids, enabling the transient power allocation of hybrid energy storage. A distributed MPC-based virtual inertial control method is proposed in [21] to solve low-inertia problems in DC microgrids. The authors of [22] suggest an MPC-based artificial neural network control scheme that takes into account variable climate input and output to maintain a power balance between generation and load. In [23], a dual-layer MPC strategy is introduced to control bus voltage fluctuation by managing the behaviors of supercapacitors. An optimal charging and discharging algorithm based on the lookup-table-type MPC is presented in [24]. However, this method does not consider the stability of DC voltage and has several limitations. In [25], an MPC method that relies on a moving discretized control set is proposed, which enables load current adjustment and bus voltage regulation. The authors of [26] propose a voltage compensation-based distributed model predictive control (DMPC) method, achieving bounded voltage regulation and power allocation. However, the authors do not consider SoC balance and the current constraints of BESSs. Furthermore, this method utilizes outer-loop voltage compensation as the control input, resulting in degraded dynamic response performance, while the adoption of a global cost function for multi-objective control exacerbates the controller’s sensitivity to weighting coefficients.
In order to overcome the problem of an inrush current and slow convergence speed, caused by conventional consistency control methods, and reduce the high parameter sensitivity of the existing DMPC method, this paper proposes a novel DMPC strategy. The most prominent novel contributions of this paper are:
(i)
Based on the bus voltage derivative, a novel DMPC strategy that takes the current of BESSs as the control set is proposed. Compared with the traditional consistency control method, the proposed DMPC strategy enables the SoC to be equalized at a relatively constant rate, which improves the overall convergence speed and effectively avoids the overload of the BESSs.
(ii)
The application of multiple cost functions for separate optimization can eliminate the mutual interference between the weighting coefficients of different optimization objectives. Meanwhile, it can simplify the control parameter design and reduce the parameter sensitivity of the controller.
(iii)
The optimization results of DMPC directly serve as the current reference values of the current loop MPC, which strengthens the power support capability between neighboring nodes during a transient process and improves the speed and robustness of the system.

2. System Architecture and Operating Principle

The cyber-physical structure and operating principles of the shipboard DC microgrid are established in this section. The correlation between the bus voltage derivative and unbalanced power, based on the conservation of energy, is theoretically deduced. Considering SoC equalization, the dynamic model of the SoC is developed. The above principles provide the foundation for the design of the controller.

2.1. System Configuration

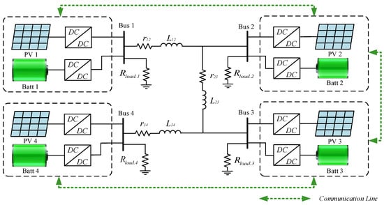
The cyber-physical architecture of a shipboard DC microgrid containing distributed generators and BESSs is established, as shown in Figure 1, where r12 and L12 represent the line resistance and reactance between nodes 1 and 2, respectively; r23 and L23 represent the line resistance and reactance between nodes 2 and 3, respectively; Rload.1, Rload.2, Rload.3 and Rload.n represent the local load at each node, respectively. The state information is exchanged between neighboring nodes through communication lines to achieve information sharing. The communication network can be depicted by an undirected graph with communication weights of 𝒢 = 𝒱 , ε , where 𝒱 = { 1 ,   2 , , N } is the node set, and ε 𝒱 × 𝒱 denotes the edge set. If there is information and power interaction between the i-th node and j-th node, then i , j ε . The neighboring node set of the i-th node can be expressed as 𝒩 i = { j 𝒱 | ( i , j ) ε . The adjacency matrix 𝒜 is given as:
𝒜 = [ a i j ] R N × N ,     a i j = 1 ,       ( i , j ) ε 0 ,       o t h e r w i s e
where a i j denotes the communication weight. The Laplace matrix is depicted as L = 𝒟 𝒜 , where 𝒟 = d i a g { d i } . d i = j = 1 N a i j indicates the in-degree of the communication network. The Laplace matrix L is described as:
L = [ l i j ] N × N , R N × N ,     l i j = j = 1 , j i N a i j ,       j = i a i j ,                               o t h e r w i s e .
The communication matrix can be defined as ξ = [ ξ i j ] N × N , and ξ i j is achieved by:
ξ i j = a i j / ( 1 + m 𝒩 i a m j )     j 𝒩 i 1 / ( 1 + m 𝒩 i a m j )         i = j 0     o t h e r w i s e .
The consistency algorithm in discrete form is typically depicted as:
ϕ k + 1 = ϕ k L ϕ k
where ϕ denotes the matrix containing n-dimensional state variables, and the state variables can reach consensus by iterative computation.

2.2. Bus Voltage Derivative

The unbalanced power in the microgrid will make the bus voltage fluctuate, so the bus voltage derivative can be adopted to gauge the degree of power unbalance, which can be applied as the theoretical support for bus voltage management. The power flow at the i-th bus is shown in Figure 2.
Considering that the power flow injected into the DC bus is positive, the energy change during the tiny time period Δt at the i-th node can be expressed as:
( P p v . i + P b a t t . i + P j . i + P m . i P l o a d . i ) Δ t = 1 2 C i ( V d c . i + Δ v ) 2 1 2 C i V d c . i 2
where P j . i is the actual power flowing from node j to node i, P m . i denotes the actual power flowing from node m to node i, and P l o a d . i is the local load power.
Ignoring the higher-order term “ 1 2 C i Δ v 2 ”, Equation (5) is rewritten as:
( P p v . i + P b a t t . i + P j . i + P m . i P l o a d . i ) Δ t = C i V d c . i Δ v
Based on Equation (6), when Δt→0, the voltage derivative can be equal to the voltage differential, i.e.,:
d v d t = lim Δ t 0 Δ v Δ t = P p v . i + P b a t t . i + P j . i + P m . i P l o a d . i C i V d c . i
Inspired by Equation (7), a control strategy for voltage regulation will be suggested. Furthermore, to ensure the equivalence between the voltage derivative and voltage differential in Equation (7), Δt needs to be designed to approach but not to equal zero as the control period. Nevertheless, it is worth noting that the SoC needs to be taken into account at the same time. Therefore, a dynamic variation of the SoC should be considered in the design of the coordinated control strategy.

2.3. Dynamic Model of SoC

Energy storage aging leads to capacity degradation, and capacity estimation impacts the accuracy of SoC dynamic models. Scholars have proposed data-driven capacity estimation methods based on extensive charging or discharging data, as well as precise capacity estimation methods based on short-term discharge data [27,28]. Inspired by these methods, this paper introduces the concept of the capacity retention rate to quantify energy storage aging and enhance modeling accuracy. The SoC of the BESS at node i can be modeled as in [29]:
S o C i = 1 λ i C b a t t . i max i b a t t . i
where i b a t t . i and C b a t t . i max indicate the output current and initial rated capacity of the i-th BESS, respectively, and λ i represents the capacity retention rate of the i-th BESS.

3. Distributed Model of Predictive Control Architecture

In this section, aiming at voltage restoration and SoC equalization, the DMPC’s control architecture is developed. Firstly, the traditional droop control is rewritten and applied to the primary control. Subsequently, based on the bus voltage derivative and dynamic model of SoC, DMPCs are devised for each one. Considering the operational safety of BESSs, the configuration method of the control set is suggested. The MPC strategy for the inner loop is adopted to achieve a fast response from the controller. In addition, stability analysis of the presented DMPC strategy is provided according to the Lyapunov theory.

3.1. Primary Control

For the purpose of power distribution in the BESS at different nodes, droop control is adopted. The droop characteristic can be described as:
v b u s . i = v n o m d i i b a t t . i
where v b u s . i indicates the bus voltage at the i-th node; v n o m denotes the nominal voltage; d i is the droop coefficient.
Equation (9) can be rephrased as:
i b a t t . i = v n o m v b u s . i d i .
According to Equation (10), the output current of the BESSs will be distributed proportionally, based on the droop coefficients if all DC bus voltages are equal. Nevertheless, the existence of line impedance results in a difference in voltages, which decreases the precision of power allocation among BESSs. Furthermore, since droop control leads to voltage bias, all bus voltage values will be less than the nominal voltage if the BESSs are operating in discharge mode. Therefore, an innovative secondary control should be designed to realize accurate voltage restoration and power distribution.

3.2. Distributed Secondary Control

Figure 3 shows the presented DMPC control architecture. The droop control is applied by the primary control, and the deviation created by the primary control is eliminated through the DMPC’s secondary control. Meanwhile, the purpose of the inner loop control is to ensure quick alignment of the actual output current from the BESSs with the reference target.
Furthermore, Figure 3 shows that the distributed secondary control can be separated into two parts. One is the outer-loop MPC-I, which is used to achieve voltage restoration; the other is the outer-loop MPC-II, which enables the SoCs of BESSs to reach a balanced state.
Considering the SoC balance and bus voltage restoration at each node, the control variable i b a t t . i should be optimized. The final secondary voltage adjustment i i v and SoC adjustment i i S o C are obtained by the DMPC. Figure 4 shows the adopted control framework along with secondary control for the BESS, and the droop characteristic is expressed as:
i b a t t . i * ( k ) = v n o m v b u s . i ( k ) d i + i i v ( k ) + i i S o C ( k )
where i i v ( k ) indicates the secondary voltage regulation term at t = k; i i S o C ( k ) represents the secondary SoC regulation term at t = k.
In order to make the expression simpler, we set ii,basic as:
i i . b a s i c ( k ) = v n o m v b u s . i ( k ) d i .
The secondary voltage regulation term i i v ( k ) will restore each bus voltage to the nominal voltage after a convergence process, such that all nodes satisfy the following condition:
lim k i = 1 , 2 , n v b u s . i ( k ) v n o m = 0 .
The secondary SoC adjustment term i i S o C ( k ) can achieve SoC balance after a convergence process, such that all nodes satisfy:
lim k i = 1 , 2 , n SoC i ( k ) S o C a v ( k ) = 0
where S o C a v ( k ) is the average SoC of all BESSs at t = k.

3.3. DMPC for Voltage Restoration

To realize the voltage restoration, bus voltage predictive information needs to be obtained. Equation (7) can be rephrased in discrete form as:
V ( k + 1 ) V ( k ) T s 1 = C ¯ V ¯ b u s ( k ) P p v ( k ) + P b a t t ( k ) + P neighbors ( k ) P l o a d ( k ) = C ¯ V ¯ b u s ( k ) V b u s ( k ) I p v ( k ) + V b a t t ( k ) I b a t t ( k ) V b u s ( k ) Y V ( k ) V b u s ( k ) I l o a d ( k )
where V ( k + 1 ) indicates the column vector of bus voltage values at the next moment; V ( k ) denotes the column vector of bus voltage sampling values; V b u s ( k ) represents the diagonal matrix of bus voltage sampling values; V b a t t ( k ) is the diagonal matrix of energy storage voltage sampling values; I p v ( k ) denotes the column vector of PV unit output current sampling values; I b a t t ( k ) indicates the column vector of energy storage current sampling values; I l o a d ( k ) is the column vector of local load current sampling values; Y represents the nodal conductivity matrix; V ¯ b u s ( k ) and C ¯ represent the diagonal matrices associated with the bus voltage and the filter capacitor, respectively; T s 1 represents the period of control, corresponding to Δt in Equation (7).
Thus:
V ( k + 1 ) = [ v b u s . 1 ( k + 1 )       v b u s . 2 ( k + 1 )     v b u s . n ( k + 1 ) ] T ;
V ( k ) = [ v b u s . 1 ( k )       v b u s . 2 ( k )     v b u s . n ( k ) ] T ;
V b u s ( k ) = diag [ v b u s . 1 ( k )       v b u s . 2 ( k )     v b u s . n ( k ) ] ;
V b a t t ( k ) = diag [ v b a t t . 1 ( k )       v b a t t . 2 ( k )     v b a t t . n ( k ) ] ;
I p v ( k ) = [ i p v . 1 ( k )     i p v . i ( k )     i p v . n ( k ) ] T ;
I b a t t ( k ) = [ i b a t t . 1 ( k )     i b a t t . i ( k )     i b a t t . n ( k ) ] T ;
I l o a d ( k ) = [ i l o a d . 1 ( k )     i l o a d . i ( k )     i l o a d . n ( k ) ] T ;
V ¯ b u s ( k ) = diag 1 v b u s . 1 ( k ) 1 v b u s . 2 ( k )     1 v b u s . n ( k ) ;
C ¯ = diag 1 C 1 1 C 2     1 C n .
Based on Equation (15), the bus voltage information at the next moment can be predicted as:
V ( k + 1 ) = T s 1 C ¯ [ I p v ( k ) + V ¯ b u s ( k ) V b a t t ( k ) I b a t t ( k ) Y V ( k ) I l o a d ( k ) ] + V ( k ) .
To adjust the bus voltage at the i-th node, a finite output current control set b a t t . i v ( k ) for i-th BESS at t = k can be established as:
b a t t . i v ( k ) = i b a s i c . i ( k ) + i i v
where i b a s i c . i ( k ) denotes the column vector and all elements are i b a s i c . i ( k ) ; i i v represents the control set, which consists of the secondary voltage regulation terms. Furthermore, the dimension of i b a s i c . i ( k ) is consistent with the dimension of the control set i i v .
If p-step prediction is adopted, the cost function of the i-th DMPC controller at t = k will be devised as:
min i i v ( k ) J o u t . i v ( k ) = v n o m v b u s . i ( k + p ) .
Although the compensation applied for voltage regulation and the compensation applied for SoC equalization are opposite in a steady state, they may be mutually reinforcing in transient processes. It should be noted that the range design of the control set i i v needs to be careful enough to keep the actual output current of the BESS from surpassing its allowable output current boundary. Considering the operational safety of BESSs during transient processes, the control set i i v can be designated as:
i i v = i b a t t . i min 2 + Δ v b u s l i m i t 2 d i , i b a t t . i min 2 + Δ v b u s l i m i t 2 d i + Δ i i v , , i b a t t . i max 2 Δ v b u s l i m i t 2 d i
where Δ v b u s l i m i t represents the permissible range of bus voltage deviation; Δ i i v represents the interval of the secondary voltage control set for the i-th BESS.

3.4. DMPC for SoC Balance

To achieve SoC equilibrium, SoC predictive information needs to be obtained. Then, Equation (8) can be rewritten as:
S o C ( k + 1 ) S o C ( k ) T s 1 = λ C ¯ batt max I b a t t ( k )
where S o C ( k + 1 ) is the column vector of SoC prediction values for all BESSs; S o C ( k ) denotes the column vector of SoC sampling values for all BESSs; C ¯ batt max indicates the diagonal matrix consisting of the inverse of each storage capacity; I b a t t is the column vector containing the output currents of the BESSs; T s 1 represents the period of control; λ denotes the diagonal matrix related to capacity retention rate of the BESSs. Thus:
S o C ( k + 1 ) = [ S o C 1 ( k + 1 )     S o C i ( k + 1 )     S o C n ( k + 1 ) ] T ;
S o C ( k ) = [ S o C 1 ( k )     S o C i ( k )     S o C n ( k ) ] T ;
I b a t t ( k ) = [ i b a t t . 1 ( k )     i b a t t . i ( k )     i b a t t . n ( k ) ] T ;
C ¯ batt max = diag 1 C b a t t . 1 max 1 C b a t t . 2 max     1 C b a t t . n max ;
λ = diag 1 λ 1   1 λ 2     1 λ n .
Based on Equation (20), the SoC information at the next moment can be predicted as:
S o C ( k + 1 ) = S o C ( k ) T s 1 λ C ¯ batt max I batt ( k ) .
Similar to the DMPC for voltage restoration, the proposed control strategy also establishes a finite control set i i S o C based on the secondary SoC adjustment term for the i-th controller. The dimension of i i S o C is consistent with the dimension of i i v .
Subsequently, the energy storage current control set b a t t . i S o C ( k ) for SoC management at the i-th node at t = k can be obtained as:
b a t t . i S o C ( k ) = i b a s i c . i ( k ) + i i S o C
where i i S o C denotes the control set, which consists of the secondary SoC adjustment terms, and the dimension of i i S o C is consistent with the dimension of the control set i i v .
If p-step prediction is adopted, the cost function of the i-th DMPC controller at t = k can be devised as:
min i i S o C ( k ) J o u t . i S o C ( k ) = L ( i ) X S o C
where L ( i ) indicates the i-th row of the Laplace matrix, and X S o C is the state matrix only containing SoC, X S o C = S o C 1 ( k ) S o C i 1 ( k )     S o C i ( k + p )     S o C i + 1 ( k ) S o C n ( k ) T . To prevent the output current from crossing the limit, the control set i i S o C is designated as:
i i S o C = i b a t t . i min 2 + Δ v b u s l i m i t 2 d i , i b a t t . i min 2 + Δ v b u s l i m i t 2 d i + Δ i i S o C , , i b a t t . i max 2 Δ v b u s l i m i t 2 d i
where Δ i i S o C is the interval of the SoC secondary control set for the i-th BESS.
Obviously, if the intervals of Δ i i v and Δ i i S o C are relatively small, the accuracy of the controller will be improved. However, the computational effort will increase, and the response speed will become slower. Therefore, it is necessary to compromise regarding the interval of the control set.

3.5. Inner-Loop Control

To achieve fast tracking of the energy storage output current to the reference current, MPC control is applied to the inner loop control.
In Figure 5, D and 1-D indicate the switching states of the switching tubes, which can be expressed as:
D = 1 ,         S 1   on   and   S 2   off   D = 0 ,         S 1   off   and   S 2   on .
Considering that ibatt is positive if the BESS is in a discharged state, the inductance voltage and inductance current are taken to correlate the reference direction. The operating modes of the DC–DC converter are presented in Figure 5, which are expressed as:
L i d i batt . i d t = D v b u s . i v batt . i         B u c k   Mode
L i d i batt . i d t = v b a t t . i D v b u s . i         B o o s t   Mode .
To simplify the expression, the state equations of the converter can be unified by Equation (26b). Then, the predicted output current of BESS, i.e., the predicted inductor current, can be expressed as:
i b a t t . i ( k + 1 ) = T s 2 × ( v b a t t . i ( k ) D v b u s . i ( k ) ) L i + i b a t t . i ( k )
where T s 2 indicates the control period.
When τ-step prediction is adopted, the MPC cost function of the i-th inner-loop controller at t = k can be devised as:
min D J i n . i i ( k ) = i b a t t . i * ( k ) i b a t t . i ( k + τ )
where i b a t t . i * ( k ) indicates the current reference value, calculated by the outer-loop control. i b a t t . i ( k + τ ) is the predicted current of BESS with the step size of τ.

3.6. The Average Bus Voltage Restoration Strategy

The previously proposed DMPC strategy directly controls the voltage at each node separately and restores the bus voltage at each node to near the nominal value, but the average voltage cannot be precisely recovered. In other words, the average bus voltage is different from the nominal value if the previously proposed DMPC strategy is applied. To keep the global voltages from going out of bounds, it is expected that the average bus voltage can be precisely controlled. Consequently, it is essential to present a controller with a no-steady-state error to achieve accurate average bus voltage restoration.
When the system is asymmetrical, there is energy flow between the nodes, and the existence of line impedance usually results in differences between the bus voltages. To obtain the average bus voltage, a first-order voltage observer is proposed in [30], and the discrete dynamic equation is derived as:
v a v . i ( k + 1 ) = v a v . i k + μ j = 1 N a i j v a v . j k v a v . i k + v b u s . i ( k ) v b u s . i ( k 1 )
where μ represents the weighting factor, which affects the speed of voltage observation.
To recover the average voltage precisely, it is only necessary to adjust the bus voltage at each node, based on the deviation between the observed value and the rated value. Therefore, an improved DMPC strategy can be proposed, and Equation (18) can be rewritten as:
min i i v ( k ) J ¯ o u t . i v ( k ) = ( v n o m + χ i ( k ) ) v b u s . i ( k + p )
where χ i ( k ) indicates the compensation term for the exact recovery of the average bus voltage.
The compensation term χ i ( k ) can be designated as:
χ i ( k ) = ( k p + k i s ) ( v n o m v a v g . i ( k + 1 ) )
where k p denotes the proportionality coefficient and k i denotes the integration coefficient.
Substituting Equation (31) into Equation (30), the cost function of the improved DMPC strategy for average voltage restoration can be obtained as:
min i i v ( k ) J ¯ o u t . i v ( k ) = ( v n o m + ( k p + k i s ) ( v n o m v a v g . i ( k + 1 ) ) ) v b u s . i ( k + p ) .
It is crucial to note that the power loss in the DC–DC converter is neglected in Equation (15), which does not affect the control accuracy of the proposed DMPC method. In terms of SoC balancing control, the balancing control rate of SoC is derived from Equation (20). From Figure 3, it can be observed that the current sampling point is located between the DC–DC converter and the energy storage port, ensuring accurate sampling unaffected by the power losses of the DC–DC converter. Additionally, due to the inner-loop MPC’s rolling optimization and feedback correction capabilities, even with the presence of power losses in the DC–DC converter, the actual current can still accurately and promptly track the current reference value under the feedback action of the inner-loop MPC. Therefore, under the proposed DMPC method, the power losses of the DC–DC converter do not affect the precision of SoC control.
In terms of bus voltage control, according to Equation (15), the power injected into the bus by the BESS is calculated based on the voltage and current at the storage port. Therefore, considering the power losses of the DC–DC converter, there indeed exists a discrepancy between the calculated and actual injected power into the bus by the BESS. However, it is important to note that the final design of the voltage control rate (Equation (32)) in this paper also accounts for average bus voltage restoration, whereby any control error due to power calculation inaccuracies is mitigated by the negative feedback of this control rate. In other words, if the DC–DC converter incurs power losses, the energy storage compensates by injecting additional power, ensuring precise restoration of the average bus voltage (with bus voltages at each node stabilizing near their rated values). Therefore, under the proposed DMPC method, the power losses of the DC–DC converter do not affect the ultimate precision of bus voltage control.
Equation (23) ignores the dynamics of the SoC of the BESSs at other nodes. Similarly, when p-step predictive control is used, the dynamics of the voltages at other nodes are neglected during iterative prediction. Although prediction errors are unavoidable, the prediction errors will not accumulate to the next moment, which will be effectively eliminated by the closed-loop characteristic of the DMPC strategy. Since the information from neighboring nodes is already considered in the cost function of the DMPC, the global control objective can be split into local objectives to ensure the convergence of each node’s state.

3.7. Stability Analysis

Stability analysis is conducted to ensure the feasibility of the presented DMPC strategy. For case (x, k) (i.e., for the state variable x when t = k), Equations (23) and (32) can be universally defined by [31]:
J ( x , k , u ) = p ( x k + N ) + i = k k + N 1 q ( x i , u i )
where u = u k , u k + 1 , , u k + N 1 . p ( x k + N ) denotes the terminal cost, and q ( x i , u i ) denotes the stage cost. p ( x k + N ) and q ( x i , u i ) can be expressed as:
p ( x k + N ) = x N T P x N
q ( x i , u i ) = x i T Q x i + u i T R u i
where P, Q, and R are positive definite matrices. Here, we adopt the following assumptions:
Assumption 1:
Stage cost is positive and definite, which is strictly positive and only zero at the origin.
Assumption 2:
Terminal set is invariant under the local control law  u ( x k ) :
x k + 1 = A x k + B u ( x k ) 𝒳 f ,   for   all   x k 𝒳 f .
All state and input constraints are satisfied in  𝒳 f :
𝒳 f 𝒳 , u ( x k ) 𝒰 ,   for   all   x k 𝒳 f
where 𝒰 is a convex, compact subset of R m and 𝒳 is a convex, closed subset of R n , with each set containing the origin in its interior.
Assumption 3:
Terminal cost is a continuous Lyapunov function in the terminal set  𝒳 f  and satisfies:
p ( x k + 1 ) p ( x k ) q ( x k , u ( x k ) ) ,   for   all   x k 𝒳 f
Based on Assumptions 1–3, the closed-loop system under the proposed DMPC control law is stable.
Proof. 
For event (x, k + 1), the cost can be defined by:
J ( x , k + 1 , u ) = i = k + 1 k + N q ( x i , u i ) + p ( x k + N + 1 ) = i = k k + N 1 q ( x i , u i ) + q ( x k + N , u k + N )     q ( x k , u k ) + p ( x k + N + 1 ) = i = k k + N 1 q ( x i , u i ) + p ( x k + N ) p ( x k + N )     + q ( x k + N , u k + N ) q ( x k , u k ) + p ( x k + N + 1 ) = J ( x , k , u ) p ( x k + N ) + q ( x k + N , u k + N )     q ( x k , u k ) + p ( x k + N + 1 )
According to Assumptions 1 and 3, we have:
p ( x k + N + 1 ) p ( x k + N ) q ( x k + N , u k + N ) .
Due to the exclusion of stage cost in the designated cost functions in Equations (23) and (32), we find:
q ( x i , u i ) = 0 .
By combining Equations (39)–(41), we find:
J ( x , k + 1 , u ) J ( x , k , u ) 0 .
Thus, the proposed DMPC strategy can make the shipboard DC microgrid stable. □

4. Case Study

Due to the complex operation of the shipboard under complex sea conditions, multiple scenarios, including load variation, light intensity change, the Plug-and-Play condition of DG, and BESS failure, were implemented to verify the effectiveness of the presented DMPC strategy. A shipboard DC microgrid consisting of four PV units, four BESSs, and four 18 kW local loads was developed in MATLAB/Simulink 2021a, as shown in Figure 6. The PV units operate in the MPPT state, and the power is maintained at 15 kW. The nodes are connected through RL lines, and the initial SoCs are set to 50%, 53%, 56%, and 59%, respectively. The initial rated capacities of the BESSs connected to node 1, node 2, node 3, and node 4 are 5 Ah, 4 Ah, 3 Ah, and 2 Ah, respectively. The major parameters of the shipboard DC microgrid are shown in Table 1. In addition, a shipboard DC microgrid hardware-in-the-loop (HIL) experimental platform based on RT-LAB was constructed to further validate the practicality of the proposed DMPC method, as shown in Figure 7.

4.1. Case 1: The Load and Light Intensity Variation

To validate the practicality of the proposed DMPC under sudden load changes and varying environmental conditions, load step change and light intensity variation were introduced based on the configuration shown in Figure 6.
Figure 8 illustrates the control performance of the proposed DMPC strategy. As shown in Figure 8, at t < 2 s, the primary controller regulates the bus voltages and SoCs of BESSs without secondary control. During this process, each bus voltage is maintained at 390.7 V, and the rates of SoC reductions are inversely proportional to the capacities of BESSs. The voltage offsets and SoC imbalance are created by droop characteristics and line impedance. At t > 2 s, the proposed DMPC secondary controller is activated. The bus voltages are regained near the nominal bus voltage, and the average voltage (the green line in Figure 8) is restored to 400 V accurately to within 0.2 s. The DMPC for SoC balance can result in deviations among bus voltages, making the power flow from BESSs with a higher SoC to BESSs with a lower SoC.
At t = 8 s, the SoCs reach the same value, and the bus voltages are restored to nearly 400 V. Before 15 s have elapsed, the load power at each node is 18 kW. At t = 15 s, the load power at node 3 increases to 34 kW, and the presented DMPC strategy can stabilize the voltage around the nominal value, as well as maintain SoC equalization. At t = 20 s, the load power at node 3 reduces to 18 kW, the bus voltages return to nearly 400 V gradually, and the SoCs remain consistent.
Next, the light intensity changes at node 2, and the output power of the second PV unit increases from 15 kW to 24 kW at t = 25 s, and reduces to 15 kW at t = 30 s. In the range of 25 s ≤ t ≤ 30 s, energy flows from node 2 to the other nodes and the voltage at node 2 is higher than the voltages at the other nodes, but they all remain at around the nominal value. Moreover, as shown in Figure 8d, after SoC balancing, the current distribution coefficients (Ibatt/Cbatt) remain highly consistent under the proposed DMPC method.
In addition, the HiL experimental results of the shipboard DC microgrid under step load and light intensity are shown in Figure 9. At t = 10 s, secondary control is activated, and the DC bus voltages recover to around 400 V, with the SoCs starting to balance at a constant rate. The load power at node 3 increases to 34 kW at t = 51 s and decreases to 18 kW at t = 65 s. The PV output at node 2 increases to 24 kW at t = 77 s and decreases to 15 kW at t = 92 s. From Figure 9c, it can be observed that the proposed DMPC strategy consistently maintains accurate current allocation during the load step and illumination intensity variations. Therefore, the results of experimental Case 1 demonstrate that the designed distributed DMPC method achieves DC bus voltage recovery and dynamic SoC balancing, and also ensures accurate energy storage current allocation under load transients and variable environmental conditions.

4.2. Case 2: Plug-and-Play

To evaluate the serviceability of the presented DMPC approach in the case of microgrid architecture change, a plug-and-play simulation model is developed in this section, the physical model and communication topology of which are depicted in Figure 10. Figure 11 shows the performance of the presented DMPC strategy under plug-and-play conditions. At t = 4 s, the node 4 plugs out of the microgrid. At t = 10 s, the node 4 is reconnected with the microgrid. The presented DMPC strategy can autonomously regulate the bus voltages to satisfy the overall voltage adjustment requirement and balance the SoCs among the surplus BESSs at the same time.
In addition, Figure 12 displays the HiL experimental results of the shipboard DC microgrid under plug-and-play scenarios. The experimental results indicate that the proposed DMPC ensured stable operation of the shipboard DC microgrid during node disconnection and reconnection. Therefore, both the simulation and experimental results confirm that the presented DMPC strategy satisfies the plug-and-play control requirement.

4.3. Case 3: BESS Failure and Disconnection

To verify the ability of the proposed DMPC strategy to handle BESS failures, this section simulates scenarios where the energy storage system is disconnected due to a failure, as shown in Figure 13. Furthermore, we will discuss two scenarios of energy storage unit failure, namely, during SoC balancing and after SoC equilibrium.
Figure 14a–d illustrates the control’s performance when BESS fails during SoC balancing. At t = 2 s, the proposed DMPC secondary controller is activated. At t = 5 s, the BESS at node 4 fails and is disconnected, but the PV unit remains operational. As shown in Figure 14a–d, when BESS fails during SoC balancing, the average bus voltage of the shipboard DC microgrid can quickly recover to the rated value. The SoCs of the failed BESS remain unchanged, while the SoC of the non-faulty BESSs can still converge and maintain consistency.
Figure 14e–h demonstrates the control performance when BESS fails after SoC equilibrium. At t = 2 s, the proposed DMPC secondary controller is activated. At t = 10 s, the BESS at node 4 fails and is disconnected, but the PV unit remains operational. As shown in Figure 14e–h, when BESS fails after SoC equilibrium, the bus voltages at each node can still remain near the rated values, and the average bus voltage can also stay stable at the rated value. The SoCs and current allocation coefficients of the non-faulty BESSs can still maintain consistency.
Additionally, Figure 15 presents the HiL experimental results for BESS dropout due to faults. In the experiment, secondary control was applied at t = 10 s. At t = 37 s, the BESS connected to node 4 dropped out, while the PV unit remained operational. After the BESS dropped out, the bus voltages could still be maintained around 400 V. The SoC of the faulty energy storage remained unchanged, while the SoC of the remaining BESSs could also be kept consistent.
Therefore, both the simulation and experimental results indicate that the proposed DMPC strategy effectively handles situations where the BESS drops out due to faults. Moreover, the strategy remains applicable, even as the configuration of the shipboard DC microgrid changes.

4.4. Case 4: Comparison with Existing Methods

In order to compare the proposed DMPC strategy with the traditional consensus control method and the classical DMPC method, a comparative simulation with a varied load is set up, as shown in Figure 6. Before 15 s, the load power at each node is 18 kW. At t = 15 s, the load power at node 3 increases to 34 kW and reduces to 18 kW at t = 20 s, as shown in Figure 16.
In terms of voltage restoration, when comparing Figure 16a,e,i, the voltage overshoot seen during secondary control initiation is less pronounced and the voltage trend exhibits more stable behavior if the proposed DMPC strategy is applied. However, under the classical DMPC method, significant voltage spikes occur, the voltage regulation time is longer, and the bus voltage is not sufficiently stable during the SoC balancing phase. Moreover, a more severe voltage overshoot is observed during the initiation of secondary control and the bus voltages exhibit an uneven convergence trend if the conventional method is adopted. Therefore, the voltage control performance of the presented DMPC strategy is superior.
In terms of SoC balance, when comparing Figure 16b,f,j, the presented DMPC strategy achieves SoC consistency at t = 8 s, while the traditional consistency control method achieves SoC consistency at t = 13 s. The classical DMPC method causes the intermediate SoCs to converge first at t = 6 s, but full convergence is not achieved until t = 10 s. The difference in convergence times leads to bus voltage fluctuations, making the overall trend less than ideal. In addition, the traditional consistency control method leads to a fast rate of SoC equalization in the early stage, but the rate of SoC equalization gradually becomes very slow in the later stage. Comparing Figure 16c,g,k, the too-fast equalization rate will lead to significant power impacts, thereby affecting operational safety. Conversely, the proposed DMPC method facilitates SoCs to achieve equilibrium at a relatively constant rate, avoids voltage fluctuations during the SoC balancing phase, reduces significant power impacts, and enhances the overall balancing speed.
Figure 16d,h,l illustrates the control performance with the different methods during load step changes. Under equivalent disturbances, the traditional consensus control strategy exhibits the longest adjustment time with the greatest overshoot. The classical DMPC strategy shows a moderate adjustment time with moderate overshoot. In contrast, the proposed DMPC method features the shortest adjustment time with the smallest overshoot, and the current allocation coefficients remain consistent during transient processes. Specific comparisons of control performance are shown in Table 2. Therefore, the presented DMPC strategy can facilitate faster current allocation speed and enhance the power support capability between neighboring nodes. This case further validates the rapidity and robustness of the presented DMPC strategy.

4.5. Case 5: Parameter Sensitivity Analysis

Variations in the control parameters significantly impact the dynamic performance of the proposed DMPC strategy, emphasizing the need to explore their effects on control effectiveness. This case study focuses primarily on the influence of the prediction horizon on the dynamic characteristics of the controller. The simulation process can be divided into the following four stages:
Stage 1 (0–2 s): All local loads are 18 kW, and only primary control is applied.
Stage 2 (2–15 s): All local loads are 18 kW, and secondary control is activated.
Stage 3 (15–20 s): The local load at node 3 increases to 34 kW.
Stage 4 (20–25 s): The local load at node 3 decreases to 18 kW.
The bus voltage, SoC, and current allocation coefficient are key indicators reflecting control effectiveness. The following will focus on analyzing bus voltage, SoC, and the current allocation coefficient under different prediction horizons to explore the system’s dynamic performance and stability, as shown in Figure 17.
From Figure 17(a3–c3), it can be seen that when p = 20, the SoCs balance at a constant rate, the bus voltages remain highly stable, the current allocation coefficients are consistent during a transient process, and the dynamic performance is excellent. From Figure 17(a2–c2), it can be seen that when p = 100, the SoCs balance at a constant rate, but the recovery speed of the bus voltages slows down as the SoCs approach consistency. There are differences in the current allocation coefficients during a transient process, and noticeable overshoots begin to appear. From Figure 17(a1–c1), it can be seen that when p = 1000, the SoC balancing time is extended, and the bus voltages are less stable during the SoC balancing phase. The differences in the current allocation coefficients during a transient process are more pronounced, resulting in more severe overshoots and significantly increased settling times.
From Figure 17(a4–c4), it can be seen that when p = 10, the SoCs balance at a fixed rate with shorter balancing times. There is a slight crossover of the SoCs in the final balancing stage before they reach consistency. This crossover causes brief dips in the bus voltages, leading to short-term dispersion of the current allocation coefficients. However, the current allocation coefficients remain consistent during a transient process, with minimal overshoots and good dynamic performance. From Figure 17(a5–c5), it can be seen that when p = 5, the SoCs experience more severe crossover in the later stages of balancing, leading to significant bus voltage fluctuations and greater differences in the current allocation coefficients. However, the dynamic performance during load step changes remains excellent.
In conclusion, larger prediction horizons slow down the SoC balancing speed in the later stage, extend balancing times, and degrade dynamic performance. Conversely, smaller prediction horizons enhance dynamic performance and improve response speed, but also cause SoC crossover in the later balancing stage, prolonging balancing time and resulting in bus voltage fluctuations. Therefore, this paper comprehensively considers the system’s dynamic performance and the stability of the SoC balancing process, selecting p = 20.

4.6. Case 6: Consideration of Converter Power Loss and Energy Storage Internal Resistance Variations

To evaluate the effect of DC–DC converter losses on the performance of our control strategy, further simulations and analysis are established. This includes incorporating realistic loss models into our simulations to provide a more comprehensive assessment of the system’s behavior under varying operating conditions, as shown in Figure 18.
As shown in Figure 18a–d, when the power losses of the DC–DC converter are not considered (DC–DC converter efficiency is nearly 100%), both the bus voltages and SoCs of BESSs can be accurately controlled. During the SoC balancing phase, the output power of the BESS connected to node 1 is 25.5 kW. When the power losses of the DC–DC converter are considered (with DC–DC converter efficiency dropping to a minimum of 64.5%), the output power of the BESS connected to node 1 during the SoC balancing phase is 28.5 kW. The negative feedback effect of the proposed DMPC strategy induces an increase in the output power of BESS, while still maintaining precise control of the bus voltage and balancing the SoC, as shown in Figure 18e–h. Therefore, the simulation results are consistent with the previous analysis, indicating that neglecting the power losses of the DC–DC converter does not affect the control accuracy of the proposed DMPC method.
Furthermore, to investigate the impact of battery internal resistance nonlinearity on the proposed DMPC method, the simulation under nonlinear resistance variations is conducted, as depicted in Figure 19. At t = 2 s, secondary control is activated, and at t = 20 s, the local load at node 2 increases to 34 kW. The variation curves of internal resistances are shown in Figure 19a. It can be observed that even with nonlinear changes in the battery internal resistances, the average bus voltage can still be precisely controlled at 400 V, and SoCs can be balanced at a relatively constant rate. From Figure 19e, it is evident that nonlinear internal resistance affects current distribution factors, yet the distribution factors among BESSs remain highly consistent. The simulation results demonstrate that the proposed DMPC method exhibits strong robustness and applicability under the scenario of nonlinear battery internal resistance variations.

5. Conclusions

This paper presents a DMPC strategy for SoC balance and bus voltage regulation in shipboard DC microgrids. Differently from traditional schemes, the proposed novel DMPC strategy utilizes energy storage current as the control set and directly acts on the current inner loop. The advantages of the proposed control method include optimizing the SoC balancing trend, effectively constraining energy storage currents and preventing surge currents. Moreover, the application of multiple cost functions avoids the complex process of adjusting weight parameters, thereby significantly simplifying the design of the controller. The simulation and HiL experimental results demonstrate that the proposed method can effectively maintain consistency in power allocation coefficients during transient disturbances. Therefore, the proposed DMPC method exhibits superior robustness and practicality, making it particularly suitable for complex and dynamic conditions in shipboard DC microgrids.
The weaknesses of the proposed DMPC strategy lie in the following aspects: the boundaries and intervals of the control set influence both control precision and computational efficiency, so the trade-off between precision and efficiency still requires further investigation; the proposed distributed secondary controller lacks consideration of communication delay, communication redundancy, and privacy protection, which are critical in ensuring timely and accurate control. Based on the above shortcomings, future research should include, but is not limited to, the following: variable control sets for energy storage currents should be designed that balance computational speed and control precision; the influence of communication delay on the dynamic performance and stability of the system should be considered; event trigger and privacy protection can be integrated into the controller design. In addition, the proposed method can be extended to consider temperature or humidity variations, to adapt to environmental changes during ship navigation.

Author Contributions

Conceptualization, C.B. and S.H.; methodology, S.H. and L.X.; software, C.B. and Y.Z.; validation, Q.W., R.S. and F.L.; formal analysis, L.W.; investigation, L.W.; resources, L.X.; data curation, Q.W.; writing—original draft preparation, C.B.; writing—review and editing, C.B. and S.H.; visualization, L.W. and F.L.; supervision, Y.Z.; project administration, S.H.; funding acquisition, L.X. All authors have read and agreed to the published version of the manuscript.

Funding

This work was supported by the Scientific Research Foundation of Hunan Provincial Education Department under Grant 23B0297; National Natural Science Foundation of China (No. 52377074, No. 52007015); Chongqing Municipal Technology Innovation and Application Development Special Key Project under Grant CSTB2023TIAD-KPX0088.

Data Availability Statement

Data are available upon request.

Conflicts of Interest

Author Fei Li was employed by the company State Grid Henan Electric Power Company. The remaining authors declare that the research was conducted in the absence of any commercial or financial relationships that could be construed as a potential conflict of interest.

References

  1. Hardan, F.; Tricoli, P. Optimisation and control of electric ship microgrids with short-term energy storage systems. IEEE Trans. Transp. Electrif. 2023; early access. [Google Scholar] [CrossRef]
  2. Huang, S.; Wang, J.; Huang, C.; Zhou, L.; Xiong, L.; Liu, J.; Li, P. A fixed-time fractional-order sliding mode control strategy for power quality enhancement of PMSG wind turbine. Int. J. Electr. Power Energy Syst. 2022, 134, 107354. [Google Scholar] [CrossRef]
  3. Cao, S.; Wei, F.; Wu, Y.; Lin, X.; Li, Z. Coordinated control for islanded DC microgrid based on derivative of bus voltage. IEEE Trans. Power Syst. 2024, 39, 628–642. [Google Scholar] [CrossRef]
  4. Zhong, J.; Li, Y.; Cao, Y.; Tan, Y.; Peng, Y.; Zhou, Y.; Nakanishi, Y.; Li, Z. Robust coordinated optimization with adaptive uncertainty set for a multi-energy microgrid. IEEE Trans. Sustain. Energy. 2023, 14, 111–124. [Google Scholar] [CrossRef]
  5. Huang, S.; Xiong, L.; Zhou, Y.; Gao, F.; Jia, Q.; Li, X.; Li, X.; Wang, Z.; Khan, M.W. Distributed predefined-time control for power system with time delay and input saturation. IEEE Trans. Power Syst. 2024; early access. [Google Scholar] [CrossRef]
  6. Zhong, J.; Li, Y.; Wu, Y.; Cao, Y.; Li, Z.; Peng, Y.; Qiao, X.; Xu, Y.; Yu, Q.; Yang, X.; et al. Optimal Operation of Energy Hub: An Integrated Model Combined Distributionally Robust Optimization Method with Stackelberg Game. IEEE Trans. Sustain. Energy 2023, 14, 1835–1848. [Google Scholar] [CrossRef]
  7. Xiong, L.; Huang, S.; Zhou, Y.; Li, P.; Wang, Z.; Khan, M.W.; Wang, J.; Niu, T.; Ma, M. Voltage and frequency regulation with WT-PV-BESS in remote weak grids via fixed-time containment control. IEEE Trans. Power Syst. 2023, 38, 2719–2735. [Google Scholar] [CrossRef]
  8. Hong, Y.; Xu, D.; Yang, W.; Jiang, B.; Yan, X. A novel multi-agent model-free control for state-of-charge balancing between distributed battery energy storage systems. IEEE Trans. Emerg. Topics Comput. Intell. 2021, 5, 679–688. [Google Scholar] [CrossRef]
  9. Zhang, R.; Hredzak, B. Distributed control system with aperiodic sampled time-delayed data for batteries and renewable energy sources in microgrid. IEEE Trans. Sustain. Energy 2020, 11, 1013–1022. [Google Scholar] [CrossRef]
  10. Huang, S.; Xiong, L.; Zhou, Y.; Liu, J.; Jia, Q.; Li, P.; Wang, J.; Yao, G. Distributed predefined-time secondary frequency and average voltage control for islanded AC microgrids. IEEE Trans. Power Syst. 2023, 38, 4191–4205. [Google Scholar] [CrossRef]
  11. Wang, Q.; Huang, S.; Xiong, L.; Zhou, Y.; Niu, T.; Gao, F.; Khan, M.W.; Wang, Z.; Ban, C.; Song, R. Distributed secondary control based on bi-limit homogeneity for AC microgrids subjected to non-uniform delays and actuator saturations. IEEE Trans. Power Syst. 2024; early access. [Google Scholar] [CrossRef]
  12. Huang, S.; Xiong, L.; Zhou, Y.; Gao, F.; Jia, Q.; Li, X.; Li, X.; Wang, Z.; Khan, M.W. Robust distributed fixed-time fault-tolerant control for shipboard microgrids with actuator fault. IEEE Trans. Transp. Electrif. 2024; early access. [Google Scholar] [CrossRef]
  13. Zhang, R.; Hredzak, B. Distributed finite-time multiagent control for DC microgrids with time delays. IEEE Trans. Smart Grid 2019, 10, 2692–2701. [Google Scholar] [CrossRef]
  14. Huang, B.; Zheng, S.; Wang, R.; Wang, H.; Xiao, J.; Wang, P. Distributed optimal control of DC microgrid considering balance of charge state. IEEE Trans. Energy Convers. 2022, 37, 2162–2174. [Google Scholar] [CrossRef]
  15. Zeng, Y.; Zhang, Q.; Liu, Y.; Guo, H.; Liu, S.; Zhang, F.; You, S.; Hu, Y.; Yu, H. Fixed-time secondary controller for rapid state-of-charge balancing and flexible bus voltage regulation in DC microgrids. IEEE Trans. Power Syst. 2024, 39, 5393–5407. [Google Scholar] [CrossRef]
  16. Su, J.; Li, K.; Li, Y.; Xing, C.; Yu, J. A novel state-of-charge-based droop control for battery energy storage systems to support coordinated operation of DC microgrids. IEEE J. Emerg. Sel. Top. Power Electron. 2023, 11, 312–324. [Google Scholar] [CrossRef]
  17. Ouoba, S.V.M.; Houari, A.; Machmoum, M. A resilient control for distributed energy storage units in an islanded AC microgrid. IEEE J. Emerg. Sel. Top. Power Electron. 2024, 12, 1446–1455. [Google Scholar] [CrossRef]
  18. Zeng, Y.; Zhang, Q.; Liu, Y.; Zhuang, X.; Lv, X.; Wang, H. An improved distributed secondary control strategy for battery storage system in DC shipboard microgrid. IEEE Trans. Ind. Appl. 2022, 58, 4062–4075. [Google Scholar] [CrossRef]
  19. Zeng, Y.; Zhang, Q.; Liu, Y.; Guo, H.; Zhang, F.; You, S. Distributed unified controller design for parallel battery storage system in DC shipboard microgrid. IEEE Trans. Power Syst. 2024, 39, 546–563. [Google Scholar] [CrossRef]
  20. Zheng, Z.; Chen, X.; Hu, W.; Wang, Y.; Zong, Y.; Huang, C.; Ni, F. Dual model predictive controlled hybrid energy storage system for naval DC microgrids. IEEE Trans. Transp. Electrif. 2023, 9, 156–168. [Google Scholar] [CrossRef]
  21. Yang, H.; Li, T.; Long, Y.; Chen, C.L.P.; Xiao, Y. Distributed virtual inertia implementation of multiple electric springs based on model predictive control in DC microgrids. IEEE Trans. Ind. Electron. 2022, 69, 13439–13450. [Google Scholar] [CrossRef]
  22. Akpolat, A.N.; Habibi, M.R.; Baghaee, H.R.; Dursun, E.; Kuzucuoğlu, A.E.; Yang, Y.; Dragičević, T.; Blaabjerg, F. Dynamic stabilization of DC microgrids using ANN-Based model predictive control. IEEE Trans. Energy Convers. 2022, 37, 999–1010. [Google Scholar] [CrossRef]
  23. Zhang, X.; Wang, B.; Gamage, D.; Ukil, A. Model predictive control based dynamic power loss prediction for hybrid energy storage system in DC microgrids. IEEE Trans. Ind. Electron. 2022, 69, 8080–8090. [Google Scholar]
  24. Pawitan, G.A.H.; Kim, J.-S. MPC-based power management of renewable generation using multi-ESS guaranteeing SoC constraints and balancing. IEEE Access 2020, 8, 12897–12906. [Google Scholar] [CrossRef]
  25. Chen, L.; Gao, F.; Shen, K.; Wang, Z.; Tarisciotti, L.; Wheeler, P.; Dragičević, T. Predictive control based DC microgrid stabilization with the dual active bridge converter. IEEE Trans. Ind. Electron. 2022, 67, 8944–8956. [Google Scholar] [CrossRef]
  26. Yang, Q.; Zhou, J.; Chen, X.; Wen, J. Distributed mpc-based secondary control for energy storage systems in a DC microgrid. IEEE Trans. Power Syst. 2021, 36, 5633–5644. [Google Scholar] [CrossRef]
  27. Zhang, X.; Fan, J.; Zou, Y.; Sun, W. Realizing accurate battery capacity estimation using 4 min 1C discharging data. Energy 2023, 282, 128744. [Google Scholar] [CrossRef]
  28. Fan, J.; Zhang, X.; Zou, Y.; He, J. Multi-timescale Feature Extraction from Multi-sensor Data using Deep Neural Network for Battery State-of-charge and State-of-health Co-estimation. IEEE Trans. Transp. Electrif. 2023; early access. [Google Scholar] [CrossRef]
  29. Morstyn, T.; Savkin, A.V.; Hredzak, B.; Agelidis, V.G. Multi-agent sliding mode control for state of charge balancing between battery energy storage systems distributed in a DC microgrid. IEEE Trans. Smart Grid 2018, 9, 4735–4743. [Google Scholar] [CrossRef]
  30. Zhu, M.; Martínez, S. Discrete-time dynamic average consensus. Automatica 2010, 46, 322–329. [Google Scholar] [CrossRef]
  31. Mayne, D.Q.; Rawlings, J.B.; Rao, C.V.; Scokaert, P.O.M. Constrained model predictive control: Stability and optimality. Automatica 2001, 37, 483. [Google Scholar] [CrossRef]
Figure 1. Cyber-physical architecture of the shipboard DC microgrid.
Figure 1. Cyber-physical architecture of the shipboard DC microgrid.
Electronics 13 02880 g001
Figure 2. Topology for bus voltage derivative analysis.
Figure 2. Topology for bus voltage derivative analysis.
Electronics 13 02880 g002
Figure 3. The proposed DMPC control architecture.
Figure 3. The proposed DMPC control architecture.
Electronics 13 02880 g003
Figure 4. Voltage droop characteristics with secondary control.
Figure 4. Voltage droop characteristics with secondary control.
Electronics 13 02880 g004
Figure 5. The operating modes of the bidirectional DC–DC converter.
Figure 5. The operating modes of the bidirectional DC–DC converter.
Electronics 13 02880 g005
Figure 6. Cyber-physical model of the shipboard DC microgrid for simulation verification.
Figure 6. Cyber-physical model of the shipboard DC microgrid for simulation verification.
Electronics 13 02880 g006
Figure 7. Configuration of the experimental setup.
Figure 7. Configuration of the experimental setup.
Electronics 13 02880 g007
Figure 8. Performance under a step load and light intensity: (a) bus voltage; (b) SoC; (c) output power of BESSs; (d) current distribution coefficient.
Figure 8. Performance under a step load and light intensity: (a) bus voltage; (b) SoC; (c) output power of BESSs; (d) current distribution coefficient.
Electronics 13 02880 g008
Figure 9. Experimental results of Case 1: (a) bus voltage; (b) SoC; (c) current distribution coeffcient.
Figure 9. Experimental results of Case 1: (a) bus voltage; (b) SoC; (c) current distribution coeffcient.
Electronics 13 02880 g009
Figure 10. The physical model and communication topology for Case 2: (a) physical model; (b) communication topology. (The red cross indicates a disconnection).
Figure 10. The physical model and communication topology for Case 2: (a) physical model; (b) communication topology. (The red cross indicates a disconnection).
Electronics 13 02880 g010
Figure 11. Control performance of the presented DMPC strategy under plug-and-play scenarios: (a) bus voltage; (b) SoC; (c) output power of BESSs; (d) current distribution coefficient.
Figure 11. Control performance of the presented DMPC strategy under plug-and-play scenarios: (a) bus voltage; (b) SoC; (c) output power of BESSs; (d) current distribution coefficient.
Electronics 13 02880 g011
Figure 12. Experimental results for Case 2: (a) bus voltage; (b) SoC; (c) current distribution coefficient.
Figure 12. Experimental results for Case 2: (a) bus voltage; (b) SoC; (c) current distribution coefficient.
Electronics 13 02880 g012
Figure 13. The physical model and communication topology for Case 3: (a) physical model; (b) communication topology. (The red cross indicates a disconnection).
Figure 13. The physical model and communication topology for Case 3: (a) physical model; (b) communication topology. (The red cross indicates a disconnection).
Electronics 13 02880 g013
Figure 14. Control performance of the presented DMPC strategy under BESS failure and disconnection: (ad) BESS fails during SoC balancing; (eh) BESS fails after SoC equilibrium.
Figure 14. Control performance of the presented DMPC strategy under BESS failure and disconnection: (ad) BESS fails during SoC balancing; (eh) BESS fails after SoC equilibrium.
Electronics 13 02880 g014
Figure 15. Experimental results for Case 3: (a) bus voltage; (b) SoC; (c) current distribution coefficient.
Figure 15. Experimental results for Case 3: (a) bus voltage; (b) SoC; (c) current distribution coefficient.
Electronics 13 02880 g015
Figure 16. Performance comparison between the proposed DMPC strategy and existing methods: (ad) the traditional consistency control method; (eh) the classical DMPC strategy; (il) the proposed DMPC strategy.
Figure 16. Performance comparison between the proposed DMPC strategy and existing methods: (ad) the traditional consistency control method; (eh) the classical DMPC strategy; (il) the proposed DMPC strategy.
Electronics 13 02880 g016
Figure 17. Control performance under different prediction horizons: (a1c1) p = 1000; (a2c2) p = 100; (a3c3) p = 20; (a4c4) p = 10; (a5c5) p = 5.
Figure 17. Control performance under different prediction horizons: (a1c1) p = 1000; (a2c2) p = 100; (a3c3) p = 20; (a4c4) p = 10; (a5c5) p = 5.
Electronics 13 02880 g017
Figure 18. Control performance without consideration of DC–DC converter power loss and with consideration of DC–DC converter power loss: (ad) without consideration of DC–DC converter power loss; (eh) with consideration of DC–DC converter power loss.
Figure 18. Control performance without consideration of DC–DC converter power loss and with consideration of DC–DC converter power loss: (ad) without consideration of DC–DC converter power loss; (eh) with consideration of DC–DC converter power loss.
Electronics 13 02880 g018
Figure 19. Control performance, considering the nonlinear variation of battery internal resistance: (a) internal resistance; (b) bus voltage; (c) SoC; (d) output power of BESSs; (e) current distribution coefficient.
Figure 19. Control performance, considering the nonlinear variation of battery internal resistance: (a) internal resistance; (b) bus voltage; (c) SoC; (d) output power of BESSs; (e) current distribution coefficient.
Electronics 13 02880 g019
Table 1. The major parameters of the shipboard DC microgrid.
Table 1. The major parameters of the shipboard DC microgrid.
SymbolParameterValue
v nom Nominal bus voltage400 V
v batt Battery rated voltage200 V
d i Droop coefficient1/1/1/1
r ij Line impedance0.06/0.05/0.04 Ω
P pv . i PV rated power15 kW
R load . i Local load18 kW
L i Converter inductance10 mH
C batt . i max Initial rated capacity5/4/3/2 Ah
λiCapacity retention rate0.98/0.99/0.96/0.98
k p Proportionality coefficient20
k i Integral coefficient200
T s 1 Outer-loop control period500 μs
T s 2 Inner-loop control period50 μs
p DMPC predicted step size20
τInner-loop predicted step size3
Table 2. The performance comparison results between the proposed DMPC strategy and existing methods.
Table 2. The performance comparison results between the proposed DMPC strategy and existing methods.
Traditional Consistency
Control Method
Classical DMPC MethodThe Proposed DMPC Method
SoC equilibrium time13 s10 s8 s
Setting time1.5 s0.8 s0.4 s
Overshoot53.7%50.2%6.1%
Disclaimer/Publisher’s Note: The statements, opinions and data contained in all publications are solely those of the individual author(s) and contributor(s) and not of MDPI and/or the editor(s). MDPI and/or the editor(s) disclaim responsibility for any injury to people or property resulting from any ideas, methods, instructions or products referred to in the content.

Share and Cite

MDPI and ACS Style

Ban, C.; Huang, S.; Xiong, L.; Zhou, Y.; Wang, Q.; Song, R.; Wang, L.; Li, F. Distributed Model Predictive Control Based on Bus Voltage Derivative and SoC Dynamic Model for Shipboard DC Microgrids. Electronics 2024, 13, 2880. https://doi.org/10.3390/electronics13142880

AMA Style

Ban C, Huang S, Xiong L, Zhou Y, Wang Q, Song R, Wang L, Li F. Distributed Model Predictive Control Based on Bus Voltage Derivative and SoC Dynamic Model for Shipboard DC Microgrids. Electronics. 2024; 13(14):2880. https://doi.org/10.3390/electronics13142880

Chicago/Turabian Style

Ban, Changyu, Sunhua Huang, Linyun Xiong, Yang Zhou, Qingde Wang, Ruikai Song, Luwei Wang, and Fei Li. 2024. "Distributed Model Predictive Control Based on Bus Voltage Derivative and SoC Dynamic Model for Shipboard DC Microgrids" Electronics 13, no. 14: 2880. https://doi.org/10.3390/electronics13142880

APA Style

Ban, C., Huang, S., Xiong, L., Zhou, Y., Wang, Q., Song, R., Wang, L., & Li, F. (2024). Distributed Model Predictive Control Based on Bus Voltage Derivative and SoC Dynamic Model for Shipboard DC Microgrids. Electronics, 13(14), 2880. https://doi.org/10.3390/electronics13142880

Note that from the first issue of 2016, this journal uses article numbers instead of page numbers. See further details here.

Article Metrics

Back to TopTop