Research on Boost-Type Cascaded H-Bridge Inverter and Its Power Control in Photovoltaic Power Generation System
Abstract
1. Introduction
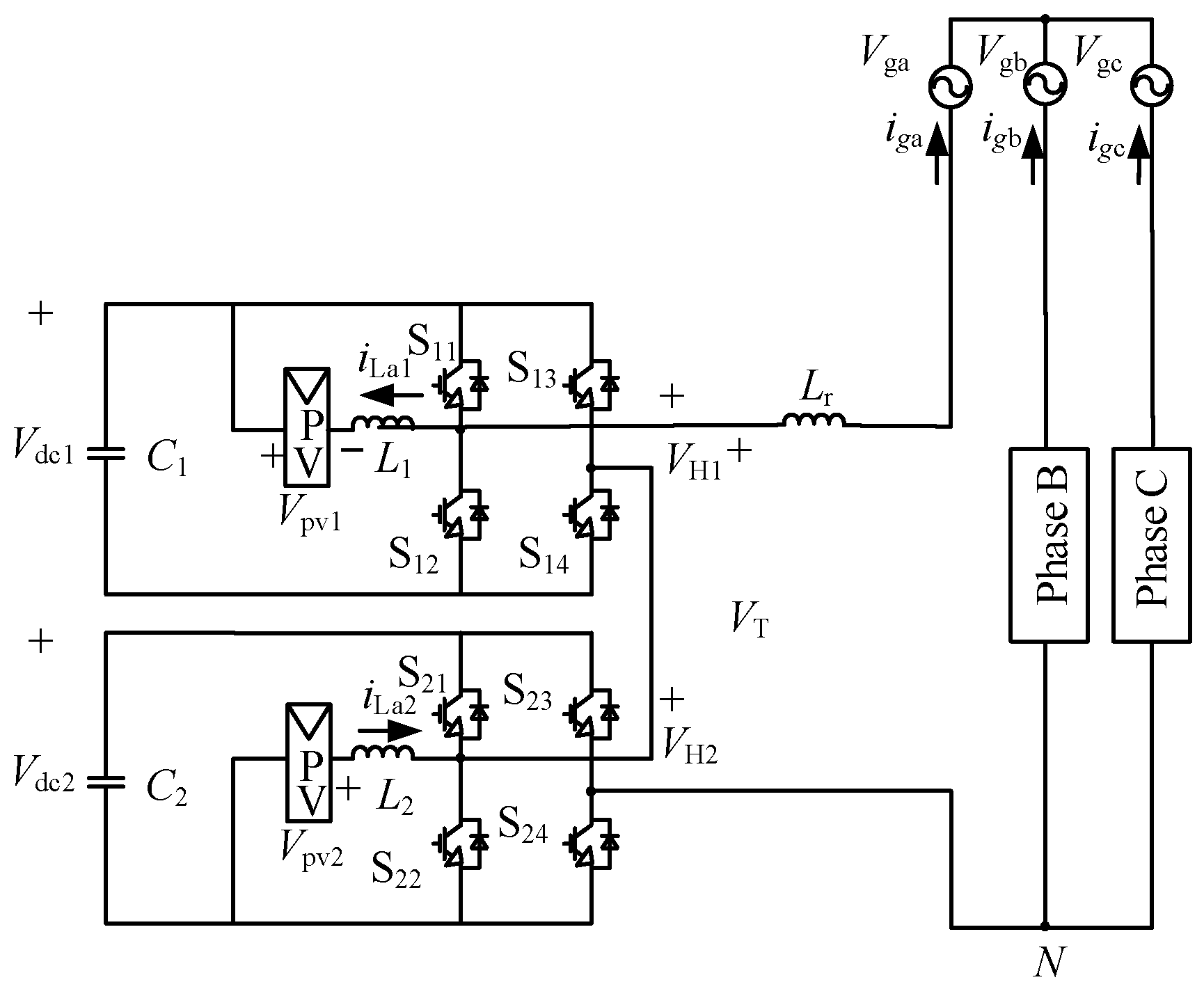
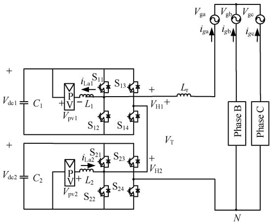
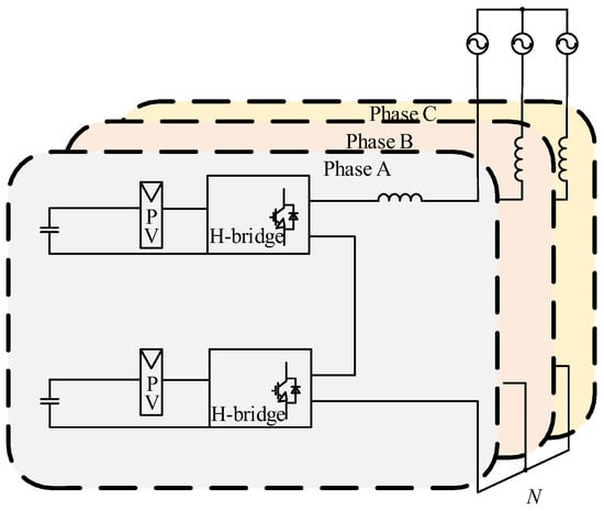
2. Topology and Operating Principle
3. Control Strategy
3.1. System-Wide Control Strategy
3.2. Power Imbalance Control
4. Simulation and Experimental Verification
5. Conclusions
- The system can enhance the input voltage by adding a minimal number of devices, thereby fulfilling the requirements of the power grid and ultimately enhancing the efficiency of the inverter.
- When variations in the photovoltaic environment result in changes in the photovoltaic power generation, the designed control strategy enables the system to operate normally in the presence of interphase power imbalances and slight fluctuations in grid voltage.
Author Contributions
Funding
Data Availability Statement
Conflicts of Interest
References
- Zou, C.; Xiong, B.; Xue, H.; Zheng, D.; Ge, Z.; Wang, Y.; Jiang, L.; Pan, S.; Wu, S. The role of new energy in carbon neutral. Pet. Explor. Dev. 2021, 48, 480–491. [Google Scholar] [CrossRef]
- Parra-Domínguez, J.; Sánchez, E.; Ordóñez, A. The Prosumer: A Systematic Review of the New Paradigm in Energy and Sustainable Development. Sustainability 2023, 15, 10552. [Google Scholar] [CrossRef]
- Xiang, X.; Wang, W. Economic level, environmental regulation, and new energy industry development. Environ. Sci. Pollut. Res. 2024, 31, 22814–22829. [Google Scholar] [CrossRef] [PubMed]
- Liu, B.; Chang, H.; Li, Y.; Zhao, Y. Analysis of influencing factors of industrial green and low-carbon transformation under the background of “double carbon”: Evidence from Sichuan province, China. Front. Environ. Sci. 2023, 11, 1257855. [Google Scholar] [CrossRef]
- Leon, J.I.; Kouro, S.; Franquelo, L.G.; Rodriguez, J.; Wu, B. The Essential Role and the Continuous Evolution of Modulation Techniques for Voltage-Source Inverters in the Past, Present, and Future Power Electronics. IEEE Trans. Ind. Electron. 2016, 63, 2688–2701. [Google Scholar] [CrossRef]
- Garnayak, R.; Kapat, S.; Chakraborty, C. Constant On/Off-Time Digital Current Control and Design Methods in Three-Level Flying-Capacitor Boost Converters for Fast Transient and Voltage Balancing. IEEE Trans. Power Electron. 2024, 39, 2980–2990. [Google Scholar] [CrossRef]
- Malle, L.; Mittal, A.; Kumar, S. OSG-PLL-based method of a solar PV grid-interfaced transformer-less cascaded H-bridge multilevel inverter for power quality enhancement. Electr. Eng. 2024, 1–16. [Google Scholar] [CrossRef]
- Goetz, S.M.; Wang, C.; Li, Z.; Murphy, D.L.K.; Peterchev, A.V. Concept of a distributed photovoltaic multilevel inverter with cascaded double H-bridge topology. Int. J. Electr. Power Energy Syst. 2019, 110, 667–678. [Google Scholar] [CrossRef]
- Baek, J.-Y.; Lee, K.-B. Model Predictive Current Control Strategy for Improved Dynamic Response in Cascaded H-Bridge Multilevel Inverters. J. Electr. Eng. Technol. 2024, 19, 1395–1405. [Google Scholar] [CrossRef]
- Wang, M.; Zhang, X.; Wu, M.; Guo, Z.; Wang, P.; Li, F. A Control Strategy for Achieving the Whole Operation Range Power Matching of Single-Phase Cascaded H-Bridge PV Inverter. IEEE Trans. Ind. Electron. 2023, 70, 5896–5906. [Google Scholar] [CrossRef]
- Lewicki, A.; Odeh, C.; Morawiec, M. Space Vector Pulsewidth Modulation Strategy for Multilevel Cascaded H-Bridge Inverter With DC-Link Voltage Balancing Ability. IEEE Trans. Ind. Electron. 2023, 70, 1161–1170. [Google Scholar] [CrossRef]
- Hua, Q.; Wang, Y.; Dong, Z.; Li, W. A Power Adaptive Control Strategy of Cascaded H-bridge Photovoltaic Inverter. Power Electron. 2022, 56, 70–73. [Google Scholar]
- Wang, M.; Zhang, X.; Zhao, T.; Zhuang, F.; Wang, F.; Qian, N.; Yang, S. Module Power Balance Control Strategy for Three-Phase Cascaded H-Bridge PV Inverter Under Unbalanced Grid Voltage Condition. IEEE J. Emerg. Sel. Top. Power Electron. 2021, 9, 5657–5671. [Google Scholar] [CrossRef]
- Tanguturi, J.; Keerthipati, S. Power Balancing Strategy for Cascaded H-Bridge Inverter in a Grid-Connected Photovoltaic System Under Asymmetrical Operating Conditions. IEEE Trans. Ind. Electron. 2024, 71, 5853–5862. [Google Scholar] [CrossRef]
- Liu, Y.; Ge, B.; Abu-Rub, H.; Peng, F.Z. An Effective Control Method for Quasi-Z-Source Cascade Multilevel Inverter-Based Grid-Tie Single-Phase Photovoltaic Power System. IEEE Trans. Ind. Inf. 2014, 10, 399–407. [Google Scholar] [CrossRef]
- Li, X.; Qin, C.; Chu, Z. Novel Space Vector Modulation Method for the Quasi-Z-Source Asymmetrical Three-Level Inverter. IEEE Trans. Circuits Syst. II Express Briefs 2024, 71, 281–285. [Google Scholar] [CrossRef]
- Charan, N.H.; Bandyopadhyay, A.; Guerrero, J.M. Performance Evaluation of Single-Phase Boost-Type Cascaded H-Bridge Inverter in the Applications of Grid-Tied Photovoltaic Systems. IEEE J. Emerg. Sel. Top. Power Electron. 2024, 12, 1416–1426. [Google Scholar] [CrossRef]
- Ge, B.; Liu, Y.; Abu-Rub, H.; Peng, F.Z. State-of-Charge Balancing Control for a Battery-Energy-Stored Quasi-Z-Source Cascaded-Multilevel-Inverter-Based Photovoltaic Power System. IEEE Trans. Ind. Electron. 2018, 65, 2268–2279. [Google Scholar] [CrossRef]
- Eroglu, F.; Kurtoglu, M.; Eren, A.; Vural, A.M. A novel adaptive state-of-charge balancing control scheme for cascaded H-bridge multilevel converter based battery storage systems. ISA Trans. 2023, 135, 339–354. [Google Scholar] [CrossRef] [PubMed]
- Sun, X.; Liu, X.; Teng, J.; Zhang, Y.; Zhao, W.; Li, X. Power balance strategy of cascaded h-bridge photovoltaic inverter based on hybrid configuration of photovoltaic and energy storage. Proc. Chin. Soc. Electr. Eng. 2024, 44, 1948–1961. [Google Scholar] [CrossRef]
- Qi, W.; Li, Y.; Fang, F.; Ding, L. Research on VSG grid-controlled strategy based on energy-storaged quasi-Z-source inverter. Power Syst. Prot. Control 2019, 47, 124–133. [Google Scholar]
- Zhen, Y.; Hou, Y.; Sha, C.; Han, B. Application of Proportional Repetitive Controller in Active Power Filter. Power Electron. 2020, 54, 99–102. [Google Scholar]
- Mao, W.; Zhang, X.; Zhao, T.; Hu, Y.; Wang, F.; Dai, Z.; Cao, R. Research on Power Equalization of Three-Phase Cascaded H-Bridge Photovoltaic Inverter Based on the Combination of Hybrid Modulation Strategy and Zero-Sequence Injection Methods. IEEE Trans. Ind. Electron. 2020, 67, 9337–9347. [Google Scholar] [CrossRef]
- Zhang, X.; Wu, M.; Wang, M.; Wang, P.; Fu, X.; Zhao, T. Review on Leakage Current Suppression and Power Balance Control of Single-phase Photovoltaic Cascaded Multilevel Inverter. Autom. Electr. Power Syst. 2023, 47, 202–215. [Google Scholar]
- Zhang, P.; Wu, X.; Li, B.; Ding, L.; Long, J.; Zhang, W.; Li, Y. A Zero-Sequence Component Injection PWM Scheme for Three-Level Neutral Point Clamped Rectifiers With Unbalanced DC-Link Voltages. IEEE Trans. Ind. Electron. 2024, 71, 5420–5430. [Google Scholar] [CrossRef]
- Yu, Y.; Konstantinou, G.; Townsend, C.D.; Agelidis, V.G. Comparison of zero-sequence injection methods in cascaded H-bridge multilevel converters for large-scale photovoltaic integration. IET Renew. Power Gener. 2017, 11, 603–613. [Google Scholar] [CrossRef]














| Type | Number of Switch | Number of Diode | Number of Inductor | Number of Capacitor | Structure | Control Strategy |
|---|---|---|---|---|---|---|
| Proposed topology | 4 | 4 | 1 | 1 | Simplified | Simplified |
| Quasi-Z-Source CHB | 4 | 5 | 2 | 2 | The structure is complex and the design is difficult | The coordinated control of quasi-Z source network and CHB needs to be considered |
| Isolated DC–DC converter | 8 | 9 | 1 | 1 | Many devices and isolating transformers are required; the cost is high | Simplified |
| CHB with energy storage battery | 4 | 5 | 1 | 1 | An additional storage battery is required | Complex, need to consider the control of energy storage battery |
| Parameters | Name | Value |
|---|---|---|
| Grid voltage | Ug | 220 V |
| DC side voltage | Udc | 480 V |
| Frequency | fs | 50 Hz |
| Switching frequency | f | 10 kHz |
| Energy storage inductance | L1 | 1.5 mH |
| DC capacitance | C | 800 mF |
| Photovoltaic voltage | VPV | 120 V |
Disclaimer/Publisher’s Note: The statements, opinions and data contained in all publications are solely those of the individual author(s) and contributor(s) and not of MDPI and/or the editor(s). MDPI and/or the editor(s) disclaim responsibility for any injury to people or property resulting from any ideas, methods, instructions or products referred to in the content. |
© 2024 by the authors. Licensee MDPI, Basel, Switzerland. This article is an open access article distributed under the terms and conditions of the Creative Commons Attribution (CC BY) license (https://creativecommons.org/licenses/by/4.0/).
Share and Cite
Kang, J.; Yu, M.; Sun, B.; Xiao, Y.; Liu, B. Research on Boost-Type Cascaded H-Bridge Inverter and Its Power Control in Photovoltaic Power Generation System. Electronics 2024, 13, 2819. https://doi.org/10.3390/electronics13142819
Kang J, Yu M, Sun B, Xiao Y, Liu B. Research on Boost-Type Cascaded H-Bridge Inverter and Its Power Control in Photovoltaic Power Generation System. Electronics. 2024; 13(14):2819. https://doi.org/10.3390/electronics13142819
Chicago/Turabian StyleKang, Jiayu, Miao Yu, Boyang Sun, Yongchao Xiao, and Baoquan Liu. 2024. "Research on Boost-Type Cascaded H-Bridge Inverter and Its Power Control in Photovoltaic Power Generation System" Electronics 13, no. 14: 2819. https://doi.org/10.3390/electronics13142819
APA StyleKang, J., Yu, M., Sun, B., Xiao, Y., & Liu, B. (2024). Research on Boost-Type Cascaded H-Bridge Inverter and Its Power Control in Photovoltaic Power Generation System. Electronics, 13(14), 2819. https://doi.org/10.3390/electronics13142819
