Modeling and Suppression of Conducted Interference in Flyback Power Supplies Based on GaN Devices
Abstract
1. Introduction
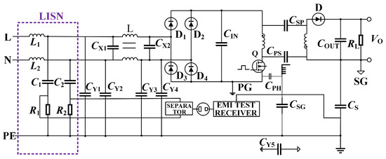
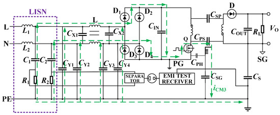
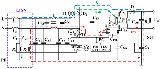
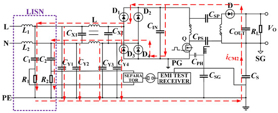
2. Transmission Mechanisms of Conducted Common-Mode Noise
3. Conducted Common-Mode Noise Improvement Measures
3.1. Compensation Capacitors Improve Noise Effects
3.2. Balanced Winding Improves Noise Impact
3.3. Transformer Structure Improves Noise Impact
3.3.1. Transformer Distributed Capacitance Modeling
3.3.2. Shielding Winding Design for Flyback Transformers
3.3.3. Determination of Optimum Number of Turns for Shielding Winding
4. Discussion
5. Conclusions
Author Contributions
Funding
Data Availability Statement
Conflicts of Interest
References
- Kozak, J.P.; Barchowsky, A.; Hontz, M.R.; Koganti, N.B.; Stanchina, W.E.; Reed, G.F.; Mao, Z.H.; Khanna, R. An analytical model for predicting turn-ON overshoot in normally-OFF GaN HEMTs. IEEE J. Emerg. Sel. Top. Power Electron. 2020, 8, 99–110. [Google Scholar] [CrossRef]
- Li, F.; Wang, R.; Huang, H.; Ren, Y.; Liang, Z.; Ren, G.; Tao, P.; Sun, Z.; Sun, N.; Zhao, C.; et al. Temperature-dependent hot electron effects and degradation mechanisms in 650-V GaN-based MIS-HEMT power devices under hard switching operations. IEEE J. Emerg. Sel. Top. Power Electron. 2021, 9, 6424–6431. [Google Scholar] [CrossRef]
- Collings, W.; Nelson, T.; Sellers, A.; Khanna, R.; Courtay, A.; Jimenez, S.; Lemmon, A. Optimization algorithms for dynamic tuning of wide bandgap semiconductor device models. In Proceedings of the 2021 IEEE Applied Power Electronics Conference and Exposition (APEC), Phoenix, AZ, USA, 14–17 June 2021; pp. 2427–2433. [Google Scholar]
- Sun, J.; Li, J.; Costinett, D.J.; Tolbert, L.M. A GaN-based CRM totem-pole PFC converter with fast dynamic response and noise immunity for a multi-receiver WPT system. In Proceedings of the IEEE Energy Conversion Congress and Exposition, Detroit, MI, USA, 11–15 October 2020; pp. 2555–2562. [Google Scholar]
- Yao, J.; Li, Y.; Wang, S.; Huang, X.; Lyu, X. Modeling and reduction of radiated EMI in a GaN IC-based active clamp flyback adapter. IEEE Trans. Power Electron. 2021, 36, 5440–5449. [Google Scholar] [CrossRef]
- Zhuolin, D.; Dong, Z.; Tao, F. Modeling and Prediction of Electromagnetic Interference in SiC Motor Drive Systems. Trans. China Electrotech. Soc. 2020, 35, 4726–4738. [Google Scholar]
- Fei, C.; Yang, Y.; Li, Q.; Lee, F.C. Shielding technique for planar matrix transformers to suppress common-mode EMI noise and improve efficiency. IEEE Trans. Ind. Electron. 2018, 65, 1263–1272. [Google Scholar] [CrossRef]
- Huang, X.; Feng, J.; Lee, F.C.; Li, Q.; Yang, Y. Conducted EMI analysis and filter design for MHz active clamp flyback front-end converter. In Proceedings of the 2016 IEEE Applied Power Electronics Conference and Exposition, Long Beach, CA, USA, 20–24 March 2016; pp. 1534–1540. [Google Scholar]
- Fu, K.; Chen, W. Evaluation Method of Flyback Converter Behaviors on Common-Mode Noise. IEEE Access 2019, 7, 28019–28030. [Google Scholar] [CrossRef]
- Li, Y.; Wang, S.; Sheng, H.; Lakshmikanthan, S. Investigate and Reduce Capacitive Couplings in a Flyback Adapter With a DC-Bus Filter to Reduce EMI. IEEE Trans. Power Electron. 2020, 35, 6963–6973. [Google Scholar] [CrossRef]
- Bai, Y.; Yang, X.; Li, X.; Zhang, D.; Chen, W. A novel balanced winding topology to mitigate EMI without the need fora Y-capacitor. In Proceedings of the 2016 IEEE Applied Power Electronics Conference and Exposition(APEC), Long Beach, CA, USA, 20–24 March 2016; pp. 3623–3628. [Google Scholar]
- Hsieh, H.; Shih, S. Effects of transformer structures on the noise balancing and cancellation mechanisms of switching power converters. In Proceedings of the 2014 International Power Electronics Conference (IPEC-Hiroshima 2014—ECCE ASIA), Hiroshima, Japan, 18–21 May 2014; pp. 2380–2384. [Google Scholar]
- Hsieh, H.I.; Shih, S.F.; Wang, H.; Liao, Y.H. Novel techniques to reduce common-mode (CM) and mix-mode (MM) EMI noise emissions based on noise balance and cancellation. In Proceedings of the 2016 IEEE International Conference on Power and Energy (PECon), Melaka, Malaysia, 28–29 November 2016; pp. 145–149. [Google Scholar]
- Pahlevaninezhad, M.; Hamza, D.; Servansing, A.; Bakhshai, A.; Jain, P. An integrated EMI suppression Y-caps applicable to high frequency planar transformers in high power DC-DC converters used for electric vehicle. In Proceedings of the IECON 2012—38th Annual Conference on IEEE Industrial Electronics Society, Montreal, QC, USA, 25–28 October 2012; pp. 4246–4251. [Google Scholar]
- Chen, H.; Xiao, J. Determination of Transformer Shielding Foil Structure for Suppressing Common-Mode Noise in Flyback Converters. IEEE Trans. Magn. 2016, 52, 1–9. [Google Scholar] [CrossRef]
- Li, Y.; Zhang, H.; Wang, S.; Sheng, H.; Chng, C.P.; Lakshmikanthan, S. Investigating Switching Transformers for Common Mode EMI Reduction to Remove Common Mode EMI Filters and Y-Capacitors in Flyback Converters. IEEE J. Emerg. Sel. Top. Power Electron. 2018, 6, 2287–2301. [Google Scholar] [CrossRef]
- Fu, K.; Chen, W.; Lin, S. A General Transformer Evaluation Method for Common-Mode Noise Behavior. Energies 2019, 12, 1984. [Google Scholar] [CrossRef]
- Guangdong, D.; Fanghua, Z. Research on Common Mode Conducted Noise Cancellation Method in Flyback Converter With Noise Balance Principle. Proc. CSEE 2019, 39, 3320–3327. [Google Scholar]
- Liu, Y.; Dong, G.; Zhang, F. Common Mode Noise Suppression in Flyback Converters. Trans. China Electrotech. Soc. 2019, 34, 4795–4803. [Google Scholar]
- Chan, Y.P.; Pong BM, H.; Poon, N.K.; Liu, J.C.P. Common-mode noise cancellation in switching-mode power supplies using an equipotential transformer modeling technique. IEEE Trans. Electromagn. Compat. 2012, 54, 594–602. [Google Scholar] [CrossRef]
- Xie, L.; Ruan, X.; Ye, Z. Equivalent noise source: An effective method for analyzing common-mode noise in isolated power converters. IEEE Trans. Ind. Electron. 2016, 63, 2913–2924. [Google Scholar] [CrossRef]
- Bai, Y.; Chen, W.; He, R.; Zhang, D.; Yang, X. EMI noise cancelation by optimizing transformer design without need for the traditional Y-capacitor. In Proceedings of the IEEE Applied Power Electronics Conference and Exposition, Long Beach, CA, USA, 20–24 March 2016; pp. 766–771. [Google Scholar]
- Kong, P.; Lee, F.C. Transformer structure and its effects on common mode EMI noise in isolated power converters. In Proceedings of the IEEE Applied Power Electronics Conference and Exposition, Palm Springs, CA, USA, 21–25 February 2010; pp. 1424–1429. [Google Scholar]
- Kang, B.G.; Chung, S.K.; Won, J.S.; Kim, H.S. EMI reduction technique of flyback converter based on capacitance model of transformer with wire shiel. In Proceedings of the 2015 9th International Conference on Power Electronics and ECCE Asia (ICPE-ECCE Asia), Seoul, Republic of Korea, 1–5 June 2015; pp. 163–169. [Google Scholar]
- Biela, J.; Kolar, J.W. Using Transformer Parasitics for Resonant Converters—A Review of the Calculation of the Stray Capacitance of Transformers. IEEE Trans. Ind. Appl. 2008, 44, 223–233. [Google Scholar] [CrossRef]
- Chen, H.; Zheng, Z.; Xiao, J. Determining the Number of Transformer Shielding Winding Turns for Suppressing Common-Mode Noise in Flyback Converters. IEEE Trans. Electromagn. Compat. 2018, 60, 1606–1609. [Google Scholar] [CrossRef]
- Fan, J.W.T.; Chow, J.P.W.; Chan, W.T.; Zhang, K.; Relekar, A.; Ho, K.W.; Tung, C.P.; Wang, K.W.; Chung, H.S.H. Modeling and experimental assessment of the EMI characteristics of switching converters with power semiconductor filters. IEEE Trans. Power Electron. 2020, 35, 2519–2533. [Google Scholar] [CrossRef]

























| Electrical Parameters | Rating |
|---|---|
| Input voltage, | 220 |
| Output voltage, | 12 |
| Output power, | 150 |
| Switching frequency, | 1 × 105 |
| Parameters (Units) | Rating |
|---|---|
| NP (turns) | 120 |
| NS (turns) | 9 |
| h (mm) | 9.66 |
| dP1_S (mm) | 0.325 |
| dS_SH (mm) | 0.285 |
| dP2_S (mm) | 0.452 |
| dS_B (mm) | 0.325 |
| dB (mm) | 0.200 |
| Parameters (Units) | Rating |
|---|---|
| NP (turns) | 120 |
| NS (turns) | 9 |
| NSH (turns) | 40 |
| hP1 (mm) | 8 |
| hP2 (mm) | 8 |
| hP3 (mm) | 6.28 |
| wSH (mm) | 0.23 |
Disclaimer/Publisher’s Note: The statements, opinions and data contained in all publications are solely those of the individual author(s) and contributor(s) and not of MDPI and/or the editor(s). MDPI and/or the editor(s) disclaim responsibility for any injury to people or property resulting from any ideas, methods, instructions or products referred to in the content. |
© 2024 by the authors. Licensee MDPI, Basel, Switzerland. This article is an open access article distributed under the terms and conditions of the Creative Commons Attribution (CC BY) license (https://creativecommons.org/licenses/by/4.0/).
Share and Cite
Yan, J.; Wu, H.; Fu, X.; Li, M.; Yu, Y. Modeling and Suppression of Conducted Interference in Flyback Power Supplies Based on GaN Devices. Electronics 2024, 13, 2360. https://doi.org/10.3390/electronics13122360
Yan J, Wu H, Fu X, Li M, Yu Y. Modeling and Suppression of Conducted Interference in Flyback Power Supplies Based on GaN Devices. Electronics. 2024; 13(12):2360. https://doi.org/10.3390/electronics13122360
Chicago/Turabian StyleYan, Jichi, Haoyuan Wu, Xueliang Fu, Mingtong Li, and Yannan Yu. 2024. "Modeling and Suppression of Conducted Interference in Flyback Power Supplies Based on GaN Devices" Electronics 13, no. 12: 2360. https://doi.org/10.3390/electronics13122360
APA StyleYan, J., Wu, H., Fu, X., Li, M., & Yu, Y. (2024). Modeling and Suppression of Conducted Interference in Flyback Power Supplies Based on GaN Devices. Electronics, 13(12), 2360. https://doi.org/10.3390/electronics13122360
