Research on Fixed-Slope On-Chip Soft-Start Method Applied to Buck DC–DC Converter
Abstract
1. Introduction
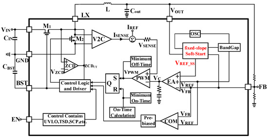
2. Design of Buck Converter Architecture with Fixed-Slope Soft Start
3. Low Power Fixed Ramp Soft Start
3.1. Sensing Method for Feedback Coefficients
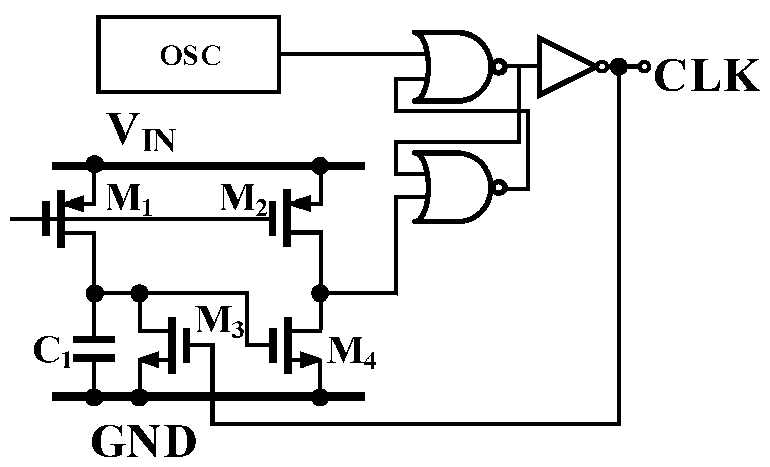
3.2. Fixed-Slope Reference
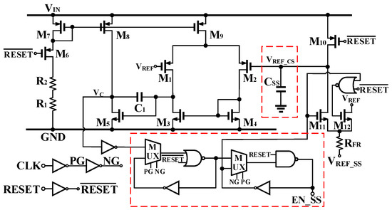
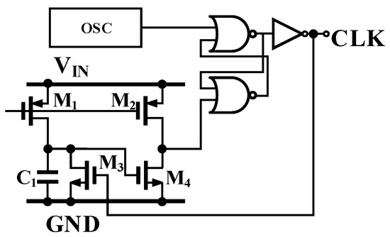
3.3. Self-Off Reference Voltage Switching
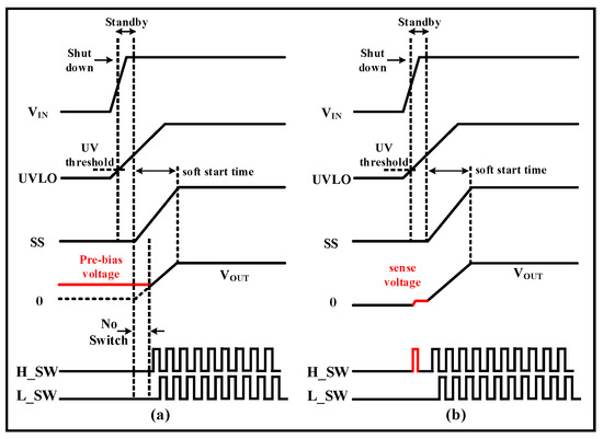
3.4. Pre-Biased Start-Up
4. Simulation Results and Analysis
5. Conclusions
Author Contributions
Funding
Data Availability Statement
Conflicts of Interest
References
- Zhang, K. A Compact Digital-Controlled Soft-Start Circuit of DC-DC Switching Converter for Portable Devices. In Proceedings of the 2022 IEEE 4th International Conference on Circuits and Systems (ICCS), Chengdu, China, 23–26 September 2022; pp. 86–90. [Google Scholar] [CrossRef]
- Palomeque-Mangut, D.; Rodríguez-Vázquez, Á.; Delgado-Restituto, M. A 4.2-13.2 V, on-chip, regulated, DC-DC converter in a standard 1.8V/3.3V CMOS process. AEU-Int. J. Electron. Commun. 2023, 161, 154527. [Google Scholar] [CrossRef]
- Zakaria, A.; Marei, M.; Mashaly, H. A Modular Non-Inverting Buck-Boost DC-DC Converter. Renew. Energy Focus 2023, 47, 100507. [Google Scholar] [CrossRef]
- Xiao, Y.; Fu-jun, L. Design of Error Amplifier with Multi-functions for Peak-Current Mode DC-DC Converters. In Ionizing Radiation Effects in Electronics: From Memories to Imagers; Bagatin, M., Gerardin, S., Eds.; CRC Press: Boca Raton, FL, USA, 2014; pp. 229–264. [Google Scholar] [CrossRef]
- Yuan, B.; Lai, X.; Ye, Q.; Wang, H.; Li, Y. Ramp-based soft-start circuit with soft-recovery for DC-DC buck converters. In Proceedings of the 2013 IEEE International Conference of Electron Devices and Solid-State Circuits, Hong Kong, China, 3–5 June 2013; pp. 1–2. [Google Scholar] [CrossRef]
- Huang, L.; Wang, J.; Fu, X.; Run, F. A soft start circuit for automobile voltage regulator. In Proceedings of the 2011 International Conference on Electronics, Communications and Control (ICECC), Ningbo, China, 9–11 September 2011; pp. 673–676. [Google Scholar] [CrossRef]
- Cheon, J.H.; Kim, S.J.; Lee, D.-S.; Lee, K.-Y. Low-dropout regulator with low output peak voltage with soft-start added to bandgap reference output. In Proceedings of the 2017 International SoC Design Conference (ISOCC), Seoul, Republic of Korea, 5–8 November 2017; pp. 210–211. [Google Scholar] [CrossRef]
- Yang, X.; Li, J.; Xu, J.; Chen, G.; Lou, F.; Li, H. Compact On-Chip Soft-Start Circuit for DC-DC Converters. J. Univ. Electron. Sci. Technol. China 2018, 47, 30–36. [Google Scholar] [CrossRef]
- Fan, S.; Xue, Z.; Guo, Z.; Wang, Y.; Geng, L. VRSPV Soft-Start Strategy and AICS Technique for Boost Converters to Improve the Start-Up Performance. IEEE Trans. Power Electron. 2016, 31, 3663–3672. [Google Scholar] [CrossRef]
- Huang, L.; Luo, P.; Wang, C.; Zhou, X. A High Speed On-Chip Soft-Start Technique with High Start-Up Stability for Current-Mode DC-DC Converter. IEEE Access 2019, 7, 27579–27585. [Google Scholar] [CrossRef]
- Hong, W.; Lee, M. A 7.4-MHz Tri-Mode DC-DC Buck Converter with Load Current Prediction Scheme and Seamless Mode Transition for IoT Applications. IEEE Trans. Circuits Syst. I Regul. Pap. 2020, 67, 4544–4555. [Google Scholar] [CrossRef]
- Goyal, S.; Wadhwa, S.K.; Tripathi, D. An RC charging based Soft-Start circuit for Voltage Regulators. In Proceedings of the 2022 IEEE Region 10 Symposium (TENSYMP), Mumbai, India, 1–3 July 2022; pp. 1–4. [Google Scholar] [CrossRef]
- Song, A.; Tang, W.; Li, H.; Liu, Z. A Pulse-Skipping Soft-Start Circuit for DC-DC Converters. In Proceedings of the 2023 3rd International Conference on Electrical Engineering and Control Science (IC2ECS), Hangzhou, China, 29–31 December 2023; pp. 505–509. [Google Scholar] [CrossRef]
- Gupta, A.; Kondekar, P.N. An On-Chip Digital Soft-Start Circuit for Integrated DC-DC Buck Converter. In Proceedings of the 2019 10th International Conference on Computing, Communication and Networking Technologies (ICCCNT), Kanpur, India, 6–8 July 2019; pp. 1–5. [Google Scholar] [CrossRef]
- Ke, X.; Wei, K.; Ma, D.B. A 10 MHz, 40V-to-5V clock-synchronized AOT hysteretic converter with programmable soft start technique for automotive USB chargers. In Proceedings of the 2017 IEEE Applied Power Electronics Conference and Exposition (APEC), Tampa, FL, USA, 26–30 March 2017; pp. 2146–2149. [Google Scholar] [CrossRef]
- Guo, Z.; Liu, N.; Lu, H.; Liu, S.; Cao, X. Method of Single Event Effects Radiation Hardened for DC-DC Converter Based on Automatic Detection and Dynamic Compensation. Trans. Beijing Univ. Technol. 2022, 42, 983–990. [Google Scholar] [CrossRef]
- Kalenteridis, V.; Agorastou, Z.; Siskos, S. A soft start-up technique for inrush current limitation in DC-DC converters. In Proceedings of the 2019 Panhellenic Conference on Electronics & Telecommunications (PACET), Volos, Greece, 8–9 November 2019; pp. 1–4. [Google Scholar] [CrossRef]
- Junaid, K.A.M.; Sukhi, Y.; Anjum, N.; Jeyashree, Y.; Ahamed, A.F.; Debbarma, S.; Chaudhary, G.; Priyadarshini, S.; Shylashree, N.; Garg, S.; et al. PV-based DC-DC buck-boost converter for LED driver, e-Prime—Advances in Electrical Engineering. Electron. Energy 2023, 5, 100271. [Google Scholar] [CrossRef]
















| Parameter. | This Work | Ref. [8] | Ref. [9] | Ref. [10] | Ref. [11] |
|---|---|---|---|---|---|
| Process | 180 nm BCD | 500 nm CMOS | / | 350 nm CMOS | 180 nm CMOS |
| Area/mm2 | 0.020 | 0.018 | / | 0.022 | / |
| Soft start Time/μs | / | 5500 | 1500 | 380 | 90 |
| Output Voltage Range/V | 0.9~4 | 3~12 | 18 | 12~45 | 1.2~2 |
| Maximum load current/mA | 3000 | 400 | 120 | 500 | 200 |
| Soft start Capacitance/pF | 2.5 | 3.1 | 0 | 5 | 0 |
| Load capacitance/μF | 22 | 20 | 4.7 | 20 | 10 |
| Start-up reliability | High | Low | Low | Low | Low |
| Control Method | Sampling-based analog control | Counter-based digital control | Counter-based digital control | Analog control for current-limiting feedback | Fixed delay digital control |
| Soft-start slope/(mV/μs) | 5 ± 5% | 0.55~2.2 | / | 31~118 | 13~22 |
Disclaimer/Publisher’s Note: The statements, opinions and data contained in all publications are solely those of the individual author(s) and contributor(s) and not of MDPI and/or the editor(s). MDPI and/or the editor(s) disclaim responsibility for any injury to people or property resulting from any ideas, methods, instructions or products referred to in the content. |
© 2024 by the authors. Licensee MDPI, Basel, Switzerland. This article is an open access article distributed under the terms and conditions of the Creative Commons Attribution (CC BY) license (https://creativecommons.org/licenses/by/4.0/).
Share and Cite
Guo, Z.; Qiu, Z.; Yang, Y.; Yu, N. Research on Fixed-Slope On-Chip Soft-Start Method Applied to Buck DC–DC Converter. Electronics 2024, 13, 2292. https://doi.org/10.3390/electronics13122292
Guo Z, Qiu Z, Yang Y, Yu N. Research on Fixed-Slope On-Chip Soft-Start Method Applied to Buck DC–DC Converter. Electronics. 2024; 13(12):2292. https://doi.org/10.3390/electronics13122292
Chicago/Turabian StyleGuo, Zhongjie, Ziyi Qiu, Yuan Yang, and Ningmei Yu. 2024. "Research on Fixed-Slope On-Chip Soft-Start Method Applied to Buck DC–DC Converter" Electronics 13, no. 12: 2292. https://doi.org/10.3390/electronics13122292
APA StyleGuo, Z., Qiu, Z., Yang, Y., & Yu, N. (2024). Research on Fixed-Slope On-Chip Soft-Start Method Applied to Buck DC–DC Converter. Electronics, 13(12), 2292. https://doi.org/10.3390/electronics13122292

