Leveraging Seed Generation for Efficient Hardware Acceleration of Lossless Compression of Remotely Sensed Hyperspectral Images
Abstract
1. Introduction
- We describe the hardware acceleration of a lossless compression algorithm designed specifically for hyperspectral images. Optimized for FPGA platforms and enhanced by leveraging seed generation techniques, this adaptation demonstrates practical applicability and effectiveness in real-time processing.
- We present the implementation of the lossless algorithm targeting an FPGA with modest capabilities, such as Cyclone V. This implementation demonstrates substantial performance improvements, achieving a throughput of 1598.67 Mega Samples per second (MSps), while maintaining a power requirement below 1 Watt. This highlights the durability of the designed algorithm and the optimized hardware acceleration in achieving both computational speed and efficiency.
2. Related Work
3. Materials and Methods
3.1. Lossless Compression
3.1.1. Preprocessing
3.1.2. Computation of the Integral Part
3.1.3. Calculation of the Binary Logarithm
3.1.4. Computing the Fractional Part
3.1.5. Postprocessing
3.2. Hardware Implementation
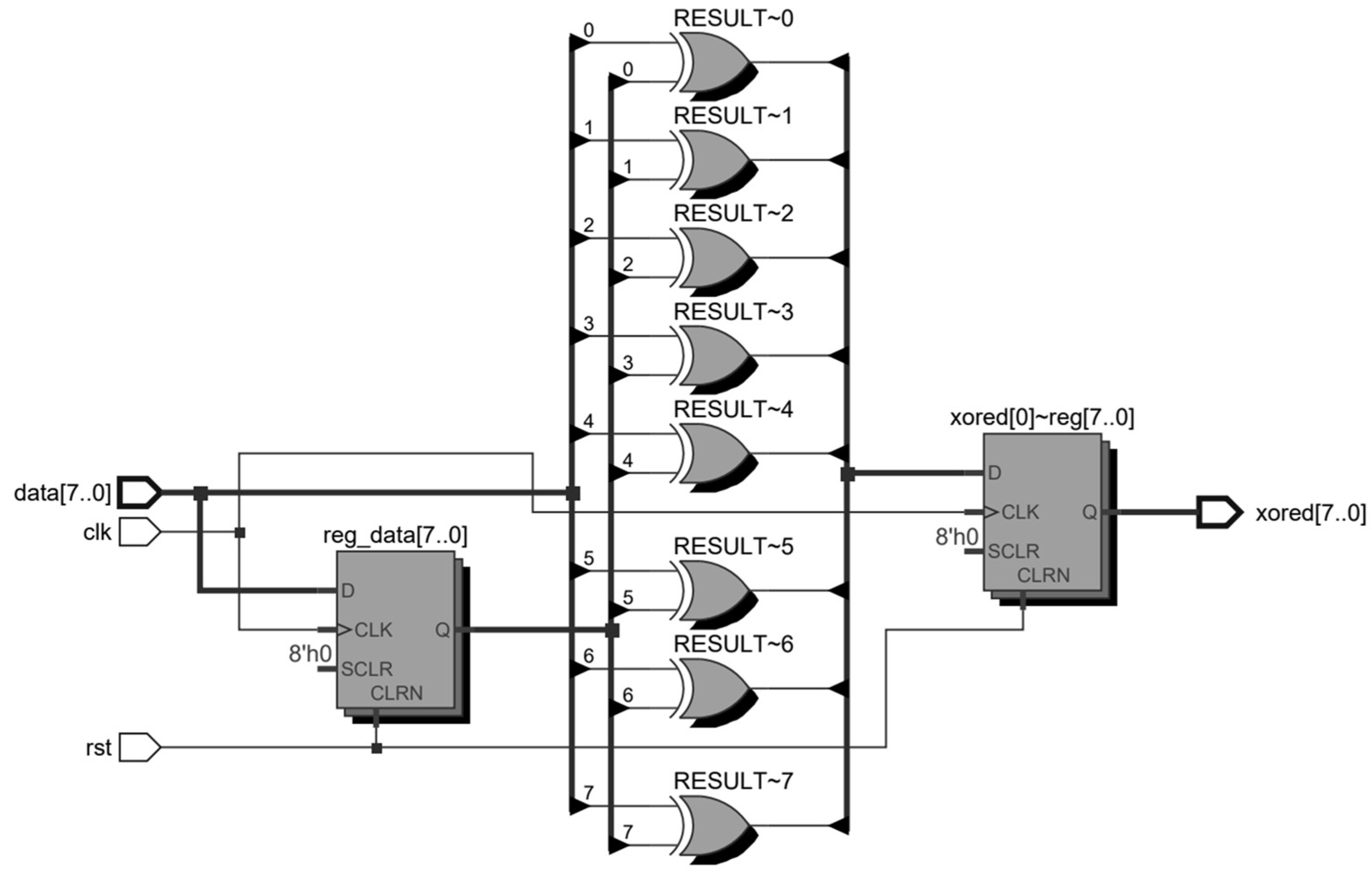
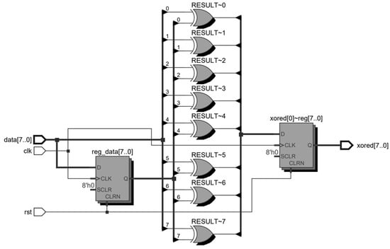
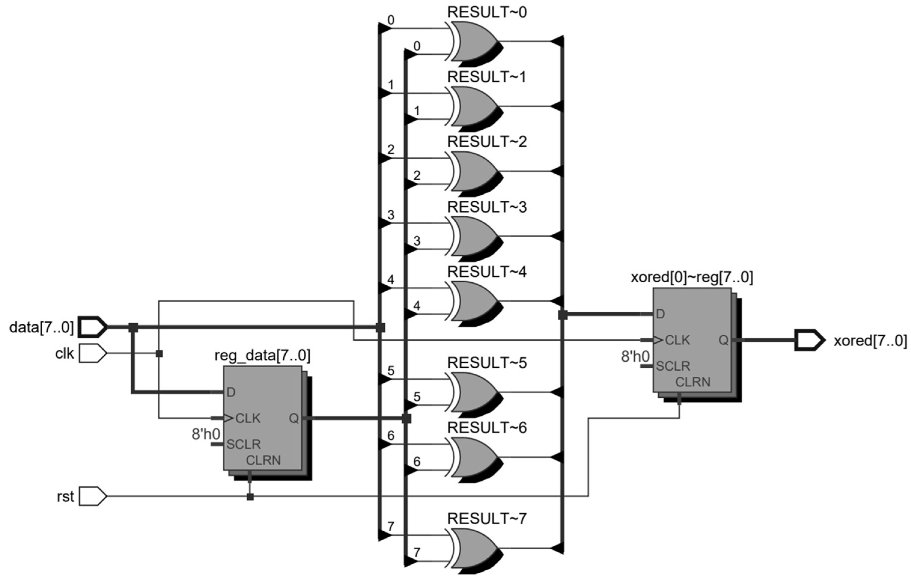
3.2.1. Bitwise XOR Logic
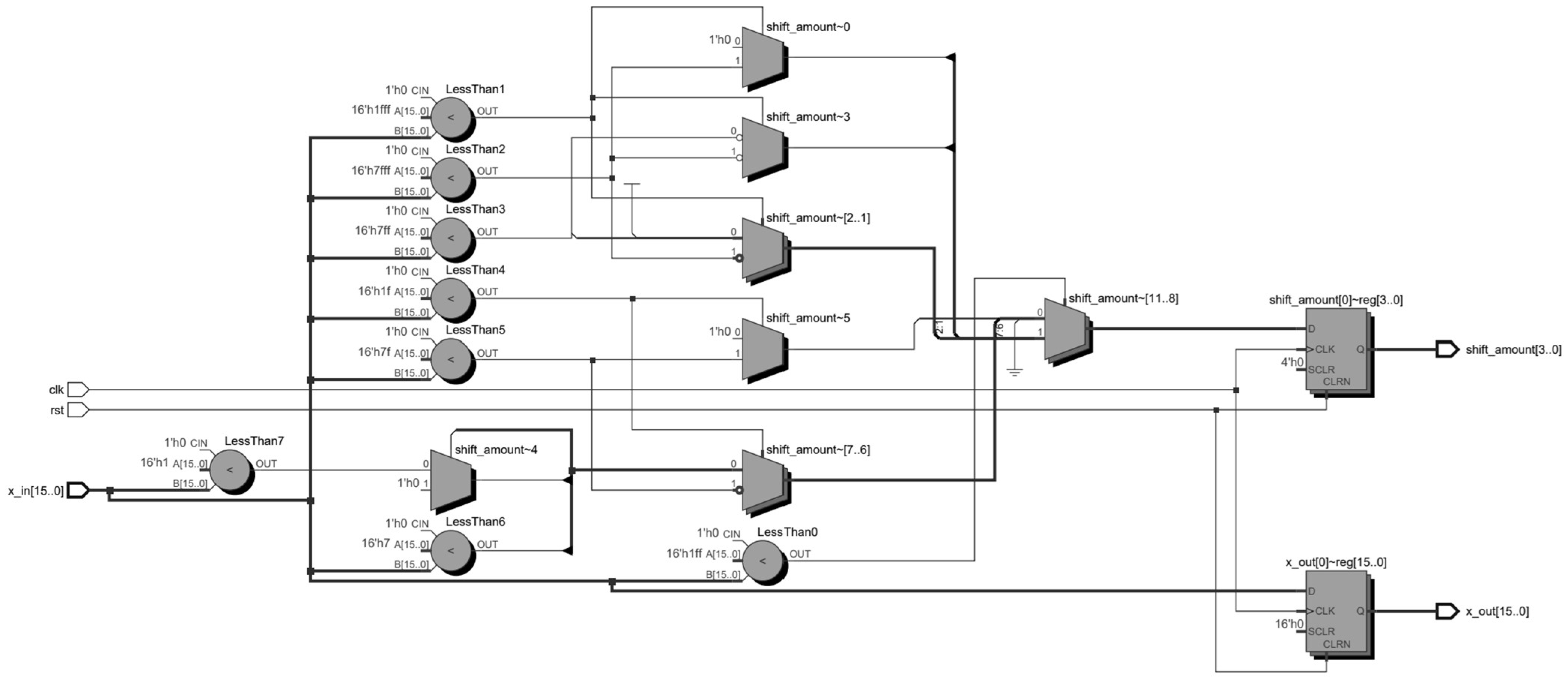
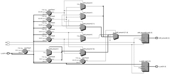
3.2.2. Shift Amount Calculator
| Algorithm 1: Binary search to determine shift_amount based on the value of XORed |
| Input: XORed Output: shift_amount 1. Determine n based on the value of XORed using nested comparisons: if XORed > 15 if XORed > 63 if XORed > 127 n ← 8 //XORed is greater than 127 else n ← 7 //XORed is between 64 and 127 else if XORed > 31 n ← 6 //XORed is between 32 and 63 else n ← 5 //XORed is between 16 and 31 else if XORed > 3 if XORed > 7 n ← 4 //XORed is between 8 and 15 else n ← 3 //XORed is between 4 and 7 else if XORed > 1 n ← 2 //XORed is between 2 and 3 else n ← 1 //XORed is 1 or less 2. Compute shift_amount as half of n by right-shifting n by 1: shift_amount ← n ≫ 1 3. Return shift_amount |
| Algorithm 2: Modified binary search to determine shift_amount based on the value of XORed |
| Input: XORed Output: shift_amount 1. Determine shift_amount based on the value of XORed using nested comparisons: if XORed > 31 if XORed > 127 shift_amount ← 4 //XORed is greater than 127 else shift_amount ← 3 //XORed is between 32 and 127 else if XORed > 7 shift_amount ← 2 //XORed is between 8 and 31 else if XORed > 1 shift_amount ← 1 //XORed is between 2 and 7 else shift_amount ← 0 //XORed is 1 or less 2. Return shift_amount |
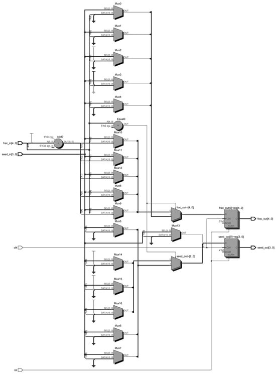
3.2.3. Seed Generation Logic
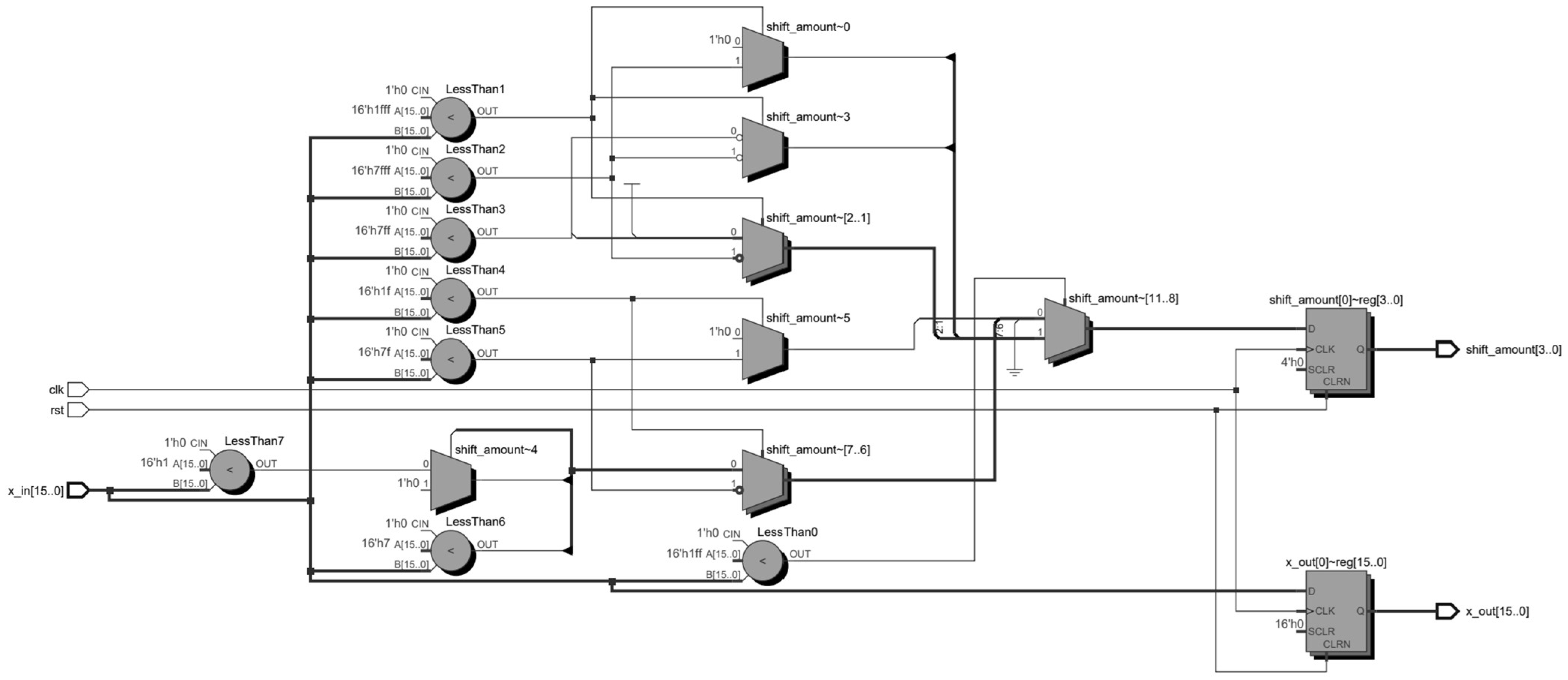
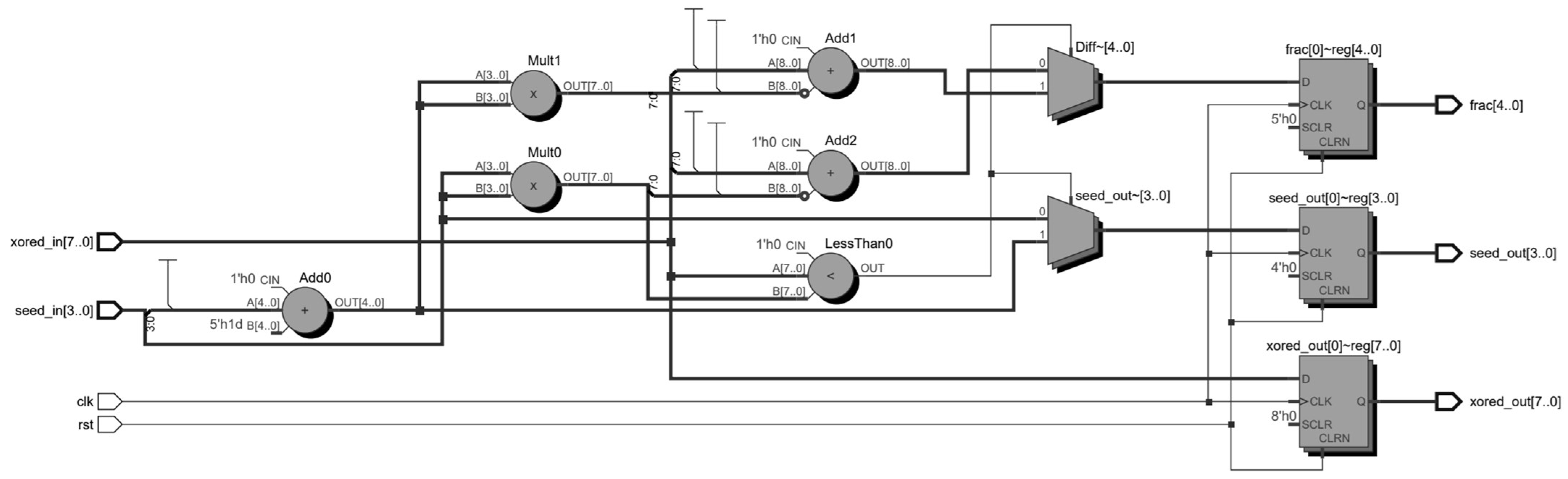
3.2.4. Fraction Calculation Logic
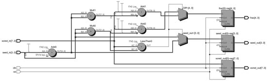
3.2.5. Uniform Encoding Block
3.2.6. Direct Rice Encoder
3.2.7. Zero Detection Logic
3.2.8. Adaptive Run-Length Encoder
3.2.9. The Glue Logic
3.2.10. Top-Level Entity
4. Results and Discussion
4.1. Clock Frequency
4.2. Power Requirement
4.3. Throughput
4.4. Resource Utilization and Scalability
4.5. Comparison with State-of-the-Art Implementations
5. Conclusions
6. Future Work
Author Contributions
Funding
Data Availability Statement
Acknowledgments
Conflicts of Interest
References
- Liu, C.; Xing, C.; Hu, Q.; Wang, S.; Zhao, S.; Gao, M. Stereoscopic hyperspectral remote sensing of the atmospheric environment: Innovation and prospects. Earth-Sci. Rev. 2022, 226, 103958. [Google Scholar] [CrossRef]
- Flores, H.; Lorenz, S.; Jackisch, R.; Tusa, L.; Contreras, I.C.; Zimmermann, R.; Gloaguen, R. UAS-Based Hyperspectral Environmental Monitoring of Acid Mine Drainage Affected Waters. Minerals 2021, 11, 182. [Google Scholar] [CrossRef]
- Lu, B.; Dao, P.D.; Liu, J.; He, Y.; Shang, J. Recent Advances of Hyperspectral Imaging Technology and Applications in Agriculture. Remote Sens. 2020, 12, 2659. [Google Scholar] [CrossRef]
- Wang, C.; Liu, B.; Liu, L.; Zhu, Y.; Hou, J.; Liu, P.; Li, X. A review of deep learning used in the hyperspectral image analysis for agriculture. Artif. Intell. Rev. 2021, 54, 5205–5253. [Google Scholar] [CrossRef]
- Ang, K.L.-M.; Seng, J.K.P. Big Data and Machine Learning with Hyperspectral Information in Agriculture. IEEE Access 2021, 9, 36699–36718. [Google Scholar] [CrossRef]
- Samuels, A.C. Military Applications of Portable Spectroscopy. In Portable Spectroscopy and Spectrometry; Wiley: West Maitland, FL, USA, 2021; pp. 149–157. [Google Scholar]
- Dua, Y.; Kumar, V.; Singh, R.S. Comprehensive review of hyperspectral image compression algorithms. Opt. Eng. 2020, 59, 090902. [Google Scholar] [CrossRef]
- Altamimi, A.; Ben, B. Youssef, A Systematic Review of Hardware-Accelerated Compression of Remotely Sensed Hyperspectral Images. Sensors 2021, 22, 263. [Google Scholar] [CrossRef]
- Caba, J.; Díaz, M.; Barba, J.; Guerra, R.; López, J. FPGA-Based On-Board Hyperspectral Imaging Compression: Benchmarking Performance and Energy Efficiency against GPU Implementations. Remote Sens. 2020, 12, 3741. [Google Scholar] [CrossRef]
- Melián, J.M.; Jiménez, A.; Díaz, M.; Morales, A.; Horstrand, P.; Guerra, R.; López, S.; López, J.F. Real-Time Hyperspectral Data Transmission for UAV-Based Acquisition Platforms. Remote Sens. 2021, 13, 850. [Google Scholar] [CrossRef]
- Calin, M.A.; Calin, A.C.; Nicolae, D.N. Application of airborne and spaceborne hyperspectral imaging techniques for atmospheric research: Past, present, and future. Appl. Spectrosc. Rev. 2021, 56, 289–323. [Google Scholar] [CrossRef]
- Wildenstein, D.; George, A.D. Towards intelligent compression of hyperspectral imagery. In Proceedings of the 2021 IEEE International Conference on Electronics, Computing and Communication Technologies (CONECCT), Bangalore, India, 9–11 July 2021. [Google Scholar]
- Zhang, L.; Liu, T.; Zhang, K. Design and Implementation of Lossless Compression System for CCSDS Hyperspectral Images. In Journal of Physics: Conference Series; IOP Publishing: Bristol, UK, 2021. [Google Scholar]
- CCSDS-123.0-B-1; Lossless Multispectral & Hyperspectral Image Compression. The Consultative Committee for Space Data Systems (CCSDS). 2012. Available online: https://public.ccsds.org/Pubs/123x0b1ec1s.pdf (accessed on 20 April 2024).
- CCSDS-123.0-B-2; Low-Complexity Lossless and Near-Lossless Multispectral and Hyperspectral Image Compression. The Consultative Committee for Space Data Systems (CCSDS). 2019. Available online: https://public.ccsds.org/Pubs/120x2g2.pdf (accessed on 20 April 2024).
- Grignani, W.; Santos, D.A.; Dilillo, L.; Viel, F.; Melo, D.R. A Low-Cost Hardware Accelerator for CCSDS 123 Lossless Hyperspectral Image Compression. In Proceedings of the 2023 IEEE International Symposium on Defect and Fault Tolerance in VLSI and Nanotechnology Systems (DFT), Juan-Les-Pins, France, 3–5 October 2023. [Google Scholar]
- Báscones, D.; Gonzalez, C.; Mozos, D. A real-time FPGA implementation of the ccsds 123.0-b-2 standard. IEEE Trans. Geosci. Remote Sens. 2022, 60, 1–13. [Google Scholar] [CrossRef]
- Chatziantoniou, P.; Tsigkanos, A.; Theodoropoulos, D.; Kranitis, N.; Paschalis, A. An Efficient Architecture and High-Throughput Implementation of CCSDS-123.0-B-2 Hybrid Entropy Coder Targeting Space-Grade SRAM FPGA Technology. IEEE Trans. Aerosp. Electron. Syst. 2022, 58, 5470–5482. [Google Scholar] [CrossRef]
- Shaharim, N.A.N.; Chez, T.L.; Zainul, A.Z.; Noor, N.R.M. Parallelization of CCSDS Hyperspectral Image Compression Using OpenMP. J. Eng. Sci. 2022, 18, 1–16. [Google Scholar]
- Altamimi, A.; Ben Youssef, B. Lossless and Near-Lossless Compression Algorithms for Remotely Sensed Hyperspectral Images. Entropy 2024, 26, 316. [Google Scholar] [CrossRef]
- Putra, R.V.W. A novel fixed-point square root algorithm and its digital hardware design. In Proceedings of the International Conference on ICT for Smart Society, Jakarta, Indonesia, 13–14 June 2013. [Google Scholar]
- Altamimi, A.; Ben Youssef, B. Novel seed generation and quadrature-based square rooting algorithms. Sci. Rep. 2022, 12, 20540. [Google Scholar] [CrossRef]
- Fog, A. Instruction tables: Lists of instruction latencies, throughputs and micro-operation breakdowns for Intel, AMD and VIA CPUs. Cph. Univ. Coll. Eng. 2011, 93, 110. [Google Scholar]
- Blinn, J. Jim Blinn’s Corner: Notation, Notation, Notation; Morgan Kaufmann: Burlington, MA, USA, 2003. [Google Scholar]
- Cooper, T.K. Exclusive-or Preprocessing and Dictionary Coding of Continuous-Tone Images. Ph.D. Dissertation, University of Louisville, Louisville, KY, USA, 2015. [Google Scholar]
- Mansour, A.M.; El-Sawy, A.M.; Aziz, M.S.; Sayed, A.T. A New Hardware Implementation of Base 2 Logarithm for FPGA. Int. J. Signal Process. Syst. 2015, 3, 171–181. [Google Scholar] [CrossRef]
- Warren, H.S. Hacker’s Delight; Pearson Education: London, UK, 2012. [Google Scholar]
- Mehlhorn, K.; Sanders, P. Algorithms and Data structures. In the Basic Toolbox; Springer: Berlin/Heidelberg, Germany, 2007; p. 295. [Google Scholar]
- DigiKey. Cyclone V FPGA 5CGTFD9E5F35C7 Specifications. Available online: https://www.digikey.com/en/products/detail/intel/5CGTFD9E5F35C7N/3879603 (accessed on 20 May 2024).
- Zong, Z. Pin multiplexing optimization in FPGA prototyping system. In Proceedings of the 2017 4th International Conference on Systems and Informatics (ICSAI), Hangzhou, China, 11–13 November 2017. [Google Scholar]
- Aranki, N.; Bakhshi, A.; Keymeulen, D.; Klimesh, M. Fast and adaptive lossless on-board hyperspectral data compression system for space applications. In Proceedings of the 2009 IEEE Aerospace Conference, Big Sky, MT, USA, 7–14 March 2009. [Google Scholar]
- Hihara, H.; Yoshida, J.; Ishida, J.; Takada, J.; Senda, Y.; Suzuki, M.; Seki, T.; Ichikawa, S.; Ohgi, N. Fast compression implementation for hyperspectral sensor. In Multispectral, Hyperspectral, and Ultraspectral Remote Sensing Technology, Techniques, and Applications III; SPIE: Washington, DC, USA, 2010. [Google Scholar]
- Nambu, T.; Takada, J.; Kawashima, T.; Hihara, H.; Inada, H.; Suzuki, M.; Seki, T.; Ichikawa, S. Development of onboard fast lossless compressors for multi and hyperspectral sensors. In Multispectral, Hyperspectral, and Ultraspectral Remote Sensing Technology, Techniques and Applications IV; SPIE: Washington, DC, USA, 2012. [Google Scholar]
- Hwang, Y.-T.; Lin, C.-C.; Hung, R.-T. Lossless Hyperspectral Image Compression System-Based on HW/SW Codesign. IEEE Embed. Syst. Lett. 2010, 3, 20–23. [Google Scholar] [CrossRef]
- Mamatha, A.; Singh, V. Lossless hyperspectral image compression using intraband and interband predictors. In Proceedings of the 2014 International Conference on Advances in Computing, Communications and Informatics (ICACCI), Delhi, India, 24–27 September 2014. [Google Scholar]
- Santos, L.; Vitulli, R.; López, J.F.; Sarmiento, R. GPU implementation of a lossy compression algorithm for hyperspectral images. In Proceedings of the 2012 4th Workshop on Hyperspectral Image and Signal Processing: Evolution in Remote Sensing (WHISPERS), Shanghai, China, 4–7 June 2012. [Google Scholar]
- Santos, L.; Magli, E.; Vitulli, R.; López, J.F.; Sarmiento, R. Highly-parallel GPU architecture for lossy hyperspectral image compression. IEEE J. Sel. Top. Appl. Earth Obs. Remote Sens. 2013, 6, 670–681. [Google Scholar] [CrossRef]
- Wu, J.; Kong, W.; Mielikainen, J.; Huang, B. Lossless Compression of Hyperspectral Imagery via Clustered Differential Pulse Code Modulation with Removal of Local Spectral Outliers. IEEE Signal Process. Lett. 2015, 22, 2194–2198. [Google Scholar] [CrossRef]
- Tsimpouris, E.; Tsakiridis, N.L.; Theocharis, J.B. Using autoencoders to compress soil VNIR–SWIR spectra for more robust prediction of soil properties. Geoderma 2021, 393, 114967. [Google Scholar] [CrossRef]
- Giordano, R.; Guccione, P. ROI-Based On-Board Compression for Hyperspectral Remote Sensing Images on GPU. Sensors 2017, 17, 1160. [Google Scholar] [CrossRef] [PubMed]
- Bernabé, S.; Martín, G.; Nascimento, J.M. Parallel hyperspectral compressive sensing method on GPU. In High-Performance Computing in Remote Sensing V; SPIE: Washington, DC, USA, 2015. [Google Scholar]
- Egho, C.; Vladimirova, T. Adaptive hyperspectral image compression using the KLT and integer KLT algorithms. In Proceedings of the 2014 NASA/ESA Conference on Adaptive Hardware and Systems (AHS), Leicester, UK, 14–17 July 2014. [Google Scholar]
- Santos, L.; Berrojo, L.; Moreno, J.; Lopez, J.F.; Sarmiento, R. Multispectral and Hyperspectral Lossless Compressor for Space Applications (HyLoC): A Low-Complexity FPGA Implementation of the CCSDS 123 Standard. IEEE J. Sel. Top. Appl. Earth Obs. Remote Sens. 2015, 9, 757–770. [Google Scholar] [CrossRef]











| Compression Method | CR | Throughput (MSps) | Power (Watts) | Efficiency (MSps/W) | Reference, Year |
|---|---|---|---|---|---|
| CCSDS 123.0-B-1 | - | - | - | - | [13], 2021 |
| CCSDS 123.0-B-2 | - | 21.47 | - | - | [16], 2023 |
| CCSDS 123.0-B-3 | - | 9.38 | 0.149 | 63 | [16], 2023 |
| CCSDS 123.0-B-2 | - | 249.6 | 1.21 | 206.3 | [17], 2022 |
| CCSDS-123.0-B-2 | - | 305 | 1.525 | 200 | [18], 2022 |
| CCSDS-MHC | 3.28 | - | - | - | [19], 2022 |
| Integral Part (Seed) | Fractional Part | ||
|---|---|---|---|
| 1 | 1 | 0000 | 0 (unary) |
| 2 | 1 | 0001 | 0 |
| 3 | 1 | 0001 | 1 |
| 4 | 2 | 0000 | 10 (unary) |
| 5 | 2 | 0010 | 00 |
| 6 | 2 | 0010 | 01 |
| 7 | 2 | 0010 | 10 |
| 8 | 2 | 0010 | 11 |
| 9 | 3 | 0011 | 00 |
| … | … | … | … |
| 16 | 4 | 0000 | 110 (unary) |
| 17 | 4 | 0100 | 000 |
| 18 | 4 | 0100 | 001 |
| 19 | 4 | 0100 | 010 |
| 20 | 4 | 0100 | 011 |
| 21 | 4 | 0100 | 100 |
| 22 | 4 | 0100 | 101 |
| 23 | 4 | 0100 | 110 |
| 24 | 4 | 0100 | 111 |
| 25 | 5 | 0101 | 0000 |
| … | … | … | … |
| Pivot 1 | ||
|---|---|---|
| 1 | 1 | 0 |
| 2 | 3 | 1 |
| 3 | 7 | 1 |
| 4 | 15 | 2 |
| 5 | 31 | 2 |
| 6 | 63 | 3 |
| 7 | 127 | 3 |
| 8 | 255 | 4 |
| FPGA Characteristics | Name/Value |
|---|---|
| Manufacturer | Intel |
| Series | Cyclone® V GT |
| Number of LABs/CLBs | 113560 |
| Number of Registers | 4786 |
| Number of DSP Blocks | 342 |
| Total RAM Bits | 14251008 |
| Number of Pins | 616 |
| Number of GPIO Pins | 560 |
| Voltage—Supply | 1.07 V~1.13 V |
| Operating Temperature | 0 °C~85 °C |
| Compression Method | CR | Throughput (MSps) | Power (Watts) | Efficiency (MSps/W) | Reference |
|---|---|---|---|---|---|
| DPCM | 4.8 | 280 | 650 | 0.4 | [31] |
| CCSDS123 | 2.2–4.5 | 183.4 | 60 | 3.1 | [32] |
| CCSDS 123 | - | 401–116 | 60–15 | 6.7–7.7 | [33] |
| CCSDS123 | 3.2–4 | 165.65 | 2.6 | 63.7 | [34] |
| CCSDS 123 | 1.5–5.5 | 129 | 4.9 | 26.3 | [35] |
| CCSDS123 | - | 69.8 | 4.56 | 15.3 | [36] |
| CCSDS123 | - | 93.2 | 4.56 | 20.4 | [36] |
| CCSDS123 | - | 45 | 5.7 | 7.9 | [37] |
| CCSDS123 | - | 146.9 | 6.28 | 23.4 | [37] |
| CCSDS123 | - | 308.13 | 10.9 | 28.3 | [37] |
| CCSDS123 | - | 66 | 5.7 | 11.6 | [37] |
| CCSDS123 | - | 203.3 | 6.28 | 32.3 | [37] |
| CCSDS123 | - | 402.5 | 10.9 | 36.9 | [37] |
| CCSDS 123 | - | 147 | 0.295 | 498.3 | [38] |
| CCSDS 123 | - | 750 | 0.515 | 1456 | [39] |
| CCSDS123 | 3.4 | 3.5 | 0.169 | 20.7 | [40] |
| CCSDS123 | 3.4 | 11.3 | 2.345 | 4.8 | [40] |
| CCSDS123 | 3.4 | 11.2 | 2.345 | 4.8 | [40] |
| CCSDS 123 | 2.3 | 3.5 | 0.169 | 20.7 | [40] |
| CCSDS 123 | 2.3 | 11.3 | 2.345 | 4.8 | [40] |
| CCSDS 123 | 2.3 | 11.2 | 2.345 | 4.8 | [40] |
| Prediction-based | - | 179.7 | 3.04 | 59.1 | [41] |
| Prediction-based | - | 116 | 0.95 | 122.1 | [41] |
| Prediction-based | - | 219.4 | 5.3 | 41.4 | [41] |
| Prediction-based | - | 62.2 | 65 | 0.96 | [41] |
| Prediction-based | - | 62.6 | 29 | 2.2 | [41] |
| CCSDS 123 | - | 179.7 | 3.04 | 59.1 | [41] |
| CCSDS 123 | - | 116 | 0.95 | 122.1 | [41] |
| CCSDS 123 | - | 219.4 | 5.3 | 41.3 | [41] |
| CCSDS 123 | - | 62.2 | 65 | 0.96 | [41] |
| CCSDS 123 | - | 62.6 | 29 | 2.2 | [41] |
| VS—3DGAP—ExtRice (CCSDS based) | 2.8 | 210 | 0.573 | 366.5 | [42] |
| Prediction-based | 2.5 | 23.3 | 0.55 | 42.4 | [43] |
| CCSDS 123 | 2.5 | 23.3 | 0.55 | 42.4 | [43] |
| CCSDS 123.0-B-3 | - | 9.38 | 0.149 | 63 | [16] |
| CCSDS 123.0-B-2 | - | 249.6 | 1.21 | 206.3 | [17] |
| CCSDS-123.0-B-2 | - | 305 | 1.525 | 200 | [18] |
| Proposed | 2.6 | 1598.67 | 0.874 | 1829.1 | - |
Disclaimer/Publisher’s Note: The statements, opinions and data contained in all publications are solely those of the individual author(s) and contributor(s) and not of MDPI and/or the editor(s). MDPI and/or the editor(s) disclaim responsibility for any injury to people or property resulting from any ideas, methods, instructions or products referred to in the content. |
© 2024 by the authors. Licensee MDPI, Basel, Switzerland. This article is an open access article distributed under the terms and conditions of the Creative Commons Attribution (CC BY) license (https://creativecommons.org/licenses/by/4.0/).
Share and Cite
Altamimi, A.; Ben Youssef, B. Leveraging Seed Generation for Efficient Hardware Acceleration of Lossless Compression of Remotely Sensed Hyperspectral Images. Electronics 2024, 13, 2164. https://doi.org/10.3390/electronics13112164
Altamimi A, Ben Youssef B. Leveraging Seed Generation for Efficient Hardware Acceleration of Lossless Compression of Remotely Sensed Hyperspectral Images. Electronics. 2024; 13(11):2164. https://doi.org/10.3390/electronics13112164
Chicago/Turabian StyleAltamimi, Amal, and Belgacem Ben Youssef. 2024. "Leveraging Seed Generation for Efficient Hardware Acceleration of Lossless Compression of Remotely Sensed Hyperspectral Images" Electronics 13, no. 11: 2164. https://doi.org/10.3390/electronics13112164
APA StyleAltamimi, A., & Ben Youssef, B. (2024). Leveraging Seed Generation for Efficient Hardware Acceleration of Lossless Compression of Remotely Sensed Hyperspectral Images. Electronics, 13(11), 2164. https://doi.org/10.3390/electronics13112164

