Dual-Frequency, Dual-Mode Reconfigurable Digital Atmospheric Radar Receiver Design
Abstract
1. Introduction
2. Overall Design of Dual-Frequency, Dual-Mode Reconfigurable Digital Receiver
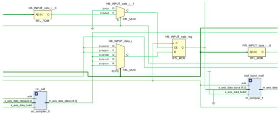
3. FPGA Programming of Reconfigurable Extraction Filter Banks
4. Receiver Experimental Platform and Test
5. Analysis of Test Results
5.1. Meteor Model Detection Results
5.2. ST Mode Detection Results
6. Conclusions
- (1)
- The processing of RF signals is simplified compared to traditional receivers. Due to the reduced use of analog components, the cost per channel and the physical size of the channel are reduced, and the receiver can be made smaller.
- (2)
- Direct RF sampling allows more signal processing functions to be implemented in the digital domain, such as digital filtering, demodulation, etc., improving flexibility and programmability.
Author Contributions
Funding
Data Availability Statement
Conflicts of Interest
References
- Cai, B. Researches on MLT Meteor Wind Techniques and Observations of Solar Activities with MF Radar; University of Chinese Academy of Sciences (National Space Science Centre of Chinese Academy of Sciences): Beijing, China, 2021. [Google Scholar] [CrossRef]
- Wang, Z.; Xiao, C.; Hu, X.; Yang, J.; Cheng, X.; Xu, Q.; Xiao, L.; Wu, X. Short-Period Variation of the Activity of Atmospheric Turbulence in the MLT Region over Langfang. Atmosphere 2023, 14, 1045. [Google Scholar] [CrossRef]
- Wang, J.; Yi, W.; Wu, J.; Chen, T.; Xue, X.; Zeng, J.; Vincent, R.A.; Reid, I.M.; Batista, P.P.; Buriti, R.A.; et al. Coordinated observations of migrating tides by multiple meteor radars in the equatorial mesosphere and lower thermosphere. J. Geophys. Res.-Space Phys. 2022, 127, e2022JA030678. [Google Scholar] [CrossRef]
- Chen, Z.; Tian, Y.; Wang, Y.; Bi, Y.; Wu, X.; Huo, J.; Pan, L.; Wang, Y.; Lv, D. Turbulence parameters measured by the Beijing mesosphere-stratosphere-troposphere radar in the troposphere and lower stratosphere with three models: Comparison and analyses. Atmos. Meas. Tech. 2022, 15, 4785–4800. [Google Scholar] [CrossRef]
- Sun, R.; Gu, S.-Y.; Dou, X.; Wei, Y.; Qin, Y.; Yang, Z. Decadal Quasi-2-Day Wave Observations in the Equatorial Mesopause Region by a Meteor Radar over Kototabang (0.2° S, 100.3° E) and TIMED/TIDI and Comparison with Quasi-2-Day Wave Observations at Mid-Latitudes. Remote Sens. 2023, 15, 1122. [Google Scholar] [CrossRef]
- Pedatella, N.M. Scientific motivations and future directions of whole atmosphere modeling. Front. Astron. Space Sci. 2022, 9, 957007. [Google Scholar] [CrossRef]
- Vincent, R.A.; Kovalam, S.; Reid, I.M.; Murphy, D.J.; Klekociuk, A. Southern hemisphere stratospheric warmings and coupling to the Mesosphere-Lower thermosphere. J. Geophys. Res.-Atmos. 2022, 127, e2022JD036558. [Google Scholar] [CrossRef]
- Cervera, M.A.; Reid, I.M.J.R.S. Comparison of simultaneous wind measurements using collocated VHF meteor radar and MF spaced antenna radar systems. Radio Sci. 1995, 30, 1245–1261. [Google Scholar] [CrossRef]
- Valentic, T.A.; Avery, J.P.; Avery, S.K.; Cervera, M.A.; Elford, W.G.; Vincent, R.A.; Reid, I.M. A comparison of meteor radar systems at Buckland Park. Radio Sci. 1996, 31, 1313–1329. [Google Scholar] [CrossRef]
- Reid, I.M.; McIntosh, D.L.; Murphy, D.J.; Vincent, R.A. Mesospheric radar wind comparisons at high and middle southern latitudes. Earth Planets Space 2018, 70, 84. [Google Scholar] [CrossRef]
- Hocking, W.K.; Röttger, J.; Palmer, R.D.; Sato, T.; Chilson, P.B. Atmospheric Radar: Application and Science of MST Radars in the Earth’s Mesosphere, Stratosphere, Troposphere, and Weakly Ionized Regions; Cambridge University Press: Cambridge, UK, 2017. [Google Scholar]
- Holdsworth, D.A.; Reid, I.M. The Buckland Park meteor radar-description and initial results. In Proceedings of the “Workshop on Applications of Radio Science”, Leura, Australia, 20–22 February 2002. [Google Scholar]
- McKinley, D.W.R. Meteor Science and Engineering; McGraw-Hill: New York, NY, USA, 1961. [Google Scholar]
- Zhang, Z.M.; Xu, Q.C.; Hu, X.; Zhang, Q.; Cai, B.; Zhao, M.L. High-power pulsed atmospheric radar transmit power measurements. Foreign Electron. Meas. Technol. 2022, 41, 7–11. [Google Scholar]
- Zhang, Z.; Shi, J.; Wen, F. Phase Compensation-Based 2D-DOA Estimation for EMVS-MIMO Radar. IEEE Trans. Aerosp. Electron. Syst. 2024, 60, 1299–1308. [Google Scholar] [CrossRef]
- Lan, L.; Rosamilia, M.; Aubry, A.; De Maio, A.; Liao, G. FDA-MIMO Transmitter and Receiver Optimization. IEEE Trans. Signal Process. 2024, 72, 1576–1589. [Google Scholar] [CrossRef]
- Vipin, K.; Fahmy, S.A. Mapping Adaptive Hardware Systems with partial Reconfiguration using CoPR for Zynq. In Proceedings of the 2015 NASA/ESA Conference on Adaptive Hardware and Systems (AHS), Montreal, QC, Canada, 15–18 June 2015; pp. 1–8. [Google Scholar]
- Shang, Z.; Xu, K.; Liu, Y.; Wu, Z.; Lu, G.; Zhang, Y.; Zhang, L.; Su, Y.; Chen, Y.; Yan, F. A broadband solar radio dynamic spectrometer working in the millimeter-wave band. Astrophys. J. Suppl. Ser. 2022, 258, 2. [Google Scholar] [CrossRef]
- Yan, F.B.; Liu, Y.; Xu, K.; Shang, Z.Q.; Su, Y.R.; Lu, G.; Chen, Y.; Wu, Z. A broadband digital receiving system with large dynamic range for solar radio observation. Res. Astron. Astrophys. 2020, 20, 156. [Google Scholar] [CrossRef]
- Ge, J.; Fok, M.P. Reconfigurable RF multiband filter with widely tunable passbands based on cascaded optical interferometric filters. J. Light. Technol. 2018, 36, 2933–2940. [Google Scholar] [CrossRef]
- Mittal, G.; Pathak, N.P. Techniques of Reconfigurable Bandpass Filter for Realization of Adaptable RF System and Proposed Methodology. In Proceedings of the 2017 14th IEEE India Council International Conference, Roorkee, India, 15–17 December 2017. [Google Scholar]
- Liu, X.; Yan, X.X.; Wang, Z.K.; Deng, Q.X. Design and FPGA implementation of a reconfigurable digital down converter for wideband applications. IEEE Trans. Very Large Scale Integr. (Vlsi) Syst. 2017, 25, 3548–3552. [Google Scholar] [CrossRef]
- Nguyen, N.H.; Khan, S.A.; Kim, C.H.; Kim, J.M. A high-performance, resource-efficient, reconfigurable parallel-pipelined FFT processor for FPGA platforms. Microprocess. Microsyst. 2018, 60, 96–106. [Google Scholar] [CrossRef]
- Latiri, A.; Joet, L.; Desgreys, P.; Loumeau, P. A reconfigurable RF sampling receiver for multistandard applications. Comptes Rendus Phys. 2006, 7, 785–793. [Google Scholar] [CrossRef]
- Wang, Q.; Wu, Y.; Qi, Y.; Wang, W. A reconfigurable wireless superheterodyne receiver for multi-standard communication systems. Int. J. Electron. 2023, 110, 882–897. [Google Scholar] [CrossRef]
- Ceplecha, Z.; Borovička, J.; Elford, W.G.; ReVelle, D.O.; Hawkes, R.L.; Porubčan, V.; Šimek, M. Meteor Phenomena and Bodies. Space Sci. Rev. 1998, 84, 327–471. [Google Scholar] [CrossRef]
- Tian, C.X. Researches and Observations of Gravity Wave Activities with Meteor Radar in 40° N China; University of Chinese Academy of Sciences (National Space Science Centre of Chinese Academy of Sciences): Beijing, China, 2021. [Google Scholar] [CrossRef]












| Parametric | Meteor Detection Mode | ST Detection Mode |
|---|---|---|
| Operating frequency | 35.0 MHz | 53.8 MHz |
| Waveform | Encoded Waveforms | Gaussian monopulse |
| Number of channels | 5 | 1 |
| Type of code | Barker Code/Complementary Code | No phase encoding |
| Code element length | Barker Code: 2/3/4/5/7/11/13 Complementary Code: 2/4/8/10/16/32 | / |
| Pulse width (m) | 900/1800/7200 | 75/100/150 225/300/450 500/600 |
| Multi-Band Parallel | Superheterodyne | Direct RF Sampling | |
|---|---|---|---|
| Features | 1. Multiple independent receivers operating in parallel 2. Each handles a specific frequency band | Selected signals down-converted to IF by bandpass filters and mixers | RF signals are fed directly into the analog-to-digital converter via the RF front-end |
| Advantages | 1. Simultaneous coverage of multiple frequency bands 2. Each frequency band operates independently; partial failure does not affect the whole | 1. High-frequency selectivity and sensitivity 2. Reduced reliance on RF high-gain amplifiers | 1. Simplified signal processing flow 2. Programmable digital domain signal processing 3. Reduced use of analog components, small size, and low cost |
| Disadvantages | Requires multiple sets of complete hardware resources, large size, high cost, poor scalability | Requires local oscillators and multi-stage mixing systems with high complexity and many analog components | Requires certain ADC performance |
| No Filter Multiplexing and No Dynamic Reconfiguring | Filter Multiplexing Only | Filter Multiplexing and Dynamic Reconfiguring | |
|---|---|---|---|
| LUT (pcs) | 3152 | 1182 | 743 |
| LUTRAM (pcs) | 2155 | 809 | 511 |
| FF (pcs) | 5020 | 1880 | 1178 |
| DSP (pcs) | 27 | 10 | 14 |
| IO (pcs) | 17 | 17 | 17 |
| Parametric | Meteor Detection Mode | ST Detection Mode |
|---|---|---|
| Operating frequency | 35.0 MHz | 53.8 MHz |
| Pulse Repetition Frequency (PRF) | 430 Hz | 6000 Hz |
| Transmitting power | 48 kW | 48 kW |
| Gain | 38 dB | 38 dB |
| Number of beams | / | 5 (East, West, Vertical, South, North) |
| Detection height | 68.4~300 km | 1.2~18 km |
| Waveform | Encoded Waveforms | Gaussian monopulse |
| Type of code | Complementary code | / |
| Code element length | 4 | / |
| Coherence point | 16 | 150 |
| Length of experimental sequence | 30 s/time | 20 s/time |
| Number of pulses per test | 12,900 | 120,000 |
| Pulse width (m) | 1800/7200 | 600 |
| No. | Radial Distance/km | Time/s |
|---|---|---|
| 1 | 117.0 | 16.6 |
| 2 | 117.0 | 20.1 |
| 3 | 102.6 | 27.0 |
| 4 | 106.2 | 27.9 |
| 5 | 91.8 | −9.12 |
| 6 | 164.0 | −30.62 |
Disclaimer/Publisher’s Note: The statements, opinions and data contained in all publications are solely those of the individual author(s) and contributor(s) and not of MDPI and/or the editor(s). MDPI and/or the editor(s) disclaim responsibility for any injury to people or property resulting from any ideas, methods, instructions or products referred to in the content. |
© 2024 by the authors. Licensee MDPI, Basel, Switzerland. This article is an open access article distributed under the terms and conditions of the Creative Commons Attribution (CC BY) license (https://creativecommons.org/licenses/by/4.0/).
Share and Cite
Zhang, Z.; Xu, Q.; Hu, X.; Cai, B.; Wu, Y.; Yang, J.; Zhao, M. Dual-Frequency, Dual-Mode Reconfigurable Digital Atmospheric Radar Receiver Design. Electronics 2024, 13, 1879. https://doi.org/10.3390/electronics13101879
Zhang Z, Xu Q, Hu X, Cai B, Wu Y, Yang J, Zhao M. Dual-Frequency, Dual-Mode Reconfigurable Digital Atmospheric Radar Receiver Design. Electronics. 2024; 13(10):1879. https://doi.org/10.3390/electronics13101879
Chicago/Turabian StyleZhang, Zengmao, Qingchen Xu, Xiong Hu, Bing Cai, Yongkun Wu, Junfeng Yang, and Mingliang Zhao. 2024. "Dual-Frequency, Dual-Mode Reconfigurable Digital Atmospheric Radar Receiver Design" Electronics 13, no. 10: 1879. https://doi.org/10.3390/electronics13101879
APA StyleZhang, Z., Xu, Q., Hu, X., Cai, B., Wu, Y., Yang, J., & Zhao, M. (2024). Dual-Frequency, Dual-Mode Reconfigurable Digital Atmospheric Radar Receiver Design. Electronics, 13(10), 1879. https://doi.org/10.3390/electronics13101879

