Comparison of Energy Storage Management Techniques for a Grid-Connected PV- and Battery-Supplied Residential System
Abstract
1. Introduction
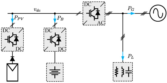
2. System Description
- —PV voltage,
- —PV converter input current,
- —battery voltage,
- —battery converter input current,
- —DC bus voltage,
- —DC-AC converter current,
- —load currents,
- —grid phase voltages at the PCC.
2.1. Local Controllers
2.2. Operating Scenarios
- system is considered lossless;
- grid power, , is negative when the grid provides power to the loads and/or the battery, and positive when receiving power from the PV and/or the ES;
- load power, , is always positive;
- PV system power, , is either negative or equal to zero;
- power from the battery, , is positive when charging and negative when discharging.
- (1)
- M1: The loads and the ES are supplied by the grid; this is applicable when the prices are low and it is desired to charge the battery. For this mode, the power balance is given by:
- (2)
- M2: In this case, the ES and the grid supply the power demanded by the loads. This scenario is possible when no PV generation is available, and it is intended to reduce the power demanded from the grid side.
- (3)
- M3: In this operating mode, the ES supplies both the loads and the grid. This scenario is expected at night hours when there is no PV generation or when the energy selling prices are high.
- (4)
- M4: In this case, the grid solely provides the power demanded by the loads, and the power balance is approximated as:
- (5)
- M5: This operating mode is related to the event where the PV can not fully supply the loads and charge the battery at the desired rate, resulting in the compensation of power from the grid. The power balance is approximated as:
- (6)
- M6: In this mode, the PV generation is greater than the demand for the loads and the battery, as a result, the excedent power is taken by the grid.
- (7)
- M7: This is the case when the PV is working in MPPT mode, and the ES is supplying power at the maximum limit and this does not suffice to supply the power demanded from the load. Then, the grid needs to provide additional power. This may be caused by a large demand from the loads and/or a low PV generation event.
- (8)
- M8: In this case, the generation from the residential system comes from the PV and ES, being greater than the load demand. The excess power is supplied to the grid, which may take place for local power demand or high power availability from the PV.
- (9)
- M9: This case results from the PV generation being lower than the load demand, for example, during night hours. This mode is similar to M6, with the difference of the ES being unable to store more energy. The power balance for this operation mode is given by:
- (10)
- M10: In the last mode, the PV generation is greater than the load demand; consequently, the grid absorbs a surplus of power, since the ES cannot store more energy.
3. Proposed EMS
3.1. Tariff-Driven Strategy
3.2. Energy Cost Minimization
3.2.1. Constraints
- Maximum power limit: In order to avoid battery degradation, the battery must be charged/discharged, according to the manufacturer’s specification. For ES products that are available in the market, the continuous power rating of lithium-ion batteries is about 5 kW [36]. This constraint is described in (5).
- Last value of SOC: To guarantee the operation of the system for the subsequent days, taking into consideration the next day’s forecast, an additional constraint is chosen where the target is to set the SOC at the end of the day to a predefined value, this constraint is expressed as:
- SOC limits: The following constraints are needed to guarantee that the SOC is within bounds during operation. For lithium-ion batteries, a lower limit of 20% is set, as a preventive measure to reduce the effect of aging due to a large depth of discharge (DOD) range [37]. A constant voltage control is needed to fully charge the battery, and this operating mode can be disregarded if the maximum SOC is set at 90%. In this range, the battery can safely operate in the continuous current charging/discharging mode. For the first hour of operation, the constraint is given by:For the first two hours of operation of the system, the constraint is given by:
3.2.2. Cost Function
3.3. Energy Exchange Minimization
3.3.1. Cost Function
3.4. Genetic Algorithm
- Initial population: A number of individual solutions, , are created. The individual solution is a vector that has every component of the decision variable, in this case, the battery power for each hour, . For this particular problem, the constraints are linear, and the initial population is created so that each individual of the population satisfies the constraints [40].
- Selection: As a result of the previous step, individual solutions yield different results. The best solutions are kept in the population and are duplicated, and the remaining ones are ruled out.
- Crossover: In this step, new solutions are created, with probability , from combinations of a pair of individuals. In other words, two different solutions of battery power references () are selected and combined to create a new solution.
- Mutation: The purpose of this operation is to allow for exploration of the search space to escape from the local minimum. Some of the components of the individual (battery power references) are changed with probability . The operation is performed so the individual satisfies the constraints.
- Termination criteria: Up to this step, one iteration of the algorithm has concluded. For this study, a predefined number of iterations , is selected as the termination criteria. If the number of iterations is reached, then the best solution from the population is selected.
4. Case Study
4.1. Tariff-Driven Strategy
4.2. Energy Cost Minimization
4.3. Energy Exchange Minimization
4.4. Comparison
5. Conclusions
Author Contributions
Funding
Data Availability Statement
Conflicts of Interest
Abbreviations
| AABC | Adaptive artificial bee colony |
| AI | Artificial intelligence |
| DER | Distributed energy resource |
| DOD | Depth of discharge |
| DP | Dynamic programming |
| DSO | Distribution system operator |
| EMS | Energy management system |
| ES | Energy storage |
| GA | Genetic algorithm |
| MILP | Mixed integer linear programming |
| MPC | Model predictive control |
| MPPT | Maximum power point tracking |
| NLP | Non-linear programming |
| PCC | Point of common coupling |
| PEC | Power electronics converter |
| PR | Proportional resonant |
| PSO | Particle swarm optimization |
| PV | Photovoltaic |
| QP | Quadratic programming |
| RES | Renewable energy source |
| SC | Supercapacitor |
| SOC | State of charge |
| TOU | Time of use |
| WT | Wind turbine |
References
- Fetting, C. The European Green Deal; Technical Report; ESDN Office: Vienna, Austria, 2020. [Google Scholar]
- Stynski, S.; Luo, W.; Chub, A.; Franquelo, L.G.; Malinowski, M.; Vinnikov, D. Utility-Scale Energy Storage Systems: Converters and Control. IEEE Industrial Electron. Mag. 2020, 14, 32–52. [Google Scholar] [CrossRef]
- Martins, J.F.; Romero-Cadaval, E.; Vinnikov, D.; Malinowski, M. Transactive Energy: Power Electronics Challenges. IEEE Power Electron. Mag. 2022, 9, 20–32. [Google Scholar] [CrossRef]
- García Vera, Y.E.; Dufo-López, R.; Bernal-Agustín, J.L. Energy Management in Microgrids with Renewable Energy Sources: A Literature Review. Appl. Sci. 2019, 9, 3854. [Google Scholar] [CrossRef]
- Hossain, M.A.; Pota, H.R.; Squartini, S.; Abdou, A.F. Modified PSO Algorithm for Real-Time Energy Management in Grid-Connected Microgrids. Renew. Energy 2019, 136, 746–757. [Google Scholar] [CrossRef]
- Ahmadiahangar, R.; Karami, H.; Husev, O.; Blinov, A.; Rosin, A.; Jonaitis, A.; Sanjari, M.J. Analytical Approach for Maximizing Self-Consumption of Nearly Zero Energy Buildings- Case Study: Baltic Region. Energy 2022, 238, 121744. [Google Scholar] [CrossRef]
- Zhao, Z.; Keerthisinghe, C. A Fast and Optimal Smart Home Energy Management System: State-Space Approximate Dynamic Programming. IEEE Access 2020, 8, 184151–184159. [Google Scholar] [CrossRef]
- Ruiz-Cortés, M.; González-Romera, E.; Amaral-Lopes, R.; Romero-Cadaval, E.; Martins, J.; Milanés-Montero, M.I.; Barrero-González, F. Optimal Charge/Discharge Scheduling of Batteries in Microgrids of Prosumers. IEEE Trans. Energy Convers. 2019, 34, 468–477. [Google Scholar] [CrossRef]
- González-Romera, E.; Ruiz-Cortés, M.; Milanés-Montero, M.I.; Barrero-González, F.; Romero-Cadaval, E.; Lopes, R.A.; Martins, J. Advantages of Minimizing Energy Exchange Instead of Energy Cost in Prosumer Microgrids. Energies 2019, 12, 719. [Google Scholar] [CrossRef]
- Thirunavukkarasu, G.S.; Seyedmahmoudian, M.; Jamei, E.; Horan, B.; Mekhilef, S.; Stojcevski, A. Role of Optimization Techniques in Microgrid Energy Management Systems—A Review. Energy Strategy Rev. 2022, 43, 100899. [Google Scholar] [CrossRef]
- Trivedi, R.; Khadem, S. Implementation of Artificial Intelligence Techniques in Microgrid Control Environment: Current Progress and Future Scopes. Energy AI 2022, 8, 100147. [Google Scholar] [CrossRef]
- Hafiz, F.; Lubkeman, D.; Husain, I.; Fajri, P. Energy Storage Management Strategy Based on Dynamic Programming and Optimal Sizing of PV Panel-Storage Capacity for a Residential System. In Proceedings of the 2018 IEEE/PES Transmission and Distribution Conf. and Exposition (T&D), Denver, CO, USA, 16–19 April 2018; pp. 1–9. [Google Scholar] [CrossRef]
- Li, Y.; Peng, J.; Jia, H.; Zou, B.; Hao, B.; Ma, T.; Wang, X. Optimal Battery Schedule for Grid-Connected Photovoltaic-Battery Systems of Office Buildings Based on a Dynamic Programming Algorithm. J. Energy Storage 2022, 50, 104557. [Google Scholar] [CrossRef]
- Ratnam, E.L.; Weller, S.R.; Kellett, C.M. An Optimization-Based Approach to Scheduling Residential Battery Storage with Solar PV: Assessing Customer Benefit. Renew. Energy 2015, 75, 123–134. [Google Scholar] [CrossRef]
- Liu, K.; Sheng, W.; Li, Z.; Liu, F.; Liu, Q.; Huang, Y.; Li, Y. An Energy Optimal Schedule Method for Distribution Network Considering the Access of Distributed Generation and Energy Storage. IET Gener. Transm. Distrib. 2023, 17, 2996–3015. [Google Scholar] [CrossRef]
- Georgiou, G.S.; Christodoulides, P.; Kalogirou, S.A. Optimizing the Energy Storage Schedule of a Battery in a PV Grid-Connected nZEB Using Linear Programming. Energy 2020, 208, 118177. [Google Scholar] [CrossRef]
- Härtel, F.; Bocklisch, T. Minimizing Energy Cost in PV Battery Storage Systems Using Reinforcement Learning. IEEE Access 2023, 11, 39855–39865. [Google Scholar] [CrossRef]
- Duan, Y.; Zhao, Y.; Hu, J. An Initialization-Free Distributed Algorithm for Dynamic Economic Dispatch Problems in Microgrid: Modeling, Optimization and Analysis. Sustain. Energy Grids Netw. 2023, 34, 101004. [Google Scholar] [CrossRef]
- Zia, M.F.; Elbouchikhi, E.; Benbouzid, M. Microgrids Energy Management Systems: A Critical Review on Methods, Solutions, and Prospects. Appl. Energy 2018, 222, 1033–1055. [Google Scholar] [CrossRef]
- Yi, Z.; Dong, W.; Etemadi, A.H. A Unified Control and Power Management Scheme for PV-Battery-Based Hybrid Microgrids for Both Grid-Connected and Islanded Modes. IEEE Trans. Smart Grid 2018, 9, 5975–5985. [Google Scholar] [CrossRef]
- Merabet, A.; Tawfique Ahmed, K.; Ibrahim, H.; Beguenane, R.; Ghias, A.M.Y.M. Energy Management and Control System for Laboratory Scale Microgrid Based Wind-PV-Battery. IEEE Trans. Sustain. Energy 2017, 8, 145–154. [Google Scholar] [CrossRef]
- Mahmud, K.; Sahoo, A.K.; Ravishankar, J.; Dong, Z.Y. Coordinated Multilayer Control for Energy Management of Grid-Connected AC Microgrids. IEEE Trans. Industry Appl. 2019, 55, 7071–7081. [Google Scholar] [CrossRef]
- Tran, V.T.; Islam, M.R.; Muttaqi, K.M.; Sutanto, D. An Efficient Energy Management Approach for a Solar-Powered EV Battery Charging Facility to Support Distribution Grids. IEEE Trans. Ind. Appl. 2019, 55, 6517–6526. [Google Scholar] [CrossRef]
- González-Romera, E.; Roncero-Clemente, C.; Barrero-González, F.; Milanés-Montero, M.I.; Romero-Cadaval, E. A Comprehensive Control Strategy for Multibus Nanogrids With Power Exchange Between Prosumers. IEEE Access 2021, 9, 104281–104293. [Google Scholar] [CrossRef]
- Agnoletto, E.J.; Silva de Castro, D.; Neves, R.V.A.; Quadros Machado, R.; Oliveira, V.A. An Optimal Energy Management Technique Using the ϵ-Constraint Method for Grid-Tied and Stand-Alone Battery-Based Microgrids. IEEE Access 2019, 7, 165928–165942. [Google Scholar] [CrossRef]
- Roncero-Clemente, C.; Roanes-Lozano, E.; Barrero-González, F. A Multi-Criteria Computer Package-Based Energy Management System for a Grid-Connected AC Nanogrid. Mathematics 2021, 9, 487. [Google Scholar] [CrossRef]
- Luna, A.C.; Meng, L.; Diaz, N.L.; Graells, M.; Vasquez, J.C.; Guerrero, J.M. Online Energy Management Systems for Microgrids: Experimental Validation and Assessment Framework. IEEE Trans. Power Electron. 2018, 33, 2201–2215. [Google Scholar] [CrossRef]
- Jafari, M.; Malekjamshidi, Z.; Zhu, J.; Khooban, M.H. A Novel Predictive Fuzzy Logic-Based Energy Management System for Grid-Connected and Off-Grid Operation of Residential Smart Microgrids. IEEE J. Emerg. Sel. Topics Power Electron. 2020, 8, 1391–1404. [Google Scholar] [CrossRef]
- Arcos-Aviles, D.; Pascual, J.; Guinjoan, F.; Marroyo, L.; García-Gutiérrez, G.; Gordillo-Orquera, R.; Llanos-Proaño, J.; Sanchis, P.; Motoasca, T.E. An Energy Management System Design Using Fuzzy Logic Control: Smoothing the Grid Power Profile of a Residential Electro-Thermal Microgrid. IEEE Access 2021, 9, 25172–25188. [Google Scholar] [CrossRef]
- Khan, M.A.; Haque, A.; Kurukuru, V.S.B. Power Flow Management With Q-Learning for a Grid Integrated Photovoltaic and Energy Storage System. IEEE J. Emerg. Sel. Top. Power Electron. 2022, 10, 5762–5772. [Google Scholar] [CrossRef]
- Chen, S.Y.; Chang, C.H. Optimal Power Flows Control for Home Energy Management With Renewable Energy and Energy Storage Systems. IEEE Trans. Energy Convers. 2023, 38, 218–229. [Google Scholar] [CrossRef]
- Sakasegawa, E.; Chishiki, R.; Sedutsu, R.; Soeda, T.; Haga, H.; Kennel, R.M. Comparison of Interleaved Boost Converter and Two-Phase Boost Converter Characteristics for Three-Level Inverters. World Electr. Veh. J. 2023, 14, 7. [Google Scholar] [CrossRef]
- Kroičs, K.; Staņa, Ģ. Bidirectional Interleaved DC–DC Converter for Supercapacitor Energy Storage Integration with Reduced Capacitance. Electronics 2023, 12, 126. [Google Scholar] [CrossRef]
- Rojas, F.; Cárdenas, R.; Burgos-Mellado, C.; Espina, E.; Pereda, J.; Pineda, C.; Arancibia, D.; Díaz, M. An Overview of Four-Leg Converters: Topologies, Modulations, Control and Applications. IEEE Access 2022, 10, 61277–61325. [Google Scholar] [CrossRef]
- Kot, R.; Stynski, S.; Stepien, K.; Zaleski, J.; Malinowski, M. Simple Technique Reducing Leakage Current for H-Bridge Converter in Transformerless Photovoltaic Generation. J. Power Electron. 2016, 16, 153–162. [Google Scholar] [CrossRef][Green Version]
- Tesla Powerwall 2 Datasheet. Available online: https://www.tesla.com/sites/default/files/pdfs/powerwall/Powerwall%202_AC_Datasheet_en_northamerica.pdf (accessed on 13 June 2023).
- Han, X.; Lu, L.; Zheng, Y.; Feng, X.; Li, Z.; Li, J.; Ouyang, M. A Review on the Key Issues of the Lithium Ion Battery Degradation among the Whole Life Cycle. eTransportation 2019, 1, 100005. [Google Scholar] [CrossRef]
- Gelleschus, R.; Böttiger, M.; Stange, P.; Bocklisch, T. Comparison of Optimization Solvers in the Model Predictive Control of a PV-battery-heat Pump System. Energy Procedia 2018, 155, 524–535. [Google Scholar] [CrossRef]
- Katoch, S.; Chauhan, S.S.; Kumar, V. A Review on Genetic Algorithm: Past, Present, and Future. Multimed. Tools Appl. 2021, 80, 8091–8126. [Google Scholar] [CrossRef]
- Importance of Population Diversity, MATLAB. Available online: https://www.mathworks.com/help/gads/population-diversity.html (accessed on 17 December 2023).
- Bu, F.; Dehghanpour, K.; Wang, Z. Enriching Load Data Using Micro-PMUs and Smart Meters. IEEE Trans. Smart Grid 2021, 12, 5084–5094. [Google Scholar] [CrossRef]













| Parameters | Symbol | Values | Parameters | Symbol | Values |
|---|---|---|---|---|---|
| PV System Maximum Power | 10 kW | PV Voltage at Maximum Power Point | 450 V | ||
| PV Short Circuit Current | 18.5 A | Battery Total Energy | 10 kWh | ||
| Battery Nominal Voltage | 450 V | Grid Nominal Voltage (line-neutral) | 230 | ||
| Grid Nominal Frequency | 50 Hz | Grid Inductance | 100 µH | ||
| Grid Resistance | 120 m | Switching frequency | 40 kHz | ||
| DC bus nominal voltage | 750 V | DC bus capacitor | 1 mF | ||
| internal resistor | 10 m | Filter converter side inductor | 2 mH | ||
| and internal resistor | 10 m | Filter grid side inductor | 300 µH | ||
| internal resistor | 10 m | Capacitor filter | 3 µF | ||
| internal resistor | 10 m | Boost converter inductance | 4 mH | ||
| internal resistor | 10 m | Battery converter inductance | 4 mH | ||
| internal resistor | 10 m | PV capacitor | 5 µF | ||
| internal resistor | 10 m | Battery capacitor | 5 µF | ||
| internal resistor | 10 m | - | - | - |
| Description | Equation | Gains | |
|---|---|---|---|
| Proportional | Integral | ||
| Battery current controller | |||
| PV current controller | |||
| PV voltage controller | |||
| DC Bus voltage controller | |||
| DC-AC current controller | |||
| Mode | PV | ES | Grid |
|---|---|---|---|
| M1 | 0 | + | − |
| M2 | 0 | − | − |
| M3 | 0 | − | + |
| M4 | 0 | 0 | − |
| M5 | − | + | − |
| M6 | − | + | + |
| M7 | − | − | − |
| M8 | − | − | + |
| M9 | − | 0 | − |
| M10 | − | 0 | + |
| EMS | SOC 30% | SOC 50% | SOC 90% | |||||||||
|---|---|---|---|---|---|---|---|---|---|---|---|---|
| Cost (€) | (kWh) | (kW) | (kW) | Cost (€) | (kWh) | (kW) | (kW) | Cost (€) | (kWh) | (kW) | (kW) | |
| Cloudy—Cloudy | ||||||||||||
| −6.51 | 75.23 | 1.93 | −4.61 | −6.51 | 75.21 | 1.93 | −4.61 | −6.51 | 75.22 | 1.93 | −4.61 | |
| −6.26 | 84.90 | 4.89 | −4.72 | −6.13 | 94.20 | 4.85 | −5.26 | −6.36 | 81.30 | 4.92 | −5.19 | |
| −7.65 | 44.59 | 0.18 | −2.87 | −7.61 | 45.02 | 0.41 | −2.97 | −7.66 | 46.71 | 0.74 | −3.29 | |
| Cloudy—Sunny | ||||||||||||
| −3.66 | 86.49 | 4.13 | −4.61 | −3.66 | 86.49 | 4.13 | −4.61 | −3.66 | 86.50 | 4.13 | −4.61 | |
| −3.47 | 93.22 | 4.92 | −4.86 | −3.36 | 102.41 | 5.55 | −6.08 | −3.18 | 111.88 | 6.59 | −5.04 | |
| −4.51 | 50.05 | 2.26 | −2.74 | −4.55 | 51.23 | 2.33 | −2.90 | −4.65 | 59.16 | 2.25 | −3.03 | |
| Sunny—Cloudy | ||||||||||||
| −3.66 | 86.53 | 4.14 | −4.58 | −3.66 | 86.52 | 4.14 | −4.58 | −3.65 | 86.51 | 4.14 | −4.57 | |
| −3.23 | 107.79 | 6.84 | −5.07 | −3.33 | 99.91 | 5.69 | −5.27 | −3.40 | 96.73 | 4.93 | −5.52 | |
| −4.54 | 51.43 | 2.12 | −2.97 | −4.53 | 51.58 | 2.33 | −2.84 | −4.65 | 55.21 | 2.16 | −2.92 | |
| Sunny—Sunny | ||||||||||||
| −0.81 | 97.81 | 4.14 | −3.28 | −0.81 | 97.78 | 4.14 | −3.27 | −0.80 | 97.80 | 4.14 | −3.59 | |
| −0.33 | 122.17 | 5.72 | −5.05 | −0.46 | 114.79 | 5.56 | −4.65 | −0.36 | 118.71 | 7.72 | −5.15 | |
| −1.48 | 55.53 | 2.27 | −2.64 | −1.52 | 57.52 | 2.23 | −2.59 | −1.73 | 66.40 | 2.31 | −3.69 | |
Disclaimer/Publisher’s Note: The statements, opinions and data contained in all publications are solely those of the individual author(s) and contributor(s) and not of MDPI and/or the editor(s). MDPI and/or the editor(s) disclaim responsibility for any injury to people or property resulting from any ideas, methods, instructions or products referred to in the content. |
© 2023 by the authors. Licensee MDPI, Basel, Switzerland. This article is an open access article distributed under the terms and conditions of the Creative Commons Attribution (CC BY) license (https://creativecommons.org/licenses/by/4.0/).
Share and Cite
Martínez-Caballero, L.; Kot, R.; Milczarek, A.; Malinowski, M. Comparison of Energy Storage Management Techniques for a Grid-Connected PV- and Battery-Supplied Residential System. Electronics 2024, 13, 87. https://doi.org/10.3390/electronics13010087
Martínez-Caballero L, Kot R, Milczarek A, Malinowski M. Comparison of Energy Storage Management Techniques for a Grid-Connected PV- and Battery-Supplied Residential System. Electronics. 2024; 13(1):87. https://doi.org/10.3390/electronics13010087
Chicago/Turabian StyleMartínez-Caballero, Luis, Radek Kot, Adam Milczarek, and Mariusz Malinowski. 2024. "Comparison of Energy Storage Management Techniques for a Grid-Connected PV- and Battery-Supplied Residential System" Electronics 13, no. 1: 87. https://doi.org/10.3390/electronics13010087
APA StyleMartínez-Caballero, L., Kot, R., Milczarek, A., & Malinowski, M. (2024). Comparison of Energy Storage Management Techniques for a Grid-Connected PV- and Battery-Supplied Residential System. Electronics, 13(1), 87. https://doi.org/10.3390/electronics13010087

