Abstract
The application of conventional AC collection for the integration of large-scale renewable energy sources may lead to issues concerning harmonic resonance and reactive power transmission. Conversely, the utilization of an all-DC power generation system for wind power (WDCG) can effectively circumvent such issues. In contrast to the conventional power system, the interdependence among subsystems in the WDCG renders it susceptible to oscillation instability in the presence of minor disturbances. To address this concern, this paper first establishes a small-signal model for the WDCG, and validates the accuracy of this model by comparing it with an electromagnetic transient model based on PSCAD/EMTDC. Secondly, employing the eigenvalue analysis method, the principal oscillation modes of the WDCG are identified, and the state variables strongly correlated with these modes are analyzed using the participation factor method. Moreover, a quantitative assessment of the impact of operational and control parameters closely associated with the strongly correlated state variables on the negative damper oscillation model is conducted. The findings of the analysis reveal that the small-disturbance stability of the WDCG is significantly influenced by the operational parameters of the outlet capacitance of the ma-chine-side converter (MSC), the outlet capacitance of the direct current wind turbine (DCWT), the sub-module capacitance of the modular multilevel converter (MMC), and the inductance of the bridge arm. Additionally, the stability is al-so affected by the control parameters of the constant DC voltage control on the DCWT side, the voltage outer-loop–current inner-loop control, and the circulation suppression on the MMC side. The simulation results based on PSCAD validate the efficacy of the proposed method in identifying the dominant factors.
1. Introduction
The majority of onshore wind energy resources in China were previously primarily concentrated in the northwest, gradually assuming the responsibility of providing clean energy to the central load in eastern regions [1]. The application of traditional AC collection systems would inevitably introduce issues of harmonic resonance and reactive power transmission, thereby impeding the large-scale development of wind power. Notably, the large-scale wind power bases in western China were situated in a weak grid structure. Therefore, the aggregation and long-distance transmission of wind power necessitated the expeditious implementation of a DC power grid, renowned for its inherent stability advantage. It was necessary to address the urgency for a DC power grid with a stability advantage [2]. The all-DC collection and transmission system exhibited a remarkable capacity to effectively mitigate the challenges associated with harmonics and reactive power in traditional AC collection systems [3]. In addition, it featured advantages in terms of reducing transmission loss and investment. However, at the initial stage, the topology, design scheme, and operational control of the WDCG had yet to materialize as a clearly defined plan. The interaction between power electronic equipment rendered the dynamic modeling method and stability mechanism ambiguous. As new power systems were being constructed, a plethora of new energy sources were being integrated. The traditional power system, which was tailored for synchronous generators, faced a significant transformation into a new power system dominated by new energy. This transition entailed large-scale new energy integration through static converters, resulting in a mismatch with the traditional source network. The integration of new energy into the grid necessitated grid support. Previously, the traditional grid relied on synchronous machines to provide support. However, with the replacement of synchronous machines, new energy sources were unable to offer the requisite support, thereby leaving the grid unsupported. Hence, there arose a need for new energy to adapt to the grid or for the grid to adapt to new energy. In response to this challenge, we advocate for the WDCG system, which aims to reconfigure the grid structure to accommodate new energy. The development of the MMC converter and offshore wind power all-DC system has demonstrated that new energy sources no longer need to support the grid. Moreover, it has shown that the grid’s adaptability is commendable, as it can provide support for the grid. Therefore, it is reasonable to expect that the WDCG system could effectively resolve the issue of integrating new energy into the grid, thereby realizing a new type of power system. Accordingly, the Ministry of Science and Technology has identified the WDCG as a potential solution to the problem of new energy grid connection and as an effective means to realize a new type of “new power system.” In line with this, the Ministry has initiated a research project under the “13th Five-Year” National Key Research and Development Program, focusing on the onshore wind power DC power generation system and cooperative control technology. This project seeks to explore effective solutions for realizing a new type of power system amid the large-scale integration of new energy sources.
In the existing body of research, significant attention has been directed towards examining the stability of wind power collection and transmission systems. Modal analysis has been utilized in [4,5] to obtain eigenvalue information, forming the basis for subsequent analysis. This method is advantageous for accurate stability assessment and has been widely applied to analyze small-disturbance stability in wind power systems [6,7,8,9]. Participation factor analysis has proven beneficial for identifying mode types and assessing the involvement of state variables in relation to eigenvalues [10,11]. In [12], the participation factor was used to identify strongly correlated state variables affecting the stability of grid-connected wind power systems. The study in [13] established a model of multiple direct-drive wind power turbines connected to a weak AC grid, demonstrating the influence of various factors on small-disturbance oscillation characteristics. Additionally, a small-signal model of wind farm power transmission-based VSC-HVDC was studied in [14,15,16,17], focusing on dominant participation factors in oscillation models. Qualitative studies on the stability of grid-connected wind power systems were conducted in [18,19], revealing the impact of wind speed, the number of connected wind turbines, and control system parameters on stability. Finally, in [20,21], a small-signal model of grid-connected offshore wind power systems based on DC collection highlighted the significant effect of controller parameters on system stability.
In conclusion, the research on small-disturbance oscillation in both the conventional wind power AC collection system and the offshore wind power DC collection system has been the subject of extensive study. The WDCG topology, in contrast to the traditional wind power system, is characterized by a greater level of intricacy, owing to the increased utilization of power electronic devices, thereby resulting in the interaction of stability-influencing factors. Therefore, the applicability of the small-disturbance stability mechanism and the dominant factors inherent in the traditional wind power system to the WDCG necessitates thorough analysis. By integrating the research methodologies employed in addressing small-disturbance oscillation issues in the traditional wind power system and taking into account the interdependent nature and control interaction among subsystems, the matter of small-disturbance stability and the identification of dominant factors in the context of the WDCG is studied.
Based on the aforementioned analysis, it is evident that a comprehensive explanation of the oscillation instability in a WDCG resulting from small disturbances is yet to be achieved, particularly with regard to the identification of the dominant influencing factors in small-disturbance stability.
The principal contributions of this paper can be succinctly encapsulated as follows:
- (1)
- The proposition of a WDCG topology and the formulation of a small-signal model for the WDCG.
- (2)
- The explication of the impact of key parameters on WDCG stability by assessing the sensitivity of eigenvalues and conducting participation factor analysis.
The structure of this paper is as follows: Section 2 introduces the WDCG topology. Section 3 expounds upon the development of the small-signal model for the WDCG. Section 4, predicated on the established model, identifies the dominant factors through eigenvalue analysis and participation factor methodology, and subsequently, the effects of eigenvalue sensitivity on the stability of the WDCG are quantitatively evaluated. Section 5 presents the results of PSCAD/EMTDC time-domain simulations, which corroborate the principal findings of this study. Finally, Section 6 discusses this study and Section 7 concludes this paper.
2. Topology of Onshore Wind Power All-DC System
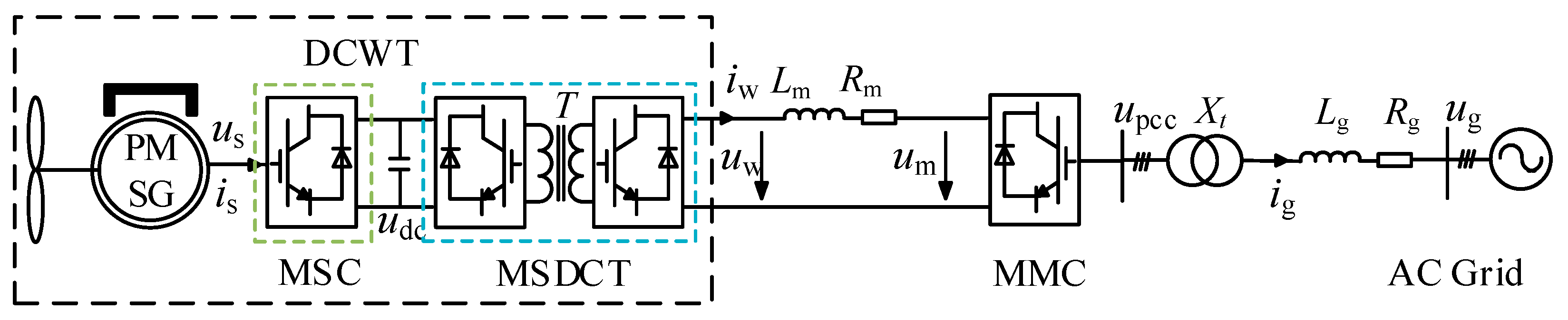
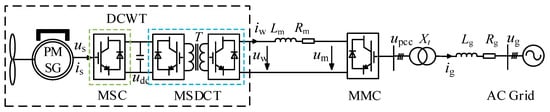
The illustration in Figure 1 depicts the topography of the onshore wind power all-DC system, comprising a DC wind power turbine, a DC line, a grid-connected inverter, and an AC system. The direct current wind turbine (DCWT) comprises a permanent magnet synchronous generator (PMSG), a machine-side converter (MSC), and a machine-side direct current transformer (MSDCT). The MSDCT employs a dual active full-bridge topology to facilitate bidirectional power flow while isolating the input and output. Therefore, in the event of a fault, the wind turbine is shielded from transient voltage and current shocks, thereby enabling the self-starting of the wind turbine. On the wind power turbine side, the AC power from the PMSG is initially converted into DC power with a voltage of 4.5 kV by the MSC. Accordingly, the DC power is elevated to 20 kV by the MSDCT. The MSC utilizes maximum power-point tracking (MPPT) to optimize power transmission, while the MSDCT employs constant DC voltage control to ensure a consistent output voltage from the MSC. us, is, udc, idc, uw, and iw represent the PMSG port, MSC outlet, and DCWT output voltage and current, respectively. On the grid side, the 20 kV DC output from the DCWT is conveyed via the DC line and linked to the grid through the MMC grid-connected inverter, which employs constant DC voltage control to maintain a steady DC voltage. The DC line utilizes an equivalent model, with the line capacitance being equated to the capacitance on the DCWT side and the MMC side. Additionally, Lm and Rm denote the line’s equivalent inductance and resistance, while Xt represents the step-up transformer. The variables ug and ig correspond to the AC system’s voltage and current, respectively.
Figure 1.
Topology of wind power all DC system.
3. Small-Signal Model for Onshore Wind Power All-DC System
This paper adopts a modular approach to modeling. A small-signal model of the WDCG is constructed.
3.1. Small-Signal Model for DCWT
The DCWT topology is depicted in Figure 2. The DCWT comprises an MSC and an MSDCT, with the MSC connected in series with the MSDCT. All fully controlled devices are utilized in both the MSC and MSDCT. A DC link is present between the MSC and MSDCT. As part of a demonstration system, the first international ±30 kV/5 MW WDCG demonstration project is set to be established in Xinjiang.
Figure 2.
DCWT topology diagram.
3.1.1. DCWT Dynamic Characteristic
The dynamic characteristics of the DCWT primarily include PMSG dynamic characteristics, MSC dynamic characteristics, and MSDCT dynamic characteristics.
- (1)
- PMSG dynamic characteristics
This paper focuses on the small-disturbance stability of the system. Therefore, the impact of complex factors in the shaft system is disregarded, and a single-mass-block model is employed to describe the PMSG dynamic characteristics, which can be expressed as follows:
where J is the moment of inertia; ω is the rotational angular velocity of the rotor; Tm and Te are mechanical torque and electromagnetic torque, respectively; Rw is the rotational resistance coefficient; p is the air density; S is the swept area; Cp is the wind energy utilization coefficient; v is the wind speed; Np is the polar logarithm; and ψf is the permanent magnet flux.
- (2)
- MSC Dynamic Characteristic
The relationship between voltage and current in the dq axis coordinate system is shown as (2):
where Rs and Ls are the equivalent resistance and inductance of the stator, respectively; S is the electrical speed of PMSG; esd, esq, isd, and isq are the dq axis components of the PMSG output voltage and current, respectively; and Dd and Dq are the components of the duty cycle on the dq axis, respectively.
- (3)
- MSDCT Dynamic Characteristics
The MSDCT adopts a dual active full-bridge topology, with the two fundamental full-bridge units interconnected through high-frequency transformer coupling. The leakage inductance serves as the pivotal element for energy transfer in the system. The high-frequency transformers on both sides of the unit bridge can be implemented for phase shift control in the unit bridge or between the unit bridges, thereby regulating the direction of energy flow and the magnitude of power transferred.
The input–output relationship of the MSDCT is shown in Equation (3):
where n is the transformation ratio of the high-frequency transformer; fs is the switching frequency; d is the duty cycle; and Lr is the primary inductance.
For a small disturbance, the linearizing equations from (1) to (3) can be re-written as:
where the “^” above the letter represents the disturbance of the corresponding physical quantity, while the rest represent the steady-state values at the steady-state operating point of the system. The same applies below (K = npLs).
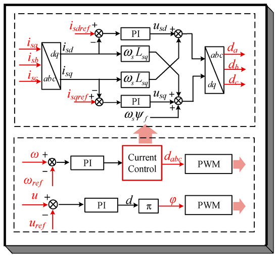
3.1.2. DCWT Control System Modeling
The MSC in the DCWT employs a sophisticated control mechanism to regulate the active power output of the generator, thereby optimizing power tracking. This is achieved through the implementation of a speed outer loop and a current inner loop vector control strategy, which is based on rotor flux orientation. In addition, the MSC in the DCWT is designed to ensure the stability of the DC link voltage by employing a constant DC voltage control strategy. A comprehensive control block diagram of the DCWT is depicted in Figure 3. In the MSC, the dq-axis current is responsible for controlling the active and reactive power, while the d-axis is assigned a reference value of 0 to minimize generator losses. The reference value of the q-axis is determined by the difference between the measured speed value and the reference value, and is outputted by the PI regulator. Moreover, the reference value of the DC link voltage, as stipulated in the MSC’s DC voltage control strategy, is fed into the PI regulator as a deviation from the measured voltage value. The deviation value of the input voltage is then processed through the PI controller to yield the phase shift ratio. The product of the phase shift ratio “d” and π, in turn, yields the phase shift angle, which is utilized by the PWM to regulate the stability of the DC voltage.
Figure 3.
DCWT control block diagram.
- (1)
- MSC Control Modeling
MSC adopts a dual loop decoupling control strategy, including a speed outer loop and a current inner loop. To facilitate the integration process, three state variables are introduced:
The output of the MSC controller can be represented as:
where Ls is the equivalent inductance of the stator; ψf is the permanent magnet flux; kp1 and ki1 are the proportional and integral factors of the d axis current inner loop PI controller; kp2 and ki2 are the proportional and integral factors of the speed outer loop PI controller; kp3 and ki3 are the proportional and integral factors of the q axis current inner loop PI controller; and idref and iqref are dq axis current references, respectively.
- (2)
- MSDCT Control Modeling
By linearizing Equations (8) and (9), Equations (10) and (11) can be obtained:
3.1.3. Implementation of Interface between DCWT Control System and Main Circuit Model
Drawing from the dynamic characteristics and control system model of the aforementioned DCWT, Equations (4)–(6), (10), and (11) are combined and integrated into a state equation:
The expressions for specific matrices are shown in Appendix A.
3.2. Small Signal Model of MMC Grid-Connected Inverter
The grid-connected inverter in this study adopts a modular multi-level structure, and its control system comprises voltage outer loop–current inner loop control, phase-locked loop, and circulating current suppression. The dynamic characteristics and con-trol modeling of this system are extensively expounded in reference [22].
- (1)
- MMC Main Circuit Model
- (2)
- MMC Control Model
The small-signal model of the MMC control system is:
where
where xcird, xcirq, xud, xid, xiq, and xpll, respectively, represent the integration of the PI link error signal of the loop suppression control, voltage outer loop–current inner loop control, and phase-locked loop with time, and θpll is the output phase angle of the phase-locked loop.
The small-signal model of MMC can be obtained from Equations (13) and (14):
where .
- (3)
- Small signal model for DC transmission line
The mathematical model of the DC line in the wind power all-DC system can be expressed as:
After linearization, the small-disturbance equation is:
3.3. Global Small-Signal Model for Onshore All-DC Wind Power Systems
By consolidating the linearization equations of the DCWT, DC line, and MMC, and organizing them into the form of state equations, a comprehensive small-signal model of the entire wind power all-DC system can be derived:
where .
3.4. Validation of Small-Signal Model
To verify the accuracy of the small-signal model, an electromagnetic transient model of the WDCG is constructed using PSCAD/EMTDC, as depicted in Figure 1. Additionally, a small-signal model is developed using MATLAB. The system parameters utilized in the model are detailed in Appendix A.
Figure 4 illustrates the dynamic responses derived from the established small-signal model in MATLAB and the comprehensive electromagnetic transient (EMT) simulations conducted in PSCAD/EMTDC. Here, “EMT” denotes the time-domain response acquired from EMT simulations, while “SSM” represents the dynamic responses of the system obtained from the developed small-signal model. In the initial stage, the system operates at a nominal operating point. Accordingly, the MSDCT voltage reference value is changed from 4.5 kV to 4.25 kV at 4 s.
Figure 4.
Small-disturbance model validation. (a) MSC outlet voltage; (b) MMC grid-connected d-axis current; (c) DCWT outlet voltage.
Figure 4a–c showcases the dynamic responses of the DC voltage, d-axis current of MMC, and DCWT voltage following the step-change in the MSDCT voltage reference. It is evident from Figure 4 that the dynamic responses obtained from the small-signal model align with those from EMT simulations, thereby affirming the accuracy of the developed small-signal model.
4. Analysis of Oscillation Characteristic and Identification of Dominant Factor in Onshore Wind Power All-DC System
4.1. Analysis of Oscillation Mode
This paper focuses on examining the oscillation characteristics in the maximum power tracking region. Specifically, the pitch angle of the wind turbine is set at 0, and the wind energy utilization factor Cp is maximized by regulating the rotation speed in correspondence with the wind speed to maximize the output power.
Utilizing the small-signal model, the modal analysis method [23,24] is employed to analyze the eigenvalues of the system’s characteristic equation. When the real parts of all eigenvalues are negative, the system is considered stable; conversely, if the real part of the eigenvalues is positive, the system is considered unstable [25]. Upon the wind speed reaching 8 m/s, the principal oscillation modes are determined by computing the eigenvalues of the coefficient matrix, as presented in Table 1.
Table 1.
The main oscillation modes of WDCG.
Table 1 illustrates that the WDCG primarily exhibits four oscillation modes: one sub-synchronous oscillation mode, denoted as λ7,8, and two intermediate-frequency oscillation modes, denoted as λ3,4 and λ5,6, as well as one high-frequency oscillation mode, denoted as λ1,2. Of these, this study focuses predominantly on λ7,8 due to its exhibition of negative damping, which has implications for system stability.
Upon changing the wind speeds to 7 m/s, 8 m/s, and 9 m/s, the results of the negative damping oscillation mode λ7,8 are presented in Table 2.
Table 2.
Oscillation mode λ7,8 of WDCG under different wind speeds.
Table 2 reveals that the damping ratio of the oscillation mode experiences a slight increase, while the frequency remains largely unchanged with increased wind speed. This suggests that the stability of the WDCG is enhanced under higher wind speeds in the maximum power tracking region. This paper utilizes a wind speed of 8 m/s as a case study for eigenvalue analysis to reveal the oscillation mechanism in the maximum power tracking region.
Drawing from the oscillation mode analysis in Table 1, the normalized participation factor of λ7,8 is computed to further clarify the relationship between λ7,8 and state variables. This is depicted in Figure 5 [26].
Figure 5.
Participation factor analysis of mode λ7,8.
As shown in Figure 5, udc, x4, uw, uc1q, icirq, xud, xid, and um are strongly correlated state variables of λ7,8, which indicates that λ7,8 is related to both the DCWT and MMC grid-connected inverter.
The multitude of system parameters significantly impacts closely correlated state variables; thus, the eigenvalue sensitivity of relevant parameters is computed to identify the dominant influencing factors. The calculation formula is as follows [27]:
where ui and vi are, respectively, the left and right eigenvectors of λi, and α is the system parameter. A larger calculation value indicates that the eigenvalue is more sensitive to the parameter variable. Conversely, a smaller calculation value has a smaller impact.
4.2. Analysis of the Influence of Operation Parameters on Oscillation Mode
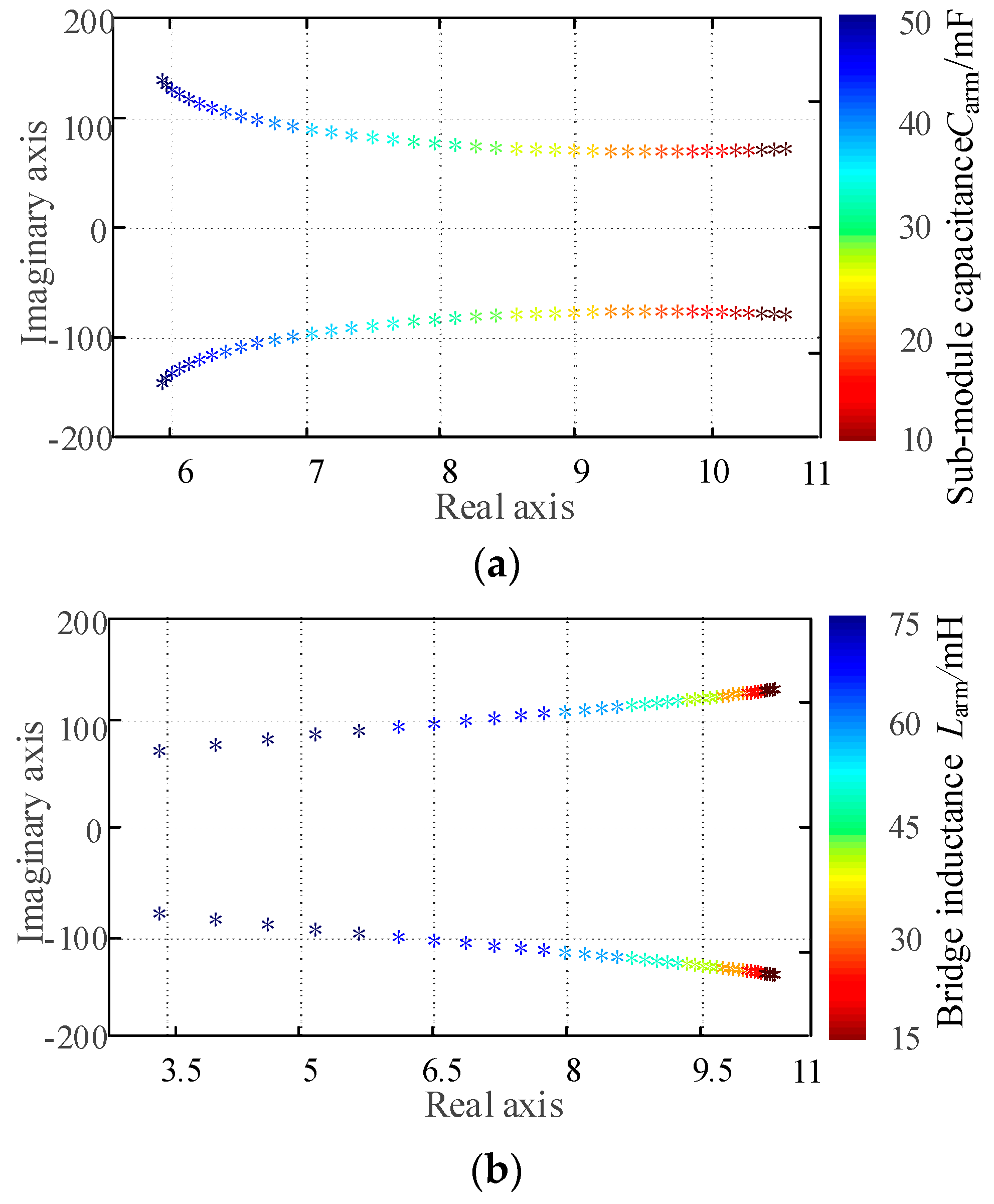
Building upon the results of the participation factor analysis, this study delves into the operational parameters closely associated with closely correlated state variables. Therefore, the DCWT outlet DC capacitance, MMC submodule capacitance, and MMC bridge inductance are chosen for the analysis of their impact on the damping and frequency characteristics of the modes.
By selecting the aforementioned operational parameters as variables, while keeping the other system parameters constant, the eigenvalue sensitivity of the operational parameters is computed and presented in Table 3.
Table 3.
Eigenvalue sensitivity of operating parameters of WDCG.
Table 3 demonstrates that Cf, Carm, Larm, and Cg exert a significant impact on the oscillation mode. Therefore, while keeping the other parameters constant, the aforementioned parameters are sequentially changed. The changes in the oscillation mode in the complex plane are depicted in Figure 6 and Figure 7.
Figure 6.
The influence of the DCWT subsystem operating parameters on oscillation mode. (a) Effect of DC capacitance Cf on oscillation mode. (b) Effect of outlet capacitance Cg on oscillation mode.
Figure 7.
The influence of MMC subsystem operating parameters on oscillation mode. (a) Effect of submodule capacitance Carm on oscillation mode. (b) Effect of bridge inductance Larm on oscillation mode.
In Figure 6 and Figure 7, in the domain of the DCWT, it is observed that the mode λ7,8 exhibits a leftward trend as Cf is increased. An increase in the damping ratio serves to further enhance the stability margin. The oscillation frequency experiences a modest reduction to approximately 17.54 Hz. Subsequently, as Cg is increased, the λ7,8 mode shifts rightward and gradually converges towards the imaginary axis. Upon reaching a capacitance of 20 mF, the eigenvalue penetrates the left-half plane, thereby establishing critical stability in the system, accompanied by an oscillation frequency of 11.94 Hz. With continued increments in Cg, the eigenvalue continues to shift rightward, thus reducing the system’s stability margin and concurrently elevating the oscillation frequency. During system operation, the DC capacitance is capable of mitigating voltage fluctuations under minor disturbances; thus, an appropriate improvement in the capacitance can effectively enhance the system’s stability margin and promote stable operation.
On the MMC front, the mode λ7,8 exhibits a leftward shift with increased Carm. This leads to an enhancement in the damping ratio and a gradual rise in the oscillation frequency from 12.73 Hz to 23.87 Hz. As Larm increases, the mode λ7,8 gradually shifts leftward, resulting in an increase in the damping ratio and a gradual reduction in the oscillation frequency from 20.69 Hz to 12.24 Hz. Meanwhile, improving the capacitance and bridge inductance of the MMC sub-module can mitigate voltage fluctuations and the phase-to-phase circulating current, thereby enhancing the stability margin.
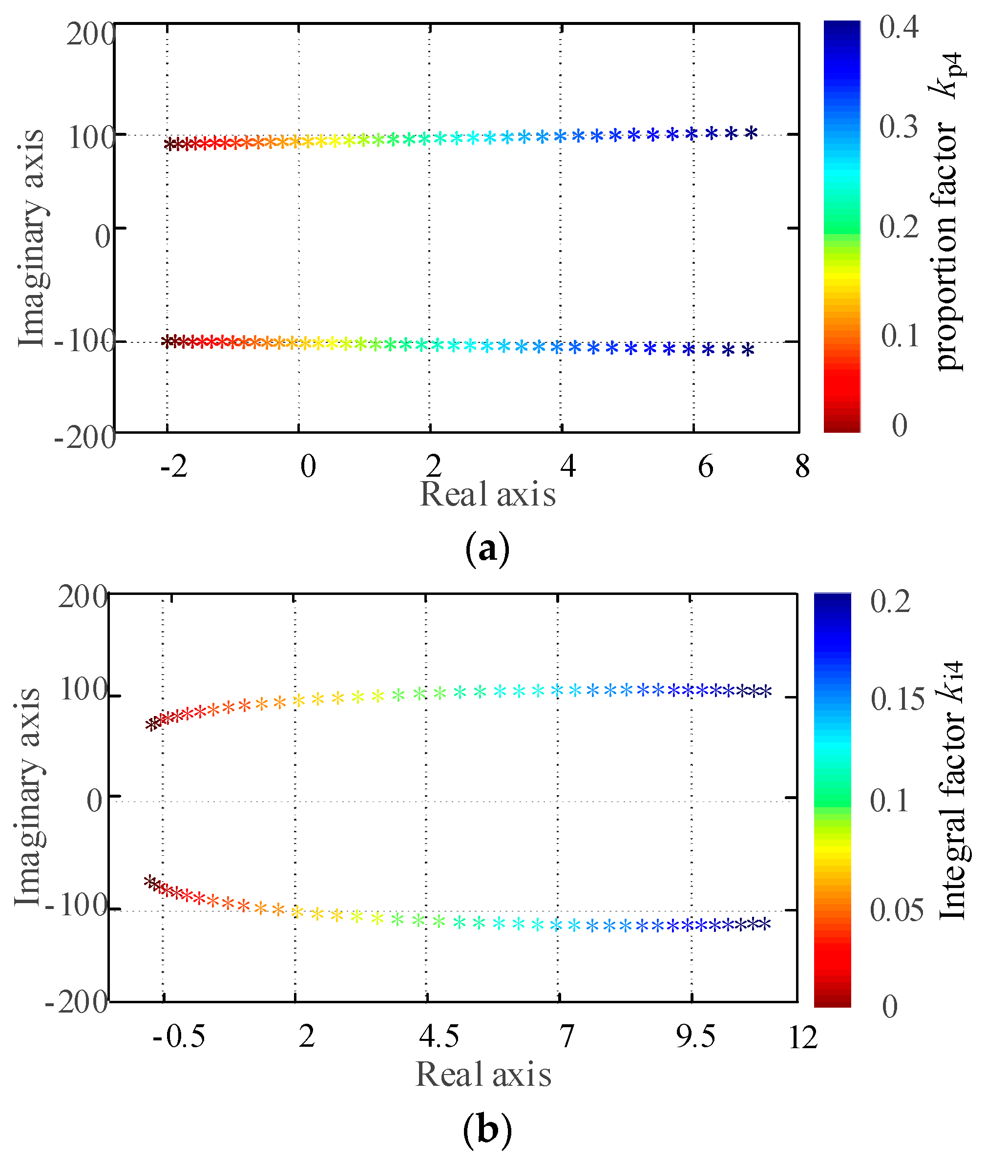
4.3. Analysis of the Influence of Control System Parameters on Oscillation Mode
The results from the participation factor analysis reveal that the negative damping oscillation mode is significantly influenced by the DCWT constant DC voltage control, MMC voltage outer loop–current inner loop control, and circulation suppression control. Therefore, the control parameters kp4, ki4, kpu, kiu, kpi, kii, kpciru, and kicir are chosen to compute the eigenvalue sensitivity of the control parameters in each control session.
Table 4 illustrates that the DCWT constant DC voltage control parameters kp4 and ki4, as well as the MMC inverter voltage outer loop–current inner loop control parameters kpu, kiu, kpi, and kii, exert a significant effect on the mode λ7,8. Therefore, while keeping the other parameters constant, the aforementioned parameters are sequentially adjusted. The changes in the oscillation mode in the complex plane are depicted in Figure 8 and Figure 9.
Table 4.
Characteristic value sensitivity of control parameters of wind power all DC system.
Figure 8.
The influence of DCWT subsystem control parameters on oscillation mode. (a) Effect of proportion factor kp4 on oscillation mode. (b) Effect of integral factor ki4 on oscillation mode.
Figure 9.
The influence of MMC sub-system control parameters on oscillation mode. (a) Effect of proportion factor kpu on oscillation mode. (b) Effect of integral factor kiu on oscillation mode. (c) Effect of proportion factor kpi on oscillation mode. (d) Effect of integral factor kii on oscillation mode.
In Figure 8 and Figure 9, it is evident that in the DCWT domain, the mode λ7,8 undergoes a rightward shift and experiences a reduction in damping ratio as kp4 is enhanced. Simultaneously, there is a marginal increase in the oscillation frequency, rising from 15.60 Hz to 18.30 Hz. Notably, when kp4 attains a value of 0.14, the real component of the mode λ7,8 becomes 0, signifying critical stability, and the oscillation frequency settles at 15.91 Hz. However, as kp4 continues to increase, the eigenvalue continues to shift rightward, resulting in a reduction in the stability margin and a slight increase in the oscillation frequency. In addition, with an increase in ki4, the mode λ7,8 also shifts rightward, leading to a decrease with increased ki4 and an increase in oscillation frequency from 9.55 Hz to 17.82 Hz. Notably, when ki4 equals 0.05, the critical oscillation frequency stands at 11.14 Hz.
On the MMC side, the mode λ7,8 exhibits a tendency to shift leftward, accompanied by an increase in the damping ratio as kpi and kiu are enhanced, thereby bolstering the stability margin. Notably, the oscillation frequency demonstrates minimal variation. Specifically, an increase in kpi results in a slight rise in the oscillation frequency to approximately 15.92 Hz, while an increase in kiu leads to a modest increase to around 17.51 Hz. Conversely, a decrease in kpu prompts the eigenvalue to shift leftward, thereby increasing the damping ratio and causing a gradual decrease in the oscillation frequency from 19.1 Hz to 15.92 Hz. Similarly, an increase in kii induces the eigenvalue to shift leftward, resulting in an enhanced damping ratio and a gradual increase in the oscillation frequency from 15.28 Hz to 17.83 Hz.
5. Time-Domain Simulation Verification
Utilizing PSCAD/EMTDC, the electromagnetic transient model of the WDCG is constructed to validate the theoretical research pertaining to operational parameters and control system parameters. With regard to operational parameters: the remaining parameters are kept unchanged and the DCWT outlet capacitance is changed Cg to 10 mF, 20 mF, and 40 mF, respectively. With respect to control system parameters, the constant DC voltage control parameter ki4 is varied to 0.03, 0.1, and 0.2, respectively. At 4.0 s, a minor disturbance is introduced for time-domain simulation, and the DC voltage waveform at the DCWT outlet is depicted in Figure 10.
Figure 10.
DCWT voltage waveform plot when system parameters change. (a) Effect of changed kpu on DCWT voltage. (b) Effect of changed ki4 on DCWT voltage.
In Figure 10a, changes in the DCWT outlet capacitance Cg result in voltage oscillations in response to disturbances. Specifically, when Cg is set at 40 mF, a negative damping ratio is observed, leading to a divergent oscillation at 11.94 Hz with a gradually increasing amplitude. Conversely, at 20 mF, a damping ratio of 0 yields a constant amplitude oscillation at 11.94 Hz, with the oscillation amplitude remaining essentially unchanged. Finally, at 10 mF, a positive damping ratio is evident, resulting in an attenuated oscillation at 9.52 Hz, accompanied by a gradual decrease in oscillation amplitude. These findings align with the results of the theoretical analysis, as depicted in Figure 6b.
In Figure 10b, changes in the constant DC voltage control parameter ki4 similarly induce voltage oscillations in the presence of disturbances. Specifically, when ki4 assumes values of 0.1 and 0.2, a negative damping ratio is observed, leading to divergent oscillations with increasing amplitudes. The oscillation frequencies are measured at 17.44 Hz and 17.83 Hz, respectively. Notably, the divergence rate of the oscillation at 0.2 is faster than at 0.1, indicating a smaller damping ratio at 0.2. Conversely, at ki4 = 0.03, a positive damping ratio is observed, resulting in an attenuated oscillation at 9.52 Hz, accompanied by a gradual decrease in oscillation amplitude. These results are consistent with the theoretical analysis presented in Figure 8b.
6. Discussion
(1) In the context of the significant mismatch issue between the source and the network subsequent to the integration of large-scale wind power access systems, this study offers a viable remedy for the structuring of large-scale wind power aggregation and transmission grids. This solution is specifically tailored for deployment in the developed onshore wind energy resource-rich regions of northwestern China. Its objective is to strengthen the interconnection between the power source and the network, thereby enhancing the operational stability of the power grid. By leveraging the inherent advantages of traditional AC aggregation and transmission, as well as AC aggregation and DC transmission, in a comprehensive DC network framework, this solution effectively reduces the number of rectifier inverters, thereby minimizing power losses. In addition, the utilization of DC transmission in diverse frequency domain station areas for interconnection purposes results in a reduced short-circuit capacity. Therefore, this approach offers an efficacious resolution to the challenges associated with AC aggregation, including reactive power transmission and harmonic resonance issues.
(2) Drawing upon the small-signal model of the WDCG, this study is dedicated to identifying the predominant factors that precipitate oscillation instability under minor perturbations in the WDCG system, particularly in the context of multi-converter control coupling. This is pursued through an exhaustive analysis including eigenvalue analysis, participation factor assessment, and parameter sensitivity evaluation. The provision of characteristic information offers theoretical insights with guidance for strengthening the stability of the WDCG system under minor perturbations. In contrast to the analysis of stability factors associated with traditional wind turbine AC aggregation and transmission under minor disturbances, the findings of this study reveal that the fixed DC voltage control parameters of the additional MSDCT in the WDCG structure exert a significant influence on its oscillatory characteristics.
(3) The stability analysis of minor disturbances in the WDCG system and the identification of dominant factors, as expounded in this paper, bear significant implications for the design and optimization of controllers in practical engineering applications of the all-DC wind power system. This, in turn, contributes to the safe and stable operation of the system. Notably, this paper does not account for the impact of varying power operation regions of the wind turbine. Building upon the insights obtained from this analysis, future research can delve into the stability analysis of each power operation region and the identification of dominant factors. In addition, forthcoming research can explore the interrelationships between ESR, capacitor connections, wind speed, and oscillatory characteristics in the WDCG system.
7. Conclusions
This study utilizes the WDCG as its focal point of research. Employing the small-signal model, an in-depth analysis of the mechanisms governing small-disturbance stability is conducted, leading to the identification of pivotal factors. The conclusions are as follows:
- (1)
- Through an analysis of eigenvalues and participation factors, it is revealed that the instability of the system is predominantly associated with the DC voltage at the outlet of the MSC, the DCWT outlet voltage, the MMC DC side voltage, the q-axis component of the MMC submodule voltage, the constant DC voltage control on the DCWT side, the voltage outer loop–current inner loop control, and the circulation suppression on the MMC side.
- (2)
- Pertaining to operational parameters of the system, it is determined that the small-disturbance stability is primarily influenced by the DC capacitance Cf of DCWT, MMC submodule capacitance Carm, the bridge inductance Larm, and the outlet capacitance Cg of the DCWT. Notably, an increase in Cf, Carm, and Larm leads to a leftward shift in the negative damping oscillation modes and an enhancement in the damping ratio. Conversely, an enhancement in Cg results in a reduction in the damping ratio. It is worth noting that Cg exerts the most significant impact on the stability of the WDCG.
- (3)
- Concerning the parameters of the control system, it is identified that the small-disturbance stability is predominantly influenced by the constant voltage control parameters kp4 and ki4 on the DCWT side, as well as the voltage outer loop–current inner loop control parameters kpu, kiu, kpi, and kii on the MMC side. Notably, an increase in kpu, kiu, kpi, and kii leads to a leftward shift in the negative damping oscillation modes and an enhancement in the damping ratio. Conversely, an increase in kp4 and ki4 results in a reduction in the damping ratio. It is worth noting that kp4 and ki4 exert the most significant impact on the stability of the WDCG.
Drawing upon the analysis of small-disturbance stability and the identification of dominant factors, this paper offers valuable insights for the design and optimization of controllers in practical engineering applications of the WDCG, thereby contributing to the promotion of safe and stable operation.
Author Contributions
Methodology, G.J. and F.L.; Validation, G.J.; Formal analysis, C.Y. and J.L.; Investigation T.W. All authors have read and agreed to the published version of the manuscript.
Funding
This research was funded by the National Key Research and Development Program of China under Grant 2021YFB1507000.
Data Availability Statement
Data is unavailable due to privacy.
Conflicts of Interest
The authors declare no conflict of interest.
Appendix A
Table A1.
DC wind power turbine parameters.
Table A1.
DC wind power turbine parameters.
| Module | Parameters | Value |
|---|---|---|
| Wind Power Turbine | Wind Power Turbine Radius R/m Air density p/kg·m−3 | 58 |
| 1.225 | ||
| Self-damping factor Rm | 0.002 | |
| D-PMSG | Polar logarithm np | 49 |
| Stator equivalent resistor Rs/Ω Stator equivalent inductance Ls/mH Rotor magnetic chain Ψf/Wb | 0.001 | |
| 12.8 | ||
| 0.0417 | ||
| DC side | MSC outlet capacitance Cf/mF | 15 |
| MSC control system | Rotation speed reference Rref/p.u. | 0.8 |
| Stator current d-axis reference isdref | 0 | |
| Rotation speed outer loop factor (kp2, ki2) | 0.4, 0.4 | |
| q-axis current inner loop factor (kp3, ki3) | 1, 0.2 | |
| d-axis current inner loop factor (kp1, ki1) | 1, 0.2 | |
| MSDCT control system | Voltage outer loop factor (kp4, ki4) | 0.1, 0.075 |
| DCWT outlet | DCWT outlet capacitance Cg/mF | 15 |
Table A2.
MMC Inverter parameters.
Table A2.
MMC Inverter parameters.
| Module | Parameters | Value |
|---|---|---|
| Inverter | Submodule number Bridge resistance Rarm/Ω | 20 |
| 0 | ||
| Bridge inductance Larm/mH Bridge capacitance Carm/mF | 20 15 | |
| Voltage control system | DCWT outlet voltage reference uwref/p.u. | 1 |
| q-axis current inner loop reference iqref/p.u. Voltage outer loop factor (kpu, kiu) Current inner loop factor (kpi, kii) | 0 | |
| 0.5, 3 | ||
| 30, 300 | ||
| Circulation suppression control | q-axis circulation inner loop reference | 0 |
| d-axis circulation inner loop reference | 0 | |
| q-axis circulation inner loop factor (kpcir, kicir) | 1, 2400 | |
| d-axis circulation inner loop factor (kpcir, kicir) | 1, 2400 | |
| Phase-locked loop control | Phase-locked loop factor (kpllp, kplli) | 0.1, 100 |
DCWT Coefficient Matrix
References
- Jiang, L.; Chi, Y.; Qin, H.; Pei, Z.; Li, Q.; Liu, M.; Bai, J.; Wang, W.; Feng, S.; Kong, W.; et al. Wind Energy in China. IEEE Power Energy Mag. 2011, 9, 36–46. [Google Scholar] [CrossRef]
- Sun, Y.; Fan, Y.; Lu, J.; Hou, J.; Wang, Y.; Bai, X. Optimal Design Method for Topology of Onshore Wind Power DC Collection System. Autom. Electr. Power Syst. 2023, 47, 142–152. [Google Scholar]
- Zhao, B.; An, F.; Qu, L.; Yu, Z.; Song, Q.; Zeng, R. Multi-function DC-collector concept and its all-DC offshore wind power system. Proc. CSEE 2021, 41, 6169–6181. [Google Scholar]
- Mei, F.; Pal, B. Modal analysis of grid-connected doubly-fed induction generators. IEEE Trans. Energy Convers. 2007, 22, 728–736. [Google Scholar] [CrossRef]
- Fan, L.; Zhu, C.; Miao, Z.; Hu, M. Modal analysis of a DFIG-based wind farm interfaced with a series compensated network. IEEE Trans. Energy Convers. 2011, 26, 1010–1020. [Google Scholar] [CrossRef]
- Liu, W.; Ge, R.; Li, H.; Ge, J. Impact of Large-Scale Wind Power Integration on Small Signal Stability Based on Stability Region Boundary. Sustainability 2014, 6, 7921–7944. [Google Scholar] [CrossRef]
- Soleimanpour, N.; Mohammadi, M. Probabilistic Small Signal Stability Analysis Considering Wind Energy. In Proceedings of the 2nd Iranian Conference on Smart Grids (ICSG), Tehran, Iran, 23–24 May 2012. [Google Scholar]
- Knuppel, T.; Nielsen, J.N.; Jensen, K.H.; Dixon, A.; Ostergaard, J. Small-signal stability of wind power system with full-load converter interfaced wind turbines. IET Renew. Power Gener. 2012, 6, 79–91. [Google Scholar] [CrossRef]
- He, P.; Wen, F.; Xue, Y.; Ledwich, G.; Wu, D.; Lin, Y. Impacts of wind power integration on small signal stability and low frequency oscillation characteristics of interconnected power systems. Autom. Electr. Power Syst. 2014, 38, 1–10. [Google Scholar]
- Mehta, B.; Bhatt, P.; Pandya, V. Small signal stability analysis of power systems with DFIG based wind power penetration. Int. J. Elect. Power Energy Syst. 2014, 58, 64–74. [Google Scholar] [CrossRef]
- Gautam, D.; Vittal, V.; Harbor, T. Impact of increased penetration of DFIG-based wind turbine generators on transient and small signal stability of power systems. IEEE Trans. Power Syst. 2009, 24, 1426–1434. [Google Scholar] [CrossRef]
- Peng, Q.; Jingen, S.; Qian, C.; Wei, Z.; Bingyu, X.; Aihong, T. Research on oscillation characteristics of wind farm sending system based on participation factor. Front. Energy Res. 2022, 10, 997782. [Google Scholar] [CrossRef]
- Yuan, L.; Meng, K.; Huang, J.; Dong, Z.Y. Investigating sub-synchronous oscillations caused by interactions between PMSG-based wind farms and weak AC systems. Int. J. Electr. Power Energy Syst. 2020, 115, 105477. [Google Scholar] [CrossRef]
- Chen, B.; Lin, T.; Chen, R.; Guo, Z.; Sheng, Y.; Xu, X. Analysis on characteristics of sub/super-synchronous oscillation caused by grid-connected direct-drive wind farm via VSC-HVDC system. Autom. Electr. Power Syst. 2018, 42, 44–51. [Google Scholar]
- Ren, B.; Sun, R.; Li, Q.; Gan, D.; Zhou, Q.; Wang, C. Equivalent modeling and small-signal stability analysis on PMSG-based large-scale wind farm connected to power system via VSC-HVDC. Electr. Power Autom. Equip. 2022, 42, 142–152. [Google Scholar]
- Shao, B.; Zhao, S.; Pei, J.; Li, R.; Song, S. Sub-synchronous oscillation characteristic analysis of grid-connected DDWFs via VSC-HVDC system. Power Syst. Technol. 2019, 43, 3344–3355. [Google Scholar]
- Shao, B.; Zhao, S.; Gao, B.; Yang, Y.; Blaabjerg, F. Adequacy of the Single-Generator Equivalent Model for Stability Analysis in Wind Farms With VSC-HVDC Systems. IEEE Trans. Energy Convers. 2021, 36, 907–918. [Google Scholar] [CrossRef]
- Zhang, F.; Yin, C.; Yuan, H.; Hong, C.; Yang, X.; Xie, X. Impedance Coupling Model based SubSynchronous Oscillation Analysis of Wind Farms Connected to VSC-HVDC Transmission System. South. Power Syst. Technol. 2022, 16, 24–31. [Google Scholar]
- Shao, B.; Zhao, S.; Gao, B.; Shen, J.; Zhao, Z. Inside-wind-farm/Wind-farm-grid subsynchronous oscillation characteristics analysis in multiple D-PMSGs interfaced with VSC-HVDC system. Proc. CSEE 2020, 40, 3835–3846. [Google Scholar]
- Jin, G.; Yang, M.; Li, G.; Xing, Y.; Xie, F.; Ma, Y. Optimization design of controller parameters for an offshore wind power DC output system by diode rectifier considering small signal stability. Power Syst. Prot. Control. 2022, 50, 65–74. [Google Scholar]
- Jiang, H.; Ma, S.; Song, R.; Xiang, Z. Subsynchronous control interaction analysis between PMSG-based offshore wind farm and SVGs. Energy Rep. 2023, 9, 938–945. [Google Scholar] [CrossRef]
- Lu, X.; Xiang, W.; Lin, W.; Wen, J. Small-signal modeling of MMC based DC grid and analysis of the impact of DC reactors on the small-signal stability. Int. J. Electr. Power Energy Syst. 2018, 101, 25–37. [Google Scholar] [CrossRef]
- Liu, Y.; Zheng, J.; Chen, Q.; Duan, Z.; Tian, Y.; Ban, M.; Li, Z. MMC-STATCOM supplementary wide-band dam control to mitigate subsynchronous control interaction in wind farms. Int. J. Electr. Power Energy Syst. 2022, 141, 108171. [Google Scholar] [CrossRef]
- Chen, J.; Ren, Y.; Hu, Z.; Fang, C.; Zhu, R.; He, B.; Pan, Y. Suppression Strategy of Subsynchronous Oscillation Based on Dynamic Voltage Compensation Control for Grid-Forming D-PMSG in Weak Grid. Int. J. Energy Res. 2023, 2023, 9030272. [Google Scholar] [CrossRef]
- Oagta, K. Modern Control Engineering; Pearson Custom Publishing: Hoboken, NJ, USA, 2009; pp. 454–566. [Google Scholar]
- Ni, Y.; Chen, S.; Zhang, B. Dynamic Power System Theory and Analysis; Tsinghua University Press: Beijing, China, 2006; pp. 226–235. (In Chinese) [Google Scholar]
- Jie, Y.; Kaipei, L.; Dongxu, W.; Liang, Q.I.N. Small signal stability analysis of VSC-HVSC applied to passive network. Proc. CSEE 2015, 35, 2400–2408. (In Chinese) [Google Scholar]
Disclaimer/Publisher’s Note: The statements, opinions and data contained in all publications are solely those of the individual author(s) and contributor(s) and not of MDPI and/or the editor(s). MDPI and/or the editor(s) disclaim responsibility for any injury to people or property resulting from any ideas, methods, instructions or products referred to in the content. |
© 2023 by the authors. Licensee MDPI, Basel, Switzerland. This article is an open access article distributed under the terms and conditions of the Creative Commons Attribution (CC BY) license (https://creativecommons.org/licenses/by/4.0/).









