Designing a Twin Frequency Control DC-DC Buck Converter Using Accurate Load Current Sensing Technique
Abstract
1. Introduction
2. Proposed Twin Frequency Control DC-DC Buck Converter
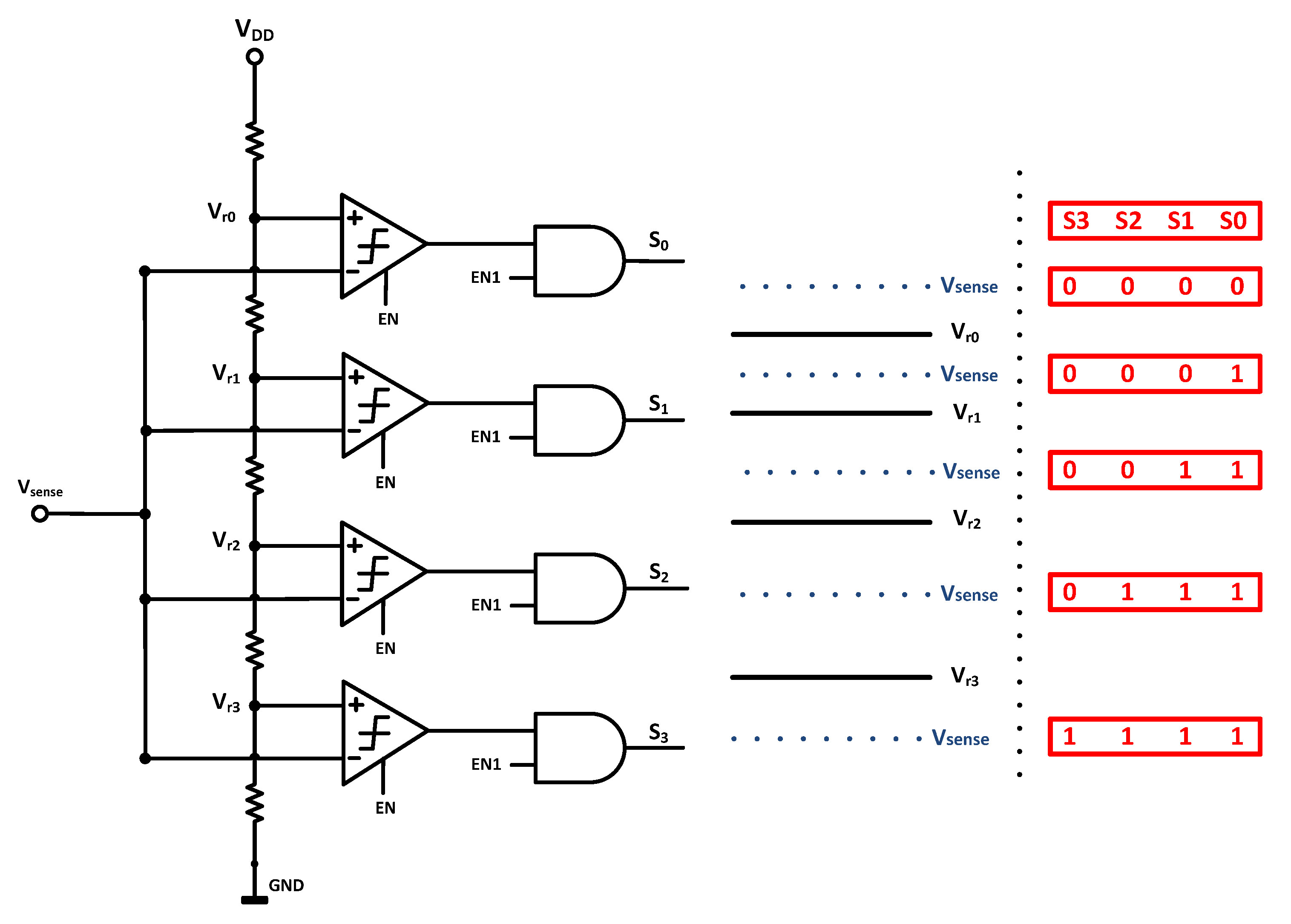
2.1. Proposed Accurate Load Current Sensing (ALCS) Block
2.2. Four-Bit Thermometer Code ADC
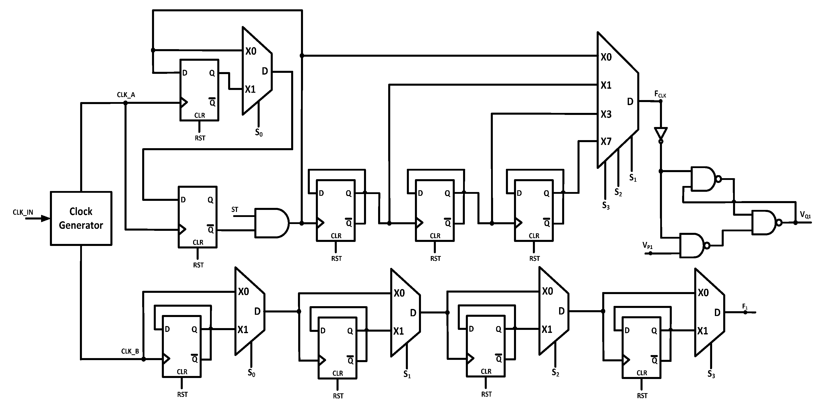
2.3. Proposed Twin Frequency Control Scheme (TFCS)
2.4. Power Train
3. Experimental Results
4. Discussion and Conclusions
5. Future Work
Author Contributions
Funding
Data Availability Statement
Acknowledgments
Conflicts of Interest
Appendix A
References
- Lee, W.; Wang, Y.; Shin, D.; Chang, N.; Pedram, M. Power conversion efficiency characterization and optimization for smartphones. In Proceedings of the ISLPED’12: International Symposium on Low Power Electronics and Design, Redondo Beach, CA, USA, 30 July–1 August 2012; pp. 103–108. [Google Scholar]
- Carrol, A.; Heiser, G. An Analysis of Power Consumption in a Smartphone. In Proceedings of the USENIX Annual Technical Conference, Boston, MA, USA, 22–25 June 2010; pp. 271–284. [Google Scholar]
- Huh, Y. Future direction of power management in mobile devices. In Proceedings of the 2011 IEEE Asian Solid-State Circuits Conference (A-SSCC), Jeju, Republic of Korea, 14–16 November 2011; pp. 1–4. [Google Scholar]
- Kim, H. Trends of R&D on Lithium Secondary Batteries for Electricial Vehicles. In Proceedings of the Smart Battery/Cell Forum, Seoul, Republic of Korea, 22 June 2011. [Google Scholar]
- Dong, M.; Zhong, L. Self-constructive high-rate system energy modeling for battery-powered mobile systems. In Proceedings of the MobiSys’11: The 9th International Conference on Mobile Systems, Applications, and Services, Bethesda, MD, USA, 28 June–1 July 2011; pp. 335–348. [Google Scholar]
- Lide, Z.; Tiwana, B.; Dick, R.P.; Zhiyun, Q.; Mao, Z.M.; Zhaoguang, W.; Lei, Y. Accurate online power estimation and automatic battery behavior based power model generation for smartphones. In Proceedings of the IEEE International Conference on Hardware/Software Codesign and System Synthesis, Scottsdale, AZ, USA, 24–29 October 2010; pp. 105–114. [Google Scholar]
- Ma, D.; Bondade, R. Enabling Power-Efficient DVFS Operations on Silicon. IEEE Circuits Syst. Mag. 2010, 10, 14–30. [Google Scholar] [CrossRef]
- Chester, S. Characteristics of Rechargeable Batteries; Appl. Rep. no. “SNVA533”; Texas Instruments: Dallas, TX, USA, 2011. [Google Scholar]
- Sahu, B.; Rincon-Mora, G. A high-efficiency, dual-mode, dynamic, buck-boost power supply IC for portable applications. In Proceedings of the 18th International Conference on VLSI Design, Kolkata, India, 3–7 January 2005; pp. 858–861. [Google Scholar]
- Instruments, T. Handset: Smartphone. Available online: http://www.ti.com/solution/handset_smartphone (accessed on 14 July 2023).
- Sahu, B.; Rincon-Mora, G.A. An Accurate, Low-Voltage, CMOS Switching Power Supply with Adaptive On-Time Pulse-Frequency Modulation (PFM) Control. IEEE Trans. Circuits Syst. I Regul. Pap. 2007, 54, 312–321. [Google Scholar] [CrossRef]
- Mulligan; Broach, B.; Lee, T. A constant-frequency method for improving light-load efficiency in synchronous buck converters. IEEE Power Electron. Lett. 2005, 3, 24–29. [Google Scholar] [CrossRef]
- Lee, H.; Ryu, S.-R. An Efficiency-Enhanced DCM Buck Regulator with Improved Switching Timing of Power Transistors. IEEE Trans. Circuits Syst. II Express Briefs 2010, 57, 238–242. [Google Scholar] [CrossRef]
- Sun, Z.; Siek, L. A novel ripple controlled modulation for high efficiency DC-DC converters. In Proceedings of the 2011 International Symposium on Integrated Circuits (ISIC), Singapore, 12–14 December 2011; pp. 238–241. [Google Scholar]
- Musunuri, S.; Chapman, P. Improvement of light-load efficiency using width-switching scheme for CMOS transistors. IEEE Power Electron. Lett. 2005, 3, 105–110. [Google Scholar] [CrossRef]
- Huang, H.-W.; Chen, K.-H.; Kuo, S.-Y. Dithering Skip Modulation, Width and Dead Time Controllers in Highly Efficient DC-DC Converters for System-On-Chip Applications. IEEE J. Solid-State Circuits 2007, 42, 2451–2465. [Google Scholar] [CrossRef]
- Park, Y.-J.; Park, J.-H.; Kim, H.-J.; Ryu, H.; Kim, S.; Pu, Y.; Hwang, K.C.; Yang, Y.; Lee, M.; Lee, K.-Y. A design of a 92.4% efficiency triple mode control DC–DC buck converter with low power retention mode and adaptive zero current detector for IoT/wearable applications. IEEE Trans. Power Electron. 2017, 32, 6946–6960. [Google Scholar] [CrossRef]
- Santoro, F.; Kuhn, R.; Gibson, N.; Rasera, N.; Tost, T.; Graeb, H.; Wicht, B.; Brederlow, R. A hysteretic buck converter with 92.1% maximum efficiency designed for ultra-low power and fast wake-up SoC applications. IEEE J. Solid-State Circuits 2018, 53, 1856–1868. [Google Scholar] [CrossRef]
- Zhao, M.; Li, M.; Song, S.; Hu, Y.; Yao, Y.; Bai, X.; Hu, R.; Wu, X.; Tan, Z. An Ultra-Low Quiescent Current Tri-Mode DC-DC Buck Converter with 92.1% Peak Efficiency for IoT Applications. IEEE Trans. Circuits Syst. I Regul. Pap. 2022, 69, 428–439. [Google Scholar] [CrossRef]
- Lam, Y.-H.; Ki, W.-H.; Tsui, C.-Y.; Ma, D. Integrated 0.9 V charge-control switching converter with self-biased current sensor. In Proceedings of the 2004 47th Midwest Symposium on Circuits and Systems, Hiroshima, Japan, 25–28 July 2004; pp. 305–308. [Google Scholar]
- Stratakos, A.; Sanders, S.; Brodersen, R. A low-voltage CMOS DC-DC converter for a portable battery-operated system. In Proceedings of the 1994 Power Electronics Specialist Conference—PESC’94, Taipei, Taiwan, 20–25 June 1994; pp. 619–626. [Google Scholar]
- Katayama, Y.; Edo, M.; Denta, T.; Kawashima, T.; Ninomiya, T. Optimum design method of CMOS IC for DC-DC converter that integrates power stage MOSFETs. In Proceedings of the 2004 IEEE 35th Annual Power Electronics Specialists Conference, Aachen, Germany, 20–25 June 2004; pp. 4486–4491. [Google Scholar]
- Chen, Y.; Fu, Y.; Cheng, X.; Wu, T.X.; Shen, Z.J. Modeling and Analysis of Metal Interconnect Resistance of Power IC’s. In Proceedings of the 19th International Symposium on Power Semiconductor Devices and IC’s, Jeju, Republic of Korea, 27–31 May 2007; pp. 253–256. [Google Scholar]
- Baker, L.; Currences, R.; Law, S.; Le, M.; Lee, C.; Lin, S.T.; Teene, M. A ‘waffle’ layout technique strengthens the ESD hardness of the NMOS output transistor. In Electrical Overstress/Electrostatic Discharge Symposium Proceedings; EOS/ESD Association, Inc.: Rome, NY, USA, 1989; pp. 175–181. [Google Scholar]
- Bosch, A.V.D.; Steyaert, M.; Sansen, W. A high density matched hexagonal transistor structure in standard CMOS technology for high speed applications. In Proceedings of the International Conference on Microelectronic Test Structures, Gothenburg, Sweden, 15–18 March 1999; pp. 212–215. [Google Scholar]
- Yoo, A.; Chang, M.; Trescases, O.; Ng, W.T. High Performance Low-Voltage Power MOSFETs with Hybrid Waffle Layout Structure in a 0.25 µm Standard CMOS Process. In Proceedings of the 2008 20th International Symposium on Power Semiconductor Devices and IC’s, Orlando, FL, USA, 18–22 May 2008; pp. 95–98. [Google Scholar]
- Yoo, A. Design, Implementation, Modeling, and Optimization of Next Generation Low-Voltage Power MOSFETs. Ph.D. Thesis, Department of Materials Science and Engineering, University of Toronto, Toronto, ON, Canada, 2010. [Google Scholar]
- Sun, Z.; Chew, K.W.R.; Tang, H.; Siek, L. Adaptive Gate Switching Control for Discontinuous Conduction Mode DC–DC Converter. IEEE Trans. Power Electron. 2014, 29, 1311–1320. [Google Scholar] [CrossRef]
- Kong, T.-H.; Woo, Y.-J.; Wang, S.-W.; Hong, S.-W.; Cho, G.-H. Zero-order control of boost DC-DC converter with transient enhancement using residual current. In Proceedings of the 2011 IEEE International Solid-State Circuits Conference, San Francisco, CA, USA, 20–24 February 2011; pp. 390–392. [Google Scholar]
- Man, T.Y.; Mok, P.K.T.; Chan, M.J. A 0.9-V Input Discontinuous-Conduction-Mode Boost Converter with CMOS-Control Rectifier. IEEE J. Solid-State Circuits 2008, 43, 2036–2046. [Google Scholar] [CrossRef]
- Yan, W.; Li, W.; Liu, R. A Noise-Shaped Buck DC–DC Converter with Improved Light-Load Efficiency and Fast Transient Response. IEEE Trans. Power Electron. 2011, 26, 3908–3924. [Google Scholar] [CrossRef]
- Trescases, O.; Wei, G.; Prodic, A.; Ng, W.T. Predictive Efficiency Optimization for DC–DC Converters with Highly Dynamic Digital Loads. IEEE Trans. Power Electron. 2008, 23, 1859–1869. [Google Scholar] [CrossRef]
- Wong, K. Parasitics Can Hinder Switching Regulator and LDO Designs; Appl. Rep. no. “SNVA689”; Texas Instruments: Dallas, TX, USA, 2013. [Google Scholar]
- Smith, T.; Dimitrijev, S.; Harrison, H. Controlling a DC-DC converter by using the power MOSFET as a voltage controlled resistor. IEEE Trans. Circuits Syst. I Regul. Pap. 2000, 47, 357–362. [Google Scholar] [CrossRef][Green Version]
- Forghani-Zadeh, H.P.; Rincon-Mora, G.A. An Accurate, Continuous, and Lossless Self-Learning CMOS Current-Sensing Scheme for Inductor-Based DC-DC Converters. IEEE J. Solid-State Circuits 2007, 42, 665–679. [Google Scholar] [CrossRef]
- Leung, C.Y.; Mok, P.; Leung, K.N.; Chan, M. An integrated CMOS current-sensing circuit for low-Voltage current-mode buck regulator. IEEE Trans. Circuits Syst. II Analog. Digit. Signal Process. 2005, 52, 394–397. [Google Scholar] [CrossRef]
- Leung, C.Y.; Mok, P.K.T.; Leung, K.N. A 1-V integrated current-mode boost converter in standard 3.3/5-V CMOS technologies. IEEE J. Solid-State Circuits 2005, 40, 2265–2274. [Google Scholar] [CrossRef]
- Lee, C.F.; Mok, P. A monolithic current-mode CMOS DC–DC converter with on-chip current-sensing technique. IEEE J. Solid-State Circuits 2004, 39, 3–14. [Google Scholar] [CrossRef]
- Drennan, P.; McAndrew, C. Understanding MOSFET mismatch for analog design. IEEE J. Solid-State Circuits 2003, 38, 450–456. [Google Scholar] [CrossRef]
- Lam, H.; Ki, W.-H.; Ma, D. Loop gain analysis and development of high-speed high-accuracy current sensors for switching converters. In Proceedings of the 2004 IEEE International Symposium on Circuits and Systems, Vancouver, BC, Canada, 23–26 May 2004; pp. 828–831. [Google Scholar]
- Corsi, M. Current sensing schemes for use in BiCMOS integrated circuits. In Proceedings of the Bipolar/Bicmos Circuits and Technology Meeting, Minneapolis, MN, USA, 2–3 October 1995; pp. 55–57. [Google Scholar]
- Sassone, G.; Passoni, M.; Dallago, E. Lossless current sensing in low-voltage high-current DC/DC modular supplies. IEEE Trans. Ind. Electron. 2000, 47, 1249–1252. [Google Scholar] [CrossRef]
- Zhang, S.; Zhao, M.; Wu, X.; Zhang, H. Dual-phase DC–DC buck converter with light-load performance enhance-ment for portable applications. IET Power Electron. 2018, 11, 719–726. [Google Scholar] [CrossRef]
- Hong, W.; Lee, M. A 7.4-MHz tri-mode DC-DC buck converter with load current prediction scheme and seamless mode transition for IoT applications. IEEE Trans. Circuits Syst. I Regul. Pap. 2020, 67, 4544–4555. [Google Scholar] [CrossRef]
- Cheng, L.; Lai, X.; Shi, L. Low-quiescent-current flexible mode buck–boost converter. IET Power Electron. 2015, 8, 2520–2528. [Google Scholar] [CrossRef]
- Chen, P.-H.; Wu, C.-S.; Lin, K.-C. A 50 nW-to-10 mW output power tri-mode digital buck converter with self-tracking zero current detection for photovoltaic energy harvesting. IEEE J. Solid-State Circuits 2016, 51, 523–532. [Google Scholar]
- Zeng, W.-L.; Ren, Y.; Lam, C.-S.; Sin, S.-W.; Che, W.-K.; Ding, R.; Martins, R.P. A 470-nA quiescent current and 92.7%/94.7% efficiency DCT/PWM control buck converter with seamless mode selection for IoT application. IEEE Trans. Circuits Syst. I Regul. Pap. 2020, 67, 4085–4098. [Google Scholar] [CrossRef]
- Chen, P.-H.; Cheng, H.-C.; Ai, Y.-A.; Chung, W.-T. Automatic mode-selected energy harvesting interface with >80% power efficiency over 200 nW to 10 mW. IEEE Trans. Very Large Scale Integr. (VLSI) Syst. 2018, 26, 2898–2906. [Google Scholar] [CrossRef]











| Unit | TPEL [17] | JSSC [18] | TCAS I [19] | This Work | |
|---|---|---|---|---|---|
| Year | - | 2017 | 2018 | 2022 | 2023 |
| Technology | µm | 0.13 (CMOS) | 0.13 | 0.18 (BCD) | 0.18 (CMOS) |
| Input Voltage | V | 2.2~3.3 | 1.8~3.3 | 2.7~4.7 | 2.0~3.0 |
| Output Voltage | V | 1.7 | 1.2 | 1.6 | 1.25 |
| Peak Efficiency@Load Current | % | 90.4@10 mA | 84.0@100 µA | 92.1@10 mA | 92.7@30 mA |
| External Inductor | µH | 3.0 | 18 | 4.7 | 47.0 |
| External Capacitor | µF | 3.0 | 0.056 | 4.7 | 10.0 |
| Frequency | kHz | 2500 | 3000–5500 | 4000 | 250 |
| Chip Silicon Area | mm2 | 0.656 | 0.2576 | 0.55 | 1.3 |
| Power Transistors Implemented in This Work: | |||||
| Size | Unit | MN | MP | ||
| Finger Width | µm | 19.6 | - | 19.6 | - |
| No. of Fingers | - | 60 | - | 91 | - |
| Multiplier | - | 18 | - | 20 | - |
| Channel Resistance | mΩ | Ron,n | 80 | Ron,p | 95 |
| Bonding Wire Resistance 1 | mΩ | Rbond,n | 200 | Rbond,p | 200 |
| Total Resistance 2 | mΩ | Roverall,n | 280 | Roverall,p | 295 |
| Total Gate Capacitance 3 | pF | Cgn | 477.8 | Cgp | 574.3 |
| Transistor No | W/L Sizing |
|---|---|
| MP1 to MP4 | 4 µm/10 µm |
| MN1, MN2, MN3 | 2 µm/10 µm |
| MN4, MN5, MN7 | 1 µm/5 µm |
| MN6 | 1 µm/20 µm |
| MP5 to MP8 | 2 µm/10 µm |
Disclaimer/Publisher’s Note: The statements, opinions and data contained in all publications are solely those of the individual author(s) and contributor(s) and not of MDPI and/or the editor(s). MDPI and/or the editor(s) disclaim responsibility for any injury to people or property resulting from any ideas, methods, instructions or products referred to in the content. |
© 2023 by the authors. Licensee MDPI, Basel, Switzerland. This article is an open access article distributed under the terms and conditions of the Creative Commons Attribution (CC BY) license (https://creativecommons.org/licenses/by/4.0/).
Share and Cite
Kok, C.L.; Siek, L. Designing a Twin Frequency Control DC-DC Buck Converter Using Accurate Load Current Sensing Technique. Electronics 2024, 13, 45. https://doi.org/10.3390/electronics13010045
Kok CL, Siek L. Designing a Twin Frequency Control DC-DC Buck Converter Using Accurate Load Current Sensing Technique. Electronics. 2024; 13(1):45. https://doi.org/10.3390/electronics13010045
Chicago/Turabian StyleKok, Chiang Liang, and Liter Siek. 2024. "Designing a Twin Frequency Control DC-DC Buck Converter Using Accurate Load Current Sensing Technique" Electronics 13, no. 1: 45. https://doi.org/10.3390/electronics13010045
APA StyleKok, C. L., & Siek, L. (2024). Designing a Twin Frequency Control DC-DC Buck Converter Using Accurate Load Current Sensing Technique. Electronics, 13(1), 45. https://doi.org/10.3390/electronics13010045

