Path Planning and Tracking Control of Tracked Agricultural Machinery Based on Improved A* and Fuzzy Control
Abstract
1. Introduction
2. Design of the IA* Algorithm
2.1. Path Smoothing Method
2.2. Introduction of Heuristic Functions and Penalty Functions with Variable Weights
2.3. Combination with the Ant Colony Algorithm
| Algorithm 1 IA* |
| FUCTION IA*(start, goal, obstacles, m, ρ1, α, β) openSet = PriorityQueue() closedSet = Set() cameFrom = Dictionary() gScore = Dictionary() fScore = Dictionary() pheromone = initialize_pheromone(start, goal) openSet.add(start) gScore[start] = 0 fScore[start] = heuristic(start, goal) while openSet is not empty: current = openSet.extract_min() if current is goal: return reconstruct_path(cameFrom, current) openSet.remove(current) closedSet.add(current) controlPoints = generate_control_points(current) neighbors = generate_bezier_curves(controlPoints, obstacles) for each ant in m: current = start path = [current] while current is not goal: neighbors = generate_bezier_curves(current, obstacles) nextNode = choose_next_node(current, neighbors, pheromone, α, β) path.append(nextNode) update_pheromone(pheromone, path, ρ1) current = nextNode if is_path_better(path): openSet.clear() closedSet.clear() cameFrom.clear() gScore.clear() fScore.clear() openSet.add(start) gScore[start] = 0 fScore[start] = heuristic(start, goal) update_pheromone_with_new_path(pheromone, path) return reconstruct_path(cameFrom, goal) function choose_next_node(current, neighbors, pheromone, α, β) probabilities = calculate_probabilities(neighbors, pheromone, α, β) return select_node_by_roulette_wheel(probabilities) function update_pheromone(pheromone, path, ρ1) for each edge in path pheromone[edge] *= (1 − ρ1) pheromone[edge] += pheromone_deposit function is_path_better(path) return betterPathFound |
3. Tracked Agricultural Machinery Model
4. Design of F-SMC
4.1. Design of Position Control Law
4.2. Design of Posture Control Law
4.3. Fuzzy Approximation Sliding Mode Attitude Control
| Algorithm 2 Fuzzy control rules |
| : if sn is then is |
| (i = −3, −2, −1, 0, 1, 2, 3) |
| Input sn is then |
| Output is |
| Rk: if sn is −3,−2,−1 then is |
| if sn is then is |
| if sn is 1,2,3 then is |
| Input sn is then |
| Output is |
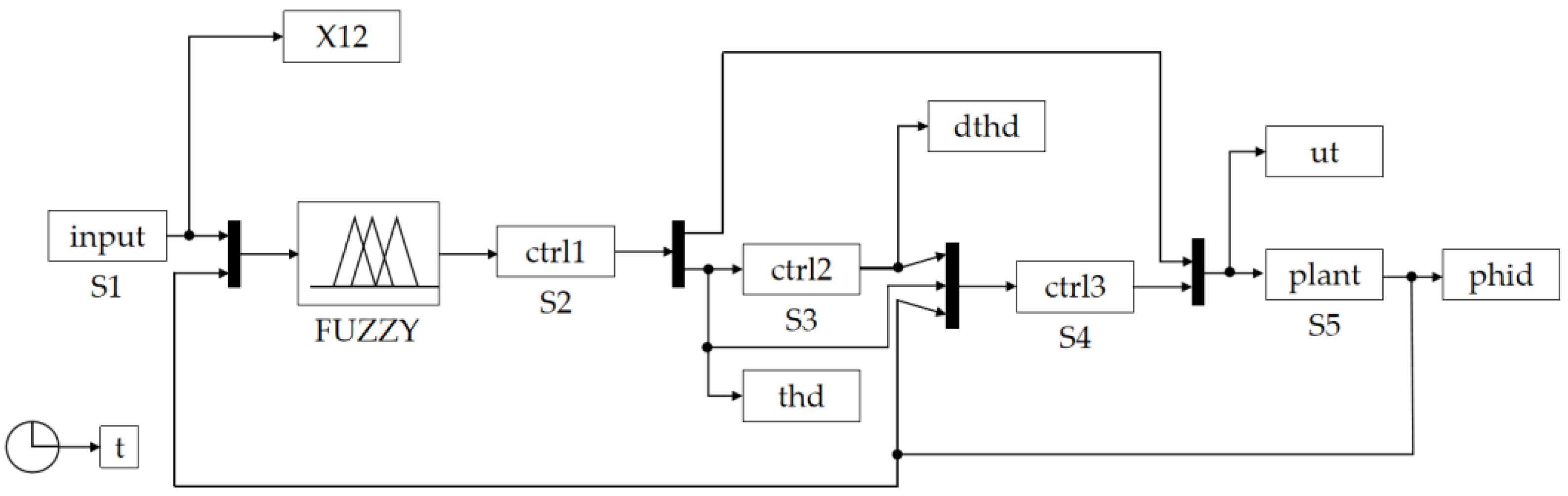
5. Simulation Test
5.1. Path Planning Simulation Experiment
5.2. Path Tracking Simulation Experiment
6. Field Experiment
6.1. Materials and Methods
6.2. Result and Analysis
7. Conclusions
- We introduce a heuristic function with variable weights in the traditional A* algorithm, taking the difference in distance between the current node and the target node as the guiding indicator. By assigning different weights, we guide it to quickly and accurately search for the target node. In order to quickly search for nodes that are near the shortest route, we introduce a penalty function in the evaluation function. In order to overcome the shortcomings of the A* algorithm, which has too many turning points that do not comply with the kinematic principles of tracked agricultural machinery, and based on the Manhattan distance concept, we introduced a fifth-order Bezier to make the generated path smoother. On this basis, the ACA is introduced to further optimize the obtained path.
- Based on fuzzy control theory and sliding mode variable structure control theory, we have designed an F-SMC controller. We established a kinematic model using tracked agricultural machinery as the control object and designed the expected deflection angle polynomial of the inner and outer tracks with time as the variable. The sliding mode function is designed using the expected deflection angle, and the attitude control law for angular velocity is derived. The convergence of the sliding mode function to 0 is proved through the Lyapunov theorem. Next, we designed a fuzzy sliding mode reaching law and preprocessed it to reduce the time required for the sliding mode control to reach the chosen stage.
- We conducted simulation experiments and field experiments. The simulation test results show that compared with A*, the average reduction rate of the path length for IA* is 5.51%, and the average reduction rate of the number of turning points is 39.01%. Compared with the FUZZY controller and PID controller, the adjustment time of F-SMC is reduced by 0.99 s and 1.42 s, respectively. The field test results show that compared to the A* algorithm and FUZZY controller, the path tracking time reduction rate of IA* and F-SMC is 29.34%, and the fuel consumption rate is reduced by 2.75%.
Author Contributions
Funding
Data Availability Statement
Conflicts of Interest
Nomenclature
| n | The current node of the agricultural machinery |
| F(n) | The cost function of the current node n |
| G(n) | The actual cost from the initial node to node n |
| H(n) | The estimated cost from the current node n to the target point |
| Pi (i = 1, 2,...,5) | The six control points of the fifth-order Bezier curve |
| ub | The parameter of the Bezier curve, ub ∈ [0, 1] |
| (Px, Py) | The coordinates of the path node |
| and | The first-order partial derivatives of the fifth-order Bezier curve at the control node P with respect to ub |
| and | The second-order partial derivatives of the fifth-order Bezier curve at the control node P with respect to ub |
| (xn, yn) | The coordinates of the current node |
| (xt, yt) | The coordinates of the target node |
| q(n) | Penalty function |
| γ | A constant coefficient |
| ρn | Number of nodes |
| D | The distance matrix between points, satisfying D = DT |
| dij | The feasible path distance from point i to j, which is equal to dij = dji, i, j ∈ [1, ρ] |
| The distance with the number xi as the starting point and xj as the ending point | |
| m | The number of ants |
| tk | Taboo table |
| The state transition probability | |
| i | The current node of an ant |
| j | The next node of an ant |
| The amount of pheromones on the link between i and j at time t | |
| The heuristic function | |
| ak | The set of feasible nodes that have not been added to the taboo list |
| α | The coefficient for the relative importance of pheromones |
| β | The coefficient for the relative importance of visibility |
| The change in pheromone level at node (i, j) per unit time | |
| The increment of pheromone for the kth ant | |
| ρ1 | The pheromone evaporation coefficient |
| Lk | The distance traveled by the kth ant |
| Q | The pheromone reinforcement coefficient |
| αL (βL) | The deviation angles of the front (rear) ends of the inner track |
| αR (βR) | The deviation angles of the front (rear) ends of the outer track |
| L1 | The length of the track |
| L2 | The distance between the front (rear) points of the inner and outer tracks |
| R | The turning radius of the agricultural machinery. |
| θr | The steering angles of the inner track |
| θf | The steering angles of the outer track |
| The first derivatives of the lateral deviation of the fuselage centroid | |
| The first derivatives of the longitudinal deviation of the fuselage centroid | |
| l1 | The distance between M and B |
| xt | The lateral displacement of the track at time t |
| yt | The longitudinal displacement of the track at time t |
| (xM,yM) | The coordinate of the fuselage centroid |
| φ0 | The angle between the velocity direction at time t0 and the desired path |
| φd | The desired value of the heading angle at time t0 |
| and | The first-order derivatives of x1 and x2 |
| and | The first-order derivatives of θr and θf |
| v1 and v2 | The linear velocities of the inner and outer tracks |
| Δt | The sampling time |
| x | The state vector |
| u | The control variable |
| θR and θF | The desired deviation angles for the inner and outer tracks |
| and | The control coefficients for the inner and outer track deviation angles |
| k1 and k2 | Constant coefficients |
| and | Constant coefficients |
| s | Switching function |
| λ | Positive number |
| H1 | The height of the fuel tank of the lawn mower before the test |
| H2 | The oil level height of the mower fuel tank after the test |
| H3 | The height of the fuel tank when the lawn mower is filled with oil, measured as 0.32 m |
References
- Qian, L.; Lu, H.; Gao, Q.; Lu, H. Household-owned farm machinery vs. outsourced machinery services: The impact of agricultural mechanization on the land leasing behavior of relatively large-scale farmers in China. Land Use Policy 2022, 115, 106008. [Google Scholar] [CrossRef]
- Chakraborty, S.; Elangovan, D.; Govindarajan, P.L.; ELnaggar, M.F.; Alrashed, M.M.; Kamel, S. A comprehensive review of path planning for agricultural ground robots. Sustainability 2022, 14, 9156. [Google Scholar] [CrossRef]
- Sharma, V.; Tripathi, A.K.; Mittal, H. Technological revolutions in smart farming: Current trends, challenges & future directions. Comput. Electron. Agric. 2022, 201, 107217. [Google Scholar]
- Albiero, D.; Garcia, A.P.; Umezu, C.K.; Paulo, R.L. Swarm robots in mechanized agricultural operations: A review about challenges for research. Comput. Electron. Agric. 2022, 193, 106608. [Google Scholar] [CrossRef]
- Zhang, M.; Ji, H.Y.; Li, S.C.; Cao, R.Y.; Xu, H.Z.; Zhang, Z.Q. Research Progress of Agricultural Machinery Navigation Technology. Trans. Chin. Soc. Agric. Mach. 2020, 51, 1–18. [Google Scholar]
- Zheng, L. Optimization of agricultural machinery task scheduling algorithm based on multiobjective optimization. J. Sens. 2022, 2022, 5800332. [Google Scholar] [CrossRef]
- Zhou, J.H.; Zhou, J.Q.; Zheng, Y.S.; Kong, B. Research on path planning algorithm of intelligent mowing robot used in large airport lawn. In Proceedings of the 2016 International Conference on Information System and Artificial Intelligence (ISAI), Hong Kong, China, 24–26 June 2016; pp. 375–379. [Google Scholar]
- Tian, Z.; Shi, W. Edge Coverage Path Planning for Robot Mowing. arXiv 2022, arXiv:2209.05405. [Google Scholar]
- Sandamurthy, K.; Ramanujam, K. A hybrid weed optimized coverage path planning technique for autonomous harvesting in cashew orchards. Inf. Process. Agric. 2020, 7, 152–164. [Google Scholar] [CrossRef]
- Abdallaoui, S.; Aglzim, E.H.; Chaibet, A.; Kribèche, A. Thorough review analysis of safe control of autonomous vehicles: Path planning and navigation techniques. Energies 2022, 15, 1358. [Google Scholar] [CrossRef]
- Chen, G.; Luo, N.; Liu, D.; Zhao, Z.; Liang, C. Path planning for manipulators based on an improved probabilistic roadmap method. Robot. Comput.-Integr. Manuf. 2021, 72, 102196. [Google Scholar] [CrossRef]
- Dijkstra, E.W. A note on two problems in connexion with graphs. Numer. Math. 1959, 1, 269–271. [Google Scholar] [CrossRef]
- Wang, Y.F.; Cao, X.H.; Guo, X. Warehouse AGV path planning method based on improved A* algorithm and system short-term state prediction. Comput. Integr. Manuf. Syst. 2023, 29, 3897–3908. [Google Scholar]
- Choubey, N.; Gupta, M. Analysis of working of Dijkstra and A* to obtain optimal path. Int. Comput. Sci. Manag. Res. 2013, 2, 1898–1904. [Google Scholar]
- Ammar, A.; Bennaceur, H.; Châari, I.; Koubâa, A.; Alajlan, M. Relaxed Dijkstra and A* with linear complexity for robot path planning problems in large-scale grid environments. Methodol. Appl. 2016, 20, 4149–4171. [Google Scholar] [CrossRef]
- Liu, L.; Wang, X.; Yang, X.; Liu, H.; Li, J.; Wang, P. Path planning techniques for mobile robots: Review and prospect. Expert Syst. Appl. 2023, 227, 120254. [Google Scholar] [CrossRef]
- Xu, H.; Yu, G.; Wang, Y.; Zhao, X.; Chen, Y.; Liu, J. Path Planning of Mecanum Wheel Chassis Based on Improved A* Algorithm. Electronics 2023, 12, 1754. [Google Scholar] [CrossRef]
- You, Z.; Shen, K.; Huang, T.; Liu, Y.; Zhang, X. Application of A* Algorithm Based on Extended Neighborhood Priority Search in Multi-Scenario Maps. Electronics 2023, 12, 1004. [Google Scholar] [CrossRef]
- Lao, C.; Li, P.; Feng, Y. Path Planning of Greenhouse Robot Based on Fusion of.Improved A* Algorithm and Dynamic Window Approach. Trans. Chin. Soc. Agric. Mach. 2021, 52, 14–22. [Google Scholar]
- Hu, X.; Yang, S.; Zhu, L.; Song, Y. Coverage Path Planning Method Based on Grid Region Decomposition. Mach. Electron. 2022, 40, 13–16. [Google Scholar]
- Wang, X.; Liu, Z.; Liu, J. Mobile robot path planning based on an improved A* algorithm. In Proceedings of the International Conference on Computer Graphics, Artificial Intelligence, and Data Processing (ICCAID 2022), Guangzhou, China, 23–25 December 2022; Volume 12604, pp. 1093–1098. [Google Scholar]
- Li, Y.; Wu, T.; Xiao, Y.; Gong, L.; Liu, C. Path planning in continuous adjacent farmlands and robust path-tracking control of a rice-seeding robot in paddy field. Comput. Electron. Agric. 2023, 210, 107900. [Google Scholar] [CrossRef]
- Yang, Q.; Du, X.; Wang, Z.; Meng, Z.; Ma, Z.; Zhang, Q. A review of core agricultural robot technologies for crop productions. Comput. Electron. Agric. 2023, 206, 107701. [Google Scholar] [CrossRef]
- Bai, Y.; Zhang, B.; Xu, N.; Zhou, J.; Shi, J.; Diao, Z. Vision-based navigation and guidance for agricultural autonomous vehicles and robots: A review. Comput. Electron. Agric. 2023, 205, 107584. [Google Scholar] [CrossRef]
- Ge, Z.; Man, Z.; Wang, Z.; Bai, X.; Wang, X.; Xiong, F.; Li, D. Robust adaptive sliding mode control for path tracking of unmanned agricultural vehicles. Comput. Electr. Eng. 2023, 108, 108693. [Google Scholar] [CrossRef]
- Dong, F.; Heinemann, W.; Kasper, R. Development of a row guidance system for an autonomous robot for white asparagus harvesting. Comput. Electron. Agric. 2011, 79, 216–225. [Google Scholar] [CrossRef]
- Zhang, Y.; Li, Y.; Liu, X.; Tao, J.; Liu, C.; Li, R. Fuzzy Adaptive Control Method for Autonomous Rice Seeder. Trans. Chin. Soc. Agric. Mach. 2018, 49, 30–37. [Google Scholar]
- Jiao, J.; Chen, J.; Qiao, Y.; Wang, W.; Wang, M.; Gu, L.; Li, Z. Adaptive sliding mode control of trajectory tracking based on DC motor drive for agricultural tracked robot. Trans. Chin. Soc. Agric. Eng. 2018, 34, 64–70. [Google Scholar]
- Wu, T.; Li, Y.; Lin, H.; Gong, L.; Liu, C. Fast Terminal Sliding Mode Control for Autonomous Rice Seeding Machine Based on Disturbance Observer. Trans. Chin. Soc. Agric. Mach. 2021, 52, 24–31. [Google Scholar]
- Wang, X.; Zhang, H.; Liu, S.; Wang, J.; Wang, Y.; Shangguan, D. Path planning of scenic spots based on improved A* algorithm. Sci. Rep. 2022, 12, 1320. [Google Scholar] [CrossRef]
- Mittal, K.; Song, J.; Gupta, S.; Wettergren, T.A. Rapid path planning for Dubins vehicles under environmental currents. Robot. Auton. Syst. 2020, 134, 103646. [Google Scholar] [CrossRef]
- Lambert, E.D.; Romano, R.; Watling, D. Optimal smooth paths based on clothoids for car-like vehicles in the presence of obstacles. Int. J. Control Autom. Syst. 2021, 19, 2163–2182. [Google Scholar] [CrossRef]
- Liao, B.; Hua, Y.; Wan, F.; Zhu, S.; Zong, Y.; Qing, X. Stack-RRT*: A Random Tree Expansion Algorithm for Smooth Path Planning. Int. J. Control Autom. Syst. 2023, 21, 993–1004. [Google Scholar] [CrossRef]
- Bulut, V. Path planning of mobile robots in dynamic environment based on analytic geometry and cubic Bézier curve with three shape parameters. Expert Syst. Appl. 2023, 233, 120942. [Google Scholar] [CrossRef]
- Alsmadi, M. Facial recognition under expression variations. Int. Arab J. Inf. Technol. 2016, 13, 133–141. [Google Scholar]
- Abdel-Aziz, H.S.; Zanaty, E.A.; Ali, H.A.; Saad, M.K. Generating Bézier curves for medical image reconstruction. Results Phys. 2021, 23, 103996. [Google Scholar] [CrossRef]
- Masters, D.A.; Taylor, N.J.; Rendall, T.C.S.; Allen, C.B.; Poole, D.J. Geometric comparison of aerofoil shape parameterization methods. AIAA J. 2017, 55, 1575–1589. [Google Scholar] [CrossRef]
- Klančar, G.; Seder, M. Coordinated Multi-Robotic Vehicles Navigation and Control in Shop Floor Automation. Sensors 2022, 22, 1455. [Google Scholar] [CrossRef]
- Sanchez-Ibanez, J.R.; Perez-del-Pulgar, C.J.; García-Cerezo, A. Path planning for autonomous mobile robots: A review. Sensors 2021, 21, 7898. [Google Scholar] [CrossRef]
- Xu, L.; Cao, M.; Song, B. A new approach to smooth path planning of mobile robot based on quartic Bezier transition curve and improved PSO algorithm. Neurocomputing. 2022, 473, 98–106. [Google Scholar] [CrossRef]
- Benko Loknar, M.; Klančar, G.; Blažič, S. Minimum-Time Trajectory Generation for Wheeled Mobile Systems Using Bézier Curves with Constraints on Velocity. Acceleration and Jerk. Sensors 2023, 23, 1982. [Google Scholar] [CrossRef]
- Huang, H.; Liu, Y.; Liu, J.; Yang, Q.; Wang, J.; Abbink, D.; Zgonnikov, A. General Optimal Trajectory Planning: Enabling Autonomous Vehicles with the Principle of Least Action. Engineering 2023. [Google Scholar] [CrossRef]
- Dorigo, M.; Gambardella, L.M. Ant colonies for the travelling salesman problem. Bio Syst. 1997, 43, 73–81. [Google Scholar] [CrossRef] [PubMed]
- Dai, X.; Long, S.; Zhang, Z.; Gong, D. Mobile robot path planning based on ant colony algorithm with A* heuristic method. Front. Neurorobot. 2019, 13, 15. [Google Scholar] [CrossRef] [PubMed]
- Chu, K.; Chang, T.; Wang, Q.; Yan, X. Path Planning Method of Ant Colony Algorithm Based on Effective Turning Point and Shortest-minimum Path. Trans. Chin. Soc. Agric. Mach. 2021, 52, 400–407. [Google Scholar]
- Wu, L.; Huang, X.; Cui, J.; Liu, C.; Xiao, W. Modified adaptive ant colony optimization algorithm and its application for solving path planning of mobile robot. Expert Syst. Appl. 2023, 215, 119410. [Google Scholar] [CrossRef]
- Sun, Z.; Xia, C.; Jiang, Y.; Guo, Y.; Wang, R. Research on Omnidirectional Leveling Control of Crawler-type Work Machine Based on QBP-PID. Trans. Chin. Soc. Agric. Mach. 2023, 1–13. Available online: https://link.cnki.net/urlid/11.1964.S.20230920.1956.016 (accessed on 27 December 2023).















| Scene | Algorithm | Length [m] | Reduction Rate [%] | Runtime [s] | Number of Turning Points [pc] | Reduction Rate [%] |
|---|---|---|---|---|---|---|
| 1 | A* | 48.96 | 5.58 | 1.647 | 8 | 62.50 |
| IA* | 46.23 | 1.648 | 3 | |||
| 2 | A* | 95.10 | 5.36 | 2.173 | 11 | 36.36 |
| IA* | 90.00 | 2.176 | 7 | |||
| 3 | A* | 33.28 | 5.59 | 1.660 | 11 | 18.18 |
| IA* | 31.42 | 1.661 | 9 |
| Parameter | V [m/s] | L1 [m] | L2 [m] | [°] | [°] | Start | End | k1 | k2 | ||
|---|---|---|---|---|---|---|---|---|---|---|---|
| Data | 0.50 | 1.04 | 0.68 | 0 | 0 | (1, −10) | (1, 10) | 1 | 1 | 1 | 1 |
| Controller | Sample Point [pc] | Total Error [°] | Average [°] | Variance [°] |
|---|---|---|---|---|
| F-SMC | 700 | −41.313 | −0.059 | 0.086 |
| Fuzzy | 700 | −60.201 | −0.086 | 0.094 |
| PID | 700 | −194.60 | −0.278 | 0.276 |
| Parameter | Size [m] | L1 [m] | L2 [m] | R [m] | V1 [m/s] | V2 [m/s] | [rad/s] |
|---|---|---|---|---|---|---|---|
| Data | 1.07 × 0.98 × 0.44 | 0.60 | 0.75 | 2 | 1.5 | 1.5 | 0.2 |
| Method | T [s] | Reduction Rate [%] | G [%] | Number of Sampling Points [pc] | Mean Vibration Frequency [Hz] |
|---|---|---|---|---|---|
| A* and FUZZY | 893 | 29.34 | 6.30 | 500 | 36.76 |
| IA* and F-SMC | 631 | 3.55 | 500 | 16.93 |
Disclaimer/Publisher’s Note: The statements, opinions and data contained in all publications are solely those of the individual author(s) and contributor(s) and not of MDPI and/or the editor(s). MDPI and/or the editor(s) disclaim responsibility for any injury to people or property resulting from any ideas, methods, instructions or products referred to in the content. |
© 2024 by the authors. Licensee MDPI, Basel, Switzerland. This article is an open access article distributed under the terms and conditions of the Creative Commons Attribution (CC BY) license (https://creativecommons.org/licenses/by/4.0/).
Share and Cite
Liu, L.; Wang, X.; Wang, X.; Xie, J.; Liu, H.; Li, J.; Wang, P.; Yang, X. Path Planning and Tracking Control of Tracked Agricultural Machinery Based on Improved A* and Fuzzy Control. Electronics 2024, 13, 188. https://doi.org/10.3390/electronics13010188
Liu L, Wang X, Wang X, Xie J, Liu H, Li J, Wang P, Yang X. Path Planning and Tracking Control of Tracked Agricultural Machinery Based on Improved A* and Fuzzy Control. Electronics. 2024; 13(1):188. https://doi.org/10.3390/electronics13010188
Chicago/Turabian StyleLiu, Lixing, Xu Wang, Xiaosa Wang, Jinyan Xie, Hongjie Liu, Jianping Li, Pengfei Wang, and Xin Yang. 2024. "Path Planning and Tracking Control of Tracked Agricultural Machinery Based on Improved A* and Fuzzy Control" Electronics 13, no. 1: 188. https://doi.org/10.3390/electronics13010188
APA StyleLiu, L., Wang, X., Wang, X., Xie, J., Liu, H., Li, J., Wang, P., & Yang, X. (2024). Path Planning and Tracking Control of Tracked Agricultural Machinery Based on Improved A* and Fuzzy Control. Electronics, 13(1), 188. https://doi.org/10.3390/electronics13010188
