Comparison of FCS-MPC Strategies in a Grid-Connected Single-Phase Quasi-Z Source Inverter
Abstract
1. Introduction
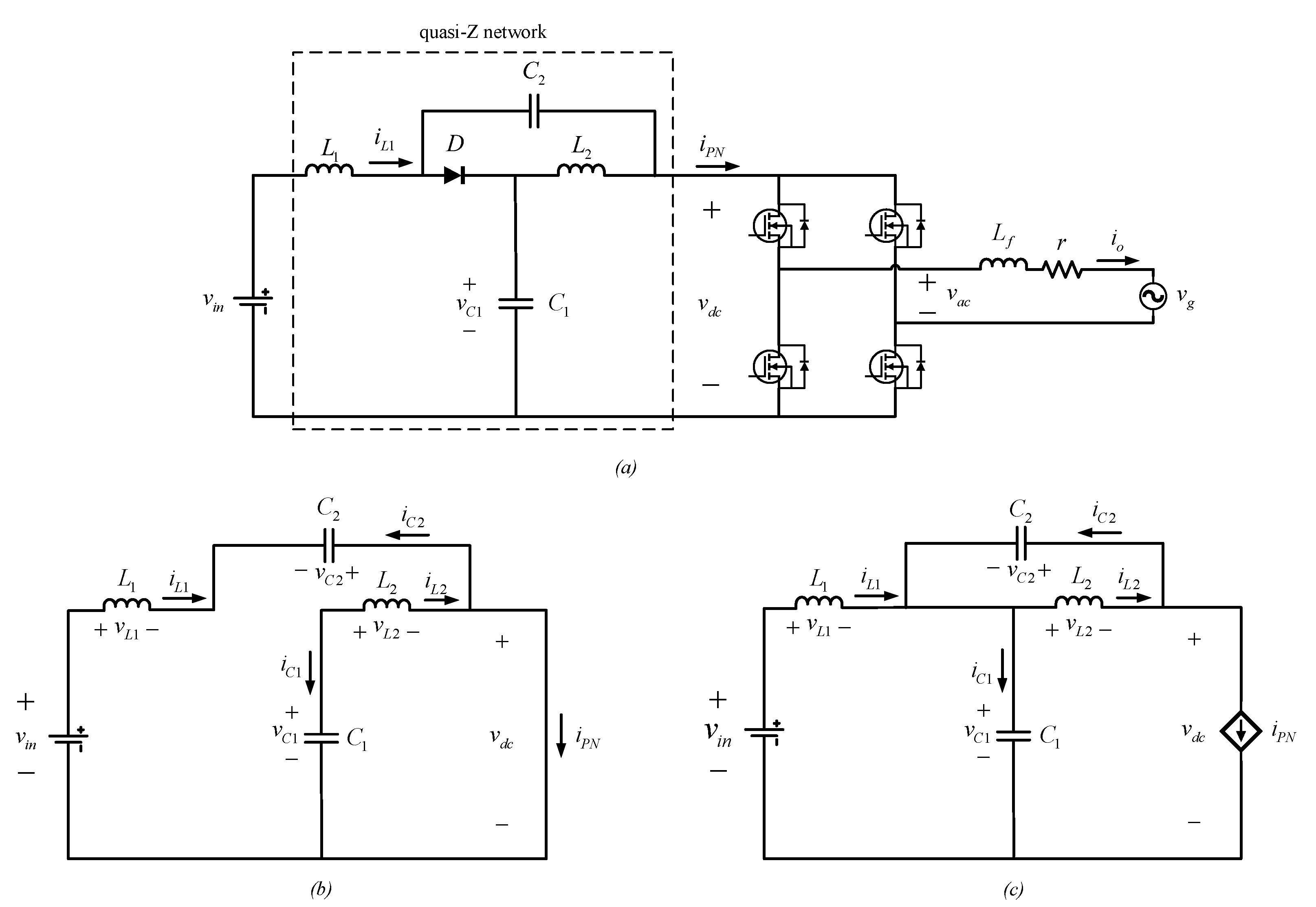
2. Single-Phase Quasi-Z Source Inverter
2.1. Shoot-Through Mode Operation
2.2. Non-Shoot-Though Mode Operation
2.3. Model with Conditional Variable
3. Two FCS-MPC Alternatives in SP-qZSI
3.1. Formulation of the FCS-MPC Strategies to Be Used
3.2. Classic FCS-MPC for SP-qZSI
3.3. Proposed FCS-MPC for an SP-qZSI
4. Simulation Results
4.1. qZSI Operating with the Classic Control
4.2. qZSI Operating with the Proposed Control
4.3. Performance Comparison
5. Conclusions
Author Contributions
Funding
Institutional Review Board Statement
Informed Consent Statement
Conflicts of Interest
References
- Colli, V.; Cancelliere, P.; Marignetti, F.; Di Stefano, R. Voltage control of current source inverters. IEEE Trans. Energy Convers. 2006, 21, 451–458. [Google Scholar] [CrossRef]
- Xie, H.; Angquist, L.; Nee, H.P. Design Study of a Converter Interface Interconnecting Energy Storage with the DC Link of a StatCom. IEEE Trans. Power Deliv. 2011, 26, 2676–2686. [Google Scholar] [CrossRef]
- Ko, S.H.; Lee, S.; Dehbonei, H.; Nayar, C. Application of voltage- and current-controlled voltage source inverters for distributed generation systems. IEEE Trans. Energy Convers. 2006, 21, 782–792. [Google Scholar] [CrossRef]
- Ahmed, H.F.; Cha, H.; Kim, S.H.; Kim, H.G. Switched-Coupled-Inductor Quasi-Z-Source Inverter. IEEE Trans. Power Electron. 2016, 31, 1241–1254. [Google Scholar] [CrossRef]
- Peng, F.Z. Z-source inverter. IEEE Trans. Ind. Appl. 2003, 39, 504–510. [Google Scholar] [CrossRef]
- Anderson, J.; Peng, F. Four quasi-Z-Source inverters. In Proceedings of the 2008 IEEE Power Electronics Specialists Conference, Rhodes, Greece, 15–19 June 2008; pp. 2743–2749. [Google Scholar] [CrossRef]
- Liu, Y.; Abu-Rub, H.; Ge, B. Z-SourceQuasi-Z-Source Inverters: Derived Networks, Modulations, Controls, and Emerging Applications to Photovoltaic Conversion. IEEE Ind. Electron. Mag. 2014, 8, 32–44. [Google Scholar] [CrossRef]
- Ayad, A.; Karamanakos, P.; Kennel, R. Direct Model Predictive Current Control Strategy of Quasi-Z-Source Inverters. IEEE Trans. Power Electron. 2017, 32, 5786–5801. [Google Scholar] [CrossRef]
- Vazquez, S.; Leon, J.I.; Franquelo, L.G.; Rodriguez, J.; Young, H.A.; Marquez, A.; Zanchetta, P. Model Predictive Control: A Review of Its Applications in Power Electronics. IEEE Ind. Electron. Mag. 2014, 8, 16–31. [Google Scholar] [CrossRef]
- Karamanakos, P.; Liegmann, E.; Geyer, T.; Kennel, R. Model Predictive Control of Power Electronic Systems: Methods, Results, and Challenges. IEEE Open J. Ind. Appl. 2020, 1, 95–114. [Google Scholar] [CrossRef]
- Gajanayake, C.J.; Vilathgamuwa, D.M.; Loh, P.C. Development of a Comprehensive Model and a Multiloop Controller for Z-Source Inverter DG Systems. IEEE Trans. Ind. Electron. 2007, 54, 2352–2359. [Google Scholar] [CrossRef]
- Ellabban, O.; Van Mierlo, J.; Lataire, P. A DSP-Based Dual-Loop Peak DC-link Voltage Control Strategy of the Z-Source Inverter. IEEE Trans. Power Electron. 2012, 27, 4088–4097. [Google Scholar] [CrossRef]
- Bakeer, A.; Magdy, G.; Chub, A.; Vinnikov, D. Predictive control based on ranking multi-objective optimization approaches for a quasi-Z source inverter. CSEE J. Power Energy Syst. 2021, 7, 1152–1160. [Google Scholar] [CrossRef]
- Abu-Rub, H.; Iqbal, A.; Moin Ahmed, S.; Peng, F.Z.; Li, Y.; Baoming, G. Quasi-Z-Source Inverter-Based Photovoltaic Generation System with Maximum Power Tracking Control Using ANFIS. IEEE Trans. Sustain. Energy 2013, 4, 11–20. [Google Scholar] [CrossRef]
- Hou, T.; Zhang, C.Y.; Niu, H.X. Quasi-Z source inverter control of PV grid-connected based on fuzzy PCI. J. Electron. Sci. Technol. 2021, 19, 100021. [Google Scholar] [CrossRef]
- Mosalam, H.A.; Amer, R.A.; Morsy, G. Fuzzy logic control for a grid-connected PV array through Z-source-inverter using maximum constant boost control method. Ain Shams Eng. J. 2018, 9, 2931–2941. [Google Scholar] [CrossRef]
- Shinde, U.K.; Kadwane, S.G.; Gawande, S.P.; Reddy, M.J.B.; Mohanta, D.K. Sliding Mode Control of Single-Phase Grid-Connected Quasi-Z-Source Inverter. IEEE Access 2017, 5, 10232–10240. [Google Scholar] [CrossRef]
- Bagheri, F.; Komurcugil, H.; Kukrer, O.; Guler, N.; Bayhan, S. Multi-Input Multi-Output-Based Sliding-Mode Controller for Single-Phase Quasi-Z-Source Inverters. IEEE Trans. Ind. Electron. 2020, 67, 6439–6449. [Google Scholar] [CrossRef]
- Rostami, H.; Khaburi, D.A. Neural networks controlling for both the DC boost and AC output voltage of Z-source inverter. In Proceedings of the 2010 1st Power Electronic & Drive Systems & Technologies Conference (PEDSTC), Tehran, Iran, 17–18 February 2010; pp. 135–140. [Google Scholar] [CrossRef]
- Rastegar Fatemi, M.J.; Mirzakuchaki, S.; Rastegar Fatemi, S.M.J. Wide-Range Control of Output Voltage in Z-source Inverter by Neural Network. In Proceedings of the 2008 International Conference on Electrical Machines and Systems, Wuhan, China, 17–20 October 2008; pp. 1653–1658. [Google Scholar]
- Xu, Y.; He, Y.; Li, S. Logical Operation-Based Model Predictive Control for Quasi-Z-Source Inverter without Weighting Factor. IEEE J. Emerg. Sel. Top. Power Electron. 2021, 9, 1039–1051. [Google Scholar] [CrossRef]
- Bakeer, A.; Ismeil, M.A.; Orabi, M. A Powerful Finite Control Set-Model Predictive Control Algorithm for Quasi Z-Source Inverter. IEEE Trans. Ind. Inform. 2016, 12, 1371–1379. [Google Scholar] [CrossRef]
- Liu, Y.; Abu-Rub, H.; Xue, Y.; Tao, F. A Discrete-Time Average Model-Based Predictive Control for a Quasi-Z-Source Inverter. IEEE Trans. Ind. Electron. 2018, 65, 6044–6054. [Google Scholar] [CrossRef]
- Baier, C.R.; Villarroel, F.A.; Torres, M.A.; Pérez, M.A.; Hernández, J.C.; Espinosa, E.E. A Predictive Control Scheme for a Single-Phase Grid-Supporting Quasi-Z-Source Inverter and Its Integration with a Frequency Support Strategy. IEEE Access 2023, 11, 5337–5351. [Google Scholar] [CrossRef]
- Diaz-Bustos, M.; Baier, C.R.; Torres, M.A.; Melin, P.E.; Acuna, P. Application of a Control Scheme Based on Predictive and Linear Strategy for Improved Transient State and Steady-State Performance in a Single-Phase Quasi-Z-Source Inverter. Sensors 2022, 22, 2458. [Google Scholar] [CrossRef] [PubMed]
- Rodriguez, J.; Cortes, P. Model Predictive Control. In Predictive Control of Power Converters and Electrical Drives; John Wiley & Sons: Hoboken, NJ, USA, 2012; pp. 31–39. [Google Scholar] [CrossRef]
- Khan, W.A.; Ebrahimian, A.; Iman Hosseini S., S.; Abarzadeh, M.; Weise, N.; Al-Haddad, K. A Generalized Analytical Tuning Approach for Model Predictive Controlled Grid-Tied Converters Under Wide Range of Grid Inductance Variation. IEEE Access 2022, 10, 108261–108275. [Google Scholar] [CrossRef]
- Gonzalez-Prieto, A.; Martin, C.; González-Prieto, I.; Duran, M.J.; Carrillo-Ríos, J.; Aciego, J.J. Hybrid Multivector FCS–MPC for Six-Phase Electric Drives. IEEE Trans. Power Electron. 2022, 37, 8988–8999. [Google Scholar] [CrossRef]
- Ramírez, R.O.; Baier, C.R.; Villarroel, F.; Espinoza, J.R.; Pou, J.; Rodríguez, J. A Hybrid FCS-MPC with Low and Fixed Switching Frequency without Steady-State Error Applied to a Grid-Connected CHB Inverter. IEEE Access 2020, 8, 223637–223651. [Google Scholar] [CrossRef]
- Ali, M.; Hafeez, G.; Farooq, A.; Shafiq, Z.; Ali, F.; Usman, M.; Mihet-Popa, L. A Novel Control Approach to Hybrid Multilevel Inverter for High-Power Applications. Energies 2021, 14, 4563. [Google Scholar] [CrossRef]
- Favato, A.; Carlet, P.G.; Toso, F.; Torchio, R.; Bolognani, S. Integral Model Predictive Current Control for Synchronous Motor Drives. IEEE Trans. Power Electron. 2021, 36, 13293–13303. [Google Scholar] [CrossRef]
- Liu, X.; Qiu, L.; Wu, W.; Ma, J.; Fang, Y.; Peng, Z.; Wang, D. Neural Predictor-Based Low Switching Frequency FCS-MPC for MMC with Online Weighting Factors Tuning. IEEE Trans. Power Electron. 2022, 37, 4065–4079. [Google Scholar] [CrossRef]
- Kaymanesh, A.; Chandra, A.; Al-Haddad, K. Model Predictive Control of MPUC7-Based STATCOM Using Autotuned Weighting Factors. IEEE Trans. Ind. Electron. 2022, 69, 2447–2458. [Google Scholar] [CrossRef]
- Geyer, T.; Karamanakos, P.; Kennel, R. On the benefit of long-horizon direct model predictive control for drives with LC filters. In Proceedings of the 2014 IEEE Energy Conversion Congress and Exposition (ECCE), Pittsburgh, PA, USA, 14–18 September 2014; pp. 3520–3527. [Google Scholar] [CrossRef]
- Geyer, T.; Quevedo, D.E. Performance of Multistep Finite Control Set Model Predictive Control for Power Electronics. IEEE Trans. Power Electron. 2015, 30, 1633–1644. [Google Scholar] [CrossRef]
- Tregubov, A.; Karamanakos, P.; Ortombina, L. Long-Horizon Robust Direct Model Predictive Control for Medium-Voltage Induction Motor Drives with Reduced Computational Complexity. IEEE Trans. Ind. Appl. 2023, 59, 1775–1787. [Google Scholar] [CrossRef]
- Karamanakos, P.; Geyer, T. Guidelines for the Design of Finite Control Set Model Predictive Controllers. IEEE Trans. Power Electron. 2020, 35, 7434–7450. [Google Scholar] [CrossRef]
- Dragičević, T. Model Predictive Control of Power Converters for Robust and Fast Operation of AC Microgrids. IEEE Trans. Power Electron. 2018, 33, 6304–6317. [Google Scholar] [CrossRef]
- Young, H.A.; Marin, V.A.; Pesce, C.; Rodriguez, J. Simple Finite-Control-Set Model Predictive Control of Grid-Forming Inverters with LCL Filters. IEEE Access 2020, 8, 81246–81256. [Google Scholar] [CrossRef]
- Duan, X.; Kang, L.; Zhou, H.; Liu, Q. Multivector Model Predictive Power Control with Low Computational Burden for Grid-Tied Quasi-Z-Source Inverter without Weighting Factors. IEEE Trans. Power Electron. 2022, 37, 11739–11748. [Google Scholar] [CrossRef]
- Baier, C.R.; Flores, C.; Diaz, M.A.; Torres, M.A.; Pou, J.; Melín, P.; Espinosa, E. Reducing losses in the shoot-through state of a single-phase quasi-z-source inverter. In Proceedings of the 2017 IEEE International Telecommunications Energy Conference (INTELEC), Broadbeach, QLD, Australia, 22–26 October 2017; pp. 444–449. [Google Scholar] [CrossRef]
- Li, Y.; Jiang, S.; Cintron-Rivera, J.G.; Peng, F.Z. Modeling and Control of Quasi-Z-Source Inverter for Distributed Generation Applications. IEEE Trans. Ind. Electron. 2013, 60, 1532–1541. [Google Scholar] [CrossRef]
- Ayad, A.; Hanafiah, S.; Kennel, R. A Comparison of Quasi-Z-Source Inverter and Traditional Two-Stage Inverter for Photovoltaic Application. In Proceedings of the PCIM Europe 2015; International Exhibition and Conference for Power Electronics, Intelligent Motion, Renewable Energy and Energy Management, Nuremberg, Germany, 19–20 May 2015; pp. 1–8. [Google Scholar]
- Hussain, A.; Sher, H.A.; Murtaza, A.F.; Javadi, A.; Al-Haddad, K. Transformerless Three Phase Variable Output Voltage DC/AC Standalone Power Converter Using Modified Restrictive Control Set Model Predictive Control. IEEE J. Emerg. Sel. Top. Power Electron. 2020, 8, 3772–3783. [Google Scholar] [CrossRef]








| MPC Strategy Type | Advantages | Disadvantages | References |
|---|---|---|---|
| Hybrid MPC | - Fast dynamic response - Near-zero steady-state error | - Processing load could be significant for long prediction horizons - Parameters tuning might be more complex. | [28,29,30] |
| MPC with integral action | - Help to mitigate the effects of non-idealities | - Processing load could be significant for long prediction horizons - The THD values might be higher than those in a hybrid MPC - The dynamic response is no longer as fast | [29,31] |
| MPC with techniques to reduce the number of solution | - Contribute to reducing the processing load | - Relative difficulty in implementation | [36,40] |
| With tuning techniques for the weighting factors | - Low complexity in parameter tuning - Improved system performance | The processing load could be significant | [32,33] |
| N° | State | ||||||||
|---|---|---|---|---|---|---|---|---|---|
| 1 | nSTS | 1 | 0 | 0 | 1 | 1 | 0 | ||
| 2 | nSTS | 0 | 1 | 1 | 0 | −1 | 0 | ||
| 3 | nSTS | 1 | 0 | 1 | 0 | 0 | 0 | 0 | 0 |
| 4 | nSTS | 0 | 1 | 0 | 1 | 0 | 0 | 0 | 0 |
| 5 | STS | 1 | 1 | 0 | 0 | 0 | 1 | 0 | 0 |
| 6 | STS | 0 | 0 | 1 | 1 | 0 | 1 | 0 | 0 |
| 7 | STS | 1 | 1 | 1 | 1 | 0 | 1 | 0 | 0 |
| Variables | Description | Values |
|---|---|---|
| Input voltage | 70 V | |
| Inductances of the quasi-Z network | 1.5 mH | |
| quasi-Z network capacitances | 1000 μF | |
| Output inductive filter inductance | 15 mH | |
| r | Resistance associated with | 0.01 |
| Output frequency | 50 Hz | |
| Grid voltage | 45 V | |
| Reference power 1st step | 200 W | |
| Reference power 2nd step | 600 W | |
| Voltage reference | 150 V |
| Variables | Description | Values |
|---|---|---|
| Sample frequency | 20 kHz | |
| Weighting factor for inductor current | 1.6 | |
| Weighting factor for capacitor voltage | 1.9 |
Disclaimer/Publisher’s Note: The statements, opinions and data contained in all publications are solely those of the individual author(s) and contributor(s) and not of MDPI and/or the editor(s). MDPI and/or the editor(s) disclaim responsibility for any injury to people or property resulting from any ideas, methods, instructions or products referred to in the content. |
© 2023 by the authors. Licensee MDPI, Basel, Switzerland. This article is an open access article distributed under the terms and conditions of the Creative Commons Attribution (CC BY) license (https://creativecommons.org/licenses/by/4.0/).
Share and Cite
Saavedra, J.L.; Baier, C.R.; Marciel, E.I.; Rivera, M.; Carreno, A.; Hernandez, J.C.; Melín, P.E. Comparison of FCS-MPC Strategies in a Grid-Connected Single-Phase Quasi-Z Source Inverter. Electronics 2023, 12, 2052. https://doi.org/10.3390/electronics12092052
Saavedra JL, Baier CR, Marciel EI, Rivera M, Carreno A, Hernandez JC, Melín PE. Comparison of FCS-MPC Strategies in a Grid-Connected Single-Phase Quasi-Z Source Inverter. Electronics. 2023; 12(9):2052. https://doi.org/10.3390/electronics12092052
Chicago/Turabian StyleSaavedra, Jorge L., Carlos R. Baier, Esteban I. Marciel, Marco Rivera, Alvaro Carreno, Jesús C. Hernandez, and Pedro E. Melín. 2023. "Comparison of FCS-MPC Strategies in a Grid-Connected Single-Phase Quasi-Z Source Inverter" Electronics 12, no. 9: 2052. https://doi.org/10.3390/electronics12092052
APA StyleSaavedra, J. L., Baier, C. R., Marciel, E. I., Rivera, M., Carreno, A., Hernandez, J. C., & Melín, P. E. (2023). Comparison of FCS-MPC Strategies in a Grid-Connected Single-Phase Quasi-Z Source Inverter. Electronics, 12(9), 2052. https://doi.org/10.3390/electronics12092052

