Next Article in Journal
Separating Malicious from Benign Software Using Deep Learning Algorithm
Previous Article in Journal
Optimized Polarization Encoder with High Extinction Ratio for Quantum Key Distribution System
 
 
Font Type:
Arial Georgia Verdana
Font Size:
Aa Aa Aa
Line Spacing:
Column Width:
Background:
Article

Research on Non-Invasive Floating Ground Voltage Measurement and Calibration Method

1
Faculty of Science, Kunming University of Science and Technology, Kunming 650504, China
2
Electric Power Research Institute, Yunnan Power Grid Co., Ltd., Kunming 650504, China
3
College of Mechanical and Electrical Engineering, Kunming University of Science and Technology, Kunming 650504, China
*
Author to whom correspondence should be addressed.
Electronics 2023, 12(8), 1858; https://doi.org/10.3390/electronics12081858
Submission received: 27 March 2023 / Revised: 9 April 2023 / Accepted: 11 April 2023 / Published: 14 April 2023

Abstract

:
Voltage measurement is an important part of power system operation, and non-intrusive voltage sensors have the advantages of low insulation difficulty, simple structure, easy loading and unloading, and high construction safety, which have become a new direction for voltage measurement. Based on the principle of electric field coupling, this paper constructs a non-intrusive floating ground three-capacitance voltage measurement model, which can complete the accurate measurement of voltage without connecting with the line to be measured and the earth in the measurement process. In non-intrusive voltage measurement, the change of the object to be measured or the measurement environment will cause the change of the coupling capacitance, which leads to the uncertainty of the transmission relationship of the sensor and the large error of measurement results. In order to solve this problem, a new method of sensor calibration is proposed in this paper. By sampling capacitance in parallel between two electrodes of the sensor, changing the capacitance value, and establishing an input output equation, the coupling capacitance value and the voltage value to be measured under different operating conditions are solved. In addition, the sampling capacitance is often several orders of magnitude larger than the sensor’s own capacitance, making the sensor’s voltage division ratio significantly higher and more conducive to the measurement of high voltages. The experimental results show that the measurement error is less than 2%, which verifies the feasibility of the method and the accuracy of the voltage measurement.

1. Introduction

Voltage measurement is widely used in power systems, and the accuracy, reliability, and convenience of voltage measurement play an important role in fault detection and fault analysis of power systems [1,2,3,4]. In the current power system, voltage transformers are mainly relied on to obtain voltage signals. Nowadays, the most common voltage transformers used in power grids are electromagnetic voltage transformers and capacitive voltage transformers [5]. The electromagnetic voltage transformer has a small capacity, high cost, complex insulation structure, ferromagnetic resonance phenomenon, leakage inductance distribution capacitance, and other factors and gradually does not adapt to the needs of today’s power grid. Capacitive voltage transformers are mainly used in power grids above 330 kV, which are large, expensive, and not easy to install and cannot meet the requirements of low-cost distributed devices [6]. The non-intrusive voltage measurement method realized by the electric field coupling principle has a series of advantages such as low insulation difficulty, simple structure, wide dynamic range, and fast transient response, which caters to the future need for intelligent voltage sensors in power systems and becomes a new direction for voltage measurement technology [7,8,9,10,11,12,13,14]. For transmission lines, non-invasive voltage measurement schemes based on the principle of capacitive coupling are less available, and the accuracy of the measurement cannot be guaranteed due to the change in the coupling capacitance value between the sensor system and the conductor to be measured due to different measurement environments [15,16,17].
The principle of non-invasive voltage measurement was first proposed in document [18], which relies on a probe vibrating at a certain frequency to form a time-varying capacitance between the line to be measured and the probe, thereby measuring the voltage of the line to be measured. However, in practical measurements, the bandwidth of this measurement scheme is limited by the vibration frequency of the probe, resulting in significant limitations. Most of the measurement schemes proposed in recent years use static coupling sensing probes, which are fixed on or near the surface of the line to be measured based on the voltage level. The voltage of the line to be measured is coupled to the measurement device using the coupling capacitance formed between the line to be measured and the sensor sensing plate for voltage measurement. The literature [19] used the principle of capacitive voltage division for non-intrusive voltage measurement, combined with field applications, and analyzed the influence of factors such as the height of the line to be measured, the ambient temperature and humidity, and the distance from the installation point to the pole tower on the coupling capacitance and measurement results, but the coupling capacitance between the line to be measured, the earth, and the sensor inductor pole plate changes with the measurement environment in the actual measurement process and cannot be equated to a constant. In the literature [20], a non-intrusive voltage measurement method based on electric field coupling with two probes was proposed to eliminate the measurement error brought by interference from other directions, and although this measurement scheme can effectively eliminate the influence brought by external interference, it still does not solve the problem of measurement error caused by the change of coupling capacitance due to the change of measurement environment. The literature [21] eliminates the coupling capacitance between the sensor and the line by connecting the sensing electrode inside the sensor directly to the line to be measured for equipotential measurement, but the coupling capacitance value between the sensor and the earth in this measurement method will still change due to the change of the measurement environment, which makes it difficult to guarantee the measurement accuracy. Aiming at the problem of measurement error caused by the uncertainty of the coupling capacitance between the sensor and the earth, David L. Epperson of Fluke et al. relied on the human body as a coupling ground conductor, eliminating the capacitance to the ground and thus solving the problem of restricted measurement locations [22]. The measurement process requires the human body as a coupling ground conductor, resulting in a method that cannot be applied to high voltage measurement scenarios, such as voltage measurements on overhead transmission lines. In addition, when multiple conductors are present in the measurement scenario, its measurement accuracy is still compromised. The literature [23,24,25,26] eliminates the unknown coupling capacitance between the induction electrode and the line to be tested by injecting a known heterofrequency sinusoidal reference signal in order to improve measurement accuracy. However, there are various harmonics on the line in the actual measurement scenario, which makes it difficult to distinguish between the injected signal and the harmonic signal already on the line for accurate measurement. In addition, when measuring high voltage scenarios, a high amplitude voltage needs to be injected to ensure that the signal is not drowned, making it difficult for the method to achieve engineering applications.
Based on the principle of electric field coupling, this paper constructs a non-invasive floating ground three-capacitance voltage measurement model based on the coupling capacitance between the sensor and the line to be measured, the ground, and the sensor itself. In the process of non-invasive voltage measurement, there are the following problems: (1) the coupling capacitance between the line to be measured and the sensor may vary due to factors such as line diameter, insulation material and thickness, and relative position and distance between the sensor and the line, resulting in uncertainty in capacitance values; (2) the coupling capacitance between the sensor (suspended on the line to be measured) and the ground is uncertain due to the lines to be measured being at different heights to the ground; (3) changes in the measurement environment, such as temperature and humidity, can also lead to changes in the coupling capacitance; (4) due to the influence of processing technology, material dielectric constant characteristics, sensor volume, and other factors, the sensor’s own capacitance can only reach pF level, and the low voltage division ratio leads to a large output voltage when the sensor measures high-voltage lines, which brings inconvenience to subsequent sampling and processing. To solve the above problems, this paper proposes to sample capacitance in parallel between two electrodes of the sensor to obtain unknown coupling capacitance values in real-time and accurately measure the line voltage to be measured. At the same time, the sampling capacitance is often several orders of magnitude larger than the capacitance of the sensor itself, thereby achieving a greater voltage division ratio, which is more conducive to the measurement of high voltage scenarios.

2. The Principle of Non Invasive Floating Ground Three Capacitor Voltage Measurement

This paper proposes a non-invasive floating ground-type three capacitance voltage measurement model, which has the advantages of convenient handling, high construction safety, not being affected by line insulation, and being able to replace sensors with electricity. In this model, the voltage sensor does not need to be connected to the line to be measured and to the ground to complete the voltage measurement. The sensing probe is connected to the line to be measured and to the ground through a coupling capacitor.
The principle of non-invasive floating three-capacitance voltage measurement is shown in Figure 1, where the intrinsic capacitance between the two electrodes of the sensor is C s . The coupling capacitance formed between the sensor and the line to be measured is C l . The coupling capacitance formed with the earth is C g . The voltage to be measured U i is output from C s after series voltage dividing by capacitors C l , C s , and C g . The output voltage of the sensor is the difference between the levitation potentials of the two sensing electrodes, which offsets the common mode voltage component, making the sensor more resistant to interference.
The lumped parameter equivalent circuit model of the model is shown in Figure 2, and the transfer relationship between the voltage U i to be measured and the output voltage U o is obtained by Laplace transformation:
U o = C l C g C s C g + C l C g + C l C s U i
The voltage division ratio is
k = U i U o = C s C g + C l C g + C l C s C l C g
As can be seen in Equation (2), the sensor gain (voltage division ratio) k is determined by the capacitors C l , C s , and C g . The capacitance C s is the capacitance of the sensor itself. As long as the structure of the sensor is determined, it is a certain value, and the influence of the measurement environment can be ignored. However, the capacitances C l and C g change due to a change in the measurement environment.
In this paper, the effect of line diameter and ground distance on capacitors C l and C g is analyzed by using COMSOL Multiphysics software simulation. In the simulation, the sensor is a coaxial sensor; the inner and outer electrodes are copper; the insulating medium between the two electrodes is epoxy resin; the dielectric constant is set to 4; the radius of the inner electrode is 2 cm; the thickness of the electrode is 2 mm; the radius of the outer electrode is 2.7 cm; the thickness of the insulating medium is 5 mm; and the sensor is 10 cm long. Refer to the radius of the 10 kV transmission line and its height to perform parametric scanning, the comsol simulation model is shown in Figure 3.
From Figure 4 and Figure 5, we can see that the coupling capacitances C l and C g have different capacitance values under different measurement scenarios. The coupling capacitance C l is influenced by the line diameter—the larger the line diameter to be measured is, the higher the capacitance value is; when the line diameter is determined, the height from the ground has less influence on the coupling capacitance C l ; the coupling capacitance C g is influenced by the height of the line from the ground—the further from the ground, the smaller the capacitance value is; when the line distance from the ground is determined, the line diameter has less influence on the coupling capacitance C g . Therefore, the coupling capacitance in the non-contact voltage measurement will be affected by the line diameter to be measured and the height from the ground; that is, for the above non-intrusive floating ground three-capacitance voltage measurement model, in the actual measurement process there are still practical problems such as unstable voltage division ratio and insufficient measurement accuracy. In order to adapt the sensor to different measurement environments and obtain coupling capacitance values under different working conditions, the following will conduct research on it.

3. Principle and System Design of Self Calibration Measurement

3.1. Self-Calibration Principle

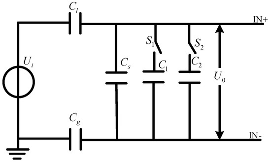
The estimation of coupling capacitance and the calibration of voltage division ratio in non-contact voltage measurement are the keys to sensor design. However, in the above measurement model, this issue has not been resolved. Therefore, an improved non-invasive floating ground-type three-capacitance voltage measurement is proposed, in which the sampling capacitance is connected in parallel between the two electrodes of the sensor. By changing the size of the sampling capacitance, a set of equations is established, and the coupling capacitance and the voltage to be measured are solved simultaneously. The measurement principle is shown in Figure 6.
The lumped capacitors C 1 and C 2 are connected in parallel between the two electrodes of the sensor. S 1 and S 2 are switches controlled by relays, which can control whether the capacitors C 1 and C 2 are put into operation.
(1)
The switch S 1 is closed, and S 2 is disconnected. The capacitor C 1 is paralleled between the two electrodes of the sensor. At this point, the relationship between the output voltage U o 1 and the line voltage U i to be measured is
U o 1 = C l C g C s + C 1 C g + C l C g + C l C s + C 1 U i = C l C g C l + C g C s + C 1 + C l C g C l + C g U i
Order C x = C l C g C l + C g , Equation (3) can be converted to
U o 1 = C x C s + C 1 + C x U i
(2)
The switch S 2 is closed, and S 1 is disconnected. The capacitor C 2 is paralleled between the two electrodes of the sensor. At this point, the relationship between the output voltage U o 2 and the line voltage U i to be measured is
U o 2 = C x C s + C 2 + C x U i
In the above steps, the size of the sampling capacitance is only changed by controlling the opening and closing of switches S 1 and S 2 , without any changes to the sensor and its operating environment. Therefore, the sensor’s own capacitance C S and coupling capacitances C l and C g remain unchanged during this process.
Solve C x and U i by combining Equations (4) and (5).
C x = U o 1 C 1 + C s U o 2 C 2 + C s U o 2 U o 1
U i = U o 1 U o 2 C 1 C 2 U o 1 C 1 + C s U o 2 C 2 + C s
Through Equations (6) and (7), the unknown parameter C x can be obtained, and the voltage value U i can be obtained accurately.
From the above analysis, it can be seen that when there is no parallel sampling capacitor between the two sensing plates of the sensor, the voltage division ratio k 1 is
k 1 = C s + C x C x
When parallel sampling capacitor C , its voltage division ratio k 2 is
k 2 = C s + C + C x C x
In Equation (8), C x is the series equivalent value of C l and C g . According to the above simulation, both C l and C g are at pF level, so C x is at pF level or even fF level. The sampling capacitance C in Equation (9) can be selected as nF or even uF level so that the voltage division ratio k 2 k 1 . Therefore, the improved non-invasive floating ground-type three-capacitance voltage measurement model can not only achieve online calibration of the sensor, determine the sensor partial voltage ratio, and accurately measure the voltage value to be measured but also significantly improve the partial voltage ratio to achieve higher voltage level measurement.

3.2. Back-End Signal Processing

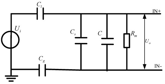
The equivalent circuit model of the entire measurement system can be represented as shown in Figure 7. The line voltage to be measured is equivalent to a voltage source with a potential to ground of U i ; C l is the coupling capacitance between the sensor and the line to be measured; C g is the coupling capacitance between the sensor and the ground; C s is the capacitance of the sensor itself; C is the sampling capacitance connected in parallel to the two electrodes of the sensor; and R m is the sampling load resistance. The voltage U o across the sampling resistor R m is the measured signal.
Through Laplace transform, the transfer function of the sensor is obtained as follows:
H s = U o U i = R m C l C g S C g + C l + R m s C s + C C g + C s + C C l + C l C g
Additionally, C x = C l C g C l + C g , and Equation (10) can be reduced to:
H s = C x R m S 1 + R m s C s + C + C x
When R m ( C s + C + C x ) < < 1 , the transfer function of the sensor can be expressed as
H s = C x R m S
In this case, the sensor operates in a differential mode, and it is necessary to add an integration circuit to the later stage circuit to make the measured output signal have a linear relationship with the measured signal.
When R m ( C s + C + C x ) > > 1 , the transfer function of the sensor can be expressed as
H s = C x C s + C + C x
In this case, the sensor operates in a self integrating mode, and the sensor does not require an integrating circuit to maintain a linear relationship between its input and output.
If the sensor operates in differential mode, it is difficult to improve the signal-to-noise ratio of the sensor using an integrating circuit, and the stray parameters of the integrating circuit components may cause waveform distortion. Considering a series of problems with integrating circuits, sensors operating in self integrating mode will have greater advantages. In order for the sensor to operate in the self integrating mode, R m ( C s + C + C x ) > > 1 should be satisfied, where C s and C x are at pF level, and the sampling capacitance C can reach nF or even uF level. To make this formula valid, R m should be at M Ω level.
Due to the differential input structure of the sensor, the potentials of both sensing electrodes are unknown floating potentials. The back-end needs to use a differential signal processing circuit to convert the dual input signal into a single-ended signal relative to the circuit reference ground potential, making it suitable for signal processing and transmission. Therefore, this article selects the INA111 instrument amplifier produced by Texas Instruments (TI), which has an input impedance of up to 1000 G Ω , to meet the requirements of high-input impedance. It also has a differential signal processing function that can convert the differential measurement signal output by the sensor into a single ended signal. The back-end signal processing circuit and its frequency response curve are shown in Figure 8, where resistors R 1 and R 3 serve as limiting values to prevent excessive circuit current, with a size of 1 M Ω . R 2 and R 4 are DC bias resistors with a size of 50 M Ω . Using this differential method to directly input the output voltage to the amplifier can achieve self-integration while eliminating the load resistance, avoiding a series of problems caused by the load resistance.

3.3. System Design

It can be seen from the above analysis that the improved non-invasive floating three-capacitor voltage measurement can achieve accurate measurement of voltage in different measurement scenarios. The main contents include the following solutions: (1) by changing the size of the parallel sampling capacitor between the two electrodes of the sensor, the joint input and output equation solves the coupling capacitor and the voltage value to be measured so that the sensor can adapt to different measurement scenarios to accurately measure the voltage to be measured; (2) connecting a capacitor with a larger capacitance value in parallel between the two sensing electrodes of the sensor achieves a larger voltage division ratio of the sensor while making it easier for the sensor to meet the operation in the self-integrating mode; (3) the back-end differential signal processing circuit can convert the double-ended input signal on the two sense electrodes into a single-ended signal relative to the circuit reference ground potential for subsequent data acquisition. At the same time, the differential amplification circuit can suppress the errors brought about by environmental interference signals on the measurement results and realize the accurate measurement of the sensor output signal. The measurement system and the specific implementation steps are shown in Figure 9.

4. Test and Result Analysis

In order to verify the feasibility of the proposed method in the actual measurement, the coaxial sensor with internal and external induction electrodes of copper, inter-electrode insulation medium of epoxy resin, and outer layer of PVC pressure-resistant material is made, and the actual sensor is shown in Figure 10. The total set parameter capacitance (sampling capacitance) and the fabricated coaxial sensor used in the experiments were measured using the Tong-Hui TH2840BX precision LCR digital bridge for the capacitance value to eliminate the measurement error caused by the difference between the actual and nominal values of the capacitance, and the measured capacitance value of the coaxial sensor was 95 pF.
Firstly, the low-voltage performance of the sensor is tested in a low-voltage scenario (100 V–300 V), and, secondly, it is verified whether the method proposed in this paper can effectively improve the voltage division ratio of the sensor and can be applied to a high-voltage measurement scenario (1 kV–5 kV).

4.1. Sensor Low Voltage Scenario Testing

In the experiment, the Delta Programable AC Power Source A3000 (output voltage range 0–300 V, frequency 30 Hz–1 kHz) was used to generate the voltage to be measured, increasing from 100 V to 300 V in steps of 20 V, and the output voltage was measured using an Agilent 34410A digital multimeter to determine the line to be tested. The actual voltage value is determined using an Agilent 34410A digital multimeter. The coaxial sensor is mounted on the line to be measured, and the output voltage is obtained by a 16-bit PicoScope 5244D data acquisition card after the sensor output voltage is processed by the back-end circuit. The experimental schematic and the experimental platform are shown in Figure 11 and Figure 12.
Select parallel sampling capacitors 110 pF, 290 pF, AC source output amplitude 100 V, and frequency 50 Hz of the voltage to be measured, and switch the sampling capacitance to obtain different output voltage of the sensor as shown in Figure 13. Calculate the value of the sensor coupling capacitance under such conditions as shown in Table 1.
From Table 1, it can be concluded that the series equivalent values C x of the stray capacitances C l and C g between the sensor and the line to be measured and the ground are approximately 1.40 pF. In the low-voltage performance test, the maximum voltage of the line to be tested is 300 V. In order to make the sensor output voltage less than 3.3 V to meet the subsequent AD acquisition, the sensor voltage division ratio should be greater than 300/3.3 ≈ 91. The voltage division ratio is taken as 91 and substituted into Equation (9) to obtain the minimum sampling capacitance value of 31 pF. In order to make the sensor with a larger voltage division ratio, it is easier to meet the self-integration conditions, the sampling capacitance is taken as 290 pF, the voltage division ratio of the sensor is 276, and the equivalent circuit model of the measurement system and its frequency characteristics are shown in Figure 14. It can be seen that the sensor works in a self-integrating model, which meets the design requirements.
The low-voltage performance (linearity and accuracy) of the sensor is shown in Table 2 and Figure 15, where the input voltage U i is measured by an Agilent 34410A digital multimeter as the true voltage of the line to be measured, and the output voltage U o of the sensor is measured by a PicoScope 5244D data acquisition card. The ratio error (ε%) is defined as
ε % = K U o U i U i × 100 %
In Equation (14), K is the partial pressure ratio of the sensor, which is 276 under this operating condition.
In Figure 15, the horizontal axis represents the actual voltage value U i of the tested circuit, the left axis represents the reconstructed voltage value K U o based on the sensor output, and the right axis represents the ratio error between the reconstructed voltage value and the actual voltage value. From the graph, it can be seen that the linear relationship is y = 0.99x + 1.82 (y represents the reconstructed voltage, and x represents the actual voltage of the line) with a fitting degree of 0.9951. Therefore, the sensor can determine the coupling capacitance value in low-voltage measurement scenarios, accurately measure the voltage value to be measured, have good linearity, and the measurement error is within 2.0%.

4.2. Sensor High-Voltage Scenario Testing

When testing the performance of the sensor in high-voltage scenarios, choose the Changsheng CS9914BX (output voltage range 0.05 kV–5.0 kV, frequency 40 Hz–400 Hz) high-voltage source to output the voltage to be tested, and use the high-voltage probe TekP6015A as a reference to determine the true value of the line voltage to be tested. Hang the coaxial sensor on the circuit to be tested, and the output voltage of the sensor is obtained through the back-end processing circuit using a 16-bit PicoScope 5244D data acquisition card. The experimental schematic diagram and experimental platform are shown in Figure 16 and Figure 17.
Select parallel sampling capacitors 1074 pF, 3140 pF, AC source output amplitude 1000 V, and frequency 50 Hz of the voltage to be measured to obtain different output voltage of the sensor as shown in Figure 18. Calculate the value of the sensor coupling capacitance under such conditions as shown in Table 3.
From Table 3, the coupling capacitance value C x is 1.89 pF; the minimum voltage division ratio of the sensor is 5 kV/3.3 ≈ 1516 for the sensor output voltage less than 3.3 V, and the minimum value of the sampling capacitance is 2769 pF. Therefore, the sampling capacitance is taken as 3140 pF, at which time the voltage division ratio of the sensor is 1712, and the equivalent circuit model of the measurement system and its frequency characteristics are shown in Figure 19. The sensor works in self-integrating mode, which meets the design requirements.
The high-voltage performance (linearity and accuracy) of the sensor is shown in Table 4 and Figure 20, where the input voltage U i is measured by the high-voltage probe TekP6015A, which is the true voltage of the tested circuit, and U o is obtained by the PicoScope 5244D data acquisition card, which is the output voltage of the sensor. Substitute the value of K as 1712 into Equation (14) to calculate the ratio error (ε%).
In Figure 20, the horizontal axis represents the output voltage value of the high-voltage probe, which is the actual voltage value U i of the tested circuit. The left axis represents the reconstructed voltage value K U o based on the sensor output, and the right axis represents the ratio error between the reconstructed voltage value and the actual voltage value. From the graph, it can be seen that the linear relationship is y = 1.01x − 18.64 (y represents the reconstructed voltage, and x represents the actual voltage of the line), with a fitting degree of 0.9997. Therefore, the sensor can measure the voltage value to be measured in high-voltage scenarios with good linearity and measurement error within 2.0%.

4.3. Advancement of the Measurement System

To highlight the advanced nature of the measurement system proposed in this paper, it is compared with other measurement systems mentioned in the introduction section in terms of measurement method, measurement principle, accuracy, system cost, and its advantages and disadvantages, as shown in Table 5.
Therefore, the non-invasive floating ground voltage measurement method proposed in this article has advantages over traditional contact voltage measurement, such as low cost, high safety, low insulation difficulty, and simple structure. At the same time, this method also solves the drawback that traditional capacitive non-contact voltage measurement cannot be applied without an effective grounding point.

5. Conclusions

This paper proposes a non-invasive floating ground voltage measurement and its calibration method, which is expected to be widely used in the field of non-contact voltage measurement. The main work is as follows:
(1)
Based on the principle of electric field coupling, a three-capacitance model for non-invasive floating ground voltage measurement is constructed based on the coupling capacitance between the sensor and the line to be measured and the ground.
(2)
According to the equivalent circuit model, the influence of coupling capacitance on the sensor transfer relationship is analyzed, and the factors affecting the coupling capacitance are simulated and analyzed.
(3)
A new method for sensor calibration is proposed, which enables the sensor to accurately measure the voltage value to be measured in different measurement environments. In addition, this method can significantly increase the sensor’s voltage division ratio, enabling it to be applied to higher voltage level measurements.
(4)
The feasibility of the proposed method is verified through theoretical derivation and experiments.
Based on the realization of miniaturization, non-contact, and low-cost of voltage sensors, this paper solves the problem of unknown coupling capacitance between the line to be measured, the sensor probe, and the ground and can accurately measure the line voltage under different operating conditions. This method has practical application significance for the promotion of non-invasive voltage measurement.

Author Contributions

Conceptualization, M.H. and C.S.; methodology, M.H. and W.Z.; software, W.Z. and X.T.; validation, M.H. and G.Z.; formal analysis, X.S.; investigation, M.H. and G.Z.; resources, C.S. and X.T.; data curation, X.S. and X.T.; writing—original draft preparation, M.H. and C.S.; writing—review and editing, M.H., C.S. and W.Z.; supervision, G.Z.; project administration, W.Z. and X.T. All authors have read and agreed to the published version of the manuscript.

Funding

This research was supported by the funding of Yunnan Academy of Science and Technology “Research and development of new smart sensor technology to promote green energy development” (202104BN050011) and by the Scientific Research Foundation of Yunnan Provincial Department of Education (202350134).

Data Availability Statement

The data used to support the findings of this study are included within the article.

Conflicts of Interest

The authors declare no conflict of interest.

References

  1. Khawaja, A.H.; Huang, Q.; Khan, Z.H. Monitoring of Overhead Transmission Lines: A Review from the Perspective of Contactless Technologies. Sens. Imaging 2017, 18, 24. [Google Scholar] [CrossRef]
  2. Yang, P.; Wen, X.; Lv, Y.; Chu, Z.; Peng, C. A non-intrusive voltage measurement scheme based on MEMS electric field sensors: Theoretical analysis and experimental verification of AC power lines. Rev. Sci. Instrum. 2021, 92, 065002. [Google Scholar] [CrossRef] [PubMed]
  3. Yang, Q.; Sun, S.; Sima, S.; Luo, M. Research progress of advanced voltage and current sensing methods for smart grids. High Volt. Technol. 2019, 45, 349–367. [Google Scholar]
  4. Reza, M.; Rahman, H.A. Non-Invasive Voltage Measurement Technique for Low Voltage AC Lines. In Proceedings of the 2021 IEEE 4th International Conference on Electronics Technology (ICET), Chengdu, China, 7–10 May 2021; IEEE: Piscataway, NJ, USA; pp. 143–148. [Google Scholar]
  5. Guo, Z.; Shi, W.; Lei, T.; He, Z.; Kang, P. Transient voltage measurement for UHV AC substation using non-contact electro-optic field sensor. In Proceedings of the 18th International Conference on AC and DC Power Transmission (ACDC 2022), Online Conference, 2–3 July 2022; pp. 695–699. [Google Scholar]
  6. Xiao, Y.; Fu, J.; Hu, B.; Chunnian, D. Problems of voltage transducer in harmonic measurement. IEEE Trans. Power Deliv. 2004, 19, 1483–1487. [Google Scholar] [CrossRef]
  7. Li, J.; Liu, J.; Peng, C.; Liu, X.; Wu, Z.; Zheng, F. Design and Testing of a Non-Contact MEMS Voltage Sensor Based on Single-Crystal Silicon Piezoresistive Effect. Micromachines 2022, 13, 619. [Google Scholar] [CrossRef] [PubMed]
  8. Edmunds, J.L.; Sonmezoglu, S.; Martens, J.; Von Meier, A.; Maharbiz, M.M. Optical voltage sensor based on a piezoelectric thin film for grid applications. Opt. Express 2021, 29, 33716–33727. [Google Scholar] [CrossRef] [PubMed]
  9. Yang, P.; Wen, X.; Chu, Z.; Ni, X.; Peng, C. Non-intrusive DC voltage measurement based on resonant electric field microsensors. J. Micromechan. Microeng. 2021, 31, 064001. [Google Scholar] [CrossRef]
  10. Shenil, P.; George, B. An auto-balancing scheme for non-contact ac voltage measurement. In Proceedings of the 2018 IEEE 9th International Workshop on Applied Measurements for Power Systems (AMPS), Bologna, Italy, 26–28 September 2018; pp. 1–5. [Google Scholar]
  11. Gorla, D.P.M.; Janus, P.; Edin, H. Non-contact Voltage Measurement Technique for On-Line Monitoring of Transient Overvolt-ages. In Proceedings of the Nordic Insulation Symposium, Trondheim, Norway, 13–15 June 2022; Volume 27. [Google Scholar]
  12. Yan, X.; Wang, L.; Zhou, Y. Design of Reciprocal Optical Path for Voltage Measurement Based on Pockels Effect. In Proceedings of the 2021 International Conference on Digital Society and Intelligent Systems (DSInS), Chengdu, China, 19–21 November 2021; pp. 271–274. [Google Scholar]
  13. Jiang, S.; Jia, R.; Tao, K.; Wu, Y.; Liu, S. High-resistance voltage dividers fabricated by thin polysilicon films in silicon drift detectors. J. Mater. Sci. Mater. Electron. 2019, 30, 6617–6627. [Google Scholar] [CrossRef]
  14. Martins, A.V.; Bacurau, R.M.; dos Santos, A.D.; Ferreira, E.C. Nonintrusive energy meter for nontechnical losses identification. IEEE Trans. Instrum. Meas. 2019, 69, 1140–1147. [Google Scholar] [CrossRef]
  15. Zhu, K.; Lee, W.K.; Pong, P.W.T. Non-Contact CapacitiveCoupling-Based and Magnetic-Field-Sensing-Assisted Technique for Monitoring Voltage of Overhead Power Transmission Lines. IEEE Sens. J. 2017, 17, 1069–1083. [Google Scholar] [CrossRef]
  16. Chen, K.L.; Guo, Y.; Ma, X. Contactless voltage sensor for overhead transmission lines. IET Gener. Transm. Distrib. 2018, 12, 957–966. [Google Scholar] [CrossRef]
  17. Kang, S.; Yang, S.; Kim, H. Non-intrusive voltage measurement of ac power lines for smart grid system based on electric field energy harvesting. IET Electron. Lett. 2017, 53, 181–183. [Google Scholar] [CrossRef]
  18. Zisman, W.A. A new method of measuring contact potential differences in metals. Rev. Sci. Instrum. 1932, 3, 367–370. [Google Scholar] [CrossRef]
  19. Xie, X.; Liu, Y.; Sun, P. Smart voltage sensor of distribution lines based on the capacitive voltage divider. Chin. J. Sci. Instrum. 2016, 17, 1000–1009. [Google Scholar]
  20. Lawrence, D.; Donnal, J.S.; Leeb, S.; He, Y. Non-contact measurement of line voltage. IEEE Sens. J. 2016, 16, 8990–8997. [Google Scholar] [CrossRef]
  21. Yang, L.; Long, W.; Zhang, W.; Yan, P.; Zhou, Y.; Li, J. Transmission Line Voltage Calibration-Free Measurement Method. Electronics 2023, 12, 814. [Google Scholar] [CrossRef]
  22. Epperson, D.; Rodriguez, R. Proving Unit for Non-Contact Voltage Measurement Systems. EP Patent EP3321697B1, 10 November 2017. [Google Scholar]
  23. Haberman, M.A.; Spinelli, E.M.A. Noncontact Voltage Measurement System for Power-Line Voltage Waveforms. IEEE Trans. Instrum. Meas. 2020, 69, 2790–2797. [Google Scholar] [CrossRef]
  24. Shenil, P.S.; George, B. Development of a Nonintrusive True-RMS AC Voltage Measurement Probe. IEEE Trans. Instrum. Meas. 2019, 68, 3899–3906. [Google Scholar] [CrossRef]
  25. Haberman, M.A.; Spinelli, E.M. Noncontact AC voltage measurements: Error and noise analysis. IEEE Trans. Instrum. Meas. 2018, 67, 1946–1953. [Google Scholar] [CrossRef]
  26. Zhang, W.; Wei, R.; Jiu, A.; Cheng, K.; Yang, Y.; Suo, C. Self-Calibration Method of Noncontact AC Voltage Measurement. Electronics 2023, 12, 300. [Google Scholar] [CrossRef]
Figure 1. Non-invasive floating ground-type three capacitor voltage measurement model: (a) Measurement principle diagram; (b) Coupling capacitance distribution.
Figure 1. Non-invasive floating ground-type three capacitor voltage measurement model: (a) Measurement principle diagram; (b) Coupling capacitance distribution.
Electronics 12 01858 g001
Figure 2. Equivalent circuit model of non-intrusive and ground-free voltage measurement.
Figure 2. Equivalent circuit model of non-intrusive and ground-free voltage measurement.
Electronics 12 01858 g002
Figure 3. COMSOL simulation model.
Figure 3. COMSOL simulation model.
Electronics 12 01858 g003
Figure 4. Influence of Line Radius and Height from Ground on Capacitor C l .
Figure 4. Influence of Line Radius and Height from Ground on Capacitor C l .
Electronics 12 01858 g004
Figure 5. Influence of Line Radius and Height from Ground on Capacitor C g .
Figure 5. Influence of Line Radius and Height from Ground on Capacitor C g .
Electronics 12 01858 g005
Figure 6. Schematic diagram of improved non-invasive floating ground voltage measurement.
Figure 6. Schematic diagram of improved non-invasive floating ground voltage measurement.
Electronics 12 01858 g006
Figure 7. Sensor measurement equivalent circuit.
Figure 7. Sensor measurement equivalent circuit.
Electronics 12 01858 g007
Figure 8. Back-end signal processing circuit: (a) Equivalent circuit; (b) Frequency response curve.
Figure 8. Back-end signal processing circuit: (a) Equivalent circuit; (b) Frequency response curve.
Electronics 12 01858 g008
Figure 9. Measurement system and specific implementation steps.
Figure 9. Measurement system and specific implementation steps.
Electronics 12 01858 g009
Figure 10. Physical picture of coaxial sensor.
Figure 10. Physical picture of coaxial sensor.
Electronics 12 01858 g010
Figure 11. Schematic diagram of the sensor low-voltage performance test experiment.
Figure 11. Schematic diagram of the sensor low-voltage performance test experiment.
Electronics 12 01858 g011
Figure 12. Sensor low voltage performance test platform.
Figure 12. Sensor low voltage performance test platform.
Electronics 12 01858 g012
Figure 13. Varying the sampling capacitance value, the sensor outputs different voltages. (a) The sampled capacitance value is 110 pF; (b) the sampled capacitance value is 290 pF.
Figure 13. Varying the sampling capacitance value, the sensor outputs different voltages. (a) The sampled capacitance value is 110 pF; (b) the sampled capacitance value is 290 pF.
Electronics 12 01858 g013
Figure 14. Measurement system equivalent model: (a) sensor measurement system equivalent circuit; (b) frequency response curve.
Figure 14. Measurement system equivalent model: (a) sensor measurement system equivalent circuit; (b) frequency response curve.
Electronics 12 01858 g014
Figure 15. Sensor linearity and accuracy in low voltage scenarios.
Figure 15. Sensor linearity and accuracy in low voltage scenarios.
Electronics 12 01858 g015
Figure 16. Schematic diagram of the sensor high-voltage performance test experiment.
Figure 16. Schematic diagram of the sensor high-voltage performance test experiment.
Electronics 12 01858 g016
Figure 17. Sensor high-voltage performance test platform.
Figure 17. Sensor high-voltage performance test platform.
Electronics 12 01858 g017
Figure 18. Varying the value of sampling capacitance, the sensor outputs different voltages. (a) Sampling capacitance value is 1074 pF; (b) Sampling capacitance value is 3140 pF.
Figure 18. Varying the value of sampling capacitance, the sensor outputs different voltages. (a) Sampling capacitance value is 1074 pF; (b) Sampling capacitance value is 3140 pF.
Electronics 12 01858 g018
Figure 19. Measurement system equivalent model: (a) sensor measurement system equivalent circuit; (b) frequency response curve.
Figure 19. Measurement system equivalent model: (a) sensor measurement system equivalent circuit; (b) frequency response curve.
Electronics 12 01858 g019
Figure 20. Sensor linearity and accuracy under high-voltage scenario.
Figure 20. Sensor linearity and accuracy under high-voltage scenario.
Electronics 12 01858 g020
Table 1. The output of the sensor after paralleling different capacitors and the calculated C x value.
Table 1. The output of the sensor after paralleling different capacitors and the calculated C x value.
Parallel Capacitance Value (pF)Sensor Output Voltage (V) C x Capacitance Value
1100.6811.41
2900.3611.39
Table 2. Low voltage performance test input/output voltage and ratio error calculation results.
Table 2. Low voltage performance test input/output voltage and ratio error calculation results.
Input   Voltage   U i (V) Sensor Output
Voltage   U o (V)
Reconfiguration
Voltage   K U o (V)
Ratio   Error ε %
99.850.36199.64−0.21
119.830.437120.610.65
139.760.504139.10−0.47
159.780.587162.011.40
179.740.647178.57−0.65
199.710.735202.831.58
219.650.793218.87−0.36
239.580.866239.02−0.24
259.530.932257.23−0.89
279.461.01278.76−0.25
299.411.08298.08−0.44
Table 3. The output of the sensor after paralleling different capacitors and the calculated C x value.
Table 3. The output of the sensor after paralleling different capacitors and the calculated C x value.
Parallel Capacitance Value (pF)Sensor Output Voltage (V) C x Capacitance Value
10741.6241.90
31400.5821.88
Table 4. High-voltage performance test input and output voltage and ratio error calculation results.
Table 4. High-voltage performance test input and output voltage and ratio error calculation results.
Input   Voltage   U i (V) Sensor Output
Voltage   U o (V)
Reconfiguration
Voltage   K U o (V)
Ratio   Error ε %
10580.6121048−0.97
15760.76315900.89
20940.9942071−1.07
24801.2125221.68
29771.4530221.50
34831.6935221.12
39421.9039600.45
44162.1344390.52
48522.3649181.37
Table 5. Comparison of different measurement systems.
Table 5. Comparison of different measurement systems.
Measurement MethodMeasurement PrincipleAccuracyCostAdvantagesDisadvantages
Contact measurement (Transformer)Electromagnetic voltage transformerPrinciples of Electromagnetic InductionHighExpensiveHigh measurement accuracy, strong reliability, and stability not easily affected by measurement environmentLarge volume, difficult contact measurement of insulation, core saturation, ferromagnetic resonance overvoltage, poor transient response characteristics.
Capacitive voltage transformerCapacitor voltage division and transformer voltage reductionHighExpensive
Non-contact measurementVoltage measurement based on coupling capacitor voltage dividerPrinciples of Electric Field Coupling and Capacitive Voltage DivisionLowCheapThe measurement process does not need to be connected to the tested object, with high safety, low insulation difficulty, simple structure, and wide dynamic range1. Coupled electricity is easily affected by the measurement environment, resulting in low measurement accuracy.
2. Grounding is required during measurement, which greatly limits its application range.
Non-invasive floating ground voltage measurement (proposed in this article)High but lower than transformerCheap1. In measurement, there is no need to connect with the line to be tested, and the insulation difficulty is low and the safety is high
2. Introducing sensor calibration units to adapt to different measurement scenarios
3. The sensor voltage ratio is easy to adjust, suitable for high- and low-voltage measurement scenarios
1. The measurement system also requires an additional data acquisition card, which cannot achieve wireless data transmission.
2. The measurement accuracy is superior to traditional non-contact voltage measurement and lower than that of contact type transformers, which is expected to improve.
Disclaimer/Publisher’s Note: The statements, opinions and data contained in all publications are solely those of the individual author(s) and contributor(s) and not of MDPI and/or the editor(s). MDPI and/or the editor(s) disclaim responsibility for any injury to people or property resulting from any ideas, methods, instructions or products referred to in the content.

Share and Cite

MDPI and ACS Style

Suo, C.; He, M.; Zhou, G.; Shi, X.; Tan, X.; Zhang, W. Research on Non-Invasive Floating Ground Voltage Measurement and Calibration Method. Electronics 2023, 12, 1858. https://doi.org/10.3390/electronics12081858

AMA Style

Suo C, He M, Zhou G, Shi X, Tan X, Zhang W. Research on Non-Invasive Floating Ground Voltage Measurement and Calibration Method. Electronics. 2023; 12(8):1858. https://doi.org/10.3390/electronics12081858

Chicago/Turabian Style

Suo, Chunguang, Mingxing He, Guoqiong Zhou, Xinghua Shi, Xiangyu Tan, and Wenbin Zhang. 2023. "Research on Non-Invasive Floating Ground Voltage Measurement and Calibration Method" Electronics 12, no. 8: 1858. https://doi.org/10.3390/electronics12081858

APA Style

Suo, C., He, M., Zhou, G., Shi, X., Tan, X., & Zhang, W. (2023). Research on Non-Invasive Floating Ground Voltage Measurement and Calibration Method. Electronics, 12(8), 1858. https://doi.org/10.3390/electronics12081858

Note that from the first issue of 2016, this journal uses article numbers instead of page numbers. See further details here.

Article Metrics

Back to TopTop