Solid State Transformers: A Critical Review of Projects with Relevant Prototypes and Demonstrators
Abstract
1. Introduction
- More controllable voltage.
- Direct connections among DC/DC converters, obtaining a more efficient and simpler network.
- Increasing the power carrying capacity to admit more DERs, EVs, etc.
- Longer supply connections without power quality issues.
- Improving the system efficiency.
- Enhancing the network resilience and its problem management.
- Achieving the implementation of more friendly solutions and the use of more sustainable resources in production and operation.
- DC grids can be more economical than AC grids in certain applications.
- Matrix type.
- Isolated back end.
- Isolated front end.
- Isolated modular multilevel converter.
- Single-cell approach.
2. Functionalities
2.1. Waveform Regeneration
2.2. Smooth Voltage and Frequency Regulation
2.3. Reactive Power Injection
2.4. Power Flow Control
2.5. Black-Start and Protection Features
3. Applications
3.1. Railways
3.2. Data Centres
3.3. Smart Grids
3.4. Offshore Wind Farms
3.5. Utility-Scale PV Plants
3.6. EV Charging Solutions
3.7. Maritime and Aerospace Sectors
3.8. Energy Storage Systems
3.9. Flexible AC Transmission System (FACTS)
- Shunt compensation: the FACTS device can either inject into or absorb from the power line reactive power, thus regulating the grid voltage.
- Series compensation: this configuration allows the power line impedance to be modified. Therefore, it is possible to control the power flow.
- Shunt-series compensation: the so-called unified power flow controller (UPFC) has both a series and a parallel transformer, connecting the FACTS to the power line at two different points. This configuration converts UPFC into a series voltage source within the line, arguments controllable in phase. Hence, UPFC is able to provide control actions such reactive power compensation, smooth voltage regulation and power flow control.
4. Projects
- The SPEED project (2014–2017) [68] focuses on the development of energy-efficient devices based on silicon carbide (SiC), operating on LV and MV levels, with special attention to power electronics. Except from fabricating these devices, SPEED also focuses on packaging, reliability testing, real-life applications and field-tests. In SPEED a three-phase SST with seven cells per phase is developed and tested, supporting storage systems. The SST operates at 6 kV/0.4 kV with switching frequency equal to 30 kHz and it has a rated power equal to 105 kW [16].
- The HEART project (2014–2019) [71], develops a SST with rated power equal to 1 MVA. The purpose of this SST is the connection between 10 kV AC and 0.4 kV AC nodes, while also providing a MV DC link at 10.2 kV and a LV DC link at 0.7 kV. It is noted that the switching frequency is equal to 20 kHz [84].
- The FST project (2018–2021) [76,85] proposes the development of a HV UPFC to be installed in an actual transmission power line which is located in Bescanó-Sentmenat, Spain. The voltage of the line is equal to 400 kV, the highest value within the European Union, and its rated power is equal to 2.4 GW. The proposed way to achieve this target is the combination of a number of SST modules with rated voltage equal to 2.2 kV and rated power equal to 50 kW, with special focus on the galvanic isolation between the primary and secondary side (each module has to support the whole isolation voltage between the primary and the secondary side). The importance of this project is not only its practical application but also the fact that it challenges the voltage barriers that limit the applications of the SST in HV systems.
- The LV Engine project (2018–2022) [78] covers the development of a SST for the connection between 11 kV AC and 0.4 kV AC grids, with rated power equal to 500 kVA. It is noted that the SST was developed by the University of Kiel, which also developed the SST of the HEART project, mentioned above [86]. Indeed, LV Engine can be considered as the continuation of the developments in HEART.
- The ASSTRA project (2018–2022) [79] is an interdisciplinary training and research project. This means that part of its purpose is to train and mentor early-stage researchers in the fields of power electronics, mechanical engineering, software engineering, material sciences and magnetics design. The expected outcome is the development of an advanced SST which enables the efficient and flexible incorporation of DC-based power supply units in the electrical network. The developed SST is based on SiC and the MFT is constructed as a shell type transformer operating at 20 kHz [87]. This project focuses mostly on the power electronics, such as the pulse-width modulation, the estimation of winding losses using the finite element method, etc.
- The FUNDRES project (2019–2021) [75] is related to railway applications. This project proposes an advanced railway electrification system using MV DC grids, ideally supported by RES. Various interesting aspects are investigated, including the possibility of managing the braking energy and injecting it into the public grid, the integration of RES into the railway system, etc. In order to achieve the project’s ambitions, the use of a SST is proposed, designed to operate at 1.8 kV DC with rated power equal to 300 kW and switching frequency equal to 15 kHz [88,89].
- In the TIGON project (2020–2024) [81], the advantages of AC/DC hybrid distribution grids are investigated. This project involves both AC and DC distribution lines in MV and LV levels, connecting a variety of DC-based RES as well as storage systems. A conventional transformer can neither directly connect these grids nor allow an active control of the grid. Therefore, in the context of the TIGON project, a specialized SST is developed, with rated power equal to 300 kW, to be applied in the project’s two demonstrators, which are two distribution networks in France and Spain, respectively [90]. In the first one, the purpose of the SST is to facilitate the connection between 0.4 kV AC, 3 kV DC and 1.4 kV DC nodes that host the hybrid grid’s PV systems, storage and AC load. In the second one, the purpose of the SST is to facilitate the connection between 0.4 kV AC, 3 kV DC and 0.8 kV DC nodes that host the hybrid grid’s PV system, wind generators, storage systems, AC and DC loads [91].
- The SSTAR project (2022–2025) [82] is entirely devoted to the development of an innovative SST. In this project the aim is to construct and combine SST modules based on SiC semiconductors with voltage levels equal to 1.5 kV/0.4 kV and rated power equal to 50 kW. These modules comprise a bidirectional inductive power transfer (IPT) as a medium frequency stage, in order to meet higher voltage levels. Additionally, each SST module is insulated and cooled with the use of a sustainable biobased dielectric fluid which is developed within the project. It is noted that this project is different from others, e.g., TIGON, in the sense that it is related to product development instead of application, meaning that the technology readiness level (TRL) is lower, i.e., equal to 4.
5. Discussion
- They are bulky and voluminous, being inconvenient in applications such as high-density urban areas, onboard and special applications.
- They are not able to control the power flow. The traditional grid has unidirectional power flows, where this lack of controllability is not a problem. However, in the new scenario proposed by SGs, bidirectional power flows are inherent to the system [83]. Therefore, systems capable of controlling power flows are essential in order to achieve the best possible grid operation.
- Traditional power transformers are not able to regulate the output voltage. An on-load tap changer can be installed, allowing a limited voltage control. However, this solution is only able to modify the voltage in discrete steps and within a reduced range. The new SG paradigm, where great load variations are expected, requires more flexibility in order to adapt the electrical network to the volatile load-generation profiles [80].
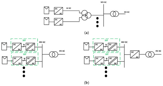
- The primary and secondary sides must share the same frequency, limiting the interconnection between two different grids. Indeed, a DC output is not available. Consequently, DC grids cannot be directly integrated into traditional distribution power systems, based on AC networks. This might be an important disadvantage, considering the great amount of new DERs which will be connected to the SG and the improvement of efficiency which can be reached interconnecting these DERs within DC microgrids [93].
- Traditional transformers are not modular, delivering all their power with a single device. Therefore, a failure implies a total disconnection of the whole system. Nevertheless, scalable systems allow arrangements where an error in a module does not compromise the performance of the rest of the modules and enables partial working of the whole system.
- The building volume of any transformer is calculated using the following Equation [8]:Clearly, the volume of the device is inversely proportional to the electromagnetic field frequency. SSTs raise mains frequency by means of power electronics stages, delivering a high frequency waveform to the MFT. Hence, the galvanic isolation stage reduces its weight and volume, reaching a lighter system.
- SSTs are made up of two independent power electronics stages at each side of the galvanic isolation. Therefore, they can be independently controlled, so the voltage phasors can be adapted depending upon the electrical network needs (only observing SSTs cannot storage energy). As a result, SSTs are able to control bidirectional power flows and balance high load-generation variations.
- Several stages comprise a single SST, and these stages can be different depending on the necessities. Figure 8 shows how diverse power grids can be interconnected using different power electronics stages within a SST [96]. Thus, it is possible to couple networks with different kind of current (hybrid AC/DC), number of phases and frequency.
- SSTs are modular by definition. They can be interconnected with each other making a bigger system. Therefore, all advantages from scalability are enabled by SST technology.
- Traction: Nowadays, SSTs have not only been tested in real locomotives but also have been homologated in some cases. The first commercial prototypes appeared one decade ago and it is possible to find some examples in the market to date. Nevertheless, substantial efficiency improvements can still be achieved to reach a more attractive product.
- SGs: There have been a lot of initiatives to apply SST to SG applications. Nevertheless, due to the high technical requirements they have not broken into the market yet. Currently, there are some international research projects that try to level up the technology maturity, installing the first prototypes in representative controlled scenarios to evaluate the performance of the technology.
- EVs: Few prototypes can still be found regarding SSTs charging EVs, despite some possible configurations with interesting features having been proposed. In addition, the flexibility and compactness of SSTs make them very attractive for this sector. Even so, SSTs acting as EV chargers are in an early stage of development.
- HV power networks: Unlike MV and LV power grids, few projects about the application of SSTs in transmission lines can be found. Despite it being possible to apply most of the research about SSTs in SG to this sector, the technology must face important challenges such as the development of very high voltage WBG power semiconductors, capacitors for medium voltage applications, providing isolation between windings and so on. Therefore, the research is in an earlier phase.
- Others: Apart from the applications exposed above, SSTs could be applied to other fields. Even so, projects related to electric planes and ships, large data centres, etc. can barely be found.
6. Future Trends and Challenges
7. Conclusions
Author Contributions
Funding
Data Availability Statement
Conflicts of Interest
Abbreviations
| SST | Solid state transformer |
| AC | Alternating current |
| DC | Direct current |
| SG | Smart grid |
| RES | Renewable energy sources |
| DER | Distributed energy resources |
| PV | Photovoltaic |
| EV | Electric vehicle |
| ESS | Energy storage systems |
| WBG | Wide band-gap |
| MFT | Medium frequency transformer |
| MV | Medium voltage |
| LV | Low voltage |
| LFT | Low frequency transformer |
| FACTS | Flexible AC transmission system |
| UPFC | Unified power flow controller |
| ACT | Air-core transformer |
| MCT | Magnetic-core transformer |
| SiC | Silicon carbide |
| TRL | Technology readiness level |
| Univ. | University |
References
- United Nations Framework Convention on Climate Change. Paris Agreement. 2015. Available online: https://www.un.org/en/climatechange/paris-agreement (accessed on 1 February 2023).
- European Commission. The European Green Deal; European Commission: Brussels, Belgium, 2019. [Google Scholar]
- Kartalidis, A.; Atsonios, K.; Nikolopoulos, N. Enhancing the self-resilience of high renewable energy sources, interconnected islanding areas through innovative energy production, storage, and management technologies: Grid simulations and energy assessment. Int. J. Energy Res. 2021, 45, 13591–13615. [Google Scholar] [CrossRef]
- Apostolopoulos, V.; Giourka, P.; Martinopoulos, G.; Angelakoglou, K.; Kourtzanidis, K.; Nikolopoulos, N. Smart readiness indicator evaluation and cost estimation of smart retrofitting scenarios—A comparative case-study in European residential buildings. Sustain. Cities Soc. 2022, 82, 103921. [Google Scholar] [CrossRef]
- Makkieh, A.; Burt, G.; Alzola, R.P.; Jambrich, G.; Fuchs, N.; Kazerooni, A.; Allais, A.; Preve, C.; Bećirović, E.; Yu, J.; et al. DC Networks on the Distribution Level—New Trend or Vision? CIRED: Liège, Belgium, 2021; p. 113. [Google Scholar]
- Priebe, J.; Korompili, A.; Voss, J.; Luerkens, P.; Moser, A.; Monti, A.; De Doncker, R.W. DC Grid Technology—Advances in Efficient Power Conversion, Multi-Node Control, and Medium Voltage DC Grid Design and Requirements for Planning. In Proceedings of the PCIM Europe 2019; International Exhibition and Conference for Power Electronics, Intelligent Motion, Renewable Energy and Energy Management, Nuremberg, Germany, 7–9 May 2019; VDE: Nuremberg, Germany, 2019; pp. 1–8. [Google Scholar]
- Fuchs, N.; Jambrich, G.; Brunner, H. Simulation Tool for Techno-Economic Analysis of Hybrid AC/DC Low Voltage Distribution Grids. In Proceedings of the CIRED 2021—26th International Conference and Exhibition on Electricity Distribution, Online, 20–23 September 2021; pp. 2549–2553. [Google Scholar] [CrossRef]
- Huber, J.E.; Kolar, J.W. Solid-State Transformers: On the Origins and Evolution of Key Concepts. IEEE Ind. Electron. Mag. 2016, 10, 19–28. [Google Scholar] [CrossRef]
- CIGRE Working Group WG C6.31. Medium Voltage Direct Current (MVDC) Grid Feasibility Study; Technical Report; Cigré: Paris, France, 2020. [Google Scholar]
- Kolar, J.W.; Huber, J.E. Potential Future Applications & Topologies of Solid-State-Transformers (SSTs); Technical Report; Swiss Federal Institute of Technology (ETH): Zürich, Switzerland, 2019. [Google Scholar]
- Shadfar, H.; Ghorbani Pashakolaei, M.; Akbari Foroud, A. Solid-state transformers: An overview of the concept, topology, and its applications in the smart grid. Int. Trans. Electr. Energy Syst. 2021, 31, e12996. [Google Scholar] [CrossRef]
- Alvarez-Gariburo, I.; Sarnago, H.; Lucia, O.; Burdio, J.M. Design and Optimization of a SiC-Based Versatile Bidirectional High-Voltage Waveform Generator. In Proceedings of the 2022 IEEE Applied Power Electronics Conference and Exposition, Houston, TX, USA, 20–24 March 2022; pp. 1333–1337. [Google Scholar] [CrossRef]
- Zheng, L.; Kandula, R.P.; Divan, D. Soft-Switching Solid-State Transformer with Reduced Conduction Loss. IEEE Trans. Power Electron. 2021, 36, 5236–5249. [Google Scholar] [CrossRef]
- Abu-Siada, A.; Budiri, J.; Abdou, A.F. Solid state transformers topologies, controllers, and applications: State-of-the-art literature review. Electronics 2018, 7, 298. [Google Scholar] [CrossRef]
- Chen, H.; Prasai, A.; Moghe, R.; Chintakrinda, K.; Divan, D. A 50-kVA Three-Phase Solid-State Transformer Based on the Minimal Topology: Dyna-C. IEEE Trans. Power Electron. 2016, 31, 8126–8137. [Google Scholar] [CrossRef]
- Saeed, M.; Cuartas, J.M.; Rodríguez, A.; Arias, M.; Briz, F. Energization and Start-Up of CHB-Based Modular Three-Stage Solid-State Transformers. IEEE Trans. Ind. Appl. 2018, 54, 5483–5492. [Google Scholar] [CrossRef]
- Parks, N.; Dutta, S.; Ramachandram, V.; Hatua, K.; Bhattacharya, S. Black start control of a solid state transformer for emergency power restoration. In Proceedings of the 2012 IEEE Energy Conversion Congress and Exposition, Raleigh, NC, USA, 15–20 September 2012; pp. 188–195. [Google Scholar] [CrossRef]
- William McMurray. Power Converter Circuits Having a High Frequency Link. U.S. Patent 3,517,300, 23 June 1970. [Google Scholar]
- Ortiz, G. High-Power DC-DC Converter Technologies for Smart Grid and Traction Applications. Ph.D. Thesis, ETH-Zürich, Zürich, Switzerland, 2014. [Google Scholar] [CrossRef]
- Burns, A. Railroad History (USA): Timeline, Statistics, Photos & More. Available online: https://www.american-rails.com/history.html{#}gallery[pageGallery]/0/ (accessed on 7 November 2022).
- Cottet, D.; Van Der Merwe, W.; Agostini, F.; Riedel, G.; Oikonomou, N.; Rüetschi, A.; Geyer, T.; Gradinger, T.; Velthuis, R.; Wunsch, B.; et al. Integration technologies for a fully modular and hot-swappable MV multi-level concept converter. In Proceedings of the PCIM Europe 2015; International Exhibition and Conference for Power Electronics, Intelligent Motion, Renewable Energy and Energy Management, Nuremberg, Germany, 19–20 May 2015; pp. 779–786. [Google Scholar]
- TE Connectivity. The Evolution of Data Centers Models; Technical Report; DesignSpark: Kent, UK, 2017. [Google Scholar]
- Manville, J.; Woolwine, J.; Van de Voorde, B. Evolution of the Data Center Global Cloud Strategy & Tetration; Technical Report; CISCO: San Jose, CA, USA, 2016. [Google Scholar]
- Ferreira Costa, L.; De Carne, G.; Buticchi, G.; Liserre, M. The Smart Transformer: A solid-state transformer tailored to provide ancillary services to the distribution grid. IEEE Power Electron. Mag. 2017, 4, 56–67. [Google Scholar] [CrossRef]
- Mattioli, R.; Moulinos, K. Communication Network Interdependencies in Smart Grid; European Union Agency for Network and Information Security (ENISA): Heraklion, Greece, 2015; pp. 1–54. [Google Scholar] [CrossRef]
- Strasser, T.; Andrén, F.; Kathan, J.; Cecati, C.; Buccella, C.; Siano, P.; Leitão, P.; Zhabelova, G.; Vyatkin, V.; Vrba, P.; et al. A Review of Architectures and Concepts for Intelligence in Future Electric Energy Systems. IEEE Trans. Ind. Electron. 2015, 62, 2424–2438. [Google Scholar] [CrossRef]
- Prakash, G.; Anuta, H.; Wagner, N.; Gallina, G.; Gielen, D.; Gorini, R. Future of Wind: Deployment, Investment, Technology, Grid Integration and Socio-Economic Aspects; Technical Report; International Renewable Energy Agency: Abu Dhabi, United Arab Emirates, 2019. [Google Scholar]
- Borgaonkar, A. Solid State Transformers: A Review of Technology and Applications. Unpublished work. 2015. [Google Scholar] [CrossRef]
- Gao, R.; Husain, I.; Wang, F.; Huang, A.Q. Solid-State Transformer Interfaced PMSG Wind Energy Conversion System. In Proceedings of the 2015 IEEE Applied Power Electronics Conference and Exposition, Charlotte, NC, USA, 15–19 March 2015; pp. 1310–1317. [Google Scholar] [CrossRef]
- Smailes, M.; Ng, C.; McKeever, P.; Shek, J.; Theotokatos, G.; Abusara, M. Hybrid, multi-megawatt HVDC transformer topology comparison for future offshore wind farms. Energies 2017, 10, 851. [Google Scholar] [CrossRef]
- Gao, R.; She, X.; Husain, I. Solid-State-Transformer-Interfaced Permanent Magnet Wind Turbine Distributed Generation System. IEEE Trans. Ind. Appl. 2017, 53, 3849–3861. [Google Scholar] [CrossRef]
- Schmela, M.; Beauvais, A.; Chevillard, N.; Paredes, M.G.; Heisz, M.; Rossi, R. Global Market Outlook For Solar Power/2018–2022; Solar Power Europe: Brussels, Belgium, 2018; p. 81. [Google Scholar]
- Olson, D.; Bakken, B.E. Utility-Scale Solar PV: From Big to Biggest; Technical Report; DNV GL: Høvik, Norway, 2019. [Google Scholar]
- Amaral, F.V.; Parreiras, T.M.; Lobato, G.C.; Augusto, A.; Machado, P.; Member, S.; Pires, I.A.; Jesus, B.D.; Filho, C. Operation of a Grid-Tied Cascaded Multilevel Converter Based on a Forward Solid-State Transformer under Unbalanced. IEEE Trans. Ind. Appl. 2018, 54, 5493–5503. [Google Scholar] [CrossRef]
- Foureaux, N.C.; Adolpho, L.; Silva, S.M.; Brito, J.A.D.S.; Filho, B.D.J.C. Application of Solid State Transformers in Utility Scale Solar Power Plants. In Proceedings of the 2014 IEEE 40th Photovoltaic Specialist Conference, Denver, CO, USA, 8–13 June 2014; Volume 2, pp. 3695–3700. [Google Scholar] [CrossRef]
- Bunsen, T.; Cazzola, P.; D’Amore, L.; Gorner, M.; Scheffer, S.; Schuitmaker, R.; Signollet, H.; Tattini, J.; Paoli, J.T.L. Global EV Outlook 2019 to Electric Mobility; Technical Report; International Energy Agency (IEA): Paris, France, 2019. [Google Scholar]
- Webasto. EV Solutions|Electric Vehicle Chargers for Your Business. Available online: https://www.evsolutions.com/ev-charging-products-for-business (accessed on 23 December 2022).
- Christen, D. Analysis and Performance Evaluation of Converter Systems for EV-Ultra-Fast Charging Stations with Integrated Grid Storage. Ph.D. Thesis, ETH Zurich, Zürich, Switzerland, 2017. [Google Scholar] [CrossRef]
- Alba, J.M.C.; Fuertes, J.B.; Gomez, A.M.M.; Osorio, J.F.S.; Puyal, E.L. 50-kW Modular V2G SiC Charger Station in Energy Island Microgrids: A Real Use-Case in Madeira Island. In Proceedings of the PCIM Europe 2022, Nuremberg, Germany, 10–12 May 2022; pp. 106–114. [Google Scholar] [CrossRef]
- Vahedipour-Dahraie, M.; Rashidizaheh-Kermani, H.; Najafi, H.; Anvari-Moghaddam, A.; Guerrero, J. Coordination of EVs Participation for Load Frequency Control in Isolated Microgrids. Appl. Sci. 2017, 7, 539. [Google Scholar] [CrossRef]
- Airbus. Electric Flight—Laying the Groundwork for Zero-Emission Aviation. Available online: https://www.airbus.com/en/innovation/zero-emission-journey/electric-flightight.html (accessed on 23 December 2022).
- Infineon Technologies. Electric Ships: The Future of Shipping. Available online: https://www.infineon.com/cms/en/discoveries/electrified-ships/ (accessed on 23 December 2022).
- Carnegie, R.; Gotham, D.; Nderitu, D.; Preckel, P.V. Utility Scale Energy Storage Systems; Technical Report; State Utility Forecasting Group: West Lafayette, IN, USA, 2013. [Google Scholar]
- Anisie, A.; Boshell, F.; Kamath, S.; Kanani, H.; Mehrotra, S. Innovation Landscape Brief: Utility-Scale Batteries; Technical Report; International Renewable Energy Agency: Abu Dhabi, United Arab Emirates, 2019. [Google Scholar]
- Tesla Australia. Introducing Megapack: Utility-Scale Energy Storage. Available online: https://www.tesla.com/en{_}eu/blog/introducing-megapack-utility-scale-energy-storage (accessed on 23 December 2022).
- Peng, F.Z. Flexible AC Transmission Systems (FACTS) and Resilient AC Distribution Systems (RACDS) in Smart Grid. Proc. IEEE 2017, 105, 2099–2115. [Google Scholar] [CrossRef]
- Gyugyi, L.; Schauder, C.D.; Williams, S.L.; Rietman, T.R.; Torgerson, D.R.; Edris, A. The Unified Power Flow Controller: A New Approach To Power Transmission Control. IEEE Trans. Power Deliv. 1995, 10, 1085–1097. [Google Scholar] [CrossRef]
- Czyz, P.; Guillod, T.; Krismer, F.; Huber, J.; Kolar, J.W. Design and Experimental Analysis of 166 kW Medium-Voltage Medium-Frequency Air-Core Transformer for 1:1-DCX Applications. IEEE J. Emerg. Sel. Top. Power Electron. 2022, 10, 3541–3560. [Google Scholar] [CrossRef]
- Czyz, P.; Member, G.S.; Guillod, T.; Zhang, D.; Member, S.; Krismer, F.; Huber, J.; Färber, R.; Franck, C.M.; Member, S.; et al. Analysis of the Performance Limits of 166 kW/7 kV Air- and Magnetic-Core Medium-Voltage Medium-Frequency Transformers for 1:1-DCX Applications. IEEE J. Emerg. Sel. Top. Power Electron. 2022, 10, 2989–3012. [Google Scholar] [CrossRef]
- Kolar, J.W. Solid-State-Transformer (SST) Applications—A Glimpse into the Future; Technical Report; ETH Zurich: Doha, Qatar, 2019. [Google Scholar]
- Huber, J.E.; Böhler, J.; Rothmund, D.; Kolar, J.W. Analysis and Cell-Level Experimental Verification of a 25 kW All-SiC Isolated Front End 6.6 kV/400 V AC-DC Solid-State Transformer. CPSS Trans. Power Electron. Appl. 2017, 2, 140–148. [Google Scholar] [CrossRef]
- Kieferndorf, F.; Drofenik, U.; Agostini, F.; Canales, F. Modular PET, two-phase air-cooled converter cell design and performance evaluation with 1.7 kV IGBTs for MV applications. In Proceedings of the IEEE Applied Power Electronics Conference and Exposition, Long Beach, CA, USA, 20–24 March 2016; pp. 472–479. [Google Scholar] [CrossRef]
- Claesens, M.; Dujic, D.; Canales, F.; Steinke, J.K.; Stefanutti, P.; Veterli, C. Traction transformation: A power-electronic traction transformer (PETT). ABB Rev. 2012, 11–17. Available online: https://library.e.abb.com/public/fc192d38056fa3b3c12579f20055483b/11-17%201m211_EN_72dpi.pdf (accessed on 1 February 2023).
- Dujic, D.; Zhao, C.; Mester, A.; Steinke, J.K.; Weiss, M.; Lewdeni-Schmid, S.; Chaudhuri, T.; Stefanutti, P. Power Electronic Traction Transformer-Low Voltage Prototype. IEEE Trans. Power Electron. 2013, 28, 5522–5534. [Google Scholar] [CrossRef]
- Zhao, C.; Dujic, D.; Mester, A.; Steinke, J.K.; Weiss, M.; Lewdeni-Schmid, S.; Chaudhuri, T.; Stefanutti, P. Power Electronic Traction Transformer-Medium Voltage Prototype. IEEE Trans. Ind. Electron. 2014, 61, 3257–3268. [Google Scholar] [CrossRef]
- Glinka, M. Prototype of multiphase modular-multilevel-converter with 2 MW power rating and 17-level-output-voltage. In Proceedings of the 2004 35th Annual Power Electronics Specialists Conference, Aachen, Germany, 20–25 June 2004; pp. 2572–2576. [Google Scholar] [CrossRef]
- Grider, D.; Das, M.; Agarwal, A.; Palmour, J.; Leslie, S.; Ostop, J.; Raju, R.; Schutten, M.; Hefner, A. 10 kV/120 A SiC DMOSFET half H-bridge power modules for 1 MVA solid state power substation. In Proceedings of the 2011 IEEE Electric Ship Technologies Symposium, Alexandria, VA, USA, 10–13 April 2011; pp. 131–134. [Google Scholar] [CrossRef]
- Das, M.K.; Capell, C.; Grider, D.E.; Leslie, S.; Ostop, J.; Raju, R.; Schutten, M.; Nasadoski, J.; Hefner, A. 10 kV, 120 A SiC half H-bridge power MOSFET modules suitable for high frequency, medium voltage applications. In Proceedings of the IEEE Energy Conversion Congress and Exposition, ECCE 2011, Phoenix, AZ, USA, 17–22 September 2011; pp. 2689–2692. [Google Scholar] [CrossRef]
- Steiner, M.; Reinold, H. Medium frequency topology in railway applications. In Proceedings of the 2007 European Conference on Power Electronics and Applications, Aalborg, Denmark, 2–5 September 2007. [Google Scholar] [CrossRef]
- Chen, K.T.; Chen, J.F.; Wang, T.J.; Liao, H. Study and Implementation of High Frequency Cast Resin Transformer Applied for Medium-Voltage Solid-State Transformer. In Proceedings of the 2021 IEEE International Future Energy Electronics Conference, Taipei, Taiwan, 16–19 November 2021; pp. 1–6. [Google Scholar] [CrossRef]
- Lu, C.; Hu, W.; Zhang, W.; Lee, F.C. Comparison of Three-Level Cell Topology and Control for Solid State Transformer. In Proceedings of the 2021 IEEE 4th International Electrical and Energy Conference, Wuhan, China, 28–30 May 2021; pp. 1–6. [Google Scholar] [CrossRef]
- Zhu, C. High-Efficiency, Medium-Voltage-Input, Solid-State-Transformer-Based 400-kW/1000-V/400-A Extreme Fast Charger for Electric Vehicles; Technical Report; Delta Electronics (Americas) Ltd.: Fremont, CA, USA, 2019. [Google Scholar]
- Lai, J.S.; Lai, W.H.; Moon, S.R.; Zhang, L.; Maitra, A. A 15-kV class intelligent universal transformer for utility applications. In Proceedings of the IEEE Applied Power Electronics Conference and Exposition, Long Beach, CA, USA, 20–24 March 2016; pp. 1974–1981. [Google Scholar] [CrossRef]
- Anurag, A.; Acharya, S.; Bhattacharya, S.; Weatherford, T.R.; Parker, A.A. A Gen-3 10-kV SiC MOSFET-Based Medium-Voltage Three-Phase Dual Active Bridge Converter Enabling a Mobile Utility Support Equipment Solid State Transformer. IEEE J. Emerg. Sel. Top. Power Electron. 2022, 10, 1519–1536. [Google Scholar] [CrossRef]
- Yun, H.J.; Jeong, D.K.; Kim, H.S.; Kim, M.; Baek, J.W.; Kim, J.Y.; Kim, H.J. Implementation of a single-phase SST for the interface between a 13.2 kV MVAC network and a 750 V bipolar DC distribution. Electronics 2018, 7, 62. [Google Scholar] [CrossRef]
- Hyde, A.R. UNIFLEX-PM (Advanced Power Converters for Universal and Flexible Power Management in Future Electricity Networks); Technical Report, UNIFLEX-PM Project; AREVA: Paris, France, 2009. [Google Scholar]
- Kjellqvist, T.; Norrga, S.; Östlund, S.; Ilves, K. Thermal evaluation of a medium frequency transformer in a line side conversion system. In Proceedings of the 2009 13th European Conference on Power Electronics and Applications, Barcelona, Spain, 8–10 September 2009. [Google Scholar]
- Silicon Carbide Power Technology for Energy Eficient Devices|SPEED Project|Fact Sheet|FP7|CORDIS|European Commission. Available online: https://cordis.europa.eu/project/id/604057/it (accessed on 9 November 2022).
- Wang, D.; Mao, C.; Yang, Y.; Zhang, J.; Tian, J. Design and implementation of 10-kV MW-level electronic power transformer (EPT). In Proceedings of the 2018 IEEE Industry Applications Society Annual Meeting, Portland, OR, USA, 23–27 September 2018; pp. 1–10. [Google Scholar] [CrossRef]
- Tian, J.; Mao, C.; Wang, D.; Nie, S.; Yang, Y. A Short-Time Transition and Cost Saving Redundancy Scheme for Medium-Voltage Three-Phase Cascaded H-Bridge Electronic Power Transformer. IEEE Trans. Power Electron. 2018, 33, 9242–9252. [Google Scholar] [CrossRef]
- “The Highly Efficient and Reliable Smart Transformer (HEART), a New Heart for the Electric Distribution System”|HEART Project|FP7|CORDIS|European Commission. Available online: https://cordis.europa.eu/project/id/616344 (accessed on 24 April 2020).
- Fu, Q.; Li, B.; Zhao, X.; Mao, S.; Xu, D.; Han, L. Voltage Balancing Methods for Inner and Outer Switches of Three-level Resonant DC-DC Converter for Solid State Transformers. In Proceedings of the 2020 IEEE 9th International Power Electronics and Motion Control Conference, Nanjing, China, 29 November–2 December 2020; pp. 517–522. [Google Scholar] [CrossRef]
- Adamowicz, M.; Szewczyk, J. SiC-Based Power Electronic Traction Transformer (PETT) for 3 kV DC Rail Traction. Energies 2020, 13, 5573. [Google Scholar] [CrossRef]
- Liu, T.; Yang, X.; Chen, W.; Xuan, Y.; Li, Y.; Huang, L.; Hao, X. High-Efficiency Control Strategy for 10-kV/1-MW Solid-State Transformer in PV Application. IEEE Trans. Power Electron. 2020, 35, 11770–11782. [Google Scholar] [CrossRef]
- FUTURE UNIFIED DC RAILWAY ELECTRIFICATION SYSTEM|FUNDRES Project|Fact Sheet|H2020|CORDIS|European Commission. Available online: https://cordis.europa.eu/project/id/881772 (accessed on 9 November 2022).
- REE. Grid2030 Program|Red Eléctrica. Available online: https://www.ree.es/en/sustainability/anticipating-change-and-taking-action/grid2030-programme (accessed on 10 November 2022).
- Zhang, J.; Zha, K.; Tang, X.; Yang, Y.; Yan, H.; Wen, F.; Shi, M. Topology and start-up strategy for DC–DC transformers based on voltage balancing unit. J. Power Electron. 2021, 21, 1072–1083. [Google Scholar] [CrossRef]
- SP Energy Networks; UK Power Networks. LV Engine—2017 Network Innovation Competition Proposal; Technical Report; SP Energy Networks: Glasgow, Scotland, 2017. [Google Scholar]
- Advanced Solid State Transformers|ASSTRA Project|Fact Sheet|H2020|CORDIS|European Commission. Available online: https://cordis.europa.eu/project/id/765774 (accessed on 9 November 2022).
- Zheng, L.; Marellapudi, A.; Chowdhury, V.R.; Bilakanti, N.; Kandula, R.P.; Saeedifard, M.; Grijalva, S.; Divan, D. Solid-State Transformer and Hybrid Transformer With Integrated Energy Storage in Active Distribution Grids: Technical and Economic Comparison, Dispatch, and Control. IEEE J. Emerg. Sel. Top. Power Electron. 2022, 10, 3771–3787. [Google Scholar] [CrossRef]
- Towards Intelligent DC-Based Hybrid Grids Optimizing the Network Performance|TIGON Project|Fact Sheet|H2020|CORDIS| European Commission. Available online: https://cordis.europa.eu/project/id/957769 (accessed on 9 November 2022).
- Innovative HV Solid-State TrAnsformer for Maximizing Renewable Energy Penetration in Energy Distribution and Transmission Systems|SSTAR Project|Fact Sheet|HORIZON|CORDIS|European Commission. Available online: https://cordis.europa.eu/project/id/101069702 (accessed on 9 November 2022).
- Bifaretti, S.; Zanchetta, P.; Watson, A.; Tarisciotti, L.; Clare, J.C. Advanced power electronic conversion and control system for universal and flexible power management. IEEE Trans. Smart Grid 2011, 2, 231–243. [Google Scholar] [CrossRef]
- Costa, L.F.; Buticchi, G.; Liserre, M. Quad-active-bridge dc-dc converter as cross-link for medium-voltage modular inverters. IEEE Trans. Ind. Appl. 2017, 53, 1243–1253. [Google Scholar] [CrossRef]
- Cervero García, D.; García-Martínez, E.; Muñoz-Cruzado Alba, J.; Sanz Osorio, J.F.; Perié Buil, J.M.; Soto Rodríguez, A. Solid-State Transformers for High Voltage Applications: FST Project Use Case. In Proceedings of the 2022 7th International Advanced Research Workshop on Transformers (ARWtr), Baiona, Spain, 24–26 October 2022. [Google Scholar]
- Smith, K.; Wang, D.; Peña-Alzola, R.; Burt, G.M.; Kazerooni, A.; Eves, M. Approach to assessing the effective integration of solid-state transformers in LV networks. CIRED Open Access Proc. J. 2020, 2020, 182–185. [Google Scholar] [CrossRef]
- Cremasco, A.; Rothmund, D.; Curti, M.; Lomonova, E.A. Voltage Distribution in the Windings of Medium-Frequency Transformers Operated With Wide Bandgap Devices. IEEE J. Emerg. Sel. Top. Power Electron. 2022, 10, 3587–3602. [Google Scholar] [CrossRef]
- Fortes, G.; Ladoux, P.; Fabre, J.; Flumian, D. Characterization of a 300 kW Isolated DC-DC Converter using 3.3 kV SiC-MOSFETs. In Proceedings of the PCIM Europe Digital Days 2021; International Exhibition and Conference for Power Electronics, Intelligent Motion, Renewable Energy and Energy Management, Online, 3–7 May 2021; pp. 745–752. [Google Scholar]
- Ladoux, P. The Solid State Transformer—An Essential Device in the Evolution of DC Railway Electrification Systems. Available online: https://www.power-and-beyond.com/the-solid-state-transformer–an-essential-device-in-the-evolution-of-dc-railway-electrification-systems-a-1013013/ (accessed on 10 November 2022).
- Peña-Carro, P.; Izquierdo-Monge, O. Hybrid AC/DC architecture in the CE.D.E.R.-CIEMAT microgrid: Demonstration of the TIGON project. Open Res. Eur. 2022, 2, 123. [Google Scholar] [CrossRef]
- Jambrich, G.; Stöckl, J.; Strasser, T.I.; Alba, J.M.C.; Sanchez, B. Transition to Future Power Systems in the SEERC Region Towards Resilient hybrid Medium and Low Voltage AC-DC Power Grids—A European Perspective. In Proceedings of the 3rd CIGRE SEERC Conference Vienna 2021 (CIGRE SEERC Vienna 2021), Online, 30 November 2021. [Google Scholar] [CrossRef]
- Khan, S.; Rahman, K.; Tariq, M.; Hameed, S.; Alamri, B.; Babu, T.S. Solid-state transformers: Fundamentals, topologies, applications, and future challenges. Sustainability 2022, 14, 319. [Google Scholar] [CrossRef]
- Fotopoulou, M.; Rakopoulos, D.; Trigkas, D.; Stergiopoulos, F.; Blanas, O.; Voutetakis, S. State of the Art of Low and Medium Voltage Direct Current (DC) Microgrids. Energies 2021, 14, 5595. [Google Scholar] [CrossRef]
- Huber, J.E.; Kolar, J.W. Volume/Weight/Cost Comparison of a 1MVA 10 kV/400 V Solid-State against a Conventional Low-Frequency Distribution Transformer. In Proceedings of the 2014 IEEE Energy Conversion Congress and Exposition, Pittsburgh, PA, USA, 14–18 September 2014; pp. 4545–4552. [Google Scholar] [CrossRef]
- Mordor Intelligence. Global Solid-State Transformer Market (2021–2026); Technical Report; Mordor Intelligence: Hyderabad, India, 2021. [Google Scholar]
- Hannan, M.A.; Ker, P.J.; Lipu, M.S.; Choi, Z.H.; Rahman, M.S.A.; Muttaqi, K.M.; Blaabjerg, F. State of the art of solid-state transformers: Advanced topologies, implementation issues, recent progress and improvements. IEEE Access 2020, 8, 19113–19132. [Google Scholar] [CrossRef]
- Gorla, N.B.Y.; Kolluri, S.; Panda, S.K. Solid state transformer control aspects for various smart grid scenarios. In Proceedings of the 2017 IEEE Innovative Smart Grid Technologies-Asia, Auckland, New Zealand, 4–7 December 2017; p. 6. [Google Scholar] [CrossRef]
- Schmidt, S.; Oberrath, J.; Mercorelli, P. A Sensor Fault Detection Scheme as a Functional Safety Feature for DC-DC Converters. Sensors 2021, 21, 6516. [Google Scholar] [CrossRef]
- Unamuno, E.; Barrena, J.A. Hybrid ac/dc microgrids—Part I: Review and classification of topologies. Renew. Sustain. Energy Rev. 2015, 52, 1251–1259. [Google Scholar] [CrossRef]
- Kolar, J.W.; Huber, J.E. Solid-State Transformers. Key Design Challenges, Applicability, and Future Concepts. In Proceedings of the 2016 IEEE International Conference on Power Electronics and Motion Control, Varna, Bulgaria, 25–28 September 2016; p. 211. [Google Scholar]
- Mollik, M.S.; Hannan, M.A.; Reza, M.S.; Abd Rahman, M.S.; Lipu, M.S.H.; Ker, P.J.; Mansor, M.; Muttaqi, K.M. The Advancement of Solid-State Transformer Technology and Its Operation and Control with Power Grids: A Review. Electronics 2022, 11, 2648. [Google Scholar] [CrossRef]
- Computer History Museum. 1956: Silicon Comes to Silicon Valley|The Silicon Engine|Computer History Museum. Available online: https://www.computerhistory.org/siliconengine/silicon-comes-to-silicon-valley/ (accessed on 21 December 2022).
- Singh, S.; Chaudhary, T.; Khanna, G. Recent Advancements in Wide Band Semiconductors (SiC and GaN) Technology for Future Devices. Silicon 2022, 14, 5793–5800. [Google Scholar] [CrossRef]
- Elasser, A.; Chow, T.P. Silicon carbide benefits and advantages for power electronics circuits and systems. Proc. IEEE 2002, 90, 969–986. [Google Scholar] [CrossRef]
- Raju, R.; Dame, M.; Steigerwald, R. Solid-state transformers using silicon carbide-based modular building blocks. In Proceedings of the 2017 IEEE 12th International Conference on Power Electronics and Drive Systems, Honolulu, HI, USA, 12–15 December 2017; pp. 1–7. [Google Scholar] [CrossRef]
- Chereches, N.C.; Chereches, M.; Miron, L.; Hudisteanu, S. Numerical Study of Cooling Solutions Inside a Power Transformer. Energy Procedia 2017, 112, 314–321. [Google Scholar] [CrossRef]
- 1547-2018; IEEE Standard for Interconnection and Interoperability of Distributed Energy Resources with Associated Electric Power Systems Interfaces. Standards Coordinating Committee 21, IEEE: New York, NY, USA, 2018.
- Draft ETSI EN 300 132-3: Environmental Engineering (EE); Power Supply Interface at the Input of Information and Communication Technology (ICT) Equipment; Part 3: Up to 400 V Direct Current (DC). ETSI Technical Committee Environmental Engineering (EE). ETSI: Sophia Antipolis, France, 2021.
- 946-2020; IEEE Recommended Practice for the Design of DC Power Systems for Stationary Applications. Energy Storage and Stationary Battery Committee. IEEE: New York, USA, 2020.
- EN IEC 60204-11:2019; Safety of machinery—Electrical equipment of machines—Part 11: Requirements for equipment for voltages above 1 000 V AC or 1 500 V DC and not exceeding 36 kV. CLC/TC 44X—Safety of Machinery: Electrotechnical Aspects. CENELEC: Brussels, Belgium, 2019.
- EN IEC 60947-1:2021; Low-voltage switchgear and controlgear—Part 1: General rules. CLC/TC 121A—Low-Voltage Switchgear and Controlgear. CENELEC: Brussels, Belgium, 2021.
- IEC 61992-1:2006+AMD1:2014 CSV; Railway Applications—Fixed Installations—DC Switchgear—Part 1:General. TC 9—Electrical Equipment and Systems for Railways. IEC: Geneva, Switzerland, 2014.
- IEC 60850:2014; Railway Applications—Supply Voltages of Traction systems. TC 9—Electrical Equipment and Systems for Railways. IEC: Geneva, Switzerland, 2014.















| Project Name/Year | Stakeholder | Application 1 | Voltage | Power | Switching Freq. |
|---|---|---|---|---|---|
| M2LC [56]/2004 | Siemens | RW, DPG | 15 kV | 2 MW | ≤2.5 kHz |
| MFT [59]/2007 | Bombardier (Alstom now) | RW | 15 kV | 400 kW | 8 kHz |
| UNIFLEX-PM [66]/2009 | ABB (Hitachi Energy now), Univ. of Nottingham | DPG | 3.3 kV | 300 kVA | Not mentioned |
| 170 kVA SST [67]/2009 | KTH | RW | Not mentioned | 170 kVA | 4 kHz |
| SSPS [58]/2011 | GE, Cree (Wolfspeed now) | DPG | 13.8 kV to 268.5 V | 1 MVA | 20 kHz |
| PETT LV [54]/2013 | ABB | RW | 1.5 kV DC | 54 kW | 1.5 kHz |
| PETT MV [55]/2014 | ABB | RW | 15 kV | 1.2 MVA | 1.75 kHz |
| PET [52]/2016 | ABB | RW, DCG, DPG | 15 kV AC/0.75 kV DC | 1.2 MW | 10 kHz |
| Fast charger for EVs [62]/2016 | Delta Electronics | EV | 4.8 kV or 13.2 kV AC to 1 kV DC | 400 kW | Not mentioned |
| IUT [63]/2016 | Virginia Tech | DPG | 7.2 kV/0.24 kV | 25 kW | 93 kHz |
| SPEED [68]/2017 | Univ. of Oviedo | HG, DPG | 6 kV/0.4 kV | 105 kW | 30 kHz |
| SwiSS Transformer [51]/2018 | ETH | DPG, DCG | 6.6 kV AC/0.4 kV DC | 25 kW | 50 kHz |
| EPT [69,70]/2018 | HUST | DPG | 10 kV/0.4 kV | 500 kVA | 4 kHz |
| 150 kW SST [65]/2018 | Pusan National Univ. | HG | 13.2 kV AC/ 0.75 kV DC | 150 kW | 10 kHz |
| HEART [71]/2019 | Univ. of Kiel | HG, DPG | 10 kV/0.4 kV | 1 MVA | 20 kHz |
| MEGALink [50]/2019 | ETH | DPG | 10 kV/0.4 kV | 630 kVA | Not mentioned |
| TL-SRC [72]/2020 | HIT | DPG, DCG | 2 kV DC/0.75 kV DC | 150 kW | 10 kHz |
| PETT 3 kV [73]/2020 | MMB Drives Ltd. (Gdańsk, Poland), Gdańsk Univ. | RW | 3 kV DC/2.2 kV AC | 335 kVA | 30 kHz |
| 1 MW SST [74]/2020 | TBEA Xinjiang Sunoasis | DCG | 10 kV AC/ 0.4–0.8 kV DC | 1 MW | 20 kHz |
| FUNDRES [75]/2021 | LAPLACE | RW | 1.8 kV DC | 300 kW | 15 kHz |
| FST [76]/2021 | EFACEC, CIRCE | HV | 2.2 kV per module (goal 400 kV) | 50 kW per module | 29 kHz |
| DCSST [77]/2021 | C-EPRI—NARI Group | DPG, DCG | 2 kV DC/750 V DC | 100 kW | 10 kHz |
| LV Engine [78]/2022 | Univ. of Kiel | DPG | 11 kV/0.4 kV | 500 kVA | Not mentioned |
| ASSTRA [79]/2022 | Eindhoven Univ., ABB | DCG | MV and LV levels | Not mentioned | 20 kHz |
| ACT [48,49]/2022 | ETH | DCG, DPG | 7 kV DC | 166 kW | 77.4 kHz |
| MCT [49]/2022 | ETH | DCG, DPG | 7 kV DC | 166 kW | 40 kHz |
| MUSE-SST [64]/2022 | FREEDM | N, DPG | 4.16 kV/0.48 kV | 100 kW | 20 kHz |
| 50 kVA SST [80]/2022 | Georgia Tech | DPG, DCG | 7.2 kV | 50 kVA | 16 kHz |
| TIGON [81]/2024 | CIRCE, PREMO | HG, DCG | 3 kV DC/0.4 kV AC | 300 kW | 83 kHz |
| SSTAR [82]/2025 | EFACEC, CIRCE | HV | 1.5 kV per module | 50 kW per module | 50 kHz |
Disclaimer/Publisher’s Note: The statements, opinions and data contained in all publications are solely those of the individual author(s) and contributor(s) and not of MDPI and/or the editor(s). MDPI and/or the editor(s) disclaim responsibility for any injury to people or property resulting from any ideas, methods, instructions or products referred to in the content. |
© 2023 by the authors. Licensee MDPI, Basel, Switzerland. This article is an open access article distributed under the terms and conditions of the Creative Commons Attribution (CC BY) license (https://creativecommons.org/licenses/by/4.0/).
Share and Cite
Cervero, D.; Fotopoulou, M.; Muñoz-Cruzado, J.; Rakopoulos, D.; Stergiopoulos, F.; Nikolopoulos, N.; Voutetakis, S.; Sanz, J.F. Solid State Transformers: A Critical Review of Projects with Relevant Prototypes and Demonstrators. Electronics 2023, 12, 931. https://doi.org/10.3390/electronics12040931
Cervero D, Fotopoulou M, Muñoz-Cruzado J, Rakopoulos D, Stergiopoulos F, Nikolopoulos N, Voutetakis S, Sanz JF. Solid State Transformers: A Critical Review of Projects with Relevant Prototypes and Demonstrators. Electronics. 2023; 12(4):931. https://doi.org/10.3390/electronics12040931
Chicago/Turabian StyleCervero, David, Maria Fotopoulou, Jesús Muñoz-Cruzado, Dimitrios Rakopoulos, Fotis Stergiopoulos, Nikos Nikolopoulos, Spyros Voutetakis, and José Francisco Sanz. 2023. "Solid State Transformers: A Critical Review of Projects with Relevant Prototypes and Demonstrators" Electronics 12, no. 4: 931. https://doi.org/10.3390/electronics12040931
APA StyleCervero, D., Fotopoulou, M., Muñoz-Cruzado, J., Rakopoulos, D., Stergiopoulos, F., Nikolopoulos, N., Voutetakis, S., & Sanz, J. F. (2023). Solid State Transformers: A Critical Review of Projects with Relevant Prototypes and Demonstrators. Electronics, 12(4), 931. https://doi.org/10.3390/electronics12040931

