An Energy-Efficient Inverter-Based Voltage Reference Scheme with Wide Output Range Using Correlated Level Shifting Technique
Abstract
:1. Introduction
2. Proposed Voltage Reference Scheme
2.1. Core Circuit
2.1.1. CTAT Voltage Generation Principle
2.1.2. Core Circuit with CTAT and Inverter-Based OTAs
2.2. Auxiliary Circuit
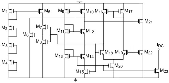
2.2.1. The IDC Generation Circuit
- MOS transistor dimensions are designed based on the principle of unit matching, i.e., all devices are formed by the series and parallel connection of unit devices. In the IDC circuit, the W and L of the unit device (multiplier = 1) are uniformly set at 3 μm/3 μm;
- As the MOS transistor mismatch is inversely proportional to the square root of the product of the device size (W and L), larger device sizes will average out the random mismatches of various MOS transistor parameters to a greater extent, thereby resulting in a relatively smaller expected mismatch value. In the IDC circuit, the area is maximized as much as possible under the premise of the MOS transistor operating in the correct region to achieve better matching performance.
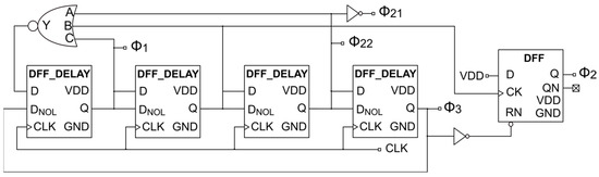
2.2.2. Clock Generation Circuit
2.3. Scheme 1: Switched-Capacitor Voltage Reference with Inverter-Based OTAs
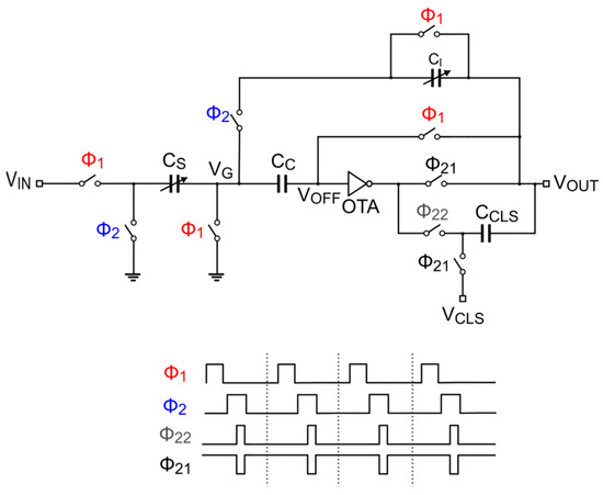
2.4. Scheme 2: Switched-Capacitor Voltage Reference with Inverter-Based OTAs Using Correlated Level Shifting (CLS) Technique
3. Experiment Result
- In the overall layout, devices requiring matching are placed as close as possible, and the orientation is kept consistent;
- In the IDC circuit, proportional diodes adopt a common centroid layout, and virtual devices are added to the bias circuit devices;
- In the OTA circuit, all current mirrors are arranged in a row, with virtual devices placed on both sides, and current mirrors that need to be replicated are positioned in the middle;
- In the switched-capacitor network, all switches are placed together, and the switch control signal routing is minimized as much as possible. Strictly proportional capacitors are matched with a common centroid layout by choosing a reasonable unit capacitance value, and virtual capacitors are placed around the capacitor array to mitigate process influences.
4. Discussion
- It can be implemented by full MOSFETs, eliminating BJT devices typically used in traditional bandgap references and thus reducing area;
- The scheme-based reference operates within a voltage range of 0.9–1.8 V, exhibiting high resilience to variations in external voltage values.
- The scheme biases the inverter with a current source (Figure 3), limiting the output range. It can be optimized by using a floating current source;
- The scheme employs the CLS technique, which is limited by the large capacitance area. Future work will employ capacitors with larger capacitance/(unit area) to optimize the layout;
- The scheme does not adopt a high-order calibration. It is not easy to integrate this calibration within switched-capacitor networks in the discrete-time domain. Future work will focus on this to reduce the TC.
5. Conclusions
Author Contributions
Funding
Data Availability Statement
Conflicts of Interest
References
- Shahghasemi, M.; Odame, K.M. A Constant gₘ Current Reference Generator With Pseudo Resistor-Based Compensation. IEEE Trans. Circuits Syst. I Regul. Pap. 2022, 69, 1115–1124. [Google Scholar] [CrossRef]
- Ria, A.; Catania, A.; Bruschi, P.; Piotto, M. A Low-Power CMOS Bandgap Voltage Reference for Supply Voltages Down to 0.5 V. Electronics 2021, 10, 1901. [Google Scholar] [CrossRef]
- Xu, C.; Xin, M.; Wang, Y.; Tang, J.; Liu, D.; Jiang, X. A Low-power Bandgap Reference Voltage Source for Smart Grid Sensor System on Chip. In Proceedings of the 2023 3rd International Conference on Consumer Electronics and Computer Engineering (ICCECE), Guangzhou, China, 6–8 January 2023; pp. 411–415. [Google Scholar]
- He, F.Y.; Yuan, G.H.; Lei, L.; Yu, H.J.; Kong, D.W. A 3.95 ppm/°C 7.5 μW Second-Order Curvature Compensated Bandgap Reference in 0.11 μm CMOS. Electronics 2022, 11, 2869. [Google Scholar] [CrossRef]
- Feldman, A.; Shor, J. A 0.0106 mm2 8 nW Resistor-Less BJT Bandgap Reference in 65nm. In Proceedings of the ESSCIRC 2023—IEEE 49th European Solid State Circuits Conference (ESSCIRC), Lisbon, Portugal, 11–14 September 2023; pp. 85–88. [Google Scholar]
- Chen, H.W.; Luo, J.Y.; Yen, W.C. A 1 V power supply operation CMOS subbandgap reference using switched capacitors. In Proceedings of the IEEE International Symposium on Circuits and Systems (ISCAS), Seattle, WA, USA, 18–21 May 2008; pp. 2234–2237. [Google Scholar]
- Sanborn, K.; Ma, D.; Ivanov, V. A Sub-1-V Low-Noise Bandgap Voltage Reference. IEEE J. Solid-State Circuits 2007, 42, 2466–2481. [Google Scholar] [CrossRef]
- Ge, G.; Zhang, C.; Hoogzaad, G.; Makinwa, K. A single-trim CMOS bandgap reference with a 3σ inaccuracy of ±0.15% from −40 °C to 125 °C. In Proceedings of the IEEE International Solid-State Circuits Conference (ISSCC), San Francisco, CA, USA, 18 March 2010; pp. 78–79. [Google Scholar]
- Buck, A.; McDonald, C.; Lewis, S.; Viswanathan, T.R. A CMOS bandgap reference without resistors. In Proceedings of the IEEE International Solid-State Circuits Conference (ISSCC), San Francisco, CA, USA, 9 February 2000; pp. 442–443. [Google Scholar]
- Ming, X.; Ma, Y.Q.; Zhou, Z.K.; Zhang, B. A High-Precision Compensated CMOS Bandgap Voltage Reference Without Resistors. IEEE Trans. Circuits Syst. II Express Briefs 2010, 57, 767–771. [Google Scholar] [CrossRef]
- Yu, C.; Siek, L. An Area-Efficient Current-Mode Bandgap Reference With Intrinsic Robust Start-Up Behavior. IEEE Trans. Circuits Syst. II Express Briefs 2015, 62, 937–941. [Google Scholar] [CrossRef]
- Yue, M. A 46.468 µW low-power bandgap voltage reference. In Proceedings of the 3rd International Conference on Computer Science and Information Technology (ICCSIT), Chengdu, China, 9–11 July 2010; pp. 256–258. [Google Scholar]
- Koudounas, S.; Andreou, C.M.; Georgiou, J. A novel CMOS Bandgap reference circuit with improved high-order temperature compensation. In Proceedings of the IEEE International Symposium on Circuits and Systems (ISCAS), Paris, France, 30 May–2 June 2010; pp. 4073–4076. [Google Scholar]
- Zhu, W.R.; Yang, H.G.; Gao, T.G. A novel low voltage Subtracting BandGap Reference with temperature coefficient of 2.2 ppm/°C. In Proceedings of the IEEE International Symposium of Circuits and Systems (ISCAS), Rio de Janeiro, Brazil, 15–18 May 2011; pp. 2281–2284. [Google Scholar]
- Zhao, J.; Peng, X.H.; Hou, L.G.; Zhang, Y.H.; Sun, G.Q. A 12.42 μA 0.192 ppm/°C high PSRR curvature-compensated CMOS bandgap voltage reference. In Proceedings of the 2nd IEEE International Conference on Integrated Circuits and Microsystems (ICICM), Nanjing, China, 8–11 November 2017; pp. 191–194. [Google Scholar]
- Chowdary, G.; Kota, K.; Chatterjee, S. A 1-nW 95-ppm/°C 260-mV Startup-Less Bandgap-Based Voltage Reference. In Proceedings of the IEEE International Symposium on Circuits and Systems (ISCAS), Seville, Spain, 12–14 October 2020; pp. 1–4. [Google Scholar]
- Chun, H.; Skafidas, S. A low-power, small-area and programmable bandgap reference. In Proceedings of the 2012 IEEE 55th International Midwest Symposium on Circuits and Systems (MWSCAS), Boise, ID, USA, 5–8 August 2012; pp. 510–513. [Google Scholar]
- Biederman, W.; Yeager, D.; Alon, E.; Rabaey, J. A CMOS switched-capacitor fractional bandgap reference. In Proceedings of the IEEE Custom Integrated Circuits Conference (CICC), San Jose, CA, USA, 9–12 September 2012; pp. 1–4. [Google Scholar]
- Gregoire, B.R.; Moon, U.K. An Over-60 dB True Rail-to-Rail Performance Using Correlated Level Shifting and an Opamp with 30 dB Loop Gain. In Proceedings of the IEEE International Solid-State Circuits Conference (ISSCC), San Francisco, CA, USA, 3–7 February 2008; pp. 540–634. [Google Scholar]
- Hu, Y.; Zhao, Y.; Qu, W.; Ye, L.; Zhao, M.; Tan, Z. A 2.87 μW 1kHz-BW 94.0dB-SNDR 2-0 MASH ADC Using FIA with Dynamic-Body-Biasing Assisted CLS Technique. In Proceedings of the 2022 IEEE International Solid- State Circuits Conference (ISSCC), San Francisco, CA, USA, 20–26 February 2022; pp. 410–412. [Google Scholar]
- Hung, T.C.; Kuo, T.H. A 75.3-dB SNDR 24-MS/s Ring Amplifier-Based Pipelined ADC Using Averaging Correlated Level Shifting and Reference Swapping for Reducing Errors From Finite Opamp Gain and Capacitor Mismatch. IEEE J. Solid-State Circuits 2019, 54, 1425–1435. [Google Scholar] [CrossRef]
- Meng, L.X.; Hu, Y.P.; Zhao, Y.B.; Qu, W.Y.; Ye, L.; Zhao, M.L.; Tan, Z.C. A 1.2-V 2.87-μW 94.0-dB SNDR Discrete-Time 2–0 MASH Delta-Sigma ADC. IEEE J. Solid-State Circuits 2022, 58, 1636–1645. [Google Scholar] [CrossRef]
- Wu, T.; Tan, Z.; Xie, N.; Zhang, H.; Ye, L. Ping-Pong Operated Inverter-based OTA using Correlated Level Shifting Technique. In Proceedings of the IEEE 15th International Conference on Solid-State & Integrated Circuit Technology (ICSICT), Kunming, China, 3–6 November 2020; pp. 1–4. [Google Scholar]
- Zhang, H.; Tan, Z.; Nguyen, K. Inverter-based low-power delta–sigma modulator using correlated level shifting technique. Electron. Lett. 2017, 53, 1663–1665. [Google Scholar] [CrossRef]
- Vita, G.D.; Iannaccone, G. A Sub-1 V, 10 ppm/°C, Nanopower Voltage Reference Generator. In Proceedings of the 32nd European Solid-State Circuits Conference (ESSCIR), Montreaux, Switzerland, 19–21 September 2006; pp. 307–310. [Google Scholar]
- Ueno, K.; Hirose, T.; Asai, T.; Amemiya, Y. A 300 nW, 15 ppm/°C, 20 ppm/V CMOS Voltage Reference Circuit Consisting of Subthreshold MOSFETs. IEEE J. Solid-State Circuits 2009, 44, 2047–2054. [Google Scholar] [CrossRef]
- Seok, M.; Kim, G.; Blaauw, D.; Sylvester, D. A PorTable 2-Transistor Picowatt Temperature-Compensated Voltage Reference Operating at 0.5 V. IEEE J. Solid-State Circuits 2012, 47, 2534–2545. [Google Scholar] [CrossRef]
- Hirose, T.; Ueno, K.; Kuroki, N.; Numa, M. A CMOS bandgap and sub-bandgap voltage reference circuits for nanowatt power LSIs. In Proceedings of the IEEE Asian Solid-State Circuits Conference (ASSCC), Beijing, China, 8–10 November 2010; pp. 1–4. [Google Scholar]
- Osaki, Y.; Hirose, T.; Kuroki, N.; Numa, M. 1.2-V Supply, 100-nW, 1.09-V Bandgap and 0.7-V Supply, 52.5-nW, 0.55-V Subbandgap Reference Circuits for Nanowatt CMOS LSIs. IEEE J. Solid-State Circuits 2013, 48, 1530–1538. [Google Scholar] [CrossRef]
- Pelgrom, M.J.M.; Duinmaijer, A.C.J.; Welbers, A.P.G. Matching properties of MOS transistors. IEEE J. Solid-State Circuits 1989, 24, 1433–1439. [Google Scholar] [CrossRef]
- Gupta, V.; Rincon-Mora, G.A. Predicting and designing for the impact of process variations and mismatch on the trim range and yield of bandgap references. In Proceedings of the Sixth International Symposium on Quality Electronic Design (ISQED’05), San Jose, CA, USA, 21–23 March 2005; pp. 503–508. [Google Scholar]
- Conti, M.; Crippa, P.; Orcioni, S.; Turchetti, C. Parametric yield formulation of MOS IC’s affected by mismatch effect. IEEE Trans. Comput. Aided Des. Integr. Circuits Syst. 1999, 18, 582–596. [Google Scholar] [CrossRef]
- Zhuang, H.Y.; Guo, W.J.; Liu, J.X.; Tang, H.; Zhu, Z.M.; Chen, L.; Sun, N. A Second-Order Noise-Shaping SAR ADC With Passive Integrator and Tri-Level Voting. IEEE J. Solid-State Circuits 2019, 54, 1636–1647. [Google Scholar] [CrossRef]
- Chae, Y.; Han, G. Low Voltage, Low Power, Inverter-Based Switched-Capacitor Delta-Sigma Modulator. IEEE J. Solid-State Circuits 2009, 44, 458–472. [Google Scholar] [CrossRef]
- Conti, M.; Crippa, P.; Orcioni, S.; Turchetti, C. Layout-based statistical modeling for the prediction of the matching properties of MOS transistors. IEEE Trans. Circuits Syst. I Fundam. Theory Appl. 2002, 49, 680–685. [Google Scholar] [CrossRef]















| This Work | [17] | [29] | [28] | [18] | |
|---|---|---|---|---|---|
| CMOS Process | 180 nm | 65 nm | 180 nm | 350 nm | 65 nm |
| Devices | MOS | BJT + MOS | MOS | BJT + MOS | BJT |
| Switched-Capacitor | Yes (active) | Yes (active) | No | No | Yes (passive) |
| Supply (V) | 0.9–1.8 | 0.9–1.8 | 1.2–1.8 | 1.2–3.3 | 0.75 |
| Min VDD (V) | 0.9 | 0.9 | 1.2 | 1.2 | N/A |
| Temp Range (°C) | −30–120 | −40–100 | −40–120 | −20–80 | −35–80 |
| Reference Voltage (V) | 0.266–0.995 | 0.591 0.872 1.189 | 1.09 | 0.553 | 0.423 |
| Normalized Output Range * (%) | 60.8 | 49.8 | N/A | N/A | N/A |
| TC (ppm/°C) | 82.4–99.5 | 43 (for 0.591) 28 (for 0.872) 33 (for 1.189) | 147 | 394 | 160 |
| Power (μW) | 0.976 | 40 (for 0.591) 60 (for 0.872) 110 (for 1.189) | 0.1 | 0.11 | 0.1035 |
| Energy FoM ** | 14.9 (min TC) 10.1 (max TC) | 11.5 23.1 13.1 | 12.3 | 1 | 7.4 |
Disclaimer/Publisher’s Note: The statements, opinions and data contained in all publications are solely those of the individual author(s) and contributor(s) and not of MDPI and/or the editor(s). MDPI and/or the editor(s) disclaim responsibility for any injury to people or property resulting from any ideas, methods, instructions or products referred to in the content. |
© 2023 by the authors. Licensee MDPI, Basel, Switzerland. This article is an open access article distributed under the terms and conditions of the Creative Commons Attribution (CC BY) license (https://creativecommons.org/licenses/by/4.0/).
Share and Cite
Wei, R.; Chen, C.; Wei, C.; Wang, R.; Huang, L.; Zhou, Q.; Hu, W. An Energy-Efficient Inverter-Based Voltage Reference Scheme with Wide Output Range Using Correlated Level Shifting Technique. Electronics 2023, 12, 5002. https://doi.org/10.3390/electronics12245002
Wei R, Chen C, Wei C, Wang R, Huang L, Zhou Q, Hu W. An Energy-Efficient Inverter-Based Voltage Reference Scheme with Wide Output Range Using Correlated Level Shifting Technique. Electronics. 2023; 12(24):5002. https://doi.org/10.3390/electronics12245002
Chicago/Turabian StyleWei, Rongshan, Chu Chen, Cong Wei, Renping Wang, Lijie Huang, Qikun Zhou, and Wei Hu. 2023. "An Energy-Efficient Inverter-Based Voltage Reference Scheme with Wide Output Range Using Correlated Level Shifting Technique" Electronics 12, no. 24: 5002. https://doi.org/10.3390/electronics12245002
APA StyleWei, R., Chen, C., Wei, C., Wang, R., Huang, L., Zhou, Q., & Hu, W. (2023). An Energy-Efficient Inverter-Based Voltage Reference Scheme with Wide Output Range Using Correlated Level Shifting Technique. Electronics, 12(24), 5002. https://doi.org/10.3390/electronics12245002

