Next Article in Journal
Designing an Electro-Optical Tunable Racetrack Microring Resonator on a Diamond–Lithium Niobate Thin-Film Hybrid Platform
Next Article in Special Issue
Classification of Partial Discharge Sources in Ultra-High Frequency Using Signal Conditioning Circuit Phase-Resolved Partial Discharges and Machine Learning
Previous Article in Journal
BRAIN: Blockchain-Based Record and Interoperability Network
Previous Article in Special Issue
Design of a Clock Doubler Based on Delay-Locked Loop in a 55 nm RF CMOS Process
 
 
Font Type:
Arial Georgia Verdana
Font Size:
Aa Aa Aa
Line Spacing:
Column Width:
Background:
Article

Digital Calibration of Input Offset Voltage and Its Implementation in FDDA Circuits

Department of IC Design and Test, Institute of Electronics and Photonics, Faculty of Electrical Engineering and Information Technology, Slovak University of Technology, Ilkovicova 3, 841 04 Bratislava, Slovakia
*
Author to whom correspondence should be addressed.
Electronics 2023, 12(22), 4615; https://doi.org/10.3390/electronics12224615
Submission received: 12 October 2023 / Revised: 23 October 2023 / Accepted: 27 October 2023 / Published: 11 November 2023
(This article belongs to the Special Issue Advances in RF, Analog, and Mixed Signal Circuits)

Abstract

:
This article deals with the calibration method of analog integrated circuits (ICs) designed in CMOS nanotechnology. A brief analysis of various methods and techniques (e.g., fuse trimming, chopper stabilization, auto-zero technique, etc.) for calibration of a specific IC’s parameter is given, leading to motivation for this research that is focused on the digital calibration. Then, the principle and overall design of the calibration subcircuit, which was generally used to calibrate the input offset voltage V I N _ O F F of the operational amplifier (OPAMP). The essence of this work is verification of the proposed digital calibration algorithm for minimization the V I N _ O F F of a bulk-driven fully differential difference amplifier (FDDA) with the power supply voltage V D D = 0.4 V. Evaluation of ASIC prototyped chip samples with silicon-proved results has been done. This evaluation contains comparison of selected parameters and characteristics obtained from both simulations and measurements of non-calibrated and calibrated FDDA configurations.

1. Introduction & Motivation

Trends of increasing the computing power of ICs, and at the same time, reducing energy consumption and area size impose relatively strict requirements on the design of recent ICs. These trends also urge designing low-voltage ICs, as well as increasing the integration density of circuit elements (CEs). Both aspects are consequences of device/circuit shrinking and have significant impact on the design of analog (mainly) ICs. The power supply voltage V D D in CMOS technology has dropped from the value of about 12 V, used in the 1970s, to about 0.6 V used today. For many existing and widely used circuit topologies, this drop means their use is either limited or even impossible [1].
The facts mentioned above have led to design of new circuit topologies able to operate reliably even at low V D D values. Reduction of device dimensions and increasing the integration density of integration bring advanced production processes that may introduce considerable complications and limitations from IC design point of view. One of undesirable factors is the random fluctuation of process parameters, which includes e.g. degree of semiconductor doping concentration, the gate oxide layer thickness, or geometry of devices themselves. This fluctuation can manifest itself within one ingot, different manufactured wafers, one wafer or even from chip to chip. Therefore, we can distinguish global and local fluctuations. Global fluctuations are represented by a typical or boundary conditions after IC production. On the other hand, a direct critical consequence of local fluctuations is device mismatch, which can be distance or pair. The distance mismatch is characterized by the gradient of a certain parameter of the production process, while the pair mismatch depends on specific dimensions of devices. A comparison of types of mismatch for resistors and transistors in 130 nm CMOS technology is investigated in the work of [2]. The influence of process fluctuations will further affect the dispersion of electrical parameters of CEs. Among the most important electrical parameters of a unipolar transistor that can be affected by this fluctuation is its threshold voltage V T H , which is a crucial parameter for setting the region and operating point of a transistor. The transistor output current I D in the saturation region of the output characteristic of NMOS transistor can be approximated by the following equation:
I D = μ n C o x 2 W L V G S V T H 2 ,
where μ n is electron mobility, C o x is the gate oxide capacitance per unit area, W and L are width and length of the transistor channel, respectively. Due to the imperfection of the production process, μ n C o x , V T H and W / L become three random variables with a certain variance compared to the nominal values based on Equation (1). Neglecting the dispersion of μ n C o x and W / L , for the dispersion of the threshold voltage of several dimensionally identical neighboring transistors σ V T H 2 holds:
σ V T H 2 = A V T H 2 2 W L ,
where A V T H is a constant dependent on the fabrication process. Equation (2) is known as Pelgrom’s law [3,4,5,6]. The standard V T H deviation in 90 nm CMOS technology is 9.3%, in 65 nm technology 10.7% and in 45 nm technology up to 16% [7]. Dispersion of the electrical parameters of the CEs further adversely affects the function and properties of a specific IC. In the case of an OPAMP, one of the undesirable consequences is an offset voltage. It is obvious that the fluctuation of production parameters can trigger a chain reaction, which may lead, in some cases, to the inoperability of proposed ICs. Additionally, the second critical aspect for IC design is a possible change in the V D D value, or supply current (current consumption) I D D value. In design practice, ICs should work reliably at a deviation of V D D ( I D D ) equal to ±10% from the nominal (typical) value. Despite the fact that V D D is applied externally to the IC contacts and can be generated with the maximum accuracy, there can be noise generation, oscillations or inaccuracy caused by the random fluctuation of process parameters within IC. The third critical issue is the temperature stability. In practice, it is usually defined in the range from 20 C to + 85 C. Within this range, the resistivity of doped silicon (applies to both P-type and N-type semiconductors) increases slightly, which has impact on electrical parameters and IC functionality [8]. These Process-Voltage-Temperature (PVT) variations need to be analyzed and taken into account in IC design. Robustness to these variations may depend on the type of circuit being designed.
An effective way to provide robustness of analog ICs to PVT variations is additional calibration of specific parameters. Generally, calibration is performed through the compensation of precisely selected IC parameter, a value of which is degraded due to the influence of PVT variations. Such a compensation is realized by employing a calibration subcircuit, as illustrated in Figure 1. The basic prerequisite for calibration of an analog IC is to adapt its topology by correctly defined sensing port P S and compensation port P C for compensating the degraded circuit parameter. The sensed value of such a parameter is fed to P S port, which basically serves as a control variable for the calibration subcircuit. According to the degree of degradation that represents the key information, the calibration subcircuit brings a certain specific quantity to port P C , which compensates the sensed parameter degradation. The primary requirement for the calibration subcircuit is that it does not adversely affect the calibrated analog IC. Additionally, from the low-power requirement point of view, its power consumption should not significantly increase the overall consumption. The area overhead, reliability and efficiency of calibration hardware are other important aspects. Last but not least, the calibration subcircuit itself must be very resistant to PVT variations.

2. Calibration Techniques

Nowadays, there are several techniques for calibrating analog ICs and compensating unwanted effects on their parameters. The superiority of calibration techniques lies in the exact adaptation of calibration subcircuit design to the designer-specified degraded parameter of the tuned circuit. This section offers brief review of existing calibration techniques such as fuse trimming technique (using standard fuses and anti-fuses), chopper stabilization, auto-zero technique, general analog and digital calibrations. Brief comparison of these approaches is given at the end of this section.
Fuse trimming technique consists in multiplying critical CEs in the analog IC. Additional trimming can be realized through the use of standard fuses or the use of anti-fuses on a chip, and both realizations are analogous in application. As for a principle of operation, they can be considered as mutually inverse. Electrical resistance of the fuse after it blows increases approximately a million times. In [9], an NMOS transistor controlled by a NOR gate is used to blow the fuse. In [10], the fuse blowing by connecting voltages of 1.5 V and 2 V is shown as illustrative comparison. Fundamental difference between standard fuse and anti-fuse approaches is their initial conductivity. In [11], an one-time-programmable antifuse (OTPA) implemented in CMOS technology is presented. In this case, the gate oxide of an NMOS transistor serves as a high-impedance element, which could be blown by connecting the necessary value of breakdown voltage V P to the specific contacts of the transistor (depending on used type). Within the application, this anti-fuse is used in a 1-bit 3T NMOS memory cell. The work [12] also introduces anti-fuse based memory, where junction-less gate-all-around nanowire single transistor (1T) is used to demonstrate OTPA.
Chopper stabilization (CS) is primarily used for effective compensation of unwanted input offset voltage V I N _ O F F and low-frequency 1/f noise in OPAMPs. In terms of analog IC calibration, this method is classified as dynamic one. The main idea behind CS lays in modulating the useful signal to a sufficiently high frequency, where the influence of input offset voltage and 1/f noise is negligible. This signal is subsequently amplified and demodulated to the original frequency. Modulator/demodulator could be designed by cross-connected MOS transistors or use of CMOS transmission gates [13,14,15]. The CS principle visualized through the spectrum analysis is scrupulously analyzed and presented in [16], where the CMOS bandgap voltage reference is calibrated using CS and fabricated using high temperature and high pressure CMOS 180 nm technology. In work [17], CS is used to calibrate V I N _ O F F of analog multipliers.
The auto-zero (AZ) technique is based on sampling an unwanted signal and then subtracting the voltage value of a sample from the useful signal. Similar to the CS technique, AZ is very often used to minimize the V I N _ O F F of OPAMPs. The principle of AZ is also presented in [13]. Implementation of AZ could be realized either in analog or digital way [18]. In [19], continuous AZ OPAMP able to achieve 2 μ V V I N _ O F F used for light sensing application is discussed. Except the OPAMP V I N _ O F F calibration, AZ technique is also applicable for the calibration of voltage comparators [20]. In [21], a voltage buffer with the maximum V I N _ O F F value of 0.6 μ V was calibrated using this technique.
Analog calibration approach consists in the individual design of a calibration subcircuit comprising analog circuits. In [22], analog calibration of the voltage comparator for V I N _ O F F calibration is described. The calibration is aimed at the substrate voltage V B S of input transistors. In [23], the analog calibration of a dual-mode voltage-controlled oscillator (VCO) is designed. Depending on whether the value of output voltage V O U T is higher or lower than the reference value V R E F , the current source will decrease or increase the tuning current value for the calibrated VCO circuit.
The main idea behind the digital calibration of analog ICs is analog-to-digital conversion of the degraded parameter quantity being sensed, its digital processing and evaluation in order to generate a compensation value, and then perform a reverse digital-to-analog conversion and bring this compensated value to a specific node of analog IC. Again, this calibration method requires an individual approach to a specific application. Similar to analog way, a calibration system designed on a digital principle can be highly versatile. In [23] (in addition to the analog calibration), the digital calibration is also presented within the dual-mode VCO. In this case, the calibration technique is implemented as a digital-controlled current source, and a comparison between the given calibration approaches (for a specific application) is presented. It was shown that the digital mode of calibration offers higher level of stability and lower consumption. The research presented in [24] investigates a digitally trimmable 24-GHz low-noise amplifier, which is a part of the microwave receiver system. This trimming approach is based on switched capacitors to the ground. In [25], one can find a built-in digital self-calibration technique of analog-to-digital converter (ADC) aimed at minimizing the integral nonlinearity.
In Table 1, the properties of presented calibration techniques for analog ICs are compared. The only static method among the analyzed techniques is fuse trimming (both realizations). Therefore, it is unjustified to discuss signal processing, noise, transmitted bandwidth or the calibration cycle with this technique. Fuse trimming is one-time and irreversible process that requires a non-negligible area overhead. The CS technique offers both sampled and continuous signal processing, which means more application possibilities. In its basic implementation (modulator, demodulator), it is the only calibration technique, where the area of additional circuitry is negligible. However, limitation of the calibrated IC frequency band can be a problem in certain applications. On the other hand, AZ technique does not limit the frequency band of calibrated analog IC, which is a great advantage. However, the work with a useful signal resides in a sampling way only. Digital implementation of AZ also has the option of a low-frequency calibration cycle. CS and AZ techniques are often combined into a very effective calibration system using the advantages of both techniques, however, with considerable area overhead. As for the signal processing and frequency options of the calibration cycle, analog calibration represents an adaptable choice for number of applications. Nevertheless, it suffers from noise robustness and the area overhead that increases significantly with the number and complexity of calibration subcircuits needed for implementation. A common property for CS, AZ (both implementations) and analog calibration is parallel cooperation with the calibrated device.
Compared to other techniques, digital calibration according to the given data offers the most adaptable option in terms of its implementation. It can be designed for once, repeatably, or in parallel cooperation with the calibrated analog IC. The useful signal can be sampled or processed continuously as needed, while it is possible to ensure low noise and at the same time not limit the band of the analog IC. The same applies to the calibration frequency, which can be used as needed. As already mentioned, the entire calibration subcircuit also requires a certain chip area, but considering its advantages, this shortcoming is acceptable. Thus, considering the versatility and all aspects regarding the digital calibration, our research was focused on development, implementation, simulation and experimental evaluation of this technique towards silicon-proved results.
In our previous research, we have developed a new digital calibration system for the V I N _ O F F compensation in a bulk-driven variable gain amplifier (VGA) with differential output [26]. The importance and appropriate topology of the DAC that is directly connected to the calibrated analog circuit was evaluated. In [27], adverse effects of digital calibration hardware on the VGA performance was investigated through modeling the critical parts of the system. Models of transistors connecting the calibration subcircuit and the analog IC in calibrated and non-calibrated configurations are analyzed. Then, improvement of the digital calibration approach by the use of SAR logic was presented [28], and modification of the calibration technique towards ping-pong implementation was described in [29]. Both works comprehensively present design of the system, its physical layout implementation, and bring simulated and measured results.

3. Proposed Digital Calibration System

In this work, a new modification of the digital calibration approach to FDDA V I N _ O F F compensation was developed. Main block diagram of the digital calibration system used for this purpose is presented in Figure 2. One can observe that two major parts of the calibration subcircuit are: control and compensation blocks.
Tasks of the control block are to sense the actual value of the specified degraded parameter at port P S , evaluate this value, and generate appropriate master signal(s) for the compensation block. This sensed value X S E N S can be expressed as follows:
X S E N S = X I D ± x E R R ,
where X I D represents the ideal value of degraded parameter and x E R R is deviation from the ideal value. Then, the comparator compares the X S E N S value to the reference value X R E F ( X R E F = X I D ). The control logic monitors the comparator output and controls the compensation block through a suitable algorithm until the calibration process is finished.
The compensation block consists of a DAC that is drived by a counter. The control signal coming from the control block makes the counter increment its output value that is sent in parallel via D N bus (N means number of bits) to the DAC. The DAC output represents value of the compensated parameter X C A L I B fed to the analog IC during the calibration cycle. In this case, a very important aspect is synchronization of the whole system, because incrementation of the X C A L I B value must cause decrementation of x E R R . The resulting value of the compensated parameter X C A L I B _ F I N is given by:
X C A L I B _ F I N = X I D ± x M I N ,
where x M I N is the minimum deviation value distinguishable by the calibration subcircuit. At the moment when x E R R x M I N , the control logic stops its output signal and the compensated parameter value X C A L I B _ F I N is permanently (also during the analog IC application) fed to port P C .

3.1. Operation Principle and System Design

The essence of digital calibration system, in this work, is to compensate V I N _ O F F of the FDDA. The whole methodology consists in sensing and evaluation the output offset voltage V O U T _ O F F . Consequently, based on its value, compensation currents are generated and fed into the input differential pairs. Relation between V I N _ O F F and V O U T _ O F F can be obtained from the following facts. Convenient configuration to detect FDDA V I N _ O F F is shown in Figure 3. It is important to note that V D D of FDDA was not symmetrical in simulations, and therefore, V D D = 400 mV means input common DC voltage V I N _ C O M M = 200 mV.
This topology is based on well-known differential OPAMP offset detection configuration. The great advantage of FDDA circuit is direct connection of the useful signal to the amplifier. V I N _ O F F can be provided from the following equation [26]:
V I N _ O F F = V O U T A C L . V I N A C L ,
where A C L is the FDDA close loop gain (ideally A C L = n), V I N and V O U T represent the differential input and output voltage of FDDA, respectively. In this case, when detecting V I N _ O F F , all inputs are connected to V I N _ C O M M potential which means useful signal V I N = 0 V and V O U T = V O U T _ O F F . Then, it can be written:
V I N _ O F F = V O U T _ O F F A C L .
Digital calibration system for the FDDA is depicted in Figure 4. It can be stated that the whole calibration subcircuit works as a voltage-to-current converter. In this case, the sensing quantity X S E N S is differential output signal of the FDDA consisting of two components V O U T 11 and V O U T 22 . Based on this fact, two sensing ports P S 1 and P S 2 were considered. Similarly, compensation parameter X C A L I B involves two compensation currents I C O M P 1 and I C O M P 2 .
Calibration process takes place in an open loop configuration in two cycles: main calibration cycle and fine (or correction) calibration cycle. This is the reason why compensation block consist of two parts. Result of the calibration algorithm in terms of V O U T _ O F F is shown in Figure 5, and explained in detail in the following section.

3.1.1. Control Logic: Generating C L K M A I N and C L K A U X Signals

With the use of differential output, no external reference for the comparator is needed in this topology since the individual signals V O U T 11 and V O U T 22 are the referencesto each other. In the initial state of non-calibrated FDDA, at the moment when calibration is enabled, the control subcircuit disperses values of V O U T 11 G N D and V O U T 22 V D D (to be explained later). This means that the comparator output acquires the value of logical 1, and the first calibration cycle starts. In Figure 6, design of the control logic block is shown. All of the signals inside of this block are marked by letters AH and visualized in Figure 7a during the most important part of the control logic function.
Circuits D F F 1 and D F F 2 (signals C and H) are initially set to logical 1 and logical 0, respectively, by the external R S T signal. In the first calibration cycle, signal B is set to logical 0, so the signal C is still in logical 1. Through the N A N D 1 gate, control signal C L K M A I N is generated. At the moment when signals V O U T 11 and V O U T 22 reverse their polarities relatively to each other, comparator flips its output value to logical 0. Rising edge of the signal B changes the logic value of signal C to logical 0. This means N A N D 1 gate stops the C L K M A I N signal and the main calibration cycle ends. Meanwhile, when signal C is flipped to logical 0, the delay cell D C 1 takes place to generate signal D for creating short impulse of logical 0 (signal E) through N X O R gate to set D F F 2 (signal H) to logical 1. The length of this impulse is ≈40 ns. This phenomenon can be seen in Figure 7b, where all crucial signals are zoomed in. At this moment, the second cycle starts and signal C L K A U X is generated through N A N D 2 gate. To ensure the sequential arrival of signals to D F F 2 , the delay cell D C 2 was used. At the moment, when comparator again flips its output value to logical 1, signal D F F 2 flips signal H to logical 0 and C L K A U X is stopped by N A N D 2 gate.

3.1.2. Digital-to-Analog Conversion

Special emphasis must be paid to the DAC design, since it is a circuit directly connected to the calibrated analog IC. The task of the calibration subcircuit is to find the most appropriate digital values for DAC circuits that will give the best result of the compensated parameter. If it was theoretically possible to achieve an ideal output value of the DAC with infinite resolution, the value of x m i n from Equation (3) would be zero. The converter resolution creates an error into this process, which corresponds to x m i n value after calibration. From mathematical point of view, any value higher than ideal represents over-compensation, and any value lower, on the contrary, under-compensation [13].
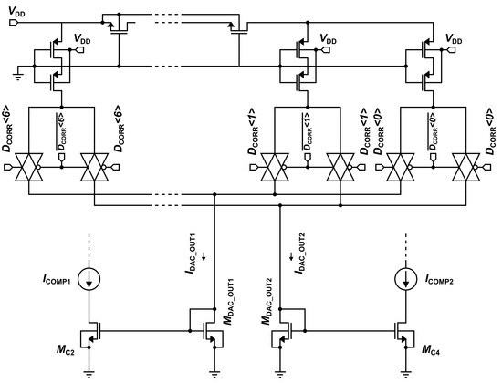
Design of the DAC circuits is realized as an M/2M network [13]. The R/2R network resistors are replaced by MOS transistors, which analogously work as pseudo-resistors with equivalent resistance. The M/2M network is more practical solution in terms of overall circuit area considered in integrated design. The DAC circuits used for main calibration and fine calibration have resolution of 10 bits and 7 bits, respectively. In the main part of calibration subcircuit (1. cycle), a DAC with a larger step of generating compensation currents is designed compared to the DAC in correction part (2. cycle), which is used for fine tuning. The topology of 7-bit M/2M DAC is shown in Figure 8. Transistors within the network are switched by transmission gates (T-gates), which are controlled by signals of D N parallel buses ( D M A I N and D C O R R ). In addition to generating D N signals, counters also generate their negations D N ¯ . Since both types of these signals are used when switching the T-gates, output current I D A C _ O U T 1 will always be generated on the basis of the opposite digital code compared to I D A C _ O U T 2 current. At the beginning of calibration process, current corresponding to the full-scale range of the converter I D A C _ O U T 1 is mirrored into the current branch I C O M P 1 , which gradually decreases, and the current corresponding to an ideally zero value I D A C _ O U T 2 is mirrored into the branch I C O M P 1 , which gradually increases. Based on this fact, the branches V O U T 11 and V O U T 22 are dispersed in the manner described above. The effect of connecting the calibration circuit to the FDDA is analyzed in the following section based on critical transistors modeling.

4. Undesired Effects of Digital Calibration System for FDDA

Inteconnection of the DAC output part with the input differential pairs of FDDA is shown in Figure 9. This connection is controlled by an external enable signal E N that connects the substrate electrodes of transistors M P 1 and M C 1 at the branch belonging to V O U T 1 , and M P 2 and M C 3 at the branch belonging to V O U T 2 . By turning on E N switches at the compensation ports P C 1 and P C 2 , bulk-driven current mirrors are created, through which the compensation currents are mirrored into the corresponding branches. As for the influence of this connection, the output impedance Z O U T of one half of the symmetrical input pairs in the calibrated and non-calibrated FDDA configuration was analyzed.
In Figure 10, the non-calibrated FDDA configuration modeling is shown. In this case, the input differential pair is substituted by an equivalent resistance r E Q and capacitance C E Q . Not all parasitic capacitances are marked here for transistor M P 1 because of the specific connection of the given transistor. Figure 10b shows a model of the circuit situation depicted in Figure 10a. As it can be seen, only parasitic capacities C B D _ M P 1 , C S D _ M P 1 , C D G _ M P 1 and resistance r S D _ M P 1 stand out in this model. In general, for Z O U T in node X, the equation takes place:
Z O U T = v x i x ,
where v x and i x are voltage and current in the node X. For the output impedance in node X of non-calibrated FDDA configuration Z O U T _ n c , the equation applies:
Z O U T _ n c = r S D M P 1 r E Q s . r S D M P 1 r E Q ( C B D M P 1 + C S D M P 1 + C D G M P 1 + C E Q ) + r S D M P 1 + r E Q ,
where all of the symbols are mentioned in Figure 10. To simplify this relation, the following approximation can be used:
g m b M N 1 r D S M N 1 r D S M N 5 | | g m b M N 2 r D S M N 2 r D S M N 6 = 1 2 g m b M N 1 r D S M N 1 r D S M N 5 = r E Q
r E Q > > r S D M P 1
Then, output impedance Z O U T _ n c can be derived as:
Z O U T _ n c = r S D M P 1 s . r S D M P 1 ( C B D M P 1 + C S D M P 1 + C D G M P 1 + C E Q ) + 1
Based on Equation (11), it can be concluded that among the listed elements, r S D _ M P 1 have the greatest influence on Z O U T _ n c in this case. Another situation is depicted in Figure 11, where calibrated FDDA configuration modeling is shown. In terms of transistor M P 1 , two more parasitic capacities C B G _ M P 1 and C S B _ M P 1 are considered here because of the bulk M P 1 and M C 1 connection. Marked parasitic capacities of transistor M C 1 are similarly based on its particular circuit connection (mirror transistor). Transistor M C 2 is modeled only by its output resistance r S D _ M C 2 .
Figure 11b shows a model of the system situation depicted in Figure 11a. Calibrated FDDA output impedance Z O U T _ c could be described using Z O U T _ n c as follows:
Z O U T _ c Z O U T _ n c s ( r S D M C 1 r S D M C 2 C A ) + r S D M C 1 , 2 s ( r S D M C 1 r S D M C 2 C B ) + r S D M C 1 , 2 + r S D M C 1 r S D M C 2 g m b M P 1 ,
where for r S D M C 1 , 2 , C A and C B applies:
r S D M C 1 , 2 = r S D M C 1 + r S D M C 2 + r S D M C 1 r S D M C 2 g m b M C 1
C A = C M C 1 P A R A S I T I C + C B D M P 1 + C B G M P 1 + C S B M P 1
C B = C M C 1 P A R A S I T I C + C B G M P 1 + C S B M P 1 + C S D M P 1 + C D G M P 1 + C E Q ,
and where C M C 1 P A R A S I T I C is a sum of all parasitic capacitances of M C 1 transistor:
C M C 1 P A R A S I T I C = C B G M C 1 + C S B M C 1 + C S D M C 1 + C D G M C 1
All of the other symbols used are marked in Figure 11. Compared to Z O U T _ n c , the Z O U T _ c impedance function also contains the substrate conductivity of both transistors ( g m b M P 1 and g m b M C 1 ), which can significantly influence this impedance. It is also possible to observe the presence of the second pole. For the proper design of the calibration subcircuit connection, dimensions of the transistors M P 1 , M P 2 , M C 1 and M C 2 are crucial, so as not to affect the frequency and phase responses in calibrated FDDA configuration [30].

5. Layout of the Proposed Digital Calibration System

In Figure 12, the physical layout of the whole FDDA circuit with digital calibration system (overall FDDA) is shown. The boundaries of all calibration subcircuit components are marked in green. Each selected circuit is described using its dimension in μ m .
The overall FDDA area is 157.92 × 10 3   μ m 2 , in size dimensions 336 μ m × 470 μ m . Table 2 offers size of selected subcircuits in comparison to the total FDDA area. One can observe that the calibration subcircuit occupies ≈19.97% of the overall FDDA area. The largest block of calibration hardware is the control block with dimensions of 149.39 μ m × 79.62 μ m and area of 11.656 × 10 3   μ m 2 . On the contrary, the smallest circuit is 7-bit counter with dimensions of 51.37 μ m × 15.41 μ m and area of 0.792 × 10 3 μ m 2 .

6. Simulation Results

This section presents results of simulations in two groups data obtained before and after FDDA calibration using Monte Carlo (MC) analysis. In Figure 13, the best case (BC) and worst case (WC) of non-calibrated FDDA frequency response in terms of DC gain are shown. The BC of A D C (Figure 13a) was reached with the value of 43.57 dB. In this case, bandwidth (BW) 2.58 kHz, gainbandwidth (GBW) value of 738.65 kHz, gain margin (GM) of 19.13 dB and phase margin (PM) of 115.73 were reached. In the WC of frequency response (Figure 13b), A D C of extremely low value 6.60 dB was achieved due to the random variance of technological process and device mismatch. As for other parameters, B W = 20.45 kHz, G B W = 42.28 kHz, G M = 42.57 dB and P M = 130.87 were achieved.
Figure 14a,b show CMRR and PSRR parameters of non-calibrated FDDA, respectively. Selected values at frequencies 1 kHz, 10 kHz, 100 kHz and 1 MHz are marked. In the BC of CMRR parameter, values of 90.96 dB @1 kHz, 90.56 dB @10 kHz, 93.42 dB @100 kHz were achieved, while @1 MHz the value dropped to 32.07 dB. In the WC of CMRR, the curve has similar shape except the dropped value in relative point of view. In this case, values of 41.78 dB @1 kHz, 41.62 dB @10 kHz, 39.35 dB @100 kHz was reached, while @1 MHz the CMRR value dropped to 20.40 dB. In the BC of PSRR, values of 72.87 dB @1 kHz, 69.22 dB @10 kHz, 63.95 dB @100 kHz were obtained, while @1 MHz the value again dropped to 14.93 dB. In the WC of PSRR before calibration, the curve is relatively constant within the 1 MHz band. PSRR values of 37.04 dB @1 kHz, 37.05 dB @10 kHz, 39.80 dB @100 kHz and 35.26 dB @1 MHz were reached.
Figure 15a shows BC and WC of frequency response after FDDA calibration. In the BC (Figure 15b), A D C = 43.93 dB is almost identical with the value reached for non-calibrated FDDA circuit. On the other hand, the change occurred within the B W = 1.58 kHz and G B W = 484.42 kHz. Also G M and P M have similar values 19.92 dB and 122 . 34 in comparison to non-calibrated configuration. A considerable improvement in the WC (Figure 15b) can be observed compared to the non-calibrated version of FDDA. The value of A D C = 41.55 dB was reached here (compared to 6.60 dB). Also values B W = 5.49 kHz, G B W = 1.39 MHz, G M = 23.87 dB and P M = 72 . 01 were obtained.
Figure 16 shows BC and WC of CMRR and PSRR parameters after FDDA calibration. As for the CMRR parameter (Figure 16a) in the BC, we can state a certain deterioration at all frequencies, e.g. @1 kHz it dropped from the value of 90.96 dB to 85.56 dB. On the other hand, in the WC, an improvement was achieved at all frequencies, e.g. @1 kHz from the value of 41.78 dB to the value of 46.52 dB. In terms of PSRR parameter (Figure 16b), in simulations we can note the deterioration of this parameter at almost all frequencies again. The value of PSRR @1 kHz represented 72.87 dB in the BC before calibration, while after calibration, this value dropped to 42.89 dB. The WC situation values are very similar with before calibration @1 kHz, where the worst value is equal to 37.04 dB, while after calibration this value dropped to 17.45 dB. Similar decline in values are also @10 kHz and @100 kHz. The only improvement in the case of the PSRR parameter was simulated at @1 MHz, where before calibration in the BC this value is equal to 14.93 dB, while after calibration it rose to 17.59 dB. And the same was true in the WC, where the value before calibration was 35.26 dB, while after calibration, the value is 42.28 dB. This deterioration (or improvement at high frequencies) can be caused by the direct connection of DAC to the input differential pair of FDDA. Through this connection, noise components of the signal can leak from the supply voltage to FDDA.
In Figure 17, the BC (Figure 17a) and WC (Figure 17b) of obtained V I N _ O F F through the zeroing V O U T _ O F F are shown. In the BC and WC, V I N _ O F F = 28.29 nV and V I N _ O F F = 15.51 μ V were reached, respectively.
Figure 18 shows obtained histograms of V I N _ O F F for non-calibrated and calibrated FDDA. In non-calibrated configuration (Figure 18a), the mean value μ = 5.23 mV and standard deviation σ = 59.29 mV. V I N _ O F F histogram of calibrated FDDA (Figure 18b) shows the improved values compared to non-calibrated FDDA, where the mean value μ = 1.23 μ V and standard deviation σ = 3.07 μ V were achieved.

7. Measurement Results

In this section, measured results of the implemented digital calibration system are presented, classified similarly to simulations. The BC and WC of the measured frequency response of FDDA before calibration in terms of DC gain A D C are shown in Figure 19. The BC (Figure 19a) exhibits the following parameters: A D C = 43.86 dB, B W = 5.24 kHz, G B W = 772.86 kHz, G M = 11.47 dB and P M = 54 . 09 . In the WC (Figure 19b) A D C = 42.10 dB, B W = 5.73 kHz, G B W = 764.03 kHz, G M = 12.12 dB and P M = 61 . 06 were measured.
Figure 20 shows evaluated CMRR (Figure 20a) and PSRR (Figure 20b) parameters of FDDA before calibration. In this case, selected values at frequencies 10 kHz, 100 kHz and 1 MHz are marked. The BC of CMRR curve has a decreasing tendency, while 55.95 dB @ 10 kHz, 46.45 dB @ 100 kHz and 26.35 dB @ 1 MHz were reported. CMRR in the WC decreases more slowly but with lower initial values of 38.73 dB @ 10 kHz, 36.39 dB @ 100 kHz and 19.67 dB @ 1 MHz. PSRR parameter disposes a relatively constant value up to frequency ≈70 kHz in both cases. In the BC, PSRR values of 56.12 dB @ 10 kHz, 51.88 dB @ 100 kHz are reached, and then it drops to 25.06 dB @ 1 MHz. In the WC, the PSRR value rises within the range ≈70–120 kHz, 40.56 dB @ 10 kHZ, 41.72 dB @ 100 kHz and then, it drops sharply to the value of 26.31 dB @ 1 MHz.
The BC and WC of frequency responses after FDDA calibration are shown in Figure 21. In both cases, almost all parameters are practically indistinguishable to non-calibrated reached values. In the BC (Figure 21a), A D C = 42.76 dB, B W = 5.73 kHz, G B W reaches 738.14 kHz, G M and P M are equal to 13.23 dB and 54 . 69 , respectively. Similarly, in the WC of frequency response (Figure 21b), A D C = 42.02 dB, B W and G B W reach values of 5.84 kHz and 729.70 kHz, respectively, and G M and P M values of 12.58 dB and 60 . 70 were achieved, respectively.
In Figure 22, the CMRR and PSRR parameters after FDDA calibration are depicted. It can be observed in CMRR parameter (Figure 22a) that the BC-curve has changed its downward tendency to rise up to ≈100 kHz, where the values 52.03 dB @ 10 kHz, 67.89 dB @ 100 kHz and 25.10 dB @ 1 MHz were obtained. As for the WC of CMRR, the curve shape is very similar to the non-calibrated configuration but at higher values at all frequencies were measured: 38.90 dB @ 10 kHz, 39.36 dB @ 100 kHz and 33.02 dB @ 1 MHz. The PSRR parameter (Figure 22b) of the calibrated FDDA is, in the BC, almost identical with non-calibrated configuration with the following values 56.68 dB @ 10 kHz, 49.32 dB @ 100 kHz and 26.05 dB @ 1 MHz. Similarly, the shape of the WC-curve is pretty similar to the one of non-calibrated FDDA, however, it lays at lower gain values: 33.50 dB @ 10 kHz, 33.65 dB @ 100 kHz and 21.39 dB @ 1 MHz.
Figure 23 shows the measured calibration effect on V I N _ O F F in real time. The BC value is V I N _ O F F = 21.70 μ V , while in the WC, V I N _ O F F value of 45.12 μ V was obtained.
In Figure 24, a photography of the evaluation environment including a measurement PCB developed for chip measurements is shown.
Figure 25 shows under-microscope photography of implemented FDDA with the entire digital calibration system, and bonding wires on the left side of this picture. One can observe that it corresponds with layout exported from the design software environment (Figure 12).

8. Results Comparison & Discussion

The overall comparison of simulated and measured results of the digital calibration system is presented in Table 3. Based on this comparison, it can be concluded that all the assumptions obtained by simulations have been confirmed experimentally. In terms of the measured FDDA frequency response after calibration, very similar parameter values were achieved in comparison before calibration, A D C in range of 42.02–42.76 dB, B W in range of 5.73–5.84 kHz and G B W in range of 729.70–738.14 kHz. The same applies for reached G M in range of 12.58–13.23 dB and P M obtained in range of 54.69–61.70 . It can be stated the calibration subircuit does not affect the frequency properties of the FDDA. It is a consequence of the correct transistors dimensions design at the DAC output and bulk-driven current mirrors. The simulated values of CMRR parmeter were degraded in BCs after calibration, but improved in the WCs after calibration. The measurement values of CMRR were improved in generall, because WC boundary was shifted from the range of 19.67–38.73 dB to the range of 33.02–39.36 dB at selected frequencies.
The degradation of PSRR parameter reflects the diminution of the WC boundary from the range of 26.31–41.72 dB to the range of 21.39–33.65 dB at selected frequencies after FDDA calibration. As already mentioned, this PSRR degradation was caused by the connection of DAC output transistors and bulk-driven current mirror to the input differential pair. Measurement results proved that afterr FDDA calibration, V I N _ O F F was improved from the value of −0.4416 mV to the value of 21.70 μ V in the BC, and from −3.8471 mV to 45.12 μ V in the WC scenario.
Establishment of representative figure of merit (FOM) is hindered by limited results provided by other works. These are aimed mainly on application, where OPAMP calibration is used. Therefore, the performance of the developed calibration method is of the secondary interest. FOM is built in relative ( F O M R ) and absolute ( F O M A ) perspectives, as follows:
F O M R = c R . V O F F _ R . A C H A O A . P C H P O A ,
where c R is scaling constant, V O F F _ R is reached V I N _ O F F , A C H and A O A are of calibration hardware and IC under calibration, respectively, and P C H and P O A are power consumption of calibration hardware and calibrated IC, respectively.
F O M A = c A . V O F F _ R . A C H . P C H .
The F O M R quantifies the proportion of calibration related hardware to calibrated amplifier in terms of area and power consumption demands. The F O M A represents these quantities of calibration hardware in the absolute manner. Both versions are directly proportional to residual input referred offset of amplifier after the calibration is carried out. Furthermore, the scaling constants are used to improve clarity of results and set as c R = 10 9   V 1 and c A = 10 18   V 1 m 2 W 1 . Table 4 compares the key parameter results of our work compared to the other state of the art works.

9. Conclusions

In conclusion, it can be stated that the proposed digital algorithm and developed ASIC hardware for V I N _ O F F calibration of FDDA works properly and reliably. Based on analysis of modeling the calibration subcircuit connection, it was determined which parasitic quantities will affect FDDA the most. With correct design of the critical transistors, it is possible to observe from the measurements that calibration has a negligible effect on the frequency and phase responses. Another advantage of the proposed calibration system is certainly its power consumption P C H , which is equal to 2.85 μ W in BC and 4.37 μ W in WC while the whole system works with a supply voltage V D D of 400 mV. The largest share in the power consumption values holds comparator circuit, whereas other calibration subcircuits consist of logic gates, flip-flops and M/2M DACs. The calibration time is related to the value of V I N _ O F F before calibration, to C L K E X T signal and to resolution of the DACs. The C L K E X T signal runs with a frequency of 1 kHz. This means that the longest possible calibration time for a 10-bit and 7-bit converters is 1152 ms. However, in both simulations and measurement cases, the calibration process was accomplished in less than 1 s. As for disadvantages, the size of additional calibration circuitry is almost 20% of the overall FDDA, which is still acceptable but not negligible. However, the developed calibration system could be used for much larger ICs, where the area overhead could be negligible. The reduction of the calibration subcircuit chip area represents space for further improvement in the future.

Author Contributions

Investigation D.M., M.S. and R.O.; conceptualization V.S. and D.A.; writing—original draft preparation, D.M. and V.S.; writing—review and editing, D.M. and V.S.; methodology, M.S. and D.A.; validation, M.P. All authors have read and agreed to the published version of the manuscript.

Funding

This work was funded in part by the Slovak Research and Development Agency under grant APVV-19-0392, the Ministry of Education, Science, Research and Sport of the Slovak Republic under grants VEGA 1/0731/20 and VEGA 1/0760/21. This work has also received funding from the Electronic Components and Systems for European Leadership Joint Undertaking under grant agreement No 876868. This Joint Undertaking receives support from the European Union’s Horizon 2020 research and innovation programme and Germany, Slovakia, Netherlands, Spain, Italy.

Data Availability Statement

Data is contained within the article.

Conflicts of Interest

The authors declare no conflict of interest.

References

  1. Razavi, B. Design of Analog CMOS Integrated Circuits, 2nd ed.; McGraw-Hill Education: New York, NY, USA, 2000; ISBN 978-0072380323. [Google Scholar]
  2. Schaper, U.; Linnenbank, C. Comparison of Distance Mismatch and Pair Matching of CMOS Devices. In Proceedings of the ESSCIRC 2004—29th European Solid-State Circuits Conference (IEEE Cat. No.03EX705), Estoril, Portugal, 16–18 September 2003; pp. 703–705. [Google Scholar]
  3. Sheikholeslami, U. Process Variation and Pelgrom’s Law [Circuit Intuitions]. IEEE J. Solid-State Circuits 2015, 7, 8–9. [Google Scholar] [CrossRef]
  4. Pelgrom, M.J.M.; Duinmaijer, A.C.J.; Welbers, A.P.G. Matching properties of MOS transistors. IEEE J. Solid-State Circuits 1989, 24, 1433–1439. [Google Scholar] [CrossRef]
  5. Lakshmikumar, K.R.; Hadaway, R.A.; Copeland, M.A. Characterisation and modeling of mismatch in MOS transistors for precision analog design. IEEE J. Solid-State Circuits 1986, 21, 1057–1066. [Google Scholar] [CrossRef]
  6. Bolt, M.; Cantatore, E.; Socha, M.; Aussems, C.; Solo, J. Matching properties of MOS transistors and delay line chains with self-aligned source/drain contacts. In Proceedings of the International Conference on Microelectronic Test Structures, Trento, Italy, 25–28 March 1996; pp. 21–25. [Google Scholar]
  7. Onabajo, M.; Silva-Martinez, J. Analog Circuit Design for Process Variation-Resilient Systems-on-a-Chip, 2012nd ed.; Springer: Berlin/Heidelberg, Germany, 2012; ISBN 978-1461422952. [Google Scholar]
  8. Arora, N.D.; Hauser, J.R.; Roulston, D.J. Electron and hole mobilities in silicon as a function of concentration and temperature. IEEE Trans. Electron. Devices 1982, 29, 292–295. [Google Scholar] [CrossRef]
  9. Wan, X.; Zhang, L.; Liu, J.; Liu, J.; Fu, D. A Simple and Efficient Fuse-Trimming Circuit for Analog Design. In Proceedings of the IEEE 15th International Conference on Solid-State & Integrated Circuit Technology (ICSICT), Kunming, China, 3–6 November 2020; pp. 1–3. [Google Scholar]
  10. Cheng, I.-H.; Kendrick, C.E. Failure Analysis and Optimization of Metal Fuses for Post Package Trimming. In Proceedings of the IEEE International Reliability Physics Symposium Proceedings, 45th Annual, Phoenix, AZ, USA, 15–19 April 2007; pp. 616–617. [Google Scholar]
  11. Cha, H.K.; Yun, I.; Kim, J.; So, B.C.; Chun, K.; Nam, I.; Lee, K. A 32-KB Standard CMOS Antifuse One-Time Programmable ROM Embedded in a 16-bit Microcontroller. IEEE J. Solid-State Circuits 2006, 41, 2115–2124. [Google Scholar] [CrossRef]
  12. Han, J.-W.; Moon, D.-I.; Meyyappan, M. One Time Programmable Antifuse Memory Based on Bulk Junctionless Transistor. IEEE Electron. Device Lett. 2018, 39, 1156–1158. [Google Scholar] [CrossRef]
  13. Pastre, M.; Kayal, M. Methodology for the Digital Calibration of Analog Circuits and Systems: With Case Studies; Springer: Berlin/Heidelberg, Germany, 2005; ISBN 978-1402042522. [Google Scholar]
  14. Agrich, Y.; Lifshits, V.; Pavlyuk, Y.; Gureev, I.; Vorobyev, D. CMOS Amplifier with Chopper Stabilization and Offset Calibration. In Proceedings of the 2020 IEEE Conference of Russian Young Researchers in Electrical and Electronic Engineering (EIConRus), St. Petersburg and Moscow, Russia, 27–30 January 2020; pp. 2336–2339. [Google Scholar]
  15. Yahyatabar, H.; Razaghian, F.; Yahyavi, M.; Nezhad, M.H. A 2.5V supply low noise CMOS amplifier using noise reduction technique of Chopper stabilization. In Proceedings of the 2011 9th IEEE International Conference on ASIC, Xiamen, China, 25–28 October 2011; pp. 828–833. [Google Scholar]
  16. Ma, Y.; Bai, C.; Wang, Y.; Qiao, D. A Low Noise CMOS Bandgap Voltage Reference Using Chopper Stabilization Technique. In Proceedings of the 2020 IEEE 5th International Conference on Integrated Circuits and Microsystems (ICICM), Nanjing, China, 23–25 October 2020; pp. 184–187. [Google Scholar]
  17. Godoy, P.; Dawson, J.L. Chopper Stabilization of Analog Multipliers, Variable Gain Amplifiers, and Mixers. IEEE J. Solid-State Circuits 2008, 43, 2311–2321. [Google Scholar] [CrossRef]
  18. Enz, C.C.; Temes, G.C. Circuit techniques for reducing the effects of op-amp imperfections: Autozeroing, correlated double sampling, and chopper stabilization. Proc. IEEE 1996, 84, 1584–1614. [Google Scholar] [CrossRef]
  19. Raghuveer, V.; Balasubramanian, K.; Sudhakar, S. A 2 μV low offset, 130 dB high gain continuous auto zero operational amplifier. In Proceedings of the 2017 International Conference on Communication and Signal Processing (ICCSP), Chennai, India, 6–8 April 2017; pp. 1715–1718. [Google Scholar]
  20. Chen, M.; Lu, W.; Tao, T.; Zhang, Y.; Chen, Z. A low-power auto-zeroed comparator for column-paralleled 14b SAR ADCs of 384288 IRFPA ROIC. In Proceedings of the 2013 IEEE International Conference of Electron Devices and Solid-state Circuits, Hong Kong, China, 3–5 June 2013; pp. 1–2. [Google Scholar]
  21. Rooijers, T.; Huijsing, J.H.; Makinwa, K.A.A. A Quiet Digitally Assisted Auto-Zero-Stabilized Voltage Buffer with 0.6pA Input Current and 0.6μV Offset. In Proceedings of the 2018 IEEE International Solid—State Circuits Conference—(ISSCC), San Francisco, CA, USA, 11–15 February 2018; pp. 50–52. [Google Scholar]
  22. Lu, J.; Holleman, J. A Low-Power High-Precision Comparator with Time-Domain Bulk-Tuned Offset Cancellation. IEEE Trans. Circuits Syst. I Regul. Pap. 2013, 60, 1158–1167. [Google Scholar] [CrossRef]
  23. Ataei, F.; Yavari, M. A wideband dual-mode VCO with analog and digital automatic amplitude control circuitry. In Proceedings of the 2011 19th Iranian Conference on Electrical Engineering, Tehran, Iran, 17–19 May 2011. [Google Scholar]
  24. Vehring, S.; Ding, Y.; Boeck, G. Digital trimmable 24 GHz low-noise amplifier in 65 nm CMOS. In Proceedings of the 2018 22nd International Microwave and Radar Conference (MIKON), Poznan, Poland, 14–17 May 2018; pp. 496–499. [Google Scholar]
  25. Thirunakkarasu, S.; Bakkaloglu, B. Built-in Self-Calibration and Digital-Trim Technique for 14-Bit SAR ADCs Achieving ±1 LSB INL. IEEE Trans. Very Large Scale Integr. VLSI Syst. 2015, 23, 916–925. [Google Scholar] [CrossRef]
  26. Šovčík, M.; Stopjaková, V.; Arbet, D.; Kováč, M.; Potočný, M. Digital methods of calibration for analog integrated circuits in nanotechnologies. In Proceedings of the 2017 15th International Conference on Emerging eLearning Technologies and Applications (ICETA), Starý Smokovec, Slovakia, 26–27 October 2017; pp. 1–6. [Google Scholar]
  27. Šovčík, M.; Stopjaková, V.; Arbet, D.; Kováč, M.; Potočný, M. Adverse effects of digital calibration hardware on low-voltage operational amplifiers. In Proceedings of the 2018 28th International Conference Radioelektronika (RADIOELEKTRONIKA), Prague, Czech Republic, 19–20 April 2018; pp. 1–4. [Google Scholar]
  28. Šovčík, M.; Stopjaková, V.; Arbet, D.; Kováć, M. Digital Calibration of Low-Voltage and Low-Power Analog ICs. In Proceedings of the 2018 16th International Conference on Emerging eLearning Technologies and Applications (ICETA), Starý Smokovec, Slovakia, 15–16 November 2018; pp. 505–510. [Google Scholar]
  29. Šovčík, M.; Stopjaková, V.; Arbet, D.; Potočný, M. Autonomous On-Chip Digital Calibration for Analog ICs in Nanotechnologies. In Proceedings of the 2020 30th International Conference Radioelektronika (RADIOELEKTRONIKA), Bratislava, Slovakia, 15–16 April 2020; pp. 1–5. [Google Scholar]
  30. Xu, K. Silicon electro-optic micro-modulator fabricated in standard CMOS technology as components for all silicon monolithic integrated optoelectronic systems. J. Micromech. Microeng. 2021, 31, 054001. [Google Scholar] [CrossRef]
  31. Rooijers, T.; Karmakar, S.; Kusuda, Y.; Huijsing, J.H.; Makinwa, K.A. A Fill-In Technique for Robust IMD Suppression in Chopper Amplifiers. IEEE J. Sol.-State Circuits 2021, 56, 3583–3592. [Google Scholar] [CrossRef]
  32. Choi, G.; You, D.; Heo, H.; Kim, H.; Kwon, Y.; Nam, K.; Lee, S.; Ko, H. Current-Reused Current Feedback Instrumentation Amplifier for Low Power Leadless Pacemakers. IEEE Access 2021, 9, 113748–113758. [Google Scholar] [CrossRef]
  33. Kim, H.; Han, K.; Kim, J.; You, D.; Heo, H.; Kwon, Y.; Kim, C.Y.; Lee, H.D.; Ko, H. Chopper-Stabilized Low-Noise Multipath Operational Amplifier With Dual Ripple Rejection Loops. IEEE Trans. Circuits Syst. II Express Briefs 2020, 67, 2427–2431. [Google Scholar] [CrossRef]
  34. Rooijers, T.; Huijsing, J.H.; Makinwa, K.A.A. An Auto-Zero-Stabilized Voltage Buffer With a Quiet Chopping Scheme and Constant Sub-pA Input Current. IEEE J. Solid-State Circuits 2022, 57, 2438–2448. [Google Scholar] [CrossRef]
  35. Qu, T.; Liu, L.; Zeng, X.; Hong, Z.; Xu, J. A 0.24-μV-Input-Ripple 8-μV-Input-Offset 10-MHz Chopper Operational Amplifier Employing MOS-DAC-Based Offset Calibration. IEEE Solid State Circuits Lett. 2023, 6, 17–20. [Google Scholar] [CrossRef]
  36. Yoo, M.; Kwon, Y.; Kim, H.; Choi, G.; Nam, K.; Ko, H. Low-Noise Resistive Bridge Sensor Analog Front-End Using Chopper-Stabilized Multipath Current Feedback Instrumentation Amplifier and Automatic Offset Cancellation Loop. IEEE Access 2022, 10, 12385–12394. [Google Scholar] [CrossRef]
  37. Xie, S.; Liao, X.; Liu, L. An Ultra-Low Power Fully Differential Voltage-to-Time Converter with DC Offset Calibration for RF Wake-Up Receivers. In Proceedings of the 2021 IEEE International Conference on Integrated Circuits, Technologies and Applications (ICTA), Zhuhai, China, 24–26 November 2021; pp. 113–114. [Google Scholar]
Figure 1. Calibration principle for analog ICs.
Figure 1. Calibration principle for analog ICs.
Electronics 12 04615 g001
Figure 2. General block diagram of the digital calibration of an analog IC.
Figure 2. General block diagram of the digital calibration of an analog IC.
Electronics 12 04615 g002
Figure 3. Configuration of FDDA for V I N _ O F F detection.
Figure 3. Configuration of FDDA for V I N _ O F F detection.
Electronics 12 04615 g003
Figure 4. Block diagram of the FDDA digital calibration system.
Figure 4. Block diagram of the FDDA digital calibration system.
Electronics 12 04615 g004
Figure 5. FDDA V O U T _ O F F change during the V I N _ O F F calibration.
Figure 5. FDDA V O U T _ O F F change during the V I N _ O F F calibration.
Electronics 12 04615 g005
Figure 6. Block diagram of the control logic block.
Figure 6. Block diagram of the control logic block.
Electronics 12 04615 g006
Figure 7. Control logic block signals. (a) Signals overview. (b) Zoom of critical signals.
Figure 7. Control logic block signals. (a) Signals overview. (b) Zoom of critical signals.
Electronics 12 04615 g007
Figure 8. Topology of 7-bit M/2M network DAC.
Figure 8. Topology of 7-bit M/2M network DAC.
Electronics 12 04615 g008
Figure 9. Interconnection of calibration subcircuit and FDDA.
Figure 9. Interconnection of calibration subcircuit and FDDA.
Electronics 12 04615 g009
Figure 10. Non-calibrated FDDA. (a) non-calibrated FDDA configuration. (b) A circuit model.
Figure 10. Non-calibrated FDDA. (a) non-calibrated FDDA configuration. (b) A circuit model.
Electronics 12 04615 g010
Figure 11. Calibrated FDDA modeling. (a) Calibrated FDDA configuration. (b) A circuit model.
Figure 11. Calibrated FDDA modeling. (a) Calibrated FDDA configuration. (b) A circuit model.
Electronics 12 04615 g011
Figure 12. Layout of the overall FDDA system.
Figure 12. Layout of the overall FDDA system.
Electronics 12 04615 g012
Figure 13. Simulated frequency response of FDDA before calibration. (a) BC. (b) WC.
Figure 13. Simulated frequency response of FDDA before calibration. (a) BC. (b) WC.
Electronics 12 04615 g013
Figure 14. Simulated parameters of FDDA before calibration. (a) BC and WC of CMRR parameter. (b) BC and WC of PSRR parameter.
Figure 14. Simulated parameters of FDDA before calibration. (a) BC and WC of CMRR parameter. (b) BC and WC of PSRR parameter.
Electronics 12 04615 g014
Figure 15. Simulated frequency response of FDDA after calibration. (a) BC. (b) WC.
Figure 15. Simulated frequency response of FDDA after calibration. (a) BC. (b) WC.
Electronics 12 04615 g015
Figure 16. Simulated parameters of FDDA after calibration. (a) BC and WC of CMRR parameter. (b) BC and WC of PSRR parameter.
Figure 16. Simulated parameters of FDDA after calibration. (a) BC and WC of CMRR parameter. (b) BC and WC of PSRR parameter.
Electronics 12 04615 g016
Figure 17. Simulated V O U T _ O F F zeroing. (a) For BC of compensated V I N _ O F F . (b) For WC of compensated V I N _ O F F .
Figure 17. Simulated V O U T _ O F F zeroing. (a) For BC of compensated V I N _ O F F . (b) For WC of compensated V I N _ O F F .
Electronics 12 04615 g017
Figure 18. MC histograms of V I N _ O F F (a) Before calibration. (b) After calibration.
Figure 18. MC histograms of V I N _ O F F (a) Before calibration. (b) After calibration.
Electronics 12 04615 g018
Figure 19. Measured frequency response of FDDA before calibration. (a) BC. (b) WC.
Figure 19. Measured frequency response of FDDA before calibration. (a) BC. (b) WC.
Electronics 12 04615 g019
Figure 20. Measured parameters of FDDA before calibration. (a) BC and WC of CMRR parameter. (b) BC and WC of PSRR parameter.
Figure 20. Measured parameters of FDDA before calibration. (a) BC and WC of CMRR parameter. (b) BC and WC of PSRR parameter.
Electronics 12 04615 g020
Figure 21. Measured frequency response of FDDA after calibration. (a) BC. (b) WC.
Figure 21. Measured frequency response of FDDA after calibration. (a) BC. (b) WC.
Electronics 12 04615 g021
Figure 22. Measured parameters of FDDA after calibration. (a) BC and WC of CMRR parameter. (b) BC and WC of PSRR parameter.
Figure 22. Measured parameters of FDDA after calibration. (a) BC and WC of CMRR parameter. (b) BC and WC of PSRR parameter.
Electronics 12 04615 g022
Figure 23. Measured V O U T _ O F F zeroing. (a) For BC of compensated V I N _ O F F . (b) For WC of compensated V I N _ O F F .
Figure 23. Measured V O U T _ O F F zeroing. (a) For BC of compensated V I N _ O F F . (b) For WC of compensated V I N _ O F F .
Electronics 12 04615 g023
Figure 24. Photography of workstation for measurement and testing FDDA.
Figure 24. Photography of workstation for measurement and testing FDDA.
Electronics 12 04615 g024
Figure 25. Photography of implemented FDDA chip.
Figure 25. Photography of implemented FDDA chip.
Electronics 12 04615 g025
Table 1. Comparison of existing calibration techniques for analog ICs.
Table 1. Comparison of existing calibration techniques for analog ICs.
Calibration
Technique
MethodFunctionSig. Process.Noise & BWCalib. CycleArea
StaticDynamicOne-TimeRepeatedlyParallelSampleContinuousLow NoiseWide BWLow Freq.High Freq.NegligibleNon-Neglig.
Fuse Trimming
Chopper Stabilization
Auto-zero (analog)
Auto-zero (digital)
Analog Calibration
Digital Calibration
– No point for analyzing. ✓ Advantageous property. Disadvantageous property.
Table 2. Areas of the selected circuits parts.
Table 2. Areas of the selected circuits parts.
CircuitOn-Chip Area [ 10 3   μ m 2 ]
Control block 11.656
DAC (main part) 9.462
DAC (correction part) 8.799
Counter (10-bit) 0.835
Counter (7-bit) 0.792
Total calibration subcircuit 31.543
Overall FDDA 157.920
Table 3. Simulation and measurement results comparison.
Table 3. Simulation and measurement results comparison.
ParameterSimulationMeasurement
Non-CalibratedCalibratedNon-CalibratedCalibrated
BCWCBCWCBCWCBCWC
Frequency
&
Phase
Response
A D C [dB]43.576.6043.9341.5543.8642.1042.7642.02
B W [kHz]2.5820.451.585.495.245.735.735.84
G B W [kHz]738.6542.28484.421.39M *772.86764.03738.14729.70
G M [dB]19.1342.5719.9223.8711.4712.1213.2312.58
P M [ ]115.73130.87122.3472.0154.0961.0654.6960.70
CMRR [dB]@1 kHz90.9641.7885.5646.52----
@10 kHz90.5541.6284.5946.5155.9538.7352.0338.90
@100 kHz93.4239.3565.4241.8646.4536.3967.8939.36
@1 MHz32.0720.4029.0726.0726.3519.6725.1033.02
PSRR [dB]@1 kHz72.8737.0442.8917.45----
@10 kHz69.2237.0542.8917.4456.1240.5656.6833.50
@100 kHz63.9539.8041.3816.7351.8841.7249.3233.65
@1 MHz14.9335.2617.5942.2825.0626.3126.0521.39
V IN _ OFF [ μ V ]32.81−159.30m *28.29n *15.51−0.4416m *−3.8471m *21.7045.12
V IN _ OFF  (MC) μ = −5.23 mV
σ = 59.29 mV
μ = 1.23 μ V
σ = 3.07 μ V
* Applying the current prefix to the specified unit.
Table 4. Global results comparison.
Table 4. Global results comparison.
This Work[31][32][33][34][35][36][37]
Year20232021202120202022202320222021
Technology13018018018018018018065
V DD [V]0.451.8/3.31.81.853.30.4
A OA [ 10 3 μ m 2 ] 126.384449201740012068
A CH [ 10 3 μ m 2 ] 31.54277.4 52920041032.7
P OA [ μ W ] 23.11 *7425.5921121037504060.0119
P CH [ μ W ] 4.37 *1925 750
V IN _ OFF [ μ V ] 45.12 *0.87751.090.482322
A DC [dB]42.02 *34.5132204424
BW [kHz]5.84 *0.3522.6100020
GBW [MHz]0.730 *4.22.961.45101.92-
Stages2222321
FOM R 213013,100800
FOM A 6.22427.21200
Result sourceMeas.Meas.Sim.Meas.Meas.Meas.Meas.Sim.
MethodDig.CS + AZAnalog.CSAZHybridDig. + CSAnalog.
* The WC of parameter is considered.
Disclaimer/Publisher’s Note: The statements, opinions and data contained in all publications are solely those of the individual author(s) and contributor(s) and not of MDPI and/or the editor(s). MDPI and/or the editor(s) disclaim responsibility for any injury to people or property resulting from any ideas, methods, instructions or products referred to in the content.

Share and Cite

MDPI and ACS Style

Maljar, D.; Sovcik, M.; Potocny, M.; Ondica, R.; Arbet, D.; Stopjakova, V. Digital Calibration of Input Offset Voltage and Its Implementation in FDDA Circuits. Electronics 2023, 12, 4615. https://doi.org/10.3390/electronics12224615

AMA Style

Maljar D, Sovcik M, Potocny M, Ondica R, Arbet D, Stopjakova V. Digital Calibration of Input Offset Voltage and Its Implementation in FDDA Circuits. Electronics. 2023; 12(22):4615. https://doi.org/10.3390/electronics12224615

Chicago/Turabian Style

Maljar, David, Michal Sovcik, Miroslav Potocny, Robert Ondica, Daniel Arbet, and Viera Stopjakova. 2023. "Digital Calibration of Input Offset Voltage and Its Implementation in FDDA Circuits" Electronics 12, no. 22: 4615. https://doi.org/10.3390/electronics12224615

APA Style

Maljar, D., Sovcik, M., Potocny, M., Ondica, R., Arbet, D., & Stopjakova, V. (2023). Digital Calibration of Input Offset Voltage and Its Implementation in FDDA Circuits. Electronics, 12(22), 4615. https://doi.org/10.3390/electronics12224615

Note that from the first issue of 2016, this journal uses article numbers instead of page numbers. See further details here.

Article Metrics

Back to TopTop