SPICE-Aided Nonlinear Electrothermal Modeling of an IGBT Module
Abstract
:1. Introduction
2. Model Form
2.1. Electrical Model
- (a)
- DC properties of the output bipolar structure and the input MOS structure including the sub-threshold effect and the dependence of the threshold voltage on its junction temperature, the dependence of the current amplification factor of the BJT structure on the collector current and temperature, and leakage currents (DC model of the IGBT);
- (b)
- Series resistance of emitter RE and collector RC modeled by linear resistors, the resistance of which linearly depends on the transistor junction temperature;
- (c)
- The dependence of the capacitance between each pair of the leads of the IGBT on voltage and the junction temperature represented by the controlled current sources GCGE, GCCE, and GCGC.
- the diffusion and generation-recombination components of the current of this component (DC diode model), described using the same equation as for the power LED presented, i.e., in [17];
- the linear dependence of the diode series resistance on its junction temperature;
- a nonlinear capacitance of the p-n junction depending on the junction voltage and temperature represented by the current source GCD.
2.2. Model for Heat Generation
2.3. Thermal Model
2.4. Model Parameter Estimation
- electrical parameters describing I-V and C-V characteristics of the module components;
- thermal parameters describing the dependence of the junction temperature of each module component on the power lost in these components.
3. Investigations Results
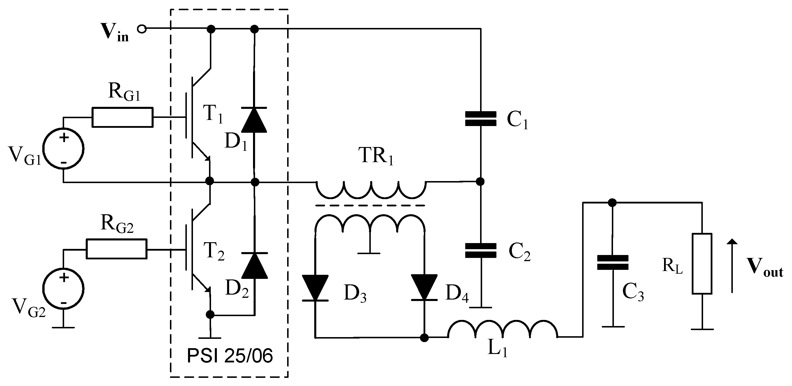
3.1. Investigated Module
3.2. DC Module Characteristics
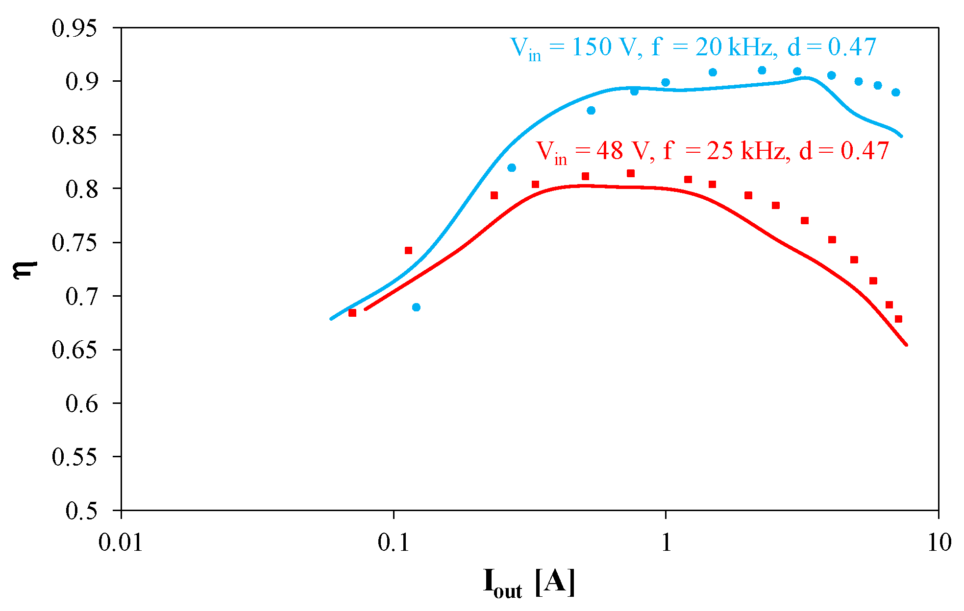
3.3. Characteristics of the Half-Bridge Converter with an IGBT Module
4. Influence of Thermal Model Form on the Computations Results
5. Conclusions
Author Contributions
Funding
Data Availability Statement
Conflicts of Interest
References
- Perret, R. Power Electronics Semiconductor Devices; John Wiley & Sons, Ltd.: Hoboken, NJ, USA, 2009. [Google Scholar]
- Rashid, M.H. Power Electronic Handbook; Academic Press: Cambridge, MA, USA; Elsevier: Amsterdam, The Netherlands, 2007. [Google Scholar]
- Kazimierczuk, M.K. Pulse-Width Modulated DC-DC Power Converters; John Wiley &Sons, Ltd.: Hoboken, NJ, USA, 2008. [Google Scholar]
- Lai, W.; Zhao, Y.; Chen, M.; Wang, Y.; Ding, X.; Xu, S.; Pan, L. Condition Monitoring in a Power Module Using On-State Resistance and Case Temperature. IEEE Access 2018, 6, 67108–67117. [Google Scholar] [CrossRef]
- Stella, F.; Pellegrino, G.; Armando, E.; Dapra, D. Online Junction Temperature Estimation of SiC Power MOSFETS Through On-State Voltage Mapping. IEEE Trans. Ind. Appl. 2018, 54, 3453–3462. [Google Scholar] [CrossRef]
- Dbeiss, M.; Avenas, Y.; Zara, H. Comparison of the electro-thermal constrains on SiC MOSFET and Si IGBT power modules in photovoltaic DC/AC inverters. Microelectron. Reliab. 2017, 78, 65–71. [Google Scholar] [CrossRef]
- Mitsubishi Electronics Corporation. Mitsubishi Semiconductors Power Module MOS—Data Book; Mitsubishi Electronics Corporation: Tokyo, Japan, 1995. [Google Scholar]
- An, N.; Du, M.; Hu, Z.; Wie, K. A High-Precision Adaptive Thermal Network Model for Monitoring of Temperature Variations in Insulated Gate Bipolar Transistor (IGBT) Modules. Energies 2018, 11, 595. [Google Scholar] [CrossRef]
- Bahman, A.; Ma, K.; Blaabjerg, F. A lumped Thermal Model Including Thermal Coupling and Thermal Boundary Conditions for High-Power IGBT Modules. IEEE Trans. Power Electron. 2018, 33, 2518–2530. [Google Scholar] [CrossRef]
- Castellazzi, A.; Kraus, R.; Seliger, N.; Schmitt-Landsiedel, D. Reliability analysis of power MOSFET’s with the help of compact models and circuit simulation. Microel. Reliab. 2002, 42, 1605–1610. [Google Scholar] [CrossRef]
- Bryant, A.T.; Mawby, P.A.; Palmer, P.R.; Santi, E.; Hudgins, J.L. Exploration of power device reliability using compact device models and fast electrothermal simulation. IEEE Trans. Ind. Appl. 2008, 44, 894–903. [Google Scholar] [CrossRef]
- Hefner, A.R.; Diebolt, D.M. An Experimentaly Verified IGBT Model Implemented in the Saber Circuit Simulator. IEEE Trans. Power Electron. 1994, 9, 532–542. [Google Scholar] [CrossRef]
- Mawby, P.A.; Igic, P.M.; Towers, M.S. Physically based compact device models for circuit modelling applications. Microelectron. J. 2001, 32, 433–447. [Google Scholar] [CrossRef]
- Starzak, Ł.; Zubert, M.; Janicki, M.; Torzewicz, T.; Napieralska, M.; Jabloński, G.; Napieralski, A. Behavioral approach to SiC MPS diode electrothermal model generation. IEEE Trans. Electron. Devices 2013, 60, 630–638. [Google Scholar] [CrossRef]
- Górecki, P.; Górecki, K.; Zarębski, J. Accurate circuit-level modelling of IGBTs with thermal phenomena taken into account. Energies 2021, 14, 2372. [Google Scholar] [CrossRef]
- Lasance, C.J.M.; Poppe, A. Thermal Management for LED Applications; Springer Science Business Media: New York, NY, USA, 2014. [Google Scholar]
- Górecki, K.; Ptak, P. Compact modelling of electrical, optical and thermal properties of multi-colour power LEDs operating on a common PCB. Energies 2021, 14, 1286. [Google Scholar] [CrossRef]
- Scognamillo, C.; Fregonese, S.; Zimmer, T.; d’Alessandro, V.; Catalano, A.P. A Technique for the In-Situ Experimental Extraction of the Thermal Impedance of Power Devices. IEEE Trans. Power Electron. 2022, 37, 11511–11515. [Google Scholar] [CrossRef]
- D’Alessandro, V.; Codecasa, L.; Catalano, A.P.; Scognamillo, C. Circuit-based electrothermal simulation of multicellular sic power MOSFETs using FANTASTIC. Energies 2020, 13, 4563. [Google Scholar] [CrossRef]
- Azar, R.; Udrea, F.; Ng, W.T.; Dawson, F.; Findlay, W.; Waind, P.; Amaratunga, G. Advanced electrothermal Spice modelling of large power IGBTs. IEE Proc. Circuits Devices Syst. 2004, 151, 249–253. [Google Scholar] [CrossRef]
- Górecki, P.; Górecki, K. Modelling a Switching Process of IGBTs with Influence of Temperature Taken into Account. Energies 2019, 12, 1894. [Google Scholar] [CrossRef]
- Rashid, M.H.; Rashid, H.M. Spice for Power Electronics and Electric Power; CRC Press: Boca Raton, FL, USA, 2006. [Google Scholar]
- Castellazzi, A. Comprehensive compact models for the circuit simulation of multichip power modules. IEEE Trans. Power Electron. 2010, 25, 1251–1264. [Google Scholar] [CrossRef]
- Bouguezzi, S.; Ayadi, M.; Ghariani, M. Developing a Simplified Analitical Thermal Model of Multi-chip Power Module. Microelectron. Reliab. 2016, 66, 64–77. [Google Scholar] [CrossRef]
- Wu, R.; Wang, H.; Pedersen, K.B.; Ma, K.; Ghimire, P.; Iannuzzo, F.; Blaabjerg, F. A temperature-dependent thermal model of IGBT modules suitable for circuit-level simulations. IEEE Trans. Ind. Appl. 2016, 52, 3306–3314. [Google Scholar] [CrossRef]
- Zhang, Y.; Wang, H.; Wang, Z.; Yang, Y.; Blaabjerg, F. Simplified Thermal Modeling for IGBT Modules with Periodic Power Loss Profiles in Modular Multilevel Converters. IEEE Trans. Ind. Electron. 2019, 66, 2323–2332. [Google Scholar] [CrossRef]
- Chang, Y.; Li, W.H.; Luo, H.Z.; He, X.N.; Iannuzzo, F.; Blaabjerg, F.; Lin, W.X. A 3D Thermal Network Model for Monitoring Imbalanced Thermal Distribution of Press-Pack IGBT Modules in MMC-HVDC Applications. Energies 2019, 12, 1319. [Google Scholar] [CrossRef]
- Luo, Z.H.; Ahn, H.; El Nokali, M.A. A thermal model for insulated gate bipolar transistor module. IEEE Trans. Power Electron. 2004, 19, 902–907. [Google Scholar] [CrossRef]
- Wang, J.; Chen, W.; Zhang, J.; Xu, M.; Wang, L.; Liu, J.; Gan, Y. A Novel Approach to Model and Analyze Uneven Temperature Distribution Among Multichip High-Power Modules and Corresponding Method to Respecify Device SOA. IEEE Trans. Power Electron. 2022, 37, 4626–4640. [Google Scholar] [CrossRef]
- Reichl, J.; Ortiz-Rodriguez, J.M.; Hefner, A.; Lai, J.S. 3-D Thermal Component Model for Electrothermal Analysis of Multichip Power Modules with Experimental Validation. IEEE Trans. Power Electron. 2015, 30, 3300–3308. [Google Scholar] [CrossRef]
- Van der Broeck, C.; Ruppert, L.A.; Hinz, A.; Conrad, M.; De Doncker, R.W. Spatial Electro-Thermal Modeling and Simulation of Power Electronic Modules. IEEE Trans. Ind. Appl. 2018, 54, 404–415. [Google Scholar] [CrossRef]
- Nwanoro, K.C.; Lu, H.; Yin, C.; Bailey, C. Numerical simulation of the junction temperature, the coolant flow rate and the reliability of an IGBT module. In Proceedings of the 24th International Workshop on Thermal Investigations of ICs and Systems THERMINIC, Stockholm, Sweden, 26–28 September 2018; pp. 1–6. [Google Scholar]
- Górecki, K.; Górecki, P.; Zarębski, J. Measurements of parameters of the thermal model of the IGBT module. IEEE Trans. Instrum. Meas. 2019, 68, 4864–4875. [Google Scholar] [CrossRef]
- Górecki, P.; Górecki, K. Modelling dc characteristics of the IGBT module with thermal phenomena taken into account. In Proceedings of the 13th International Conference on Compatibility, Power Electronics and Power Engineering (CPE-POWERENG), Sonderborg, Denmark, 23–25 April 2019. [Google Scholar] [CrossRef]
- Górecki, K.; Zarębski, J.; Górecki, P.; Ptak, P. Compact thermal models of semiconductor devices—A review. Int. J. Electron. Telecommun. 2019, 65, 151–158. [Google Scholar] [CrossRef]
- PSI 25/06 Power Module, Data Sheet, PowerSem. Available online: https://www.powersem.net/IGBT_Modules/Ecoline/PSIG-PSI-PSSI-PSIS%2025-06.pdf (accessed on 7 November 2023).
- IR2110(S)PbF/IR2113(S)PbF High and Low Side Driver, International Rectifier, Data Sheet No. PD60147 rev.V. Available online: https://www.infineon.com/dgdl/Infineon-IR2110-DataSheet-v01_00-EN.pdf?fileId=5546d462533600a4015355c80333167e (accessed on 7 November 2023).
- Wilamowski, B.; Jager, R.C. Computerized circuit Analysis Using SPICE Programs; McGraw-Hill: New York, NY, USA, 1997. [Google Scholar]
- Ericson, R.; Maksimovic, D. Fundamentals of Power Electronics; Kluwer Academic Publisher: Norwell, MA, USA, 2001. [Google Scholar]
- Iqbal, M.T.; Maswood, A.I.; Tariq, M.; Iqbal, A.; Verma, V.; Urooj, S. A Detailed Full-Order Discrete-Time Modeling and Stability Prediction of the Single-Phase Dual Active Bridge DC-DC Converter. IEEE Access 2022, 10, 31868–31884. [Google Scholar] [CrossRef]
- Bryant, A.T.; Lu, L.; Santi, E.; Hudgins, J.L.; Palmer, P.R. Modeling of IGBT Resistive and Inductive Turn-On Behavior. IEEE Trans. Ind. Appl. 2008, 44, 904–914. [Google Scholar] [CrossRef]
- Jahdi, S.; Alatise, O.; Ran, L.; Mawby, P. Accurate Analytical Modeling for Switching Energy of PiN Diodes Reverse Recovery. IEEE Trans. Ind. Electron. 2015, 62, 1461–1470. [Google Scholar] [CrossRef]



















| Parameter | Module without Any Heat-Sink | Module on the Heat-Sink | ||||
|---|---|---|---|---|---|---|
| Rthk0 [K/W] | ck | bk [W] | Rthk0 [K/W] | ck | bk [W] | |
| RthT1 = RthT2 | 11.5 | 0.522 | 3.8 | 2.5 | 0.88 | 20 |
| RthD1 = RthD2 | 12 | 0.5 | 3.8 | 4 | 0.55 | 20 |
| RthT1T2 | 11.5 | 0.53 | 3.8 | 2.4 | 0.56 | 15 |
| RthT1D1 = RthT2D2 | 8 | 0.48 | 3.8 | 2.6 | 0.58 | 15 |
| RthD1D2 | 8.5 | 0.45 | 3.8 | 3 | 0.4 | 15 |
| RthT1D2 = RthT2D1 | 8 | 0.48 | 3.8 | 2.6 | 0.55 | 15 |
| RthT1Th = RthT2Th | 7.5 | 0.4 | 3.8 | 1.9 | 0.526 | 15 |
| RthD1Th = RthD2Th | 8.5 | 0.353 | 3.8 | 2 | 0.5 | 15 |
| Source | Taking into Account: | |||||
|---|---|---|---|---|---|---|
| Ambient Temperature | Self-Heating | Mutual Thermal Couplings | Rth(p) or Rth(T) | Thermal Inertia | Sub-Threshold Effect | |
| [12] | YES | YES | NO | NO | YES | NO |
| [31] | YES | YES | YES | YES | YES | NO |
| [34] | YES | YES | YES | NO | YES | YES |
| This article | YES | YES | YES | YES | YES | YES |
Disclaimer/Publisher’s Note: The statements, opinions and data contained in all publications are solely those of the individual author(s) and contributor(s) and not of MDPI and/or the editor(s). MDPI and/or the editor(s) disclaim responsibility for any injury to people or property resulting from any ideas, methods, instructions or products referred to in the content. |
© 2023 by the authors. Licensee MDPI, Basel, Switzerland. This article is an open access article distributed under the terms and conditions of the Creative Commons Attribution (CC BY) license (https://creativecommons.org/licenses/by/4.0/).
Share and Cite
Górecki, K.; Górecki, P. SPICE-Aided Nonlinear Electrothermal Modeling of an IGBT Module. Electronics 2023, 12, 4588. https://doi.org/10.3390/electronics12224588
Górecki K, Górecki P. SPICE-Aided Nonlinear Electrothermal Modeling of an IGBT Module. Electronics. 2023; 12(22):4588. https://doi.org/10.3390/electronics12224588
Chicago/Turabian StyleGórecki, Krzysztof, and Paweł Górecki. 2023. "SPICE-Aided Nonlinear Electrothermal Modeling of an IGBT Module" Electronics 12, no. 22: 4588. https://doi.org/10.3390/electronics12224588
APA StyleGórecki, K., & Górecki, P. (2023). SPICE-Aided Nonlinear Electrothermal Modeling of an IGBT Module. Electronics, 12(22), 4588. https://doi.org/10.3390/electronics12224588

