Next Article in Journal
Trajectory and Phase Shift Optimization for RIS-Equipped UAV in FSO Communications with Atmospheric and Pointing Error Loss
Previous Article in Journal
Lightweight Three-Dimensional Pose and Joint Center Estimation Model for Rehabilitation Therapy
 
 
Font Type:
Arial Georgia Verdana
Font Size:
Aa Aa Aa
Line Spacing:
Column Width:
Background:
Article

Proposed Adaptive Control Strategy of Modular Multilevel Converter Based on Virtual Synchronous Generator

1
School of Electrical Engineering, Northeast Electric Power University, Jilin 132012, China
2
Cangzhou Power Supply Branch, State Grid Hebei Electric Power Corporation, Cangzhou 061000, China
*
Author to whom correspondence should be addressed.
Electronics 2023, 12(20), 4274; https://doi.org/10.3390/electronics12204274
Submission received: 14 September 2023 / Revised: 12 October 2023 / Accepted: 13 October 2023 / Published: 16 October 2023

Abstract

:
In the context of weak grids, vector-controlled modular multilevel converters (MMC) suffer from issues such as low inertia, low damping, and poor system stability. To address these challenges, this paper proposes a control strategy for virtual synchronous generators (VSGs) based on a fuzzy logic control algorithm. The conFtrol strategy leverages the capability of fuzzy algorithms to handle the fuzziness and uncertainty of input signals, enabling adaptive control of the virtual inertia and damping coefficient of the VSG, thus empowering the system with autonomous frequency and voltage regulation capabilities. When the system deviates from or approaches the stable operating point, increasing or decreasing the virtual inertia allows for dynamic adjustment of the virtual inertia and damping coefficient in response to load fluctuations during MMC operation. Through simulation verification, it is demonstrated that the proposed control method provides inertia support to the system during sudden changes in active load during MMC grid-connected operation. This control method achieves adaptive adjustment of the virtual inertia and damping coefficient, effectively enhancing system stability. The simulation results validate the effectiveness and correctness of the proposed control strategy.

1. Introduction

Networked autonomous systems, such as power systems and mobile sensor networks, have become invaluable tools in various industrial and civil applications [1]. With the widespread application of renewable energy, distributed generation (DG) integration has become an essential component of power systems. However, the extensive integration of distributed generation into the grid poses significant challenges to the stability of the power system [2]. When integrated into the grid, frequent dynamic changes can result in voltage and frequency fluctuations, posing a threat to grid stability [3]. Voltage-Source-Converter-based High Voltage Direct Current (VSC-HVDC) transmission, also known as flexible DC transmission in China [4], is the key solution to address the abovementioned issues.
The modular multilevel converter is a commonly used type among VSCs. The MMC can generate high-quality voltage waveforms, reducing the need for harmonic filters. Its modular design enables fault-tolerant operation, improving system reliability [5,6]. Currently, in flexible DC transmission systems, the control strategy for MMC converters is mainly based on vector control. Vector control involves establishing a mathematical model in the dq coordinate system and implementing decoupled control of the MMC output current on the dq axis, thereby achieving independent control of active and reactive power output. The vector control primarily adopts a fixed-value control of DC voltage and power. While the system can effectively track the set power, it fails to achieve coordinated operation between the MMC and the AC side. When there are changes in the AC-side system, the MMC cannot respond to variations in AC system frequency and voltage. Therefore, vector control lacks the ability for autonomous frequency and voltage regulation. Moreover, MMCs based on vector control exhibit low inertia and low damping characteristics, which may pose risks such as disconnection from the grid, especially in weak electrical grid conditions [7].
The Virtual Synchronous Generator (VSG) technology is a clever solution to address the abovementioned issues [8]. By simulating the operation of a synchronous generator within the MMC, the VSG technology controls the output voltage and frequency of the MMC, providing inertia to the system and achieving synchronization with the grid, thereby improving grid stability and reliability. Furthermore, VSG technology enables frequency and voltage regulation in the MMC through active and reactive voltage control.
The MMC is a crucial component of flexible DC transmission, and its control methods are a research hotspot in this field. Reference [9] presents a control scheme for DC transmission systems similar to VSG technology. This scheme provides inertia and damping responses to both asynchronously interconnected AC systems, suppressing frequency variations and power oscillations. As the energy for an inertia response comes from the DC line capacitance, it does not affect the asynchronously interconnected AC systems. This scheme also exhibits good robustness to communication delays. References [10,11] propose an adaptive virtual inertia control method based on droop curve adjustment. This method calculates the droop coefficient or intercept of the droop curve in real time based on the dynamic changes in voltage and the voltage rate of change, providing inertia support to the system through fast oscillations or a translation of the droop curve.
In reference [12], a fuzzy scheduling algorithm is utilized to take into account multiple variables and constraints in microgrid systems, facilitating the flexible scheduling and optimization of the system. Fuzzy scheduling enables decision making in uncertain environments, allowing the system to adapt to changes and provide viable control strategies rapidly. However, the effectiveness of fuzzy scheduling and robust controllers greatly depends on the selection and adjustment of parameters. Extensive experimentation and optimization are necessary to determine the optimal parameter configurations, which can be time-consuming and computationally demanding. References [13,14] establish a functional relationship between bus voltage, the voltage rate of change, and virtual inertia based on the virtual capacitor and virtual DC motor, proposing an adaptive virtual inertia control strategy. Reference [15] improves system stability and control accuracy by introducing new control strategies and algorithms in addition to the existing virtual synchronous generator control strategy. However, this method requires complex system modeling and control, increasing the algorithmic complexity. In reference [16], an analysis method for the transient stability of VSGs widely applied in islanded AC microgrids is discussed. The proposed method combines the characteristics of traditional synchronous generators and inverter control, integrating VSGs with microgrid inverters to achieve coordinated stability and power control. However, the stability analysis in this method is based on established dynamic models, which may increase the complexity of model development and computational requirements for large-scale and complex microgrid systems, necessitating further optimization and validation. Reference [17] presents a novel control strategy for frequency stability in islanded microgrids using fractional-order virtual synchronous generators. Compared to traditional virtual synchronous generators, this method incorporates fractional-order differentiation and integration operations to enhance the dynamic response of the generators, offering improved flexibility and accuracy. However, further research and experimental validation are required to determine the feasibility and performance of this method in practical applications. Careful consideration of parameter selection and adjustment is necessary for different microgrid systems and operating conditions to achieve optimal frequency stability control. Reference [18] proposes a control concept that synthesizes an external (virtual) inertia under transient conditions to enhance grid stability. By introducing virtual inertia, additional stability support can be provided during system disturbances, aiding in the suppression of frequency deviations and voltage fluctuations. However, for the large-scale DG microgrid systems or complex grid structures, the design and optimization of virtual inertia control methods may become more challenging. Reference [19] investigates the effectiveness of using VSG controllers through multiple test cases, which helps validate the feasibility and performance of this method under different scenarios. However, the specific working principles and implementation details of this new controller are not explicitly described in the literature, limiting our understanding of its technical complexity and feasibility. Reference [20] proposes a control method that utilizes dynamic models of off-grid microgrids, considering multiple key factors such as load variations and the coordinated operation of multiple power sources within the microgrid. This approach allows for a more comprehensive assessment of the angular stability of the system. However, this method places high demands on computational resources, requiring real-time computations and extensive optimization, which may pose challenges in terms of hardware requirements for the controller.
In response to the abovementioned issues, this paper proposes a VSG control method based on a fuzzy logic algorithm to regulate the MMC. The system’s virtual inertia and damping coefficient are controlled through the fuzzy logic control (FLC) algorithm, enabling adaptive adjustment. This control method addresses the insufficient inertia during the grid-connected operation of the MMC by dynamically adjusting the system’s inertia and damping. Finally, a 23-level single-end MMC-HVDC system is constructed using Matlab R2016a/Simulink simulation software to validate the effectiveness of the proposed control strategy, followed by an analysis and explanation.
The rest of the paper is structured as follows: The analysis of the MMC-VSG control structure is given in Section 2. The controller design for the MMC-VSG control strategy based on a fuzzy logic algorithm is presented in Section 3. Simulations are provided in Section 4, and concluding remarks appear in Section 5.

2. Analysis of MMC-VSG Control Structure

2.1. Mathematical Model of the MMC Converter

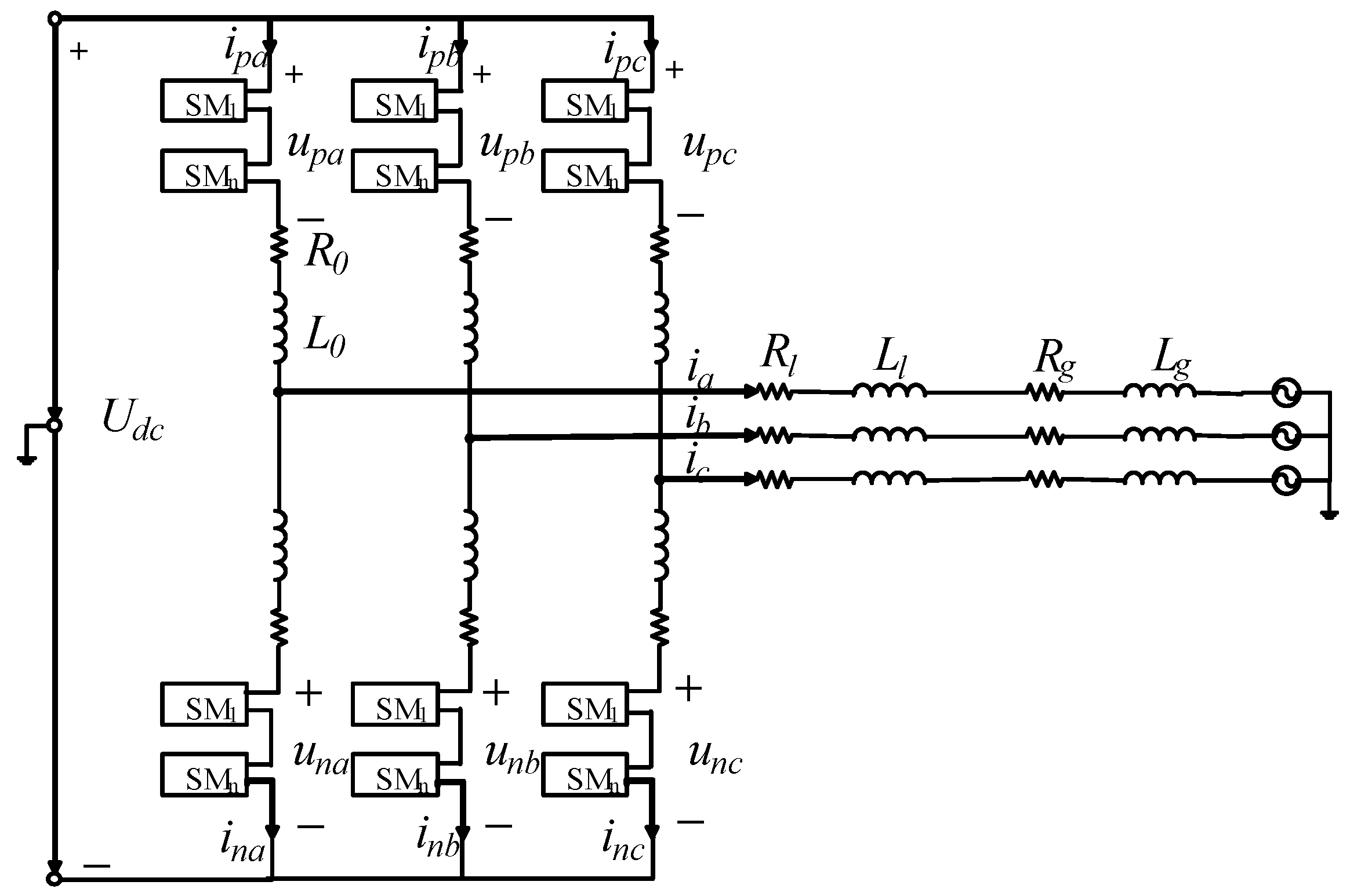
The circuit topology of the MMC during grid-connected operation is illustrated in Figure 1. It consists of half-bridge submodules denoted as SM1 to SMn. Udc represents the voltage at the DC side of the MMC. The variables ipj and inj (j = a, b, c) represent the currents in the upper and lower bridge arms, respectively. The variables upj and unj (j = a, b, c) represent the voltages across the upper and lower bridge arms, respectively. The variable ij (j = a, b, c) represents the phase currents outputted from the MMC valves. R0 represents the resistance of the bridge arm, while L0 represents the inductance of the bridge arm. Rg denotes the equivalent resistance of the AC grid, and Lg represents the equivalent inductance of the AC grid.
According to Kirchhoff’s voltage and current laws, writing down the KVL (Kirchhoff’s Voltage Law) and KCL (Kirchhoff’s Current Law) equations for the upper and lower arms of the bridge, we can obtain the following:
U dc 2 + u p j + L 0 d i p j d t + R 0 i p j + R l i p j + L l d i j d t + u j = 0
U dc 2 + u n j + L 0 d i n j d t + R 0 i n j + R l i n j + L l d i j d t + u j = 0
i j = i p j i n j
By combining (1) with (2) and then simultaneously solving them with (3), we obtain the following:
L d i j d t + R i j = e j * u j
In the equation, the symbol ej* is defined as the differential-mode voltage, and its expression is as follows:
e j * = u p j u n j 2
L = L l + L 0 2
R = R l + R 0 2

2.2. Application of Virtual Synchronous Generator in MMC Converter

For the analysis, assuming a perfectly smooth rotor surface and neglecting magnetic saturation phenomena and eddy current losses in the motor, the simplified expression for the terminal voltage of the synchronous motor’s three-phase stator winding is obtained as follows [21]:
u s j = R s i s j d Φ j d t = R s i s j L s d i s j d t + v j
v j = ω M f i f sin θ sin ( θ 2 π / 3 ) sin ( θ + 2 π / 3 )
In the equation, usj (j = a, b, c) represents the phase voltage, Rs represents the resistance of the stator winding, isj (j = a, b, c) represents the stator current, Mf represents the maximum value of the mutual inductance coefficient, and if represents the excitation current.
The rotor motion equation of the synchronous generator is expressed as follows (10) [22]:
J t d ω d t = T m T e D t ( ω ω 0 ) d θ d t = ω ω 0 T m = P m ω 0 T e = P e ω 0
In the equation, Dt represents the damping coefficient, Jt represents the moment of inertia, Tm represents the mechanical torque, Te represents the electromagnetic torque, Pe represents the electromagnetic power, Pm represents the mechanical power, ω represents the angular frequency, ω0 represents the rated angular frequency, and θ represents the electrical angle.
By comparing (4) with (8), the following corresponding relationships can be obtained:
u j = u s j e j * = v j L = L s R = R s i j = i s j
Based on the comparative analysis between the MMC system and synchronous machine system in reference [23], it is evident that the VSG can be applied in MMC grid-connected systems. By leveraging this technology, the stability and reliability of MMC grid-connected systems can be enhanced. The VSG technology primarily achieves the control effect of a synchronous generator by simulating and simplifying the electromagnetic and mechanical equations of a synchronous generator, as represented by Equations (8) and (10). The equivalent equations are shown as follows [19]:
L f d i j * d t + R f i j * = e j u j
J d ω d t = P m ω 0 P e ω 0 D ( ω ω 0 ) d θ d t = ω ω 0
In the equation, Lf represents the virtual inductance, Rf represents the virtual resistance, ij* represents the output current of the VSG, ej represents the modulation signal of the voltage in the VSG, uj represents the output voltage of the MMC, J represents the virtual inertia of the VSG, and D represents the virtual damping coefficient of the VSG. Due to the presence of J, the MMC exhibits inertia during dynamic processes. The effect of D allows the converter to possess the capability of damping power oscillations in the grid [24].
When the MMC converter is connected to a low-voltage power system, any changes in the load of the low-voltage power system can lead to issues such as frequency deviation or instability in the entire control system. Therefore, it is necessary to introduce active-power–frequency control. In this paper, a speed controller based on a synchronous motor is adopted, as shown below [25]:
P r e f P m = k ω ( ω ω 0 )
By substituting (14) into (13) and redefining the damping coefficient of the VSG, we obtain the following:
P r e f P e = J ω 0 d ω d t + D c ω 0 ( ω ω 0 )
Furthermore, to enable the VSG technology to better adapt to the MMC, it is necessary to refer to the excitation system of a synchronous generator for reactive power–voltage control. The expression is as follows [25]:
Q e Q r e f = K u ( U r e f U a b c )
In the equation, Ku represents the droop coefficient, Qe represents the measured reactive power at the point of common coupling (PCC), and Uabc represents the RMS value of the AC voltage.

2.3. Impact of Virtual Inertia and Damping Coefficient on VSG

The calculation method for the active and reactive power output of the MMC is given by (17) [24].
P = E U a b c cos ( θ δ ) Z 0 U a b c 2 cos θ Z 0 Q = E U a b c sin ( θ δ ) Z 0 U a b c 2 sin θ Z 0
In (17), Z0 and θ can be expressed as follows:
Z 0 = ( ω L ) 2 + R 2 θ = arctan ω L R
By combining (13), (17), and (18), the natural oscillation angular frequency, ωn, and damping ratio, ξ, of the second-order model can be obtained [26]:
ω n = E U J ω Z 0 ξ = 1 2 × D ω Z 0 J E U + K ω Z 0 J E U ω
In the equation, Kω represents the deviation coefficient.
From the structural analysis above, it can be concluded that the improved VSG retains the traditional VSG design for simulating and controlling rotor motion. The virtual inertia, J, and damping coefficient, D, are important parameters that influence the characteristics of the VSG. The virtual inertia reflects the response speed of the VSG to load changes. A larger virtual inertia implies a slower response speed of the VSG to load changes, while a smaller virtual inertia indicates a faster response speed to load variations. The damping coefficient reflects the damping characteristics of the VSG. A higher damping coefficient means stronger damping properties, enabling the VSG to quickly eliminate oscillations and maintain system stability. However, an excessively large damping coefficient can also reduce the response speed of the VSG, affecting its ability to respond to load changes. Therefore, in practical applications, appropriate values for virtual inertia and damping coefficient should be chosen based on actual conditions to achieve the stable operation of the VSG and ensure its ability to respond rapidly to load variations.
When 0 < ξ < 1 and the error is ±2%, the overshoot, σ, and settling time, ts, of the second-order system can be determined as follows [26]:
σ = e π ξ 1 ξ 2 t s = 4 ξ ω n
From (19) and (20), it can be observed that when the virtual inertia, J, remains constant, increasing the damping coefficient, D, leads to an increase in damping ratio, ξ, resulting in a decrease in overshoot, σ, and a reduction in the settling time, ts. Conversely, when the damping coefficient, D, remains constant, increasing the virtual inertia, J, decreases the damping ratio, ξ, resulting in an increase in overshoot, σ, and an increase in the settling time, ts. Hence, the overshoot of the active power output in the transient process of the improved VSG is determined jointly by J and D.
From (14), we can derive:
Δ ω = ω ω 0 = 1 D ( P m ω 0 P e ω 0 J d ω d t )
d ω d t = 1 J P m ω 0 P e ω 0 D ( ω ω 0 )
Let
M = P m ω 0 P e ω 0 J d ω d t
N = P m ω 0 P e ω 0 D ( ω ω 0 )
From (21) and (23), it can be observed that when M is constant, increasing the damping coefficient, D, leads to a smaller Δω. Additionally, from (22) and (24), it can be seen that as N increases and J becomes larger, /dt decreases. Therefore, adjusting the virtual inertia, J, and damping coefficient, D, can enhance the frequency stability of the system.

3. MMC-VSG Control Strategy Based on Fuzzy Logic Algorithm

Due to the significant uncertainty in power fluctuations when integrating distributed power sources into the MMC, the FLC algorithm exhibits strong adaptability. By designing and optimizing fuzzy rule sets and controllers, the FLC algorithm achieves performance optimization and parameter adaptation of the control system, enabling better adaptation to the variations and uncertainties during distributed power source integration. Moreover, the FLC algorithm enables quick decision making within a short period, improving microgrid control systems’ response speed and efficiency. Based on these advantages, this study employs the FLC algorithm for control and optimization. The proposed control strategy is illustrated in Figure 2.

3.1. Design of Fuzzy Controller for Virtual Inertia

From the analysis in Section 2.2, it is known that the VSG exhibits power angle and frequency oscillation curves similar to a synchronous generator, as shown in Figure 3:
The transient process of the system’s operation can be divided into four stages. In the initial state, the system operates at point a with an output power of P0 and ω0 as the rated value. When the system is disturbed, it oscillates in the order of a → b → c and c → b → a, finally stabilizing at point “b”. The variation of the system’s angular velocity corresponds to these four stages, as shown in Figure 4. In stage ①, ωω0 > 0 and /dt > 0, indicating that the system is away from the equilibrium point and the rotor offset increases. In stage ②, ωω0 > 0 and /dt < 0, indicating that the system approaches the equilibrium point and the rotor offset decreases. In stage ③, ωω0 < 0 and /dt < 0, the system behaves similarly to stage ①. In stage ④, ωω0 < 0 and /dt > 0, the system behaves similarly to stage ②. When the system is far from the equilibrium point and the rotor offset increases, the virtual inertia can be increased appropriately to reduce the rotor offset. When the system approaches the equilibrium point and the rotor offset decreases, the virtual inertia can be decreased appropriately to allow the rotor angular velocity to quickly recover to the steady-state value.
Based on the above analysis, the calculation for adaptive virtual inertia can be established as follows:
J = J 0 d ω / d t T J 0 + K a K J d ω / d t > T  
In the equation, KJ represents the virtual inertia compensation, Ka is the compensation adjustment coefficient, T is the frequency change rate threshold, and J0 is the initial rotational inertia of the system input, which can be set according to references [27,28].
In this study, a fuzzy algorithm is used to control the virtual inertia based on the change and rate of change of the rotor angular velocity. Seven fuzzy subsets are defined within the [−1, 1] fuzzy domain, namely {Positive Large, Positive Medium, Positive Small, Zero, Negative Small, Negative Medium, Negative Large}, denoted as {PA, PB, PC, O, NC, NB, NA}. O represents the “Zero” range, and its width mainly determines the oscillation amplitude of the steady-state error [29]. The membership functions for the virtual inertia set in this study are shown in Figure 5:
The input variables for the membership functions are the angular frequency difference (Δω = ωω0) and the rate of change of angular frequency, while the output variable is the adjustment value for the virtual inertia. The angular frequency difference, rate of angular frequency change, and adjustment value for the virtual inertia are defined using five triangular functions and two trapezoidal functions, which are then used to fuzzify the inputs. By combining the two input variables and representing them in an “if-then” format, a fuzzy rule base can be established. A total of 49 fuzzy rules can be determined, as shown in Table 1:
The fuzzy rule graph based on the aforementioned fuzzy rules is depicted in Figure 6:
After the fuzzy algorithm infers the corresponding fuzzy results based on the fuzzified input signals and the fuzzy rules from the rule base, the defuzzification process is used to map the fuzzy outputs to a definite adjustment value for virtual inertia as the output. Finally, in conjunction with Equation (25), real-time adjustment of virtual inertia is achieved.

3.2. Design of Fuzzy Controller for Damping Coefficient

From Section 2.3, it is known that when the virtual inertia is large, the improved VSG has a slower response speed, requiring more time to accelerate or decelerate, resulting in greater speed fluctuations and poorer system stability. This is in an inverse relationship with the stability and response speed of the VSG. On the other hand, the damping coefficient reflects the energy dissipation rate of the VSG. A larger damping coefficient indicates stronger damping characteristics, allowing the VSG to quickly eliminate oscillations and maintain system stability. However, an excessively large damping coefficient will also reduce the response speed of the VSG. Therefore, when the virtual inertia is large, it is appropriate to reduce the damping coefficient to accelerate the system’s response speed. Similarly, when the virtual inertia is small, it is appropriate to increase the damping coefficient. Based on this, the calculation for the adaptive damping coefficient can be established as follows:
D = D 0 + K b K D J < J 0 D 0 J = J 0 D 0 K b K D J > J 0
In the equation, D0 represents the initial damping coefficient of the system, KD is the damping coefficient compensation, and Kb is the proportional coefficient. The setting of corresponding parameters can be referred to in the literature [27,28].
Similarly, seven fuzzy subsets are defined within the [−1, 1] fuzzy domain, namely {Positive Large, Positive Medium, Positive Small, Zero, Negative Small, Negative Medium, Negative Large}, denoted as {PA, PB, PC, O, NC, NB, NA}. In this case, the input is the virtual inertia, and the output is the damping coefficient. The membership functions are defined as shown in Figure 7:
The membership functions for the virtual inertia and damping coefficient are defined using seven triangular functions each. By using input variables and formulating corresponding fuzzy rules in an “if-then” format, a fuzzy rule base can be established. The rule base consists of 14 fuzzy rules, as shown in Table 2:
From the aforementioned fuzzy rules, the fuzzy rule graph can be obtained, as shown in Figure 8:
Similarly, after applying the fuzzy algorithm and inferring the corresponding fuzzy output results, the defuzzification process is used to obtain the adjustment value for the damping coefficient. Finally, in conjunction with Equation (26), real-time adjustment of the damping coefficient is achieved.
Based on the above analysis, the overall fuzzy algorithm control block diagram for the system can be obtained, as shown in Figure 9:

4. Simulation Analysis

To validate the effectiveness of the proposed control strategy, this study constructed a 23-level single-ended MMC-HVDC system in Matlab/Simulink. The system was equipped with the aforementioned control strategy. The DC side was connected to a distributed power source with a voltage output of 11 kV, while the AC side operated at 6.6 kV. A variable-step solver, specifically ode23t, was selected for the simulation. The sampling time was set to 5 × 10−5 s. The modulation method employed was the lowest-level approximation, focusing primarily on the simulation and analysis of the MMC inverter station. The key simulation parameters are summarized in Table 3.
The simulation time is set to 3 s, and the traditional dual-loop control strategy is used as the control group. Under the initial state, the receiving end load is 2 MW. During stable operation, at 1.5 s, the receiving end load suddenly increases by 1 MW active power. The simulation results are as follows.
From Figure 10 and Figure 11, it can be observed that when the receiving end load suddenly increases at 1.5 s, under the traditional dual-loop control method, the output phase voltage and current both experience a step change at 1.5 s. This can cause a significant impact on the grid, and the voltage and current waveforms will exhibit distortion after stable operation. However, under the MMC-VSG adaptive control strategy based on the fuzzy algorithm, the output phase voltage and current do not experience a step change due to the inertia effect, and the output waveforms exhibit good quality, providing better protection for the grid. Through a fast Fourier transform (FFT) analysis, the total harmonic distortion (THD) values of the output phase voltage and current are 1.61% and 1.24%, respectively, meeting the requirements for grid connection. The specific analysis results are shown in Figure 12 and Figure 13.
By comparing Figure 14 and Figure 15, it can be observed that when the active power load at the receiving end abruptly increases to 3 MW at 1.5 s, the traditional dual-loop control strategy shows a sudden increase in the output active power from 2 MW, stabilizing at 3 MW by 1.583 s. The reactive power output also experiences a sudden increase and then restores to 0 MVar by 1.64 s, accompanied by the generation of significant harmonics.
In contrast, under the adaptive control strategy based on the fuzzy algorithm for MMC-VSG, when the load experiences a sudden increase, the system’s output active power does not undergo a sudden surge due to the inertia effect. Instead, it stabilizes at 3 MW by 1.56 s. The reactive power output, influenced by the inertia, increases from 0 MVar to 0.25 MVar and then returns to 0 MVar by 1.62 s. Comparing the two methods, the control approach proposed in this paper demonstrates a faster power response and maintains stability within a shorter period.
Under the MMC-VSG adaptive control strategy based on the fuzzy algorithm, the simulation results of the capacitor voltages and arm currents of the MMC inverter are shown in Figure 16 and Figure 17. It can be seen from the figures that the sorting effect of the capacitor voltages of each bridge arm is good, and the circulating current suppression effect is satisfactory. Through the FFT analysis, at t = 2 s, the THD value of the arm currents is only 2.17%, as shown in Figure 18.
Additionally, the simulation waveforms of the virtual inertia and damping coefficient are shown in Figure 19 and Figure 20. From the simulation waveforms, it can be observed that the simulation results are consistent with the theoretical analysis. When the active power load at the receiving end suddenly increases, the virtual inertia, J, increases, and at the same time, the damping coefficient, D, decreases appropriately. Both of them can adaptively adjust based on the actual operating conditions of the system.
Based on the above analysis, it can be concluded that when the receiving end load undergoes a sudden increase, under the proposed control strategy in this paper, the virtual inertia and damping coefficient work in synergy to prevent the output voltage and current from experiencing a step increase. This effectively enhances the stability of the grid operation and reduces the damages caused by insufficient inertia to the grid.

5. Conclusions

This paper proposes a fuzzy-logic-based MMC-VSG control strategy suitable for weak grids. The method effectively addresses the issue of insufficient inertia when integrating distributed power sources into the grid through MMCs. Using fuzzy algorithms, the virtual inertia and damping coefficient are obtained, allowing the control system to adaptively adjust based on the operating conditions. Through the simulation analysis, when the MMC converter operates in grid-connected mode and the system load changes, this control method can effectively suppress the output voltage and power fluctuations compared to traditional dual-loop control methods. It achieves an adaptive adjustment of the virtual inertia and damping coefficient, thus verifying the effectiveness of the proposed control strategy.
In the subsequent research, the authors plan to develop an adaptive control strategy for the MMC (modular multilevel converter) grid-connected system that does not rely on intelligent algorithms. By comparing and analyzing the simulation results of this paper with the simulation results obtained using the proposed control strategy, the authors will assess the limitations and advantages of both control strategies. The objective is to identify a more suitable adaptive control strategy for the MMC grid-connected system. Additionally, the authors will integrate real-world data and scenarios to simulate and validate the proposed strategy. When feasible, the authors will also conduct experimental verification to enhance the feasibility and practical significance of this research.

Author Contributions

Conceptualization, D.S. and L.L.; methodology, D.S.; software, D.S.; validation, D.S., X.W. and L.Z.; formal analysis, L.L.; investigation, L.Z.; resources, L.Z.; data curation, D.S.; writing—original draft preparation, D.S.; writing—review and editing, L.Z.; visualization, D.S.; supervision, X.W.; project administration, L.L. and X.W.; funding acquisition, L.Z. All authors have read and agreed to the published version of the manuscript.

Funding

This research was funded by the Key R&D project of Jilin Provincial Department of Science and Technology, grant number 20220203052SF, and the International Science and Technology Cooperation Project of Jilin Provincial Department of Science and Technology, grant number 20210402080GH.

Data Availability Statement

The data that support the findings of this study are not openly available due to sensitivity but are available from the corresponding author upon reasonable request.

Conflicts of Interest

The authors declare no conflict of interest.

References

  1. Fang, X.; Xie, L.; Li, X. Distributed Localization in Dynamic Networks via Complex Laplacian. Automatica 2023, 151, 110915. [Google Scholar] [CrossRef]
  2. Zhang, L.; Yan, K.; Leng, X.; Lü, L.; Cai, G. Research on Coordinated Control Strategy of an Autonomous DC Microgrid Based on SOC Droop Control. Power Syst. Prot. Control 2021, 49, 87–97. [Google Scholar] [CrossRef]
  3. Li, B.; Chen, M.; Zhong, H.; Ma, Z.; Liu, D. A Review of Long-Term Planning of New Power Systems with Large Share of Renewable Energy. Proc. CSEE 2023, 43, 555–581. [Google Scholar] [CrossRef]
  4. Xu, Z.; Chen, H. Review and Applications of VSC HVDC. High Volt. Eng. 2007, 33, 1–10. [Google Scholar] [CrossRef]
  5. Yang, T.; Shen, B. Review of Failure Mechanism and State Monitoring Technology for Modular Multilevel Converter IGBT Modules. Power Syst. Prot. Control 2023, 51, 174–187. [Google Scholar] [CrossRef]
  6. Liang, Y.; Wang, Y.; Ren, Y. High-Sensitivity Current Differential Protection for AC-Side Tie Line of MMC-HVDC Converter Station. Autom. Electr. Power Syst. 2022, 46, 163–172. [Google Scholar]
  7. Guo, X.; Li, Y.; Li, X. Control Strategy of Flexible HVDC Station Supplying Passive AC Line under Single Voltage Control Loop. Power Syst. Technol. 2023, 7, 1–10. [Google Scholar]
  8. Zhao, Y.; Pan, H.; Jiang, H. Review of Virtual Synchronous Generator Technology in the VSC-HVDC System. Electron. Electr. 2022, 8, 1–7. [Google Scholar]
  9. Shen, Z.; Zhu, J.; Li, B. Bilateral Inertia and Damping Emulation Control Scheme for VSC-HVDC Transmission Systems. High Volt. Eng. 2021, 47, 3505–3519. [Google Scholar] [CrossRef]
  10. Wang, H.; Zhao, S.; Meng, J.; Wang, C. Adaptive Virtual Inertia Control for DC Microgrid Based on Droop Curve Intercept Adjustment. Autom. Electr. Power Syst. 2021, 45, 97–105. [Google Scholar]
  11. Chen, D.; Xu, Y.; Huang, A.Q. Integration of DC Microgrids as Virtual Synchronous Machines Into the AC Grid. IEEE Trans. Ind. Electron. 2017, 64, 7455–7466. [Google Scholar] [CrossRef]
  12. Canciello, G.; Cavallo, A.; Cucuzzella, M.; Ferrara, A. Fuzzy Scheduling of Robust Controllers for Islanded DC Microgrids Applications. Int. J. Dyn. Control. 2019, 7, 690–700. [Google Scholar] [CrossRef]
  13. Zhang, X.; Li, H.; Fu, Y. Dynamic Stability Analysis and Self-Adaptive Voltage Inertia Control of DC Microgrids with Novel Virtual Machine. High Volt. Eng. 2021, 47, 2865–2874. [Google Scholar] [CrossRef]
  14. Zhang, H.; Liang, Y.; Sun, K.; Chen, H. Improved Virtual Capacitor Control Strategy of Multi-Port Isolated DC-DC Converter in DC Microgrid. Trans. China Electrotech. Soc. 2021, 36, 292–304. [Google Scholar] [CrossRef]
  15. Zheng, T.; Chen, L.; Chen, T.; Mei, S. Review and Prospect of Virtual Synchronous Generator Technologies. Autom. Electr. Power Syst. 2015, 39, 165–175. [Google Scholar] [CrossRef]
  16. Yuan, C.; Xie, P.; Yang, D.; Xiao, X. Transient Stability Analysis of Islanded AC Microgrids with a Significant Share of Virtual Synchronous Generators. Energies 2018, 11, 44. [Google Scholar] [CrossRef]
  17. Long, B.; Li, X.; Rodriguez, J.; Guerrero, J.M.; Chong, K.T. Frequency Stability Enhancement of an Islanded Microgrid: A Fractional-Order Virtual Synchronous Generator. Int. J. Electr. Power Energy Syst. 2023, 147, 108896. [Google Scholar] [CrossRef]
  18. El-Dabah, M.; Ibrahim, M.; El-Gazzar, M.; Othman, E. Stability Mitigation Of DG Based Electric Power Grids Using An Extrinsic Inertia. J. Multidiscip. Eng. Sci. Technol. 2015, 2, 2855–2859. [Google Scholar]
  19. El-dabah, M.A.; Akar, M.I.; El-Gazzar, M.M. Frequency Stability Enhancement of DG Based Power Systems Using a Novel Controller. Int. J. Eng. Innov. Technol. 2015, 4, 213–217. [Google Scholar]
  20. Geng, Q.; Sun, H.; Zhang, X.; Zhou, X. Angle Stability Enhancement of Off-Grid Microgrids Based on Model Predictive Control. Int. J. Electr. Power Energy Syst. 2022, 140, 108046. [Google Scholar] [CrossRef]
  21. Liu, K. Research on Virtual Synchronous Generator Control Strategy of MMC in Weak Grid. Master’s Thesis, Northeast Electric Power University, Jilin, China, 2021. [Google Scholar] [CrossRef]
  22. Du, Q. Research on Control Strategy of Virtual Synchronous Generator Based on MMC. Master’s Thesis, Beijing Jiaotong University, Beijing, China, 2019. [Google Scholar]
  23. Wang, X.; Lv, Z.; Wang, R.; Hui, X. Optimization Method and Stability Analysis of MMC Grid-Connect Control System Based on Virtual Synchronous Generator Technology. Electr. Power Syst. Res. 2020, 182, 106209. [Google Scholar] [CrossRef]
  24. Lü, Z.; Sheng, W.; Zhong, Q.; Liu, H.; Zeng, Z. Virtual Synchronous Generator and Its Applications in Micro-Grid. Proc. CSEE 2014, 34, 2591–2603. [Google Scholar] [CrossRef]
  25. Tang, M.; Liu, X. A Control Strategy for a Grid-Connected Virtual Synchronous Generator with Virtual Impedance. Energy Rep. 2023, 9, 132–142. [Google Scholar] [CrossRef]
  26. Zhang, L.; Fan, G.; Huang, N.; Lyu, L. Adaptive VSG Control Strategy for Interlinking Converter in an AC/DC Hybrid Microgrid. Power Syst. Prot. Control 2021, 49, 45–54. [Google Scholar] [CrossRef]
  27. Zhang, L.; Zheng, H.; Wan, T.; Shi, D.; Lyu, L.; Cai, G. An Integrated Control Algorithm of Power Distribution for Islanded Microgrid Based on Improved Virtual Synchronous Generator. IET Renew. Power Gener. 2021, 15, 2674–2685. [Google Scholar] [CrossRef]
  28. Chen, L.; Wang, R.; Zheng, T.; Guo, Y. Optimal Control of Transient Response of Virtual Synchronous Generator Based on Adaptive Parameter Adjustment. Proc. CSEE 2016, 36, 5724–5732. [Google Scholar] [CrossRef]
  29. Neves, R.V.A.; Machado, R.Q.; Oliveira, V.A.; Blaabjerg, F.; Wang, X. Fuzzy Secondary Controller for Autonomous Stand-Alone and Grid-Connected AC Microgrid. In Proceedings of the IECON 2016—42nd Annual Conference of the IEEE Industrial Electronics Society, Florence, Italy, 23–26 October 2016; pp. 7028–7033. [Google Scholar] [CrossRef]
Figure 1. The circuit topology of the MMC converter.
Figure 1. The circuit topology of the MMC converter.
Electronics 12 04274 g001
Figure 2. Overall system control block diagram.
Figure 2. Overall system control block diagram.
Electronics 12 04274 g002
Figure 3. VSG power–angle characteristic curve.
Figure 3. VSG power–angle characteristic curve.
Electronics 12 04274 g003
Figure 4. VSG regulation process.
Figure 4. VSG regulation process.
Electronics 12 04274 g004
Figure 5. Adaptive virtual moment of inertia membership; (a) angular frequency difference membership function; (b) angular frequency rate of change membership function; (c) virtual inertia adjustment value membership function.
Figure 5. Adaptive virtual moment of inertia membership; (a) angular frequency difference membership function; (b) angular frequency rate of change membership function; (c) virtual inertia adjustment value membership function.
Electronics 12 04274 g005
Figure 6. Virtual inertia fuzzy rule plot.
Figure 6. Virtual inertia fuzzy rule plot.
Electronics 12 04274 g006
Figure 7. Adaptive damping coefficient membership function; (a) Virtual inertia membership function; (b) Damping coefficient membership function.
Figure 7. Adaptive damping coefficient membership function; (a) Virtual inertia membership function; (b) Damping coefficient membership function.
Electronics 12 04274 g007
Figure 8. Adaptive damping coefficient fuzzy rule plot.
Figure 8. Adaptive damping coefficient fuzzy rule plot.
Electronics 12 04274 g008
Figure 9. Fuzzy algorithm control block diagram.
Figure 9. Fuzzy algorithm control block diagram.
Electronics 12 04274 g009
Figure 10. Output phase voltage waveform comparison graph; (a) basic double closed-loop control; (b) adaptive VSG control.
Figure 10. Output phase voltage waveform comparison graph; (a) basic double closed-loop control; (b) adaptive VSG control.
Electronics 12 04274 g010
Figure 11. Output phase current waveform comparison graph. (a) Basic double closed-loop control; (b) adaptive VSG control.
Figure 11. Output phase current waveform comparison graph. (a) Basic double closed-loop control; (b) adaptive VSG control.
Electronics 12 04274 g011
Figure 12. Output phase voltage FFT analysis results.
Figure 12. Output phase voltage FFT analysis results.
Electronics 12 04274 g012
Figure 13. Output phase current FFT analysis results.
Figure 13. Output phase current FFT analysis results.
Electronics 12 04274 g013
Figure 14. Output active power.
Figure 14. Output active power.
Electronics 12 04274 g014
Figure 15. Output reactive power.
Figure 15. Output reactive power.
Electronics 12 04274 g015
Figure 16. Bridge arm voltage waveform.
Figure 16. Bridge arm voltage waveform.
Electronics 12 04274 g016
Figure 17. Bridge arm current waveform.
Figure 17. Bridge arm current waveform.
Electronics 12 04274 g017
Figure 18. Bridge leg current FFT analysis result.
Figure 18. Bridge leg current FFT analysis result.
Electronics 12 04274 g018
Figure 19. Virtual inertia waveform.
Figure 19. Virtual inertia waveform.
Electronics 12 04274 g019
Figure 20. Damping coefficient waveform graph.
Figure 20. Damping coefficient waveform graph.
Electronics 12 04274 g020
Table 1. Fuzzy rule table of virtual inertia.
Table 1. Fuzzy rule table of virtual inertia.
ΔωPAPBPCONCNBNA
/dt
PAPAPBPBONBNBNA
PBPBPBPCONCNBNB
PCPBPCPCONCNCNB
OOOOOOOO
NCNBNCNCOPCPCPB
NBNBNBNCOPCPBPB
NANANBNBOPBPBPA
Table 2. Damping coefficient fuzzy rule table.
Table 2. Damping coefficient fuzzy rule table.
JPAPBPCONCNBNA
DNANBNCOPCPBPA
Table 3. Simulation main parameter table.
Table 3. Simulation main parameter table.
ParametersValue
AC-side voltage, Uac (Kv)6.6
Current loop regulation factor, Ki158.6
Current loop regulation factor, Kp13.9
Active power reference value, Pref (MW)2
Reactive power reference value, Qref (MVar)0
Load inductance, L1 (mH)13.6
Load resistance, R1 (Ω)0.59
Number of arm modules, n22
Bridge arm inductance, L0 (mH)0.0135
Virtual inertia initial, J0 (kg·m2)8
Initial value of the damping coefficient, D0 (N·m·s/rad)800
Rated AC frequency, fN (Hz)50
Angular frequency threshold, T0.1
Initial voltage of submodule, V0 (V)500
Submodule capacitance, C0 (mF)7
Disclaimer/Publisher’s Note: The statements, opinions and data contained in all publications are solely those of the individual author(s) and contributor(s) and not of MDPI and/or the editor(s). MDPI and/or the editor(s) disclaim responsibility for any injury to people or property resulting from any ideas, methods, instructions or products referred to in the content.

Share and Cite

MDPI and ACS Style

Shi, D.; Lv, L.; Wang, X.; Zhang, L. Proposed Adaptive Control Strategy of Modular Multilevel Converter Based on Virtual Synchronous Generator. Electronics 2023, 12, 4274. https://doi.org/10.3390/electronics12204274

AMA Style

Shi D, Lv L, Wang X, Zhang L. Proposed Adaptive Control Strategy of Modular Multilevel Converter Based on Virtual Synchronous Generator. Electronics. 2023; 12(20):4274. https://doi.org/10.3390/electronics12204274

Chicago/Turabian Style

Shi, Dao, Ling Lv, Xuesong Wang, and Liang Zhang. 2023. "Proposed Adaptive Control Strategy of Modular Multilevel Converter Based on Virtual Synchronous Generator" Electronics 12, no. 20: 4274. https://doi.org/10.3390/electronics12204274

APA Style

Shi, D., Lv, L., Wang, X., & Zhang, L. (2023). Proposed Adaptive Control Strategy of Modular Multilevel Converter Based on Virtual Synchronous Generator. Electronics, 12(20), 4274. https://doi.org/10.3390/electronics12204274

Note that from the first issue of 2016, this journal uses article numbers instead of page numbers. See further details here.

Article Metrics

Back to TopTop