Evaluation of Electromagnetic Exposure of the Human with a Coronary Stent Implant from an Electric Vehicle Wireless Power Transfer Device
Abstract
:1. Introduction
2. Models and Methods
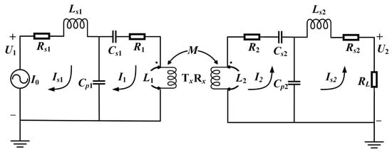
2.1. Electromagnetic Numerical Simulation Model of EV-WPT Device
2.2. Human Body and Implant Model
2.3. Calculation Method
3. Numerical Simulation Calculation and Discussion
4. Conclusions
Author Contributions
Funding
Data Availability Statement
Conflicts of Interest
References
- Mi, C.C.; Buja, G.; Choi, S.Y.; Rim, C.T. Modern advances in wireless power transfer systems for roadway powered electric vehicles. IEEE Trans. Ind. Electron. 2016, 31, 6533–6545. [Google Scholar] [CrossRef]
- Zhang, Z.; Pang, H.L.; Georgiadis, A.; Cecati, C. Wireless power transfer—An overview. IEEE Trans. Ind. Electron. 2019, 66, 1044–1058. [Google Scholar] [CrossRef]
- Campi, T.; Cruciani, S.; Maradei, F.; Feliziani, M. Near-Field Reduction in a Wireless Power Transfer System Using LCC Compensation. IEEE Trans. Electromagn. Compat. 2017, 59, 686–694. [Google Scholar] [CrossRef]
- Luo, Z.; Zhao, Y.; Xiong, M.; Wei, X.; Dai, H. A Self-Tuning LCC/LCC System Based on Switch-Controlled Capacitors for Constant-Power Wireless Electric Vehicle Charging. IEEE Trans. Ind. Electron. 2023, 70, 709–720. [Google Scholar] [CrossRef]
- Daga, A.; Miller, J.M.; Long, B.R.; Kacergis, R.; Schrafel, P.; Wolgemuth, J. Electric Fuel Pumps for Wireless Power Transfer: Enabling rapid growth in the electric vehicle market. IEEE Power Electron. Mag. 2017, 4, 24–35. [Google Scholar] [CrossRef]
- Yu, Q.; Lin, J.; Ma, X.; Li, B.; Xu, L.; Wang, T. Efficiency Optimization of Wireless Power Transfer System for Electric Vehicle Based on Improved Marine Predators Algorithm. IEEE Trans. Intell. Transp. Syst. 2023, 24, 7847–7858. [Google Scholar] [CrossRef]
- Geng, Y.; Guo, Q.; Yang, Z.; Lin, F.; Wang, Y. Design and Optimization of Real-time Strong Coupling Coil of Dynamic Wireless Power Transfer for Electrical Vehicle. IEEE Trans. Veh. Technol. 2023, 72, 11495–11504. [Google Scholar] [CrossRef]
- Brovont, A.D.; Aliprantis, D.; Pekarek, S.D.; Vickers, C.J.; Mehar, V. Magnetic Design for Three-Phase Dynamic Wireless Power Transfer with Constant Output Power. IEEE Trans. Energy Convers. 2023, 38, 1481–1484. [Google Scholar] [CrossRef]
- Wang, Q.; Li, W.; Kang, J.; Wang, Y. Electromagnetic safety of magnetic resonant wireless charging system in electric vehicles. In Proceedings of the IEEE PELS Workshop on Emerging Technologies, Chongqing, China, 20–22 May 2017. [Google Scholar]
- Laakso, I.; Hirata, A. Evaluation of the induced electric field and compliance procedure for a wireless power transfer system in an electrical vehicle. Phys. Med. Biol. 2013, 58, 7583–7593. [Google Scholar] [CrossRef]
- International Commission on Non–Ionizing Radiation Protection (ICNIRP). Guidelines for limiting exposure to time–varying electric and magnetic fields (1 Hz to 100 kHz). Health Phys. 2010, 99, 818–836. [Google Scholar] [CrossRef]
- International Commission on Non–Ionizing Radiation Protection (ICNIRP). Guidelines for limiting exposure to time–varying electric and magnetic fields (100 kHz to 300 GHz). Health Phys. 2020, 118, 483–524. [Google Scholar] [CrossRef]
- Mumtaz, S.; Rana, J.N.; Choi, E.H.; Han, I. Microwave Radiation and the Brain: Mechanisms, Current Status, and Future Prospects. Int. J. Mol. Sci. 2022, 23, 9288. [Google Scholar] [CrossRef] [PubMed]
- Shimamoto, T.; Laakso, I.; Hirata, A. In-situ electric fifield in human body model in different postures for wireless power transfer system in an electrical vehicle. Phys. Med. Biol. 2015, 60, 163–173. [Google Scholar] [CrossRef] [PubMed]
- Park, S. Evaluation of Electromagnetic Exposure During 85 kHz Wireless Power Transfer for Electric Vehicles. IEEE Trans. Magn. 2018, 54, 1–8. [Google Scholar] [CrossRef]
- Perpétuo, L.; Barros, A.S.; Dalsuco, J.; Nogueira-Ferreira, R.; Resende-Gonçalves, P.; Falcão-Pires, I.; Ferreira, R.; Leite-Moreira, A.; Trindade, F.; Vitorino, R. Coronary Artery Disease and Aortic Valve Stenosis: A Urine Proteomics Study. Int. J. Mol. Sci. 2022, 23, 13579. [Google Scholar] [CrossRef]
- Lan, Y.; Zhou, Y.; Lu, Y.; Wang, H.; Liu, Q.; Ng, E.Y.K.; Peng, Y.; Hao, Y.; Liu, Q.; Chen, F.; et al. A Nine Months Follow-up Study of Hemodynamic Effect on Bioabsorbable Coronary Stent Implantation. IEEE Access 2019, 7, 112564–112571. [Google Scholar] [CrossRef]
- Li, D.; Zheng, J.; Liu, Y.; Pan, C.; Kainz, W.; Yang, F.; Wu, W.; Chen, J. An Efficient Approach to Estimate MRI RF Field Induced In Vivo Heating for Small Medical Implants. IEEE Trans. Electromagn. Compat. 2015, 57, 643–650. [Google Scholar] [CrossRef]
- Iqbal, A.; Al-Hasan, M.; Mabrouk, I.B.; Basir, A.; Nedil, M.; Yoo, H. Biotelemetry and Wireless Powering of Biomedical Implants Using a Rectifier Integrated Self-Diplexing Implantable Antenna. IEEE Trans. Microw. Theory Tech. 2021, 69, 3438–3451. [Google Scholar] [CrossRef]
- Shah, I.A.; Basir, A.; Cho, Y.; Yoo, H. Safety Analysis of Medical Implants in the Human Head Exposed to a Wireless Power Transfer System. IEEE Trans. Electromagn. Compat. 2022, 64, 640–649. [Google Scholar] [CrossRef]
- Shah, I.A.; Yoo, H. Assessing Human Exposure with Medical Implants to Electromagnetic Fields from a Wireless Power Transmission System in an Electric Vehicle. IEEE Trans. Electromagn. Compat. 2020, 62, 338–345. [Google Scholar] [CrossRef]
- Wireless Power Transfer for Light-Duty Plug-In/Electric Vehicles and Alignment Methodology, International Standard SAE J2954. 2019. Available online: https://www.sae.org/standards/content/j2954_201904/ (accessed on 28 May 2023).
- Campi, T.; Cruciani, S.; Maradei, F.; Feliziani, M. Magnetic Field during Wireless Charging in an Electric Vehicle According to Standard SAE J2954. Energies 2019, 12, 1795. [Google Scholar] [CrossRef]
- Kan, T.; Nguyen, T.D.; White, J.C.; Malhan, R.K.; Mi, C.C. A New Integration Method for an Electric Vehicle Wireless Charging System Using LCC Compensation Topology: Analysis and Design. IEEE Trans. Power Electron. 2017, 32, 1638–1650. [Google Scholar] [CrossRef]
- Bevacqua, M.T.; Bellizzi, G.G.; Crocco, L.; Isernia, T. A method for quantitative imaging of electrical properties of human tissues from only amplitude electromagnetic data. Inverse Probl. 2019, 35, 025006. [Google Scholar] [CrossRef]
- Wang, T.; Yu, Q.; Li, B.; Lv, G.; Wu, Y.; Guan, S. Uncertainty Quantification of Human Electromagnetic Exposure from Electric Vehicle Wireless Power Transfer System. IEEE Trans. Intell. Transp. Syst. 2023, 24, 8886–8896. [Google Scholar] [CrossRef]
- Wang, W.; Poh, C.K. Titanium alloys in orthopaedics. In Titanium Alloys: Advances in Properties Control; InTech: Rijeka, Croatia, 2013. [Google Scholar]
- Christ, A.; Douglas, M.; Nadakuduti, J.; Kuster, N. Assessing Human Exposure to Electromagnetic Fields from Wireless Power Transmission Systems. Proc. IEEE 2013, 101, 1482–1493. [Google Scholar] [CrossRef]














| σ (s/m) | εr | |
|---|---|---|
| Skin | 0.20 | 1121 |
| Fat | 0.025 | 79 |
| Muscle | 0.27 | 5400 |
| Bone | 0.02 | 234 |
| Lung | 0.1 | 2888 |
| Heart | 0.21 | 11,137 |
| WPT Device Power/Body Posture | Induced E-fieldmax for Humans without Implants (V/m) | Induced E-fieldmax for Humans with Implants (V/m) |
|---|---|---|
| 11 kW/human sitting | 0.027 | 0.677 |
| 11 kW/human standing | 0.061 | 1.292 |
| 22 kW/human sitting | 0.037 | 0.989 |
| 22 kW/human standing | 0.083 | 1.758 |
Disclaimer/Publisher’s Note: The statements, opinions and data contained in all publications are solely those of the individual author(s) and contributor(s) and not of MDPI and/or the editor(s). MDPI and/or the editor(s) disclaim responsibility for any injury to people or property resulting from any ideas, methods, instructions or products referred to in the content. |
© 2023 by the authors. Licensee MDPI, Basel, Switzerland. This article is an open access article distributed under the terms and conditions of the Creative Commons Attribution (CC BY) license (https://creativecommons.org/licenses/by/4.0/).
Share and Cite
Wang, T.; Li, B.; Zhao, K.; Yu, Q.; Xu, L.; Chi, Y.; Guan, S. Evaluation of Electromagnetic Exposure of the Human with a Coronary Stent Implant from an Electric Vehicle Wireless Power Transfer Device. Electronics 2023, 12, 4231. https://doi.org/10.3390/electronics12204231
Wang T, Li B, Zhao K, Yu Q, Xu L, Chi Y, Guan S. Evaluation of Electromagnetic Exposure of the Human with a Coronary Stent Implant from an Electric Vehicle Wireless Power Transfer Device. Electronics. 2023; 12(20):4231. https://doi.org/10.3390/electronics12204231
Chicago/Turabian StyleWang, Tianhao, Bo Li, Kaifeng Zhao, Quanyi Yu, Linlin Xu, Yaodan Chi, and Shanshan Guan. 2023. "Evaluation of Electromagnetic Exposure of the Human with a Coronary Stent Implant from an Electric Vehicle Wireless Power Transfer Device" Electronics 12, no. 20: 4231. https://doi.org/10.3390/electronics12204231
APA StyleWang, T., Li, B., Zhao, K., Yu, Q., Xu, L., Chi, Y., & Guan, S. (2023). Evaluation of Electromagnetic Exposure of the Human with a Coronary Stent Implant from an Electric Vehicle Wireless Power Transfer Device. Electronics, 12(20), 4231. https://doi.org/10.3390/electronics12204231

