Classification of Optoelectronic Rotary Encoder Faults Based on Deep Learning Methods in Permanent Magnet Synchronous Motor Drive System
Abstract
:1. Introduction
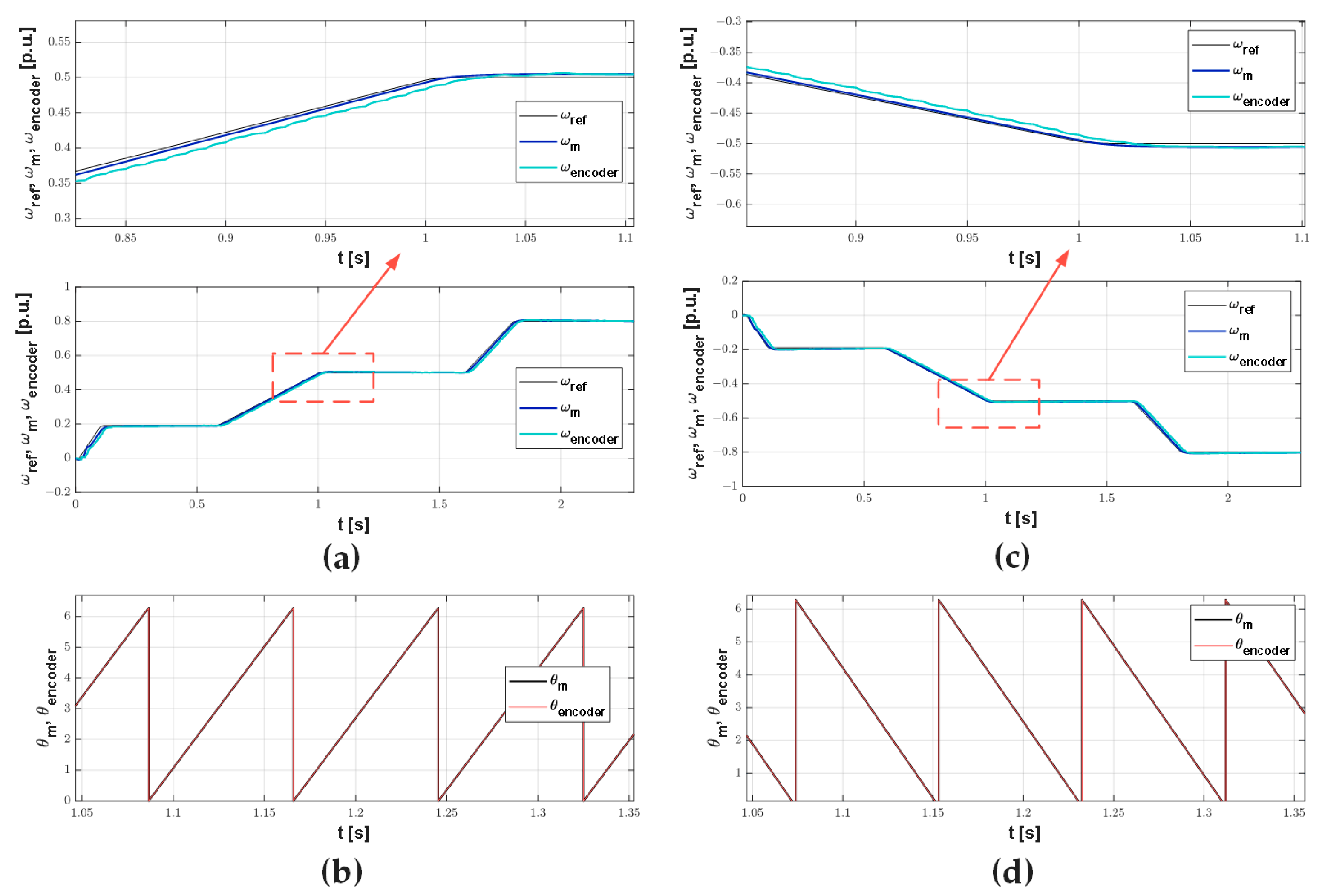
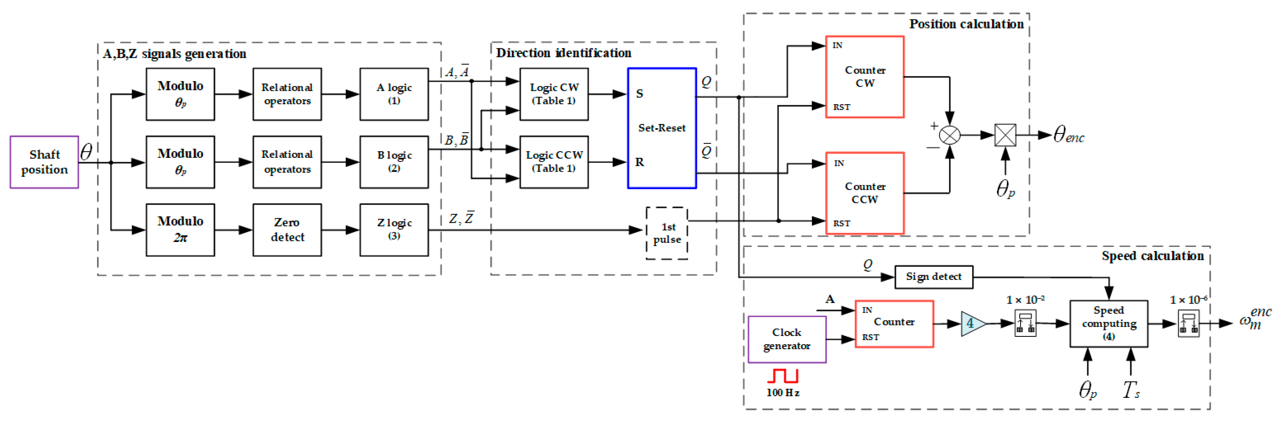
2. Optoelectronic Encoder Model
2.1. Modeling of the Optoelectronic Encoder in Simulink
- –
- A, B, Z signal generation block (1–3);
- –
- Position determination block (4);
- –
- Speed determination block (5);
- –
- Direction identification block based on logic presented in Table 1.

- —encoder graduation based on encoder resolution 3600;
- —number of counted impulses.
- —encoder graduation based on encoder resolution 3600;
- —number of counted impulses in a defined period;
- —encoder sampling period.
2.2. Fault Simulation with the Use of a Developed Encoder Model
3. Speed Sensor Fault Detection and Classification Mechanism
3.1. Fault Detection Mechanism Based on Model Reference Adaptive System
- , —measured and estimated currents in d-q coordinates;
- —magnetic flux;
- —stator inductance;
- —stator resistance;
- , —voltages in d-q coordinates;
- , —measured and estimated electrical speed.
3.2. DNN Structures Used in Research
- Fully connected layers—layers responsible for multiplying the input signals by appropriate weights and adding biases—operation similar to multilayer perceptron’s;
- Batch normalization layers—responsible for the standardization of the input vector to each mini-batch. The main purpose of using a layer is to stabilize the training process;
- ReLU layers—non-linear activation function defined as
- Softmax layer—is responsible for transforming the output vector so that the sum of the individual elements is 1. Softmax converts output values to a probability by first taking it to an exponential and then dividing by the summed exponential all the elements in the original output vector. The operation on a particular element is as follows:
- —individual vector element;
- —number of output vector elements.
- Classification layer—the cross-entropy loss for classification is computed in this layer for elements determined in the classification layer, which occurs before.
- Convolutional layers—layers containing filters whose parameters are selected during the learning process. Before the training process, the size of the filters is defined;
- Batch normalization layers;
- ReLu layers;
- Maxpooling layers—operation consisting of selecting the largest element from the feature map, covered by filters;
- Fully connected layer;
- Softmax layer;
- Classification layer.
3.3. Inputs and Outputs of DNN Classifiers
3.4. Training Process of DNN Classifiers
4. Simulation Results
5. Experimental Results
6. Conclusions
- –
- The simulation of pulse loss using the encoder model confirms that such damage partially causes an effect similar to measurement noise;
- –
- The use of deep neural networks improves the efficiency of damage classification in relation to shallow neural networks—both for training and testing data, for each of the analyzed damage types, the MLP is less effective than any of the DNN classifiers;
- –
- The use of deep neural networks with convolutional layers makes it possible to obtain higher efficiency in classifying optoelectronics encoder faults—a lower result than the classifier without convolutional layers was obtained only for the scaling error classification in experimental studies (lower by 5%);
- –
- Despite the high fit to the training data (nearly 100% Training Accuracy), the classifiers show flexibility in operation on unknown samples;
- –
- Scaling error is the fault most difficult to detect at low speeds, while pulse loss is more difficult to recognize during the entire duration. In addition, as the resolution of the encoder increases, it is less noticeable.
Author Contributions
Funding
Institutional Review Board Statement
Informed Consent Statement
Data Availability Statement
Conflicts of Interest
References
- Chen, Z.; Liang, K.; Peng, T.; Wang, Y. Multi-Condition PMSM Fault Diagnosis Based on Convolutional Neural Network Phase Tracker. Symmetry 2022, 14, 295. [Google Scholar] [CrossRef]
- Laadjal, K.; Bento, F.; Henriques, K.; Cardoso, A.J.M.; Sahraoui, M. A Novel Indicator-Based Online Diagnostics Technique of Interturn Short-Circuit Faults in Synchronous Reluctance Machines. IEEE J. Emerg. Sel. Top. Power Electron. 2023, 11, 3492–3501. [Google Scholar] [CrossRef]
- Assoun, I.; Idkhajine, L.; Nahid-Mobarakeh, B.; Meibody-Tabar, F.; Monmasson, E.; Pacault, N. Wide-Speed Range Sensorless Control of Five-Phase PMSM Drive under Healthy and Open Phase Fault Conditions for Aerospace Applications. Energies 2023, 16, 279. [Google Scholar] [CrossRef]
- Skowron, M.; Orlowska-Kowalska, T.; Kowalski, C.T. Diagnosis of Stator Winding and Permanent Magnet Faults of PMSM Drive Using Shallow Neural Networks. Electronics 2023, 12, 1068. [Google Scholar] [CrossRef]
- Attaianese, C.; D’Arpino, M.; Monaco, M.D.; Di Noia, L.P. Modeling and Detection of Phase Current Sensor Gain Faults in PMSM Drives. IEEE Access 2022, 10, 80106–80118. [Google Scholar] [CrossRef]
- Pietrzak, P.; Wolkiewicz, M.; Orlowska-Kowalska, T. PMSM Stator Winding Fault Detection and Classification Based on Bispectrum Analysis and Convolutional Neural Network. IEEE Trans. Ind. Electron. 2023, 70, 5192–5202. [Google Scholar] [CrossRef]
- Siddiqui, K.M.; Bakhsh, F.I.; Ahmad, R.; Solanki, V. Advanced Signal Processing Based Condition Monitoring of PMSM for Stator-inter Turn Fault. In Proceedings of the 2021 IEEE 8th Uttar Pradesh Section International Conference on Electrical, Electronics and Computer Engineering (UPCON), Dehradun, India, 8–10 November 2021; pp. 1–4. [Google Scholar] [CrossRef]
- Canseven, H.T.; Ünsal, A. Performance Improvement of Fault-Tolerant Control for Dual Three-Phase PMSM Drives Under Inter-Turn Short Circuit Faults. In Proceedings of the IECON 2021—47th Annual Conference of the IEEE Industrial Electronics Society, Toronto, ON, Canada, 20–23 October 2021; pp. 1–5. [Google Scholar] [CrossRef]
- Ullah, Z.; Lodhi, B.A.; Hur, J. Detection and Identification of Demagnetization and Bearing Faults in PMSM Using Transfer Learning-Based VGG. Energies 2020, 13, 3834. [Google Scholar] [CrossRef]
- Ahani, H.; Izadi, V. Detection of Different Bearing Faults in a Permanent Magnet Synchronous Motor using PWT and LVQNN. In Proceedings of the 2020 XI National Conference with International Participation (ELECTRONICA), Sofia, Bulgaria, 14–15 May 2020; pp. 1–4. [Google Scholar] [CrossRef]
- Ye, M.; Zhang, J.; Yang, J. Bearing Fault Diagnosis under Time-Varying Speed and Load Conditions via Observer-Based Load Torque Analysis. Energies 2022, 15, 3532. [Google Scholar] [CrossRef]
- Gmati, B.; Jlassi, I.; Khojet El Khil, S.; Marques Cardoso, A.J. Open-switch fault diagnosis in voltage source inverters of PMSM drives using predictive current errors and fuzzy logic approach. IET Power Electron. 2021, 14, 1059–1072. [Google Scholar] [CrossRef]
- Chen, T.; Pan, Y.; Xiong, Z. A Hybrid System Model-Based Open-Circuit Fault Diagnosis Method of Three-Phase Voltage-Source Inverters for PMSM Drive Systems. Electronics 2020, 9, 1251. [Google Scholar] [CrossRef]
- Jiang, C.; Liu, H.; Wheeler, P.; Wu, F.; Cai, Z.; Huo, J. A Novel Open-Circuit Fault Detection and Location for Open-End Winding PMSM Based on Differential-Mode Components. IEEE Trans. Ind. Electron. 2022, 69, 7776–7786. [Google Scholar] [CrossRef]
- Zhang, G.; Wang, G.; Wang, G.; Huo, J.; Zhu, L.; Xu, D. Fault Diagnosis Method of Current Sensor for Permanent Magnet Synchronous Motor Drives. In Proceedings of the 2018 International Power Electronics Conference (IPEC-Niigata 2018—ECCE Asia), Niigata, Japan, 20–24 May 2018; pp. 1206–1211. [Google Scholar]
- Shen, Q.; Yue, C.; Goh, C.H.; Wang, D. Active Fault-Tolerant Control System Design for Spacecraft Attitude Maneuvers with Actuator Saturation and Faults. IEEE Trans. Ind. Electron. 2019, 66, 3763–3772. [Google Scholar] [CrossRef]
- Bensalem, Y.; Kouzou, A.; Abbassi, R.; Jerbi, H.; Kennel, R.; Abdelrahem, M. Sliding-Mode-Based Current and Speed Sensors Fault Diagnosis for Five-Phase PMSM. Energies 2022, 15, 71. [Google Scholar] [CrossRef]
- Hezzi, A.; Abdelkrim, M.N.; Elghali, S.B. Robust Active Fault Tolerant Control for Five-Phase PMSM against Speed Sensor Failures. In Proceedings of the 2021 18th International Multi-Conference on Systems, Signals & Devices (SSD), Monastir, Tunisia, 22–25 March 2021; pp. 575–579. [Google Scholar] [CrossRef]
- Bouakoura, M.; Naăźt-Saăźd, N.; Nait-Said, M.-S. Speed sensor faults diag-348 nosis in an induction motor vector controlled drive. Acta Electrotech. Et Inform. 2017, 17, 49–51. [Google Scholar] [CrossRef]
- Kommuri, S.K.; Defoort, M.; Karimi, H.R.; Veluvolu, K.C. A Robust Observer-Based Sensor Fault-Tolerant Control for PMSM in Electric Vehicles. IEEE Trans. Ind. Electron. 2016, 63, 7671–7681. [Google Scholar] [CrossRef]
- Ben Slimen, S.; Bourogaoui, M.; Sethom, H.B.A. A New Approach for Effective Position/Speed Sensor Fault Detection in PMSM Drives. In Electrimacs Lecture Notes in Electrical Engineering; Zamboni, W., Petrone, G., Eds.; Springer: Cham, Switzerland, 2019; Volume 615. [Google Scholar]
- Zhao, H.; Luo, P.; Wang, N.; Zheng, Z.; Wang, Y. Fuzzy logic control of the fault-tolerant PMSM servo system based on MRAS observer. In Proceedings of the 2018 Chinese Control and Decision Conference (CCDC), Shenyang, China, 9–11 June 2018; pp. 1812–1817. [Google Scholar]
- Bourogaoui, M.; Jlassi, I.; El Khil, S.K.; Sethom, H.B.A. An effective encoder fault detection in PMSM drives at different speed ranges. In Proceedings of the 2015 IEEE 10th International Symposium on Diagnostics for Electrical Machines, Power Electronics and Drives (SDEMPED), Guarda, Portugal, 1–4 September 2015; pp. 90–96. [Google Scholar]
- Maulik, S.; Konar, P.; Chattopadhyay, P. Stator Current Based Multi-Class Fault Diagnosis of Three Phase Induction Motor using Machine Learning Framework. In Proceedings of the 2022 IEEE 6th International Conference on Condition Assessment Techniques in Electrical Systems (CATCON), Durgapur, India, 17–19 December 2022; pp. 225–229. [Google Scholar] [CrossRef]
- Skowron, M.; Orlowska-Kowalska, T.; Kowalski, C.T. Detection of Permanent Magnet Damage of PMSM Drive Based on Direct Analysis of the Stator Phase Currents Using Convolutional Neural Network. IEEE Trans. Ind. Electron. 2022, 69, 13665–13675. [Google Scholar] [CrossRef]
- Jung, H.; Choi, S.; Lee, B. Rotor Fault Diagnosis Method Using CNN-Based Transfer Learning with 2D Sound Spectrogram Analysis. Electronics 2023, 12, 480. [Google Scholar] [CrossRef]
- Kim, M.; Jung, J.H.; Ko, J.U.; Kong, H.B.; Lee, J.; Youn, B.D. Direct Connection-Based Convolutional Neural Network (DC-CNN) for Fault Diagnosis of Rotor Systems. IEEE Access 2020, 8, 172043–172056. [Google Scholar] [CrossRef]
- Eren, L.; Ince, T.; Kiranyaz, S. A Generic Intelligent Bearing Fault Diagnosis System Using Compact Adaptive 1D CNN Classifier. J. Sign. Process Syst. 2019, 91, 179–189. [Google Scholar] [CrossRef]
- Pham, M.-T.; Kim, J.-M.; Kim, C.-H. 2D CNN-Based Multi-Output Diagnosis for Compound Bearing Faults under Variable Rotational Speeds. Machines 2021, 9, 199. [Google Scholar] [CrossRef]
- Dybkowski, M.; Klimkowski, K. Artificial Neural Network Application for Current Sensors Fault Detection in the Vector Controlled Induction Motor Drive. Sensors 2019, 19, 571. [Google Scholar] [CrossRef] [PubMed]
- Skowron, M.; Teler, K.; Adamczyk, M.; Orlowska-Kowalska, T. Classification of Single Current Sensor Failures in Fault-Tolerant Induction Motor Drive Using Neural Network Approach. Energies 2022, 15, 6646. [Google Scholar] [CrossRef]
- Jankowska, K.; Dybkowski, M. Experimental Analysis of the Current Sensor Fault Detection Mechanism Based on Neural Networks in the PMSM Drive System. Electronics 2023, 12, 1170. [Google Scholar] [CrossRef]
- Jankowska, K.; Dybkowski, M.; Petro, V.; Kyslan, K. Classification of Speed Sensor Faults Based on Shallow Neural Networks. Appl. Sci. 2023, 13, 7263. [Google Scholar] [CrossRef]
- Klimkowski, K.; Dybkowski, M. Concept of the speed sensor faults detector for DFOC drive based on the neural network. Comput. Appl. Electr. Eng. 2015, 13, 340–351. [Google Scholar]
- Incze, I.I.; Negrea, A.C.; Imecs, M.; Szabo, C. Incremental encoder based position and speed identification: Modeling and simulation. Acta Univ. Sapientiae Elect. Mech. Eng. 2010, 2, 27–39. [Google Scholar]
- Incze, J.J.; Szabó, C.; Imecs, M. Modeling and simulation of an incremental encoder used in electrical drives. In Proceedings of the 10th International Symposium of Hungarian Researchers on Computational Intelligence and Informatics, Budapest, Hungary, 25–26 March 2009; pp. 97–109. [Google Scholar]
- Kevin, M.; Lynch, N.M.; Matthew, E.L. Chapter 21—Sensors, Embedded Computing and Mechatronics with the PIC32; Newnes: Oxford, UK, 2016; pp. 317–340. ISBN 9780124201651. [Google Scholar] [CrossRef]
- Pop, A.A. Incremental Encoder Speed Acquisition Using an STM32 Microcontroller and NI ELVIS. Sensors 2022, 22, 5127. [Google Scholar] [CrossRef]
- Skowron, M.; Orlowska-Kowalska, T.; Wolkiewicz, M.; Kowalski, C.T. Convolutional Neural Network-Based Stator Current Data-Driven Incipient Stator Fault Diagnosis of Inverter-Fed Induction Motor. Energies 2020, 13, 1475. [Google Scholar] [CrossRef]




















| From CCW to CW Logic | From CW to CCW Logic | ||
|---|---|---|---|
| A | B | A | B |
| 0 | 0→1 | 0→1 | 0 |
| 0→1 | 1 | 0 | 1→0 |
| 1→0 | 0 | 1 | 0→1 |
| 1 | 1→0 | 1→0 | 1 |
| Input | Experimental Studies | Simulation Studies | Description |
|---|---|---|---|
| Reference speed value. | |||
| Measured speed value in actual sample. | |||
| The error between measured and estimated speed values in previous samples. | |||
| Measured and estimated q-axis current value in actual sample. | |||
| The error between measured and estimated q-axis current value in previous samples. |
| PN (kW) | Pp (-) | nN (rpm) | TN (Nm) | IN (A) | J (kg·m2) | RS (Ω) |
|---|---|---|---|---|---|---|
| 0.894 | 4 | 6200 | 1.4 | 1.9 | 0.000039 | 4.6615 |
| Feature | Training Data | Testing Data |
|---|---|---|
| Number of samples | 16,000,002 | 10,400,002 |
| Speed values | ±0.2ωref, ±0.5ωref, ±0.9ωref | ±0.3ωref, ±0.7ωref |
| Feature | Training Data | Testing Data |
|---|---|---|
| Number of samples | 1,260,162 | 840,096 |
| Speed values | ±0.1ωref, ±0.2ωref, ±0.35ωref | ±0.08ωref, ±0.25ωref, ±0.4ωref |
| Load Values | 0.1TN, 0.2TN | 0.15TN |
Disclaimer/Publisher’s Note: The statements, opinions and data contained in all publications are solely those of the individual author(s) and contributor(s) and not of MDPI and/or the editor(s). MDPI and/or the editor(s) disclaim responsibility for any injury to people or property resulting from any ideas, methods, instructions or products referred to in the content. |
© 2023 by the authors. Licensee MDPI, Basel, Switzerland. This article is an open access article distributed under the terms and conditions of the Creative Commons Attribution (CC BY) license (https://creativecommons.org/licenses/by/4.0/).
Share and Cite
Jankowska, K.; Dybkowski, M. Classification of Optoelectronic Rotary Encoder Faults Based on Deep Learning Methods in Permanent Magnet Synchronous Motor Drive System. Electronics 2023, 12, 4184. https://doi.org/10.3390/electronics12194184
Jankowska K, Dybkowski M. Classification of Optoelectronic Rotary Encoder Faults Based on Deep Learning Methods in Permanent Magnet Synchronous Motor Drive System. Electronics. 2023; 12(19):4184. https://doi.org/10.3390/electronics12194184
Chicago/Turabian StyleJankowska, Kamila, and Mateusz Dybkowski. 2023. "Classification of Optoelectronic Rotary Encoder Faults Based on Deep Learning Methods in Permanent Magnet Synchronous Motor Drive System" Electronics 12, no. 19: 4184. https://doi.org/10.3390/electronics12194184
APA StyleJankowska, K., & Dybkowski, M. (2023). Classification of Optoelectronic Rotary Encoder Faults Based on Deep Learning Methods in Permanent Magnet Synchronous Motor Drive System. Electronics, 12(19), 4184. https://doi.org/10.3390/electronics12194184
