Comparison of 2L + 2M and 6L SVPWM for Five-Phase Inverter to Reduce Common Mode Voltage
Abstract
:1. Introduction
2. PWM Techniques for a Five-Phase VSI
2.1. 2L + 2M SVPWM Technique
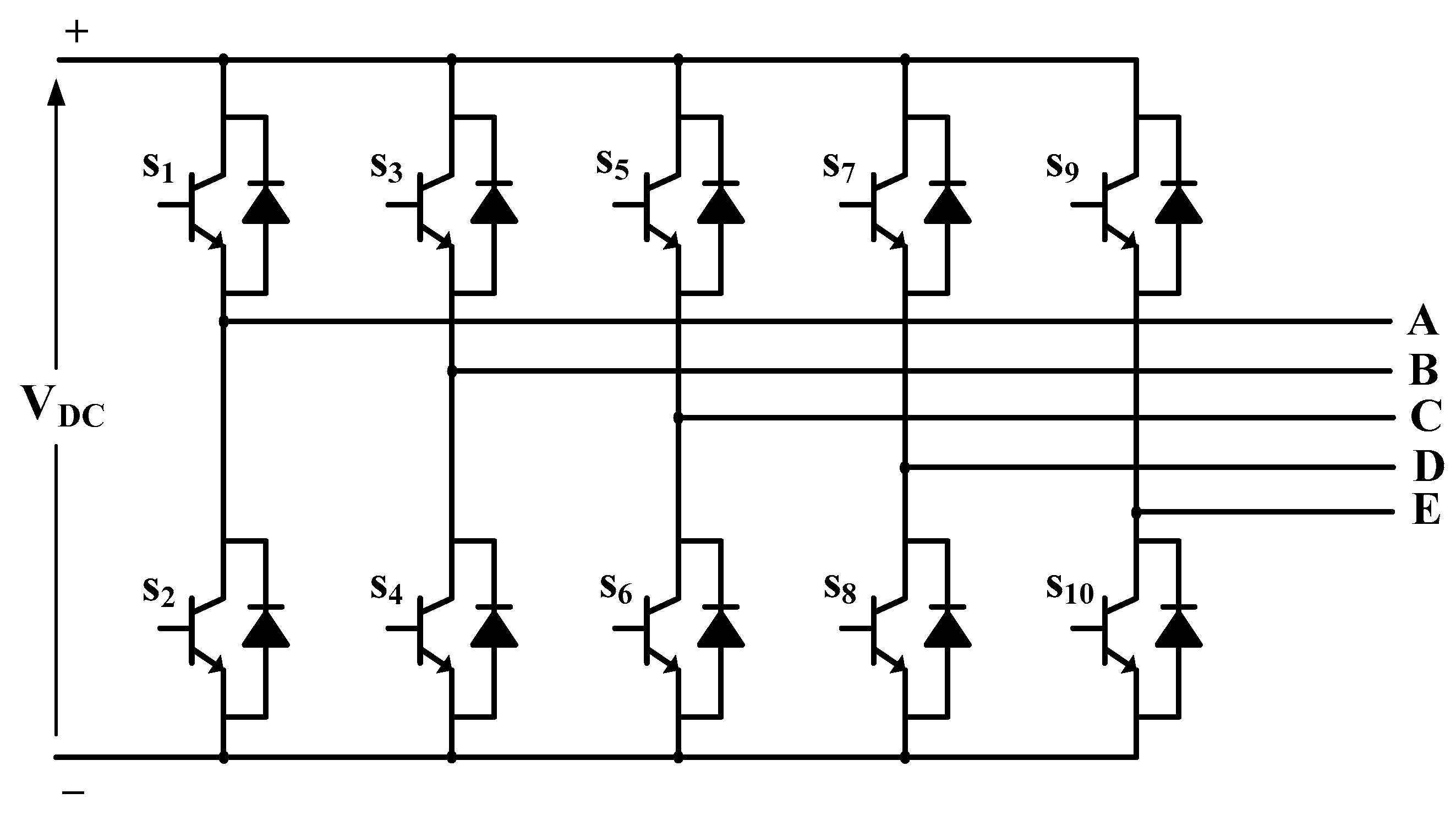
2.2. 6L SVPWM Technique
3. Simulation Results
4. Comparison of Experimental and Simulation Results
5. Conclusions
Author Contributions
Funding
Data Availability Statement
Conflicts of Interest
References
- Mavila, P.C.; Rajeevan, P.P. A Virtual Vector Based DTC Scheme with Enhanced Resolution for Dual Inverter Fed Five-Phase IM Drives. IEEE J. Emerg. Sel. Top. Ind. Electron. 2023, 4, 669–677. [Google Scholar] [CrossRef]
- Levi, E. Advances in converter control and innovative exploitation of additional degrees of freedom for multiphase machines. IEEE Trans. Ind. Electron. 2016, 63, 433–448. [Google Scholar] [CrossRef]
- Peng, X.; Liu, Z.; Jiang, D. A review of multiphase energy conversion in wind power generation. Renew. Sustain. Energy Rev. 2021, 147, 111172. [Google Scholar] [CrossRef]
- Liu, Z.; Fang, L.; Jiang, D.; Qu, R. A Machine-Learning-Based Fault Diagnosis Method with Adaptive Secondary Sampling for Multiphase Drive Systems. IEEE Trans. Power Electron. 2022, 37, 8767–8772. [Google Scholar] [CrossRef]
- Akay, A.; Lefley, P. Torque Ripple Reduction Method in a Multiphase PM Machine for No-Fault and Open-Circuit Fault-Tolerant Conditions. Energies 2021, 14, 2615. [Google Scholar] [CrossRef]
- Li, G.; Zhu, Q.; Li, B.; Zhao, Y.; Ma, X. Open-Circuit Fault-Tolerant Vector Control for Five-Phase SPMSM Based on Five-Phase Six-Leg Inverter. IEEE Trans. Energy Convers. 2023, 38, 404–416. [Google Scholar] [CrossRef]
- Dabour, S.M.; Aboushady, A.A.; Elgenedy, M.A.; Gowaid, I.A.; Farrag, M.E.; Abdel-Khalik, A.S.; Massoud, A.M.; Ahmed, S. Symmetrical Nine-Phase Drives with a Single Neutral-Point: Common-Mode Voltage Analysis and Reduction. Appl. Sci. 2022, 12, 12553. [Google Scholar] [CrossRef]
- Hamedani, P.; Garcia, C.; Rodriguez, J. Analytical Calculation of Harmonics and Harmonic Losses in Five-Phase Carrier-Based PWM Voltage Source Inverters. IEEE Access 2022, 10, 37330–37344. [Google Scholar] [CrossRef]
- Jayakumar, V.; Chokkalingam, B.; Munda, J.L. Performance Analysis of Multi-Carrier PWM and Space Vector Modulation Techniques for Five-Phase Three-Level Neutral Point Clamped Inverter. IEEE Access 2022, 10, 34883–34906. [Google Scholar] [CrossRef]
- Khadar, S.; Kaddouri, A.M.; Kouzou, A.; Hafaifa, A.; Kennel, R.; Abdelrahem, M. Experimental Validation of Different Control Techniques Applied to a Five-Phase Open-End Winding Induction Motor. Energies 2023, 16, 5288. [Google Scholar] [CrossRef]
- Acosta-Cambranis, F.; Zaragoza, J.; Berbel, N.; Capella, G.J.; Romeral, L. Constant Common-Mode Voltage Strategies Using Sigma–Delta Modulators in Five-Phase VSI. IEEE Trans. Ind. Electron. 2023, 70, 2189–2198. [Google Scholar] [CrossRef]
- Yang, S.; Tong, C.; Sui, Y.; Yin, Z.; Zheng, P. Current-Source Inverter Fed Five-Phase PMSM Drives with Pentagon Stator Winding Considering SVM Scheme, Resonance Damping, and Fault Tolerance. IEEE Trans. Ind. Electron. 2023, 70, 5560–5570. [Google Scholar] [CrossRef]
- Medina-Sánchez, M.; Yepes, A.G.; López, Ó.; Doval-Gandoy, J. Assessment and Exploitation of the Minimum Current Harmonic Distortion under Overmodulation in Five-Phase Induction Motor Drives. IEEE Trans. Power Electron. 2023, 38, 4289–4305. [Google Scholar] [CrossRef]
- Arahal, M.R.; Barrero, F.; Bermúdez, M.; Satué, M.G. Predictive Stator Current Control of a Five-Phase Motor Using a Hybrid Control Set. IEEE J. Emerg. Sel. Top. Power Electron. 2023, 11, 1444–1453. [Google Scholar] [CrossRef]
- Chagam, V.S.R.; Devabhaktuni, S. Enhanced Low-Speed Characteristics with Constant Switching Torque-Controller-Based DTC Technique of Five-Phase Induction Motor Drive with FOPI Control. IEEE Trans. Ind. Electron. 2023, 70, 10789–10799. [Google Scholar] [CrossRef]
- Chakrabarti, A.; Sarkar, K.; Kasari, P.R.; Das, B.; Biswas, S.K. A CB-PWM Technique for Eliminating CMV in Multilevel Multiphase VSI. IEEE Trans. Ind. Electron. 2023, 70, 8666–8675. [Google Scholar] [CrossRef]
- Fernandez, M.; Robles, E.; Aretxabaleta, I.; Kortabarria, I.; Martín, J.L. Proposal of Hybrid Discontinuous PWM Technique for Five-Phase Inverters under Open-Phase Fault Operation. Machines 2023, 11, 404. [Google Scholar] [CrossRef]
- Raja, D.; Ravi, G. New Switch Ladder Topology for Five Phase Multilevel Inverter Fed Five Phase Induction Motor. In Proceedings of the 2018 International Conference on Recent Innovations in Electrical, Electronics & Communication Engineering (ICRIEECE), Bhubaneswar, India, 27–28 July 2018; pp. 1358–1362. [Google Scholar] [CrossRef]
- Sakthisudhursun, B.; Pandit, J.K.; Aware, M.V. Simplified Three-Level Five-Phase SVPWM. IEEE Trans. Power Electron. 2016, 31, 2429–2436. [Google Scholar] [CrossRef]
- Chikondra, B.; Muduli, U.R.; Behera, R.K. Performance Comparison of Five-Phase Three-Level NPC to Five-Phase Two-Level VSI. IEEE Trans. Ind. Appl. 2020, 56, 3767–3775. [Google Scholar] [CrossRef]
- Gao, L.; Fletcher, J.E. A Space Vector Switching Strategy for Three-Level Five-Phase Inverter Drives. IEEE Trans. Ind. Electron. 2010, 57, 2332–2343. [Google Scholar] [CrossRef]
- Iqbal, A.; Moinuddin, S. Comprehensive Relationship Between Carrier-Based PWM and Space Vector PWM in a Five-Phase VSI. IEEE Trans. Power Electron. 2009, 24, 2379–2390. [Google Scholar] [CrossRef]
- Dujic, D.; Levi, E.; Jones, M.; Grandi, G.; Serra, G.; Tani, A. Continuous PWM techniques for sinusoidal voltage generation with seven-phase voltage source inverters. In Proceedings of the IEEE Power Electronics Specialists Conference, Orlando, FL, USA, 17–21 June 2007; pp. 47–52. [Google Scholar] [CrossRef]
- Dujic, D.; Jones, M.; Levi, E. Continuous carrier-based vs. space vector PWM for five-phase VSI. In Proceedings of the IEEE EUROCON—The International Conference on “Computer as a Tool”, Warsaw, Poland, 9–12 September 2007; pp. 1772–1779. [Google Scholar] [CrossRef]
- Prieto, J.; Riveros, J.A.; Bogado, B. Continuous and discontinuous SVPWM 2L+2M for asymmetrical dual three-phase drives. In Proceedings of the IEEE International Electric Machines and Drives Conference (IEMDC), Miami, FL, USA, 21–24 May 2017; pp. 1–6. [Google Scholar] [CrossRef]
- Karugaba, S.; Ojo, O. A Carrier-Based PWM Modulation Technique for Balanced and Unbalanced Reference Voltages in Multiphase Voltage-Source Inverters. IEEE Trans. Ind. Appl. 2012, 48, 2102–2109. [Google Scholar] [CrossRef]
- Zhang, X.; Yu, F.; Li, H.; Song, Q. A novel discontinuous space vector PWM control for multiphase inverter. In Proceedings of the International Symposium on Power Electronics, Electrical Drives, Automation and Motion (SPEEDAM), Taormina, Italy, 23–26 May 2006; pp. 1133–1136. [Google Scholar] [CrossRef]
- Prieto, J.; Barrero, F.; Toral, S.; Levi, E.; Jones, M.; Durán, M.J. Analytical Evaluation of Switching Characteristics in Five-Phase Drives with Discontinuous Space Vector Pulse Width Modulation Techniques. Eur. Power Electron. Drives (EPE) J. 2013, 23, 24–33. [Google Scholar] [CrossRef]
- Prieto, J.; Jones, M.; Barrero, F.; Levi, E.; Toral, S. Comparative Analysis of Discontinuous and Continuous PWM Techniques in VSI-Fed Five-Phase Induction Motor. IEEE Trans. Ind. Electron. 2011, 58, 5324–5335. [Google Scholar] [CrossRef]
- Zhao, L.; Huang, S.; Gao, Y.; Zheng, J. A Common-Mode Voltage Suppression Strategy Based on Double Zero-Sequence Injection PWM for Two-Level Six-Phase VSIs. Energies 2022, 15, 6242. [Google Scholar] [CrossRef]
- Fernandez, M.; Robles, E.; Aretxabaleta, I.; Kortabarria, I.; Andreu, J.; Martín, J.L. A 3D Reduced Common Mode Voltage PWM Algorithm for a Five-Phase Six-Leg Inverter. Machines 2023, 11, 532. [Google Scholar] [CrossRef]
- Wang, P.; Liu, Z.; Jiang, D.; Tian, J.; Li, P. Improved PWM Methods to Reduce the Common Mode Voltage of the Five-Phase Open-Winding Drive Topology. Energies 2022, 15, 6382. [Google Scholar] [CrossRef]
- Xiang, C.-Q.; Shu, C.; Han, D.; Mao, B.-K.; Wu, X.; Yu, T.-J. Improved Virtual Space Vector Modulation for Three-Level Neutral-Point-Clamped Converter with Feedback of Neutral-Point Voltage. IEEE Trans. Power Electron. 2018, 33, 5452–5464. [Google Scholar] [CrossRef]
- Ramasamy, P.; Krishnasamy, V. Minimization of common-mode voltage of three-phase five-level NPC inverter using 3D space vector modulation. J. Circuits Syst. Comput. 2020, 29, 2050229. [Google Scholar] [CrossRef]
- Duran, M.J.; Riveros, J.A.; Barrero, F.; Guzman, H.; Prieto, J. Reduction of Common-Mode Voltage in Five-Phase Induction Motor Drives Using Predictive Control Techniques. IEEE Trans. Ind. Appl. 2012, 48, 2059–2067. [Google Scholar] [CrossRef]
- Tawfiq, K.B.; Ibrahim, M.N.; Sergeant, P. A Simple Commutation Method and a Cost-Effective Clamping Circuit for Three-to-Five-Phase Indirect-Matrix Converters. Electronics 2022, 11, 808. [Google Scholar] [CrossRef]
- Ramasamy, P.; Krishnasamy, V. Common Mode Voltage Reduction Using 3D-SVPWM for 3-level CI-NPC Inverter with Hybrid Energy System. Electr. Power Compon. Syst. 2018, 46, 391–405. [Google Scholar] [CrossRef]
- Renge, M.M.; Suryawanshi, H.M. Three-Dimensional Space-Vector Modulation to Reduce Common-Mode Voltage for Multilevel Inverter. IEEE Trans. Ind. Electron. 2010, 57, 2324–2331. [Google Scholar] [CrossRef]
- Palanisamy, R.; Thentral, T.M.T.; Ramesh, M.; Rajkumar, A.; Vijayakumar, K. Implementation of four dimensional space vector modulation for five phase voltage source inverter. Ain Shams Eng. J. 2021, 12, 2891–2898. [Google Scholar] [CrossRef]
- Muduli, U.R.; Chikondra, B.; Akhtar, M.J.; Al Zaabi, O.; Al Hosani, K.; Behera, R.K. Comparison of SVPWM Techniques Under Switching Loss Control for Induction Motor Drive with LC Filters. IEEE Trans. Ind. Appl. 2023, 59, 1849–1862. [Google Scholar] [CrossRef]
- Hussain, H.A.; Toliyat, H.A. Reduction of shaft voltages and bearing currents in five-phase induction motors. In Proceedings of the IEEE Energy Conversion Congress and Exposition (ECCE), Raleigh, NC, USA, 15–20 September 2012; pp. 3309–3316. [Google Scholar] [CrossRef]
- Tawfiq, K.B.; Güleç, M.; Sergeant, P. Bearing Current and Shaft Voltage in Electrical Machines: A Comprehensive Research Review. Machines 2023, 11, 550. [Google Scholar] [CrossRef]
- He, J.; Li, Q.; Wang, H.; Lyu, Y.; Jia, H.; Wang, C. SVM Strategies for Simultaneous Common-Mode Voltage Reduction and DC Current Balancing in Parallel Current Source Converters. IEEE Trans. Power Electron. 2018, 33, 8859–8871. [Google Scholar] [CrossRef]
- Tawfiq, K.B.; Ibrahim, M.N.; Rezk, H.; El-Kholy, E.E.; Sergeant, P. Mathematical Modelling, Analysis and Control of a Three to Five-Phase Matrix Converter for Minimal Switching Losses. Mathematics 2021, 9, 96. [Google Scholar] [CrossRef]
- Dabour, S.M.; Hassan, A.E.-W.; Rashad, E.M. Analysis and implementation of space vector modulated five-phase matrix converter. Int. J. Electr. Power Energy Syst. 2014, 63, 740–746. [Google Scholar] [CrossRef]
- Lak, M.; Chuang, B.-R.; Lee, T.-L. A Common-Mode Voltage Elimination Method with Active Neutral Point Voltage Balancing Control for Three-Level T-Type Inverter. IEEE Trans. Ind. Appl. 2022, 58, 7499–7514. [Google Scholar] [CrossRef]
- Robles, E.; Fernandez, M.; Zaragoza, J.; Aretxabaleta, I.; De Alegria, I.M.; Andreu, J. Common-Mode Voltage Elimination in Multilevel Power Inverter-Based Motor Drive Applications. IEEE Access 2022, 10, 2117–2139. [Google Scholar] [CrossRef]
- Jiang, Y.; Li, X.; Qin, C.; Xing, X.; Chen, Z. Improved Particle Swarm Optimization Based Selective Harmonic Elimination and Neutral Point Balance Control for Three-Level Inverter in Low-Voltage Ride-Through Operation. IEEE Trans. Ind. Inform. 2022, 18, 642–652. [Google Scholar] [CrossRef]
- Lak, M.; Tsai, Y.-T.; Chuang, B.-R.; Lee, T.-L.; Moradi, M.H. A Hybrid Method to Eliminate Leakage Current and Balance Neutral Point Voltage for Photovoltaic Three-Level T-Type Inverter. IEEE Trans. Power Electron. 2021, 36, 12070–12089. [Google Scholar] [CrossRef]



























| Sector No. | ||||||
|---|---|---|---|---|---|---|
| 1 | V11 (10000) | V1 (11001) | V12 (11101) | V2 (11000) | V31 (00000) | V32 (11111) |
| 2 | V13 (01000) | V2 (11000) | V12 (11101) | V3 (11100) | ||
| 3 | V13 (01000) | V4 (01100) | V14 (11110) | V3 (11100) | ||
| 4 | V15 (00100) | V4 (01100) | V14 (11110) | V5 (01110) | ||
| 5 | V15 (00100) | V6 (00110) | V16 (01111) | V5 (01110) | ||
| 6 | V17 (00010) | V6 (00110) | V16 (01111) | V7 (00111) | ||
| 7 | V17 (00010) | V8 (00011) | V18 (10111) | V7 (00111) | ||
| 8 | V19 (00001) | V8 (00011) | V18 (10111) | V9 (10011) | ||
| 9 | V19 (00001) | V10 (10001) | V20 (11011) | V9 (10011) | ||
| 10 | V11 (10000) | V10 (10001) | V20 (11011) | V1 (11001) |
| Sector No. | V9 | |||||
|---|---|---|---|---|---|---|
| 1 | 10011 | 10001 | 11001 | 11000 | 11100 | 01100 |
| 2 | 10001 | 11001 | 11000 | 11100 | 01100 | 01110 |
| 3 | 11001 | 11000 | 11100 | 01100 | 01110 | 00110 |
| 4 | 11000 | 11100 | 01100 | 01110 | 00110 | 00111 |
| 5 | 11100 | 01100 | 01110 | 00110 | 00111 | 00011 |
| 6 | 01100 | 01110 | 00110 | 00111 | 00011 | 10011 |
| 7 | 01110 | 00110 | 00111 | 00011 | 10011 | 10001 |
| 8 | 00110 | 00111 | 00011 | 10011 | 10001 | 11001 |
| 9 | 00111 | 00011 | 10011 | 10001 | 11001 | 11000 |
| 10 | 00011 | 10011 | 10001 | 11001 | 11000 | 11100 |
Disclaimer/Publisher’s Note: The statements, opinions and data contained in all publications are solely those of the individual author(s) and contributor(s) and not of MDPI and/or the editor(s). MDPI and/or the editor(s) disclaim responsibility for any injury to people or property resulting from any ideas, methods, instructions or products referred to in the content. |
© 2023 by the authors. Licensee MDPI, Basel, Switzerland. This article is an open access article distributed under the terms and conditions of the Creative Commons Attribution (CC BY) license (https://creativecommons.org/licenses/by/4.0/).
Share and Cite
Tawfiq, K.B.; Mansour, A.S.; Sergeant, P. Comparison of 2L + 2M and 6L SVPWM for Five-Phase Inverter to Reduce Common Mode Voltage. Electronics 2023, 12, 3979. https://doi.org/10.3390/electronics12183979
Tawfiq KB, Mansour AS, Sergeant P. Comparison of 2L + 2M and 6L SVPWM for Five-Phase Inverter to Reduce Common Mode Voltage. Electronics. 2023; 12(18):3979. https://doi.org/10.3390/electronics12183979
Chicago/Turabian StyleTawfiq, Kotb B., Arafa S. Mansour, and Peter Sergeant. 2023. "Comparison of 2L + 2M and 6L SVPWM for Five-Phase Inverter to Reduce Common Mode Voltage" Electronics 12, no. 18: 3979. https://doi.org/10.3390/electronics12183979
APA StyleTawfiq, K. B., Mansour, A. S., & Sergeant, P. (2023). Comparison of 2L + 2M and 6L SVPWM for Five-Phase Inverter to Reduce Common Mode Voltage. Electronics, 12(18), 3979. https://doi.org/10.3390/electronics12183979

