Automatic Word Length Selection with Boundary Conditions for HIL of Power Converters
Abstract
1. Introduction
2. Word Length Selection with Boundary Conditions
2.1. Case Study
2.2. Initial Assignment of Bits Based on Simulation Data
2.3. Final Assignment of Bits Based on Boundary Conditions
- 1.
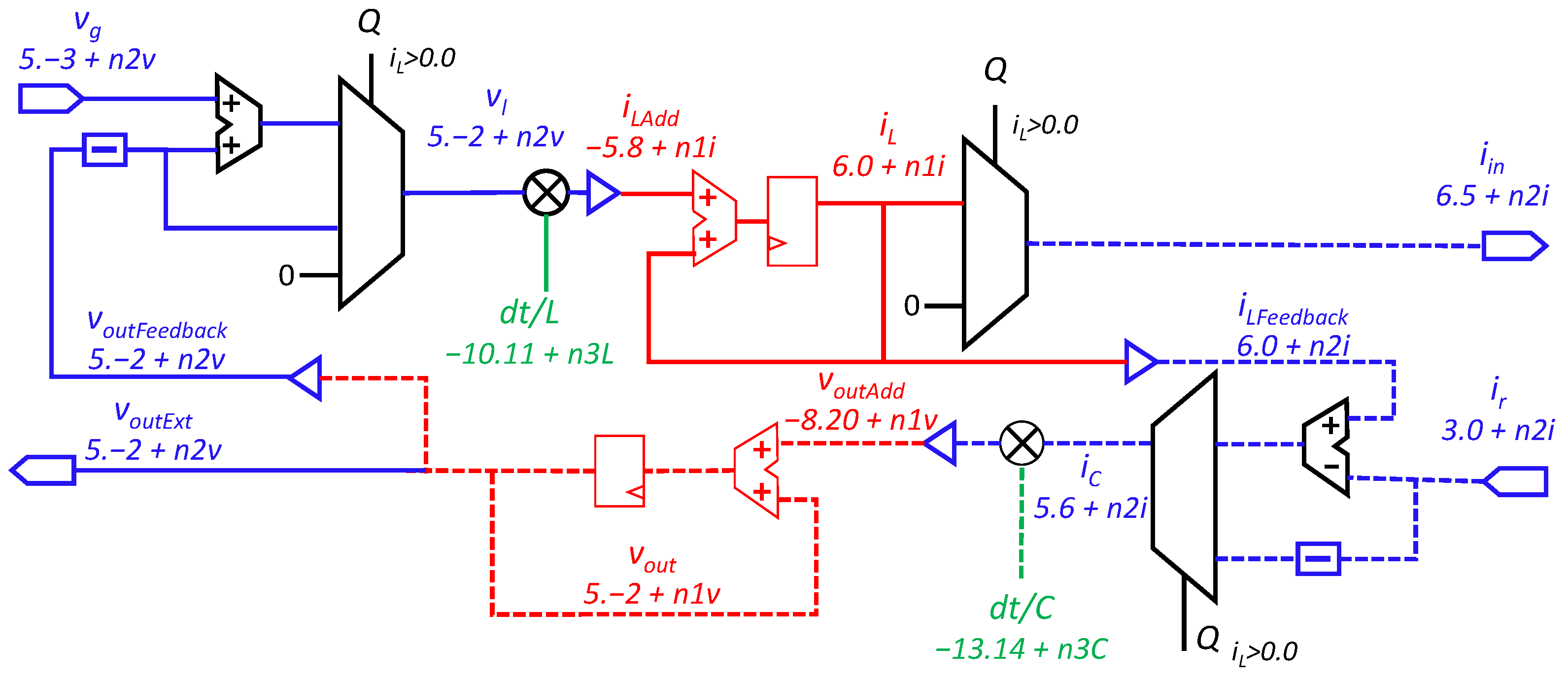
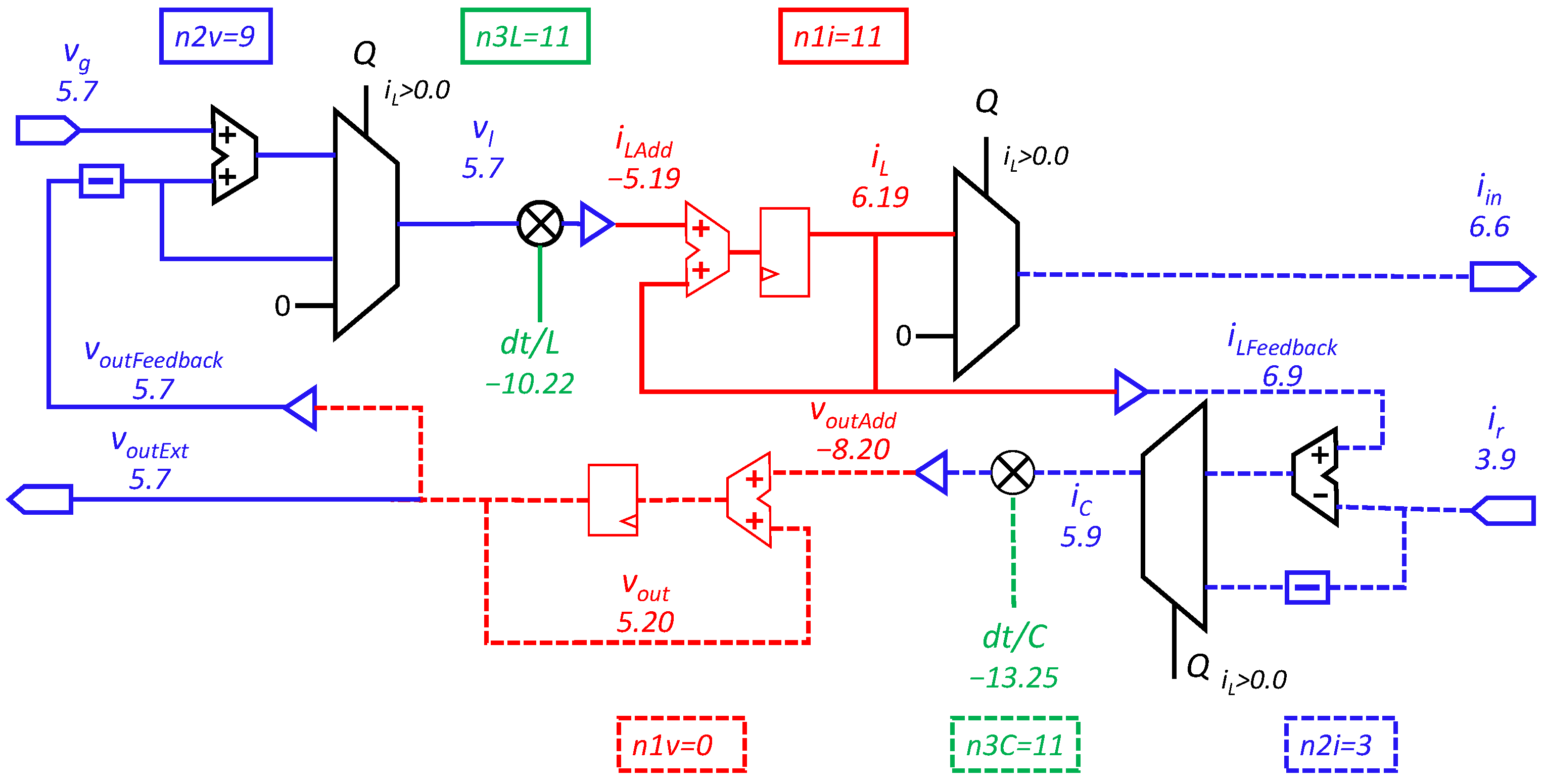
- Accumulative signals’ word length.There are two different sub-groups within those three main groups, as can be seen in Figure 2. The solid red line represents the current, and the dashed red line represents the voltage. Every signal is linked within the same sub-group through arithmetical operations. When adding, if one signal has fewer bits than another, the resolution of the result is defined by the one with fewer fractional bits. Therefore, the signal with fewer fractional bits should be raised to have as many fractional bits as the others in the same sub-group in order to maintain the required accuracy.For instance, taking the solid red line sub-group, the fractional sides of all accumulative signals are adjusted, assigning them the highest value. The fractional part of is , and the fractional part of is at the initial assignment (see Figure 2). Taking the highest value within this upper sub-group, the fractional part of is eight as well. This is analogous to the sub-group at the bottom. Initially, is , and is . Their fractional part becomes , which is the highest between them.Once the fractional bits in each sub-group are adjusted, it is time for WL equalization. In [26], the authors state that if the number of bits in a group (such as accumulative signals) are different, the one with fewer bits acts as a bottleneck. Thus, the difference between both WLs will be the number of extra bits to be added to the sub-group with fewer bits. The extra bits and (for the above sub-group and below sub-group, respectively) are added to the fractional part for improving resolution. For the accumulative group, and are the signals inside the accumulative group, so they need to be compared with each other. Their WLs are 15 () and 26 (), respectively. The difference between them is 11 bits, which represents the number of bits to add to the smallest accumulative signal sub-group. Thus, the extra bits for adding to each group are and , as shown in Figure 3.
- 2.
- Input–output boundary conditions.This second step presents the adjustment of non-accumulative signals (blue signals). Input–output signals fall in this group and have a number of bits imposed by the bits of the DACs and ADCs used. The same adjustment as in the previous step is carried out, but for equalizing both sub-groups: the current (solid blue line) and voltage sub-group (dashed blue line). The input signals from ADCs must have the same number of bits as the ADCs used. They become the BC because having fewer bits degrades the model accuracy and filling with zeros to the right does not include any advantage. Taking the upper sub-group, we adjust the fractional sides of all non-accumulative signals, assigning them the highest value.Taking the current sub-group, the fractional sides of all non-accumulative signals are adjusted, assigning them the highest value. For instance, the fractional parts of and are and , respectively, at the initial assignment (see Figure 3). Taking the highest value within this upper sub-group, the fractional part of each one will be . This is analogous for the voltage sub-group. The initial fractional parts for and are incidentally the same, . In this example, there is no need to find the highest fractional part for imposing the most restrictive amount to the fractional part of .Next is for WL equalization, as shown before. Following input–outputs, the fractional parts of , , , and need to be compared among each other. Their WLs are 3 (), 3 (), 12 (), and 9 (), respectively. In this work, 12 bits are imposed as a BC, since this is a common value of ADCs. Therefore, the extra bits ( and ) that end up with the same WL for every signal within the same main group are and , respectively, to fit the BC. Additionally, and receive the same value as and , respectively.
- 3.
- Adjust constants’ word length.That is the easiest step because constants ( and ) need only one bit to start. The WL without the sign bit is (), so there is no need to find the highest value between constants. For WL equalization, as pointed out in [26], constants use the largest n value of the rest of the sub-groups. The highest value among the four sub-groups mentioned before is 11. Thus, the extra bits needed to result in the same WL for each constant is = = 11. The final values are summarized in Figure 3.
3. Results
- (a)
- Theoriginal WL defined by the proposed method for the input–outputs and constants. In this case, both are set to WL . The minimum RE is around . A similar result can be seen in Figure 6. In fact, the simulation in Figure 6 is the same as in Figure 7a, which is the result coming from the proposed method. However, in Figure 7a, there are different simulations with other fractional values for to verify that the automatic selection comes out with the optimum number of bits. The difference between the RE coming from the 32-bit floating-point and the RE from the automatic selection (, ) is smaller than 1% (%).
- (b)
- Keeping WL bits for input–outputs and increasing the constants by 10 bits, for a total WL bits. As seen in Figure 7b, all the results for this case are very similar to those of case (a). Thus, the signals that increased their WL for (b) do not have any additional contribution from case (a). The minimum RE is also around , so there is no improvement. Thus, constants are not the bottleneck.
- (c)
- Keeping WL bits for constants and increasing the input–outputs by 10 bits, for a total WL bits. If the WL increases one bit for every signal, the error should be divided by two. Simulations from to show that RE drops to be around , a lower order of magnitude than in previous scenarios. That means that increasing 10 bits reduces the RE by only a factor of 10, when it should be reduced by if this were the only bottleneck. Therefore, the input–outputs that increased their WL in this case were part of the bottleneck, but not the only ones responsible for the system error.Regarding the 32-bit floating-point (green horizontal line), the input–outputs have WL bits for the analysis coherence. This chart shows that increasing input-outputs by 10 bits is not enough to achieve the results shown by the baseline green horizontal line, despite RE being smaller than in previous scenarios. Thus, input–outputs are not exclusively the bottleneck.
- (d)
- Increasing input–outputs by 10 bits and raising constants to a total of WL bits in both groups. The results shown in Figure 7d fall further, to , which is approximately lower than in Figure 7a. This is in good accordance with the expected results because, for obtaining a decrease in the error of , 10 bits have been added to both groups. This means that both input–outputs and constants were acting as bottlenecks in the original scenario (a) obtained by the proposed method, showing its validity.
4. Conclusions
Supplementary Materials
Author Contributions
Funding
Data Availability Statement
Conflicts of Interest
References
- Estrada, L.; Vaquero, J.; Rodriguez-Lorente, A.; Arau, J.; de Castro, A.; Sanchez, A.; Vazquez, N. Asynchronous and Decoupled HIL Simulation of a DC Nanogrid. Electronics 2022, 11, 2045. [Google Scholar] [CrossRef]
- Kaven, L.; Frehn, A.; Basler, M.; Jassmann, U.; Roettgers, H.; Konrad, T.; Abel, D.; Monti, A. Impact of Multi-Physics HiL Test Benches on Wind Turbine Certification. Energies 2022, 15, 1336. [Google Scholar] [CrossRef]
- Zamiri, E.; Sanchez, A.; Yushkova, M.; Martínez-García, M.S.; de Castro, A. Comparison of Different Design Alternatives for Hardware-in-the-Loop of Power Converters. Electronics 2021, 10, 926. [Google Scholar] [CrossRef]
- Tumasov, A.V.; Vashurin, A.S.; Trusov, Y.P.; Toropov, E.I.; Moshkov, P.S.; Kryaskov, V.S.; Vasilyev, A.S. The Application of Hardware-in-the-Loop (HIL) Simulation for Evaluation of Active Safety of Vehicles Equipped with Electronic Stability Control (ESC) Systems. Procedia Comput. Sci. 2019, 150, 309–315. [Google Scholar] [CrossRef]
- Mayet, C.; Idkhajine, L. Introduction to Hardware-In-the-Loop (HIL) simulations of electrical power systems. In Encyclopedia of Electrical and Electronic Power Engineering; García, J., Ed.; Elsevier: Oxford, UK, 2023; pp. 590–599. [Google Scholar] [CrossRef]
- DaneshvarDehnavi, S.; Negri, C.; Bayne, S.; Giesselmann, M. Dynamic Voltage Restorer (DVR) with a novel robust control strategy. ISA Trans. 2022, 121, 316–326. [Google Scholar] [CrossRef] [PubMed]
- Glumac, S.; Varga, N.; Raos, F.; Kovacic, Z. Co-simulation perspective on evaluating the simulation with the engine test bench in the loop. Automatika 2022, 63, 275–287. [Google Scholar] [CrossRef]
- Xie, B.; Wang, S.; Wu, X.; Wen, C.; Zhang, S.; Zhao, X. Design and hardware-in-the-loop test of a coupled drive system for electric tractor. Biosyst. Eng. 2022, 216, 165–185. [Google Scholar] [CrossRef]
- Belhaouane, M.M.; Almaksour, K.; Papangelis, L.; Gomozov, O.; Colas, F.; Prevost, T.; Guillaud, X.; Van Cutsem, T. Implementation and Validation of a Model Predictive Controller on a Lab-Scale Three-Terminal MTDC Grid. IEEE Trans. Power Deliv. 2022, 37, 2209–2219. [Google Scholar] [CrossRef]
- Rataj, D.; Slawik, D.; Wrobel, K.; Tomczewski, K. A fast switched reluctance motor controller based on FPGA. ITM Web Conf. 2018, 19, 01028. [Google Scholar] [CrossRef][Green Version]
- Reddy, B.P.; Murali, A.; Kumar, K.S. A low cost sense coil based position sensing system for SRM implemented in a SoC FPGA. In Proceedings of the IECON 2017—43rd Annual Conference of the IEEE Industrial Electronics Society, Beijing, China, 29 October–1 November 2017; pp. 6603–6606. [Google Scholar] [CrossRef]
- Lamo, P.; de Castro, A.; Sanchez, A.; Ruiz, G.A.; Azcondo, F.J.; Pigazo, A. Hardware-in-the-Loop and Digital Control Techniques Applied to Single-Phase PFC Converters. Electronics 2021, 10, 1563. [Google Scholar] [CrossRef]
- Shahbazi, M.; Poure, P.; Saadate, S.; Zolghadri, M.R. FPGA-Based Reconfigurable Control for Fault-Tolerant Back-to-Back Converter Without Redundancy. IEEE Trans. Ind. Electron. 2013, 60, 3360–3371. [Google Scholar] [CrossRef]
- Robert, S. Ac/ac multicell converter analysis on the basis of FPGA-based model of the converter. Prz. Elektrotechniczny 2007, 83, 28–36. [Google Scholar]
- Zamiri, E.; Sanchez, A.; Martínez-García, M.S.; de Castro, A. Analysis of the aliasing effect caused in hardware-in-the-loop when reading PWM inputs of power converters. Int. J. Electr. Power Energy Syst. 2022, 136, 107678. [Google Scholar] [CrossRef]
- Anurag, N.; Nath, S. Effect of Commutation Control on Switching Frequency of SiC based Four Quadrant Switch. In Proceedings of the 2021 National Power Electronics Conference (NPEC), Bhubaneswar, India, 15–17 December 2021; pp. 1–6. [Google Scholar] [CrossRef]
- Riché, T.L.; Nagle, J.; Xu, J.; Hubbard, D. Converting Executable Floating-Point Models to Executable and Synthesizable Fixed-Point Models. In Proceedings of the 22nd International Conference on Model Driven Engineering Languages and Systems, MODELS ’19, Munich, Germany, 15–20 September 2019; IEEE Press: Piscataway, NJ, USA, 2019; pp. 354–361. [Google Scholar] [CrossRef]
- Xu, Y.; Shuang, K.; Jiang, S.; Wu, X. FPGA Implementation of a Best-Precision Fixed-Point Digital PID Controller. In Proceedings of the 2009 International Conference on Measuring Technology and Mechatronics Automation, Zhangjiajie, China, 11–12 April 2009; Volume 3, pp. 384–387. [Google Scholar] [CrossRef]
- Lee, D.U.; Gaffar, A.; Mencer, O.; Luk, W. MiniBit: Bit-width optimization via affine arithmetic. In Proceedings of the Proceedings. 42nd Design Automation Conference, Anaheim, CA, USA, 13–17 June 2005; pp. 837–840. [Google Scholar] [CrossRef]
- Kulisz, J.; Chmiel, M.; Krzyzyk, A.; Rosół, M. A Hardware Implementation of Arithmetic Operations for an FPGA-based Programmable Logic Controller. IFAC-PapersOnLine 2015, 48, 460–465. [Google Scholar] [CrossRef]
- Cui, Y.; Chen, B.; Zhang, S. Design of Floating-point Operation Based on FPGA and it’s Application. In Proceedings of the 2006 8th international Conference on Signal Processing, Guilin, China, 16–20 November 2006; Volume 4. [Google Scholar] [CrossRef]
- Channappanavar, R.; Mishra, S. Impact of Non-Linear Commutation Delay on the Performance of Inductor Current Estimation Techniques. In Proceedings of the 2018 IEEE Energy Conversion Congress and Exposition (ECCE), Portland, OR, USA, 23–27 September 2018; pp. 4226–4231. [Google Scholar] [CrossRef]
- Chuong, L.M.; Lam, S.K.; Srikanthan, T. Area-Time Estimation of Controller for Porting C-Based Functions onto FPGA. In Proceedings of the 2009 IEEE/IFIP International Symposium on Rapid System Prototyping, Paris, France, 23–26 June 2009; pp. 145–151. [Google Scholar] [CrossRef]
- Liu, Q.; Qian, H. FPGA Delay Model Considering Logic-Level and Transistor-Level Parameters. In Proceedings of the 2017 IEEE 25th Annual International Symposium on Field-Programmable Custom Computing Machines (FCCM), Napa, CA, USA, 30 April–2 May 2017; p. 29. [Google Scholar] [CrossRef]
- Grady, B.; Anderson, J.H. Synthesizable Heterogeneous FPGA Fabrics. In Proceedings of the 2018 International Conference on Field-Programmable Technology (FPT), Naha, Japan, 10–14 December 2018; pp. 222–229. [Google Scholar] [CrossRef]
- Martínez-García, M.S.; de Castro, A.; Sanchez, A.; Garrido, J. Word length selection method for HIL power converter models. Int. J. Electr. Power Energy Syst. 2021, 129, 106721. [Google Scholar] [CrossRef]
- Sung, W.; Kum, K.I. Simulation-based word-length optimization method for fixed-point digital signal processing systems. IEEE Trans. Signal Process. 1995, 43, 3087–3090. [Google Scholar] [CrossRef]
- Kum, K.I.; Sung, W. Combined word-length optimization and high-level synthesis of digital signal processing systems. IEEE Trans. Comput.-Aided Des. Integr. Circuits Syst. 2001, 20, 921–930. [Google Scholar] [CrossRef]
- Goni, O.; Sanchez, A.; Todorovich, E.; de Castro, A. Resolution Analysis of Switching Converter Models for Hardware-in-the-Loop. IEEE Trans. Ind. Inform. 2014, 10, 1162–1170. [Google Scholar] [CrossRef]








| Parameter | Buck Converter |
|---|---|
| 200 kHz | |
| L | 22 H |
| C | 220 F |
| P | 10 W |
| 5 V | |
| 12 V | |
| 20 ns |
| Model | LUTs | FFs | DSPs | |
|---|---|---|---|---|
| Fx-p | 338 | 61 | 4 | 6.326 |
| Fx-p + 10 | 455 | 61 | 6 | 7.619 |
| 32-bit Fl-p | 1029 | 73 | 4 | 16.885 |
Disclaimer/Publisher’s Note: The statements, opinions and data contained in all publications are solely those of the individual author(s) and contributor(s) and not of MDPI and/or the editor(s). MDPI and/or the editor(s) disclaim responsibility for any injury to people or property resulting from any ideas, methods, instructions or products referred to in the content. |
© 2023 by the authors. Licensee MDPI, Basel, Switzerland. This article is an open access article distributed under the terms and conditions of the Creative Commons Attribution (CC BY) license (https://creativecommons.org/licenses/by/4.0/).
Share and Cite
García-Vellisca, M.A.; Gómez Muñoz, C.Q.; Martínez-García, M.S.; de Castro, A. Automatic Word Length Selection with Boundary Conditions for HIL of Power Converters. Electronics 2023, 12, 3488. https://doi.org/10.3390/electronics12163488
García-Vellisca MA, Gómez Muñoz CQ, Martínez-García MS, de Castro A. Automatic Word Length Selection with Boundary Conditions for HIL of Power Converters. Electronics. 2023; 12(16):3488. https://doi.org/10.3390/electronics12163488
Chicago/Turabian StyleGarcía-Vellisca, Mariano Alberto, Carlos Quiterio Gómez Muñoz, María Sofía Martínez-García, and Angel de Castro. 2023. "Automatic Word Length Selection with Boundary Conditions for HIL of Power Converters" Electronics 12, no. 16: 3488. https://doi.org/10.3390/electronics12163488
APA StyleGarcía-Vellisca, M. A., Gómez Muñoz, C. Q., Martínez-García, M. S., & de Castro, A. (2023). Automatic Word Length Selection with Boundary Conditions for HIL of Power Converters. Electronics, 12(16), 3488. https://doi.org/10.3390/electronics12163488

