A Low Jitter, Wideband Clock Generator for Multi-Protocol Data Communications Applications
Abstract
1. Introduction
2. MMD-Based Loop Adaptive Architecture
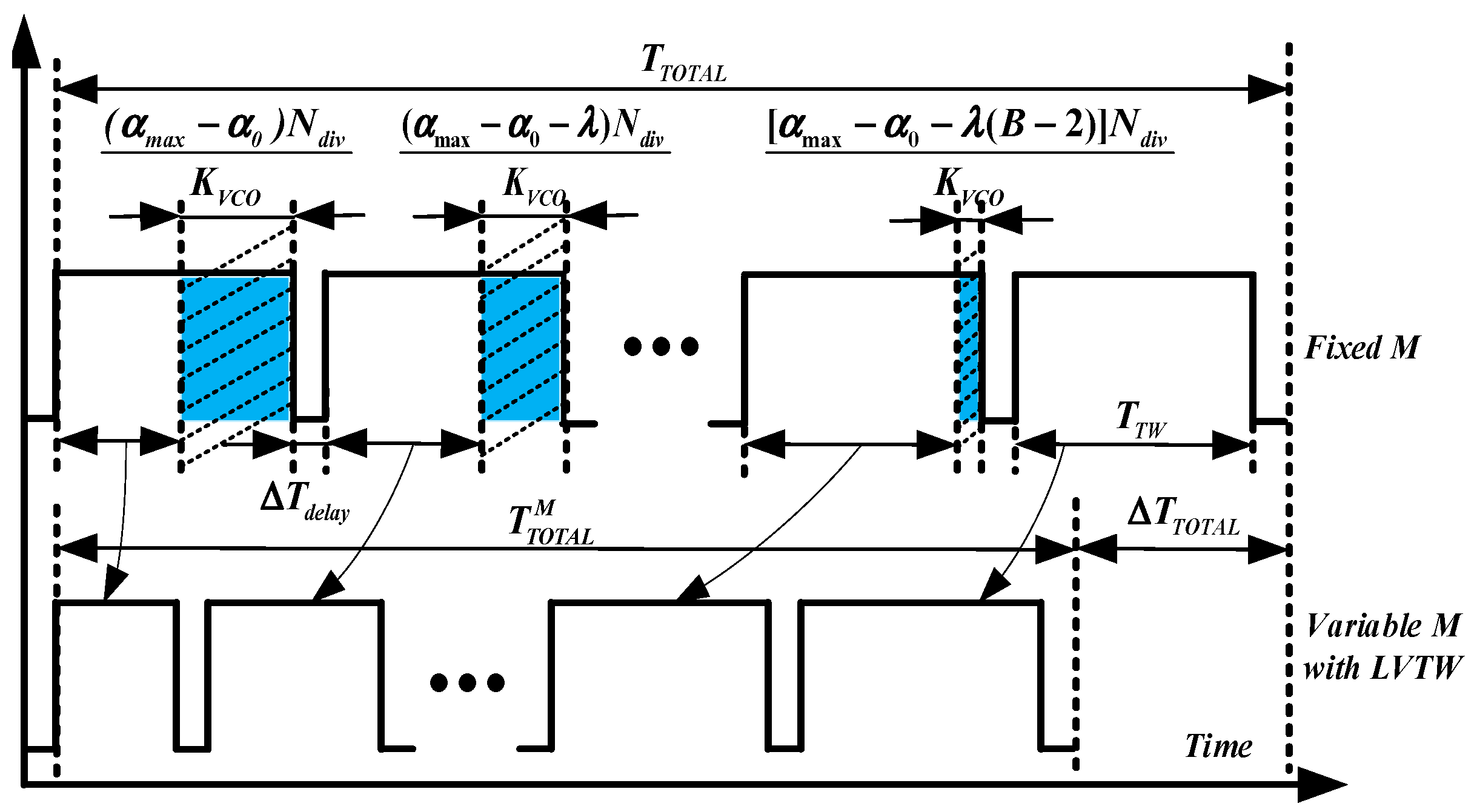
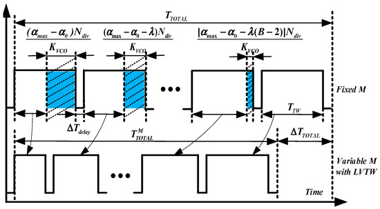
2.1. Fast AFC with LVTW
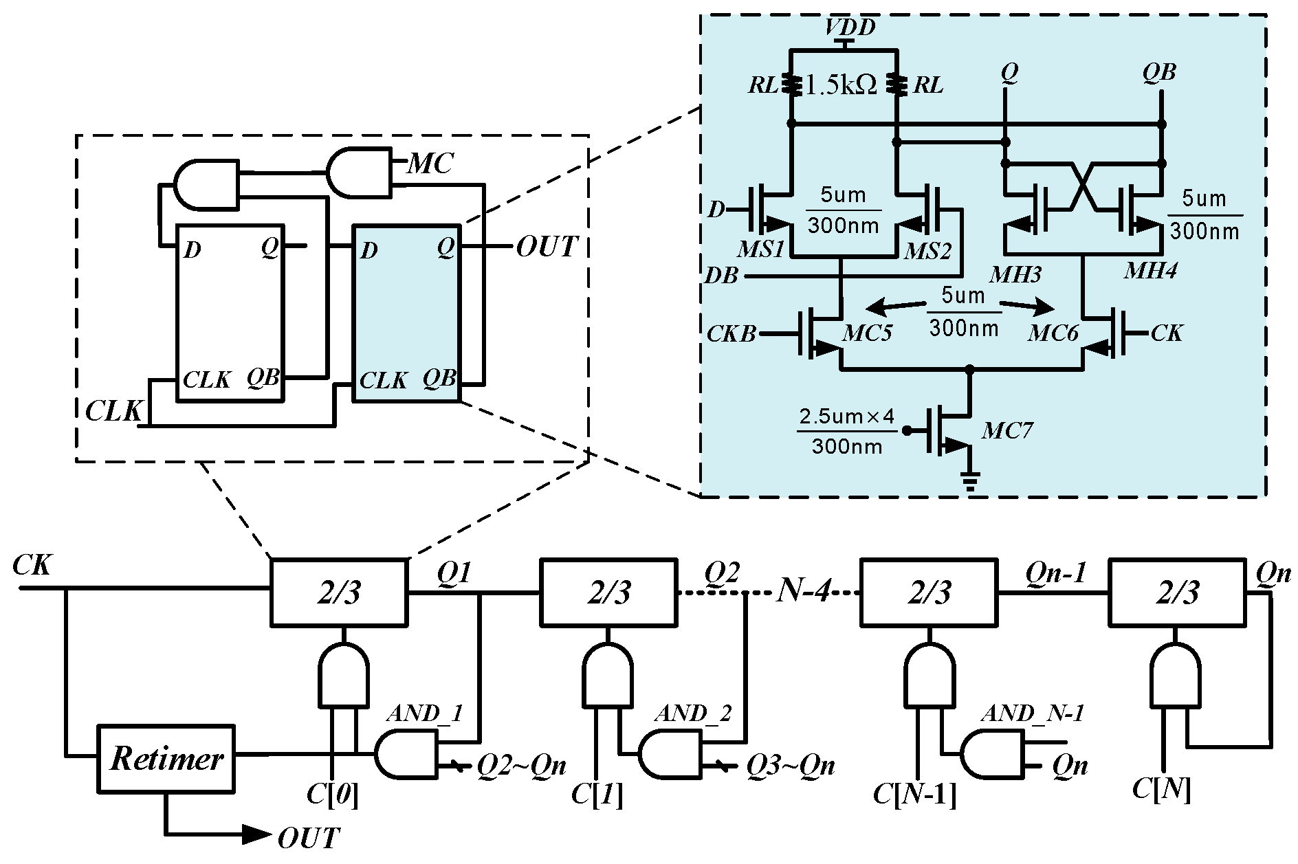
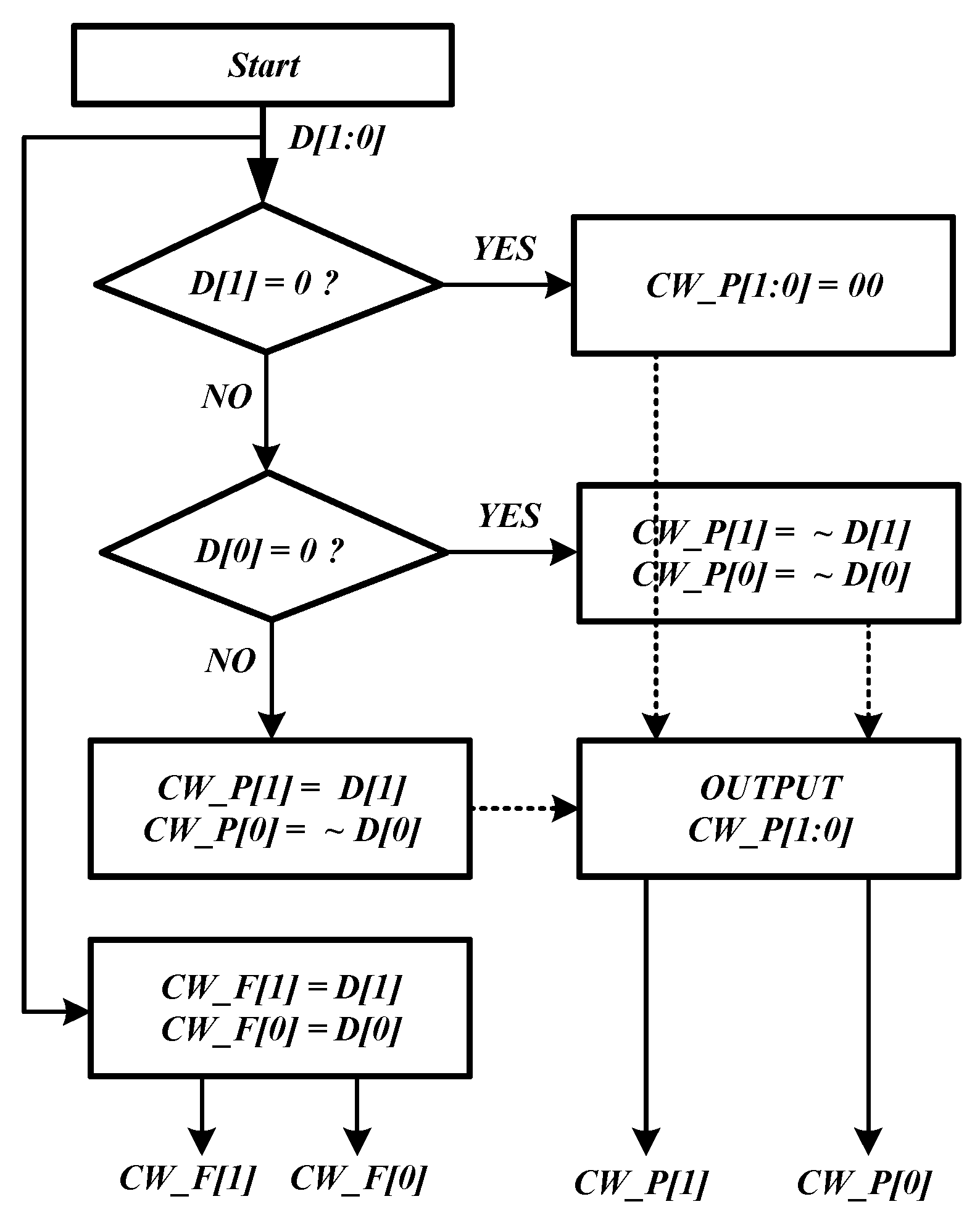
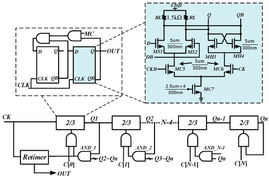
2.2. MMD Based on Adaptive Tunning
3. Other Building Blocks
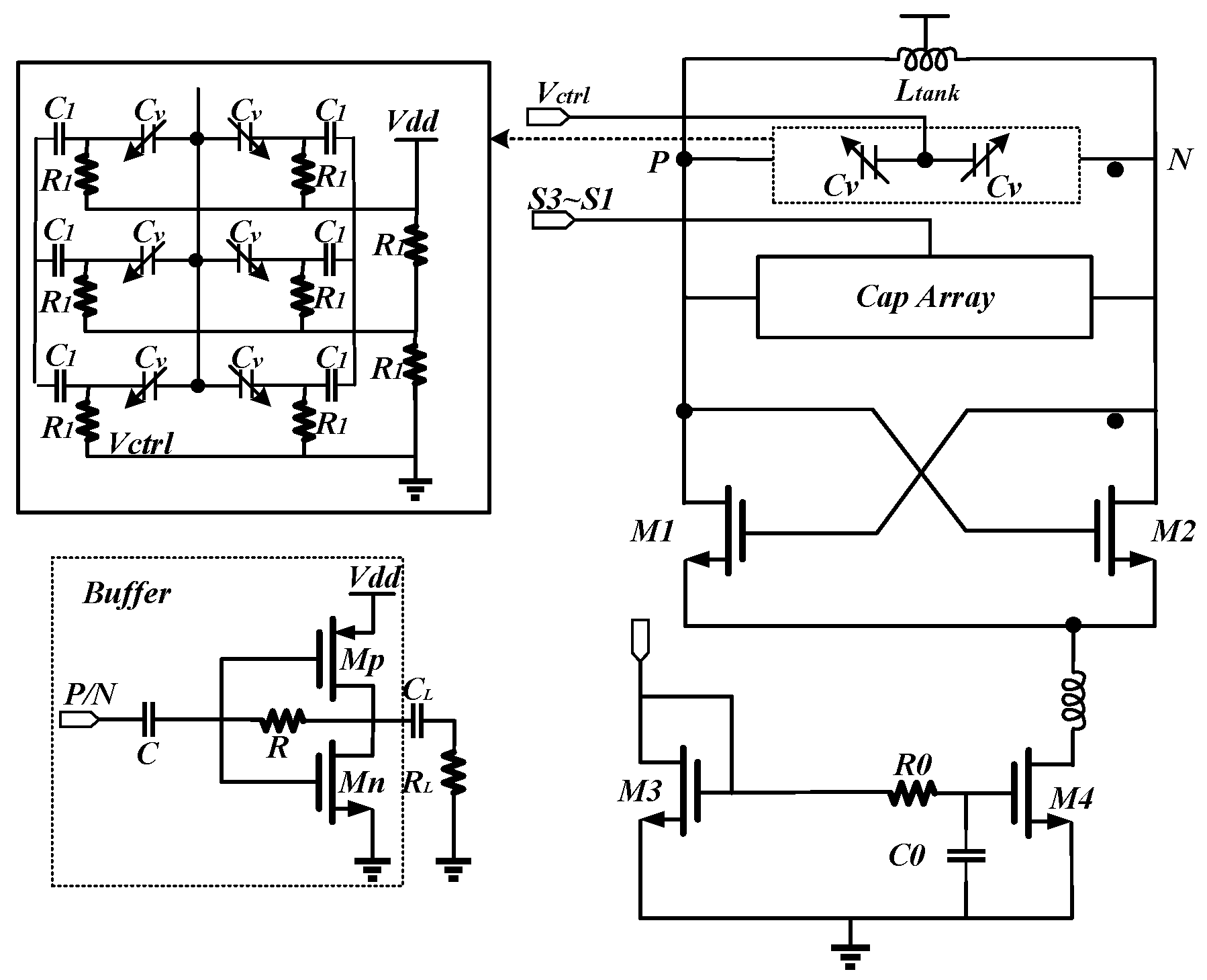
3.1. VCO
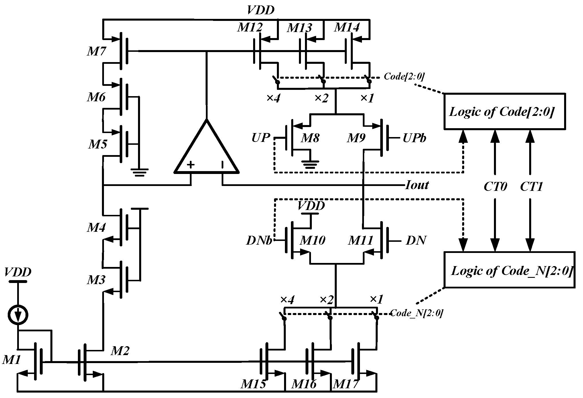
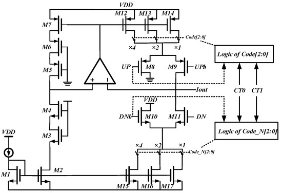
3.2. CP
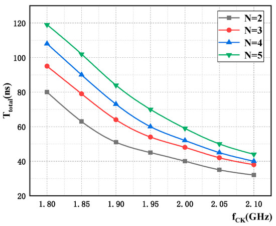
4. Measurement Results
5. Conclusions
Author Contributions
Funding
Data Availability Statement
Conflicts of Interest
References
- Ahmadi, M.R.; Pi, D.; Çatlı, B.; Singh, U.; Zhang, B.; Huang, Z.; Momtaz, A.; Cao, J. A 288 fs RMS jitter versatile 8–12.4 GHz wide-band Fractional-N synthesizer for SONET and SerDes communication standards in 40 nm CMOS. In Proceedings of the 2013 Symposium on VLSI Circuits, Kyoto, Japan, 12–14 June 2013; pp. 160–161. [Google Scholar]
- Chitimalla, D.; Kondepu, K.; Valcarenghi, L.; Tornatore, M.; Mukherjee, B. 5G Fronthaul–Latency and Jitter Studies of CPRI Over Ethernet. J. Opt. Commun. Netw. 2017, 9, 172–182. [Google Scholar] [CrossRef]
- Xie, G.-J.; Wang, C. An All-Digital PLL for Video Pixel Clock Regeneration Applications. In Proceedings of the 2009 WRI World Congress on Computer Science and Information Engineering, Los Angeles, CA, USA, 31 March–2 April 2009; pp. 392–396. [Google Scholar]
- Ahmed, H.; Benbouzid, M. On the Enhancement of Generalized Integrator-Based Adaptive Filter Dynamic Tuning Range. IEEE Trans. Instrum. Meas. 2020, 69, 7449–7457. [Google Scholar] [CrossRef]
- Dartizio, S.M.; Buccoleri, F.; Tesolin, F.; Avallone, L.; Santiccioli, A.; Iesurum, A.; Steffan, G.; Cherniak, D.; Bertulessi, L.; Bevilacqua, A.; et al. A 68.6 fsrms-total-integrated-jitter and 1.56μs-locking-time fractional-N bang-bang PLL based on type-II gear shifting and adaptive frequency switching. In Proceedings of the 2022 IEEE International Solid-State Circuits Conference, San Francisco, CA, USA, 20–26 February 2022; pp. 1–3. [Google Scholar]
- Shin, J.; Shin, H. A 1.9–3.8 GHz ∑Δ Fractional-N PLL Frequency Synthesizer with Fast Auto-Calibration of Loop Bandwidth and VCO Frequency. IEEE J. Solid-State Circuits 2012, 47, 665–675. [Google Scholar] [CrossRef]
- Lee, H.I.; Cho, J.K.; Lee, K.S.; Hwang, I.C.; Ahn, T.W.; Nah, K.S.; Park, B.H. A ∑Δfractional-N frequency synthesizer using a wide-band integrated VCO and a fast AFC technique for GSM/GPRS/WCDMA applications. IEEE J. Solid-State Circuits 2004, 39, 1164–1169. [Google Scholar]
- Hu, A.; Liu, D.; Zhang, K.; Liu, L.; Zou, X. A 0.045- to 2.5-GHz Frequency Synthesizer With TDC-Based AFC and Phase Switching Multi-Modulus Divider. IEEE Trans. Circuits Syst. I Regul. Pap. 2020, 67, 4470–4483. [Google Scholar] [CrossRef]
- Shin, J.; Shin, H. A Fast and High-Precision VCO Frequency Calibration Technique for Wideband Δ∑ Fractional-N Frequency Synthesizers. IEEE Trans. Circuits Syst. I Regul. Papers. 2010, 57, 1573–1582. [Google Scholar] [CrossRef]
- Peng, K.-C.; Lee, C.-H.; Chen, C.-H.; Horng, T.-S. Enhancement of Frequency Synthesizer Operating Range Using a Novel Frequency-Offset Technique for LTE-A and CR Applications. IEEE Trans. Microw. Theory Tech. 2013, 61, 1215–1223. [Google Scholar] [CrossRef]
- Liu, L.; Jin, J.; Liu, X.; Zhou, J. A Multi-Modulus Fractional Divider With TDC Free Calibration Scheme for Mitigation of TX-VCO Pulling. IEEE Trans. Circuits Syst. II Express Briefs 2020, 67, 2848–2852. [Google Scholar] [CrossRef]
- Kreisig, M.; Buhr, S.; El-Shennawy, M.; Ellinger, F. A 0.1–13 GHz Wide Range Multi-Modulus Divider with Adaptive Sensitivity for Broad Band Operation. In Proceedings of the 2018 IEEE 61st International Midwest Symposium on Circuits and Systems, Windsor, ON, Canada, 5–8 August 2018; pp. 901–904. [Google Scholar]
- Ryu, H.; Sung, E.-T.; Park, S.; Cho, J.-K.; Baek, D. Fast Automatic Frequency Calibrator Using an Adaptive Frequency Search Algorithm. IEEE Trans. Very Large Scale Integr. (VLSI) Syst. 2016, 25, 1490–1496. [Google Scholar] [CrossRef]
- Marutani, M.; Anbutsu, H.; Kondo, M.; Shirai, N.; Yamazaki, H.; Watanabe, Y. An 18 mW 90 to 770 MHz synthesizer with agile auto-tuning for digital TV-tuners. In Proceedings of the 2006 IEEE International Solid-State Circuits Conference–Digest of Technical Papers, San Francisco, CA, USA, 6–9 February 2006; pp. 681–690. [Google Scholar] [CrossRef]
- Gu, Q.J.; Gao, Z. A CMOS High Speed Multi-Modulus Divider With Retiming for Jitter Suppression. IEEE Microw. Wirel. Compon. Lett. 2013, 23, 554–556. [Google Scholar] [CrossRef]
- Luan, W.; Li, X.; Wang, D.; Wang, Z.; Lin, X.; Li, M. A 1.25–8.5 Gb/s wide range CDR with locking detector in 40 nm CMOS technology. In Proceedings of the 2019 IEEE International Conference on Electron Devices and Solid-State Circuits, Xi’an, China, 12–14 June 2019; pp. 1–3. [Google Scholar]
- Xu, Z.W.; Gu, Q.J.; Wu, Y.C.; Jian, H.Y.; Chang, M.C.F. A 70–78 GHz Integrated CMOS Frequency Synthesizer for W-Band Satellite Communications. IEEE Trans. Microw. Theory Tech. 2011, 59, 3206–3218. [Google Scholar] [CrossRef]
- Ray, M.; Souder, W.; Ratcliff, M.; Dai, F.; Irwin, J.D. A 13 GHz Low Power Multi-Modulus Divider Implemented in 0.13 μs SiGe Technology. In Proceedings of the 2009 IEEE Topical Meeting on Silicon Monolithic Integrated Circuits in RF Systems, San Diego, CA, USA, 19–21 January 2009; pp. 1–4. [Google Scholar]
- Andreani, P.; Sjoland, H. Tail current noise suppression in RF CMOS VCOs. IEEE J. Solid-State Circuits 2002, 37, 342–348. [Google Scholar] [CrossRef]
- Fong, N.; Plouchart, J.-O.; Zamdmer, N.; Liu, D.; Wagner, L.; Plett, C.; Tarr, N. A 1-V 3.8–5.7-GHz wide-band VCO with differentially tuned accumulation MOS varactors for common-mode noise rejection in CMOS SOI technology. IEEE Trans. Microw. Theory Tech. 2003, 51, 1952–1959. [Google Scholar] [CrossRef]
- Lee, B.-H.; Lin, Y.-Y.; Huang, T.-H. 2.4 GHz Wide-Tuning VCO Using Switchable IMOS-Based Varactor in 180-nm CMOS. In Proceedings of the 2021 IEEE International Symposium on Radio-Frequency Integration Technology, Hualien, Taiwan, 25–27 August 2021; pp. 1–3. [Google Scholar]
- Ahmad, A.A.; Ali, S.H.M.; Kamal, N.; Rahman, S.R.A.; Othman, M. Design of Phase Frequency Detector (PFD), Charge Pump (CP) and Programmable Frequency Divider for PLL in 0.18 um CMOS Technology. In Proceedings of the 2018 IEEE International Conference on Semiconductor Electronics, Kuala Lumpur, Malaysia, 15–17 August 2018; pp. 242–245. [Google Scholar]
- Ullah, F.; Liu, Y.; Wang, X.; Sarfraz, M.M.; Zhang, H. Bandwidth-enhanced differential VCO and varactor-coupled quadrature VCO for mmWave applications. AEU Int. J. Electron. Commun. 2018, 95, 59–68. [Google Scholar] [CrossRef]
- Hoyer, C.; Wagner, J.; Ellinger, F. A 60 GHz VCO with 654 MHz direct Frequency Modulation Bandwidth in 0.13-µm SiGe BiCMOS. In Proceedings of the 2021 International Conference on Electrical, Computer, Communications and Mechatronics Engineering, Réduit, Mauritius, 7–8 October 2021; pp. 1–4. [Google Scholar] [CrossRef]
- Herzel, F.; Panic, G.; Borngraber, J.; Kissinger, D. An Integrated VCO with Frequency Tripler in SiGe BiCMOS with a 1-dB Bandwidth from 22 GHz to 32 GHz for Multiband 5G Wireless Networks. In Proceedings of the 2019 12th German Microwave Conference, Stuttgart, Germany, 25–27 March 2019. [Google Scholar] [CrossRef]
- Holmeide, O.; Schmitz, M. USE of Gige vision Ethernet Cameras for Flight Test Applications without Data Loss. In Proceedings of the 2016 International Telemetering Conference, Glendale, AZ, USA, 8–10 November 2016; pp. 678–688. [Google Scholar]
- Habel, K.; del Rosal, L.F.; Weide, S.; Hilt, J.; Jungnickel, V.; Elschner, R.; Schubert, C.; Frey, F.; Fischer, J.K.; Freund, R. 5 Gbit/s real-time processing using π/4-shift DQPSK for bidirectional radio-over-fibre system. In Proceedings of the 2015 17th International Conference on Transparent Optical Networks, Budapest, Hungary, 5–9 July 2015; pp. 1–4. [Google Scholar] [CrossRef]




















| D [1:0] | PSMMD | FSMMD | D [4] | D [3] | D [2] | OSMMD | |
|---|---|---|---|---|---|---|---|
| Logical Synthesis | 0 | 0 | 0 | 1 | |||
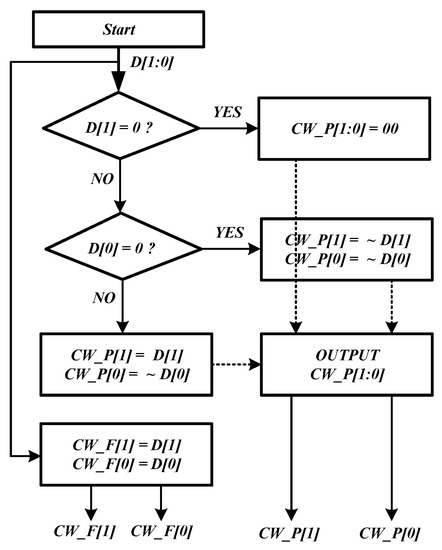
| CW_P [1:0] | CW_F [1:0] | 0 | 0 | 1 | 2 | ||
| 00 | 00 | 3 | 24 | 0 | 1 | 0 | 3 |
| 00 | 01 | 3 | 25 | 0 | 1 | 1 | 4 |
| 01 | 10 | 4 | 20 | 1 | 0 | 1 | 6 |
| 10 | 11 | 5 | 15 | 1 | 1 | 1 | 8 |
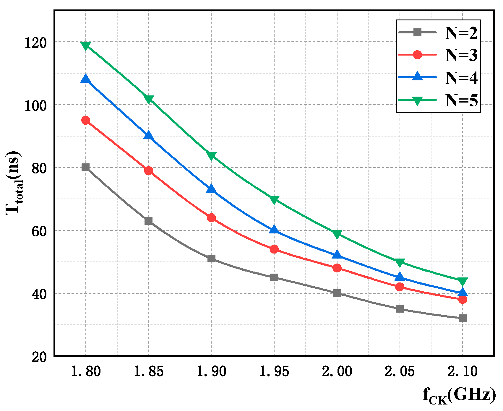
| fCK = 1.8 GHz | Slow Corner, 100 °C | Typical Corner, 27 °C | Fast Corner, 0 °C |
|---|---|---|---|
| N = 2 | 87 ns | 80 ns | 75 ns |
| N = 3 | 102 ns | 95 ns | 90 ns |
| N = 4 | 115 ns | 108 ns | 103 ns |
| N = 5 | 126 ns | 119 ns | 114 ns |
| Process | VCO TR/ GHz | LO Output Range/GHz | Power/ mW | Ref. Freq./ MHz | Lock Time (Including AFC Time) | Out-Band PN @ 1 MHz (dBc/Hz) | 1 | |
|---|---|---|---|---|---|---|---|---|
| [6] | 0.13 μm CMOS | 1.9–3.8 | 1.9–3.8 | 15.36 | 40 | <10.025 μs | <117.57 (fc = 3.8 GHz) | NA |
| [7] | 0.5 μm BiCMOS | 1.15–1.75 | 1.15–1.75 | 54.6 | 13 | 50 μs (AFC) | −129 (fc = 1.4 GHz) | −178 |
| [10] | 0.18 μm CMOS | 2.3–3.7 | 0.05–4.8 | 94 | 10/20 | <40 μs | −127 (fc = 1.8 GHz) | −211.2 |
| [14] | 0.11 μm CMOS | 1.5–2.4 | 0.09–0.77 | 20.28 | 6 | 90 μs 50 μs (AFC) | <100 @ 100 kHz | NA |
| This work | 0.18 μm CMOS | 1.79–2.05 | 0.047–0.625 | 30 | 25 | <29 μs | −128 (fc = 600 MHz) | −204 |
Disclaimer/Publisher’s Note: The statements, opinions and data contained in all publications are solely those of the individual author(s) and contributor(s) and not of MDPI and/or the editor(s). MDPI and/or the editor(s) disclaim responsibility for any injury to people or property resulting from any ideas, methods, instructions or products referred to in the content. |
© 2023 by the authors. Licensee MDPI, Basel, Switzerland. This article is an open access article distributed under the terms and conditions of the Creative Commons Attribution (CC BY) license (https://creativecommons.org/licenses/by/4.0/).
Share and Cite
Jiang, Y.; Yu, Y.; Tang, L.; Yang, J.; Lu, Y.; Yu, Z. A Low Jitter, Wideband Clock Generator for Multi-Protocol Data Communications Applications. Electronics 2023, 12, 3196. https://doi.org/10.3390/electronics12143196
Jiang Y, Yu Y, Tang L, Yang J, Lu Y, Yu Z. A Low Jitter, Wideband Clock Generator for Multi-Protocol Data Communications Applications. Electronics. 2023; 12(14):3196. https://doi.org/10.3390/electronics12143196
Chicago/Turabian StyleJiang, Yingdan, Yang Yu, Lu Tang, Junhao Yang, Yujia Lu, and Zongguang Yu. 2023. "A Low Jitter, Wideband Clock Generator for Multi-Protocol Data Communications Applications" Electronics 12, no. 14: 3196. https://doi.org/10.3390/electronics12143196
APA StyleJiang, Y., Yu, Y., Tang, L., Yang, J., Lu, Y., & Yu, Z. (2023). A Low Jitter, Wideband Clock Generator for Multi-Protocol Data Communications Applications. Electronics, 12(14), 3196. https://doi.org/10.3390/electronics12143196

