Next Article in Journal
A Curriculum Learning Approach for Multi-Domain Text Classification Using Keyword Weight Ranking
Previous Article in Journal
Wind Turbine Gearbox Gear Surface Defect Detection Based on Multiscale Feature Reconstruction
 
 
Font Type:
Arial Georgia Verdana
Font Size:
Aa Aa Aa
Line Spacing:
Column Width:
Background:
Article

Study on the Simulation of the EMU Body Operating Main Breaker Overvoltage and High-Voltage Side Suppression Method Based on the 3D Structure

School of Physical Science and Technology, Southwest Jiaotong University, Chengdu 610031, China
*
Author to whom correspondence should be addressed.
Electronics 2023, 12(14), 3037; https://doi.org/10.3390/electronics12143037
Submission received: 29 May 2023 / Revised: 29 June 2023 / Accepted: 5 July 2023 / Published: 11 July 2023
(This article belongs to the Section Microwave and Wireless Communications)

Abstract

:
Current circuit simulation research on EMU (Electric Multiple Unit) overvoltage has focused on overvoltage amplitude distribution and the oscillation frequency of the operating main circuit breaker overvoltage. However, when studying the suppression method, the overvoltage amplitude and frequency characteristics must be considered simultaneously, and few studies have reported on the overvoltage frequency distribution. In this paper, a new simulation model of train-operational main breaker overvoltage based on the 3D structure of the EMU body was proposed, which provided guidance for the study of overvoltage suppression in operational main circuit breakers. This model simulated the transient overvoltage characteristics and distribution of the vehicle body when the train operated the main circuit breaker. The simulated results showed that the first vehicle had the highest operating overvoltage amplitude, and the fourth vehicle had the lowest. The overvoltage amplitudes of vehicles 1–4 were all above 1 kV, and the main overvoltage oscillation frequencies of each vehicle were at 0.70 MHz and 1.30 MHz. The accuracy of the distribution characteristics and spectral characteristics of the operating main breaker overvoltage was verified by static tests on trains, and the simulation was considered to be in agreement with the test. Aiming at the problem that there was no universal suppression method for the operating main breaker overvoltage, a general suppression method for the overvoltage on the high-voltage side of the EMU was studied, and an overvoltage suppression device based on a grounding inductor was proposed. The inductance parameter requirements of the suppressor were theoretically analyzed, and the validity of the design of the inductance suppressor was experimentally verified.

1. Introduction

The main transport capacity of China’s railway transport is high-speed EMUs, in which strong electricity, weak electricity, and various electrical equipment coexist, resulting in a large number of equipment electromagnetic compatibility problems. Different from other large-scale power facilities, various types of on-board electrical equipment on high-speed EMUs can only indirectly connect the vehicle body of the EMU as a public place to the earth. Therefore, the potential fluctuation of the vehicle body or the grounding system will lead to the instability of on-board ground signals, which will cause the on-board equipment to fail, laying a hidden danger for the safe operation of the high-speed EMU, which may threaten the safety of the personnel on the vehicle in severe cases. The vehicle body and grounding system’s potential fluctuations are caused by various types of transient overvoltage, such as lifting bow overvoltage, excessive phase overvoltage, and operating main break (VCB) overvoltage. In extreme weather, overvoltage caused by lightning stroke catenary also occurs from time to time. The protective grounding points of the equipment in the high-voltage power supply system of the EMU are directly connected to the vehicle body. When overvoltage occurs, the vehicle body potential is changed, forming vehicle body overvoltage. Before and after the lifting bow and phase separation, the main circuit breaker is operated, so the overvoltage generated by the operation of the main circuit breaker occurs most frequently.
Current papers on train overvoltage focus on the amplitude distribution of the overvoltage. In [1], the transient overvoltage characteristics of each vehicle were analyzed, and the simulation showed that the main oscillation frequency of the vehicle was 800 kHz. By establishing a circuit simulation model, the surge overvoltage characteristics when the train lifts the pantograph and the surge voltage characteristics when the main circuit breaker operates were analyzed by Gao’s team, and the method of suppressing the overvoltage with parallel capacitors was proposed, and the effect of the overvoltage on the axle-end speed sensor was analyzed in [2,3,4,5]. The distribution of the overvoltage on the vehicle body when the EMU passes neutral sections was simulated using MATLAB/Simulink, and the suppression effect of the ground inductor and shunt capacitor on the overvoltage was studied in [6,7]. The characteristics of the surge overvoltage of the EMU pantograph lifting have been studied using PSCAD simulation software 2016, and the simulation results showed that the highest amplitude of overvoltage is 7.02 kV at the third vehicle in [8]. Japanese scholar Hatsukade S pointed out in [9] that AC vehicles grounded by low-impedance SIC resistors can effectively suppress body surge overvoltage. In [10,11,12,13], the mechanism of overvoltage generated by removing the no-load transformer was analyzed. In [14,15,16,17,18,19], the mechanism of the overvoltage generated by operating a vacuum circuit breaker was analyzed, and the suppression method was studied.
The research on train overvoltage in the above paper can be divided into field test research and circuit simulation research. In field tests of overvoltage, the voltage phase on the contact network is constantly changing, and the high-voltage condition makes the test process cumbersome. Existing circuit simulation research methods focus on the analysis of the amplitude of the main breaker overvoltage, while the simulation of the overvoltage spectrum characteristics is not accurate, especially in the high-frequency band above 1 MHz. In this paper, a new simulation method based on the actual 3D structure of the vehicle body is introduced to more accurately simulate and analyze the frequency and distribution characteristics of the operating main breaker overvoltage based on the existing research. On the other hand, the current main method of operating main break overvoltage suppression is to suppress overvoltage in the low-voltage section under the vehicle, such as changing the protective earthing path and mode, optimizing the protective earthing distribution and grounding impedance under the train, which does not form an effective suppression of the vehicle body lateral overvoltage that affects the on-board equipment. By carrying out overvoltage suppression in the low-voltage part under the train without starting from the overvoltage propagation path to the vehicle body, the overvoltage propagation cannot be suppressed at the source. It is difficult to form a common suppression method for operating overvoltage due to the large number of vehicle body protective earthing methods and the differences in different vehicle body protective earthing methods. In this paper, more accurate overvoltage frequency and amplitude distribution characteristics are studied by introducing a 3D structure simulation model. On this basis, a new method of suppressing the operating main breaker overvoltage in the train body with high applicability is proposed, which can prevent the on-board electrical equipment from being affected by overvoltage and malfunctioning and effectively improve the safety and reliability of the EMU operation.

2. Simulation Method of Operating Main Breaker Overvoltage

The main circuit breaker is operated when the EMU is passing through neutral sections or the pantograph is raised, causing a change in the state of the network side circuit of the EMU. The vehicle body generates operating overvoltage in the network side high-voltage line, transformer primary, vehicle body, and earthing system, which affects the electromagnetic compatibility of the vehicle body equipotential and on-board equipment.
When the train is running, the overvoltage generated by opening the circuit breaker is less than that generated by closing it [20]. Therefore, the situation of the circuit breaker at closing is the key point. When the traction main transformer is in a no-load condition, the traction network voltage is 27.5 kV, the peak voltage is 38.9 kV, the inductance and capacitance storage in the on-board high-voltage system is zero, and the high-voltage system produces a zero-state response under the action of an external excitation source. An overvoltage much larger than 27.5 kV was generated in the EMU high-voltage system and propagated to the vehicle body and grounding system through the distributed capacitance between the high-voltage cable cores and shield of the rolling stock, causing violent fluctuations in the potential of both, and then a high-frequency oscillation process occurred in the circuit, generating an operating overvoltage of 6.10 kV at maximum. The magnitude of the operating overvoltage value when the circuit breaker closes is related to the phase angle at closing, the inductance, and the capacitive components in the circuit [20]. The main path of the vehicle body coupling of the operating overvoltage to the vehicle body when the circuit breaker closes is that the overvoltage is coupled to the shielding layer by the distributed capacitance between the core of the high-voltage cable and the shielding layer and then propagated to the vehicle body by the connection path between the shielding layer and the vehicle body, and this process can be equated to the core forming a path to discharge the vehicle body through the distributed capacitance of the core and the shielding layer. The simplified equivalent circuit model of overvoltage generated when closing the circuit breaker is shown in Figure 1, where U is the traction supply voltage, the main breaker is equivalent to the ideal switch, RS and LS are the equivalent impedances of the high-voltage system, and C is the distributed capacitance of the high-voltage cable core to the shield.
It is known from the mechanism of the operating main breaker overvoltage that it is the result of the combined action of the contact network and the train high-voltage system. Therefore, when simulating the operating main breaker overvoltage, the traction power supply system, the train high-voltage system, the train body, and the train earthing system should be considered. In this paper, the characteristics of the operating main breaker overvoltage were analyzed by modeling the above sections in blocks in ANSYS simulation software 2022 with a certain type of train as a reference, then connecting each section one by one through the circuit and finally performing a common simulation.

2.1. Equivalent Model of Traction Power Supply System

The model of the traction power supply system can be divided into two parts: the traction substation and the contact network. A traction substation is usually considered a power supply with internal impedance, so its internal impedance is equated with resistance and inductance in the modeling. When modeling the contact network, the length of the power supply section is assumed to be 25 km. The contact wires and reflow rails are also expressed in terms of inductance and resistance. According to the typical parameters of chain type suspended single line traction network in China, the contact network impedance, return impedance and the distribution parameters between contact network and return path can be obtained. Table 1 shows the parameters of each part of the traction power supply system.

2.2. Equivalent Model of Train Traction Transformer

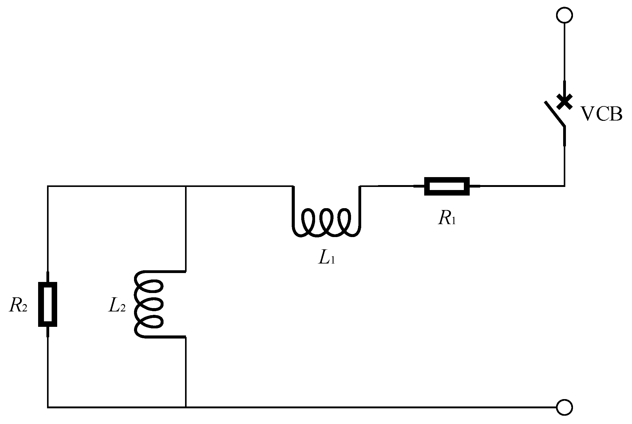
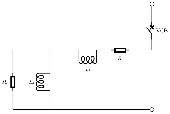
The train high-voltage system is an important factor affecting the operating main breaker overvoltage characteristics when the main circuit breaker operates to produce the operating main breaker overvoltage. The high-voltage system mainly consists of traction transformers and high-voltage cables. The traction transformer is in the no-load condition before and after the main circuit breaker operates, and the impedance of the traction transformer involved in the main circuit breaker operation state is the primary side impedance. The primary side impedance of the traction transformer is divided into primary side resistance, primary side leakage inductance, excitation inductance, and excitation resistance. The equivalent model of the traction transformer is shown in Figure 2. The primary side resistance R1 = 1.79 Ω, the primary side leakage inductance L1 = 2.9 mH, the excitation inductance L2 = 200 H, the excitation resistance R2 = 1430 Ω, and the main circuit breaker VCB is equivalent to the ideal switch.

2.3. Three-Dimensional Model of Vehicle Body, Cable, and Rail

Previous operational overvoltage simulation studies have used equivalent circuit models to construct high-voltage cables, train bodies, and rails. The equivalent circuit model has high accuracy in the simulation of low-frequency steady-state conditions, such as train traction reflow, but in the simulation of transient conditions of operating main breaker overvoltage due to the large geometry of the vehicle body and high-voltage cables and rails, their equivalent circuit model in the high-frequency band of the distribution parameters is missing or inaccurate. For example, if the transmission line model is used to equate the high-voltage cable and the quadrilateral inductor–resistor network is used to equate the vehicle body model, there will be a high-frequency band when the main breaker overvoltage is simulated, resulting in less accurate results. Therefore, in this paper, a joint simulation was performed by calling the parameters of the 3D structure of the vehicle body and high-voltage cables and rails with the equivalent circuits of other sections. The three parts of the model were built in accordance with the parameters of a certain type of train 1:1, and the material parameters were strictly set according to the actual materials of the train. As a result, the 3D structure of the vehicle body and high-voltage cable and rail model contains high-frequency distribution parameters, such as parasitic capacitance, which are missing in the equivalent circuit model. The parameters of the vehicle body and high-voltage cable model are shown in Table 2, and the vehicle body model and high-voltage cable cross-section model are shown in Figure 3 and Figure 4.

2.4. Earthing System and Operating Main Breaker Overvoltage Simulation Model

This type of train is an 8-group train, the 1st vehicle and the 8th vehicle are trailers, the 3rd vehicle and the 6th vehicle are trailers where traction transformers are located, and the 2nd vehicle, the 4th vehicle, the 5th vehicle, and the 7th vehicle are motor vehicles. The ground structure of vehicles 1–4 is completely symmetrical to that of vehicles 5–8. The 1st and 2nd axles of the 1st vehicle are set with protective earthing, and the 3rd and 4th axles are suspended. All axles of the 2nd vehicle are protective earthing. The 1st axle of the 3rd vehicle is suspended, the 2nd axle and the 3rd axle are working earthing, and the 4th axle is protective earthing. All axles of the 4th vehicle are protective earthing. The vehicle body maintains an equipotential connection through the connecting line, and the protective earthing is connected to the vehicle body through the central grounding terminal. The two observation points of the simulation model are at the connection points between the vehicle body and the two bogies. The operating main breaker overvoltage simulation model is shown in Figure 5.

2.5. Operating Overvoltage Experiment Test Method

This experiment is based on a certain type of EMU of China Railway, and the validity of the proposed 3D structure simulation model is verified. The voltage divider and four-channel acquisition card are used for the acquisition of operating overvoltages. The voltage divider is self-developed, and its function is to reduce the voltage amplitude on the secondary side of the voltage transformer to meet the input voltage requirements of the acquisition card. The voltage divider ratio is 1000:1. The voltage signal between the bottom of the car and the shaft end is collected by the acquisition device, and the test data are finally obtained through the data processing of the upper computer.

3. Simulation Analysis of Operating Main Breaker Overvoltage

Using the above model, the overvoltage of the high-voltage cable core is simulated when the circuit breaker is closed with the net voltage phase of 0 and π/2, respectively. There is no overvoltage response when the net voltage phase is 0. The transient response voltage can reach 43.97 kV and high-frequency oscillation occurs when the net voltage phase is π/2. As shown in Figure 6, compared with the transient voltage response when opening the circuit breaker, the response voltage when closing the circuit breaker is smaller in amplitude but extremely high in oscillation frequency, which is more likely to be harmful to the on-board equipment, so the operating overvoltage when closing the circuit breaker is the focus.
The overvoltage waveform of the third vehicle body, when the circuit breaker is closed with the net voltage phase of π/2, is shown in Figure 7a. The peak overvoltage of the third vehicle body was about 4.93 kV with a duration of about 35 μs. The overvoltage spectra of the first four vehicles are shown in Figure 7b. The overvoltage main oscillation frequencies of other vehicles under this network voltage phase are shown in Table 3. The third vehicle has a wider spectrum, with the same main oscillation frequencies of 0.7 MHz and 1.30 MHz as the other three vehicles. The overvoltage magnitudes of other vehicles under this network voltage phase are shown in Table 4, in which the first vehicle has a maximum overvoltage magnitude of 6.10 kV and the fourth vehicle has a minimum overvoltage magnitude of 1.38 kV. Since the vehicle body is the common ground of the on-board weak electrical equipment, this high-frequency and high-amplitude overvoltage shock affected the normal operation of weak electrical equipment, such as speed sensors and smoke alarms, which affected the operational safety of the EMU.

4. Operating Main Breaker Overvoltage Test

In this section, the operating main breaker overvoltage was analyzed in a certain type of real vehicle. The test is a static test in the garage during which the train pantograph catenary contacts and the main circuit breaker acts. The body overvoltage of the first four vehicles was monitored to obtain the distribution pattern under transient operating conditions. The test schematic diagram is shown in Figure 8. Each measuring point transmits the voltage signal through the transmission cable to the voltage divider and then through the coaxial cable to the data collector, and after digital processing, it is further processed by the monitoring system. The overvoltage collection point is shown in Figure 9. The operating overvoltage of the first four vehicles is acquired under the same network voltage phase, and the acquisition card records the four-way signal at the same time. Since the phase of the net voltage at the time of circuit breaker operation could not be determined during the test, the results of this test are the maximum values obtained after several acquisitions, and the phase of the net voltage is considered to be close to π/2 at this time.
Figure 10 shows the body overvoltage waveforms and the corresponding spectrum waveforms for the first four vehicles. Table 5 shows the comparison between the simulation and test of the operating main breaker overvoltage, which indicates that the vehicle body operating main breaker overvoltage amplitude distribution is identical. The first vehicle is the maximum, the fourth vehicle is the minimum, and the second and third vehicles are close. Except for the data of the fourth vehicle, the error between the simulation data and the test data is within 5%. The acquisition frequency of the test data is 10 MHz, and the sampling distortion of the overvoltage signal over 2 MHz is more serious and contains noise in the whole frequency band. Therefore, when comparing the simulation and the experiment, only the main oscillation frequency of the signal within 2 MHz is considered. In practice, the main circuit breaker closes once to generate multiple vibrations, while in the simulation model, the ideal switch instead of the main circuit breaker model does not show this situation, so the simulated overvoltage frequency data are slightly different from the test data. The main oscillation frequency of the overvoltage simulation data is concentrated around 0.70 MHz and 1.30 MHz. The main oscillation frequencies of the overvoltage simulation data are concentrated around 0.70 MHz and 1.30 MHz, but the overvoltage test data are mainly concentrated around 0.50 MHz and 1.10 MHz. The reason is that the impedance parameters in the model ground structure are not accurate, and the oscillation frequency is reduced due to the lack of modeling of other inductive components in the propagation path.

5. Demand Analysis of Operating Main Breaker Overvoltage Suppression Device

Since there is a problem of high overvoltage in the main breaker of the car operation of the moving train, it is important to study the method to suppress overvoltage. it can start from the three major elements of electromagnetic interference and can be divided into attenuating the source of interference, suppressing the propagation path, and improving the immunity of sensitive equipment. Considering the applicability of the overvoltage suppression method and the distribution method of the high-voltage cable of the EMU, the propagation path suppression method was easier to apply to the actual engineering. The shield of the high-voltage cable in the actual vehicle is not continuous, and each section of the shield is directly connected to the vehicle body at a single point, so the coupling path can be considered as a multi-section parallel circuit, and the shields of high-voltage cables of different trains are connected to the vehicle body, so the method of suppressing the overvoltage propagation path has generality. This paper explores a new type of vehicle operating main breaker overvoltage suppressor, which is connected in series between the high-voltage cable shield and the vehicle ground wire to achieve the suppression of the operating main breaker overvoltage without affecting the high-voltage cable shield grounding requirements. Its application location is shown in the blue box in Figure 11.
The operating overvoltage frequency of the main breaker is generally within 2 MHz [20], so an inductor-based suppression device is considered to suppress the propagation of overvoltage, which can act equivalently as a series voltage divider. When there is a high-frequency overvoltage, the change in current produces a magnetic field in the magnetic core and induces a potential in the winding, allowing the suppressor to divide part of the overvoltage, so that the suppressor takes away part of the overvoltage, so that the overvoltage of the vehicle and the grounding system is reduced. The expected suppression rate of the main break overvoltage of the vehicle’s operation can reach 20%, which can effectively reduce the risk of interference to sensitive equipment. The impedance of the suppression device is an important parameter in the voltage distribution. In order to significantly reduce the overvoltage on the vehicle body, the impedance of the suppression device should be greater than or equal to the impedance of the vehicle body and earthing system; that is, ZL ≥ ZC + ZG, ZL is the suppression device impedance, ZC is the vehicle body impedance, and ZG is the earthing system impedance. Establish the equivalent impedance of the earthing system between BC according to the distribution position of the grounded shaft end and build the equivalent impedance circuit between AC with the impedance of each part of the vehicle as a reference; the specific structure is shown in Figure 12. In the figure, RC and LC are the connection line impedance, RT and LT are the trailers’ protective ground impedance, RM and LM are the motor vehicles’ protective ground impedance, and RW and LW are the working ground impedance. Considering that the main frequency band of the overvoltage signal is 0.5–1.5 MHz, the whole vehicle impedance between AC is swept, and the whole vehicle impedance ZC + ZG in the main frequency band of the overvoltage signal is about 47~143 Ω. The suppressor inductance L ≥ 15 μH can be derived by substituting the corresponding frequency.
Distributed capacitance CT also exists between the contact network and the vehicle body. If the inductance of the installed suppressor is too large, the operating overvoltage will be discharged through the distributed capacitance between the contact network and the vehicle body and discharged directly on the roof of the vehicle, so the upper limit of the installed suppressor inductance must be analyzed, as shown in Figure 13. In the figure, C is the distributed capacitance of the core and shield, ZC is the equivalent impedance of the vehicle body, ZG is the equivalent impedance of the earthing system, and the overvoltage signal is applied between ports 1 and 2. The distributed capacitance is calculated by using the irregular capacitor approximation algorithm in [21], treating the contact network as an infinitely long flat wire, ignoring the end effect and arc sag effect of the contact network, and finally obtaining the distributed capacitance between the contact network and the vehicle body. The radius of the contact network is r. It can be regarded as a thin strip with a width of 2r and a length of l directly opposite the roof of the vehicle, taking the length of the vehicle as a, the width as b, and the distance between the two as dz. The calculation formula for flat capacitors is as follows:
d C = ε S d z ,
and the capacitance of a unit flat capacitor with a distance of dz is given by
1 C = d z ε S .
The distributed capacitance between the contact network and the vehicle body can be viewed as a series connection of several small flat capacitors, as shown below:
C = 1 0 h d z ε 2 r + h z b 2 r h a + z l a h .
Assuming that h is the distance from the contact network to the vehicle body, the distributed capacitance between the contact network and the vehicle roof can be obtained by integrating 0 to h for distance z. The integration area is the area within the trapezoidal table of the thin strip and the vehicle body directly opposite the connecting line, as shown in Figure 14.
Bringing in the corresponding parameters of the standard EMU, it can be derived that the distributed capacitance CS ≈ 81 pF, ZL + ZC + ZG << ZCs, and the value range of ZL is obtained as ZL ≤ ZCs/10. The upper limit of inductance L can be derived as 125 μH, so the range of L is 15 μH to 125 μH.
Therefore, the inductance of the suppressors was alternately set at 20 μH, 50 μH, and 100 μH, and they were placed between the high-voltage cable shield and the vehicle body ground wire in the third to sixth vehicles. In practical applications, inductors are usually made of wires wound on a core with loss resistance RL and distributed capacitance CL. Due to the presence of the distributed capacitance CL, the suppressor has a self-resonant frequency. In the simulation, CL = 2.53 pF, so that the resonant frequency of the suppressor is greater than the typical overvoltage frequency to ensure that the impedance of the suppressor is inductive, and RL = 100 mΩ.
The effect of changing the inductance of the suppressor on the operating main breaker overvoltage was simulated, and the simulation results for each vehicle body and axle-end overvoltage are shown in Table 6 and Table 7. The simulation data show that the suppressor has a suppression effect on both the vehicle’s operating overvoltage and the axle-end overvoltage, where the suppression rate of 50 μH and 100 μH inductors is more than 20%, and the suppression effect is better than that of 20 μH inductors.

6. Inductance Design of Main Breaker Overvoltage Suppression

Based on the simulation results in the previous section, the inductance of the suppressor was selected in the range of 50–100 μH, and the physical design of the suppressor was carried out. In order to enable the suppressor to function properly in the overvoltage frequency range, the self-resonant frequency f of the suppressor must be greater than the overvoltage frequency F. Taking the maximum overvoltage frequency F as 2 MHz, the distribution capacitance CL << 127 pF can be derived from the equivalent circuit. The main body of the suppression device is constructed as a spiral wound ring inductor, and the spiral coil inductance is as shown below:
L 0 μ 0 μ r N 2 h 2 π ln r 1 r 2 ,
where r1 is the outer radius of the core, r2 is the inner radius of the core, h is the height of the core, μ0 is the vacuum permeability, μr is the relative permeability of the core, and N is the number of turns of the coil. Setting r1 to 40 mm, r2 to 25 mm, h to 50 mm, and N to 20 turns, it is known that μ0 = 4π × 10 − 7 H/m, which is derived from Equation (4) as 26.6 < μr < 53.2.
From the simulation, it can be seen that the peak current through the 100 μH coil is about 97 A and the peak voltage is about 18.54 kV. The peak current through the 50 μH coil is about 94 A and the peak voltage is about 13.25 kV when overvoltage is generated. The magnetic induction strength of the spiral coil ring is given by
B = μ 0 μ r N I 0 π r 1 + r 2 ,
where I0 is the current flowing through the coil. The maximum transient magnetic induction strength of the core during the overvoltage period is 0.31 T–0.63 T. During this time period, the voltage across the inductor alternately changes, which can be regarded as the inductor working in a switching circuit. From the volt-second relationship, the sum of the volt-second product of the inductor in the overvoltage time should tend to 0 to ensure that the inductor will not be magnetically saturated.
The simulated overvoltage waveform across the suppressor with 50 μH inductance is shown in Figure 15. This waveform is the overvoltage waveform when the traction substation voltage phase is at 90° when the circuit breaker is closed, which is the maximum overvoltage waveform. The volt-second product of the waveform with more pronounced oscillation is as follows:
V d t = N Δ B S L ,
where SL is the core cross-sectional area, the maximum overvoltage waveform case remanent magnetization increment is about 0.033 T, while the phase angle is not fixed when the circuit breaker closes, If the probability of closing the circuit breaker at any pantograph catenary voltage phase is equal, it can be regarded as the residual flux increment offset. The first peak is 13.25 kV and the second peak is 9.97 kV. These two wave crests with large overvoltage peaks can saturate the core. Separate calculations for these two wave crests show that the increment of magnetic induction intensity within the first wave crest is about 0.27 T and within the second wave crest is about 0.39 T. Similarly, the maximum magnetic induction intensity increment of the suppressor with an inductance of 100 μH is 0.67 T.
The modeling is performed in the simulation software, and the relative permeability of the core is set to 30 and 50 to obtain the inductance corresponding to the relative permeability, as shown in Figure 16.
The core material must meet the theoretically calculated relative permeability, maximum transient magnetic induction, and maximum magnetic induction increment requirements to avoid magnetic saturation. Therefore, iron powder core materials with a saturation magnetic induction of 1.4 T and a relative permeability between 10 and 100 can meet the core requirements. At the same time, according to the simulation results, the maximum voltage at both ends of the suppression device reaches 18.5 kV, so the winding wire of the spiral coil must be able to withstand a voltage higher than 18.5 kV. In summary, the physical design of the suppressor requires the selection of a winding that can withstand 20 kV.

7. Operating Main Breaker Overvoltage Suppression Inductor Parameter Verification

From the conclusion of the previous section, it is clear that the effective relative permeability of the iron powder core as a core material decreases with increasing frequency, as shown in Figure 17. The relative permeability of the magnetic core decreases from 57 to 35 in the overvoltage frequency band. The main parameters are listed in Table 8. The impedance analyzer TH2851-030, ChangZhou Tonghui Electronics Co., Ltd., Changzhou, China, was used to sweep the suppressor from 100 kHz to 10 MHz with a sweep voltage of 500 mV. The site layout is shown in Figure 18 and the impedance curve is shown in Figure 19.
The impedance curve shows that the physical inductance of the suppressor drops from 112 μH to 67 μH over 100 kHz–2 MHz, and the test results are consistent with the calculations. The resonance point is at 6.8 MHz, and the resonance equation is as shown below.
f = 1 2 π L C ,
where L is the suppressor inductance and C is the suppressor distribution capacitance, which is calculated to be CL = 9.4 pF. All of the above characteristics parameters satisfy the theoretical design and the suppressor is expected to operate in the overvoltage band.

8. Conclusions

In this paper, a new simulation method based on the 3D structure of the vehicle body and high-voltage cables and rails was proposed for the simulation of a train’s operating main breaker overvoltage. A new type of train operating main breaker overvoltage simulation model was formed by establishing equivalent circuit models for the traction power supply system, main circuit breaker, train traction transformer, and train grounding structure and cascading them with the 3D model. The first four vehicles were simulated by modeling the amplitude and frequency of the operating main breaker overvoltage, while a test of the static operating main breaker overvoltage of the existing vehicle was conducted. The simulation and test results show that:
(1) The simulation data and test data are consistent in the distribution pattern of overvoltage amplitude. The first vehicle is the maximum, the fourth vehicle is the minimum, and the second vehicle and the third vehicle are close in magnitude; the error in overvoltage magnitude is small (except for the fourth vehicle, which does not exceed 5%).
(2) Both the simulation data and test data show two main oscillation frequencies in the overvoltage frequency distribution, with errors close to each other: 0.70 MHz and 1.30 MHz in the simulation and 0.50 MHz and 1.10 MHz in the test.
Therefore, it is considered that the simulation model based on the 3D structure has high precision simulation capability and can analyze the amplitude and frequency distribution characteristics of the main operating overvoltage of the vehicle body more accurately, which can provide guidance for the research of the main operating overvoltage suppression method. Then, for the problem of overvoltage caused by the main breaker of the train’s operation, this paper proposes a method to suppress the overvoltage propagation from the high-voltage side. In the high-voltage cable shield and the vehicle body ground wire in series with the main inductor suppression device, the high-voltage cable shield grounding method was changed from direct grounding to inductive grounding in the form of voltage division to reduce the vehicle body overvoltage. This method is more applicable than the traditional low-voltage side to reduce the peak overvoltage at the axle end and can effectively suppress the transverse and axle-end overvoltage of the vehicle body. The suppression rate of the suppression device with an inductance of 50 μH–100 μH is more than 20%, and it makes the on-board electronic equipment with the vehicle body as the common ground less subject to interference from operating main breaker overvoltage, further improving the electromagnetic compatibility of the train’s on-board equipment. After designing the physical suppression device based on the theoretical analysis and simulation results, the parameters of the suppression device were verified by an impedance analyzer and matched with the design. The device is expected to suppress the operating main breaker overvoltage, reduce the risk of failure of on-board weak electrical equipment due to operating overvoltage, and improve the safety of rolling stock operation.
This paper still leaves the following problems to be improved and discussed.
(1) Due to the limited experimental time and conditions, the high-voltage side overvoltage suppressor has not been experimentally verified on a train, and further verification work has to be carried out subsequently.
(2) This paper only proposes a suppression method for the propagation path of the interference, and the subsequent research on the grounding method of the on-board weak electrical equipment and the mutual disturbance relationship between the equipment can be carried out from the aspect of improving the immunity of sensitive equipment.

Author Contributions

Conceptualization, Q.Q. and J.Z.; methodology, L.L. and Q.Q.; software, Q.W. and X.L.; resources, J.Z. and X.T.; writing—review and editing, L.L. All authors have read and agreed to the published version of the manuscript.

Funding

This research was funded by The Fundamental Research Operation Funds of the Central Universities of China, grant number 2682021ZTPY128, 2682021ZT039 and the Key R&D Project of Sichuan Science and Technology Department, grant number 22ZDYF3091.

Data Availability Statement

The data that support the findings of this study are available from the corresponding author upon reasonable request. The data are not publicly available as they are also part of an ongoing study.

Conflicts of Interest

The funders had no role in the design of the study; in the collection, analyses, or interpretation of data; in the writing of the manuscript; or in the decision to publish the results.

References

  1. Zhang, T.; Pu, Z. Switching Overvoltage Characteristics of Intercity EMU When Circuit Breaker Closing. Insul. Surge Arresters 2021, 304, 81–87. [Google Scholar]
  2. Gao, G.; Chen, P. Research on Vehicle mounted Vacuum Circuit Breaker Interrupting Overvoltage. J. China Railw. Soc. 2017, 39, 62–67. [Google Scholar]
  3. Wan, Y.; Liu, Y. Influence of Grounding Mode on Surge Overvoltage Caused by Pantograph Raising in High-speed EMU. J. China Railw. Soc. 2017, 39, 32–37. [Google Scholar]
  4. Zhang, G.; Gao, G. Impact Mechanism of EMU Body Overvoltage on the Shaft End Speed Sensor. Urban Mass Transit 2019, 39, 32–37. [Google Scholar]
  5. Gao, G.; Wan, Y. Propagation Characteristics and Influence Mechanism of Vacuum Circuit Breaker Switching Over-voltage on High-speed Electric Multiple Unit. High Volt. Eng. 2018, 44, 655–663. [Google Scholar]
  6. Tian, Z.; Chen, Z. Study on the EMU Body Overvoltage of Automatic Power Failure Passing Neural Section Device. Electr. Eng. 2021, 554, 5–8. [Google Scholar]
  7. Tian, Z.Q. Train Grounding System Improvement Based on Balanced Rail Circulation and Body Transient Overvoltage. Ph.D. Thesis, Southwest Jiaotong University, Chengdu, China, 2021. [Google Scholar]
  8. Cao, B.; Song, Y. Simulation Analysis of Surge Voltage of Rising Pantograph for High-speed Electric Multiple Unit Based on PSCAD. High Volt. Eng. 2018, 44, 2746–2753. [Google Scholar]
  9. Hatsukade, S.; Fujino, K.; Kanno, S. Suppressing overvoltage on car bodies of a highspeed EMU. In Proceedings of the 2013 15th European Conference on Power Electronics and Applications (EPE), Lille, France, 2–6 September 2013. [Google Scholar]
  10. Hong, S. Close-Operation Overvoltage of No-Load Transmission Line with Fault Current Limiter. Appl. Mech. Mater. 2014, 3546, 1373–1379. [Google Scholar]
  11. Liao, Y. Breakdown failure analysis of 220 kV cable joint with large expanding rate under closing overvoltage. Eng. Fail. Anal. 2021, 120, 105086. [Google Scholar] [CrossRef]
  12. Han, W.; Rao, X. Simulation Calculation of Overvoltage Caused by Switching off Unloaded Transformer. Smart Power 2009, 37, 38–42. [Google Scholar]
  13. Cai, H.; Chen, X. The Overvoltage of No-load Transformer Closing in Black Start Process and lts Restrictions. South. Power Syst. Technol. 2012, 6, 13–18. [Google Scholar]
  14. Shi, Z.; Sun, J. Overvoltage Simulation and Protection of 126 kV Vacuum Circuit Breaker. High Volt. Appar. 2017, 53, 132–140. [Google Scholar]
  15. Xiao, S. The characteristic analysis of the operational overvoltage caused by the vacuum circuit breakers on High-speed trains. J. Electr. Eng. Technol. 2021; in press. [Google Scholar]
  16. Fan, G.; Fan, C. Overvoltage Analysis of 12 kV Vacuum Circuit Breaker Switching Reactive Power Compensation Circuit. High Volt. Appar. 2017, 53, 135–140. [Google Scholar]
  17. Wang, D.; Zhou, H. Research on Overvoltage Suppression by Blocking Diode and DC Circuit Breaker in LCC-VSC Hybrid HVDC System. IEEE Access 2021, 9, 131042–131053. [Google Scholar]
  18. Shleyfman, I.L. Interruption of Inductive Load Currents with High-Voltage Circuit Breakers. Power Technol. Eng. 2014, 48, 71–73. [Google Scholar] [CrossRef]
  19. Zhou, W.; Tang, W. Overvoltage and lts Protection of Switching Shunt Reactors by Vacuum Circuit Breakers in Offshore Wind Farms. Autom. Electr. Power Syst. 2018, 42, 77–83. [Google Scholar]
  20. Zhang, T.H. Research on Electromagnetic Interference To Speed Sensor by Operating Overvoltage of EMU. Ph.D. Thesis, Southwest Jiaotong University, Chengdu, China, 2021. [Google Scholar]
  21. Li, J. Measurement and Analysis of Overvoltage in Power System; John Wiley & Sons: Hoboken, NJ, USA, 2018. [Google Scholar]
Figure 1. Closed circuit breaker generating overvoltage analysis model. Note: RS and LS are the equivalent impedances, and C is the distributed capacitance.
Figure 1. Closed circuit breaker generating overvoltage analysis model. Note: RS and LS are the equivalent impedances, and C is the distributed capacitance.
Electronics 12 03037 g001
Figure 2. The equivalent model of the traction transformer. Note 1: L1 is the primary side leakage inductance, and L2 is the excitation inductance. Note 2: R1 is the primary side resistance, and L2 is the excitation resistance.
Figure 2. The equivalent model of the traction transformer. Note 1: L1 is the primary side leakage inductance, and L2 is the excitation inductance. Note 2: R1 is the primary side resistance, and L2 is the excitation resistance.
Electronics 12 03037 g002
Figure 3. Three-dimensional model of the vehicle body and high-voltage cable.
Figure 3. Three-dimensional model of the vehicle body and high-voltage cable.
Electronics 12 03037 g003
Figure 4. Cross section of high-voltage cable.
Figure 4. Cross section of high-voltage cable.
Electronics 12 03037 g004
Figure 5. Operating main breaker overvoltage simulation model.
Figure 5. Operating main breaker overvoltage simulation model.
Electronics 12 03037 g005
Figure 6. High-voltage cable core voltage when closing the circuit breaker.
Figure 6. High-voltage cable core voltage when closing the circuit breaker.
Electronics 12 03037 g006
Figure 7. Overvoltage simulation waveform and frequency spectrum. (a) Overvoltage simulation waveform of the third vehicle body. (b) Overvoltage frequency spectrum of the first four vehicle bodies.
Figure 7. Overvoltage simulation waveform and frequency spectrum. (a) Overvoltage simulation waveform of the third vehicle body. (b) Overvoltage frequency spectrum of the first four vehicle bodies.
Electronics 12 03037 g007
Figure 8. Overvoltage acquisition schematic diagram.
Figure 8. Overvoltage acquisition schematic diagram.
Electronics 12 03037 g008
Figure 9. Overvoltage collection point. (a) The measuring points of the bogie and the vehicle body. (b) The measuring point of the equipment under the vehicle body.
Figure 9. Overvoltage collection point. (a) The measuring points of the bogie and the vehicle body. (b) The measuring point of the equipment under the vehicle body.
Electronics 12 03037 g009
Figure 10. Overvoltage testing waveform and frequency spectrum. (a) Vehicles 1–4 operating overvoltage testing waveform. (b) Vehicles 1–4 operating overvoltage testing spectrum.
Figure 10. Overvoltage testing waveform and frequency spectrum. (a) Vehicles 1–4 operating overvoltage testing waveform. (b) Vehicles 1–4 operating overvoltage testing spectrum.
Electronics 12 03037 g010
Figure 11. Overvoltage propagation path 1.
Figure 11. Overvoltage propagation path 1.
Electronics 12 03037 g011
Figure 12. Vehicle equivalent impedance. Note 1: RT, RM, RW, LT, LM, and LW are the protective ground resistance and inductance. Note 2: RC and Lc are the connection line impedance. Note 3: A, B and C are the observation point.
Figure 12. Vehicle equivalent impedance. Note 1: RT, RM, RW, LT, LM, and LW are the protective ground resistance and inductance. Note 2: RC and Lc are the connection line impedance. Note 3: A, B and C are the observation point.
Electronics 12 03037 g012
Figure 13. Overvoltage propagation path 2. Note: ZC and ZG are the equivalent impedance. C is the distributed capacitance. L is the suppressor inductor.
Figure 13. Overvoltage propagation path 2. Note: ZC and ZG are the equivalent impedance. C is the distributed capacitance. L is the suppressor inductor.
Electronics 12 03037 g013
Figure 14. Integral domain.
Figure 14. Integral domain.
Electronics 12 03037 g014
Figure 15. Inductive overvoltage simulation waveform at 50 μH.
Figure 15. Inductive overvoltage simulation waveform at 50 μH.
Electronics 12 03037 g015
Figure 16. Suppressive device inductance at different relative conductivities of magnetic cores.
Figure 16. Suppressive device inductance at different relative conductivities of magnetic cores.
Electronics 12 03037 g016
Figure 17. The relative permeability of iron core material varies with frequency.
Figure 17. The relative permeability of iron core material varies with frequency.
Electronics 12 03037 g017
Figure 18. Ground test for the verification of the suppression device parameters.
Figure 18. Ground test for the verification of the suppression device parameters.
Electronics 12 03037 g018
Figure 19. Results of the inhibition device.
Figure 19. Results of the inhibition device.
Electronics 12 03037 g019
Table 1. Parameters of the traction power supply system.
Table 1. Parameters of the traction power supply system.
Traction Power Supply PartsValue
Traction network voltage38.89 sin 100π kV
Equivalent resistance of traction substation0.165 Ω
Equivalent inductance of traction substation10.8 mH
Catenary wire resistance4.45 Ω
Catenary wire inductance35.7 mH
Distributed capacitance between catenary and rails0.1342 μF
Return path resistance1.0125 Ω
Return path inductance3.24 mH
Table 2. Parameters of the vehicle body.
Table 2. Parameters of the vehicle body.
Parameter NameValue
Body size25,650 mm × 3354 mm × 3260 mm
Carriage thickness4 mm
Body materialAluminum
Inner conductor radius of high-voltage cable8 mm
Inner radius of high-voltage cable shielding layer15.5 mm
Shielding thickness of high-voltage cable0.375 mm
High-voltage cable conductor materialCopper
Table 3. Overvoltage frequency of the first four vehicle bodies.
Table 3. Overvoltage frequency of the first four vehicle bodies.
Vehicle NumberOvervoltage Frequency f/MHz
11.2913
21.2879
31.2914
41.2906
Table 4. Overvoltage amplitude of the first four vehicle bodies.
Table 4. Overvoltage amplitude of the first four vehicle bodies.
Vehicle NumberOvervoltage Amplitude V/kV
16.10
24.69
34.93
41.38
Table 5. Comparison of operating main breaker overvoltage simulation and test data.
Table 5. Comparison of operating main breaker overvoltage simulation and test data.
Vehicle NumberTest Overvoltage Amplitude V/kVSimulation Overvoltage Amplitude V/kVError
16.246.102.2%
24.584.692.4%
34.794.932.9%
41.581.3812.6%
Table 6. Simulation results of the operating overvoltage of the bodies of vehicles 1–4 under different inductance of suppression device.
Table 6. Simulation results of the operating overvoltage of the bodies of vehicles 1–4 under different inductance of suppression device.
Vehicle NumberNo Inductor20 μH Inductor50 μH Inductor100 μH Inductor
16.104.313.602.87
24.693.973.312.64
34.933.562.972.37
41.381.160.930.78
Table 7. Simulation results of operating overvoltage at the axle ends of vehicles 1–4 with different inductance of suppression devices (typical axle ends for each vehicle).
Table 7. Simulation results of operating overvoltage at the axle ends of vehicles 1–4 with different inductance of suppression devices (typical axle ends for each vehicle).
Vehicle Number—Axle NumberNo Inductor20 μH Inductor50 μH Inductor100 μH Inductor
1–12.241.851.551.23
2–10.670.560.460.37
3–10.250.180.110.08
3–21.921.581.321.06
4–10.750.590.500.40
Table 8. Main parameters of the inhibitory device.
Table 8. Main parameters of the inhibitory device.
Inner Radius of Magnetic Core
r2/mm
Outer Radius of Magnetic Core
r1/mm
Magnetic Core Height
h/mm
Wire Core Radius
/mm
TurnsRelative Permeability Variation Range
(Decreases as Frequency Increases)
24.639.851.20.52057–30
Disclaimer/Publisher’s Note: The statements, opinions and data contained in all publications are solely those of the individual author(s) and contributor(s) and not of MDPI and/or the editor(s). MDPI and/or the editor(s) disclaim responsibility for any injury to people or property resulting from any ideas, methods, instructions or products referred to in the content.

Share and Cite

MDPI and ACS Style

Liu, L.; Zhang, J.; Wang, Q.; Li, X.; Tang, X.; Qin, Q. Study on the Simulation of the EMU Body Operating Main Breaker Overvoltage and High-Voltage Side Suppression Method Based on the 3D Structure. Electronics 2023, 12, 3037. https://doi.org/10.3390/electronics12143037

AMA Style

Liu L, Zhang J, Wang Q, Li X, Tang X, Qin Q. Study on the Simulation of the EMU Body Operating Main Breaker Overvoltage and High-Voltage Side Suppression Method Based on the 3D Structure. Electronics. 2023; 12(14):3037. https://doi.org/10.3390/electronics12143037

Chicago/Turabian Style

Liu, Lei, Jianqiong Zhang, Qingfeng Wang, Xiangqiang Li, Xianfeng Tang, and Qi Qin. 2023. "Study on the Simulation of the EMU Body Operating Main Breaker Overvoltage and High-Voltage Side Suppression Method Based on the 3D Structure" Electronics 12, no. 14: 3037. https://doi.org/10.3390/electronics12143037

APA Style

Liu, L., Zhang, J., Wang, Q., Li, X., Tang, X., & Qin, Q. (2023). Study on the Simulation of the EMU Body Operating Main Breaker Overvoltage and High-Voltage Side Suppression Method Based on the 3D Structure. Electronics, 12(14), 3037. https://doi.org/10.3390/electronics12143037

Note that from the first issue of 2016, this journal uses article numbers instead of page numbers. See further details here.

Article Metrics

Back to TopTop