An Integrated Off-Line Echo Signal Acquisition System Implemented in SoC-FPGA for High Repetition Rate Lidar
Abstract
1. Introduction
2. Instruments and Methods
2.1. Lidar Automatic Control System
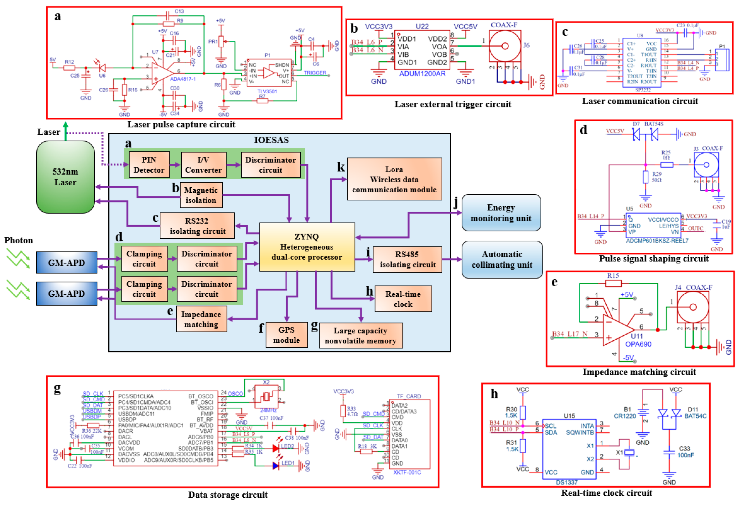
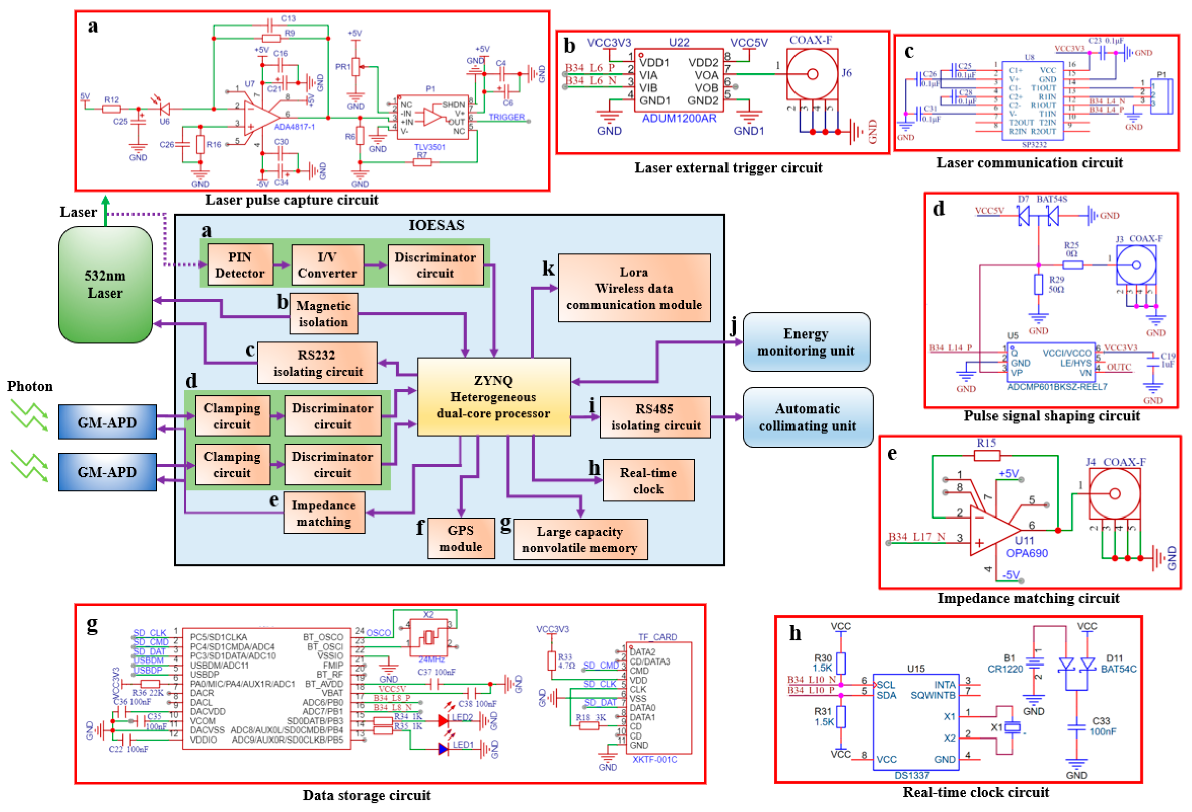
- (a)
- Laser pulse capture circuit: This circuit consists of a PIN detector, a trans-impedance amplifier circuit (current-to-voltage conversion), and a high-speed comparison circuit. The PIN detector is a DET10A2 [27] (Thorlabs, Newton, NJ, USA), which has a response rate of 0.26 A/W at 532 nm and a bandwidth of 350 MHz. The trans-impedance amplifier circuit consists of a FET amplifier ADA4817-1 [28] (Analog Device, Wilmington, MA, USA) combined with peripheral circuitry, which has a large bandwidth, high swing rate, and low noise. The core device of the high-speed comparison circuit is a TLV3501 [29] (Texas Instruments, Dallas, TX, USA) with a fast response delay of 4.5 ns and a rail-to-rail input-output function;
- (b)
- Laser external trigger circuit: The IOESAS outputs a periodic pulsed signal to trigger the laser to emit light. To extend the laser life, the trigger circuit can cause the laser to emit light intermittently. This function is performed by ZYNQ’s FPGA and ARM together;
- (c)
- Laser communication circuit: it consists of a level conversion chip SP3232 [30] (MaxLinear, Carlsbad, CA, USA) and capacitors to complete the conversion between the LVTTL level and RS232 level;
- (d)
- Pulse signal shaping circuit: It consists of a clamp protection circuit, a 50 Ω impedance matching circuit, and a high-speed comparator AD602 [31] (Analog Device, Wilmington, MA, USA). AD602 converts the input signal into a standard signal at LVTTL level with a delay time of about 3 ns;
- (e)
- Circuit for matching impedance: OPA690 [32] (Texas Instruments, Dallas, TX, USA) amplifies the gated signal (LVTTL level) produced from IOESAS to conduct pulse amplification and impedance matching, allowing the single photon detector to turn on the detecting function within a defined time;
- (f)
- GPS module interface circuit: the GPS inertial navigation sensor JY-GPSIMU (Wit motion, Shenzhen, China) is connected via a serial communication interface.
- (g)
- Data storage circuit: IOESAS stores the collected data on a USB flash disk with a maximum storage capacity of 128 GB;
- (h)
- Real-time clock circuit: the real-time clock chip DS1337 (Analog Device, Wilmington, MA, USA) provides clock/calendar information with an accuracy of seconds, and the data are transferred to the IOESAS via the I2C (Inter-Integrated Circuit) bus;
- (i)
- The IOESAS communicates via the RS485 bus with the Picomotor controller, which drives the adjustment frame 8822-AC [33] (New Port, Irvine, CA, USA), thus completing the adjustment of the laser beam azimuth and pitch angle of the laser beam.
- (j)
- Power is monitored using a PM101 [34] controller and an S470C thermal probe (Thorlabs, Newton, NJ, USA), which can detect wavelengths from 250 nm–10.6 µm with a resolution of 10 µW, a response time of 6.5 s and a maximum optical power density of 35 W/cm² (Avg). The IOESAS configures the PM101 via the serial port (including wavelength, range, resolution, etc.) and reads the power data;
- (k)
- Wireless communication circuit: Wireless data transmission is achieved by the Lora wireless communication module with data encryption and fixed-point transmission function. The module transmits at a power of 1000 mW, with a maximum transmission distance of 10 km.
2.2. Data Acquisition System of Lidar
3. Experimental Results and Analysis
3.1. Lidar System Control and Status Monitoring
3.2. Data Acquisition Function Test
3.3. Lidar Observation Results
4. Conclusions
Author Contributions
Funding
Institutional Review Board Statement
Informed Consent Statement
Data Availability Statement
Acknowledgments
Conflicts of Interest
References
- Ceolato, R.; Berg, M.J. Aerosol light extinction and backscattering: A review with a lidar perspective. J. Quant. Spectrosc. Radiat. Transf. 2021, 262, 107492. [Google Scholar] [CrossRef]
- Xie, C.; Zhao, M.; Wang, B.; Zhong, Z.; Wang, L.; Liu, D.; Wang, Y. Study of the scanning lidar on the atmospheric detection. J. Quant. Spectrosc. Radiat. Transf. 2015, 150, 114–120. [Google Scholar] [CrossRef]
- Comeron, A.; Munoz-Porcar, C.; Rocadenbosch, F.; Rodriguez-Gomez, A.; Sicard, M. Current Research in Lidar Technology Used for the Remote Sensing of Atmospheric Aerosols. Sensors 2017, 17, 1450. [Google Scholar] [CrossRef] [PubMed]
- Zhao, Y.; Wang, Y.; Liang, C.; Wang, J.; Fang, J.; Zhou, M. Study of Mixed Pollution of Haze and Dust in Jinan Based on LiDAR. Photonics 2022, 9, 144. [Google Scholar] [CrossRef]
- Xian, J.; Sun, D.; Xu, W.; Han, Y.; Zheng, J.; Peng, J.; Yang, S. Urban air pollution monitoring using scanning Lidar. Environ. Pollut. 2020, 258, 113696. [Google Scholar] [CrossRef] [PubMed]
- Wang, C.-H.; Wang, A.-Y.; Tao, Y.-L.; Li, X.; Peng, H.; Meng, P.-B. Development and test of photon counting lidar. In Proceedings of the 4th Seminar on Novel Optoelectronic Detection Technology and Application, Nanjing, China, 4–26 October 2017. [Google Scholar]
- Du, B.-C.; Li, Z.-H.; Shen, G.-Y.; Zheng, T.-X.; Zhang, H.-Y.; Yang, L.; Wu, G. A Photon-Counting Full-Waveform Lidar. Chin. Phys. Lett. 2019, 36, 094201. [Google Scholar] [CrossRef]
- Xiang, Y.-Y.; Ma, Y.; Guo, G.-F.; Jing, Q.; Li, S. The photon detection mode of photomultiplier tubes considering the pulse height distribution. J. Infrared Millim. Waves 2023, 42, 88–101. [Google Scholar] [CrossRef]
- Williams, G.M.; Huntington, A.S. Single Photon Counting Linear Mode Avalanche Photodiode Technologies. In Proceedings of the Conference on Infrared Sensors, Devices, and Applications and Single Photon Imaging II, San Diego, CA, USA, 22–25 August 2011. [Google Scholar]
- Magruder, L.A.; Brunt, K.M. Performance Analysis of Airborne Photon-Counting Lidar Data in Preparation for the ICESat-2 Mission. IEEE Trans. Geosci. Remote Sens. 2018, 56, 2911–2918. [Google Scholar] [CrossRef]
- Yang, J.; Ma, Y.; Zheng, H.Y.; Gu, Y.F.; Zhou, H.; Li, S. Analysis and Correction of Water Forward-Scattering-Induced Bathymetric Bias for Spaceborne Photon-Counting Lidar. Remote Sens. 2023, 15, 931. [Google Scholar] [CrossRef]
- Shen, X.; Kong, W.; Chen, P.; Chen, T.; Huang, G.H.; Shu, R. A Shipborne Photon-Counting Lidar for Depth-Resolved Ocean Observation. Remote Sens. 2022, 14, 3351. [Google Scholar] [CrossRef]
- EASY-MCS Multichannel Scaler. Available online: https://www.ortec-online.com/products/electronics/counters-timers-rate-meter-and-multichannel-scaling-mcs/easy-mcs (accessed on 9 January 2022).
- Mianyun, C.; Peng, Z.Y. Lidar control system based on MCS-pci. J. Optoelectron. Laser 2008, 19, 566–568. [Google Scholar]
- De Young, R.; Carrion, W.; Pliutau, D. A compact mobile ozone Lidar for atmospheric ozone and aerosol profiling. In Proceedings of the Conference on Lidar Technologies, Techniques, and Measurements for Atmospheric Remote Sensing X, Amsterdam, The Netherlands, 22–24 September 2014. [Google Scholar]
- Zhang, Y.; Yi, F.; Kong, W.; Yi, Y. Slope characterization in combining analog and photon count data from atmospheric lidar measurements. Appl. Opt. 2014, 53, 7312–7320. [Google Scholar] [CrossRef]
- Cheng, L.; Xie, C.; Zhao, M.; Li, L.; Yang, H.; Fang, Z.; Chen, J.; Liu, D.; Wang, Y. Design of Lidar Data Acquisition and Control System in High Repetition Rate and Photon-Counting Mode: Providing Testing for Space-Borne Lidar. Sensors 2022, 22, 3706. [Google Scholar] [CrossRef] [PubMed]
- Li, L.; Xie, C.; Zhang, Z.; Wang, B.-X.; Zhuang, P.; Chu, Y.; Fang, Z.; Shao, J. Development and observational studies of scanning coaxial Mie lidar. In Proceedings of the 6th Symposium on Novel Optoelectronic Detection Technology and Applications, Beijing, China, 3–5 December 2019. [Google Scholar]
- Refaat, T.F.; Petros, M.; Remus, R.; Yu, J.; Singh, U.N. Laser energy monitor for double-pulsed 2-um IPDA lidar application. In Proceedings of the Lidar Technologies, Techniques, and Measurements for Atmospheric Remote Sensing X, Amsterdam, The Netherlands, 22–24 September 2014; pp. 20–27. [Google Scholar]
- Hu, W.; Liu, J.; Zhu, Y.; Dong, J.; Ma, X.; Li, S.; Zhang, J.; Zhu, X.; Chen, W.J.A.O. Analysis of energy monitoring for a double-pulsed CO2 integrated path differential absorption lidar at 1.57 μm. Appl. Opt. 2019, 58, 616–625. [Google Scholar] [CrossRef]
- Harrabi, K.; Gasmi, K.; Mekki, A.; Bahlouli, H.; Kunwar, S.; Milosevic, M.V. Detection and Measurement of Picoseconds-Pulsed Laser Energy Using a NbTiN Superconducting Filament. IEEE Trans. Appl. Supercond. 2023, 33, 2400205. [Google Scholar] [CrossRef]
- Molchanov, P.A.; Contarino, V.M.; Concannon, B.M.; Asmolova, O.V.; Podobna, Y.Y. Nanosecond gated PMT for LIDAR-RADAR applications. In Proceedings of the Conference on Infrared and Photoelectronic Imagers and Detector Devices, San Diego, CA, USA, 13–14 August 2006. [Google Scholar]
- Han, Y.; Virupakshappa, K.; Pinto, E.V.S.; Oruklu, E. Hardware/Software Co-Design of a Traffic Sign Recognition System Using Zynq FPGAs. Electronics 2015, 4, 1062–1089. [Google Scholar] [CrossRef]
- Huang, J.; Ran, S.; Wei, W.; Yu, Q. Digital Integration of LiDAR System Implemented in a Low-Cost FPGA. Symmetry 2022, 14, 1256. [Google Scholar] [CrossRef]
- Patil, S.; Singh, B.; Borwankar, R.; Margala, M. Novel Pulse Detection System Using Differentiation: Prototyping and Experimental Results. In Proceedings of the 20th IEEE Interregional NEWCAS Conference (IEEE NEWCAS), Quebec City, QC, Canada, 19–22 June 2022; pp. 45–49. [Google Scholar]
- Farhat, W.; Faiedh, H.; Souani, C.; Besbes, K. Real-Time Hardware/Software Co-Design of a Traffic Sign Recognition System Using Zynq FPGA. In Proceedings of the 11th International Design and Test Symposium (IDT), Hammamet, Tunisia, 18–20 December 2016; pp. 302–307. [Google Scholar]
- DET10A2—Si Detector, 200–1100 nm, 1 ns Rise Time, 0.8 mm². Available online: https://www.thorlabs.com/thorproduct.cfm?partnumber=DET10A2#ad-image-0 (accessed on 5 April 2023).
- Single, Low Noise, 1 GHz FastFET Op Amplifier. Available online: https://www.analog.com/en/products/ada4817-1.html (accessed on 5 April 2023).
- 4.5 ns, Rail-to-Rail, High Speed Comparator with Shutdown. Available online: https://www.ti.com/product/TLV3501 (accessed on 4 April 2023).
- True 3.0 V to 5.5 V RS-232 Transceivers. Available online: https://assets.maxlinear.com/web/documents/sipex/datasheets/sp3222e_sp3232e.pdf (accessed on 5 April 2023).
- Dual, Low Noise, Wideband Variable Gain Amplifier, −10 dB to +30 dB Gain. Available online: https://www.analog.com/en/products/ad602.html (accessed on 8 March 2023).
- Wideband, Voltage Feedback Operational Amplifier With Disable. Available online: https://www.ti.com/product/OPA690 (accessed on 2 April 2023).
- Piezo Mirror Mount, Clear Edge, 2.0 in. Diameter, 2-Axis. Available online: https://www.newport.com.cn/p/8822 (accessed on 15 March 2023).
- Power and Energy Meter Interfaces with External Readout. Available online: https://www.thorlabs.com/newgrouppage9.cfm?objectgroup_id=4037&pn=PM101#8135 (accessed on 5 April 2023).
- Vivado AXI Referenc. Available online: https://docs.xilinx.com/v/u/en-US/ug1037-vivado-axi-reference-guide (accessed on 11 March 2023).
- Mixed-Mode Clock Manager (MMCM) Module. Available online: https://www.xilinx.com/products/intellectual-property/mmcm_module.html#overview (accessed on 5 March 2023).
- Xia, J.; Zhao, X.; Wu, J. Design and Implementation of Multi-channel Video Monitor System Based on FPGA. In Proceedings of the 2nd International Symposium on Computer Network and Multimedia Technology (CNMT), Wuhan, China, 24–26 December 2010; pp. 457–460. [Google Scholar]
- Ma, L.; Song, K.; Yang, J.; Cao, P. Hardware implementation of a real-time data processing algorithm in marine engineering data acquisition. In Proceedings of the International Conference on Computational Materials Science (CMS 2011), Guangzhou, China, 17–18 April 2011. [Google Scholar]
- Fernald, F.G. Analysis of Atmospheric Lidar Observations—Some Comments. Appl. Opt. 1984, 23, 652–653. [Google Scholar] [CrossRef] [PubMed]
- Yang, H.; Fang, Z.; Cao, Y.; Xie, C.; Zhou, T.; Wang, B.; Xing, K.; Lolli, S. Impacts of Transboundary Dust Transport on Aerosol Pollution in the Western Yangtze River Delta Region, China: Insights Gained From Ground-Based Lidar and Satellite Observations. Earth Space Sci. 2021, 8, e2020EA001533. [Google Scholar] [CrossRef]
- Comeron, A.; Sicard, M.; Rocadenbosch, F. Wavelet Correlation Transform Method and Gradient Method to Determine Aerosol Layering from Lidar Returns: Some Comments. J. Atmos. Ocean. Technol. 2013, 30, 1189–1193. [Google Scholar] [CrossRef]

















| Unit | Parameters | Value |
|---|---|---|
| Transmitter | Wavelength/nm | 532.18 |
| Pulse energy/μJ | 1000 | |
| Pulse repetition rate/Hz | 3 k | |
| Divergence angle/μrad | 113 | |
| Pulse width/ns | 13 | |
| Receiver | Telescope aperture/mm | 125 |
| Iris size/mm | 0.5 | |
| Receiver field of View/μrad | 280 | |
| Optical filter bandwidth/nm | 0.5 | |
| Data acquisition and control system | Detection mode | Photon-counting |
| Bins width/ns | 50 (Remote adjustable) | |
| Bins length | 2000 | |
| Accumulative count | 10,000 (Remotely adjustable) | |
| Control function | Laser monitoring and control, laser direction control, pulse energy monitoring |
Disclaimer/Publisher’s Note: The statements, opinions and data contained in all publications are solely those of the individual author(s) and contributor(s) and not of MDPI and/or the editor(s). MDPI and/or the editor(s) disclaim responsibility for any injury to people or property resulting from any ideas, methods, instructions or products referred to in the content. |
© 2023 by the authors. Licensee MDPI, Basel, Switzerland. This article is an open access article distributed under the terms and conditions of the Creative Commons Attribution (CC BY) license (https://creativecommons.org/licenses/by/4.0/).
Share and Cite
Cheng, L.; Xie, C. An Integrated Off-Line Echo Signal Acquisition System Implemented in SoC-FPGA for High Repetition Rate Lidar. Electronics 2023, 12, 2331. https://doi.org/10.3390/electronics12102331
Cheng L, Xie C. An Integrated Off-Line Echo Signal Acquisition System Implemented in SoC-FPGA for High Repetition Rate Lidar. Electronics. 2023; 12(10):2331. https://doi.org/10.3390/electronics12102331
Chicago/Turabian StyleCheng, Liangliang, and Chenbo Xie. 2023. "An Integrated Off-Line Echo Signal Acquisition System Implemented in SoC-FPGA for High Repetition Rate Lidar" Electronics 12, no. 10: 2331. https://doi.org/10.3390/electronics12102331
APA StyleCheng, L., & Xie, C. (2023). An Integrated Off-Line Echo Signal Acquisition System Implemented in SoC-FPGA for High Repetition Rate Lidar. Electronics, 12(10), 2331. https://doi.org/10.3390/electronics12102331
