A Review of Wireless Power Transfer Systems for Electric Vehicle Battery Charging with a Focus on Inductive Coupling
Abstract
:1. Introduction
2. Fundamentals of WPT Systems
2.1. Overall Systems Configuration
2.2. Mutual Inductance and Coupling Factor
2.3. Reflection
2.4. Power Transfer and Efficiency
3. Compensation Schemes
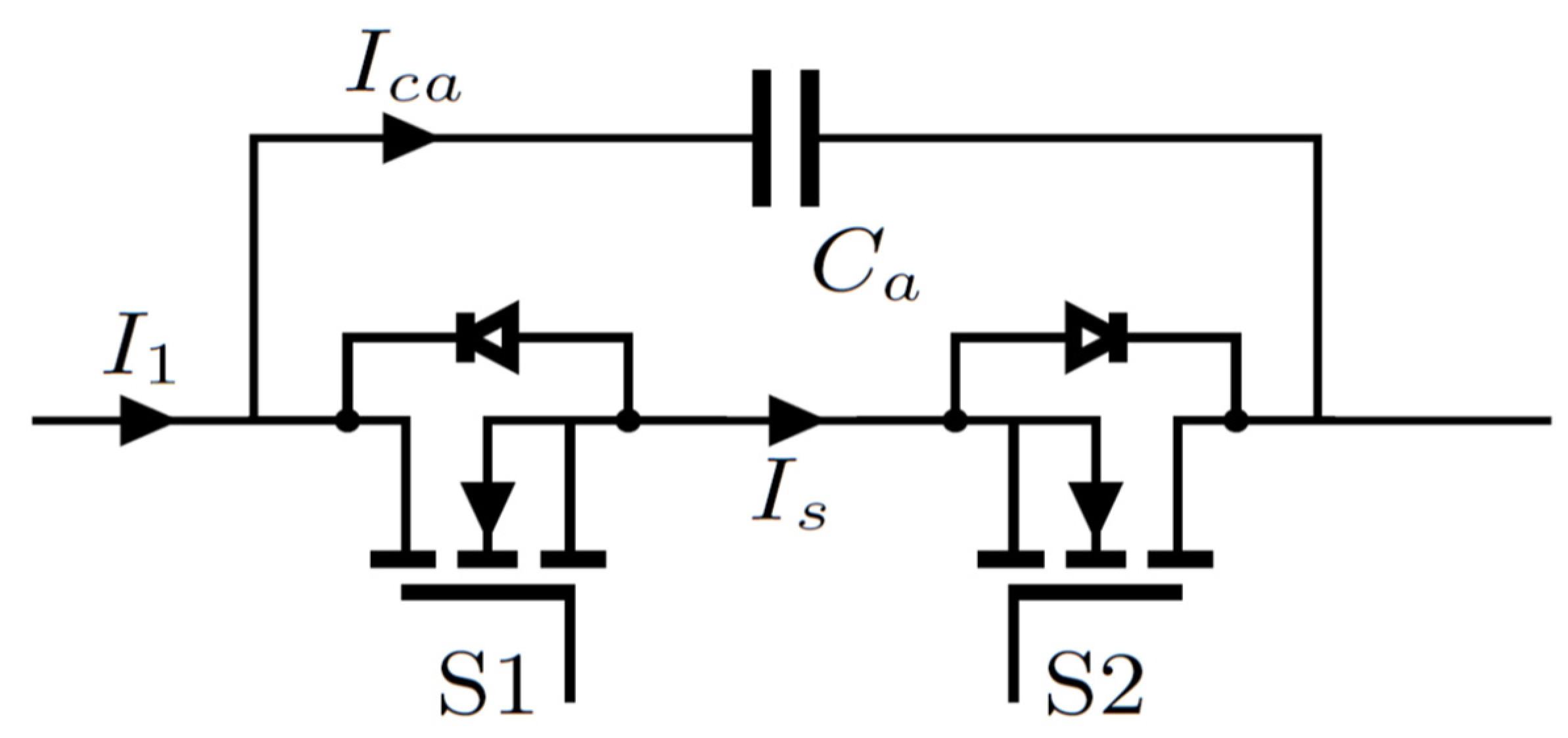
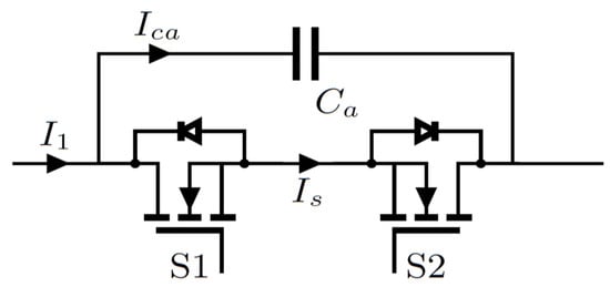
4. Power Electronics and Control
4.1. Converters
4.2. Control Methods
5. Design Considerations
5.1. Coil Design
5.1.1. Stationary Charging
5.1.2. Dynamic Charging
5.2. Safety Standards
5.3. Infrastructure and Cost
6. Discussion
7. Conclusions
Funding
Acknowledgments
Conflicts of Interest
References
- Yang, C. Running battery electric vehicles with extended range: Coupling cost and energy analysis. Appl. Energy 2021, 306, 118116. [Google Scholar] [CrossRef]
- Cano, Z.P.; Banham, D.; Ye, S. Batteries and fuel cells for emerging electric vehicle markets Optimal storage and renewable distributed energy resources planning in distribution network View project Battery Pack Testing and Modeling View project. Nat. Energy 2018, 3, 279–289. [Google Scholar] [CrossRef]
- Tu, H.; Feng, H.; Srdic, S.; Lukic, S. Extreme Fast Charging of Electric Vehicles: A Technology Overview. IEEE Trans. Transp. Electrif. 2019, 5, 861–878. [Google Scholar] [CrossRef]
- Hutin, M.; Leblanc, M. Transformer System for Electric Rails-Ways. U.S. Patent 23 October 1894. Available online: https://patents.google.com/patent/US527857A/en (accessed on 26 January 2021).
- Shladover, S.E. The Roadway-Powered Electric Transit Vehicle-Progress and Prospects. 1986. Available online: http://onlinepubs.trb.org/Onlinepubs/trr/1987/1155/1155-004.pdf (accessed on 2 February 2021).
- Eghtesadi, M. Inductive power transfer to an electric vehicle-analytical model. In Proceedings of the IEEE Vehicular Technology Conference, Orlando, FL, USA, 6–9 May 1990; pp. 100–104. [Google Scholar] [CrossRef]
- Green, A.W.; Boys, J.T. 10 kHz inductively coupled power transfer—concept and control. In Proceedings of the IEEE Conference Publication, London, UK, 26–28 October 1994; Volume 399, pp. 694–699. [Google Scholar] [CrossRef]
- Covic, G.A.; Elliott, G.; Stielau, O.H.; Green, R.M.; Boys, J.T. The design of a contact-less energy transfer system for a people mover system. In Proceedings of the PowerCon 2000—2000 International Conference on Power System Technology, Perth, WA, Australia, 4–7 December 2000; Volume 1, pp. 79–84. [Google Scholar] [CrossRef]
- Boys, J.T.; Elliott, G.A.J.; Covic, G.A. An appropriate magnetic coupling co-efficient for the design and comparison of ICPT pickups. IEEE Trans. Power Electron. 2007, 22, 333–335. [Google Scholar] [CrossRef]
- Boys, J.T.; Huang, C.Y.; Covic, G.A. Single-phase unity power-factor inductive power transfer system. In Proceedings of the PESC Record—IEEE Annual Power Electronics Specialists Conference, Rhodes, Greece, 15–19 June 2008; pp. 3701–3706. [Google Scholar] [CrossRef]
- Suh, N.P.; Cho, D.H.; Rim, C.T. Design of online electric vehicle (OLEV). In Proceedings of the Global Product Development—Proceedings of the 20th CIRP Design Conference, Nantes, France, 19–21 April 2010; pp. 3–8. [Google Scholar] [CrossRef]
- Nguyen, T.D.; Li, S.; Li, W.; Mi, C.C. Feasibility study on bipolar pads for efficient wireless power chargers. In Proceedings of the Conference Proceedings—IEEE Applied Power Electronics Conference and Exposition—APEC, Fort Worth, TX, USA, 16–20 March 2014; pp. 1676–1682. [Google Scholar] [CrossRef]
- Harris, S.T. Circuit Analysis II with MATLAB Computing and Simulink/SimPowerSystems Modeling; Orchard Publications: Fermont, QC, Canada, 2009. [Google Scholar]
- Wang, C.S.; Covic, G.A.; Stielau, O.H. Power Transfer Capability and Bifurcation Phenomena of Loosely Coupled Inductive Power Transfer Systems. IEEE Trans. Ind. Electron. 2004, 51, 148–157. [Google Scholar] [CrossRef]
- Bi, Z.; Kan, T.; Mi, C.C.; Zhang, Y.; Zhao, Z.; Keoleian, G.A. A review of wireless power transfer for electric vehicles: Prospects to enhance sustainable mobility. Appl. Energy 2016, 179, 413–425. [Google Scholar] [CrossRef] [Green Version]
- Song, K.; Li, Z.; Jiang, J.; Zhu, C. Constant Current/Voltage Charging Operation for Series-Series and Series-Parallel Compensated Wireless Power Transfer Systems Employing Primary-Side Controller. IEEE Trans. Power Electron. 2018, 33, 8065–8080. [Google Scholar] [CrossRef]
- Qu, X.; Jing, Y.; Han, H.; Wong, S.C.; Tse, C.K. Higher Order Compensation for Inductive-Power-Transfer Converters with Constant-Voltage or Constant-Current Output Combating Transformer Parameter Constraints. IEEE Trans. Power Electron. 2017, 32, 394–405. [Google Scholar] [CrossRef]
- Qu, X.; Han, H.; Wong, S.C.; Tse, C.K.; Chen, W. Hybrid IPT Topologies with Constant Current or Constant Voltage Output for Battery Charging Applications. IEEE Trans. Power Electron. 2015, 30, 6329–6337. [Google Scholar] [CrossRef]
- Villa, J.L.; Sallán, J.; Osorio, J.F.S.; Llombart, A. High-misalignment tolerant compensation topology for ICPT systems. IEEE Trans. Ind. Electron. 2012, 59, 945–951. [Google Scholar] [CrossRef]
- Zhang, W.; Wong, S.C.; Tse, C.K.; Chen, Q. Design for efficiency optimization and voltage controllability of series-series compensated inductive power transfer systems. IEEE Trans. Power Electron. 2014, 29, 191–200. [Google Scholar] [CrossRef]
- Sohn, Y.H.; Choi, B.H.; Lee, E.S.; Lim, G.C.; Cho, G.H.; Rim, C.T. General Unified Analyses of Two-Capacitor Inductive Power Transfer Systems: Equivalence of Current-Source SS and SP Compensations. IEEE Trans. Power Electron. 2015, 30, 6030–6045. [Google Scholar] [CrossRef]
- Borage, M.; Tiwari, S.; Kotaiah, S. Analysis and design of an LCL-T resonant converter as a constant-current power supply. IEEE Trans. Ind. Electron. 2005, 52, 1547–1554. [Google Scholar] [CrossRef]
- Liu, C.; Ge, S.; Guo, Y.; Li, H.; Cai, G. Double-lcl resonant compensation network for electric vehicles wireless power transfer: Experimental study and analysis. IET Power Electron. 2016, 9, 2262–2270. [Google Scholar] [CrossRef]
- Yao, Y.; Wang, Y.; Liu, X.; Lin, F.; Xu, D. A Novel Parameter Tuning Method for a Double-Sided LCL Compensated WPT System with Better Comprehensive Performance. IEEE Trans. Power Electron. 2018, 33, 8525–8536. [Google Scholar] [CrossRef]
- Li, S.; Li, W.; Deng, J.; Nguyen, D.; Mi, C.C. A Double-Sided LCC Compensation Network and Its Tuning Method for Wireless Power Transfer. IEEE Trans. Veh. Technol. 2015, 64, 2261–2273. [Google Scholar] [CrossRef]
- Li, W.; Zhao, H.; Deng, J.; Li, S.; Mi, C.C. Comparison Study on SS and double-sided LCC compensation topologies for EV/PHEV Wireless Chargers. IEEE Trans. Veh. Technol. 2016, 65, 4429–4439. [Google Scholar] [CrossRef]
- Li, W.; Zhao, H.; Li, S.; Deng, J.; Kan, T.; Mi, C.C. Integrated LCC Compensation Topology for Wireless Charger in Electric and Plug-in Electric Vehicles. IEEE Trans. Ind. Electron. 2015, 62, 4215–4225. [Google Scholar] [CrossRef]
- Kan, T.; Nguyen, T.D.; White, J.C.; Malhan, R.K.; Mi, C.C. A new integration method for an electric vehicle wireless charging system using LCC compensation topology: Analysis and design. IEEE Trans. Power Electron. 2017, 32, 1638–1650. [Google Scholar] [CrossRef]
- Nguyen, V.T.; Yu, S.D.; Yim, S.W.; Park, K. Optimizing compensation topologies for inductive power transfer at different mutual inductances. In Proceedings of the 2017 IEEE PELS Workshop on Emerging Technologies: Wireless Power Transfer, WoW, Chongqing, China, 20–22 May 2017; pp. 153–156. [Google Scholar] [CrossRef]
- Zhang, X.; Wang, J.; Xue, M.; Li, Y.; Yang, Q. Reserch on Dynamic Wireless Charging of Electric Vehicle Based on Double LCC Compensation Mode. In Proceedings of the 2019 IEEE Wireless Power Transfer Conference, WPTC 2019, London, UK, 18–21 June 2019; pp. 141–145. [Google Scholar] [CrossRef]
- Liu, Z.; Su, M.; Zhu, Q.; Zhao, L.; Hu, P. A Dual Frequency Tuning Method for Improved Coupling Tolerance of Wireless Power Transfer System. IEEE Trans. Power Electron. 2020, 36, 7360–7365. [Google Scholar] [CrossRef]
- DigitalCommons, U.; Wu, H.H. Aaron Gilchrist Ky Sealy Daniel Bronson. A High Efficiency 5kW Inductive Charger for Evs using Dual Side Control. IEEE Trans. Ind. Inform. 2012, 8, 585–595. [Google Scholar] [CrossRef] [Green Version]
- Kissin, M.L.G.; Huang, C.Y.; Covic, G.A.; Boys, J.T. Detection of the tuned point of a fixed-frequency LCL resonant power supply. IEEE Trans. Power Electron. 2009, 24, 1140–1143. [Google Scholar] [CrossRef]
- Cheng, C.; Lu, F.; Zhou, Z.; Li, W.; Zhu, C.; Zhang, H.; Deng, Z.; Chen, X.; Mi, C.C. Load-independent wireless power transfer system for multiple loads over a long distance. IEEE Trans. Power Electron. 2019, 34, 9279–9288. [Google Scholar] [CrossRef]
- Song, B.; Shin, J.; Lee, S.; Shin, S.; Kim, Y.; Jeon, S.; Jung, G. Design of a high power transfer pickup for Online Electric Vehicle (OLEV). In Proceedings of the 2012 IEEE International Electric Vehicle Conference, Greenville, SC, USA, 4–8 March 2012. [Google Scholar] [CrossRef]
- Wang, C.S.; Covic, G.A.; Stielau, O.H. General stability criterions for zero phase angle controlled loosely coupled inductive power transfer systems. In Proceedings of the IECON Proceedings (Industrial Electronics Conference), Denver, CO, USA, 29 November–2 December 2001; Volume 2, pp. 1049–1054. [Google Scholar] [CrossRef]
- J2954: Wireless Power Transfer for Light-Duty Plug-in/Electric Vehicles and Alignment Methodology—SAE International. Available online: https://www.sae.org/standards/content/j2954_202010/ (accessed on 12 March 2021).
- Zhong, W.; Hui, S.Y.R. Charging Time Control of Wireless Power Transfer Systems Without Using Mutual Coupling Information and Wireless Communication System. IEEE Trans. Ind. Electron. 2017, 64, 228–235. [Google Scholar] [CrossRef]
- Fu, M.; Ma, C.; Zhu, X. A cascaded boost-buck converter for high-efficiency wireless power transfer systems. IEEE Trans. Ind. Inform. 2014, 10, 1972–1980. [Google Scholar] [CrossRef]
- Chinthavali, M.; Onar, O.C.; Campbell, S.L.; Tolbert, L.M. Isolated wired and wireless battery charger with integrated boost converter for PEV applications. In Proceedings of the 2015 IEEE Energy Conversion Congress and Exposition, ECCE 2015, Montreal, QC, Canada, 20–24 September 2015; pp. 607–614. [Google Scholar] [CrossRef] [Green Version]
- Huang, Y.; Shinohara, N.; Mitani, T. Theoretical analysis on DC-DC converter for impedance matching of a rectifying circuit in wireless power transfer. In Proceedings of the 2015 IEEE International Symposium on Radio-Frequency Integration Technology, RFIT 2015—Proceedings, Sendai, Japan, 26–28 August 2015; pp. 229–231. [Google Scholar] [CrossRef]
- Li, H.L.; Hu, A.P.; Covic, G.A. A direct AC-AC converter for inductive power-transfer systems. IEEE Trans. Power Electron. 2012, 27, 661–668. [Google Scholar] [CrossRef]
- Chen, W.X.; Chen, Q.H. Application of class-E converter in magnetic resonant WPT system. In Proceedings of the AUS 2016—2016 IEEE/CSAA International Conference on Aircraft Utility Systems, Beijing, China, 10–12 October 2016; pp. 320–324. [Google Scholar] [CrossRef]
- Nagashima, T.; Inoue, K.; Wei, X.; Bou, E.; Alarcon, E.; Sekiya, H. Inductively coupled wireless power transfer with class-E2 DC-DC converter. In Proceedings of the 2013 European Conference on Circuit Theory and Design (ECCTD), Dresden, Germany, 8–12 September 2013. [Google Scholar] [CrossRef]
- Nagashima, T.; Wei, X.; Bou, E.; Alarcón, E.; Kazimierczuk, M.K.; Sekiya, H. Steady-State Analysis of Isolated Class-E2 Converter Outside Nominal Operation. IEEE Trans. Ind. Electron. 2017, 64, 3227–3238. [Google Scholar] [CrossRef]
- Ayachit, A.; Corti, F.; Reatti, A.; Kazimierczuk, M.K. Zero-voltage switching operation of transformer class-E inverter at any coupling coefficient. IEEE Trans. Ind. Electron. 2019, 66, 1809–1819. [Google Scholar] [CrossRef]
- Alhurayyis, I.; Elkhateb, A.; Morrow, D.J. Isolated and Non-Isolated DC-to-DC Converters for Medium Voltage DC Networks: A Review. IEEE J. Emerg. Sel. Top. Power Electron. 2020, 9, 7486–7500. [Google Scholar] [CrossRef]
- Williams, B.W. Transformer Isolated Buck-Boost Converters. Available online: http://apc.aast.edu/ojs/index.php/RESD/article/viewFile/02.2.112/89 (accessed on 16 March 2021).
- Elkhateb, A.; Rahim, N.A.; Selvaraj, J.; Williams, B.W. DC-to-DC Converter With Low Input Current Ripple for Maximum Photovoltaic Power Extraction. IEEE Trans. Ind. Electron. 2015, 62, 2246–2256. [Google Scholar] [CrossRef] [Green Version]
- Elkhateb, A.; Rahim, N.A.; Selvaraj, J.; Uddin, M.N. Fuzzy-Logic-Controller-Based SEPIC Converter for Maximum Power Point Tracking. IEEE Trans. Ind. Appl. 2014, 50, 2349–2358. [Google Scholar] [CrossRef]
- Elkhateb, A.; Adam, G.; Morrow, D.J. DC-to-DC Converter Topologies for Wireless Power Transfer in Electric Vehicles. In Proceedings of the IECON Proceedings (Industrial Electronics Conference), Lisbon, Portugal, 14–17 October 2019; Volume 2019, pp. 1665–1669. [Google Scholar] [CrossRef] [Green Version]
- Kezunovic, M. BEVs/PHEVs as dispersed energy storage in smart grid. In Proceedings of the 2012 IEEE PES Innovative Smart Grid Technologies, Washington, DC, USA, 16–20 January 2012. [Google Scholar] [CrossRef]
- Liu, C.; Chau, K.T.; Wu, D.; Gao, S. Opportunities and challenges of vehicle-to-home, vehicle-to-vehicle, and vehicle-to-grid technologies. Proc. IEEE 2013, 101, 2409–2427. [Google Scholar] [CrossRef] [Green Version]
- Onar, O.C.; Su, G.; Asa, E.; Pries, J.; Galigekere, V.; Seiber, L.; White, C.; Wiles, R.; Wilkins, J. 20-kW Bi-directional Wireless Power Transfer System with Energy Storage System Connectivity. In Proceedings of the Conference Proceedings—IEEE Applied Power Electronics Conference and Exposition—APEC, New Orleans, LA, USA, 15–19 March 2020; Volume 2020, pp. 3208–3214. [Google Scholar] [CrossRef]
- Pellitteri, F.; Boscaino, V.; di Tommaso, A.O.; Miceli, R. Efficiency optimization in bi-directional inductive power transfer systems. In Proceedings of the Electrical Systems for Aircraft, Railway and Ship Propulsion, ESARS, Aachen, Germany, 3–5 March 2015; Volume 2015. [Google Scholar] [CrossRef]
- Jiwariyavej, V.; Imura, T.; Hori, Y. Coupling coefficients estimation of wireless power transfer system via magnetic resonance coupling using information from either side of the system. IEEE J. Emerg. Sel. Top. Power Electron. 2015, 3, 191–200. [Google Scholar] [CrossRef]
- Liu, Y.; Feng, H. Maximum Efficiency Tracking Control Method for WPT System Based on Dynamic Coupling Coefficient Identification and Impedance Matching Network. IEEE J. Emerg. Sel. Top. Power Electron. 2020, 8, 3633–3643. [Google Scholar] [CrossRef]
- Cao, Y.; Qahouq, J.A.A. Evaluation of maximum system efficiency and maximum output power in two-coil wireless power transfer system by using modeling and experimental results. In Proceedings of the Conference Proceedings—IEEE Applied Power Electronics Conference and Exposition—APEC, Tampa, FL, USA, 26–30 March 2017; pp. 1625–1631. [Google Scholar] [CrossRef]
- Abramov, E.; Peretz, M.M. Adaptive Self-Tuned Mixed-Signal Controller IC for Resonant Wireless Power Transfer. In Proceedings of the Conference Proceedings—IEEE Applied Power Electronics Conference and Exposition—APEC, New Orleans, LA, USA, 15–19 March 2020; Volume 2020, pp. 805–812. [Google Scholar] [CrossRef]
- Krishnan, S.; Bhuyan, S.; Kumar, V.P.; Wang, W.; al Afif, J.; Lim, K.S. Frequency agile resonance-based wireless charging system for electric vehicles. In Proceedings of the 2012 IEEE International Electric Vehicle Conference, Greenville, SC, USA, 4–8 March 2012. [Google Scholar] [CrossRef]
- Babaki, A.; Vaez-Zadeh, S.; Zakerian, A.; Covic, G.A. Variable-Frequency Retuned WPT System for Power Transfer and Efficiency Improvement in Dynamic EV Charging with Fixed Voltage Characteristic. IEEE Trans. Energy Convers. 2021, 36, 2141–2151. [Google Scholar] [CrossRef]
- Mastri, F.; Costanzo, A.; Mongiardo, M. Coupling-Independent Wireless Power Transfer. IEEE Microw. Wirel. Components Lett. 2016, 26, 222–224. [Google Scholar] [CrossRef]
- Fathi, D.A.; Fouda, M.E.; Said, L.A.; Khafagy, N.R.; Radwan, A.G. Two-Port Network Analysis of Equal Fractional-order Wireless Power Transfer Circuit. In Proceedings of the International Conference on Microelectronics, ICM, Aqaba, Jordan, 14–17 December 2020; Volume 2020. [Google Scholar] [CrossRef]
- Li, S.; Mi, C.; Mi, C.C. 2014 JESTPE Li Siqi Application Wireless Power Transfer for Electric Vehicle Applications. IEEE J. Emerg. Sel. Top. Power Electron. 2015, 3, 4–17. [Google Scholar] [CrossRef]
- Seo, D.W.; Lee, J.H. Frequency-Tuning Method Using the Reflection Coefficient in a Wireless Power Transfer System. IEEE Microw. Wirel. Components Lett. 2017, 27, 959–961. [Google Scholar] [CrossRef]
- Kong, S.; Kim, M.; Koo, K.; Ahn, S.; Bae, B.; Kim, J. Analytical expressions for maximum transferred power in wireless power transfer systems. In Proceedings of the IEEE International Symposium on Electromagnetic Compatibility, Long Beach, CA, USA, 14–19 August 2011; pp. 379–383. [Google Scholar] [CrossRef]
- Zhao, C.; Wang, Z.; Du, J.; Wu, J.; Zong, S.; He, X. Active resonance wireless power transfer system using phase shift control strategy. In Proceedings of the Conference Proceedings—IEEE Applied Power Electronics Conference and Exposition—APEC, Fort Worth, TX, USA, 16–20 March 2014; pp. 1336–1341. [Google Scholar] [CrossRef]
- Berger, A.; Agostinelli, M.; Vesti, S.; Oliver, J.A.; Cobos, J.A.; Huemer, M. A Wireless Charging System Applying Phase-Shift and Amplitude Control to Maximize Efficiency and Extractable Power. IEEE Trans. Power Electron. 2015, 30, 6338–6348. [Google Scholar] [CrossRef]
- Gu, W.J.; Harada, K. A New Method to Regulate Resonant Converters. IEEE Trans. Power Electron. 1988, 3, 430–439. [Google Scholar] [CrossRef]
- Zhang, J.; Zhao, J.; Zhang, Y.; Deng, F. A Wireless Power Transfer System with Dual Switch-Controlled Capacitors for Efficiency Optimization. IEEE Trans. Power Electron. 2020, 35, 6091–6101. [Google Scholar] [CrossRef]
- Zhao, J.; Zhang, J.; Zhang, Y.; Din, Z.; Juri, J. A Reactive Compensation Method Using Switch Controlled Capacitor for Wireless Power Transfer. In Proceedings of the 2019 IEEE Energy Conversion Congress and Exposition, ECCE 2019, Baltimore, MD, USA, 29 September–3 October 2019; pp. 2112–2117. [Google Scholar] [CrossRef]
- J1772A: SAE Electric Vehicle and Plug in Hybrid Electric Vehicle Conductive Charge Coupler—SAE International. Available online: https://www.sae.org/standards/content/j1772_201710/ (accessed on 4 May 2021).
- Miller, J.M.; White, C.P.; Onar, O.C.; Ryan, P.M. Grid side regulation of wireless power charging of plug-in electric vehicles. In Proceedings of the 2012 IEEE Energy Conversion Congress and Exposition, ECCE 2012, Raleigh, NC, USA, 15–20 September 2012; pp. 261–268. [Google Scholar] [CrossRef] [Green Version]
- Van Wageningen, D.; Staring, T. The Qi wireless power standard. In Proceedings of the 14th International Power Electronics and Motion Control Conference EPE-PEMC 2010, Ohrid, Macedonia, 6–8 September 2010. [Google Scholar] [CrossRef]
- Li, J.; Deng, Q.; Hu, W.; Zhou, H. Research on quality factor of the coils in wireless power transfer system based on magnetic coupling resonance. In Proceedings of the 2017 IEEE PELS Workshop on Emerging Technologies: Wireless Power Transfer, WoW 2017, Chongqing, China, 20–22 May 2017; pp. 123–127. [Google Scholar] [CrossRef]
- Budhia, M.; Boys, J.T.; Covic, G.A.; Huang, C.Y. Development of a single-sided flux magnetic coupler for electric vehicle IPT charging systems. IEEE Trans. Ind. Electron. 2013, 60, 318–328. [Google Scholar] [CrossRef]
- Budhia, M.; Covic, G.A.; Boys, J.T. Design and optimization of circular magnetic structures for lumped inductive power transfer systems. IEEE Trans. Power Electron. 2011, 26, 3096–3108. [Google Scholar] [CrossRef]
- Rim, C.T.; Mi, C. Wireless Power Transfer for Electric Vehicles and Mobile Devices; John Wiley & Sons: Hoboken, NJ, USA, 2017. [Google Scholar]
- Knaisch, K.; Springmann, M.; Gratzfeld, P. Comparison of coil topologies for inductive power transfer under the influence of ferrite and aluminum. In Proceedings of the 2016 Eleventh International Conference on Ecological Vehicles and Renewable Energies (EVER), Monte Carlo, Monaco, 6–8 April 2016. [Google Scholar] [CrossRef]
- Budhia, M.; Covic, G.; Boys, J. A new IPT magnetic coupler for electric vehicle charging systems. In Proceedings of the IECON Proceedings (Industrial Electronics Conference), Glendale, AZ, USA, 7–10 November 2010; pp. 2487–2492. [Google Scholar] [CrossRef]
- Covic, G.A.; Kissin, M.L.G.; Kacprzak, D.; Clausen, N.; Hao, H. A bipolar primary pad topology for EV stationary charging and highway power by inductive coupling. In Proceedings of the IEEE Energy Conversion Congress and Exposition: Energy Conversion Innovation for a Clean Energy Future, ECCE 2011, Phoenix, AZ, USA, 17–22 September 2011; pp. 1832–1838. [Google Scholar] [CrossRef]
- Zaheer, A.; Kacprzak, D.; Covic, G.A. A bipolar receiver pad in a lumped IPT system for electric vehicle charging applications. In Proceedings of the 2012 IEEE Energy Conversion Congress and Exposition, ECCE 2012, Raleigh, NC, USA, 15–20 September 2012; pp. 283–290. [Google Scholar] [CrossRef]
- Yao, Y.; Gao, S.; Wang, Y.; Zhang, S.; Liu, X.; Xu, D. A Comparison Study between Flat Solenoid Coupler and Planar Square Coupler for WPT Systems. In Proceedings of the IECON Proceedings (Industrial Electronics Conference), Lisbon, Portugal, 14–17 October 2019; Volume 2019, pp. 3431–3435. [Google Scholar] [CrossRef]
- Ahmad, A.; Alam, M.S.; Mohamed, A.A.S. Design and Interoperability Analysis of Quadruple Pad Structure for Electric Vehicle Wireless Charging Application. IEEE Trans. Transp. Electrif. 2019, 5, 934–945. [Google Scholar] [CrossRef]
- Li, Y.; Zhao, J.; Yang, Q.; Liu, L.; Ma, J.; Zhang, X. A Novel Coil with High Misalignment Tolerance for Wireless Power Transfer. IEEE Trans. Magn. 2019, 55, 1–4. [Google Scholar] [CrossRef]
- Hu, J.; Lee, C.K.; Ho-Chinglu, H. Reconfigurable wireless power transfer systems for distance adaptation. In Proceedings of the Proceedings—IEEE International Symposium on Circuits and Systems, Sapporo, Japan, 26–29 May 2019; Volume 2019. [Google Scholar] [CrossRef]
- Mai, R.; Yang, B.; Chen, Y.; Yang, N.; He, Z.; Gao, S. A Misalignment Tolerant IPT System with Intermediate Coils for Constant-Current Output. IEEE Trans. Power Electron. 2019, 34, 7151–7155. [Google Scholar] [CrossRef]
- Wang, C.-S.; Stielau, O.H.; Covic, G.; Covic, G.A. Design considerations for a contactless electric vehicle battery charger. IEEE Trans. Ind. Electron. 2005, 52, 1308–1314. [Google Scholar] [CrossRef]
- Elliott, G.A.J.; Covic, G.A.; Kacprzak, D.; Boys, J.T. A new concept: Asymmetrical pickups for inductively coupled power transfer monorail systems. IEEE Trans. Magn. 2006, 42, 3389–3391. [Google Scholar] [CrossRef]
- Huh, J.; Lee, S.W.; Lee, W.Y.; Cho, G.H.; Rim, C.T. Narrow-width inductive power transfer system for online electrical vehicles. IEEE Trans. Power Electron. 2011, 26, 3666–3679. [Google Scholar] [CrossRef]
- Shin, J.; Song, B.; Shin, S.; Chung, S.; Kim, Y.; Jung, G.; Jeon, S. Design of buried power line for roadway-powered electric vehicle system. In Proceedings of the 2013 IEEE Wireless Power Transfer, WPT 2013, Perugia, Italy, 15–16 May 2013; pp. 56–59. [Google Scholar] [CrossRef]
- Huh, J.; Lee, W.; Choi, S.; Rim, C. A new cross-segmented power supply rail for roadway powered electric vehicles. In Proceedings of the Proceedings—2012 3rd IEEE International Symposium on Power Electronics for Distributed Generation Systems, PEDG 2012, Aalborg, Denmark, 25–28 June 2012; pp. 291–296. [Google Scholar] [CrossRef]
- Nagendra, G.R.; Boys, J.T.; Covic, G.A.; Riar, B.S.; Sondhi, A. Design of a double coupled IPT EV highway. In Proceedings of the IECON Proceedings (Industrial Electronics Conference), Vienna, Austria, 10–13 November 2013; pp. 4606–4611. [Google Scholar] [CrossRef]
- Xiang, L.; Sun, Y.; Tang, C.; Dai, X.; Jiang, C. Design of crossed DD coil for dynamic wireless charging of electric vehicles. In Proceedings of the 2017 IEEE PELS Workshop on Emerging Technologies: Wireless Power Transfer (WoW), Chongqing, China, 20–22 May 2017. [Google Scholar] [CrossRef]
- Zhang, Z.; Pang, H.; Lee, C.H.T.; Xu, X.; Wei, X.; Wang, J. Comparative Analysis and Optimization of Dynamic Charging Coils for Roadway-Powered Electric Vehicles. IEEE Trans. Magn. 2017, 53, 9402106. [Google Scholar] [CrossRef]
- Kutkut, N.H.; Klontz, K.W. Design considerations for power converters supplying the SAE J-1773 electric vehicle inductive coupler. In Proceedings of the Conference Proceedings—IEEE Applied Power Electronics Conference and Exposition—APEC, Atlanta, GA, USA, 27 February 1997; Volume 2, pp. 841–847. [Google Scholar] [CrossRef]
- International Commission on Non-Ionizing Radiation Protection. Icnirp guidelines for limiting exposure to time-varying electric and magnetic fields (1 hz–100 khz). Health Phys. 2010, 99, 818–836. Available online: https://www.icnirp.org/cms/upload/publications/ICNIRPLFgdl.pdf (accessed on 12 May 2021). [CrossRef]
- International Commission on Non-Ionizing Radiation Protection. Icnirp Guidelines on Limits of Exposure to Static Magnetic Fields. Health Phys. 2009, 96, 504–514. Available online: https://www.icnirp.org/cms/upload/publications/ICNIRPstatgdl.pdf (accessed on 12 May 2021). [CrossRef] [PubMed]
- Leaf Car Configurator|Leaf Electric Cars|Nissan UK. Available online: https://www.nissan.co.uk/vehicles/new-vehicles/leaf/configurator.html#configure/BAVi/A/version (accessed on 13 May 2021).
- Choi, S.Y.; Gu, B.W.; Jeong, S.Y.; Rim, C.T. Advances in wireless power transfer systems for roadway-powered electric vehicles. IEEE J. Emerg. Sel. Top. Power Electron. 2015, 3, 18–36. [Google Scholar] [CrossRef]
- Quinn, J.C.; Limb, B.J.; Pantic, Z.; Barr, P.; Zane, R. Techno-economic feasibly and environmental impact of wireless power transfer roadway electrification. In Proceedings of the 2015 IEEE Wireless Power Transfer Conference (WPTC), Boulder, CO, USA, 13–15 May 2015. [Google Scholar] [CrossRef]
- Lukic, S.; Pantic, Z. Cutting the Cord: Static and Dynamic Inductive Wireless Charging of Electric Vehicles. IEEE Electrif. Mag. 2013, 1, 57–64. [Google Scholar] [CrossRef]
- Why Get Wireless EV Charging?|Plugless. Available online: https://www.pluglesspower.com/learn-about-plugless-2/ (accessed on 13 May 2021).
- Xian, Z.; Wang, G. Optimal dispatch of electric vehicle batteries between battery swapping stations and charging stations. In Proceedings of the IEEE Power and Energy Society General Meeting, Boston, MA, USA, 17–21 July 2016; Volume 2016. [Google Scholar] [CrossRef]










| Topology | Quality Factor Q | Reflected Resistance | Primary Capacitance | Primary Current at Resonance | Operation Capabilities |
|---|---|---|---|---|---|
| SS | Voltage source at secondary. | ||||
| SP | Current source at secondary. | ||||
| PS | Voltage source at secondary. | ||||
| PP | Current source at secondary. | ||||
| Double LCL | [23] | CC operation at primary with unity-power-factor at secondary. Can be tuned to achieve ZVS. | |||
| Double LCC | [25] | Can maintain resonance with changing load and/or changing coupling factor. Can be tuned to achieve ZVS. |
| State | Pilot High | Pilot Low | Frequency | EV Resistance | Charging Status |
|---|---|---|---|---|---|
| State A | V | N/A | DC | Standby | |
| State B | V | V | 1 kHz | 2.74 kΩ | EV detected |
| State C | V | V | 1 kHz | 882 Ω | EV ready (Charging) |
| State D | V | V | 1 kHz | 246 Ω | Ventilation required |
| State E | 0 V | 0 V | N/A | N/A | No power |
| State F | N/A | V | N/A | N/A | Error |
| Coil Type | Misalignment Tolerance | EMI & EMF | When to Use |
|---|---|---|---|
| Circular | Consistent through various orientations but suffers from null zones and limited range. | Back plate allows for shielding and single sided flux path. | Omnidirectional characteristics allows smooth operation for cases in which the EV may approach the coil from various angles. |
| FSC | Allows for high coupling factor and good tolerance for lateral displacement. | High EMI & EMF. | Operation over considerable air gaps. |
| DD | Somewhat stable charging over a significant area within and beyond the perimeter of the pad. Suffers from null zones. | Back plate allows for shielding and single sided flux path. | Effective for situations with low misalignment. |
| DDQ | Further increase in misalignment tolerance over DD pad. | Back plate allows for shielding and single sided flux path. | Offers a large charging area when over a DD pad. Good for situations with high misalignment. |
| BPP | Like that of DDQ. | Back plate allows for shielding and single sided flux path. | Reduction in material costs means it is a great alternative to DDQ pads. |
| Period | Year | Example | Summary |
|---|---|---|---|
| 1990–1995 | 1990 | [6] | The first instance of modern dynamic WPT design where coupled inductors are used. |
| 1994 | [7] | High frequnecy (10 kHz) employed to transfer kilowatts of power. Introduction of power electronics to drive the system. | |
| 1995–2001 | 1997 | [96] | SAE shows interest in WPT for safe delivery of power to an EV. |
| 2000 | [8] | Early consideration for practical application of WPT in a people mover system. | |
| 2001 | [36] | A review of challenges faced in WPT for EV battery charging. Disucssing resonance and quality factor. | |
| 2002–2007 | 2004 | [14] | Further investigation into resonance and quality factor in relation to varying system frequency. |
| 2005 | [88] | Investigates issues arising from varying coupling factor and phase shift. | |
| 2005 | [22] | Preposes a high-order compensation (LCL) network for WPT. Emphasises importance on desirable traits, such as CC and CV at resonance. | |
| 2007–2012 | 2009 | [33] | Showcases a new frequency tuning method for LCL compensation networks. |
| 2009 | [98] | ICNIRP guidelines on static frequencies. | |
| 2010 | [97] | ICNIRP guidelines on varying frequencies. | |
| 2010 | [80] | A revisiting of the coupler design to improve performance by better directing the magnetic flux. | |
| 2011 | [81] | Introduction of BPP to further improve coupling factor and mislagnment tolerance. | |
| 2011 | [11] | Full OLEV system constructed for testing. | |
| 2012 | [60] | Frequency tunning used to mitigate misalignment issues with standard circular coils. | |
| 2012 | [42] | A direct AC-AC converter system, this is one of the first preposals for streamlining the system. | |
| 2013–2018 | 2013 | [76] | Further research in the DD pad. |
| 2013 | [44] | Introduction of Class E2 converters for WPT, showcases a heavily streamlined system. | |
| 2013 | [91] | Further design consideration for OLEV supply side. | |
| 2014 | [12] | Further design improvments to BPP with the system able to tranfer power across 200 mm airgap. | |
| 2015 | [21] | An investigatioin into power supply types combined with the basic compensation topologies. | |
| 2015 | [18] | Preposes using switching to avail of mutliple compensation topolgies in a single system. | |
| 2015 | [25] | A comprehensive design for LCC compensation showcasing operation with ZVS and a constant resonance. | |
| 2016 | [23] | Inverstigation into double the LCL network showcasing CC & ZVS operation. | |
| 2016 | [48] | First instance of preposing split capacitor with sinlge switch converter topologies. Presents a new P5 buck-boost topolgy with reduced split capacitor size. | |
| 2017 | [17] | A comprehensive inverstigation into higher-order compensation to find desirable operation. | |
| 2017 | [38] | Preposes a method for control of the primary power output in relation to battery charge without wireless communications. | |
| 2017 | [45] | Further analysis on class E2 converters for WPT. | |
| 2018 | [16] | Employing a controller to gain CC/CV operation from basic compensation topolgies. | |
| 2019–2022 | 2019 | [71] | A switch controlled capacitor is used to maintain resonant operation. |
| 2019 | [46] | ZVS for class E inverter over varying coupling factor. | |
| 2019 | [51] | The first instance of single switched Buck-Boost converts considered as full WPT systems. | |
| 2019 | [85] | New coil for misalignment tolerance to ensure a consistant power supply to the secondary. | |
| 2019 | [86] | Preposes a system that uses a switch controller capacitor bank to compensate for air gap variation. | |
| 2019 | [34] | Multi-load WPT system resiliant to changes in load. | |
| 2020 | [70] | Further reseatch into switch controller capacitors for resonance issues. | |
| 2020 | [54] | Introduction of Bi-directionality for vehicle to grid purposes. | |
| 2020 | [31] | Utilises the 3rd harmonic in conjuction with a modifcation of the basic compensation topologies to increase stability over varying coupling factor. | |
| 2020 | [57] | Showcases an impedance matching network that can be tuned to maximize efficiency over varying coupling factors. | |
| 2021 | [61] | Preposes using variable freuqnecy to ensure good effiency and CV operation for the load. |
Publisher’s Note: MDPI stays neutral with regard to jurisdictional claims in published maps and institutional affiliations. |
© 2022 by the authors. Licensee MDPI, Basel, Switzerland. This article is an open access article distributed under the terms and conditions of the Creative Commons Attribution (CC BY) license (https://creativecommons.org/licenses/by/4.0/).
Share and Cite
Okasili, I.; Elkhateb, A.; Littler, T. A Review of Wireless Power Transfer Systems for Electric Vehicle Battery Charging with a Focus on Inductive Coupling. Electronics 2022, 11, 1355. https://doi.org/10.3390/electronics11091355
Okasili I, Elkhateb A, Littler T. A Review of Wireless Power Transfer Systems for Electric Vehicle Battery Charging with a Focus on Inductive Coupling. Electronics. 2022; 11(9):1355. https://doi.org/10.3390/electronics11091355
Chicago/Turabian StyleOkasili, Iman, Ahmad Elkhateb, and Timothy Littler. 2022. "A Review of Wireless Power Transfer Systems for Electric Vehicle Battery Charging with a Focus on Inductive Coupling" Electronics 11, no. 9: 1355. https://doi.org/10.3390/electronics11091355
APA StyleOkasili, I., Elkhateb, A., & Littler, T. (2022). A Review of Wireless Power Transfer Systems for Electric Vehicle Battery Charging with a Focus on Inductive Coupling. Electronics, 11(9), 1355. https://doi.org/10.3390/electronics11091355
