Next Article in Journal
Applying Collective Intelligence in Health Recommender Systems for Smoking Cessation: A Comparison Trial
Next Article in Special Issue
A Review of Wireless Power Transfer Systems for Electric Vehicle Battery Charging with a Focus on Inductive Coupling
Previous Article in Journal
Multi-Task Learning Using Gradient Balance and Clipping with an Application in Joint Disparity Estimation and Semantic Segmentation
Previous Article in Special Issue
Using Overlapped Resonators in Wireless Power Transfer for Uniform Electromagnetic Field and Removing Blank Spots in Free Moving Applications
 
 
Font Type:
Arial Georgia Verdana
Font Size:
Aa Aa Aa
Line Spacing:
Column Width:
Background:
Article

Structural Analysis of Loosely Coupled Transformers with FEA-Aided Visualization for Wireless Power Transfer Systems against Misalignment Tolerance

School of Automation, Hangzhou Dianzi University, Hangzhou 310018, China
*
Authors to whom correspondence should be addressed.
Electronics 2022, 11(8), 1218; https://doi.org/10.3390/electronics11081218
Submission received: 25 February 2022 / Revised: 4 April 2022 / Accepted: 5 April 2022 / Published: 12 April 2022

Abstract

:
The main problems of automotive wireless power transmission (WPT) systems include a weak misalignment tolerance are urgently required to be solved through the design of the loosely coupled transformer. In this paper, an analysis methodology based on finite element analysis (FEA) visualization is proposed, it is easy-implemented and straightforwardly explains this complex electromagnetic phenomenon. Firstly, the transformer structures with different winding and magnetic core arrangement were modeled by FEA in both 3-D and 2-D visualizations. The distribution of space coupling magnetic fields and leakage fields was analyzed by ANSYS Electronics. The key parameters that have a great influence on the coupling performance were delicately chosen. Then, the quantitative analysis of these key parameters and coupling performance against misalignment tolerance is presented. The numerical statistical result shows that the maximum coupling coefficient of the three structures that have been optimized consistently appears when the two key parameters, the inner and outer diameter, account for about 20% and 60% of the whole dimension of the transformers. A new transformer with a solenoid-shaped structure and strong misalignment tolerance was proposed based on the analysis methodology and the FEA results of the three structures. The delivered power and transfer efficiency under different misalignments of the new structure were analyzed via an FEA-aided joint method as well. The relationships among misalignment tolerance, key structural dimensions and coupling coefficients for all these structures were comprehensively investigated, which provide guidance for the subsequent multi-objective optimization strategies.

1. Introduction

The high-frequency magnetic field provided by the coupling transformer is the path of power transmission between the charging device under the road and the EV battery. Autonomous EVs are the future of the transportation industry [1], and wireless power transfer (WPT) technology will improve operational flexibility as it replaces conventional wired charging methods [2,3].
The WPT device is generally located between the chassis and the roadbed. The inherent space limitation forces most transformers to have a loosely coupled layout. The coupling efficiency and misalignment tolerance of the transformer directly determine the operational state of the WPT system [4]. However, the coils used for EV applications have complex shapes and winding arrangements. It is vital to have a detailed understanding and an efficient design for a loosely coupled transformer. This is leading to the exploration of alternative coil structures, such as circular structures [5], rectangular structures [6], DD and DDQ structures [7,8], and solenoid structures [9]. However, with complex geometrical structures, the design trend towards a loosely coupled transformer may have a feasible solution in order to realize a suboptimal design through various kinds of analytical and numerical modeling methods. One of the most theoretical ways is to establish tractable and realistic models that can predict the characteristics of a transformer well enough to tune the parameters. In a trifoliate contactless power transformer designed in [10], the equivalent magnetic model is proposed in order to simulate the behavior of the transformer. Trying to obtain a more accurate model involves the self-inductances and mutual inductances related to each magnetic flux. However, there still exists a relatively large error between the measured and modeled values. The common approach in previous studies is to model the WPT system as a lumped RLC circuit that is then analyzed using standard circuit-solving techniques. Some other studies have also used models based on couple-mode theory [11], which has been shown to be equivalent to the RLC circuit modeling [12]. However, the standard circuit solving techniques require a complex circuit with a large number of lumped circuit elements, and the accuracy of these models needs to be improved [13]. In addition, all parameter designs of the coil structures are rarely considered in these circuit models.
The loosely coupled transformer is difficult to design due to the nonlinear behavior of magnetics and sophisticated geometrical structures that are dramatically different from common tightly coupled transformers. With the introduction of ferromagnetic materials (ferrite is most commonly used), the circuit model-based method becomes impractical and complex in the description of field shaping. On the other hand, the simulation approach based on Finite Element Analysis (FEA) is frequently employed in current studies [14,15,16,17,18]. The FEA design procedure requires numerous 3-D trials because of the high number of parameters affecting the power transfer. In addition, through the comprehensive investigation, the simulation results from FEA match well with the experimental results. In other words, the FEA method is adequate for loosely coupled transformer design [19]. FEA tools, such as JMAG [8,20], ANSYS Maxell and FEM [6,21], COMSOL [22], or a combination of these methods [16,23,24], are frequently adopted in the design of coil parameters. The results can be demonstrated in either 2-D [25,26] or 3-D [5,21,22,27,28]. Whether 2-D or 3-D is chosen depends on the complexity of the coil structure and the optimization problem formulation. The 2-D-based coil modeling is preferred due to its simplicity and reduced computational cost compared with 3-D-based modeling. The drawbacks of the 3-D model are the higher computational cost and the complexity of geometry realization [19], but the analysis results have a higher accuracy than the 2-D model. When the design is targeted at the dimension combination of the loosely coupled transformer (which is less studied in previous studies), the 3-D visualization is superior to the 2-D visualization.
Even so, most of previous studies using FEA are focused on the coil design and performance enhancement at the nominal position and do not consider the impact of misalignments with different offset distances and directions on the system’s performance. In addition, the existing FEA-aided design methods drive the parameter design, which varies from one solution to another. Considering the objectives and restrictions are unique to the different structures of loosely coupling transformers, it is necessary to find a unified objective, especially because there is no comprehensive FEA-aided methodology of comparative study of the different structures of couplers. With the development of the computer and information industries and FEA platforms, there is a large amount of potential for the implementation of FEA methods and tools. Therefore, the FEA-aided method of different coupler structures for solving these problems is the focus of this paper.
FEA can be integrated into the analysis in order to achieve an efficient design even with misalignments [29,30]. Similarly, the variation in the coupling coefficient under misalignment may violate some of the design constraints, which can then be considered a unified objective. In order to obtain this fundamental principle, an FEA-aided analysis methodology that has a good compromise between high accuracy and computational simplicity is proposed in this paper. Essentially, the parameters with the least impact are ignored in the analysis in order to reduce the computational cost and the key parameters are especially investigated, which improves the overall efficiency of the analysis algorithm.
ANSYS Electronics is used in this paper for quantitative FEA of the magnetic field generated by the loosely coupled transformer with varied structures. The relationships between coupling performance, ferrite arrangement, and coil structure are analyzed through both 2-D and 3-D graphical visualizations. The key parameters affecting the coupling performance are determined by FEA. The quantitative relationship between different structure sizes and coupling performance can be obtained through FEA calculations. Moreover, the sensitivity of each coupling transformer for misalignment tolerance is compared and analyzed. Accordingly, a transformer structure with a strong misalignment tolerance, good coupling performance, and reasonable cost is proposed and offers examples and guidance for the multi-objective analysis strategies [22,29,31] and releases the design pressure of these strategies. To satisfy the requirement of multi-objective analysis, the delivered power and transfer efficiency impacts are also analyzed by means of the proposed FEA joint method. Overall, the comprehensive FEA-aided analysis procedure and methodology, which has been widely studied and shows great implemental diversity that differs from the WPT designs found in the existing literature, is presented in-depth in this paper.
The rest of the paper is organized as follows. Section 2 introduces the FEA-aided methodology of analysis for loosely coupled transformers. Through this methodology, Section 3 studies several representative coupling transformers to verify the feasibility of the analysis method. Section 4 also discusses the guiding role in the optimization of new transformers. Enlightened by the FEA results, an improved structure for misalignment tolerance is proposed in Section 4. The ANSYS Electronics and Simplorer joint simulation methods are introduced in Section 5 in order to analyze the system efficiency and power changes under different misalignment conditions. Section 6 concludes the paper.

2. Analysis Methodology with FEA-Aided Visualization

Since a number of parameters affecting space vectors in an electromagnetic field are required to evaluate the system, it is necessary to conduct more a straightforward and physical methodology in order to explore a complex electromagnetic interaction system. Firstly, non-critical parameters that have little impact on the system’s performance are chosen based on previous studies and international standards. The FEA is then used to simulate the space magnetic field. Key parameters such as inductance, impedance, and coupling coefficient are solved via finite element calculation, thus providing guidance on the layout designs of different structures. Finally, the coupling performance of three typical structures under horizontal and vertical misalignments is analyzed. By comparing the misalignment tolerance performances, the starting direction for the selection and analysis of loosely coupled transformers is derived. The FEA-aided methodology is illustrated in Figure 1.
Since the loosely coupled transformer shows a greatly complex electromagnetic interaction, it is difficult to calculate the exact solution of its performance index. ANSYS Electronics is chosen as the FEA platform used to derive an approximate solution for several simple and coupled elements, and then acquire the solution of the actual problems. In this paper, the FEA-aided methodology worked towards the enhancement of analytical accuracy of more structures of the loosely coupled transformer. The procedures in this methodology can be specified in two parts:
(1).
Defining the solution element. The steps are:
Obtaining the solution domain that is approximate to the physical properties and geometric shape of the actual problem.
Defining the unit type (roughly divided into winding, magnetic core, and shielding plate).
Defining the unit material attributes.
Defining the unit geometry attributes.
Defining the unit connectivity.
Defining the boundary conditions.
Defining the current excitation.
(2).
Solving the final assembly and exploring the obtained parameters.
ANSYS Maxwell 3-D modeling and material library software in ANSYS Electronics can be used to complete the finite element division and definition of the loosely coupled transformers. The coupling coefficient vector results are graphically visualized and then finite element analyzed in 2-D and 3-D, which is a straightforward process. In addition, the quantitative analysis was carried out through the stored data from the visual processing so that the change trend can be intuitively observed.

3. FEA-Aided Analysis of Different Structures

Although the features of different structures have already been discovered, the analysis method of the loosely couped transformer still needs to be improved. The space magnetic field is simulated, and the study direction can be driven by “key parameters” that have a great influence on the system’s performance, as shown in Figure 1. Two important steps need to be activated: one is to run another FEA after redesigning the new appropriate data intervals for key parameters; the second is to provide suggestions and directions for the transformer design led by the FEA results
At the same time, we need to select several objects in order to study the key parameters. First, the circular transformer—as the most common transformer with central symmetrical structure—is used to study the key parameter selection and analysis methods of the transformers with a similar isotropic feature. Second, the square transformer—the most prominent feature is that the change of coupling coefficient with misalignment has directional anisotropy—is used to study the same type of transformer that has anisotropic characteristics. While the circular and square transformers are single-coil structures, the DD structure with double-coil layout is emphasized and the analysis methods of the key parameters of the double-coil transformer can then be derived. Since key parameters of both single-coil and double-coil layouts are investigated, the improved structure can be obtained through the analysis results of these three typical structures.

3.1. FEA of Circular Structure Transformer

One characteristic of a circular transformer is that the decrease in the coupling coefficient is always the same regardless of which direction is offset. In other words, it is isotropic. Therefore, in this section, the selection method of the key parameters of an isotropic transformer is proposed. In addition, as the most common type of transformer, the analysis of a circular transformer can meet the requirements of multi-objective design.
The circular coupling transformer is mainly composed of three parts: coil, ferrite, and shielding disk. For the shielding, the most popular design is to use the passive metal aluminum to make the shielding plate by inserting it into the back, which not only shields the high frequency space magnetic field, but also effectively reduces magnetic leakage and improves the efficiency and coupling performance.
Due to the idiosyncrasies of object orientation, it is usually necessary to minimize the thickness of the coupling transformer’s vertical structure in order to satisfy the automotive WPT requirements. The physical model in 3-D is shown in Figure 2. To facilitate the observation, the transparency of the structure in the secondary side is partly set to 50%.
The dimensioning map of the circular transformer model in 2-D is shown in Figure 3. Htr is defined as the vertical distance between the lower surface of the primary coil shield and the upper surface of the secondary coil shield. Considering that the height of an average car from the ground is usually 150 mm–200 mm, Htr is also designed based on this measurement. Dtr is defined as the horizontal misalignment distance to the center point of the transformer. Figure 3 is the 2-D dimensioning map of the primary side of the circular transformer. The transformer size is characterized as the radius of the disc, Rcircle; inner diameter of the coil, Rin; outer diameter of the coil, Rout; the number of turns of the coil, N; magnet length, Lco; magnet width, Wco; number of magnets, Nco; and magnet thickness, Tco.
Based on this methodology, ANSYS Electronics is used to conduct quantitative analysis of the space magnetic field; analyze the relationship between the coupling performance, ferrite arrangement, and coil structure; and select the appropriate structural parameters. The characteristics of the magnetic field distribution under different diameter sizes of the coil obtained by FEA are shown in Figure 4. It is observed that the leakage of the magnetic field accounts for most of the total; therefore, it is necessary to install a shielding device. A wider coil will lead to a shorter closing path of the divergent magnetic field outside of the coil and an increase in the magnetic leakage. It also causes the height of the magnetic field in the center of the coil and the mutual inductance magnetic field to increase simultaneously, which means that their ratio and coupling performance will be changed. This clearly demonstrates that both the inner and outer diameter of the coil play a dominant role in the distribution of the systematic space magnetic field. The FEA specification of key parameters is shown in Table 1; the key parameter settings of FEA electromagnetic field simulation are shown in Table 2.
The coil is wound with Leeds wire with five turns, each with a diameter of 4 mm. Thus, the original ferrite that was employed was 50 mm in length, 12 mm in thickness, and 32 mm in width. The width and thickness of the ferrite in the simulation are consistent with the table, but the length is an integer multiple of the original one. The experimental conclusions in the literature [21] show that the overall size of the circular structure is determined by the spacing between the original and secondary sides. Generally, the overall size should be 2–3 times this spacing, and the diameter of the shielded aluminum plate should be at least 500 mm. According to the skin depth, the thickness of the shielded aluminum plate was designed to be 2 mm, and the length of the fixed ferrite was 200 mm. It was composed of four original ferrite blocks, which are slightly smaller than the overall structure’s size. To achieve the compromise between higher accuracy and a lower simulation time, a disk was selected to replace the Leeds line after many FEA tests. It was found that the error is less than 5% when the disk was defined as a solid with the same number of turns.
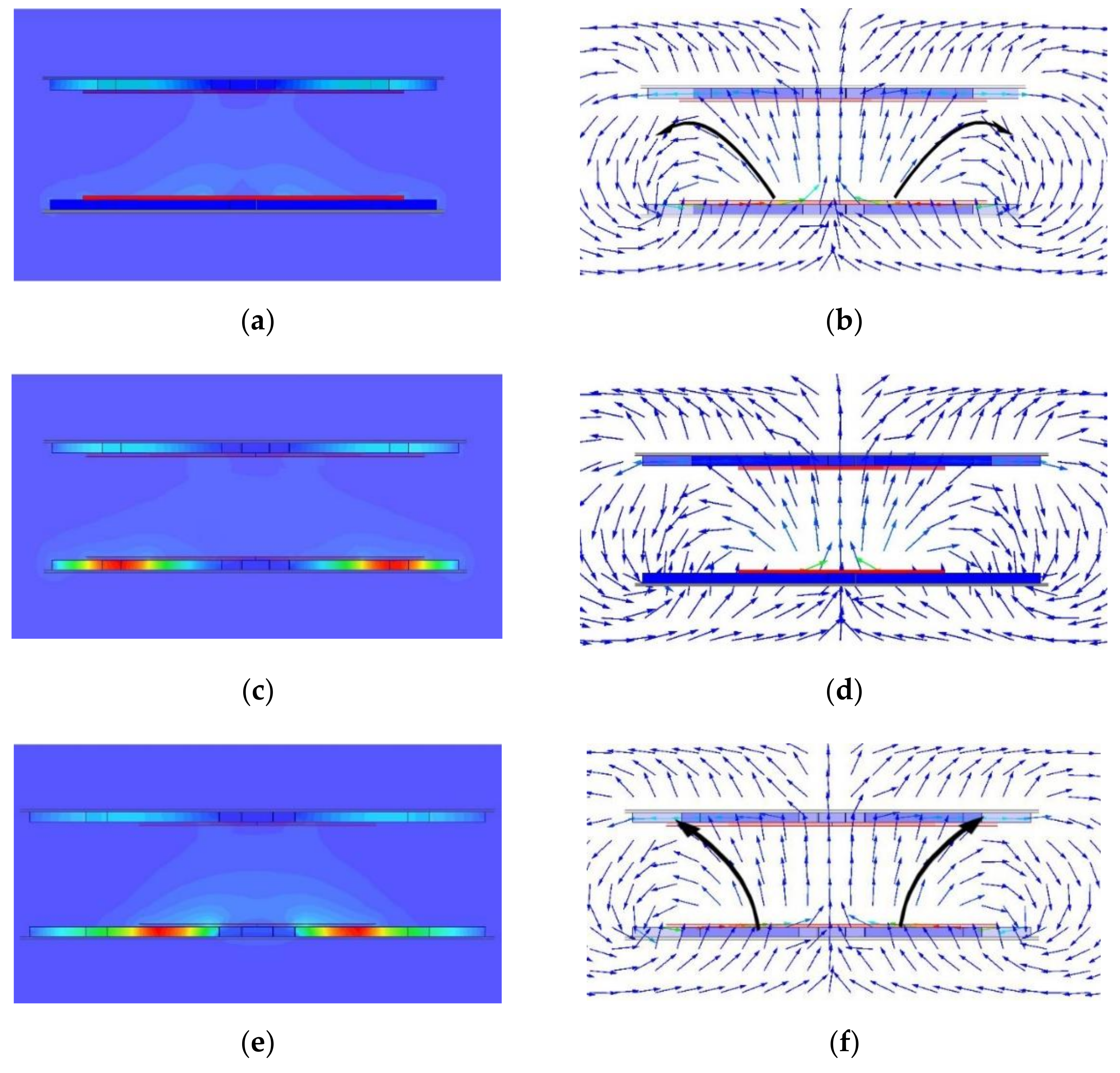
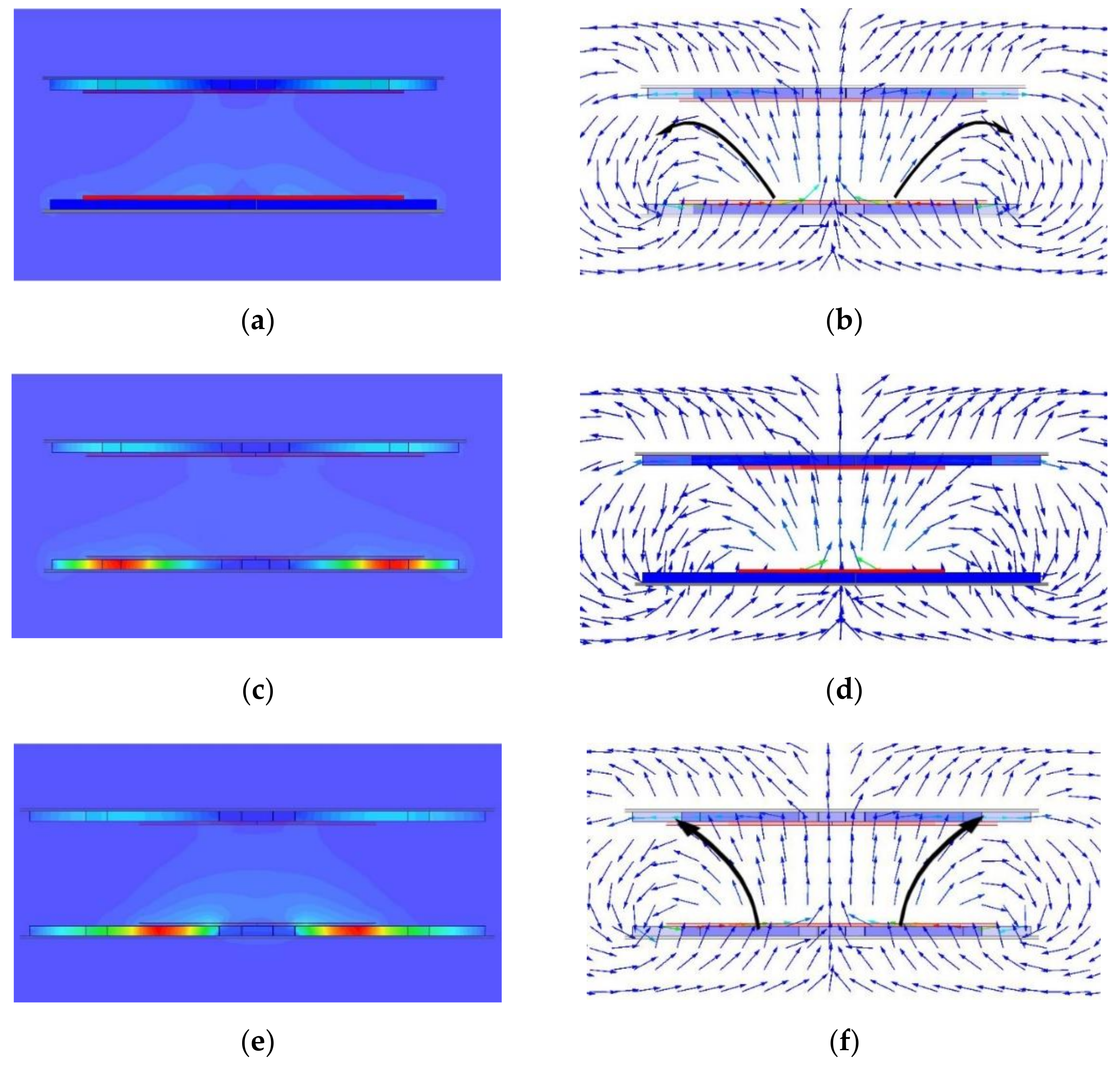
The key parameters affecting the coupling coefficient can be evaluated by analyzing the distribution characteristics of the space magnetic field. The external conditions were that the primary side was stimulated by 50 A and the secondary side excitation was 0 A. The magnetic field distribution of wide and narrow diameter coils in the YZ plane is demonstrated in Figure 4. As shown in the figure, the excitation flows through the primary winding to produce a vertical upward magnetic field; this part punches through the secondary winding for the induction energy formation, which is the mutual inductance. However, due to the limited magnetic materials, the magnetic field had a partial divergence back to the original side after closure, which is the leakage field. When the inner diameter of the primary winding was different, the mutual inductance magnetic field with different height was formed, and the different coupling performance was subsequently obtained. From the comparative results shown in Figure 4a,c, the larger coupling area of primary and secondary magnetic field was obtained with a wider coil inner diameter. It is also shown in Figure 4b,d that the transformer with a wider coil inner diameter generated a higher mutual inductance magnetic-field height. Compared with the narrow inner diameter, the coupling magnetic field with a wide coil inner diameter accounted for a larger proportion than the leakage magnetic field. According to Figure 4a,e, an increase in the outer diameter of the coil led to an increase in the leakage magnetic field due to a shorter closed path of the divergent magnetic field outside the coil. By observing the changes of magnetic field strength under different inner (outer) diameters, combined with electromagnetic theory, we concluded that the changes of inner (outer) diameters of the coil have a great influence on the coupling performance, which was then classified as the “key parameter”.
The coupling coefficients with 10–30 cm of the outer diameter and 5–25 cm of the inner diameter of the coil were calculated and shown in Figure 5. It can be observed from the color scale diagram that a gradual increase in the inner diameter with the same outer diameter Rout leads to a decrease in the coupling coefficient. In addition, the coupling coefficient increased with an increase in Rout when Rin was fixed. The change law is nonlinear. Both the mutual inductance and the leakage field were increased in this case. As Rout is 30 cm and Rin is set between 5 and 15 cm, the coupling coefficient was maintained at a high value. An increase in the ferrites number significantly increased the weight and cost as well. Too many ferrites resulted in the fragility of the rigid transformer structure; therefore, dramatically adding to the possibility of system instability. However, the coupling performance of the primary and secondary sides was enhanced due to the inherent feature of reducing the reluctance. In summary, considering the weight, structural strength, and production costs, the number and size of the ferrite were designed at appropriate values. Additionally, to facilitate the horizontal comparison of various structures, other transformers were adopted with the same total volume of ferrite.
Horizontal and vertical misalignments between the primary and secondary sides of the transformer inevitably exist during WPT charging. It is necessary to simulate the change in the coupling coefficient under different misalignment conditions. We set the horizontal misalignment between 5 and 25 cm. Moreover, the distance between the receiving coil of the radio transmission device in the car chassis and the ground had a close relationship with the car load. The distance between the chassis and the ground gradually decreased with an increase in the vehicle’s weight. Therefore, the vertical misalignment size of the original auxiliary coil may decrease, and the vertical of misalignment can be restrained within 10 cm–30 cm. The horizontal and vertical misalignments are the key parameters here.
The FEA results are shown in Figure 6. As depicted in the figure, the maximum coupling coefficient appears when the outer diameter is 30 cm and inner diameter is 5 cm. By keeping this size fixed, the coupling coefficient changed with the vertical offset varying between 10 and 30 cm and the horizontal offset changed between 0 and 20 cm. These changes were investigated and are graphically displayed in Figure 6. The coupling coefficient decreased gradually with an increase in the horizontal misalignment Dtr under the fixed vertical misalignment Htr. The coupling coefficient approached zero and the transformer could not realize energy transmission when Dtr increased to 20 cm. The results also illustrate that when Htr is less than 20 cm, the coupling coefficient can be kept at a high value. With an increase in the air-gap, the coupling coefficient decreased gradually. The coupling coefficient was 0.0799 when Htr increased to 25 cm, and the transmission efficiency was quite low. The coupling coefficient was at a high level when Htr was within 10 cm–15 cm and Dtr was limited between 0 cm and 10 cm, but it decreased rapidly and the misalignment tolerance was poor.
The number of ferrites, the structural stability, and the size combination of different inner and outer diameters of the coil should be considered as the key parameters in the optimization of a circular transformer. In addition, the horizontal or vertical misalignment of the primary and secondary windings are also verified as key parameters through analysis of the graphical FEA results.

3.2. FEA of Rectangular Structure Transformer

In daily parking, wheel blockers are often used to prevent cars from moving in a forward direction and causing collisions. In this case, a rectangular structure (as shown in Figure 7) was proposed [21], where the arrangement direction of the ferrite is the same as the forward direction of the vehicle. Since the misalignment perpendicular to the ferrite direction has no obvious effect on the coupling coefficient, a transverse direction was arranged. The direction with an obvious coupling change used the wheel stopper to define the position. Therefore, the misalignment tolerance of the rectangular structure is better than the circular structure in a daily parking situation. In contrast to the circular transformer, the attenuation of the coupling coefficient of a square transformer in different directions is anisotropic. The purpose of selecting it as the goal of our analysis was to study whether the key parameters of anisotropic transformers are the same as those of an isotropic transformer.
The rectangular structure transformer is mainly composed of shielded aluminum plate, ferrite, and coil. In order to match the placement of ferrite, the coil was wound into a rectangular shape. The primary view of the transformer is shown in Figure 8, where the ferrite is connected by eight pairs and spliced together four ferrites with twice the length, the same width, and the same height. The key geometric dimensions are specified as an inner diameter of the coil, Win; an outer diameter of coil, Wout (as shown in Figure 8); a distance between the internal ferrite and centerline, Dre; and ferrite spacing, Wcore. Similarly, Htr is defined as the vertical distance from the lower surface of the primary coil shielding to the upper surface of the secondary coil shielding device. Dtr is the horizontal misalignment of the center point of the primary and secondary sides. The key parameters of the rectangular transformer are displayed in Table 3.
The coupling coefficient under different combinations of the inner diameter of the coil, Win, (in the range of 5–25 cm) and the outer diameter, Wout, (in the range of 10–30 cm), is graphically demonstrated in Figure 9. Compared with the results in Figure 6, we observed that the change law of coupling coefficients between the circular transformer and the rectangular transformer is basically the same when the inner and outer diameters change. The peak value appears at Wout = 30 cm and when Win is in the range of 5–15 cm. Therefore, analysis was implemented with Wout = 30 cm and Win = 10 cm in order to explore the impact of lateral misalignment and vertical distance on the coupling coefficient.
The layout of the rectangular transformer ferrite has clear directional characteristics. The horizontal misalignment is divided into two directions, the ferrite direction and vertical to the ferrite direction. The transformer vertical misalignment was initially defined as 10–30 cm. Figure 10 shows the change law of the coupling coefficient with ferrite direction misalignment. A zero-coupling point appeared when the misalignment reached 15 cm. While it increased to 20 cm, the coupling was zero regardless of how the vertical misalignment changed. Therefore, the occurrence of the zero-coupling point was mainly related to the horizontal misalignment, instead of the vertical one. The changes of the coupling coefficient with misalignment perpendicular to ferrite direction are shown in Figure 11. By comparing Figure 10 and Figure 11, we found that coupling coefficient decreased to about 40% when the misalignment vertical to the ferrite direction was added from 0 to 20 cm, while there was almost no zero-coupling point when the misalignment along the ferrite direction was increasing. Obviously, the decrease in vertical misalignment had a remarkable effect on the improvement of the coupling coefficient.

3.3. FEA of DD Structure Transformer

The analysis of a DD structure transformer studied the changes in the selection of key parameters of the double-coil layout. Both circular and rectangular transformers have single-sided and single-winding structure. For the single-winding, the inner circle of the transmitting coil emits a magnetic field, which passes through the secondary winding and returns to the ferrite at the back of the transmitting coil through the solution domain, thus forming a closed-loop magnetic field, as shown in Figure 12a. While in the single-sided double-winding structure [5], the magnetic field forms a closed loop with the magnetic field centered in the middle line of the two coils, as shown in Figure 12b. The coupling performance of the primary and secondary sides was determined by the vertical height of magnetic field under a certain horizontal misalignment, Dtr, condition. The magnetic field height and transmission efficiency of single-sided double-winding transformer were higher than that of a single-sided single winding with the same size and ferrite number. Therefore, a single-sided double-winding structure can provide more misalignment tolerance rate for transformer design and improve the efficiency and system stability.
The currents in the two coils were in opposite directions, and the ferrites on the back of the coils were aligned horizontally, as shown in Figure 13. According to the FEA results of rectangular transformer, the coupling coefficient of DD structure also attenuated less with the misalignment vertical to ferrite direction. The key geometric parameters of DD structure are addressed in Figure 14, including the outer diameter of coil, Win; coil width, Wcoil; inner diameter of coil, Win; and distance between internal ferrite and centerline, Dre. Similarly, Wcore is defined as the vertical distance between the lower surface of the primary coil and the upper surface of the secondary coil of the shielding device. Dtr is the horizontal misalignment of the center point of the primary and secondary sides. In order to produce a fair contrast with the single-sided single-winding, the parameters were specified as the overall width of the coil: 400 mm; the length: 600 mm; and the ferrite spacing: 40 mm. Considering the complex structure had a number of parameter combinations, the key parameters needed to be discovered. Obviously, the inner and outer diameter of the coil were key parameters and they need to be considered initially. The other key parameters of the DD transformer are listed in Table 4.
Due to the special structure of the DD transformer coil, the coil width cannot be unchanged when the outer and inner diameter of the coil are changed simultaneously. Therefore, the outer diameter and the width of the coil were taken as independent variables in order to investigate the changes of the coupling coefficient. The FEA parameters are shown in Table 5. After the FEA-aided analysis, the inner and outer diameters of the coil were controlled with less constraints under the same coil width.
The simulation results with the same outer diameter of the coil Wout are shown in Figure 15. In this case, when the coil width Wcoil increased from 60 mm to 70 mm, the coupling coefficient decreased. When Wcoil climbed to more than 70 mm, the coupling coefficient decreased with the increase in Wcoil. The reason is that the fixed ferrite spacing caused the coupling to decrease as the Wcoil value increased. When Wcoil was fixed, the coupling coefficient increased with the increase in Wout. The best coupling performance appeared at Wout = 300 mm and Wcoil = 100 mm.
FEA was used to investigate the coupling coefficient variation under different misalignment conditions by selecting Wout = 30 cm and Wcoil = 10 cm. Since the DD and square structure transformers were applied in similar scenarios, only the influence of the misalignment perpendicular to the ferrite direction of the coupling coefficient needed to be explored. The horizontal misalignment of the coil vertical to the ferrite direction is defined as Dtr and its variation range is 0–20 cm. Htr is the vertical distance from the lower surface of the primary side coil to the upper surface of the shielding device in the secondary side coil, which varied between 10 and30 cm. The FEA results are shown in Figure 16. The maximum value of coupling coefficient was 0.488 when Dtr = 0 cm and Wcore = 10 cm. This value increased by 30% compared with the square structure with single-side single-winding under the same misalignment condition. When Dtr was 5 cm and Wcore was 10 cm, the coupling coefficient increased by 48.8% compared with the square transformer. We verified that the single-sided double-winding structure had a stronger misalignment tolerance and magnetic field intensity than the single-sided single winding. The system coupling coefficient Wcore dropped faster in the range of 20–25 cm of vertical misalignment. As it exceeded 25 cm, the system coupling performance fell to a low level.
Based on the numerical statistical results of FEA, it is worth noting that the maximum coupling coefficient of the three structures that have been improved consistently appears when the two key parameters—the inner and outer diameters—account for about 20% and 60% of the whole dimension of transformers, respectively.

4. FEA of a Loosely Coupled Transformer with Strong Misalignment Tolerance

Due to the structural characteristics of the circular transformer, the misalignment in all directions caused a similar attenuation of the coupling coefficient. However, the rectangular transformer can have a flexible adjustment of misalignment in special directions and a good applicability for EV charging. The “DD” transformer is derived from the rectangular structure and had a better misalignment tolerance, but the mutual coupling between the two windings caused energy loss during the transmission process. Therefore, a new structure was proposed in this paper. The solenoid structure is adopted on the primary side in order to improve the coupling performance, and the improved double-coil DD structure is used on the secondary side. The two coils are decoupled from each other to eliminate the interaction energy loss.
The solenoid structure [9] is double-sided and has higher magnetic field intensity compared with single-sided based on the conclusion obtained in Section 2. The coupling of the solenoid decreased rapidly when it was deviating along the solenoid axis, but the primary and secondary sides had a better coupling performance. According to the methodology illustrated in Figure 1, the optimized scheme can be formed through a structural combination and redesigning the parameters. To obtain an improved coupling performance, one transformer with strong misalignment tolerance based on solenoid structure was proposed.
The primary side is a solenoid-structure coupled double-sided winding, and an aluminum plate is placed on the back of the structure in order to shield from leakage of the magnetic field. The bipolar structure is designed as the secondary side, which consists of two mutually independent single-sided windings overlapping to form the receiving coil. Due to the natural shielding effect of the single-sided winding, the secondary side no longer needs an aluminum plate to shield the magnetic leakage on the back of ferrite.
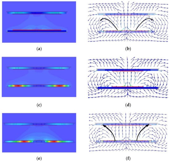
In the structure shaped like the DD structure with two independent secondary windings, there is not only mutual coupling between the primary and secondary windings, but also there is coupling between the two secondary windings that will generate circulation on the receiving side, which thus accordingly reduces the efficiency of WPT system. For the bipolar structure, there is a relative position where the two coils are staggered such that the coupling coefficient between the two receiving coils is 0. As shown in Figure 17, assuming that a current is excited in winding 2, the generated magnetic field will not only have Φ1 penetrating through winding 3, but also Φ2 will be pulling out of winding 3. By adjusting the overlapping area between the two windings to equate Φ1 and Φ2, there is no induced electromotive force on winding 3 driven by winding 2, which means they are decoupled.
In Section 2, the anisotropic square transformer and the DD transformer with a double-coil structure are studied, which is a fundamental of the new structure’s design. The key parameters of the solenoid-structure transformer are listed in Table 6. The key dimensions are addressed in Figure 18. To make a fair comparison with the plane-coupled transformer, some dimensions were specified as: overall coil width: 400 mm, the ferrite spacing: 88 mm, and the overall coil length: 600 mm. The ferrite was held together by the same type of the ferrite. The solenoid structure was relatively simple, and the coil width Wpt was the only factor considered in the size design.
Based on the FEA results of the DD transformer and the decoupling conditions of the bipolar structure, the key sizes of the secondary side coil were defined as follows: inner diameter of coil: Win = 240 mm, outer diameter of coil: Wout = 400 mm, and coil width: Wcoil = 80 mm. The coil overlap length was labeled as Wtx, and the other dimensions were the same as the solenoid structure. The annotation of the key geometric parameters of the bipolar structure is marked in Figure 19, and the system architecture is modeled in 3-D in Figure 20.
The key parameters that need to be improved for this transformer are defined as the coil width, Wpt, and the overlapping length of the secondary coil, Wtx. Then, the transformer structure can be preliminarily optimized. Based on the decoupling requirement of the bipolar structure, the design procedure needs a small change in order to find the zero-coupling point. The mutual inductance and magnetic flux changes caused by the overlap length of the bipolar coils are simulated by FEA, and the results are shown in Figure 21. The zero point of the overlapping length of the two coils is when the two coils do not overlap at all and the coil moves inward, which is defined as the positive growth of the overlapping length of the coil. We observe from the relationship curve that the coupling coefficient between the two receiving coils initially decreased with the increase in coil overlapping length. When the overlap length increased to about 55 mm, we find the zero-coupling point and then the two coils were decoupled. After this zero-coupling point, the coupling coefficient increased with the increase in coil overlapping length until the coils were completely overlapped and the coupling coefficient reached 1. Therefore, the coil overlapping length Wtx was defined as 55 mm, which is the value most conducive to the energy transmission of transformer.
Besides the coil overlap length, the coil width of the primary solenoid-structure transformer needed to be designed as a key parameter as well. The FEA-aided results are shown in Figure 22. It is not difficult to find that the maximum value of the coupling coefficient appeared at the coil width Wpt = 130 mm. Finally, the coil width of the primary solenoid-structure transformer was defined as 130 mm in order to complete the design of the key parameters.
After improving the design of the key parameters, the misalignment effect on coupling performance was simulated. The coil horizontal misalignment vertical to the ferrite direction is Dtr and its variation range is 0–20 cm. Wcore is the vertical distance from the lower surface of the shielding device for primary side coil to the upper surface of the shielding device for secondary side coil and had a range of 10–30 cm. The overlap length of secondary coil was defined as 55 cm, and the width of primary coil was 250 mm. As shown in Figure 23, the system performance against horizontal misalignment tolerance was greatly improved. The coupling coefficient of 5 cm misalignment decreased by 1%, and the misalignment of 10 cm decreased by 5.8%. Compared with the DD structure, the coupling coefficient decreased by 9.8% and 40%, respectively, under the same 5 cm and 10 cm misalignment conditions. When the vertical misalignment increased from 10 cm to 15 cm and the horizontal value was fixed, the coupling coefficient decreased by 50.7%. When the misalignment moved from 15 cm to 20 cm, the coupling coefficient decreased by 120%. Compared with the DD structure, the coupling coefficient in the same case was reduced to 91% and 245%. From the observation data of FEA, it can be deduced that when the horizontal misalignment of the coils reached half of the transformer size, that is, 20 cm, the coupling coefficient between original and secondary side was still more than 0.2. In addition, even when the vertical misalignment reached its maximum value of 30 cm, no zero-coupling point emerged. Overall, the transformer with this new structure had an excellent performance against misalignment tolerance.

5. FEA-Aided Investigation of Impact of Power and Efficiency

As analyzed, the proposed design method based on FEA visualization can explain complex electromagnetic phenomena simply and clearly. However, a multi-objective optimization is still urgently required in wireless power transmission equipment for the sake of practical problem solving. Thus, the ANSYS Electronics and Simplorer joint simulation method was further used to analyze and improve the system efficiency and power changes under the different misalignment conditions.
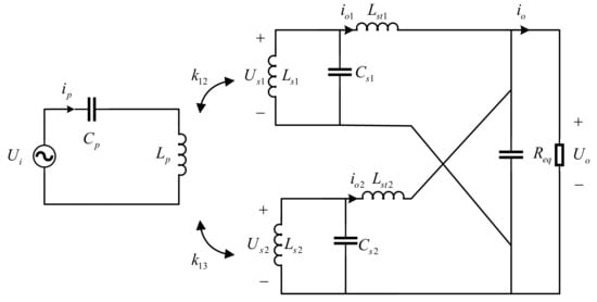
To analyze the power and efficiency of the system, it is necessary to build a complete wireless power transmission (WPT) system. Since the structural analysis is mainly discussed in this paper, the control variable method was used to control other factors affecting the system performance that are unrelated to the transformer structure. The S-LCL topology compensation structure was selected for the modeling of the joint analysis model, as shown in Figure 24. The proposed new structure with strong misalignment tolerance was selected as the transformer.
The characteristic parameters of the transformer were obtained by FEA. The suggested frequency of an international WPT system for electric vehicles is 85 kHz, so the system frequency was defined as f s = 85 kHz. The primary inductance value L p = 78   μ H can be obtained in ANSYS Electronics, inductances on the secondary side are L s 1 = L s 2 = 52   μ H . The calculation formula of capacitance value in fully resonant mode at the system frequency f s is shown in (1).
C = 1 L ( 2 π f s ) 2
Substitute Lp = L into Formula (1), we obtain the capacitance value of the primary side. C p = 0.449   μ F In a similar manner, the capacitance values of the secondary side can be calculated as C s 1 = C s 2 = 0.687   μ F by substituting Lp = L into Equation (1). Meanwhile, the relationship between mutual inductance coefficient M w p t and magnetic coupling coefficient k is shown in Formula (2). Some intermediate parameters of the simulation were automatically calculated by the software and substituted into the solution expression. The symbolic representation of these parameters is shown in Table 7.
k = M w p t L p L s
When the actual working frequency of the system is equal to the resonant frequency of the resonant compensation network, it has:
ω s = 2 π f s = 1 L P C P = 1 L s 1 C s 1 = 1 L s 2 C s 2 = 1 L s t 1 C s 1 = 1 L s t 2 C s 2
The induced voltage on the two coils on the secondary side is:
U ˙ s 1 = j ω s I ˙ p M 12 = j ω s I ˙ p k 12 L p L s 1
U ˙ s 2 = j ω s I ˙ p M 13 = j ω s I ˙ p k 13 L p L s 2
When the system is working in resonant mode, the output current of the two channels on the secondary side is only determined by the induced voltage and leakage inductance of the coil,
I ˙ o 1 = U ˙ s 1 j ω s L s 1
I ˙ o 2 = U ˙ s 2 j ω s L s 2
Since the output of the system is connected in parallel by two circuits on the secondary side at the DC side, that is, the total output current is:
I ˙ o = I ˙ o 1 + I ˙ o 2
According to the power conservation, the total input power and output power of the system are equal:
U ˙ i I ˙ p = ( I ˙ o ) 2 R e q
By combining (3) and (9), the system output power can be obtained as:
I ˙ p = U ˙ i ( k 12 + k 13 ) 2 R e q L p L s
S = ( U ˙ i ) 2 ( k 12 + k 13 ) 2 R e q L p L s
η = S S + P 0 + P k × 100 %
Table 7. Symbols representing the simulation parameters.
Table 7. Symbols representing the simulation parameters.
Simulation ParameterSymbol
Ferrite loss p 0
Copper loss p k
Primary side current I ˙ p
Secondary side current I ˙ s
System apparent powerS
System efficiency η
The system power with vertical misalignments is derived from Equation (11) and plotted in Figure 25. As shown, the system power reached the maximum value when the vertical misalignment was about 10 cm and the vertical offset was fixed to 10 cm. The system power changes under different horizontal misalignments were obtained via FEA and are shown in Figure 26. At the same offset distance, the power decreased much faster along the ferrite direction than along the ferrite vertical direction. At the same time, it was found that the lowest power point appears when it was offset by 20 cm along the ferrite direction, and the power increased after exceeding this point. The existence of this point should thus be considered in the design. The visualization results of efficiency can also be obtained, and the efficiency reached 95% under the condition of 10 cm of vertical offset and horizontal misalignment.
Overall, the proposed FEA-aided analysis methodology can be effectively implemented in all kinds of structures of loosely coupled transformers. In addition, the advanced FEA platform provides a powerful numeration ability and straightforward 2-D/3-D visualization so that the analysis can rely less on accurate mathematical models and can explain more complex electromagnetic interactions in loosely coupled transformers. The proposed FEA-aided methodology will greatly promote the progress of multi-objective optimization in WPT systems.

6. Conclusions

The analysis methodology using FEA-aided visualization was proposed for improving the design of loosely coupled transformers in automotive WPT systems. By using this methodology, the quantitative analysis of the key parameters and coupling performance against misalignment tolerance of typical transformer structures was presented, and the improved structural dimensions were designed. Based on the FEA results, one modified structure with a strong misalignment tolerance was proposed. The relationships between misalignment tolerance, key structural dimensions, and coupling coefficients for all the different structures of loosely coupled transformers were comprehensively investigated. Coil overlap length and primary coil width are considered key parameters of the proposed structure with an FEA-aided improvement, when the optimum coupling performance was achieved. The change of coupling coefficient under different misalignments was also visually analyzed. Moreover, considering the requirements of multi-objective design, the FEA-aided method of ANSYS Electronics and Simplorer joint was proposed to study the delivered power and transmission efficiency of the transformer in the WPT system. This analysis methodology and multi-objective design of a 50 kW/85 kHz IPT system for public transport offered guidance on how to develop a more robust loosely coupled transformer, and hopes to lay a foundation for future research in the field of multi-objective optimization.

Author Contributions

Conceptualization, Y.Z. and J.L.; methodology, J.L. and F.Z.; validation, Z.C. and Y.K.; formal analysis, Y.Z., J.L. and Z.C.; investigation, F.Z.; resources, N.H.; writing—original draft preparation, Y.Z.; writing—review and editing, Y.Z.; supervision, Y.K.; project administration, Y.Z. All authors have read and agreed to the published version of the manuscript.

Funding

This work was funded by the National Science Foundation of China under Grant 51877058, the Zhejiang R&D Key Research Plan under grant 2021C01144, and the Scientific and Technical Projects of the State Grid Zhejiang Electric Power Company, LTD., under grant 5211HZ19014X.

Conflicts of Interest

The authors declare no conflict of interest.

References

  1. Dingyi, Y.; Haiyan, W.; Kaiming, Y. State-of-the-art and trends of autonomous driving technology. In Proceedings of the 2018 IEEE International Symposium on Innovation and Entrepreneurship (TEMS-ISIE), Beijing, China, 30 March–1 April 2018; pp. 1–8. [Google Scholar]
  2. Bosshard, R.; Kolar, J.W. Inductive power transfer for electric vehicle charging: Technical challenges and tradeoffs. IEEE Power Electron. Mag. 2016, 3, 22–30. [Google Scholar] [CrossRef]
  3. Xia, J.; Yuan, X.; Lu, S.; Li, J.; Luo, S.; Li, S. A two-stage parameter optimization method for capacitive power transfer systems. IEEE Power Electron. 2022, 37, 1102–1117. [Google Scholar] [CrossRef]
  4. Miller, J.M.; Daga, A. Elements of wireless power transfer essential to high power charging of heavy-duty vehicles. IEEE Trans. Transp. Electrif. 2015, 1, 26–39. [Google Scholar] [CrossRef]
  5. Budhia, M.; Boys, J.T.; Covic, G.A.; Huang, C.-Y. Development of a single-sided flux magnetic coupler for electric vehicle IPT charging systems. IEEE Trans. Ind. Electron. 2013, 60, 318–328. [Google Scholar] [CrossRef]
  6. Zaheer, A.; Budhia, M.; Kacprzak, D.; Covic, G.A. Magnetic design of a 300 W under-floor contactless power transfer system. In Proceedings of the 37th Annual Conference of the IEEE Industrial Electronics Society, Melbourne, VIC, Australia, 7–10 November 2011; pp. 1408–1413. [Google Scholar]
  7. Covic, G.A.; Kissin, M.L.; Kacprzak, G.D.; Clausen, N.; Hao, H. Bipolar primary pad topology for EV stationary charging and highway power by inductive coupling. In Proceedings of the Energy Conversion Congress and Exposition, Phoenix, AZ, USA, 17–22 September 2011; pp. 1832–1838. [Google Scholar]
  8. Zaheer, A.; Covic, G.A.; Kacprzak, D. A bipolar pad in a 10-kHz 300-W distributed IPT system for AGV applications. IEEE Trans. Ind. Electron. 2014, 61, 3288–3301. [Google Scholar] [CrossRef]
  9. Budhia, M.; Covic, G.; Boys, J. A new IPT magnetic coupler for electric vehicle charging systems. In Proceedings of the 36th Annual Conference on IEEE Industrial Electronics Society, Glendale, CA, USA, 7–10 November 2010; pp. 2487–2492. [Google Scholar]
  10. Matsumoto, H.; Neba, Y.; Iura, H.; Tsutsumi, D.; Ishizaka, K.; Itoh, R. Trifoliate three-phase contactless power transformer in case of winding-alignment. IEEE Trans. Ind. Electron. 2014, 61, 53–62. [Google Scholar] [CrossRef]
  11. Kurs, A.; Karalis, A.; Moffatt, R.; Joannopoulos, J.D.; Fisher, P.; Soljačić, M. Wireless power transfer via strongly coupled magnetic resonances. Science 2007, 317, 83–86. [Google Scholar] [CrossRef] [Green Version]
  12. Kiani, M.; Ghovanloo, M. The circuit theory behind coupled-mode magnetic resonance-based wireless power transmission. IEEE Trans. Circuits Syst. I Reg. Pap. 2012, 59, 2065–2074. [Google Scholar] [CrossRef] [Green Version]
  13. Arakawa, T.; Goguri, S.; Krogmeier, J.V.; Kruger, A.; Love, D.J.; Mudumbai, R.; Swabey, M.A. Optimizing wireless power transfer from multiple transmit coils. IEEE Access 2018, 6, 23828. [Google Scholar] [CrossRef]
  14. Yilmaz, T.; Hasan, N.; Zane, R.; Pantic, Z. Multi-objective optimization of circular magnetic couplers for wireless power transfer applications. IEEE Trans. Magn. 2017, 53, 8700312. [Google Scholar] [CrossRef]
  15. Wang, S.; Dorrell, D.G. Loss analysis of circular wireless EV charging coupler. IEEE Trans. Magn. Mag. 2014, 50, 1–4. [Google Scholar] [CrossRef]
  16. Bosshard, R.; Kolar, J.W.; Mühlethaler, J.; Stevanovi, I.; Wunsch, B.; Canales, F. Modeling and η-α-Pareto optimization of inductive power transfer coils for electric vehicles. IEEE J. Emerg. Sel. Top. Power Electron. 2015, 3, 50–64. [Google Scholar] [CrossRef]
  17. Desmoort, A.; De Grève, Z.; Deblecker, O. Multi-objective optimal design of wireless power transfer devices using a Genetic Algorithm and accurate analytical formulae. In Proceedings of the 42nd Annual Conference of the IEEE Industrial Electronics Society, Florence, Italy, 23–26 October 2016; pp. 4518–4522. [Google Scholar]
  18. Ning, P.; Onar, O.; Miller, J. Genetic algorithm-based coil system optimization for wireless power charging of electric vehicles. In Proceedings of the IEEE Applied Power Electronics Conference and Exposition (APEC), Detroit, MI, USA, 16–20 March 2013; pp. 1–5. [Google Scholar]
  19. Jayalath, S.; Khan, A. Design, challenges, and trends of inductive power transfer couplers for electric vehicles: A review. IEEE J. Emerg. Sel. Top. Power Electron. 2021, 9, 6196–6218. [Google Scholar] [CrossRef]
  20. Covic, G.A.; Boys, J.T. Modern trends in inductive power transfer for transportation applications. IEEE J. Emerg. Sel. Top. Power Electron. 2013, 1, 28–41. [Google Scholar] [CrossRef]
  21. Bosshard, R.; Iruretagoyena, U.; Kolar, J.W. Comprehensive evaluation of rectangular and double-D coil geometry for 50 kW/85 kHz IPT system. IEEE J. Emerg. Sel. Top. Power Electron. 2016, 4, 1406–1415. [Google Scholar] [CrossRef]
  22. Bandyopadhyay, S.; Prasanth, V.; Bauer, P.; Ferreira, J.A. Multi-objective optimisation of a 1-kW wireless IPT systems for charging of electric vehicles. In Proceedings of the Transportation Electrification Conference and Expo (ITEC), Dearborn, MI, USA, 27–29 June 2016; pp. 1–7. [Google Scholar]
  23. Bosshard, R.; Kolar, J.W. Multi-objective optimization of 50 kW/85 kHz IPT system for public transport. IEEE J. Emerg. Sel. Top. Power Electron. 2016, 4, 1370–1382. [Google Scholar] [CrossRef]
  24. Li, H.; Banucu, R.; Rucker, W.M. Accurate and efficient calculation of the inductance of an arbitrary-shaped coil using surface current model. IEEE Trans. Magn. 2015, 51, 1–4. [Google Scholar]
  25. Mohamed, A.A.S.; An, S.; Mohammed, O. Coil design optimization of power pad in IPT system for electric vehicle applications. IEEE Trans. Magn. 2018, 54, 9300405. [Google Scholar] [CrossRef]
  26. Cruciani, S.; Campi, T.; Feliziani, M.; Maradei, F. Optimum coil configuration of wireless power transfer system in presence of shields. In Proceedings of the IEEE International Symposium on Electromagnetic Compatibility (EMC), Dresden, Germany, 16–22 August 2015; pp. 720–725. [Google Scholar]
  27. Budhia, M.; Covic, G.A.; Boys, J.T. Design and optimization of circular magnetic structures for lumped inductive power transfer systems. IEEE Trans. Power Electron. 2011, 26, 3096–3108. [Google Scholar] [CrossRef]
  28. Lu, M.; Ngo, K.D.T. A fast method to optimize efficiency and stray magnetic field for inductive-power-transfer coils using lumped-loops model. IEEE Trans. Power Electron. 2018, 33, 3065–3075. [Google Scholar] [CrossRef]
  29. Bandyopadhyay, S.; Venugopal, P.; Dong, J.; Bauer, P. Comparison of magnetic couplers for IPT-based EV charging using multi-objective optimization. IEEE Trans. Veh. Technol. 2019, 68, 5416–5429. [Google Scholar] [CrossRef]
  30. Pei, Y.; Bihan, Y.L.; Bensetti, M.; Pichon, L. Comparison of coupling coils for static inductive power-transfer systems taking into account sources of uncertainty. Sustainability 2021, 13, 6324. [Google Scholar] [CrossRef]
  31. Lu, M.; Ngo, K.D.T. Pareto fronts for coils’ efficiency versus stray magnetic field in inductive power transfer. In Proceedings of the IEEE PELS Workshop on Emerging Technologies: Wireless Power Transfer (WoW), Knoxville, TN, USA, 4–6 October 2016; pp. 140–144. [Google Scholar]
Figure 1. FEA-aided methodology of a loosely coupled transformer.
Figure 1. FEA-aided methodology of a loosely coupled transformer.
Electronics 11 01218 g001
Figure 2. The 3-D visualization of the circular structure transformer.
Figure 2. The 3-D visualization of the circular structure transformer.
Electronics 11 01218 g002
Figure 3. Dimensioning map of the circular structure in 2-D: (a) side view; (b) primary side.
Figure 3. Dimensioning map of the circular structure in 2-D: (a) side view; (b) primary side.
Electronics 11 01218 g003
Figure 4. Spatially magnetic field distribution of the circular transformer with different inner and outer diameters: (a) nephogram of magnetic field intensity in coil with narrow inner diameter; (b) vector diagram of magnetic field intensity in coil with narrow inner diameter; (c) nephogram of magnetic field intensity in coil with wide inner diameter; (d) vector diagram of magnetic field intensity in coil with wide inner diameter; (e) nephogram of magnetic field intensity in coil with narrow outer diameter; (f) vector diagram of magnetic field intensity in coil with narrow outer diameter.
Figure 4. Spatially magnetic field distribution of the circular transformer with different inner and outer diameters: (a) nephogram of magnetic field intensity in coil with narrow inner diameter; (b) vector diagram of magnetic field intensity in coil with narrow inner diameter; (c) nephogram of magnetic field intensity in coil with wide inner diameter; (d) vector diagram of magnetic field intensity in coil with wide inner diameter; (e) nephogram of magnetic field intensity in coil with narrow outer diameter; (f) vector diagram of magnetic field intensity in coil with narrow outer diameter.
Electronics 11 01218 g004
Figure 5. The relationship among the inner and outer diameters of the coil and the coupling coefficient of the circular transformer.
Figure 5. The relationship among the inner and outer diameters of the coil and the coupling coefficient of the circular transformer.
Electronics 11 01218 g005
Figure 6. The relationship among horizontal, vertical misalignment, and the coupling coefficient of the circular transformer.
Figure 6. The relationship among horizontal, vertical misalignment, and the coupling coefficient of the circular transformer.
Electronics 11 01218 g006
Figure 7. Overall structure of the rectangular structure transformer in 3-D.
Figure 7. Overall structure of the rectangular structure transformer in 3-D.
Electronics 11 01218 g007
Figure 8. Dimensioning diagram of the primary side of the rectangular structure transformer in 2-D.
Figure 8. Dimensioning diagram of the primary side of the rectangular structure transformer in 2-D.
Electronics 11 01218 g008
Figure 9. Relationship diagram among the inner and outer diameters of the coil and the coupling coefficient of rectangular structure transformer.
Figure 9. Relationship diagram among the inner and outer diameters of the coil and the coupling coefficient of rectangular structure transformer.
Electronics 11 01218 g009
Figure 10. Relationship diagram of the coupling coefficient and ferrite direction misalignment in a transformer with rectangular structure.
Figure 10. Relationship diagram of the coupling coefficient and ferrite direction misalignment in a transformer with rectangular structure.
Electronics 11 01218 g010
Figure 11. Relationship diagram of the coupling coefficient and misalignment perpendicular to the ferrite direction in a transformer with rectangular structure.
Figure 11. Relationship diagram of the coupling coefficient and misalignment perpendicular to the ferrite direction in a transformer with rectangular structure.
Electronics 11 01218 g011
Figure 12. Schematic diagram of coupling magnetic field direction: (a) single-sided single-winding structure; (b) single-sided multi-winding structure.
Figure 12. Schematic diagram of coupling magnetic field direction: (a) single-sided single-winding structure; (b) single-sided multi-winding structure.
Electronics 11 01218 g012
Figure 13. Overall map of the DD structure transformer in 3-D.
Figure 13. Overall map of the DD structure transformer in 3-D.
Electronics 11 01218 g013
Figure 14. Key geometrical parameters of the DD structure.
Figure 14. Key geometrical parameters of the DD structure.
Electronics 11 01218 g014
Figure 15. The relationship diagram among the coupling coefficient and coil diameter and width under uniform distribution of ferrite in DD structure transformer.
Figure 15. The relationship diagram among the coupling coefficient and coil diameter and width under uniform distribution of ferrite in DD structure transformer.
Electronics 11 01218 g015
Figure 16. Relationship diagram between the horizontal misalignment and the coupling coefficient of a transformer with DD structure.
Figure 16. Relationship diagram between the horizontal misalignment and the coupling coefficient of a transformer with DD structure.
Electronics 11 01218 g016
Figure 17. Schematic diagram of winding decoupling.
Figure 17. Schematic diagram of winding decoupling.
Electronics 11 01218 g017
Figure 18. Schematic diagram of key geometric parameters of the solenoid-structure transformer.
Figure 18. Schematic diagram of key geometric parameters of the solenoid-structure transformer.
Electronics 11 01218 g018
Figure 19. Key geometric parameters of the bipolar structure transformer.
Figure 19. Key geometric parameters of the bipolar structure transformer.
Electronics 11 01218 g019
Figure 20. System architecture of the transformer in 3-D.
Figure 20. System architecture of the transformer in 3-D.
Electronics 11 01218 g020
Figure 21. Relationship curve between the coupling coefficient and the coil overlap length.
Figure 21. Relationship curve between the coupling coefficient and the coil overlap length.
Electronics 11 01218 g021
Figure 22. Relationship between the coupling coefficient of the primary coil and primary coil width.
Figure 22. Relationship between the coupling coefficient of the primary coil and primary coil width.
Electronics 11 01218 g022
Figure 23. Relationship among the coupling coefficient and vertical and horizontal misalignment.
Figure 23. Relationship among the coupling coefficient and vertical and horizontal misalignment.
Electronics 11 01218 g023
Figure 24. S-LCL AC equivalent circuit.
Figure 24. S-LCL AC equivalent circuit.
Electronics 11 01218 g024
Figure 25. Variation diagram of system power with vertical misalignment distances offset perpendicular to the placement direction of the magnetic core.
Figure 25. Variation diagram of system power with vertical misalignment distances offset perpendicular to the placement direction of the magnetic core.
Electronics 11 01218 g025
Figure 26. Variation diagram of system power with a horizontal offset.
Figure 26. Variation diagram of system power with a horizontal offset.
Electronics 11 01218 g026
Table 1. FEA specification of key parameters.
Table 1. FEA specification of key parameters.
Simulation ParametersSpecific Setting
Solving the region shapeCuboid
Solving the relative size of the region±50% (x axle)
±50% (z axle)
±50% (−y axle)
Current distributionUniform distribution
Subdivision parametersTransformer winding 20 mm
Maximum solution domain 50 mm
Table 2. Key parameters of the circular transformer structure.
Table 2. Key parameters of the circular transformer structure.
Simulation ParametersSpecific Value
Overall coil thickness4 mm
Relative permeability of ferrite materials2500
Ferrite thickness12 mm
Ferrite width32 mm
Ferrite length200 mm
Aluminum plate diameter500 mm
Table 3. Key parameters of the rectangular structure transformer.
Table 3. Key parameters of the rectangular structure transformer.
Simulation ParameterValues
Thickness of the coil4 mm
Relative permeability of ferrite material2500
Ferrite thickness12 mm
Ferrite width32 mm
Ferrite length400 mm
Aluminum plate diameter500 mm
Ferrite spacing74.4 mm
Outer width of rectangular coil300 mm
Inner width of rectangular coil100 mm
Table 4. Key parameters of the DD structure transformer.
Table 4. Key parameters of the DD structure transformer.
Simulation ParameterValues
Coil thickness4 mm
Ferrite material relative permeability2500
Ferrite thickness12 mm
Number of ferrites6
Ferrite width32 mm
Ferrite length480 mm
Aluminum plate size400 mm × 600 mm
Ferrite spacing55 mm
Table 5. FEA Parameters of the DD structure transformer.
Table 5. FEA Parameters of the DD structure transformer.
Simulation ParameterValues
Relative position W o u t × 2 3 , W o u t , 12 mm
X size W o u t × 4 3
Y size W o u t
Relative position ( W o u t × 2 3 ) + W c o i l , W o u t + W c o i l , 12 mm
X size W o u t × 4 3 ( 2 × W c o i l )
Y size W o u t ( 2 × W c o i l )
Table 6. Key parameters of solenoid-structure transformer.
Table 6. Key parameters of solenoid-structure transformer.
Simulation ParameterValues
Coil thickness P 0
Relative permeability of ferrite material2500
Ferrite thickness12 mm
Number of ferrites4
Ferrite width32 mm
Ferrite length600 mm
Aluminum plate size400 mm × 600 mm
Ferrite spacing88 mm
Publisher’s Note: MDPI stays neutral with regard to jurisdictional claims in published maps and institutional affiliations.

Share and Cite

MDPI and ACS Style

Zhang, Y.; Li, J.; Zhang, F.; Chen, Z.; Kong, Y.; Huang, N. Structural Analysis of Loosely Coupled Transformers with FEA-Aided Visualization for Wireless Power Transfer Systems against Misalignment Tolerance. Electronics 2022, 11, 1218. https://doi.org/10.3390/electronics11081218

AMA Style

Zhang Y, Li J, Zhang F, Chen Z, Kong Y, Huang N. Structural Analysis of Loosely Coupled Transformers with FEA-Aided Visualization for Wireless Power Transfer Systems against Misalignment Tolerance. Electronics. 2022; 11(8):1218. https://doi.org/10.3390/electronics11081218

Chicago/Turabian Style

Zhang, Yao, Jiayang Li, Fan Zhang, Zhangping Chen, Yaguang Kong, and Na Huang. 2022. "Structural Analysis of Loosely Coupled Transformers with FEA-Aided Visualization for Wireless Power Transfer Systems against Misalignment Tolerance" Electronics 11, no. 8: 1218. https://doi.org/10.3390/electronics11081218

APA Style

Zhang, Y., Li, J., Zhang, F., Chen, Z., Kong, Y., & Huang, N. (2022). Structural Analysis of Loosely Coupled Transformers with FEA-Aided Visualization for Wireless Power Transfer Systems against Misalignment Tolerance. Electronics, 11(8), 1218. https://doi.org/10.3390/electronics11081218

Note that from the first issue of 2016, this journal uses article numbers instead of page numbers. See further details here.

Article Metrics

Back to TopTop