A Novel Single-Stage Common-Ground Transformerless Buck–Boost Inverter
Abstract
:1. Introduction
2. Derivation of Proposed CGBBI
2.1. PWM Control Method for the Proposed CGBBI Topology
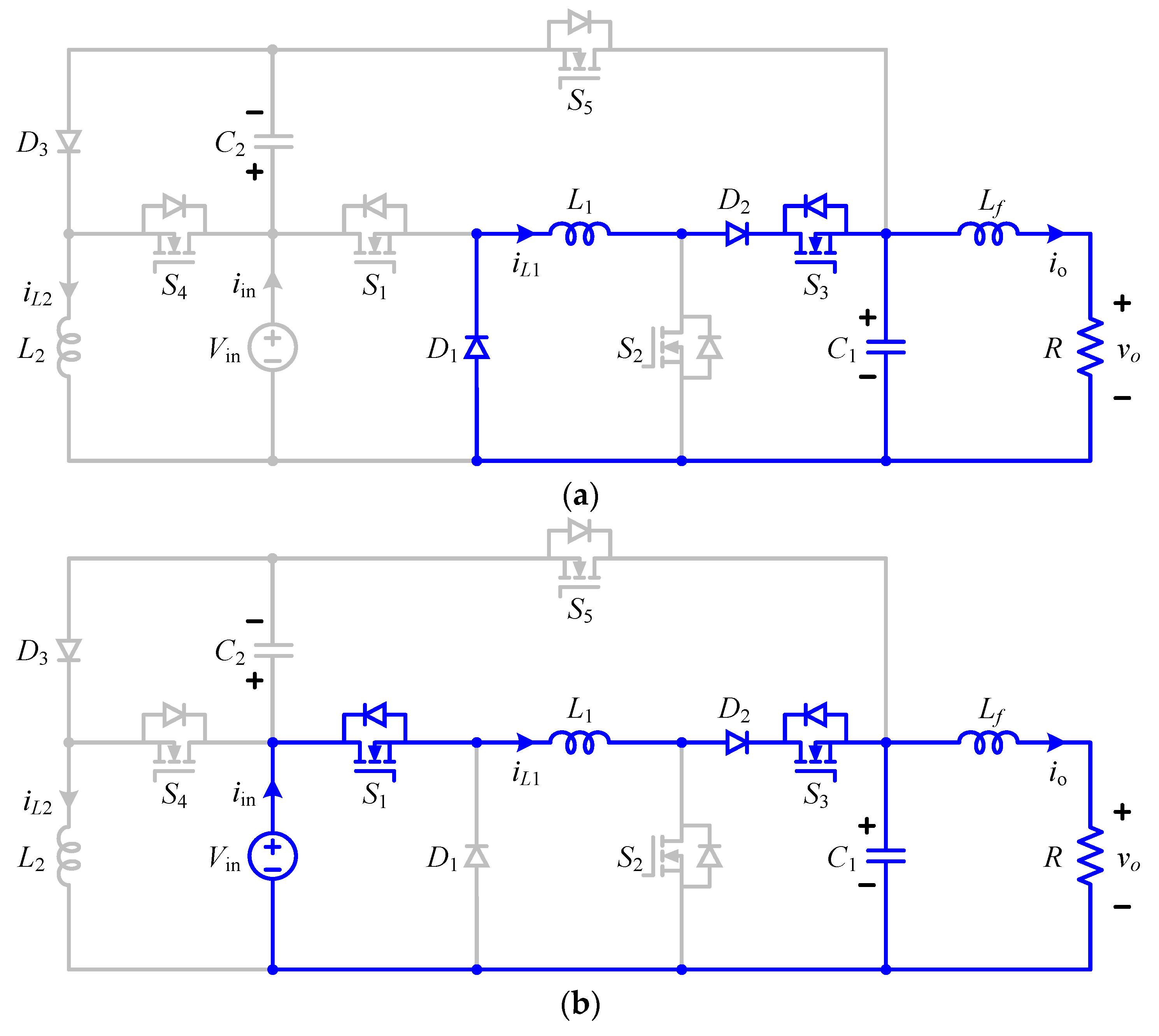
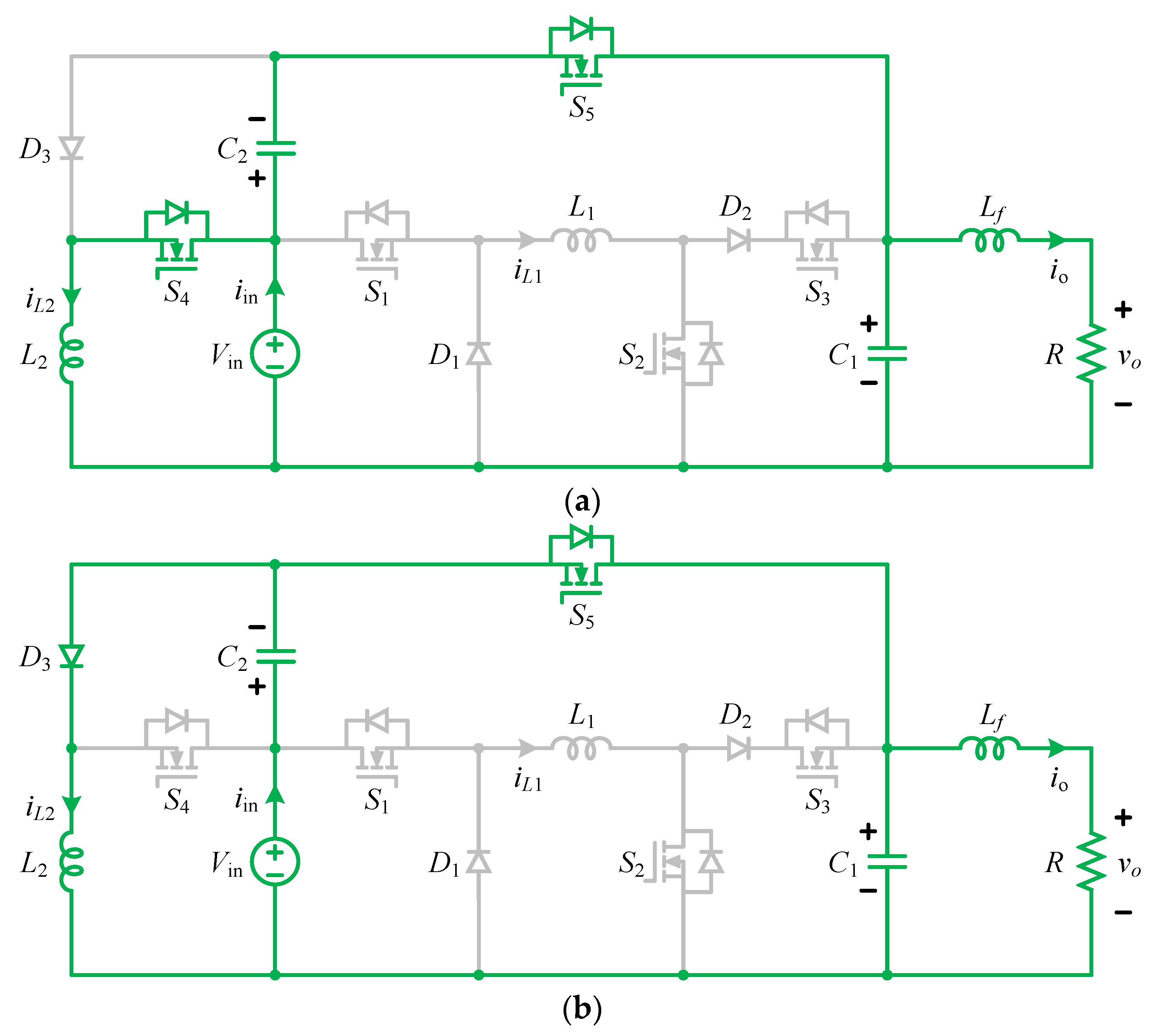
2.2. Operating of the Proposed CGBBI Topology
3. Parameter Design
3.1. Selection of the Inductors
3.2. Selection of the Capacitors
3.3. Selection of Switching Devices
3.4. Power Loss Calculation
3.4.1. Power Loss of Power Switches
3.4.2. Power Loss of Diodes
3.4.3. Power Loss of Inductors
3.4.4. Power Loss of Capacitors
4. Comparison with Other Common-Ground Transformerless Inverters
5. Simulation and Experiment Verifications
5.1. Simulation Results
5.2. Experimental Results
6. Conclusions
Author Contributions
Funding
Institutional Review Board Statement
Informed Consent Statement
Data Availability Statement
Conflicts of Interest
References
- Jo, K.-Y.; Duong, T.-D.; Choi, J.-H. Emerging Technologies in Power Systems. Electronics 2022, 11, 71. [Google Scholar] [CrossRef]
- Sarvar, H.N.; Muhammad, U.A.; Zafar, A.; Sadam, H.; Tahir, M.; Muhammad, J.A.; Raghavendra, K.V.G.; Kim, H.J. An Optimized Methodology for a Hybrid Photo-Voltaic and Energy Storage System Connected to a Low-Voltage Grid. Electronics 2019, 8, 2. [Google Scholar]
- Mattia, F.; Marta, M.; Eneko, O.O. A flexible power electronics configuration for coupling renewable energy sources. Electronics 2015, 4, 2. [Google Scholar]
- Duong, T.-D.; Nguyen, M.-K.; Tran, T.-T.; Lim, Y.-C.; Choi, J.-H. Transformerless High Step-Up DC-DC Converters with Switched-Capacitor Network. Electronics 2019, 8, 1420. [Google Scholar] [CrossRef] [Green Version]
- Kouro, S.; Leon, J.I.; Vinnikov, D.; Franquelo, L.G. Grid-connected photovoltaic systems: An overview of recent research and emerging PV converter technology. IEEE Ind. Electron. Mag. 2015, 9, 47–61. [Google Scholar] [CrossRef]
- Alluhaybi, K.; Batarseh, I.; Hu, H. Comprehensive Review and Comparison of Single-Phase Grid-Tied Photovoltaic Microinverters. IEEE J. Emerg. Sel. Top. Power Electron. 2020, 8, 1310–1329. [Google Scholar] [CrossRef]
- Chiu, H.; Lo, Y.; Yang, C.; Cheng, S.; Huang, C.; Kou, M.; Huang, Y.; Jean, Y.; Huang, Y. A module-integrated isolated solar micro-inverter. IEEE Trans. Ind. Electron. 2013, 60, 781–788. [Google Scholar] [CrossRef]
- Meneses, F.; Blaabjerg, X.E.; Garc, O.A.; Cobos, J.A. Review and comparison of step-up transformerless topologies for photovoltaic ac module application. IEEE Trans. Power Electron. 2013, 28, 2649–2663. [Google Scholar] [CrossRef] [Green Version]
- Li, W.; Gu, Y.; Luo, H.; Cui, W.; He, X.; Xia, C. Topology Review and Derivation Methodology of Single-Phase Transformerless Photovoltaic Inverters for Leakage Current Suppression. IEEE Trans. Ind. Electron. 2015, 62, 4537–4551. [Google Scholar] [CrossRef]
- Barater, D.; Lorenzani, E.; Concari, C.; Franceschini, G.; Buticchi, G. Recent advances in single-phase transformerless photovoltaic inverters. IET Renew. Power Gener. 2016, 10, 260–273. [Google Scholar] [CrossRef]
- IEC Standard 61727-2004; Photovoltaic (PV) Systems—Characteristics of the Utility Interface. International Electrotechnical Commission (IEC): Geneva, Switzerland, 2004.
- IEEE Standard 1547.2-2008; IEEE Standard for Interconnecting Distributed Resources with Electric Power Systems. IEEE Application Guide for IEEE Std 1547. IEEE: New York, NY, USA, 2009; pp. 1–207.
- Nimrod, V.; Jeziel, V.; Joaquin, V.; Claudia, H.; Esli, V.; Rene, O. Integrating two stages as a common-mode transformerless photovoltaic converter. IEEE Ind. Electron. 2017, 64, 7498–7507. [Google Scholar]
- Vázquez, N.; Rosas, M.; Hernández, C.; Vázquez, E.; Perez-Pinal, F. A new common-mode transformerless photovoltaic inverter. IEEE Trans. Ind. Electron. 2015, 62, 6381–6391. [Google Scholar] [CrossRef]
- Arshadi, S.A.; Poorali, B.; Farzanehfard, H. High step-up dc–ac inverter suitable for ac module applications. IEEE Trans. Ind. Electron. 2016, 63, 832–839. [Google Scholar] [CrossRef]
- Wu, T.-F.; Chang, C.-H.; Lin, L.-C.; Kuo, C.-L. Power loss comparison of single-stage and two-stage grid-connected photovoltaic systems. IEEE Trans. Energy Convers. 2011, 26, 707–715. [Google Scholar] [CrossRef]
- Hu, H.; Harb, S.; Kutkut, N.H.; Shen, Z.J.; Batarseh, I. A single-stage microinverter without using electrolytic capacitors. IEEE Trans. Power Electron. 2013, 28, 2677–2687. [Google Scholar] [CrossRef]
- Choi, W.-Y.; Yang, M.-K. Transformerless Quasi-Z-Source Inverter to Reduce Leakage Current for Single-Phase Grid-Tied Applications. Electronics 2019, 8, 312. [Google Scholar] [CrossRef] [Green Version]
- Xia, Y.; Roy, J.; Ayyanar, R. A capacitance-minimized doubly grounded transformer less photovoltaic inverter with inherent active power decoupling. IEEE Trans. Power Electron. 2017, 32, 5188–5201. [Google Scholar] [CrossRef]
- Yao, Z.; Zhang, Y.; Hu, X. Transformerless grid-connected PV inverter without common mode leakage current and shoot-through problems. IEEE Trans. Circuits Syst. II Exp. Briefs. 2020, 67, 3257–3261. [Google Scholar] [CrossRef]
- Wang, H.; Lu, Z. A New Converter for Non-Isolated PV Systems. Electronics 2021, 10, 1716. [Google Scholar] [CrossRef]
- Weimin, W.; Junhao, J.; Frede, B. Aalborg Inverter—A New Type of “Buck in Buck, Boost in Boost” Grid-Tied Inverter. IEEE Power. Electron. 2015, 30, 4784–9827. [Google Scholar]
- Xuefeng, H.; Penghui, M.; Benbao, G.; Meng, Z. An integrated step-up inverter without transformer and leakage current for grid-connected photovoltaic system. IEEE Power. Electron. 2019, 34, 9814–9827. [Google Scholar]
- Hafiz, F.A.; Mohamed, S.E.M.; Bashar, Z.; Khalifa, A.H. Single-phase photovoltaic inverters with common-ground and wide buck–boost voltage operation. IEEE Ind. Inform. 2021, 17, 8275–8287. [Google Scholar]
- Hiren, P.; Vivek, A. A single-stage single-phase transformer-less doubly grounded grid-connected PV interface. IEEE Energy Conversion. 2009, 24, 93–101. [Google Scholar]
- Mehdi, T.T.; Mehran, S.; Ebrahim, B.; Farhad, A.A.M. Modified Single-Phase Single-Stage Grid-Tied Flying Inductor Inverter with MPPT and Suppressed Leakage Current. IEEE Ind. Electron. 2018, 65, 221–231. [Google Scholar]
- Phani, K.C.; Mohamed, S.E.M.; Vinod, K.; Khalifa, H.A.H.; Tarek, H.M.E.F. Novel Step-Up Transformerless Inverter Topology for 1-Φ Grid-Connected Photovoltaic System. IEEE Ind. Appl. 2021, 57, 2801–2815. [Google Scholar]
- Lee, S.-S.; Gorla, N.-B.-Y.; Sanjib, K.-P.; Lee, K.-B.; Yam, P.-S.; Reze, B. A Common-Ground-Type Single-Stage Buck-Boost Inverter with Sinusoidal Output Voltage. In Proceedings of the ICPE-ECCE Asia, Singapore, 10–14 October 2021; pp. 397–401. [Google Scholar]
- Naser, V.; Seyed, H.-H.; Mehran, S. A New Single-Phase Transformerless Grid-Connected Inverter with Boosting Ability and Common Ground Feature. IEEE Ind. Electron. 2020, 67, 9313–9325. [Google Scholar]
- Zhilei, Y.; Zhong, W. Single-Stage Doubly Grounded Transformerless PV Grid-Connected Inverter with Boost Function. IEEE Power Electron. 2022, 37, 2237–2249. [Google Scholar]
- Kazimierczuk, M.K.; Sekiya, H. Design of AC resonant inductors using area product method. In Proceedings of the 2009 IEEE Energy Conversion Congress and Exposition, San Jose, CA, USA, 20–24 September 2009. [Google Scholar]
- Wang, Q.; Gao, T. Simulation. In Proceedings of the IEEE 2017 International Conference on Computer Network, Electronicand Automation (ICCNEA), Xi’an, China, 23–25 September 2017; pp. 336–340. [Google Scholar]
- Górecki, P.; Górecki, K. Methods of Fast Analysis of DC–DC Converters—A Review. Electronics 2021, 10, 2920. [Google Scholar] [CrossRef]














| Inverter in [21] | Inverter in [22] | Inverter in [23] | Inverter in [24] | Inverter in [25] | Inverter in [28] | Inverter in [29] | Inverter in [30] | Proposed CGBBI | |
|---|---|---|---|---|---|---|---|---|---|
| Switches | 4 | 6 | 5 | 5 | 5 | 8 | 7 | 5 | 5 |
| Diodes | 2 | 5 | 0 | 4 | 3 | 0 | 1 | 3 | 3 |
| Inductors | 2 | 2 | 2 | 5 | 2 | 1 | 0 | 2 | 2 |
| Capacitors | 2 | 1 | 2 | 3 | 2 | 1 | 2 | 2 | 2 |
| Total devices | 10 | 14 | 9 | 17 | 12 | 10 | 10 | 12 | 12 |
| Switches stress | S1 to S4: 2Vo | S1, S4: Vin S2, S3: Vo S5, S6: Vo | S1 to S5: Vin + Vo | S1 to S5: Vin + Vo | S1: Vin + Vo S2 to S5: Vo | S1: Vin S2: Vo S3: Vin S4, S7: Vin + Vo S5: Vo S6, S8: Vo | S1, S2: Vin S3: 3Vin S4, S5: 2Vin S6: 2Vin S7: 4Vin | S1, S2: Vin + Vo S3, S4: Vo S5: Vo | S1: Vin S2, S3, S5: Vo S4: Vin + Vo |
| HF-switches in each period | 4P 4N | 3P 3N | 2P 2N | 3P 1N | 3P 1N | 5P 3N | 4P 5N | 2P 1N | 2P 1N |
| Diodes stress | - | D1, D4: Vin D2, D3, D5: Vo | - | D1 to D4: Vin + Vo | D1: Vin + Vo D2: Vin D3: Vo | - | D: Vin | D1: Vo D2: Vin + Vo D3: Vo − Vin | D1: Vin D2: Vo D3: Vin + Vo |
| Parameter | Symbol | Part No./Value |
|---|---|---|
| Input voltage range | Vin | 60–240 V |
| Output Voltage | vo | 110 Vrms |
| Output frequency | fo | 50 Hz |
| Output Power | Po | 500 W |
| Switching frequency | fsw | 50 kHz |
| Capacitors | C1 | 5 µF/200 V |
| C2 | 1 µF/450 V | |
| Inductors | L1, L2 | 0.5 mH |
| Filter inductor | Lf | 0.5 mH |
| MOSFETs | S1 | IRFP4868PbF (300 V, 70 A, Rdson = 25.5 mΩ) |
| S2, S3, S5 | IRFP4668PbF (200 V, 130 A, Rdson = 8 mΩ) | |
| S4 | IPW60R045CPA (600 V, 60 A, Rdson = 45 mΩ) | |
| Diodes | D1 | FF60UP30DN (300 V, 60 A, VF = 1.12 V) |
| D2 | STPS60SM200C (200 V, 30 A, VF = 0.7 V) | |
| D3 | DSEI30-06A (600 V, 37 A, VF = 1.4 V) |
| Components | Vin = 60 V | Vin = 240 V | ||||||
|---|---|---|---|---|---|---|---|---|
| Currents (A) | Losses (W) | Currents (A) | Losses (W) | |||||
| Average | RMS | Conduction | Switching | Average | RMS | Conduction | Switching | |
| S1 | 4.1 | 7.08 | 1.28 | 0.75 | 1.04 | 2.4 | 0.15 | 1.25 |
| S2 | 2.14 | 5.33 | 0.23 | 2.97 | 0 | 0 | 0 | 0 |
| S3 | 2 | 4.67 | 0.17 | 2.77 | 2.05 | 3.26 | 0.09 | 2.84 |
| S4 | 4.12 | 8.53 | 3.27 | 1.33 | 1.03 | 2.99 | 0.4 | 1.63 |
| S5 | 2 | 4.54 | 0.16 | 2.77 | 2.05 | 3.65 | 0.11 | 2.84 |
| D1 | 5.24 × 10−2 | 0.26 | 0.06 | 0.03 | 1.01 | 2.19 | 1.28 | 0.13 |
| D2 | 2 | 4.67 | 1.9 | 0 | 2.05 | 3.26 | 1.68 | 0 |
| D3 | 2 | 5.62 | 4.38 | 0.94 | 2.06 | 4.05 | 3.7 | 1.73 |
| L1 | 4.15 | 7.09 | 2.01 | - | 2.05 | 3.25 | 0.42 | - |
| L2 | 6.12 | 10.22 | 4.18 | - | 3.09 | 5.04 | 1.02 | - |
| C1 | 1.9 × 10−3 | 4.77 | 0.11 | - | 3.86 × 10−3 | 1.77 | 0.02 | - |
| C2 | 9.22 × 10−3 | 1.48 | 0 | - | 9.32 × 10−3 | 0.77 | 0 | - |
| Ploss | - | - | 29.31 | - | - | 19.29 | ||
| Parameters | Values | |
|---|---|---|
| Inductors L1, L2 | Core | CM777125 (142 nH/N2) |
| Parastic Resistor | 40 mΩ | |
| Capacitors | ESR of C1 | 49 mΩ |
| ESR of C2 | 14 mΩ | |
| MOSFETs | IRFP4668PbF (200 V, 130 A, Rdson = 8 mΩ) | |
| IRFP4868PbF (300 V, 70 A, Rdson = 25.5 mΩ) | ||
| IPW60R045CPA (600 V, 60 A, Rdson = 45 mΩ) | ||
| Diodes | STPS60SM200C (200 V, 30 A, VF = 0.7 V) | |
| FF60UP30DN (300 V, 60 A, VF = 1.12 V) | ||
| DSEI30-06A (600 V, 37 A, VF = 1.4 V) | ||
Publisher’s Note: MDPI stays neutral with regard to jurisdictional claims in published maps and institutional affiliations. |
© 2022 by the authors. Licensee MDPI, Basel, Switzerland. This article is an open access article distributed under the terms and conditions of the Creative Commons Attribution (CC BY) license (https://creativecommons.org/licenses/by/4.0/).
Share and Cite
Vo, D.-V.; Nguyen, M.-K.; Duong, T.-D.; Tran, T.-T.; Lim, Y.-C.; Choi, J.-H. A Novel Single-Stage Common-Ground Transformerless Buck–Boost Inverter. Electronics 2022, 11, 829. https://doi.org/10.3390/electronics11050829
Vo D-V, Nguyen M-K, Duong T-D, Tran T-T, Lim Y-C, Choi J-H. A Novel Single-Stage Common-Ground Transformerless Buck–Boost Inverter. Electronics. 2022; 11(5):829. https://doi.org/10.3390/electronics11050829
Chicago/Turabian StyleVo, Dai-Van, Minh-Khai Nguyen, Truong-Duy Duong, Tan-Tai Tran, Young-Cheol Lim, and Joon-Ho Choi. 2022. "A Novel Single-Stage Common-Ground Transformerless Buck–Boost Inverter" Electronics 11, no. 5: 829. https://doi.org/10.3390/electronics11050829
APA StyleVo, D.-V., Nguyen, M.-K., Duong, T.-D., Tran, T.-T., Lim, Y.-C., & Choi, J.-H. (2022). A Novel Single-Stage Common-Ground Transformerless Buck–Boost Inverter. Electronics, 11(5), 829. https://doi.org/10.3390/electronics11050829

