Multi-Objective Computational Aided Design Tool Using Pareto Analysis
Abstract
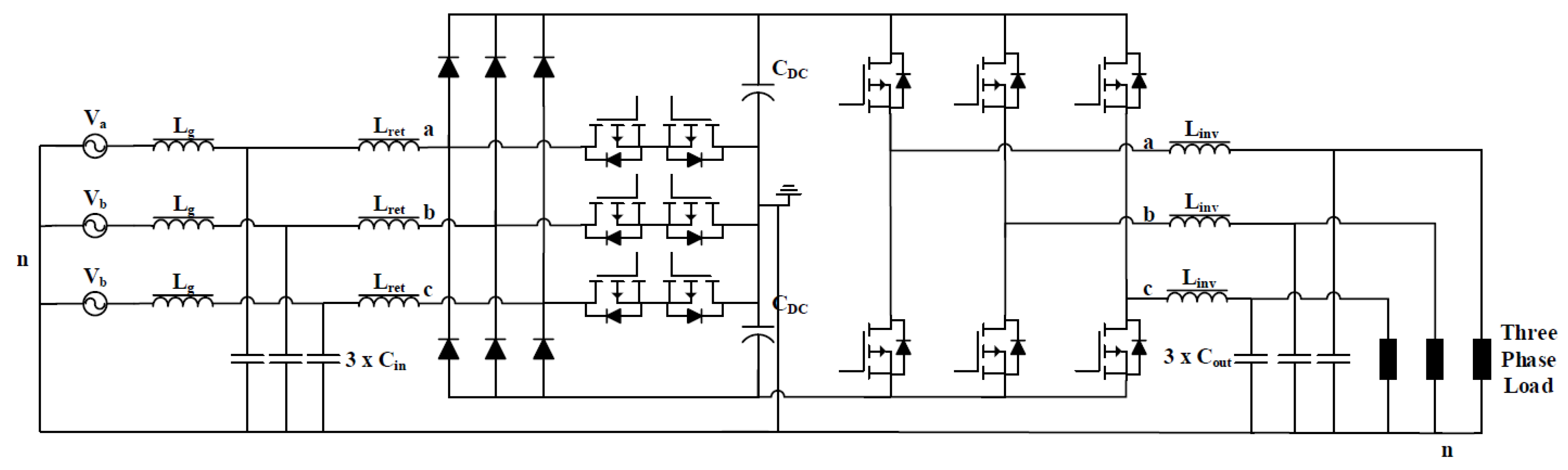
1. Introduction
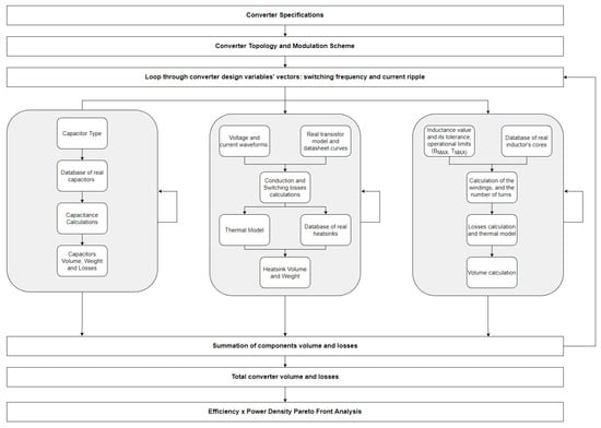
2. Optimization Procedure
2.1. DC Link Calculations
2.2. Power Switch Calculations
2.3. Heatsink Calculations
2.4. Inductors Calculations
2.5. Full Converter Calculations
3. Results
4. Conclusions
Author Contributions
Funding
Data Availability Statement
Acknowledgments
Conflicts of Interest
References
- International Electrotechnical Commission. IEC 62040: Uninterruptible Power Systems (UPS)-Part 3: Method of Specifying the Performance and Test Requirements. Int. Stand. IEC 2021. Available online: https://webstore.iec.ch/preview/info_iec62040-3%7Bed1.0%7Den_d.pdf (accessed on 1 September 2022).
- Kolar, J.W.; Drofenik, U.; Biela, J.; Heldwein, M.L.; Ertl, H.; Friedli, T.; Round, S.D. PWM converter power density barriers. In Proceedings of the 2007 Power Conversion Conference-Nagoya, Nagoya, Japan, 2–5 April 2007; p. 9. [Google Scholar]
- Burkart, R.M.; Kolar, J.W. Advanced Modeling and Multi-Objective Optimization/Evaluation of SiC Converter Systems. In Proceedings of the Tutorial at the 3rd IEEE Workshop on Wide Bandgap Power Devices and Applications (WiPDA 2015), Blacksburg, VA, USA, 2–4 November 2015; pp. 2–5. [Google Scholar]
- Biela, J.; Kolar, J.W. Pareto-optimal design and performance mapping of telecom rectifier concepts. In Proceedings of the Power Conversion and Intelligent Motion Conference, Shanghai, China, 1–3 June 2010; pp. 1–13. [Google Scholar]
- Kolar, J.W.; Biela, J.; Minibock, J. Exploring the pareto front of multi-objective single-phase PFC rectifier design optimization-99.2% efficiency vs. 7kW/din 3 power density. In Proceedings of the 2009 IEEE 6th International Power Electronics and Motion Control Conference, Wuhan, China, 17–20 May 2009; pp. 1–21. [Google Scholar]
- Uemura, H.; Krismer, F.; Okuma, Y.; Kolar, J.W. (ρ−η) Pareto optimization of 3-phase 3-level T-type AC-DC-AC converter comprising Si and SiC hybrid power stage. In Proceedings of the 2014 International Power Electronics Conference (IPEC-Hiroshima 2014-ECCE ASIA), Hiroshima, Japan, 18–21 May 2014; pp. 2834–2841. [Google Scholar]
- Kolar, J.W.; Biela, J.; Waffler, S.; Friedli, T.; Badstübner, U. Performance trends and limitations of power electronic systems. In Proceedings of the 2010 6th International Conference on Integrated Power Electronics Systems, Nuremberg, Germany, 16–18 March 2010; pp. 1–20. [Google Scholar]
- Barrera-Cardenas, R.; Molinas, M. A simple procedure to evaluate the efficiency and power density of power conversion topologies for offshore wind turbines. Energy Procedia 2012, 24, 202–211. [Google Scholar] [CrossRef][Green Version]
- Alves, W.C.; Morais, L.M.; Cortizo, P.C. Design of an highly efficient AC-DC-AC three-phase converter using SiC for UPS applications. Electronics 2018, 7, 425. [Google Scholar] [CrossRef]
- Fraser, M.E.; Manning, C.D.; Wells, B.M. Transformerless four-wire PWM rectifier and its application in AC-DC-AC converters. IEE Proc.-Electr. Power Appl. 1995, 142, 410–416. [Google Scholar] [CrossRef]
- da Alves, W.C. Desenvolvimento de uma UPS Trifásica de Alto Rendimento Utilizando Mosfets de Carbeto de Silício; Dissertação (Mestrado em Engenharia Elétrica), Universidade Federal de Minas Gerais: Belo Horizonte, Brazil, 2016; p. 152. [Google Scholar]
- Cota, A.P.; Abrantes, R.C.; Cortizo, P.C.; Santana, R.A.; Padrao, W.C. Comparison of three 3-phase converter topologies for ups applications. In Proceedings of the 2015 IEEE 13th Brazilian Power Electronics Conference and 1st Southern Power Electronics Conference (COBEP/SPEC), Fortaleza, Brazil, 29 November–2 December 2015; pp. 1–6. [Google Scholar]
- Wilson, P.R. Thermal modeling and analysis of power electronic components and systems. In Power Electronics Handbook; Butterworth-Heinemann: Oxford, UK, 2018; pp. 1441–1450. [Google Scholar]
- Shahjalal, M. Electric-Thermal Modelling of Power Electronics Components. Doctoral Dissertation, University of Greenwich, London, UK, 2018. [Google Scholar]
- Santana, R.Á.S. Projeto e análise de rendimento de uma UPS monofásica de três braços e construção de um calorímetro fechado de dupla caixa. Master Thesis, Programa de Pós-graduação em Engenharia Elétrica, UFMG, Belo Horizonte, Brazil, 2018. Available online: https://www.ppgee.ufmg.br/defesas/1513M.PDF (accessed on 1 September 2022).
- Vilkn, P.H.J.; Morais, L.M.F.; Santana, R.A.S.; Cortizo, P.C.; Seixas, P.F. Inductor Design Methodology for Power Electronics Applications. In Proceedings of the 2019 IEEE 15th Brazilian Power Electronics Conference and 5th IEEE Southern Power Electronics Conference (COBEP/SPEC), Santos, Brazil, 1–4 December 2019; pp. 1–6. [Google Scholar]
- Popovic, Z.; Popovic, B.D. Introdutory Eletromagnetics: Practice Problems and Labs. Ph.D. Thesis, Cambridge University Press, Cambridge, MA, USA, 2012; pp. 382–392. [Google Scholar]
- Kondrath, N.; Kazimierczuk, M.K. Inductor winding loss owing to skin and proximity effects including harmonics in non-isolated pulse-width modulated dc–dc converters operating in continuous conduction mode. IET Power Electron. 2010, 3, 989–1000. [Google Scholar] [CrossRef]
- Li, J.; Abdallah, T.; Sullivan, C.R. September. Improved calculation of core loss with nonsinusoidal waveforms. In Proceedings of the Conference Record of the 2001 IEEE Industry Applications Conference. 36th IAS Annual Meeting (Cat. No. 01CH37248), Chicago, IL, USA, 30 September–4 October 2001; Volume 4, pp. 2203–2210. [Google Scholar]
- Venkatachalam, K.; Sullivan, C.R.; Abdallah, T.; Tacca, H. Accurate prediction of ferrite core loss with nonsinusoidal waveforms using only Steinmetz parameters. In Proceedings of the 2002 IEEE Workshop on Computers in Power Electronics, Proceedings, Mayaguez, PR, USA, 3–4 June 2002; pp. 36–41. [Google Scholar]
- Alves, W.C.; Morais, L.M.; Cortizo, P.C. Design of an efficient hybrid AC-DC-AC converter using silicon carbide for ups applications: A comparison. In Proceedings of the 2017 Brazilian Power Electronics Conference (COBEP), Juiz de Fora, Brazil, 19–22 November 2017; pp. 1–6. [Google Scholar]






| 127 | 400 V | 10 kW | 26.4 |
| Requirements | Value |
|---|---|
| Output power () | 10 kW |
| Output voltage phase-neutral () | 127 V |
| Output current () | 26.25 A |
| Input power () | 11 kW |
| Input voltage phase-neutral () | 127 V +/− 10% |
| Input current () | 32 A (worst case) |
| DC link voltage () | 400 V |
| Grid frequency () | 60 Hz |
| Inverter’s switching frequency () | 10,134 kHz |
| Rectifier’s switching frequency () | 102 kHz |
| Ambient temperature () | 40 °C |
| Max. junction temperature () | 150 °C |
| Max. inverter current ripple () | 40% of peak current |
| Max. rectifier current ripple () | 30% of peak current |
| Max. DC link ripple () | 5% de |
| Air flow rate | 6 m/s |
| Efficiency () | 95% |
| Specification | Value |
|---|---|
| Output power () | 10 kW |
| Output voltage phase-neutral () | 127 V |
| Output current () | 26.25 A |
| Input power () | 11 kW |
| Input voltage phase-neutral () | 127 V +/− 10% |
| Input current () | 32 A (worst case) |
| DC link voltage () | 400 V |
| Grid frequency () | 60 Hz |
| Inverter’s switching frequency () | 14.40 kHz |
| Rectifier’s switching frequency () | 20.16 kHz |
| Ambient temperature () | 40 °C |
| Max. junction temperature () | 150 °C |
| Max. inverter current ripple () | 50% of peak current |
| Max. rectifier current ripple () | 50% of peak current |
| Max. DC link ripple () | 5% de |
| Air flow rate | 1 m/s |
| Efficiency () | 97.25% |
| UPS from [9] | Proposed Optimized UPS | Difference (%) | |||
|---|---|---|---|---|---|
| Rectifier | Switching Frequency (kHz) | 102.00 | 20.16 | ||
| Inductor | Core Material | High Flux | High Flux | ||
| Weight (g) | 255.00 | 612.40 | +140.16 | ||
| Volume (cm³) | 35.30 | 84.00 | +137.96 | ||
| Heatsink | Model | P16 Semikron | HS271019 | ||
| Weight (g) | 2350.00 | 423.10 | −82.00 | ||
| Volume (cm³) | 1612.50 | 320.40 | −80.13 | ||
| Inverter | Switching Frequency (kHz) | 101.34 | 14.40 | ||
| Inductor | Core Material | High Flux | High Flux | ||
| Weight (g) | 255.00 | 1183.80 | +364.24 | ||
| Volume (cm³) | 35.30 | 156.80 | +344.19 | ||
| Heatsink | Model | P16 Semikron | HS271019 | ||
| Weight (g) | 2350.00 | 422.00 | −82.04 | ||
| Volume (cm³) | 1612.50 | 319.61 | −80.18 | ||
| UPS | Power Module | SCT3030AL | SCT3030AL | ||
| Power Density (kW/dm³) | 2.35 | 3.22 | +37.02 | ||
| Power-to-Weight Ratio (kW/kg) | 1.48 | 1.60 | +8.11 | ||
| Efficiency (%) | 95.00 | 97.36 | +2.48 |
Publisher’s Note: MDPI stays neutral with regard to jurisdictional claims in published maps and institutional affiliations. |
© 2022 by the authors. Licensee MDPI, Basel, Switzerland. This article is an open access article distributed under the terms and conditions of the Creative Commons Attribution (CC BY) license (https://creativecommons.org/licenses/by/4.0/).
Share and Cite
de Castro e Castro, P.A.; Morais, L.M.F.; de Oliveira, T.R. Multi-Objective Computational Aided Design Tool Using Pareto Analysis. Electronics 2022, 11, 3676. https://doi.org/10.3390/electronics11223676
de Castro e Castro PA, Morais LMF, de Oliveira TR. Multi-Objective Computational Aided Design Tool Using Pareto Analysis. Electronics. 2022; 11(22):3676. https://doi.org/10.3390/electronics11223676
Chicago/Turabian Stylede Castro e Castro, Pedro Augusto, Lenin Martins Ferreira Morais, and Thiago Ribeiro de Oliveira. 2022. "Multi-Objective Computational Aided Design Tool Using Pareto Analysis" Electronics 11, no. 22: 3676. https://doi.org/10.3390/electronics11223676
APA Stylede Castro e Castro, P. A., Morais, L. M. F., & de Oliveira, T. R. (2022). Multi-Objective Computational Aided Design Tool Using Pareto Analysis. Electronics, 11(22), 3676. https://doi.org/10.3390/electronics11223676

