A Design Fiber Performance Monitoring Tool (FPMT) for Online Remote Fiber Line Performance Detection
Abstract
1. Introduction
1.1. Related Research and Literature Review
1.2. Aim of the Paper
1.3. Paper Organization
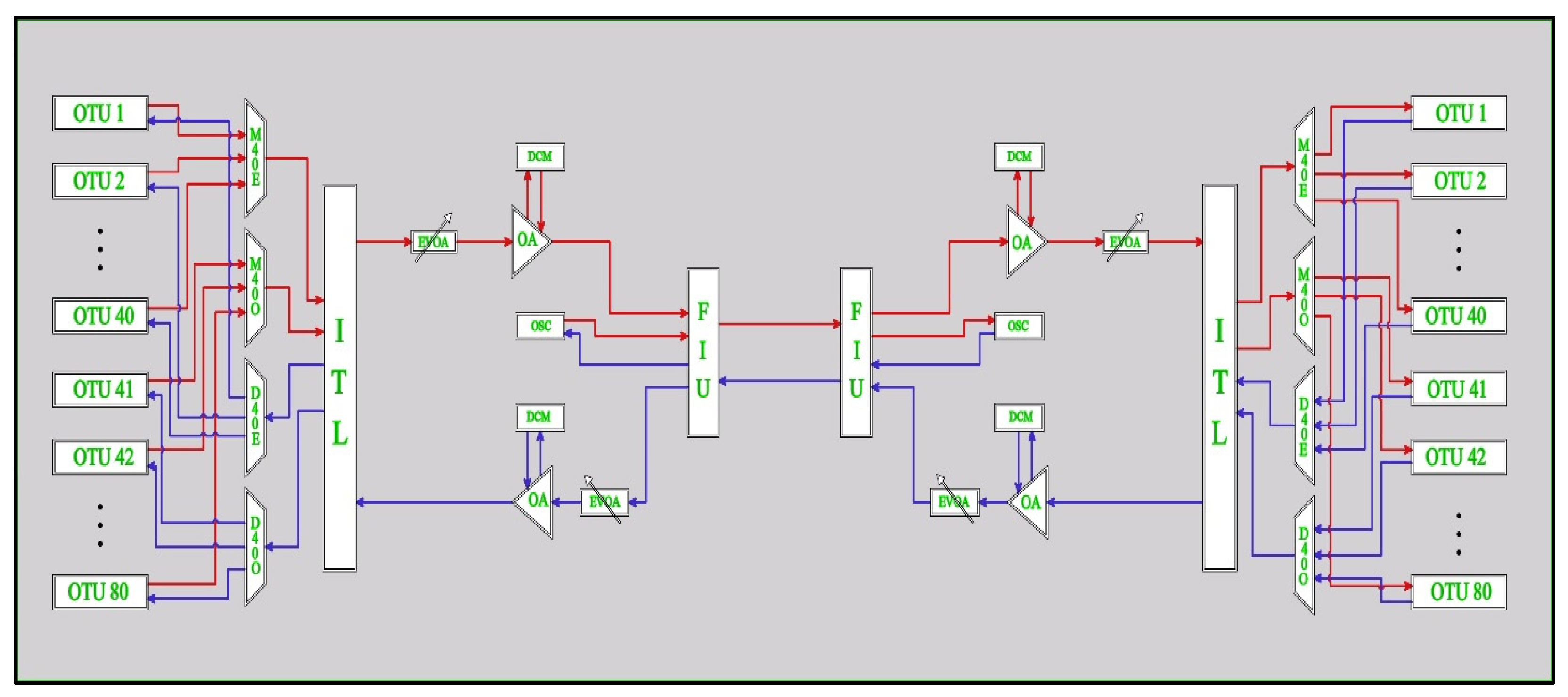
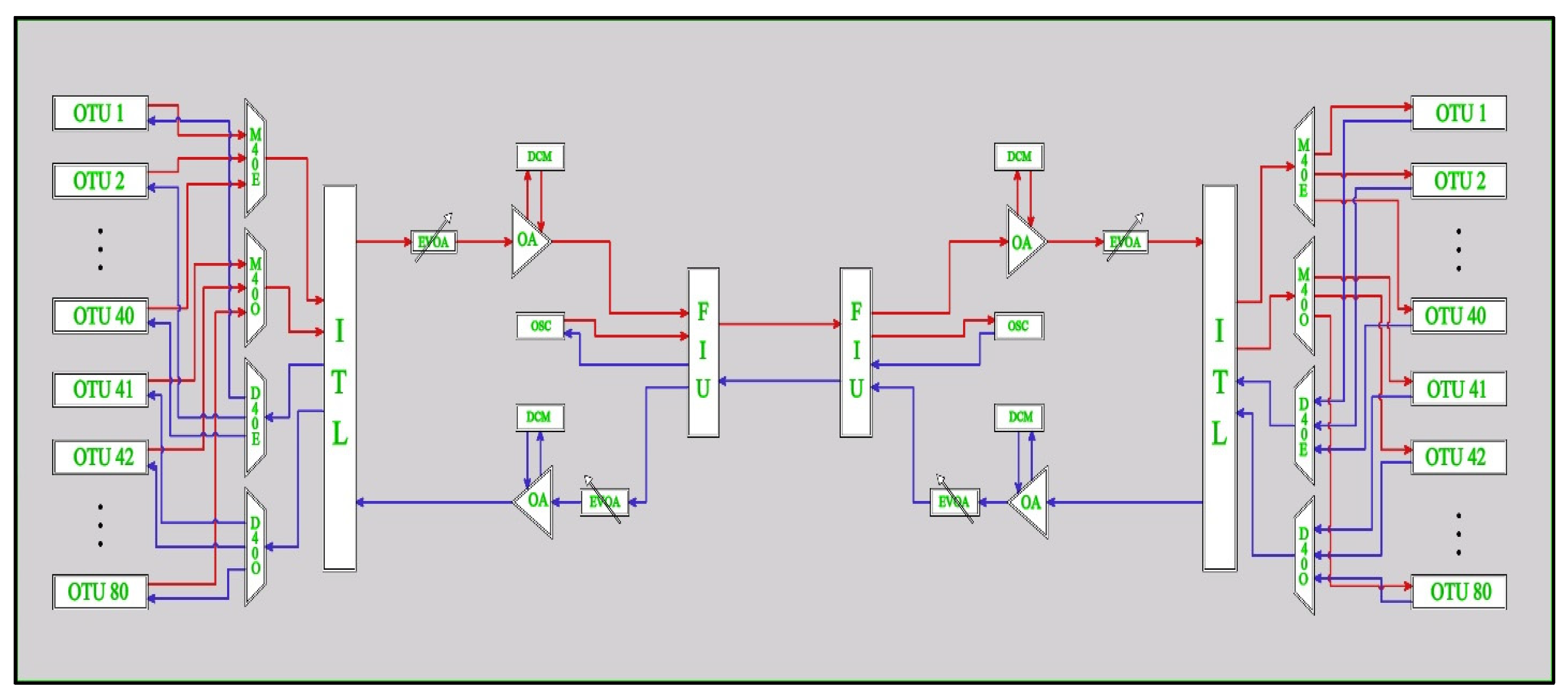
2. FPMT Technique
3. Working Principle of the FPMT Technique
4. The Method to Transmit Test Signals
4.1. The OSC Board before and after Integrating the Implemented FPMT Technique Detection Circuit
4.2. Maximum Distance of the Test Signals Transmitted by the OSC Board
5. Results and Discussion
5.1. Practical Results
5.2. Failurs Detection
5.3. Fault Location and Tolerance
5.4. Measurement Accuracy
5.5. Technique Comparison
6. Conclusions
Future Work
Author Contributions
Funding
Institutional Review Board Statement
Informed Consent Statement
Data Availability Statement
Acknowledgments
Conflicts of Interest
References
- Yu, J.; Zhou, X. Ultra-High-Capacity DWDM transmission system for 100G and beyond. IEEE Commun. Mag. 2010, 48, S56–S64. [Google Scholar] [CrossRef]
- Sano, A.; Kobayashi, T.; Yoshida, E.; Miyamoto, Y. Ultra-High Capacity Optical Transmission Technologies for 100 Tbit/s Optical Transport Networks. IEICE Trans. Commun. 2011, E94-B, 400–408. [Google Scholar] [CrossRef]
- Keiser, G. Fiber Optic Communications. In Chapter Optical Signal Attenuation and Dispersion; Springer: Singapore; pp. 93–145. [CrossRef]
- Ahmed, M. Effect of fiber attenuation and dispersion on the transmission distance of 40-Gb/s optical fiber communication systems using high-speed lasers. Phys. Wave Phenom. 2014, 22, 266–272. [Google Scholar] [CrossRef]
- Abdelli, K.; Cho, J.Y.; Azendorf, F.; Griesser, H.; Tropschug, C.; Pachnicke, S. Machine-learning-based anomaly detection in optical fiber monitoring. J. Opt. Commun. Netw. 2022, 14, 365–375. [Google Scholar] [CrossRef]
- Champavère, A. New OTDR Measurement and Monitoring Techniques. In Proceedings of the Optical Fiber Communication Conference, Online, 13 March 2014. [Google Scholar]
- Schmuck, H.; Hehmann, J.; Straub, M.; Pfeiffer, T. Embedded OTDR techniques for cost-efficient fibre monitoring in optical access networks. In Proceedings of the 2006 European Conference on Optical Communications, Cannes, France, 24–28 September 2006; pp. 1–2. [Google Scholar] [CrossRef]
- Bakar, A.A.A.; Jamaludin, M.Z.; Abdullah, F.; Yaacob, M.H.; Mahdi, M.A.; Abdullah, M.K. A New Technique of Real-Time Monitoring of Fiber Optic Cable Networks Transmissio. Opt. Lasers Eng. 2007, 45, 126–130. [Google Scholar] [CrossRef]
- Chen, H.; Leblanc, M.; Plomteux, O. Live-Fiber OTDR Testing Traffic and Measurement Impairments; EXFO Electro-Optical Engineering Inc.: Quebec City, QC, Canada, 2003; pp. 1–7. [Google Scholar]
- Abdelli, K.; Grießer, H.; Ehrle, P.; Tropschug, C.; Pachnicke, S. Reflective fiber fault detection and characterization using long short-term memory. J. Opt. Commun. Netw. 2021, 13, E32–E41. [Google Scholar] [CrossRef]
- Kumar, V.; Rajouria, D. Fault Detection Technique by using OTDR: Limitations and drawbacks on practical approach of measurement. Int. J. Emerg. Technol. Adv. Eng. 2012, 2, 283–287. [Google Scholar]
- Usman, A.; Zulkifli, N.; Salim, M.R.; Khairi, K. Fault monitoring in passive optical network through the integration of machine learning and fiber sensors. Int. J. Commun. Syst. 2022, 35. [Google Scholar] [CrossRef]
- Premadi, A.; Ng, B.; Ab-Rahman, M.S.; Jumari, K. Real Time Optical Network Monitoring and Surveillance System. In Proceedings of the International Conference on Computer Technology and Development, Kota Kinabalu, Malaysia, 13–15 November 2009; pp. 311–314. [Google Scholar] [CrossRef]
- Saif, W.S.; Ragheb, A.M.; Esmail, M.A.; Marey, M.; Alshebeili, S.A. Optical Performance Monitoring in Mode Division Multiplexed Optical Networks. J. Light. Technol. 2021, 39, 491–504. [Google Scholar] [CrossRef]
- Anderson, T.B.; Kowalczyk, A.; Clarke, K.; Dods, S.D.; Hewitt, D.; Li, J. Multi Impairment Monitoring for Optical Networks. J. Light. Technol. 2009, 27, 3729–3736. [Google Scholar] [CrossRef]
- Wang, D.; Jiang, H.; Liang, G.; Zhan, Q.; Mo, Y.; Sui, Q.; Li, Z. Optical Performance Monitoring of Multiple Parameters in Future Optical Networks. J. Light. Technol. 2021, 39, 3792–3800. [Google Scholar] [CrossRef]
- Zhu, X.; Liu, B.; Zhu, X.; Ren, J.; Ullah, R.; Mao, Y.; Wu, X.; Chen, S.; Li, M.; Bai, Y. Optical performance monitoring via domain adversarial adaptation in few-mode fiber. Opt. Commun. 2022, 510, 127933. [Google Scholar] [CrossRef]
- Amirabadi, M.A.; Nezamalhosseini, S.A.; Kahaei, M.H. Meta-Ensemble Learning for OPM in FMF Systems. Appl. Opt. 2022, 61, 6249–6256. [Google Scholar] [CrossRef] [PubMed]
- Huang, Z.; Tian, Y.; Liu, Y.; Luo, H.; Long, X.; Yu, C. Optical performance monitoring using SOI-based spectral analysis. Opt. Express 2022, 30, 6397–6412. [Google Scholar] [CrossRef]
- Jiang, W.; Sui, J.; Ren, P. Virtual instrument based online monitoring, real-time detecting and automatic diagnosis management system for multi-fiber lines. In Proceedings of the 3rd International Conference on Advanced Computer Control, Seoul, Korea, 27–29 September 2011; pp. 169–173. [Google Scholar] [CrossRef]
- Li, X.; Zhang, Y.; Zhou, L.; Yuan, X.; Hou, L.; Zhang, M. The data processing of optical supervisory channel in DWDM system. In Proceedings of the 2010 International Conference on Advanced Intelligence and Awarenss Internet (AIAI 2010), Beijing, China, 23–25 October 2010; pp. 81–84. [Google Scholar] [CrossRef]
- Optical Supervisory Channels (OSCs). Available online: www.huawei.com (accessed on 5 July 2022).
- Sarkar, C. Optical Supervisory Channel Implementation. Available online: https://www.ijser.org/researchpaper/Optical-Supervisory-Channel-Implementation.pdf (accessed on 5 July 2022).
- Joy, A.; Liji, G.; Neethu, T.; Maritess, J.; Sneha, N.; Iyer, S. Theoretical performance evaluation of linear impairments in optical WDM networks with ITU-T defined fibers. In Proceedings of the International Conference on Wireless Communications, Signal Processing and Networking (WiSPNET), Chennai, India, 23–25 March 2016; pp. 1035–1039. [Google Scholar] [CrossRef]
- Dilendorfs, V.; Parfjonovs, M.; Alsevska, A.; Spolitis, S.; Bobrovs, V. Influence of dispersion slope compensation on 40 Gbit/s WDM-PON transmission system performance with G.652 & G.655 optical fibers. In Proceedings of the 2017 Progress in Electromagnetics Research Symposium, Fall (PIERS-FALL), Singapore, 19–22 November 2017; pp. 598–604. [Google Scholar] [CrossRef]
- Kandishaya. Design and Implementation of a Multivendor Network Management System (NMS) User Interface with the Aid of HUAWEI, ZTE and CISCO Network Elements. Master’s Thesis, University of Zimbabwe, Harare, Zimbabwe, 2020. Unpublished. [Google Scholar]
- What Is Huawei NCE. Available online: www.huawei.com (accessed on 5 September 2021).
- Anderson, D.R.; Johnson, L.; Bell, F.G. Chapter 14 Dispersion in optical fibers. In Troubleshooting Optical Fiber Networks, 2nd ed.; Academic Press: Cambridge, MA, USA, 2004; pp. 359–378. [Google Scholar] [CrossRef]

















| Parameter | Specification |
|---|---|
| Cabinet name | OSN |
| Model | 9800 |
| Type of Subrack | universal platform |
| Number of wavelengths | up to 80 channels |
| Data rate | up to 100 Gbps/channel |
| Attenuator | VOA adjust power remotely |
| Optical amplifier | OBU in TX–OAU in Rx |
| OSC board | ST1 |
| Multiplexer | 2 × M40 |
| De-multiplexer | 2 × D40 |
| Transponder | LDX |
| Dispersion module | DCF |
| Parameter | Value |
|---|---|
| Transmit power | −3 to −5 dBm |
| Receiver sensitivity | −43 dBm |
| Insertion loss | −0.4 dB |
| Time slot | 32 Time slot/frame |
| Capacity of time slot | 8 bit |
| Stream of bit | 2 Mbps |
| Parameter | Specification/Value |
|---|---|
| Cabinet | OSN 9800 |
| OSC board | ST 1 |
| OSC frame | 32 Time Slot |
| Wavelength | 1490 nm or 1510 nm |
| Insertion loss | −1.00 dB |
| Receiver sensitivity | up to −48 dBm [21,22] |
| Maximum transmit power | −7 dBm [21,22] |
| Maximum attenuation loss | −34 dB derived in Section 4.2 |
| Parameter | Specification |
|---|---|
| Applied by | DWDM system |
| Generate by | FPMT |
| Transmitted by | OSC board |
| Shape | Random Binary Bits |
| Pulse width | 20,000 Nanoseconds |
| Signal rate | 2 Mbps |
| Wavelength | 1480 nm |
| Fiber attenuation per Km | 0.22 to 0.35 dB |
| Fiber standard type | G.652 or G.655 |
| Maximum detected distance | 150 Km |
| Parameter | Specification |
|---|---|
| Applied by | Huawei Lab |
| Monitoring and analyzing fiber line data collection by | NCE server’s Huawei |
| Standard types of optical fiber used | SMF G.652 or SMF G.655 |
| Wavelength used at (G.652 or G.655) | 1550 nm |
| Fiber attenuation coefficient per Km | Approx. 0.22 dB |
| Actual fiber fault types created on the applied DWDM system |
|
| Type | G.652 | G.655 |
|---|---|---|
| Definition | Standard SMF Zero dispersion point is about 1310 nm [28] | Non-zero dispersion shifted fiber [28]. Zero dispersion point is shifted away from 1510 nm |
| Wavelength | 1310 nm–1550 nm | 1310 nm–1550 nm |
| Maximum attenuation coefficient | Attenuation of 1310 nm ranges from 0.3 to 0.4 dB/Km and the attenuation of 1550 nm ranges from 0.17 to 0.25 dB/Km | The attenuation of 1550 nm ranges from 0.19 to 0.35 dB/Km |
| Application | Used in SDH and DWDM | Used in SDH and DWDM |
| FPMT Technique | OTDR Technique | |
|---|---|---|
| Data traffic flow | Not interrupting data flow | Interrupting data flow |
| Reliable detection | Online | Offline |
| Fiber failure access speed | Remotely | Manually |
| Operation and maintenance expenses | Low cost | High cost, requires more time and effort |
| Type | FPMT Technique | FBMS Technique |
|---|---|---|
| Max. distance can be detected | 150 Km | 4.49 Km |
| Average of fiber fault location measurement accuracy (%) | 99.8% | 96.85% |
| Deviation | ±0.02 Km | ±0.285 Km |
| Insertion loss | 0.4 dB | 1.7 dB |
| Types of fiber failure detected | 5 different types | fiber break only |
Publisher’s Note: MDPI stays neutral with regard to jurisdictional claims in published maps and institutional affiliations. |
© 2022 by the authors. Licensee MDPI, Basel, Switzerland. This article is an open access article distributed under the terms and conditions of the Creative Commons Attribution (CC BY) license (https://creativecommons.org/licenses/by/4.0/).
Share and Cite
Ibrahim, A.A.; Fouad, M.M.; Hamdi, A.A. A Design Fiber Performance Monitoring Tool (FPMT) for Online Remote Fiber Line Performance Detection. Electronics 2022, 11, 3627. https://doi.org/10.3390/electronics11213627
Ibrahim AA, Fouad MM, Hamdi AA. A Design Fiber Performance Monitoring Tool (FPMT) for Online Remote Fiber Line Performance Detection. Electronics. 2022; 11(21):3627. https://doi.org/10.3390/electronics11213627
Chicago/Turabian StyleIbrahim, Ahmed Atef, Mohammed Mohammed Fouad, and Azhar Ahmed Hamdi. 2022. "A Design Fiber Performance Monitoring Tool (FPMT) for Online Remote Fiber Line Performance Detection" Electronics 11, no. 21: 3627. https://doi.org/10.3390/electronics11213627
APA StyleIbrahim, A. A., Fouad, M. M., & Hamdi, A. A. (2022). A Design Fiber Performance Monitoring Tool (FPMT) for Online Remote Fiber Line Performance Detection. Electronics, 11(21), 3627. https://doi.org/10.3390/electronics11213627

