A Review of Open-Circuit Switch Fault Diagnostic Methods for Neutral Point Clamped Inverter
Abstract
1. Introduction
- Summary of the OC fault diagnostic methods for NPC.
- Comparison of the existing OC fault diagnostic schemes based on diagnostic variables, fault localization level, and fault diagnostic time.
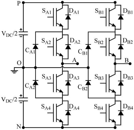
2. Neutral Point Clamped Inverter under Normal and Open-Circuit Conditions
2.1. Analysis of NPC Inverter under Normal Conditions
2.2. Analysis of NPC Inverter under Open-Circuit Switch Fault
3. Open-Circuit Switch Fault Diagnostic Methods for NPC Inverter
- Signal processing-based methods.
- Model-based methods.
- Data-based fault diagnostic methods.
3.1. Signal Processing-Based Fault Diagnostic Methods
3.1.1. Current-Based Methods
3.1.2. Voltage-Based Methods
3.1.3. Combined Current and Voltage-Based Methods
3.2. Model Based Fault Diagnostic Methods
3.2.1. Current-Based Methods
3.2.2. Voltage-Based Methods
3.2.3. Combined Current and Voltage-Based Methods
3.3. Data-Based Fault Diagnosis Methods
3.3.1. Current-Based Methods
3.3.2. Voltage-Based Methods
3.3.3. Combined Current and Voltage-Based Methods
4. Conclusions
Author Contributions
Funding
Institutional Review Board Statement
Informed Consent Statement
Data Availability Statement
Acknowledgments
Conflicts of Interest
References
- Lee, K.B.; Lee, J.S. Reliability Improvement Technology for Power Converters; Springer: Berlin/Heidelberg, Germany, 2017. [Google Scholar]
- Teichmann, R.; Bernet, S. A comparison of three-level converters versus two-level converters for low-voltage drives, traction, and utility applications. IEEE Trans. Ind. Appl. 2005, 41, 855–865. [Google Scholar] [CrossRef]
- Rodriguez, J.; Lai, J.S.; Peng, F.Z. Multilevel inverters: A survey of topologies, controls, and applications. IEEE Trans. Ind. Electron. 2002, 49, 724–738. [Google Scholar] [CrossRef]
- Gautam, S.P.; Kumar, L.; Gupta, S.; Agrawal, N. A single-phase five-level inverter topology with switch fault-tolerance capabilities. IEEE Trans. Ind. Electron. 2016, 64, 2004–2014. [Google Scholar] [CrossRef]
- Lee, J.S.; Kwak, R.; Lee, K.B. Novel Discontinuous PWM Method for a Single-Phase Three-Level Neutral Point Clamped Inverter With Efficiency Improvement and Harmonic Reduction. IEEE Trans. Power Electron. 2018, 33, 9253–9266. [Google Scholar] [CrossRef]
- Wang, H.; Liserre, M.; Blaabjerg, F.; de Place Rimmen, P.; Jacobsen, J.B.; Kvisgaard, T.; Landkildehus, J. Transitioning to physics-of-failure as a reliability driver in power electronics. IEEE J. Emerg. Sel. Top. Power Electron. 2013, 2, 97–114. [Google Scholar] [CrossRef]
- Zhang, L.; Sun, K.; Feng, L.; Wu, H.; Xing, Y. A Family of Neutral Point Clamped Full-Bridge Topologies for Transformerless Photovoltaic Grid-Tied Inverters. IEEE Trans. Power Electron. 2013, 28, 730–739. [Google Scholar] [CrossRef]
- Chen, A.; He, X. Research on Hybrid-Clamped Multilevel-Inverter Topologies. IEEE Trans. Ind. Electron. 2006, 53, 1898–1907. [Google Scholar] [CrossRef]
- Beniwal, N.; Tafti, H.D.; Farivar, G.G.; Ceballos, S.; Pou, J.; Blaabjerg, F. A Control Strategy for Dual-Input Neutral-Point-Clamped Inverter-Based Grid-Connected Photovoltaic System. IEEE Trans. Power Electron. 2021, 36, 9743–9757. [Google Scholar] [CrossRef]
- Wu, B.; Narimani, M. Diode-Clamped Multilevel Inverters. In High-Power Converters and AC Drives; John Wiley & Sons: Hoboken, NJ, USA, 2017; pp. 143–183. [Google Scholar] [CrossRef]
- Gupta, K.K.; Ranjan, A.; Bhatnagar, P.; Sahu, L.K.; Jain, S. Multilevel inverter topologies with reduced device count: A review. IEEE Trans. Power Electron. 2015, 31, 135–151. [Google Scholar] [CrossRef]
- Nabae, A.; Takahashi, I.; Akagi, H. A New Neutral-Point-Clamped PWM Inverter. IEEE Trans. Ind. Appl. 1981, IA-17, 518–523. [Google Scholar] [CrossRef]
- Di Tommaso, A.; Genduso, F.; Miceli, R.; Galluzzo, G.R. A review of multiple faults diagnosis methods in voltage source inverters. In Proceedings of the 2015 International Conference on Renewable Energy Research and Applications (ICRERA), Palermo, Italy, 22–25 November 2015; pp. 1376–1381. [Google Scholar]
- Yang, S.; Xiang, D.; Bryant, A.; Mawby, P.; Ran, L.; Tavner, P. Condition Monitoring for Device Reliability in Power Electronic Converters: A Review. Power Electron. IEEE Trans. 2010, 25, 2734–2752. [Google Scholar] [CrossRef]
- Choi, U.M.; Jeong, H.G.; Lee, K.B.; Blaabjerg, F. Method for detecting an open-switch fault in a grid-connected NPC inverter system. IEEE Trans. Power Electron. 2011, 27, 2726–2739. [Google Scholar] [CrossRef]
- Yang, S.; Bryant, A.; Mawby, P.; Xiang, D.; Ran, L.; Tavner, P. An industry-based survey of reliability in power electronic converters. IEEE Trans. Ind. Appl. 2011, 47, 1441–1451. [Google Scholar] [CrossRef]
- Wang, F.; Lai, R.; Yuan, X.; Luo, F.; Burgos, R.; Boroyevich, D. Failure-Mode Analysis and Protection of Three-Level Neutral-Point-Clamped PWM Voltage Source Converters. IEEE Trans. Ind. Appl. 2010, 46, 866–874. [Google Scholar] [CrossRef]
- Patel, K.; Borole, S.; Manikandan, R.; Singh, R.R. Short Circuit and Open Circuit Fault Identification Strategy for 3-Level Neutral Point Clamped Inverter. In Proceedings of the 2021 Innovations in Power and Advanced Computing Technologies (i-PACT), Kuala Lumpur, Malaysia, 27–29 November 2021; pp. 1–6. [Google Scholar]
- Ge, X.; Pu, J.; Gou, B.; Liu, Y.C. An open-circuit fault diagnosis approach for single-phase three-level neutral-point-clamped converters. IEEE Trans. Power Electron. 2017, 33, 2559–2570. [Google Scholar] [CrossRef]
- An, Q.T.; Sun, L.Z.; Zhao, K.; Sun, L. Switching Function Model-Based Fast-Diagnostic Method of Open-Switch Faults in Inverters Without Sensors. IEEE Trans. Power Electron. 2011, 26, 119–126. [Google Scholar] [CrossRef]
- Kim, C.; Russell, B. Classification of faults and switching events by inductive reasoning and expert system methodology. IEEE Trans. Power Deliv. 1989, 4, 1631–1637. [Google Scholar] [CrossRef]
- Choi, J.H.; Kim, S.; Yoo, D.S.; Kim, K.H. A diagnostic method of simultaneous open-switch faults in inverter-fed linear induction motor drive for reliability enhancement. IEEE Trans. Ind. Electron. 2014, 62, 4065–4077. [Google Scholar] [CrossRef]
- Smet, V.; Forest, F.; Huselstein, J.J.; Richardeau, F.; Khatir, Z.; Lefebvre, S.; Berkani, M. Ageing and Failure Modes of IGBT Modules in High-Temperature Power Cycling. IEEE Trans. Ind. Electron. 2011, 58, 4931–4941. [Google Scholar] [CrossRef]
- Alili, A.; Al Ameri, A.; Camara, M.; Dakyo, B. Open-circuit fault detection method for Grid-side Three-level NPC Inverter. In Proceedings of the 2021 10th International Conference on Renewable Energy Research and Application (ICRERA), Istanbul, Turkey, 26–29 September 2021; pp. 120–124. [Google Scholar]
- Baghli, M.; Delpha, C.; Diallo, D.; Hallouche, A. Three-Level Inverter Fault Detection and Diagnosis Using Current-Based Statistical Analysis. In Proceedings of the 2018 Prognostics and System Health Management Conference (PHM-Chongqing), Chongqing, China, 26–28 October 2018; pp. 686–691. [Google Scholar]
- Lee, J.S.; Lee, K.B.; Blaabjerg, F. Open-switch fault detection method of a back-to-back converter using NPC topology for wind turbine systems. IEEE Trans. Ind. Appl. 2014, 51, 325–335. [Google Scholar] [CrossRef]
- Choi, U.M.; Blaabjerg, F.; Lee, J.S.; Lee, K.B. Open-circuit fault diagnosis for a grid-connected NPC inverter with unity Power Factor. In Proceedings of the 2015 IEEE Applied Power Electronics Conference and Exposition (APEC), Charlotte, NC, USA, 15–19 March 2015; pp. 213–220. [Google Scholar] [CrossRef]
- Choi, U.M.; Lee, J.S.; Blaabjerg, F.; Lee, K.B. Open-circuit fault diagnosis and fault-tolerant control for a grid-connected NPC inverter. IEEE Trans. Power Electron. 2015, 31, 7234–7247. [Google Scholar] [CrossRef]
- Sital-Dahone, M.; Saha, A.; Sozer, Y.; Mpanda, A. Multiple device open circuit fault diagnosis for neutral-point-clamped inverters. In Proceedings of the 2017 IEEE Applied Power Electronics Conference and Exposition (APEC), Tampa, FL, USA, 26–30 March 2017; pp. 2605–2609. [Google Scholar]
- Abadi, M.B.; Mendes, A.M.S.; Cruz, S.M.A. Three-level NPC inverter fault diagnosis by the Average Current Park’s Vector approach. In Proceedings of the 2012 XXth International Conference on Electrical Machines, Marseille, France, 2–5 September 2012; pp. 1893–1898. [Google Scholar] [CrossRef]
- Kwon, B.H.; Bae, K.C.; Kim, S.M.; Lee, K.B. Detecting Method for an Open-Switch Fault of SiC MOSFET and Si IGBT in Hybrid ANPC Inverter System. In Proceedings of the 2019 IEEE Energy Conversion Congress and Exposition (ECCE), Baltimore, MD, USA, 29 September–3 October 2019; pp. 2928–2932. [Google Scholar]
- Xu, S.; Wang, J.; Ma, M. Open-circuit fault diagnosis method for three-level neutral point clamped inverter based on instantaneous frequency of phase current. Energy Convers. Econ. 2020, 1, 264–271. [Google Scholar] [CrossRef]
- Kim, S.H.; Kim, S.M.; Lee, K.B. Open-Switch Fault Detection for Hybrid ANPC Inverter Based on Current Distortion. In Proceedings of the 2019 IEEE Student Conference on Electric Machines and Systems (SCEMS 2019), Busan, Korea, 1–3 November 2019; pp. 1–5. [Google Scholar]
- Bandar Abadi, M.; Mendes, A.; Cruz, S. A Real-Time Method for the Diagnosis of Multiple Switch Faults in NPC Inverters Based on Output Currents Analysis. J. Power Electron. 2016, 16, 1415–1425. [Google Scholar] [CrossRef]
- Kim, Y.J.; Kim, S.H.; Kim, S.M.; Lee, K.B. Open Fault Diagnosis and Tolerance Control for Grid-Connected Hybrid Active Neutral-Point- Clamped Inverters With Optimized Carrier-Based Pulse Width Modulation. IEEE Access 2020, 8, 145542–145551. [Google Scholar] [CrossRef]
- Azer, P.; Ouni, S.; Narimani, M. A Novel Fault-Tolerant Technique for Active-Neutral-Point-Clamped Inverter Using Carrier-Based PWM. IEEE Trans. Ind. Electron. 2020, 67, 1792–1803. [Google Scholar] [CrossRef]
- He, J.; Demerdash, N.A. An on-line diagnostic method for open-circuit switch faults in NPC multilevel converters. In Proceedings of the 2016 IEEE Energy Conversion Congress and Exposition (ECCE), Milwaukee, WI, USA, 18–22 September 2016; pp. 1–7. [Google Scholar]
- Fazio, P.; Maragliano, G.; Marchesoni, M.; Parodi, G. A new fault detection method for NPC converters. In Proceedings of the Proceedings of the 2011 14th European Conference on Power Electronics and Applications, Birmingham, UK, 30 August–1 September 2011; pp. 1–10. [Google Scholar]
- Kim, T.J.; Lee, W.C.; Hyun, D.S. Detection method for open-circuit fault in neutral-point-clamped inverter systems. IEEE Trans. Ind. Electron. 2009, 56, 2754–2763. [Google Scholar]
- Caseiro, L.M.; Mendes, A.M. Open-circuit fault diagnosis in neutral-point-clamped UPS inverters with no additional sensors. In Proceedings of the IECON 2015-41st Annual Conference of the IEEE Industrial Electronics Society, Yokohama, Japan, 9–12 November 2015; pp. 2463–2468. [Google Scholar]
- Lee, J.D.; Kim, T.J.; Lee, J.C.; Hyun, D.S. A novel fault detection of an open-switch fault in the NPC inverter system. In Proceedings of the IECON 2007-33rd Annual Conference of the IEEE Industrial Electronics Society, Taipei, Taiwan, 5–8 November 2007; pp. 1565–1569. [Google Scholar]
- Azimipanah, M.; Hassanifar, M.; Neyshabouri, Y. Open Circuit Fault Detection and Diagnosis for Seven-Level Hybrid Active Neutral Point Clamped (ANPC) Multilevel Inverter. In Proceedings of the 2021 29th Iranian Conference on Electrical Engineering (ICEE), Tehran, Iran, 18–20 May 2021; pp. 268–273. [Google Scholar]
- Hassanifar, M.; Shamouei-Milan, M.; Neyshabouri, Y.; Nazarpour, D.; Golshannavaz, S. Fast Detection and Localization of Open-Circuit Switch Faults in Nested Neutral Point Clamped (NNPC) Inverter. In Proceedings of the 2020 11th Power Electronics, Drive Systems, and Technologies Conference (PEDSTC), Tehran, Iran, 4–6 February 2020; pp. 1–6. [Google Scholar]
- Bennani-Ben Abdelghani, A.; Ben Abdelghani, H.; Richardeau, F.; Blaquière, J.M.; Mosser, F.; Slama-Belkhodja, I. Versatile Three-Level FC-NPC Converter With High Fault-Tolerance Capabilities: Switch Fault Detection and Isolation and Safe Postfault Operation. IEEE Trans. Ind. Electron. 2017, 64, 6453–6464. [Google Scholar] [CrossRef]
- Farnesi, S.; Fazio, P.; Marchesoni, M. A new fault tolerant NPC converter system for high power induction motor drives. In Proceedings of the 8th IEEE Symposium on Diagnostics for Electrical Machines, Power Electronics & Drives, Bologna, Italy, 5–8 September 2011; pp. 337–343. [Google Scholar] [CrossRef]
- Pribadi, J.; Lee, D.C. Open-Switch Fault Diagnosis in Four-Level Active Neutral-Point-Clamped Inverters. In Proceedings of the 2021 IEEE Energy Conversion Congress and Exposition (ECCE), Vancouver, BC, Canada, 10–14 October 2021; pp. 2576–2581. [Google Scholar]
- He, J.; Demerdash, N.A. Diagnosis of open-circuit switch faults in multilevel active-NPC (ANPC) inverters. In Proceedings of the 2014 IEEE Transportation Electrification Conference and Expo (ITEC), Dearborn, MI, USA, 15–18 June 2014; pp. 1–6. [Google Scholar]
- Abari, I.; Lahouar, A.; Hamouda, M.; Slama, J.B.H.; Al-Haddad, K. Fault Detection Methods for Three-Level NPC Inverter Based on DC-Bus Electromagnetic Signatures. IEEE Trans. Ind. Electron. 2018, 65, 5224–5236. [Google Scholar] [CrossRef]
- Abari, I.; Hamouda, M.; Slama, J.B.H.; Al-Haddad, K. Single switch open-circuit fault detection for three-level npc inverter using conducted emissions signature. In Proceedings of the IECON 2018-44th Annual Conference of the IEEE Industrial Electronics Society, Washington, DC, USA, 21–23 October 2018; pp. 1489–1494. [Google Scholar]
- Ku, H.K.; Im, W.S.; Kim, J.M.; Suh, Y.S. Fault detection and tolerant control of 3-phase NPC active rectifier. In Proceedings of the 2012 IEEE Energy Conversion Congress and Exposition (ECCE), Raleigh, NC, USA, 15–20 September 2012; pp. 4519–4524. [Google Scholar] [CrossRef]
- Huang, W.; Xu, S.; Wang, J.; Dai, H.; Feng, L.; Chai, Y. A diagnosis method for open-circuit faults in NPC three-level inverters based on novel sliding mode observer. In Proceedings of the 2021 CAA Symposium on Fault Detection, Supervision, and Safety for Technical Processes (SAFEPROCESS), Chengdu, China, 17–18 December 2021; pp. 1–6. [Google Scholar]
- Xu, S.; Huang, W.; Wang, H.; Zheng, W.; Wang, J.; Chai, Y.; Ma, M. A Simultaneous Diagnosis Method for Power Switch and Current Sensor Faults in Grid-Connected Three-Level NPC Inverters. IEEE Trans. Power Electron. 2022, 1–15. [Google Scholar] [CrossRef]
- Oubabas, H.; Djennoune, S.; Bettayeb, M. Interval sliding mode observer design for linear and nonlinear systems. J. Process. Control. 2018, 959–1524. [Google Scholar] [CrossRef]
- Kersten, A.; Oberdieck, K.; Bubert, A.; Neubert, M.; Grunditz, E.A.; Thiringer, T.; De Doncker, R.W. Fault detection and localization for limp home functionality of three-level npc inverters with connected neutral point for electric vehicles. IEEE Trans. Transp. Electrif. 2019, 5, 416–432. [Google Scholar] [CrossRef]
- Rinsha, V.; Jagadan, G. Open Circuit Fault Detection in Neutral Point Clamped Inverter-A Voltage Model Based Analysis. In Proceedings of the 2020 IEEE Region 10 Symposium (TENSYMP), Dhaka, Bangladesh, 5–7 June 2020; pp. 74–77. [Google Scholar]
- Ahmadi, S.; Poure, P.; Saadate, S.; Khaburi, D.A. Open-switch and open-clamping diode fault diagnosis for single-phase five-level neutral-point-clamped inverters. IEEE J. Emerg. Sel. Top. Power Electron. 2020, 9, 4676–4686. [Google Scholar] [CrossRef]
- Wei, X.; Wang, H.; Luo, A.; He, Z.; Zhu, X.; Sun, R.; Chen, X. Parallel open-circuit fault diagnosis method of a cascaded full-bridge NPC inverter with model predictive control. IEEE Trans. Ind. Electron. 2020, 68, 10180–10192. [Google Scholar] [CrossRef]
- Ahmadi, S.; Poure, P.; Saadate, S.; Khaburi, D.A. A real-time fault diagnosis for neutral-point-clamped inverters based on failure-mode algorithm. IEEE Trans. Ind. Inform. 2020, 17, 1100–1110. [Google Scholar] [CrossRef]
- Peng, T.; Tao, H.; Yang, C.; Chen, Z.; Yang, C.; Gui, W.; Karimi, H.R. A uniform modeling method based on open-circuit faults analysis for NPC-three-level converter. IEEE Trans. Circuits Syst. II Express Briefs 2018, 66, 457–461. [Google Scholar] [CrossRef]
- Chen, W.; Bazzi, A.M. Model-Based Voltage Quality Analysis and Optimization in Post-Fault Reconfigured N-Level NPC Inverter. IEEE Trans. Power Electron. 2021, 36, 13706–13715. [Google Scholar] [CrossRef]
- Yang, B.; Chen, Q.; Tao, J.; Hou, S.; Zhao, L. Switch fault diagnosis and location of NPC three-level inverter based on line voltage deviation. In Proceedings of the 2022 IEEE 5th International Electrical and Energy Conference (CIEEC), Nangjing, China, 27–29 May 2022; pp. 3289–3293. [Google Scholar] [CrossRef]
- Zheng, H.; Wang, R.; Wang, Y.; Zhu, W. Fault diagnosis of photovoltaic inverters using hidden Markov model. In Proceedings of the 2017 36th Chinese Control Conference (CCC), Dalian, China, 26–28 July 2017; pp. 7290–7295. [Google Scholar] [CrossRef]
- Lee, H.H.; Dzung, P.Q.; Hoa, T.P.; Bac, N.X. Fault detection using ANN for Three-level NPC Inverter fed induction motor drive. In Proceedings of the TENCON 2010–2010 IEEE Region 10 Conference, Fukuoka, Japan, 21–24 November 2010; pp. 2148–2153. [Google Scholar]
- Torabi, N.; Naghavi, F.; Toliyat, H.A. Real-time fault isolation in multiphase multilevel NPC converters using active semi-supervised fuzzy clustering algorithm with pairwise constraints. In Proceedings of the 2017 IEEE International Electric Machines and Drives Conference (IEMDC), Miami, FL, USA, 21–24 May 2017; pp. 1–7. [Google Scholar]
- Achintya, P.; Kumar Sahu, L. Open Circuit Switch Fault Detection in Multilevel Inverter Topology using Machine Learning Techniques. In Proceedings of the 2020 IEEE 9th Power India International Conference (PIICON), Sonepat, India, 28 February–1 March 2020; pp. 1–6. [Google Scholar] [CrossRef]
- Kim, S.H.; Yoo, D.Y.; An, S.W.; Park, Y.S.; Lee, J.W.; Lee, K.B. Fault detection method using a convolution neural network for hybrid active neutral-point clamped inverters. IEEE Access 2020, 8, 140632–140642. [Google Scholar] [CrossRef]
- Hu, H.; Feng, F.; Wang, T. Open-circuit fault diagnosis of NPC inverter IGBT based on independent component analysis and neural network. Energy Rep. 2020, 6, 134–143. [Google Scholar] [CrossRef]
- Wan, X.; Hu, H.; Yu, Y.; Kang, L.; Zeng, F. Open-circuit Fault Diagnosis for Grid-connected NPC Inverter based on Independent Component Analysis and Neural Network. Telkomnika 2017, 15, 36. [Google Scholar] [CrossRef][Green Version]
- Zeng, L.; Han, P.; He, X. Fault Diagnosis of Cascaded NPC Inverter Based on Single Sensor. In Proceedings of the 2021 IEEE 16th Conference on Industrial Electronics and Applications (ICIEA), Chengdu, China, 1–4 August 2021; pp. 1924–1929. [Google Scholar] [CrossRef]
- Kou, L.; Liu, C.; Cai, G.; Zhou, J.; Yuan, Q.; Pang, S. Fault diagnosis for open-circuit faults in NPC inverter based on knowledge-driven and data-driven approach. IET Power Electron. 2020, 13, 1236–1245. [Google Scholar] [CrossRef]
- Chao, K.H.; Ke, C.H. Fault Diagnosis and Tolerant Control of Three-Level Neutral-Point Clamped Inverters in Motor Drives. Energies 2020, 13, 6302. [Google Scholar] [CrossRef]
- Yuan, W.; Li, Z.; He, Y.; Cheng, R.; Lu, L.; Ruan, Y. Open-Circuit Fault Diagnosis of NPC Inverter Based on Improved 1-D CNN Network. IEEE Trans. Instrum. Meas. 2022, 71, 1–11. [Google Scholar] [CrossRef]
- Liu, S.; Qian, X.; Wan, H.; Ye, Z.; Wu, S.; Ren, X. NPC Three-Level Inverter Open-Circuit Fault Diagnosis Based on Adaptive Electrical Period Partition and Random Forest. J. Sens. 2020, 2020, 9206579. [Google Scholar] [CrossRef]
- Chen, C.; Chen, D.; Ye, Y. The neural network-based diagnostic method for atypical faults in NPC three-level inverter. In Proceedings of the 2013 25th Chinese Control and Decision Conference (CCDC), Guiyang, China, 25–27 May 2013; pp. 4740–4745. [Google Scholar]
- Chen, D.; Ye, Y.; Hua, R. Fault Diagnosis System for NPC Inverter based on Multi-Layer Principal Component Neural Network. J. Comput. 2013, 8, 1464–1471. [Google Scholar]
- Han, P.; He, X.; Ren, H.; Wang, Y.; Peng, X.; Shu, Z.; Gao, S.; Wang, Y.; Chen, Z. Fault diagnosis and system reconfiguration strategy of a single-phase three-level neutral-point-clamped cascaded inverter. IEEE Trans. Ind. Appl. 2019, 55, 3863–3876. [Google Scholar] [CrossRef]
- Chen, D.; Liu, Y.; Zhou, J. Optimized Neural Network by Genetic Algorithm and Its Application in Fault Diagnosis of Three-level Inverter. In Proceedings of the 2019 CAA Symposium on Fault Detection, Supervision and Safety for Technical Processes (SAFEPROCESS), Xiamen, China, 5–7 July 2019; pp. 116–120. [Google Scholar] [CrossRef]
- Yu, Y.; Pei, S. Open-circuit fault diagnosis of neutral point clamped three-level inverter based on sparse representation. IEEE Access 2018, 6, 73499–73508. [Google Scholar] [CrossRef]
- Hu, Y.; Cheng, S.; Wu, X.; Xiang, C.; Li, Z. A Diagnostic Method for Open Circuit Faults of Loads and Semiconductors in 3L-NPC Inverters. IEEE J. Emerg. Sel. Top. Power Electron. 2022. [Google Scholar] [CrossRef]
- Ponnada, G.N.; Babu, C.S.; Satyanarayana, S.; Biswas, S.S. Fault Detection and Tolerance of a Hybrid Five Level Inverter. Iran. J. Sci. Technol. Trans. Electr. Eng. 2021, 45, 895–904. [Google Scholar] [CrossRef]
- Wu, J.; Yan, Z.; Sun, Q. Multiple Faults Detection of Three-Level NPC Inverter Based on Improved Deep Learning Network; Springer: Cham, Switzerland, 2020; pp. 1575–1583. [Google Scholar] [CrossRef]
- Qi, Y.; Shen, C.; Wang, D.; Shi, J.; Jiang, X.; Zhu, Z. Stacked Sparse Autoencoder-Based Deep Network for Fault Diagnosis of Rotating Machinery. IEEE Access 2017, 5, 15066–15079. [Google Scholar] [CrossRef]
- Chen, D.; Ye, Y.; Hua, R. Fault diagnosis of three-level inverter based on wavelet analysis and Bayesian classifier. In Proceedings of the 2013 25th Chinese Control and Decision Conference (CCDC), Guiyang, China, 25–27 May 2013; pp. 4777–4780. [Google Scholar]
- Shen, H.; Tang, X.; Ai, S.; Fan, Y.; Luo, Y.; Xie, F. Mixed-Type Open-Circuit Fault Diagnosis for NPC Inverters Using a Dual-Input CNN. In Proceedings of the 2021 IEEE 4th International Electrical and Energy Conference (CIEEC), Wuhan, China, 28–30 May 2021; pp. 1–7. [Google Scholar]
- Pecina Sánchez, J.; Campos Delgado, D.U.; Espinoza-Trejo, D.; Valdez-Fernandez, A.A.; De Angelo, C. Fault Diagnosis in Grid-Connected PV NPC Inverters by a Model-Based and Data Processing Combined Approach. IET Power Electron. 2019, 12, 3254. [Google Scholar] [CrossRef]
- Jung, D.; Sundström, C. A Combined Data-Driven and Model-Based Residual Selection Algorithm for Fault Detection and Isolation. IEEE Trans. Control. Syst. Technol. 2019, 27, 616–630. [Google Scholar] [CrossRef]
- Tidriri, K.; Chatti, N.; Verron, S.; Tiplica, T. Bridging data-driven and model-based approaches for process fault diagnosis and health monitoring: A review of researches and future challenges. Annu. Rev. Control. 2016, 42, 63–81. [Google Scholar] [CrossRef]
















| Pole Voltage, | Switching State | ||||
|---|---|---|---|---|---|
| 1 | 1 | 0 | 0 | P | |
| 0 | 1 | 1 | 0 | 0 | O |
| 0 | 0 | 1 | 1 | N |
| Current | Faulty Switch | Possible Switching State | Unavailable Switching State | Expected Pole Voltage | Real Pole Voltage |
|---|---|---|---|---|---|
| N, O | P | 0 | |||
| N | P | ||||
| O | 0 | ||||
| P, O, N | NIL | NA | NA | ||
| P, O, N | NIL | NA | NA | ||
| P, N | O | 0 | |||
| P, O, N | NIL | NA | NA | ||
| P, O, N | NIL | NA | NA | ||
| P, O, N | NIL | NA | NA | ||
| P | O | 0 | |||
| N | |||||
| P, O | N | 0 | |||
| P, O, N | NIL | NA | NA | ||
| P, N | O | 0 |
| Ref. | Basis of Fault Diagnostic Method | Fault Indicator | Fault Diagnostic Time | Fault Localization Level | Inverter Configuration | Complexity |
|---|---|---|---|---|---|---|
| [18] | Comparison of fault diagnostic variables with thresholds | Inverter output current | 1 time period | Faulty switch | 3P-3L-NPC | Medium |
| [24] | Change in output current and charge distortion | Distortions in inverter output current | N/A | Faulty switch | 3P-3L-NPC | Medium |
| [25] | Statistical moments and cumulative sum of current | Inverter output current | N/A | N/A | 3P-3L-NPC | Medium |
| [26] | Analysis of output current distortion | Current distortions | 1 time period | Faulty pair of switches | 3P-3L-NPC | Medium |
| [28] | Inverter current analysis | Distorted phase current characteristics | N/A | Faulty switch | 3P-3L-NPC | High |
| [29] | Average current park’s vector approach | Normalised average phase current error and park’s vector | N/A | Faulty pair of switches | 3P-3L-NPC | High |
| [31] | Current pattern analysis | Three phase currents | 2 time periods | Faulty switch | 3P-3L-Hybrid Active NPC | Normal |
| [33] | Current pattern analysis | Change in shape of current pattern | 1 time period | Faulty switch | 3P-3L-Hybrid Active NPC | Normal |
| [37] | Analysis of dc bus neutral point current, phase current and switching states | Variations in dc bus neutral point current | 1 time period | Faulty switch | 3P-3L-NPC | Medium |
| [39] | Continuous pulse width modulation characteristics | Change in pole voltages | 2 sampling periods | N/A | 3P-3L-NPC | Medium |
| [40] | Analysis of inverter pole voltage | Pole voltage error | 2 sample periods | Faulty Switch | 3P-3L-NPC | Medium |
| [41] | Comparison of measured pole voltage to fault reference voltage | Change in inverter pole voltage | 2 sampling periods | N/A | 3P-3L-NPC | Medium |
| [42] | Investigation of inverter output voltage | Output voltage error | 1 fundamental period | Faulty switch | 7L-Hybrid Active NPC | High |
| [43] | Analysis of capacitor voltage ripple and inverter output voltage | Output voltage error | 1 fundamental period | Faulty switch | 4L-NPC | High |
| [46] | Analysis of voltage error of fault indicators | Inverter output terminal voltage error and inter half bridge voltage | N/A | Faulty switch | 3P-4L-Active NPC | High |
| [47] | Analysis of three phase currents, inverter pole voltages and switching states | Phase currents and pole voltages | 1 time period | Faulty switch | 3P-3L-Active NPC | Medium |
| [48] | Analysis of electromagnetic emissions of dc bus | Amplitude and frequency variations | of time period | Faulty switch | 3P-3L-NPC | Medium |
| [49] | Teager energy operator-based algorithm | Change in the conducted emissions | N/A | Faulty switch | 3P-3L-NPC | High |
| Ref. | Basis of Fault Diagnostic Method | Fault Indicator | Fault Diagnostic Time | Fault Localization Level | Inverter Configuration | Complexity |
|---|---|---|---|---|---|---|
| [19] | Mixed logical dynamic modelling | Rate of change of residual current | Several control periods | Faulty switch | 1P-3L-NPC | High |
| [51] | Sliding mode observer | Residual current | of time period | Faulty switch | 3P-3L-NPC | Medium |
| [54] | Current estimator technique | Current difference between measured and estimated values | of time period | Faulty switch | 3P-3L-NPC, Acive NPC | High |
| [55] | Voltage equation modelling approach | Line voltages | N/A | N/A | 3P-3L-NPC | Medium |
| [56] | Logic-based failure mode analysis | Magnitude of the terminal voltage error | N/A | Faulty switch | 1P-5L-NPC | Medium |
| [57] | Model predictive control | Change in capacitor voltages | 1 time period | Faulty switch | 1P-5L-NPC | High |
| [59] | Uniform modelling using switching function approach | Status of switch command signals | N/A | Faulty switch | 3P-3L-NPC | Medium |
| [52] | Sliding Mode Observer | Current form factor of the estimated current and measured current | <3 ms | Faulty switch | 3P-3L-NPC | Medium |
| Ref. | Basis of Fault Diagnostic Method | Fault Indicator | Fault Diagnostic Time | Fault Localization Level | Inverter Configuration | Complexity |
|---|---|---|---|---|---|---|
| [63] | Artificial neural network based controller | Dc link current and three phase output currents | N/A | Faulty switch | 3P-3L-NPC | Medium |
| [64] | Self-recurrent wavelet neural network | Output phase current residuals of inverter | 500 | Faulty switch | 5P-3L-NPC | High |
| [66] | Convolution neural network | Distortions in the three-phase output current | 1 ms | Faulty switch | 3P-3L-Hybrid Active NPC | High |
| [74] | Fourier Transform and Back-Propagation Neural Network algorithm | Inverter output voltages | N/A | Faulty switch | 3P-3L-NPC | Medium |
| [76] | Fast Fourier transform and neural network algorithm | Inverter pole voltage | 1 modulation period | Faulty switch | 1P-3L-NPC | Medium |
| [78] | Sparse Representation and Support Vector Machine (SVM) method | Three phase voltage signals | N/A | Faulty switch | 3P-3L-NPC | Medium |
| [83] | Multi Resolution Wavelet analysis and Bayesian classifier | Bridge voltage | N/A | Faulty switch | 3P-3L-NPC | Medium |
| [84] | Dual Input Convolution Neural Network | Change in three phase currents and midpoint voltages | N/A | Faulty switch | 3P-3L-NPC | High |
| [71] | Fast Fourier Transform | output line current | 60 ms (3 cycle) | Faulty switch | 3P-3L-NPC | Normal |
| [79] | Discrete Wavelet Transform | Line Voltages | < 20 ms | Faulty switch | 3P-3L-NPC | Medium |
| [72] | Stochastic Gradient Optimization | Inverter output current | < 250 | Faulty switch | 3P-3L-NPC | Medium |
Publisher’s Note: MDPI stays neutral with regard to jurisdictional claims in published maps and institutional affiliations. |
© 2022 by the authors. Licensee MDPI, Basel, Switzerland. This article is an open access article distributed under the terms and conditions of the Creative Commons Attribution (CC BY) license (https://creativecommons.org/licenses/by/4.0/).
Share and Cite
Mullali Kunnontakath Puthiyapurayil, M.R.; Nadir Nasirudeen, M.; Saywan, Y.A.; Ahmad, M.W.; Malik, H. A Review of Open-Circuit Switch Fault Diagnostic Methods for Neutral Point Clamped Inverter. Electronics 2022, 11, 3169. https://doi.org/10.3390/electronics11193169
Mullali Kunnontakath Puthiyapurayil MR, Nadir Nasirudeen M, Saywan YA, Ahmad MW, Malik H. A Review of Open-Circuit Switch Fault Diagnostic Methods for Neutral Point Clamped Inverter. Electronics. 2022; 11(19):3169. https://doi.org/10.3390/electronics11193169
Chicago/Turabian StyleMullali Kunnontakath Puthiyapurayil, Muhammed Ramees, Mohamed Nadir Nasirudeen, Yashkumar A. Saywan, Md Waseem Ahmad, and Hasmat Malik. 2022. "A Review of Open-Circuit Switch Fault Diagnostic Methods for Neutral Point Clamped Inverter" Electronics 11, no. 19: 3169. https://doi.org/10.3390/electronics11193169
APA StyleMullali Kunnontakath Puthiyapurayil, M. R., Nadir Nasirudeen, M., Saywan, Y. A., Ahmad, M. W., & Malik, H. (2022). A Review of Open-Circuit Switch Fault Diagnostic Methods for Neutral Point Clamped Inverter. Electronics, 11(19), 3169. https://doi.org/10.3390/electronics11193169

